Методика поверки «Сигнализаторы загазованности ДЗ-1-СН4» (МП КУВФ.421451.006-01)
ООО «Производственное Объединение ОВЕН»
УТВЕРЖДАЮ
СОГЛАСОВАНО

Технический директор ООО «ИЦРМ»

Государственная система обеспечения единства измерений Сигнализаторы загазованности
ДЗ-1-СН4
Методика поверки
КУ ВФ.421451.006-01 МП
2020
СОДЕРЖАНИЕ<u s s Ct E
CQ
Q. (U
E
-
5 ТРЕБОВАНИЯ БЕЗОПАСНОСТИ И ТРЕБОВАНИЯ К КВАЛИФИКАЦИИ

Изм |
Лист |
№ докум. |
Подп. | |
Разр |
аб. | |||
Пров. | ||||
Пров. | ||||
Н. контр. | ||||
Утв. |
Сигнализаторы загазованности ДЗ-1-СН4 Методика поверки
Настоящая методика поверки (далее по тексту - методика) распространяется на сигнализаторы загазованности ДЗ-1-СН4 (далее - сигнализаторы) пр-ва ООО «Производственное Объединение ОВЕН», г. Богородицк, ООО «СенсорЭКС», г. Псков и устанавливает методику их первичной и периодической поверок.
Интервал между поверками - 1 год.
2 НОРМАТИВНЫЕ ССЫЛКИПриказ Минпромторга России № 1815 «Об утверждении порядка проведения поверки средств измерений, требований к знаку поверки и содержанию свидетельств о поверке».
ПР 50.2.012-94 Государственная система обеспечения единства измерений. Порядок аттестации поверителей средств измерений.
Приказ Федерального агентства по техническому регулированию и метрологии от 14 декабря 2018 г. № 2664 об утверждении Государственной поверочной схемы для средств измерений содержания компонентов в газовых и газоконденсатных средах.
ГОСТ 12.3.019-80 Система стандартов безопасности труда. Испытания и измерения электрические. Общие требования безопасности.
ГОСТ 13320-81 Газоанализаторы промышленные автоматические. Общие технические условия.
3 ОПЕРАЦИИ ПОВЕРКИ-
3.1 При проведении поверки должны быть выполнены операции в соответствии с
Инв. № подл. I Подп. и дата |Взам. инв. № |Инв. № дубл. I Подп. и дата
таблицей 1.
Таблица 1 - Операции поверки
Наименование операции
Номер пункта методики поверки
Проведение операции при
первичной поверке
периодической поверке
1. Внешний осмотр
8.2
Да
Да
2. Проверка электрического сопротивления изоляции
8.3
Да
Нет
3.Подтверждение соответствия программного обеспечения
8.4
Дв
Да
4. Опробование
8.5
Да
Да
5. Определение метрологических характеристик
8.6
Да
Да
Лист
КУ ВФ.421451.006-01 МП
3
Изм.
Лист
№ докум.
Подп.
Дата
Инв. № подл. I Подп. и дата |Взам. инв. № |Инв. № дубл. I Подп. и дата
-
4.1 При проведении поверки сигнализаторов должны применяться следующие средства:
-
- поверочная газовая смесь ГСО-ПГС состава метан-воздух (регистрационный номер в Федеральном информационном фонде 10532-2014);
-
- поверочный нулевой газ (ПНГ) в баллонах под давлением - воздух марки Б по ТУ 6-21-5-82;
-
4.2 При поверке применяют следующие вспомогательные средства:
-
- ротаметр с местными показаниями РМ-А-0,063 (регистрационный номер в Федеральном информационном фонде 59782-15);
-
- секундомер механический СОПпр-2а-3 (регистрационный номер в Федеральном информационном фонде 11519-11);
-
- установка для проверки параметров электрической безопасности GPT-79803 (регистрационный номер в Федеральном информационном фонде 50682-12);
-
- термогигрометр электронный «CENTER» модель 313 (регистрационный номер в Федеральном информационном фонде 22129-09);
-
- источник питания переменного тока (диапазон напряжения переменного тока от 0 до 300 В, частота переменного тока 50±1 Гц)
-
- вольтметр универсальный цифровой GDM-78261 (регистрационный номер в Федеральном информационном фонде 52669-13);
-
- редуктор газовый баллонный с наибольшей пропускной способностью не менее 0,025 м3/ч (например, редуктор кислородный БКО-25);
-
- трубка ПВХ 6х 1,5 по ТУ 2247-465-00208947-2006;
-
- вентиль точной регулировки ВТР-1-М160 ТУ 3742-008-62222403-2016;
-
- насадка - раструб ровной и прямой формы, обеспечивающая выход поверочной газовой смеси из горизонтальной щели, (например, аппликатор АРАВ.с.014.00.015);
.Примечание - Длина труб от газового баллона до насадки-раструба не должна превышать 1,0 м.
-
4.3 Допускается применение аналогичных средств поверки, обеспечивающих определение метрологических характеристик поверяемых СИ с требуемой точностью.
-
4.4 Средства поверки должны быть исправны и поверены в соответствии с Приказом Минпромторга России № 1815, поверочные газовые смеси в баллонах под давлением должны иметь действующие паспорта.
При проведении поверки должны быть соблюдены следующие требования безопасности:
-
- помещение должно быть оборудовано приточно-вытяжной вентиляцией;
-
- концентрация вредных компонентов в воздухе рабочей зоны должны соответствовать требованиям ГОСТ 12.1.005-88;
-
- требования техники безопасности и производственной санитарии выполнять согласно «Правилам по охране труда на предприятиях и в организациях машиностроения» ПОТ РО-14000-001-98, утвержденным департаментом экономики машиностроения министерства экономики РФ 12.03.98;
-
- при работе с чистыми газами и газовыми смесями в баллонах под давлением необходимо соблюдать «Правила промышленной безопасности опасных производственных объектов, на которых используется оборудование, работающее под избыточным дав-
Лист
КУВФ.421451.006-01 МП
4
Изм.
Лист
№ докум.
Подп.
Дата
Инв. № подл. I Подп. и дата |Взам. инв. № |Инв. № дубл. I Подп. и дата
лением», утвержденные приказом Федеральной службой по экологическому, технологическому и атомному надзору от 25 марта 2014 года № 116;
-
- в помещении запрещается пользоваться открытым огнем и курить;
-
- к поверке допускаются лица, изучившие настоящую методику поверки и руководство по эксплуатации (далее - РЭ) сигнализатора, прошедшие необходимый инструктаж, аттестованных в соответствии с ПР 50.2.012 и имеющих достаточную квалификацию для выбора методики поверки и выбора соответствующих эталонов (п. 4.1 настоящей рекомендации).
При проведении поверки должны быть соблюдены следующие условия, если они не оговорены особо:
-
- температура окружающего воздуха от 15 до 25 °C;
-
- изменение температуры окружающего воздуха и ПГС на протяжении каждого испытания не должно превышать ±2 °C;
-
- относительная влажность воздуха от 20 до 90 %;
230+,°
-
- напряжение питания переменного тока _15 В;
-
- частота сети переменного тока (50 ±1) Гц;
-
- расход ГСО-ПГС и ПНГ (0,018 +0,006) м3/ч ((0,3 +0,1) л/мин);
-
- механические воздействия, внешние электрические и магнитные поля (кроме поля Земли), влияющие на метрологические характеристики, должны быть исключены;
-
- прямые солнечные лучи и сквозняки должны быть исключены.
-
7.1 Ознакомиться с настоящей методикой поверки и РЭ сигнализатора и подготовить сигнализатор к работе.
-
7.2 Выполнить мероприятия по обеспечению условий безопасности.
-
7.3 Проверить наличие паспортов и сроки годности ПГС в баллонах под давлением.
-
7.4 Выдержать сигнализатор и баллоны с ГСО-ПГС и ПНГ при температуре поверки не менее 24 ч.
-
7.5 Выдержать сигнализатор во включенном состоянии не менее 2 ч.
-
7.6 Подготовить к работе средства поверки в соответствии с требованиями их эксплуатационной документации.
-
7.7 Поверку сигнализатора проводить по схемам, приведенным в Приложении А.
-
7.8 Все действия с сигнализатором должны производиться в соответствии с указаниями РЭ.
-
8 ПРОВЕДЕНИЕ ПОВЕРКИ
Номинальное значение порога срабатывания, время срабатывания и пределы допускаемой абсолютной погрешности срабатывания сигнализации приведены в таблице 2.
Изм. |
Лист |
№ докум. |
Подп. |
Дата |
КУВФ.421451.006-01 МП
Лист
Таблица 2
Определяемый компонент |
Наименование характеристики |
Значение |
метан (СНд) |
Номинальное значение порога срабатывания сигнализации, % НКПР* |
10 |
Пределы допускаемой абсолютной погрешности срабатывания сигнализации, % НКПР* |
±5 | |
* НКПР - нижний концентрационный предел распространения пламени, значения НКПР указаны в соответствии с ГОСТ Р МЭК 60079-20-1-2011 |
Инв. № подл. I Подп. и дата |Взам. инв. № |Инв. № дубл. I Подп. и дата
При проведении внешнего осмотра должно быть проверено соответствие сигнализатора следующим требованиям:
-
- сигнализатор должен быть представлен на поверку с эксплуатационной документацией, входящей в комплект поставки (паспорт и РЭ);
сигнализатор должен быть чистым и не иметь механических повреждений на корпусе;
-
- на сигнализаторе должна быть маркировка, соответствующая РЭ.
При обнаружении механических дефектов, а также несоответствия маркировки эксплуатационной документации определяется возможность проведения поверки и дальнейшего использования сигнализатора.
8.3 Проверка электрического сопротивления изоляцииПроверку электрического сопротивления изоляции проводят при помощи мегаомметра с испытательным напряжением 500 В при нормальных климатических условиях.
Испытательное напряжение прикладывают между замкнутыми между собой контактами сетевой вилки и корпусом сигнализатора, обернутым в фольгу.
Подачу испытательного напряжения производят одномоментно, отсчет показаний проводят через 1 мин после приложения испытательного напряжения.
Сигнализатор считается выдержавшим испытание, если измеренное электрическое сопротивление изоляции не менее 20 МОм.
При невыполнении этих требований поверка прекращается, сигнализатор бракуется и направляется в ремонт.
8.4 Подтверждение соответствия программного обеспеченияДля проверки соответствия ПО выполняют следующие операции:
-
- проводят визуализацию идентификационных данных ПО сигнализаторов (номер версии встроенного ПО указывается в паспорте и гарантийном талоне на сигнализатор);
-
- сравнивают полученные данные с идентификационными данными, установленными при проведении испытаний для целей утверждения типа и указанными в Описании типа сигнализаторов (приложение к Свидетельству об утверждении типа).
Результат подтверждения соответствия ПО сигнализаторам считают положительным, если идентификационные данные соответствуют указанным в описании типа (приложение к Свидетельству об утверждении типа).
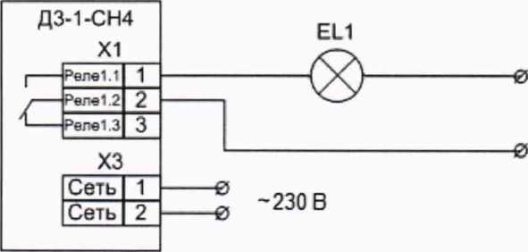
8.5 ОпробованиеПодключить сигнализатор согласно схеме, указанной на рисунке А.1 Приложения А настоящей методики.
Подать напряжение питающей сети 230 В на сигнализатор и наблюдать за состоянием индикаторов и звукового сигнала. При подаче питания выполняется самодиагностика и
Лист | ||||||
КУВФ.421451.006-01 МП |
6 | |||||
Изм. |
Лист |
№ докум. |
Подп. |
Дата |
Инв. № подл. I Подп. идата |Взам. инв. № |Инв. № дубл. I Подп. и дата
прогрев прибора, при этом последовательно переключаются светодиодные индикаторы «РАБОТ А/АВ АР ИЯ» и «ГАЗ», начинает прерывисто светиться индикатор «РАБОТА/АВАРИЯ» и срабатывает прерывистый звуковой сигнал. Через 65 с от момента подачи питания сигнализатор переходит в нормальный режим работы.
В нормальном режиме работы сигнализатора звуковая сигнализация отключена, индикатор «РАБОТА/АВАРИЯ» постоянно засвечен зеленым цветом, индикатор «ГАЗ» не светится, реле аварийной сигнализации в исходном состоянии.
Проверить функционирование режима самодиагностики нажатием кнопки «КОНТРОЛЬ» в течение от 3 до 5 с. При этом включается звуковая и световая сигнализация.
Проверить функционирование тестового режима (режима имитации аварии) длительным удержанием (более 10 с) нажатой кнопки «КОНТРОЛЬ». При этом включается звуковая сигнализация и загорается индикатор «ГАЗ», срабатывает реле аварийной сигнализации. При отпускании кнопки «КОНТРОЛЬ» сигнализатор переходит в нормальный режим работы.
При неверном функционировании поверка прекращается, сигнализатор бракуется и направляется в ремонт.
При невыполнении этих требований поверка прекращается, сигнализатор бракуется и направляется в ремонт.
8.6 Определение метрологических характеристикПодключить сигнализатор согласно схеме, указанной на рисунке А.2 Приложения А настоящей методики.
-
8.6.1 Проверка порогов срабатывания сигнализации и определение допускаемой абсолютной погрешности сигнализаторов.
Проверка порогов срабатывания сигнализации и определение допускаемой абсолютной погрешности сигнализаторов проводится путем выполнения следующих операций:
-
1) собрать схему, представленную на рисунке В.1 Приложения В
-
2) подать на вход сигнализатора поочередно ГСО-ПГС (таблица А.1 Приложения А в последовательности №№ 1-2 с расходом 0,3 ±0,1 л/мин. Операцию повторить два раза.
Результаты испытаний считаются положительными, если выполняются следующие условия:
-
- при подаче ГСО-ПГС № 1 не происходит срабатывания сигнализации;
-
- при подаче ГСО-ПГС № 2 срабатывает сигнализация (Мигает красным светодиод «ГАЗ»).
Такой результат означает, что абсолютная погрешность сигнализаторов не превышает значений, указанных в таблице 2 настоящей методики (срабатывание сигнализации при подаче ПГС № 2 означает, что абсолютная погрешность сигнализаторов не превышает ± 5 % НКПР).
При невыполнении этих требований поверка прекращается, сигнализатор бракуется и направляется в ремонт.
-
8.6.2 Проверка времени срабатывания сигнализации.
Проверка времени срабатывания сигнализации проводится совместно с проверкой порогов срабатывания сигнализации и определения абсолютной погрешности сигнализаторов по п. 8.6.1 настоящей методики с использованием секундомера. С помощью секундомера измеряют время от начала подачи ГСО-ПГС № 2 до срабатывания сигнализации.
Лист | ||||||
КУВФ.421451.006-01 МП |
7 | |||||
Изм. |
Лист |
№ докум. |
Подп. |
Дата |
Результат проверки времени срабатывания сигнализации считают положительным, если время срабатывания не превышает 90 с.
При невыполнении этих требований поверка прекращается, сигнализатор бракуется и направляется в ремонт.
9 Оформление результатов поверки-
9.1 Положительные результаты поверки сигнализаторов оформляют свидетельством о поверке по форме, установленной в документе «Порядок проведения поверки средств измерений, требования к знаку поверки и содержанию свидетельства о поверке», утвержденному приказом Минпромторга России от 2 июля 2015 г. № 1815, и (или) отметкой в паспорте.
-
9.2 Знак поверки наносится на свидетельство о поверке и (или) в паспорт.
-
9.3 При отрицательных результатах поверки сигнализатор не допускается к применению до выяснения причин неисправностей и их устранения. После устранения обнаруженных неисправностей проводят повторную поверку, результаты повторной поверки - окончательные.
-
9.4 Отрицательные результаты поверки сигнализатора оформляют извещением о непригодности по форме, установленной в документе «Порядок проведения поверки средств измерений, требования к знаку поверки и содержанию свидетельства о поверке», утвержденному приказом Минпромторга России от 2 июля 2015 г. № 1815, свидетельство о предыдущей поверке аннулируют, а сигнализатор не допускают к применению.
Инв. № подл. I Подп. идата |Взам. инв. № |Инв. №дубл. I Подп. и дата
Изм.
Лист
№ докум.
Подп.
Дата
(обязательное)

Сеть -230 В
ELI - лампа накаливания 15 Вт (230 В).
Рисунок А.1 - Схема электрическая подключения сигнализатора ДЗ-1-СН4
Инв. № подл. I Подп. и дата |Взам. инв. № |Инв. № дубл. I Подп. и дата

Рисунок А.2 - Схема пневматическая подачи ПГС из баллонов под давлением на сигнализатор при проведении проверки порога срабатывания и времени срабатывания
Лист | ||||||
КУВФ.421451.006-01 МП |
9 | |||||
Изм. |
Лист |
№ докум. |
Подп. |
Дата |
(обязательное)
Таблица Б.1 - Перечень ГСО-ПГС, применяемых для поверки сигнализаторов
Определяемый компонент |
Значение объемной доли определяемого компонента в ГСО-ПГС |
Пределы допускаемого отклонения |
Источник получения ГСО-ПГС | |
ГСО-ПГС № 1 |
ГСО-ПГС № 2 | |||
Метан |
0,22 % ± 7 % отн. (5 % НКПР) |
0,66 % ± 7 % отн. (15% НКПР) |
±3 % отн. |
ГСО-ПГС состава СНд/воздух рег.№ 10532-2014 |
Примечание - НКПР в соответствии ГОСТ Р МЭК 60079-20-1-2011, 100 % НКПР соответствует 4,40 % объемной доли метана СГЦ.
Инв. № подл. I Подп. и дата |Взам. инв. № |Инв. № дубл. I Подп. и дата
Таблица Б.2 - Типы сигнализации
Номер ПГС |
Режим работы |
Световая сигнализация (Индикатор «ГАЗ») |
Звуковая сигнализация |
Состояние реле* |
1 |
Нормальный режим работы |
Не светится |
нет |
Реле в исходном состоянии |
2 |
Сигнализация порога |
Мигает красным цветом с частотой 1 Гц |
Звуковой сигнал с частотой повторения 1 Гц |
Реле включено |
* Состояние реле контролируется по свечению лампы ELI |
Лист | ||||||
КУ ВФ.421451.006-01 МП |
10 | |||||
Изм. |
Лист |
№ докум. |
Подп. |
Дата |
(обязательное)
Схема подачи ГС на сигнализаторы при проведении поверки

Инв. № подл. I Подп. и дата |Взам. инв. № |Инв. № дубл. I Подп. и дата
-
1 - баллон с ГС;
-
2 - вентиль точной регулировки (или редуктор баллонный);
-
3 - индикатор расхода (ротаметр);
-
4 - сигнализатор (показан условно);
-
5 - насадка адаптер для подачи ГС;
-
6 - подключение к источнику переменного тока
Рисунок В.1 - Схема подачи ГС на сигнализаторы при проведении поверки
Лист | ||||||
КУ ВФ.421451.006-01 МП |
И | |||||
Изм. |
Лист |
№ докум. |
Подп. |
Дата |