Методика поверки «ИЗМЕРИТЕЛЬ ОТНОШЕНИЯ НАПРЯЖЕНИЯ В8-6 МЕТОДИКА ПОВЕРКИ» (Код не указан!)
ИЗМЕРИТЕЛЬ ОТНОШЕНИЯ НАПРЯЖЕНИЯ В8-6
МЕТОДИКА ПОВЕРКИ
ИЗМЕРИТЕЛЬ ОТНОШЕНИЯ НАПРЯЖЕНИЙ
1975 г.
10о УКАЗАНИЕ НО ПЕРИОДИЧЕСКОЙ ПОВЕРКЕ
IO.I* При периодической поверке проверьте соответствие прибора пунктам 2,1 и 2.3 настоящего описания.-
10.2® Контрольно-измерительная аппаратура, используемая при поверке, приведена в табл. 3,
Таблица 3
|
Наименование аппаратуры |
Тип |
Ооновные параметры контрольно-измерительной аппаратуры |
Примечание | |
|
I. |
Генератор звуковых и |
Диапазон частот от | ||
|
ультразвуковых частот |
гз-зз |
20 гц до 200 кгц | ||
|
погрешность | ||||
|
0,02/ + I гц. | ||||
|
2. |
Вольтметр переменного |
кл.1,5; от 0,3 мв | ||
|
тока |
ВЗ-? |
до 300 в | ||
|
3. |
Аттенюатор |
АСО-ЗМ |
не хуже 0,2% | |
|
4. |
Делитель переменных | |||
|
напряжений ■ |
P43I3 |
‘кл.0,2 • | ||
|
5. |
Батарея |
КБС-Л-0,5 |
.........г— | |
ПРИМЕЧАНИЕ. Допускается использование другой аппаратуры,
имеющей аналогичные параметры.
-
10.3. Определение чувствительности прибора.
Чувствительность прибора проверяется по блок-схеме, призе-* денной на рис. 2.
Рис.2.
Исходное положение органон регулировки прибора;
-
- "УСИЛЕНИЕ ГРУБО” - в положение I;
-
- "УСИЛЕНИЕ ПЛАВНО” - в крайнее левое положение;
-
- кнопки "10, 100, 1000” - отжаты;
-
- кнопки "ВХОДЫ I" и "0,15-20 кйг ” - нажаты;
-
- потенциометр "ОТНОШЕНИЕ НАПРЯЖЕНИЙ” - в положение 1,00;
-
- переключатель "ПИТАНИЕ ДАТЧИКА” "ВЫКАЛ;
-
- переключатель "IK, 2К, ОБЩ”’ - в положение "ОБЩ”;
-
- тумблер вида питания - " ~ 220 в”, .
Включите прибор и резистором ” ”, расположенным на лицевой
панели, установить стрелку на отметку п<?о ” (электрический нуль),
. потенциометры "КАЛИБРОВКА I" и "2" поотэвитс? в среднее положение,
• ■ 1 v • : •
Проверьте чувствительность в-полосе частот от 0,15 до
20 кгц для чего:
-
- установите аттенюатор АСО-ЗМ в положение 80 дб, что соот-
ц
ветствует коэффициенту деления 10 ;
-
- подайте напряжение от генератора ГЗ-ЗЗ 10 мв частотой 1кгц;
-
- переведите ручки "УСИЛЕНИЕ ГРУБО” прибора В8-6 в положение 4, "УСИЛЕНИЕ ПЛАВНО"-в крайнее правое положение;
- регулируя напряжение на выходе генератора, установите стрелку микроамперметра В8-6 на I и определите чувствительность прибора, разделив показания вольтметра ВЗ-7 на io\
Проведите указанные измерения на частотах 0,15 и 20 кгц.
ПРИМЕЧАНИЕ. Если генератор дает биения на частоте 0,15 кгц
- перевернуть его вилку питания и сместить йа-стройку с частоты 0,15 кгц.
Проверьте чувствительность на фиксированных частотах, для
чего:
-
- нажмите кнопку "1,0 kHZ " и установите частоту генератора ГЗ-ЗЗ I кгц. Определите чувствительность согласно приведенной выше методике;
-
- проделайте то же самое для частоты 10 кгц, нажав кнопку "10 кНХ " и установив частоту генератора 10 кгц.
Допускается подрегулировка усиления потенциометрами "КАЛИБРОВКА I и 2”.
-
10.4. Определение основной погрешности прибора производится
в следующей последовательности:
-
- установите все органы регулировки в исходное положение, указанное в п.10.3;
-
- аттенюатор АСО-ЗМ установите в положение 10 дб, подайте напряжение 32 мв частотой I кгц с генератора ГЗ-ЗЗ;
-
- произведите калибровку прибора, для чего поставьте переключатель _”1К, 2К, ОБЩ." в положение "IK" и потенциометром "КАЛИБРОВКА I" установите стрелку микроамперметра на I;
-
- установите переключатель в положение "2К" и потенциометром "КАЛИБРОВКА 2" установите стрелку миг/юамперметра на I;
-
- переведите переключатель калибровки в положение "ОБЩ." и установите стрелку микроамперметра на I;
-
- устанавливая аттенюатор АСО-ЗМ в положения 20? 40; 60;
80 и 90 дб, что соответствует коэффициентам деления 3,16;31,6;316; 3160 и 10000, измеряйте значения отношения напряжений, умножив показания шкалы "ОТНОШЕНИЕ НАПРЯЖЕНИЙ” на показания нажатой кнопки переключателя ”10, 100, 1000”. Коэффициент деления, равный 10, дополнительно проверяется- потенциометром "ОТНОШЕНИЕ НАПРЯЖЕНИЙ”;
-
- погрешность измерения определите по формуле
А
где Кизм - измеренное прибором отношение напряжений;
А - ослабление аттенюатора АСО-ЗМ.
Произведите измерение основной погрешности на частотах
ИЗ кгц и 0,15 кгц согласно вышеприведенной методике, устанавливая требуемую частоту на генераторе ГЗ-ЗЗ.
Произведите измерение основной погрешности на фиксированных частотах I и Ю кгц согласно вышеприведенной методике«
Если при измерении отношения I0Z| прибор В8-6 имеет положительную погрешность и отсчитать измеряемую величину по шкале "ОТНОШЕНИЕ НАПРЯЖЕНИЙ” затруднительно, переведите аттенюатор АСО-ЗЙ в положение Юдб, кнопки 10, 100, 1000 прибора В8-6 отожмите, шкалу "ОТНОШЕНИЕ НАПРЯЖЕНИЙ" установите на 1,00, при этом отрелка микроамперметра должна быть на I,
Поставьте АСО-ЗМ на 30 дб и ручкой "УСИЛЕНИЕ ПЛАВНО” установите стрелку микроамперметра на I, не нажимая кнопку "10”.
Переведите АСО-ЗМ в положение 90дб, нажмите кнопку "1000” я установите стрелку микроамперметра на I ручкой "ОТНОШЕНИЕ НАПРЯЖЕНИЙ”, Измеренное значение отношений определите умножением показания шкалы "ОТНОШЕНИЕ НАПРЯЖЕНИЙ” на I04. Погрешность определите по формуле I.
-
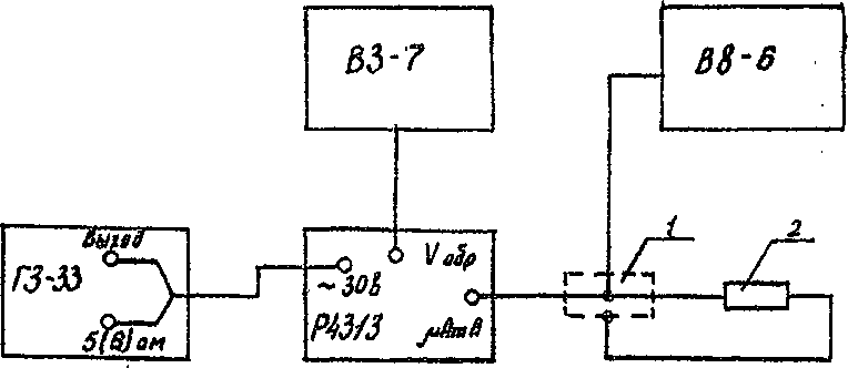
10.5. В случае отсутствия аттенюатора АСО-ЗМ поверку основной погрешности можно произвести на делителе переменных напри-кенкй типа P43I3 по блок-схеме, приведенной на рио« 3.

I- тройник?
2 - резистор УЛИ-ОЗ (13-2 ом)
Рис, 3«
Исходное положение ручек приборов:
• на магазине делителей P43I3 * переключатель пгпУ и (левый) в положено I, переключатель *т/1 « в положении *30 л? Аш t тум
|
баер (левый) - |
"ВЫКЛ."; "ВЫХОД" с гнезда А”, л?Л “ |
ак ранированным кабелем через тройник I на "ВХОД I" прибора
В&-6? второй вход тройника шунтируется резистором 2;
- на генераторе ГЗ-ЗЗ - частота 1000 гц, выходное сопротивление 5 ом, "ШКАЛА ПРИБОРА" в положении ВХ2®, выходное напряжение 2tf5-3 вольта (по милливольтметру ВЗ-7, подключенному к гнезду в УобрЛ магазина P43I3);
-
- на приборе В8-6 - ручки “УСИЛЕНИЕ ГРУБО» и"ПЛАВНО» в ле-нои положении, кнопки “10,100, 1ООО» отжаты, кнопки “ВХОДЫ I» и “0,15-20 кНк" нажаты, ручкп “ПИТАНИЕ ДАТЧИКА» (на задней стенке) и положении "ВЫКЛв", правая ручка (там жи) в положении "ОБЩ."
Отключите тройник от гнезда “ВХОД Iм прибора В8-6;проверь-to и скорректируйте нулевое положение стрелки микроамперметра на В8-6 (знак »оои). возвратите тройник на место*
Установите стрелку микроамперметра на I ручкой "УСИЛЕНИЕ ПЛАВНО".’ Уменьшите, в случае необходимости, напряжение на выходе генератора ГЗ-ЗЗ, однако при этом следите за тем, чтобы ручка "УСИЛЕНИЕ ПЛАВНО" находилась ближе к девой стороне, когда стрелка микроамперметра устанавливается в положение 1« Не трогайте ручки "УСИЛЕНИЕ ПЛАВНО» и “ГРУБО" до конца поверки*
Проводите поверку в соответствии о табл* 4 в следующей последовательности:
-
- переведите на P43I3 ручку "/нА" в положение 10;
-
- переведите потенциометр "ОТНОШЕНИЕ НАПРЯЖЕНИЙ” в положе-дие, при котором стрелка микроамперметра займет положение I;
-
- запишите показания шкалы потенциометра;
-
- переведите на P43I3 ручку ’’тт? А” в положение 3;
-
- установите стрелку микроамперметра на I потенциометром “ОТНОШЕНИЕ НАПРЯЖЕНИЙ" и запишите показания шкалы потенциометра;
* переведите потенциометр в положение между 10 и I (разрыв);
-
- нажмите на В8-6 кнопку "10”;
-
- установите стрелку на I потенциометром "ОТНОШЕНИЕ НАПРЯЖЕНИЙ" и запишите показания его шкалы;
-
- переведите на P43I3 ручку “я? Ая в положение "Iй и дальше действуйте, руководствуясь заполненными графами табл. при
возвращая стрелку «икро амперметра на I*
Переключите правый тумблер P43I3 в до доже пае /wfy«,A%
когда на P43I3 переключатель ня?Ап будет переведен в положений “IOyt/A% и продолжайте измерения»
Погрешность измерения определите по формуле 2:
8-- к^'^-...../аа% , (2)
гхаел
где К изяо - измеренное отношение напряжений;
К дед» - коэффициент деления делителя P43I3.
Установите частоту на генераторе ГЗ-ЗЗ 20 кгц, выходное напряжение 3-3,5 в и произведите измерение основной погрешности согласно вышеприведенной методики.
Произведите измерение основной погрешности на фиксированных частотах I и 10 кгц по той же методике.
Таблица 4
|
Положение переключателя на магазине P43I3 |
Нажата кнопка на приборе В8-6 |
Отношение напряжений |
Погрешность, % | |
|
К ном. |
К нам. | |||
|
30 |
от» |
I | ||
|
10 |
«от |
3 | ||
|
3 |
ЯМ |
10 | ||
|
3 |
10 |
10 | ||
|
I |
10 |
30 | ||
|
0,3 |
10 |
100 | ||
Продолжение табл. 4
|
Положение переключателя “ДА" на магазине 4313 |
Нажата кнопка на приборе В8—6 |
Отношение напряжений |
Погрешность % | |
|
Кном |
Низы. | |||
|
0,3 |
100 |
100 | ||
|
0,1 |
100 |
300 | ||
|
0,03 |
100 |
1000 | ||
|
0,03 |
1000 |
1000 |
i | |
-
10.6. В случае необходимости регулировка отсчетного устройст-san ров о дит с я в следующей последовательности в первом (во второй) канале:
-
- выключите питание прибора, выньте вилку из розетки» Уста-навита шкапу потенциометра “ОТНОШЕНИЕ НАПРЯЖЕНИЙ0 на 10.00.Подключите батарею типа “Девиз” между контактами 2-3(6-7) платы У2;
-
- поставьте переключатель “УСИЛЕНИЕ ГРУБО" в подоконие 3. Нажмите кнопку “10“, при этом закорачиваются резисторы 56, 57 в первом канале; ВИ, 512 - во втором канале;
-
- измерьте потенциометром Р309 напряжение //у между контактами I-5(i—5) платы УЗ(У4);
-
- переведите шкалу потенциометра “ОТНОШЕНИЕ НАПРЯЖЕНИЙ" в положение 1,00., Регулировкой резистора 515(520), расположенного под экраном вместе с 510 - “ОТНОШЕНИЕ НАПРЯЖЕНИЙ" добейтесь, чтобы напряжение между контактами 1-5 (1-5) платы УЗ(У4) было равно 0,1^/;
-
- выключите кнопку “10“ переключателя “10; 100; 10001 Установите шкалу потенциометра “ОТНОШЕНИЕ НАПРЯЖЕНИЙ* на 10,00;
« установите напряжение между контактами 1-5 (1-5) платы УЗ (У4) равным 0,11// регулировкой резистора В? ($12), расположенного на плате делителя У1.
II• ПРАВИЛА УПАКОВКИ, ХРАНЕНИЯ й ТРАНСПОРТИРОВАНИЯ
Упаковку прибора производите в следующей последовательности: прибор оберните тремя олоями бумаги, защитите по бокам картоном, сзади, спереди, оверху и снизу - фанерой, обвяжите шпагатом и уложите в картонную коробку;
-
- сверху положите эксплуатационную документацию;
-
- кабели сверните кольцом (размер свертка определите по месту), в середину свертка уложите, предварительно обернув бумагой, зажимы типа ’’Крокодил” и тройник СР-50-95Ц* Все оберните бумагой,1перевяжите шпагатом;
-
- закланную коробку уложите в транспортный ящик, заполнив пространство между стенками, дном и.крышкой транспортного ящика до уплотнения гофрированным картоном.
Приборы, поступающие на оклад потребителя и предназначенные для эксплуатации ранее шести месяцев оо дня поступления, могут храниться в упакованной виде.
Приборы, прибывшие для длительного хранения (продолжительностью более шести месяцев), содержатся освобожденными от транспортной упаковки.
Приборы должны храниться в помещениях с соблюдением следующих условий:
