Руководство по эксплуатации «Вычислитель количества теплоты ВКТ-7М» (THPB.400880.110 РЭ)
ОКПД2 26.51.52.
УТВЕРЖДАЮ
УТВЕРЖДАЮ

« 09
//„9.
О if
Генеральный директор ,<ШЯУ «ИВ.Тпейд» ..
раздел 8 Методика поверки И.О. директор ФГУ, сВНИИМ им.
<•27» февраля
3*МЕда
E.uf
ДСЗЕЮ от 03 о*
ВКТ-7МВЫЧИСЛИТЕЛЬ КОЛИЧЕСТВА ТЕПЛОТЫ
Руководство по эксплуатации
ТНРВ.400880.110 РЭ
ТЕПЛО<ОМ <4
Содержание
Приложение А - Рекомендации по выбору настроечных параметров
Приложение Б - Система диагностики
Приложение В - Пример печати отчета
Приложение Г - Подключение внешних устройств
Приложение Д - Настройка адаптера интерфейса RS-485
Приложение Е - Блок дополнительной батареи
Приложение Ж - Форма протокола поверки
Приложение З - Схема подключения датчиков к разъемам
Приложение К - Настройка дополнительных функций
Приложение Л - Замена батареи в ВКТ-71М
Перечень принятых сокращений
АВ |
- аппаратная версия вычислителя | |
АЦП |
- |
аналого-цифровой преобразователь |
БД |
- |
настроечная база данных |
БП |
- |
блок сетевого питания |
ВС |
- |
водосчетчик (расходомер) |
ВУ |
- |
внешнее устройство |
ГВС |
- |
горячее водоснабжение |
ДС |
- |
диагностируемые сообщения |
ЕИ |
- |
единица измерения (параметр) |
КС |
- |
контрольная сумма |
НП |
- |
накопительный пульт |
НС |
- |
нештатная ситуация |
ПВ |
- |
программная версия вычислителя |
ПД (ДД) |
- |
преобразователь (датчик) давления |
ПК |
- |
персональный компьютер |
ПО |
- |
программное обеспечение |
ПИ |
- |
период измерения (параметр) |
РЭ |
- |
руководство по эксплуатации |
РР |
- |
Режим смены БД (уставка) |
ТВ |
- |
тепловой ввод |
Тр |
- |
трубопровод |
ТС |
- |
термометр (термопреобразователь) сопротивления |
СО |
- |
скорость обмена с ВУ (параметр) |
СИ |
- |
Схема измерений |
ХВ |
- |
холодная вода |
h |
- |
энтальпия (удельное теплосодержание) воды |
Введение
Настоящее руководство предназначено для специалистов, осуществляющих проектирование, монтаж, обслуживание, считывание показаний, контроль работы и поверку вычислителей количества теплоты ВКТ-7М.
1 Описание и работа
1.1 Назначение
Вычислители ВКТ-7М могут применяться в составе теплосчетчиков и измерительных систем, предназначенных для измерений параметров теплоносителя (расхода, объема, температуры, давления), количества теплоты (тепловой энергии) и теплоносителя в водяных системах теплопотребления, а также для измерений количества других измеряемых сред.
Модель ВКТ-7М-01 обеспечивает измерения тепловой энергии по одному тепловому вводу (ТВ1), ВКТ-7М-02 двум тепловым вводам (ТВ1 и ТВ2) - представленными закрытой и/или открытой водяными системами теплопотребления.
Функциональные возможности моделей ВКТ-7М приведены в таблице 1.
Таблица 1
Модель |
Количество подключаемых датчиков |
Контроль питания ВС |
Дополнительные импульсные сигналы | ||||||
Тепловой ввод 1 |
Тепловой ввод 2 | ||||||||
ВС |
ТС |
ПД |
ВС |
ТС |
ПД |
Входные |
Выходные (по заказу) | ||
ВКТ-7М-01 |
3 |
3 |
3 |
- |
- |
- |
да |
1 |
2 |
ВКТ-7М-02 |
3 |
3 |
3 |
3 |
3 |
3 |
да |
1 |
2 |
Каждый ТВ1 и ТВ2 может иметь трубопроводы: подающий (Тр1), обратный (Тр2) и ГВС, подпитки или питьевой воды (Тр3).
Дополнительный импульсный вход (Х16, Приложение З) может быть использован в счетном режиме (для измерений количества среды: объема, массы, электроэнергии и т.п.) или в режиме регистратора внешних событий (сигнализация).
ВКТ-7М имеют встроенный последовательный интерфейс RS232 (RS485 или Ethernet по отдельному заказу).
В ВКТ-7М реализована поддержка работы с GSM и CSD модемами Настройка режима автодозвона для работы с CSD модемами, приведена в приложении К.
2 Технические характеристики
2.1 Подключаемые датчики
Водосчетчики (ВС). Применяются ВС только с импульсным выходом с весом импульса от 0,0001 до 10000 литров. Выходная цепь ВС может быть: пассивной (геркон или открытый коллектор), или активной (ТТЛ, КМОП и т. п.).
Частота импульсов пассивной цепи ВС - не более 16 Гц при длительности состояния «разомкнуто» более 50 мс. В «замкнутом» состоянии сопротивление цепи должно быть менее 3 кОм при напряжении менее 0.5 В, «разомкнутом» - более 3 МОм или токе утечки менее 1 мкА.
Частота импульсов активной цепи ВС - не более 1000 Гц при длительности каждого состояния выходной цепи ВС не менее 0,5 мс. Напряжение активной цепи ВС: в состоянии высокого уровня («Н») - 2.4+5 В, в состоянии низкого уровня («L») - + 0,4 В. Выходное сопротивление цепи не более 10 кОм.
Термометры сопротивления (ТС). Применяются однотипные ТС, имеющие характеристику 100М (W100=1,428 или коэффициент а=0,00428 °С_1), 100П, 500П (W100=1,391 или коэффициент а=0,00391 °С"1), Pt100, Pt500 (W100=1,385 или коэффициент а=0,00385 °С-1).
Преобразователи избыточного давления (ПД). Используются ПД с выходным сигналом 4-20 мА и верхним пределом измерений не более 1,6 МПа (16 кгс/см2).
2.1.1 Измеряемые величины в системе ТВ11
Обозначение |
Наименование |
Диапазон и ед. измерен. |
Показания |
G1...G3 |
Объемный расход |
0 - 106 м3/ч |
Текущие |
t1...t3 |
Температура воды |
0 - 180,00 °C |
Текущие и архивные средние |
Р1...Р3* |
Избыточное давление |
0 - 1,600 МПа | |
dt |
Разность температур воды t1 - t2 |
2 - 160,00 °C | |
tx |
Температура холодной воды |
0 - 180,00 °C | |
ta |
Температура воздуха |
минус 50,00 - 130,00 °C | |
V1...V3 |
Объем воды |
0 - 108 м3 |
Итоговые и архивные |
М1...М3 |
Масса воды |
0 - 108т | |
Мг** |
Масса воды, отобранной из системы | ||
Оо |
Тепловая энергия полная |
0 - 107 Г кал | |
Ог |
Тепловая энергия в трубопроводе 3 | ||
ВНР |
Время нормальной работы |
0 - 5х 104час | |
ВОС |
Время отсутствия счета |
* Архивные показания - абсолютное давление со значением, равным (Р+0,098) МПа. ** Значения массы Мг, полученные как разность значений М1 и М2, а также соответствующее ей значение Ог могут принимать как положительные, так и отрицательные значения._____________________________________________________________________________
Показания текущего времени и даты обеспечены в исходном состоянии индикатора.
2.2 Подключаемые внешние устройства
К ВКТ-7М по физическим линиям связи могут подключаться: ПК, НП и модем, имеющие интерфейс RS232C, RS485 или Ethernet.
Схемы подключения внешних устройств приведены в Приложении Г и Д.
2.3 Параметры архивов
ВКТ-7М регистрирует архивные и итоговые показания величин в энергонезависимой памяти.
Архивные показания формируются на часовых, суточных и месячных интервалах. Архив рассчитан на ретроспективу: 3000 часов - часовые, 750 суток - суточные и 60 месяцев - месячные интервалы.
Обновление итоговых и архивных показаний производится в начале часа.
При выполнении операции СБРОС интервальные и итоговый архивы очищаются.
Сброс архива диагностической информации невозможен.
При отключении питания вычислителя все архивы сохраняются в энергонезависимой памяти в течение срока службы прибора.
2.4 Метрологические характеристики в рабочих условиях
2.5 Эксплуатационные характеристики
Рабочие условия эксплуатации:
температура окружающего воздуха ................................от минус 10 до 50 °C.
атмосферного давления в диапазоне................................. от 84 до 106,7 кПа;
Величина |
Диапазон1) |
Пределы погрешности2) |
Погрешность |
Количество теплоты (тепловой энергии), ГДж |
от 0 до 107 |
±(0,5 + AWAt) % 3) ±(0,1 + 10/A©) % 4 |
относительная |
Масса теплоносителя, т |
от 0 до 108 |
±0,1 % |
относительная |
Объем теплоносителя, м3 Количество измеряемой среды |
от 0 до 108 |
±1 ед. мл. р. |
абсолютная |
Средний объемный расход, м3/ч |
от 0 до 106 |
±(0,01 + 6/Г) % |
относительная |
Температура теплоносителя, °С Температура воздуха, °С |
от 0 до 180 от -50 до +130 |
±0,1 °C |
абсолютная |
Разность температур, °С |
от 2 до 160 |
±(0,03 + 0,0006At) °C |
абсолютная |
Избыточное давление, МПа |
от 0 до 1,6 |
±0,25 % |
приведенная |
Текущее время |
±0,01% |
относительная | |
Atmn = 2 °C - минимальная измеряемая разность температур; At - разность температур воды в двух трубопроводах, °С; A© - разность температур горячей и холодной (константа) воды, °С; Т > 16 - период измерения расхода, с. | |||
Примечания.
|
Межповерочный интервал.....................................................................................4 года.
относительная влажность окружающего воздуха при 35 °C.....................95 %.
напряженность внешнего переменного магнитного поля частотой 50 Гц не более...............................................................................................................400 А/м
вибрации частотой (10-55) Гц и амплитудой смещения................. до 0,35 мм.
Степень защиты корпуса от проникновения пыли и воды.....................................IP54.
Габаритные размеры............................................................................. 140x 100x84 мм.
Масса не более.....................................................................................................0,75 кг.
Средний срок службы...........................................................................................12 лет.
Установленная безотказная наработкк............................................................ 80000 ч.
2.6 Характеристики интерфейса
Характеристики встроенного интерфейса RS232 или RS485:
• Скорость обмена.........1,2; 2,4; 4,8 ; 9,6* и 19,2 Кбит/с;
* - рекомендованная скорость 9600 бит/с.
2.7 Электропитание
Электропитание ВКТ-7М осуществляется от встроенной литиевой батареи с номинальным напряжением 3,6 В и емкостью 7 А ч, или от сети переменного тока частотой (50+2) Гц, напряжением (187-242) В (блок питания по заказу). В случае питания от сети переменного тока, литиевая батарея служит резервным источником питания на время отсутствия сетевого напряжения.
Расчетный ресурс батареи, при соблюдении нижеуказанных условий, не менее 10 лет.__________________________________________________________________________________________
Ресурс батареи установлен для условий:
-
- температура окружающего воздуха 0 - 25 °С,
-
- средняя частота импульсов от ВС до 30 Г ц,
-
- период измерений температуры и давления 600 с,
-
- включена защита от доступа,
-
- время работы с ВУ до 5 часов в месяц.
Если реальные условия эксплуатации отличаются от условий, указанных выше, то расчетный ресурс работы батареи уменьшается.
ВКТ-7М контролирует разряд батареи питания. При снижении напряжения питания до 3,1 В на экране отображается код ДС Н1 при просмотре параметров или надпись БАТАРЕЯ ХХ/ХХ/ХХ при нажатии любой клавиши при погашенном экране, где ХХ/ХХ/ХХ - дата возникновения данной ДС.
Нормальное функционирование ВКТ-7М обеспечивается до 2-х недель после активизации признака разряда батареи. Накопленные архивы сохраняются и при полном разряде батареи. Процедура замены батареи описана в приложении Л.
Электропитание выходных цепей датчиков ВС (пассивного типа) и ТС осуществляется от вычислителя, питание ДД - от внешних источников питания.
ВНИМАНИЕ! Работа адаптеров Ethernet или RS-485 возможна только при подключенном сетевом блоке питания.
2.8 Защита от несанкционированного вмешательства
Для предотвращения несанкционированного вмешательства в работу ВКТ-7М предусмотрены три способа защиты.
Защита доступа к меню калибровки путем нанесения на кнопку «калибровка» защитного стикера (наклейка) с оттиском клейма поверителя (рис. 2.1).
ООО «ИВТрейд», 197348, г. Санкт-Петербург, Коломяжский пр., д. 10, лит. АФ.
| 8 800 250-03-03, (812) 600-03-03 | info@teplocom-sale.ru | www.teplocom-sale.ru 8
Изменение калибровочных коэффициентов с клавиатуры и по интерфейсу без нажатия кнопки НЕВОЗМОЖНО.
Защита от внесения изменений в электронный модуль выполняется путем нанесения оттиска клейма (мастика) поверителя на крепежный винт защитного каркаса электронного модуля внутри корпуса прибора (рис. 2.1).

* - рекомендуется закрыть защитной наклейкой, входящей в комплект поставки вычислителя
Рис. 2.1 - Места пломбирования поверителем
Защита настроечных параметров выполняется переводом переключателя защиты (рис. 2.1) в положение «1» и пломбированием вычислителя пломбой инспектора теплоснабжающей организации (рис 2.2).

Рис. 2.2 - Место пломбирования инспектором
При переводе переключателя защиты в положение «1» попытки изменения настроечных параметров игнорируются, а на индикатор выводится сообщение ЗЩ!
Параметры ВУ и СО меню БД1-Системные-Интерф. не влияют на работу ВКТ-7М и доступны для изменения с лицевой панели при включенной защите.
Изменение параметров настройки с клавиатуры и по интерфейсу при установленном переключателе защиты НЕВОЗМОЖНО.
Защита метрологически значимой части встроенного ПО и «настроечных параметров»
Уровень защиты ПО вычислителя от непреднамеренных и преднамеренных изменений соответствует уровню «высокий» по Р 50.2.077-2014. Защита выполняется путём формирования контрольной суммы метрологически значимой части исполняемого кода, встроенного ПО. Значение контрольной суммы установлено в описании типа на данный тип вычислителей.
Версия встроенного ПО и контрольная сумма ПО отображается на индикаторе вычислителя (рис.3.3).
Для оперативного контроля изменения настроек вычислителя, при его эксплуатации, предназначена контрольная сумма метрологически значимой части «настроечных параметров», которая отображается в «отчете о настройках» (см. Приложение В).
Журнал действий оператора
В вычислителе формируется «журнал действий оператора», в котором фиксируются все изменения настроечных параметров, выполненные оператором (с клавиатуры или по внешнему интерфейсу) и влияющие на метрологические характеристики вычислителя.
В «журнал действий оператора» регистрируются события, связанные с изменением даты и (или) времени, со сменой периода теплопотребления (лето/зима), с заменой элемента питания, со сбросом архива (сохраняются показания всех счётчиков, предшествующие очистке), с изменением калибровочных коэффициентов.
Доступ к журналу обеспечивается с использованием ПК с предустановленным сервисным ПО ВКТ7МЕаэу2 (пункт меню «Отчет» - «Журнал оператора»),
2.9 Безопасность эксплуатации
ВКТ-7М не обладает факторами, имеющими опасный характер при работе с ним.
При эксплуатации и испытаниях ВКТ-7М должны соблюдаться «Правила технической эксплуатации электроустановок потребителей», «Правила техники безопасности при эксплуатации электроустановок потребителей» и требования ГОСТ 12.2.007.0.
3 Устройство и работа
3.1 Сведения о конструкции
Вычислитель ВКТ-7М состоит из двух частей: верхней и нижней (основания).
Внутри верхней части расположен модуль, на котором размещены электронные компоненты, индикатор, клавиатура, входные разъемы, литиевая батарея и переключатель доступа к настроечным параметрам.
Маркировка модели и заводской номер ВКТ-7М нанесены на прозрачной стенке верхней части корпуса.
Внешний вид ВКТ-7М представлен на рисунке 3.1.
Модель
№01234 20161-
Индикатор
Маркировка модели, заводской номер, год -выпуска
Клавиатура
Адаптер
Верхняя часть
Основание
Маркировка дополнительных опции
RS-485
Ethernet L Доп. батарея □ Блок питания □
2016 г
Заводской номер и аппаратная реализация
Рис. 3.1 - Внешний вид ВКТ-7М
Доступ к разъемам внешних цепей и к переключателю доступа, разрешающему ввод настроечных параметров, открывается с противоположной стороны снятой крышки (Рис. 6.3).
Кабельные вводы (резиновые манжеты или гермовводы - по заказу) устанавливаются на нижней стенке основания корпуса.
Внутри основания устанавливается плата интерфейса. По умолчанию ВКТ-7М поставляется с интерфейсом RS232C. По отдельному заказу могут быть установлены платы интерфейса RS485/RS232 или Ethernet.
Вилка стандартного разъема DB9M интерфейса RS232C находится на нижней стенке основания и доступна без снятия крышки.
Внутри корпуса могут быть установлены (по отдельному заказу) сетевой блок питания (Приложение Н) или дополнительная литиевая батарея (Приложение Е).
3.2 Индикатор и клавиатура
Вычислитель имеет двухстрочный индикатор, по 16 знакомест в каждой строке. Подсветка индикатора отсутствует.
Без нажатия клавиш более 5 минут индикатор переходит в ждущий режим, до следующего нажатия любой клавиши на корпусе прибора.
Клавиатура состоит из 6 клавиш. Назначение клавиш:
- выбор пункта меню и изменение значения параметра;
- вход в выбранный пункт и фиксация значения или процедуры;

- возврат на предыдущий уровень меню.
При нажатии клавиши производится соответствующее однократное действие. При удержании более 2 с клавиш или действие повторяется.
На индикатор можно вывести:
- информацию о приборе (рис 3.3);
-
- текущее время;
-
- параметры настройки вычислителя (база данных);
-
- текущие значения измеряемых параметров и коды ДС;
-
- архивные значения измеряемых параметров и коды ДС;
На верхней строке индикатора отображается текущее время или обозначение индицируемого параметра. На нижней строке - значение параметра и обозначение единиц измерения.
Для отображения сервисных сообщений на индикаторе выделяются поля, в которых отображаются: режим работы вычислителя, наличие и код ДС и предупреждения.
Нет символа - доступ закрыт д - доступ разрешен п - режим поверки
25/04/10 \ ТО БД1 \
'•.TB1 G1
T 123,5 мЗ/чО
Нет символа - нет ДС цифра - код ДС ? - наличие ДС в ТВ
Индикация режимов работы вычислителя
Индикация кодов диагностируемых сообщений
ЕИ о
ЗЩ! - попытка изменения параметра при закрытом доступе
Ош! - попытка ввода неверного диапазона значений
Индикация сервисных сообщений
Рис. 3.2 - Индикация диагностических и сервисных сообщений
3.3 Идентификация программного обеспечения
Для идентификации модели вычислителя, программной и аппаратной версии прибора и данных о ПО (обозначение, номер версии, цифровой идентификатор), необходимо, при включенной защите (на экране отсутствует символ «д») нажать и удерживать (около 3 с) клавишу МЕНЮ. Последующее нажатие любой клавиши убирает информацию о приборе.
Пример индикации модели вычислителя показан на рисунке 3.3.
Модель
вычислителя
Цифровой _ идентификатор
ВКТ-7М-01 |
ПВ3.1 |
А4Е5 |
АВ 1. |

Версия ПО Аппаратная версия
Рис. 3.3 - Индикация модели и идентификация версии ПО
3.4 Алгоритм работы
Работа ВКТ-7М заключается в преобразовании входных сигналов в показания соответствующих физических величин.
Сигналы ТС и ПД подвергаются аналого-цифровому преобразованию с назначаемым периодом измерений ПИ. Полученные коды служат для вычисления показаний текущих температур и давлений.
Преобразование значений сопротивления в показания температуры соответствует уравнениям ГОСТ 6651.
В ВКТ-7М встроена система диагностики работы узла учета. Алгоритм работы при наличии диагностируемых сообщений и описание кодов ДС для их распознавания приведены в Приложении Б.
3.5 Принцип организации ТВ
Подключаемые к вычислителю датчики имеют жесткую привязку к клеммному разъёму на корпусе прибора. Тепловой ввод включает в себя три трубопровода.
Назначение трубопроводов:
Трубопровод Тр1 - подающий, трубопровод Тр2 - обратный.
Трубопровод Тр3 в зависимости от значения параметра Т3 можно использовать для расчета тепловой энергии (канал ГВС или подпитки) (Т3=2) или для учета объема воды (канал холодной или питьевой воды) (Т3=1). Энергия, рассчитанная по Тр3, отображается в отдельном столбце отчета и может не входить в суммарную энергию по ТВ.
При необходимости Тр3 можно исключить из теплового ввода (Т3=0).
С помощью установки параметров настройки (номера схемы измерений, формулы расчета тепла, назначения трубопровода 3 и назначения термодатчика t5) можно настроить ВКТ-7М на различные варианты теплопотребления (см. п. 0).
3.6 Структура баз данных настроечных параметров
Настроечные параметры, необходимые для нормального функционирования вычислителя хранятся в базах данных.
В ВКТ-7М-01 имеется 3 базы данных - две рабочих (БД1 и БД2) и одна поверочная. При необходимости БД2 можно исключить..
Каждая из баз данных содержит 3 группы настроечных параметров:
-
• Системные параметры - параметры, определяющие работу ВКТ-7М в целом.
-
• Общие параметры по ТВ - параметры, определяющие алгоритм расчета тепловой энергии, способы контроля часового тепла, баланса масс и температур в ТВ.
-
• Параметры трубопроводов - параметры подключаемых ВС и ПД, договорные значения и способы контроля часового объема по каждому из Тр.
Системные параметры являются общими для БД1 и БД2 (кроме значения договорной температуры ХВ) и их изменение возможно только при активизации БД1. При попытке изменения системных настроечных параметров, находясь в БД2, выводится сервисное сообщение Ош!
Поверочная БД активизируется при проведении поверки. Измененные настроечные параметры при проведении поверки не сохраняются.
В каждый конкретный момент активной является одна из БД.
Количество доступных БД (одна или две) и способ их переключения задаются с помощью параметра РР меню Системные, подраздел Рекв.
Возможны следующие варианты настроек:
-
• РР=0 - используется только БД1. БД2 недоступна.
-
• РР=1 - используется две БД и их смена возможна только при снятой защите.
-
• РР=2 - используется две БД и их смена допустима при включенной защите. Переключение БД выполняется в меню БД1(БД2) подраздел Выбор БД (см. п. 3.7). Номер активной БД отображается на экране - БД1 или БД2.
Значения параметров (кроме группы Интерф.) защищены от несанкционированного изменения при установленном переключателе защиты. При попытке изменения настроечных параметров на индикаторе индицируется сообщение ЗЩ!
Параметры, записанные в БД, доступны для просмотра на экране ВКТ-7М независимо от состояния переключателя защиты (см. п. 4.1).
Возможно чтение настроечных параметров на НП или ПК (ПО BKT7MEasy2) с последующей распечаткой отчета о настройках.
3.7 Организация меню
Для просмотра текущих, итоговых и архивных параметров теплопотребления, а также параметров БД применяется многоуровневая система меню. Меню верхнего уровня состоит из разделов.
Разделы в свою очередь содержат подразделы, группы, параметры или процедуры. При этом пункты, не используемые в конкретной конфигурации, исключены из меню. Структура меню показана на рис. 3.4.
-------Защита отключена------------
|4---Разрешены дополнительные разделы
4- Защита включена
► БД1(БД2)« |
ТВ1 |
Л | |
1 |
J L V | ||
Системные |
|Текущие[ | ||
| Настр. ТВ1 |
I| Архи |
в L | |
|выбор БД* |
Итоги |
Доступ к калибровке разрешен

Поверка
А________
Доступ к параметрам разрешен

Калибр-t
Наладка Д
RS485
I
Подразделы меню

Разделы меню
Уск. Режим
Д
Калибр. Р
- Подраздел Выбор БД доступен при значении параметра РР = 1 или 2.
Рис. 3.4 - Структура меню вычислителя ВКТ-7М-01
Состав разделов меню:
БД1 - основная база настроечных параметров;
ТВ1 - показания измеряемых величин по системе ТВ1;
СБРОС - сброс архивов и итоговых показаний;
КалибрЛ, Калибр.Р, НАЛАДКА, УСК. РЕЖ - разделы сервисного меню2. ПОВЕРКА3 - активизация поверочной базы данных и режима поверки; ДОП.ПАРАМ. - разрешение на изменение дополнительных параметров; RS-485 - настройка адаптера интерфейса RS-485;
ДОП.СИГН. - настройка дополнительных функций.
При отключенной защите (слева на нижней строке символ д) дополнительно доступен раздел СБРОС.
При отключенной защите и удержании (около 3 с) клавиши МЕНЮ открывается доступ к дополнительным разделам: ПОВЕРКА, ДОП.ПАРАМ., RS-485, ДОП.СИГН. Последующее удержание (около 3 с) клавиши МЕНЮ или установка защиты блокирует возможность их индикации.
При отключенной защите и включенных дополнительных разделах (после удержания клавиши МЕНЮ), при одновременном удержании (около 3 с) клавиш 0) и® открывается доступ к дополнительным разделам: НАЛАДКА и УСК.РЕЖ.
Доступ к меню «Калибр!, Калибр.Р» возможен, только при отключенной защите и нажатии «кнопки доступа» к калибровкам, защищаемой стикером (наклейка) завода изготовителя с оттиском поверителя (рис. 2.2).
При нахождении на высшем уровне меню (разделе) на верхней строке индикатора отображается текущая дата и время, а на нижней строке - название раздела.
Требуемый раздел выбирается с помощью клавиш или ® Вход в выбранный раздел выполняется с помощью клавиши ВВОД, а возврат на предыдущий уровень - клавишей МЕНЮ.
Текущий пункт меню (подраздел, группа, параметр и значение) индицируется на нижней, а пункт предыдущего уровня - на верхней строке индикатора.
3.8 Сброс
Операция СБРОС предназначена для обнуления содержимого архивов и итоговых значений параметров вычислителя.
Примечание Выполнение операции СБРОС не приводит к обнулению настроечных параметров в БД1 (БД2)
Операция выполняется в следующих случаях::
-
1) при вводе прибора в эксплуатацию на узле коммерческого учета;
-
2) после ввода новой даты и времени;
-
3) перед изменением параметра ЕИ;
-
4) после выхода из режима ПОВЕРКА;
-
5) при переполнении разрядной сетки, обеспечивающей верхний предел диапазона месячных и итоговых показаний этих величин.
-
6) при замене литиевой батареи.
Для выполнения операции СБРОС необходимо:
-
• установить переключатель защиты в положение «ON» (см. рис. 2.1);
-
• перейти на верхний уровень меню (нажатиями клавиши МЕНЮ) и с помощью клавиш или ® выбрать и войти (нажатием ВВОД) в раздел СБРОС;
-
• клавишами или ® подтвердить необходимость сброса (да) или отказа (нет) и нажать клавишу ВВОД.
После выполнения операции СБРОС при необходимости блокируют доступ к этому разделу, установив переключатель защиты в положение «1».
3.9 Дополнительные параметры
Раздел ДОП.ПАРАМ предназначен для разрешения доступа к изменению параметров, выделенных курсивом в пункте 4.2.
Для выполнения данной операции необходимо:
-
• установить переключатель защиты в положение «ON» (см. рис. 2.1);
-
• разрешить доступ к дополнительным разделам меню удерживая около 3 с нажатой клавишу МЕНЮ;
-
• с помощью клавиш или ® выбрать и войти (нажатием ВВОД) в раздел ДОП.ПАРАМ;
-
• клавишами или ® установить необходимость изменения (да) и нажать клавишу ВВОД.
После изменения значений этих параметров при необходимости установить переключатель защиты в положение «1».
4 Настройка вычислителя
4.1 Просмотр и изменение настроечных параметров
-
4.1.1 Просмотр настроечных параметров
Настроечные параметры, внесенные в БД вычислителя доступны для просмотра на индикаторе. При просмотре выводятся настроечные параметры активной БД. Примечание При включенной защите изменить значения (кроме параметров группы Интерф.) нельзя, что сопровождается подсказкой ЗЩ! (Защита).
Описание структуры БД приведено в разделе 3.6.
Состав, обозначение и расположение подразделов, групп в подразделах и параметров в группах приведены в пункте 4.2.
Выбор подразделов, групп параметров и параметров выполняется клавишами или ®, вход в выбранный подраздел (группу или параметр) - клавишей Ввод, возврат на предыдущий уровень меню - клавишей Меню.
Если выбранный параметр не актуален в конкретной конфигурации, то на нижней строке индицируется подсказка Не используется или данный параметр исключается из меню (не отображается на экране).
ВНИМАНИЕ! Выведенная последней (БД1 или БД2) является активной рабочей базой.
Пример процедуры просмотра параметров настройки приведен на рис. 4.1.
Нет символа -доступ к изменению параметров закрыт Символ «д» -доступ к изменению параметров разрешен

X 15/02/17 12:18
Р)ДД1)БД2)
Ченю^
БД1 (БД2) Системные
Настр. ТВ? Выбор БД
Ввод

Просмотр (изменение) параметра
Ввод. N |
Ввод . |
< \ Ввод. | |||
-----F |
Системные |
-------- |
Общие |
ЕИ | |
Меню |
Общие |
1^ | Меню |
ЕЙ |
|Меню |
0 |
— |
W’“ и |
Рекв.
| Интерф?
Порядок просмотра параметров настройки:
-
1. Перейти на верхний уровень меню «БД1» или «БД2» и войти в него (клавиша « Ввод»),
-
2. Выбор подраздела. Клавишами Ф или ® выбрать требуемый подраздел (Системные, Настройка ТВ1) и войти в него (клавиша «Ввод»),
-
3. Выбор группы параметров. Клавишами Ф или ® выбрать требуемую группу параметров и войти в неё (клавиша «Ввод»),
-
4. Выбор параметра. Клавишами или ® выбрать интересующий параметр и нажать клавишу «Ввод».
-
5. Для перехода к п. 4 следует нажать клавишу «Ввод» или «Меню». Для перехода к п.п. 3 или 2 необходимо нажать клавишу «Меню» один или два раза, соответственно.
-
4.1.2 Изменение настроечных параметров
Ввод значений настроечных параметров рекомендуется проводить до монтажа внешних цепей.
Значения настроечных параметров рекомендуется свести воедино, в виде таблицы. Пример шаблона таблицы настроечных параметров приведен в приложении А. При необходимости иметь два режима смены БД таблицы составляются раздельно для каждой базы банных БД1 и БД2.
При выборе значений параметров руководствуются пунктами 4, 0 и приложением А. При этом значения параметров подраздела БД1(БД2)-Системные (кроме значения договорной температуры ХВ) должны быть одинаковыми.
Для ввода (изменения) настроечных параметров в БД необходимо перевести переключатель защиты в положение «ON» (см. рис. 2.1). При этом в левом нижнем углу индикатора появляется символ «д» - доступ к изменению параметров разрешен.
Данные вводят с лицевой панели согласно пункту 4.1.1. При этом следует вначале вводить данные базы БД1, а затем (при ее наличии) БД2.
При необходимости изменения параметра ЕИ (параметр выделен в разделе 4.2 цветом) необходимо выполнить операцию СБРОС, а параметров, помеченных курсивом в пункте 4.2, - только после входа в раздел ДОП.ПАРАМ. и подтверждения необходимости изменения (согласно пункту 3.9).
Смена баз БД1 на БД2 (и наоборот) осуществляется в подразделе БД-Выбор БД выбором клавишами или ® соответствующего значения 1 или 2. ВНИМАНИЕ! Выведенная последней (БД1 или БД2) остается активной рабочей базой.
Системные параметры (общие для БД1 и БД2) изменяются только при активизации БД1. При попытке изменения системных настроечных параметров, находясь в БД2, на дисплее прибора выводится сервисное сообщение Ош!
Изменение значения параметра выполняется поразрядно (Рис. 4.2). Требуемый разряд выбирается клавишами ® или при этом выбранный разряд выделяется мигающим курсором.
Разделитель (пробел, запятая и т.п.) не выбирается. Изменение значения (выбор из списка) цифры и знака «-» осуществляется клавишами или ®


Выбор разряда
Рис. 4.2 Пример изменения значения параметра ВИ
Завершается изменение значения параметра нажатием клавиши ВВОД. При этом происходит переход на предыдущий уровень меню (индицируется обозначение параметра). Если заданное значение вне диапазона, то оно игнорируется и на дисплее прибора отображается сервисное сообщение Ош! (Ошибка!).
ВНИМАНИЕ! По завершению ввода настроечных параметров для сохранения введенных значений в памяти вычислителя необходимо клавишей МЕНЮ выйти на верхний уровень меню (до появления надписи БД) и включить защиту на изменение параметров!
4.2 Настроечные параметры
В данном разделе приведен полный перечень настроечных параметров, хранящихся в настроечных базах данных вычислителя.
Значения параметров, выделенные жирным шрифтом, установлены по умолчанию при выпуске вычислителя.
Примечание Параметры, выделенные цветом, изменяются ТОЛЬКО после выполнения операции СБРОС (см. п. 3.8) до окончания текущего часа.
ВАЖНО! Возможность использования договорных значений является дополнительной функцией прибора. Использование данного функционала допускается только по согласованию с теплоснабжающей организацией.
ВНИМАНИЕ! В приборе определены следующие, неизменяемые параметры:
-
- цена единицы мл. разряда показаний: 0,001 - V, М и 0,0001 - Q;
-
- контроль текущих температур: контроль <0 и >180°С, остановка счета Q и М и расчет Q и М по Щ1, Щ2 и Щ3.
Рекомендации по выбору значений параметров приведены в Приложении А.
Системные параметры (значения - общие для БД1 и БД2)
Общие | |
ЕИ |
Единицы измерений Q и Р: 0 — Гкал и кгс/см2; 1 — ГДж и МПа; 2 — MWh и Bar |
ПИ |
Период измерений температуры и давления: 0 — 600 с; 1—60 с; 2 — 6 с |
tx |
Договорная температура холодной воды: 0 - 99,9, °С |
Рх |
Договорное абсолютное давление холодной воды: 0 - 17, кгс/см2 |
ХТ |
Характеристика ТС: 0 — 100П; 1 — Pt100; 2 — 100М; 3 — 500П; 4 — Pt500 |
t5 |
Назначение ТС5 для измерений: 0 — нет; 1 — ta; 2 — tx; 3 —13 в ТВ1 |
Время | |
УД |
Установка даты: 01/01/00 - 31/12/99 |
УТ |
Установка времени суток: 00:00 - 23:59 |
КЧ |
Коррекция хода часов (автоматическая ежесуточная в 00 часов): 0 ± 9,9, с |
ПЧ |
Перевод часов на летнее и зимнее время: 0 — нет; 1— есть. При этом переход на летнее (зимнее) время обеспечивается автоматически в 2 часа ночи последнего воскресенья марта (октября) на 1 час вперед (назад) |
до |
Дата отчета. Последние сутки (в 24 часа) отчетного месяца: 1 - 31. При значении ДО равном 31 отчетный месяц совпадает с календарным месяцем |
Рекв. | |
ИА |
Идентификатор абонента (зав. номер вычислителя): 0 - 99999999 |
СН |
Сетевой номер ВКТ-7М для внешнего устройства (ВУ): 0 - 240 |
РР |
Режим смены БД: 0 — только БД1; 1 — БД1 и БД2 и их смена возможна только при снятой защите; 2 — БД1и БД2 и их смена допустима при включенной защите |
Инте |
рф |
ВУ |
Внешнее устройство: 0 — ПК,НП и нет ВУ; 1 — тлф модем; 3 — GSM модем Значение ВУ используется при работе в режиме автодозвона (Приложение К). В остальных случаях ВУ не используется. |
СО |
Скорость обмена с ВУ, Кбит/с: 0 — 1,2; 1 — 2,4; 2 — 4,8; 3 — 9,6; 4 — 19,2. Рекомендуется установка параметра СО равным «3» (9,6 Кбит/с). |
Общие параметры по ТВ1 (значения - различные для БД1 и БД2)
Общие | |
СИ |
Схема измерений: 1 - 9. Выбор значения - согласно пункту 0 |
ФТ |
Формула тепла: 0 - 3. Выбор значения - согласно пункту 0 |
Т3 |
Назначение Тр3 для измерений: 1 -* изм. V3; 2 -♦ расч. М3 и Qr |
KQ |
Контроль часового тепла Qо: 0 -» нет контроля, 1 -» контроль Qоч <0; 2 -»тоже, что при 1, но присвоение 0 показаниям Qоч при Qоч<0 |
КМ |
Контроль часовой массы Мгч: 0 -» нет контроля; 1 -» контроль Мгч<- НБ; 2 -» контроль | Мгч | >НБ; 3 -» тоже, что при 1, но присвоение М1ч = М2ч = 0,5(М1ч+М2ч) при -НБ<Мгч<0; 4 -* тоже, что при 2, но присвоение М1ч = М2ч=0,5(М1ч+М2ч) при -НБ < Мгч < НБ, где НБ =10'2-БМ (М1ч+М2ч) |
БМ |
Уставка на небаланс (НБ) часовой массы Мгч: 0 - 4 % от (М1ч+М2ч) |
GB |
Максимальное нормированное значение расхода |
GH |
Минимальное нормированное значение расхода |
dtH |
Допустимая нормированная разность температур, 0...160.00 |
Параметры по трубопроводам ТР1, ТР2 и ТР3 | |
ВС |
Контроль питания ВС: 0 -» нет контроля питания; 1 -» есть контроль питания При установке ВС=1 (есть контроль питания ВС) следует руководствоваться требованиями п. “4.3.7 Контроль питания сетевых расходомеров”. |
ТИ |
Тип импульсов ВС: 0 -» одиночные <2Гц (для механических ВС); 1 -» одиночные < 1000Гц (для электронных ВС); 2 -» пачками |
ВИ |
Вес импульса ВС: 0 - 9999,9999, литр |
W |
Контроль часового объема Vч: 0 нет контроля; 1 контроль Vч>ВV и Vч<НV; 2 -» тоже, что при 1, но присвоение показаниям Vч=VД при Vч>ВV, Vч=НV при 0<Vч<НV и 0 при Vч=0; 3 тоже, что при 2, и для ВС=1 присвоение показаниям Vч=VД при отсутствии питания ВС; 4 тоже, что 1, и остановка счета по Q и M |
ВУ |
Верхняя уставка на часовой объем Vч: 0 - 99999,9, м3 |
НУ |
Нижняя уставка на часовой объем Vч: 0 - ВV, м3 |
УД |
Договорной часовой объем Vч: 0 - 99999,9, м3 |
УО |
Уставка на отсечку значений объемного расхода для индикации: 1 - 60, мин |
щ |
Договорная температура: 0 - 175, °С. При установке данного параметра в значение «0» на всех Тр, подстановка договорного значения не производится, а отсутствие корректных показаний вызывает остановку счета тепловой энергии. |
ИД |
Датчик избыточного давления: 0 -» нет датчика (Рч=РД); 1 -» есть датчик |
Рв |
Верхний предел диапазона измерений датчика: 0 - 17, кгс/см2 |
ПВ |
Поправка на высоту водяного столба в импульсной трубке датчика: 0 ± 9,99 м |
РД |
Договорное абсолютное давление: 0 - 17, кгс/см2. При установке данного параметра в значение «0», договорное значение не подставляется. |
Настройка фиксации «сухой трубы» и реверса по трубопроводу. Таблица с настроечными значениями для данного параметра указана в пункте 4.2.1 |
-
4.2.1 Настройка фиксации реверса и сухой трубы
Вычислитель количества теплоты ВКТ-7М имеет возможность фиксации отсутствия теплоносителя, а так же его реверсивного тока в системе.
При активации контроля отсутствия теплоносителя по трубе, фиксируемого расходомером, необходимо задать в настройках прибора соответствующее значение параметра «СТ» (см таблицу ниже), при этом наличие импульса на входе расходомера данной ТР, длительностью более 30 секунд будет восприниматься вычислителем как отсутствие теплоносителя. Возможные варианты:
-
1. Фиксация сухой трубы не производится, наличие длительного импульса не фиксируется, учёт расхода и расчет тепловой энергии продолжаются в штатном режиме.
-
2. Фиксация сухой трубы производится, наличие длительного импульса фиксируется в графе «П1» таблицы ДС, счёт тепловой энергии продолжается.
-
3. Фиксация сухой трубы производится, наличие длительного импульса фиксируется в графе «П1» таблицы ДС, счёт тепловой энергии останавливается.
Контроль реверсивного тока теплоносителя так же задается параметром «СТ». При включении контроля реверса, появление расхода по трубе, на которой активирована данная опция, воспринимается прибором как наличие реверса на данном ТВ. При этом возможны варианты:
-
1. Фиксация реверса не производится, в случае появления импульсов на сконфигурированном входе, импульсы воспринимаются как расход в прямом направлении тока теплоносителя.
-
2. Фиксации реверса производится, при этом появление расхода по сконфигурированной таким образом ТР фиксируется в графе «R1» таблицы ДС, счёт тепловой энергии продолжается.
-
3. Фиксации реверса производится, при этом появление расхода по сконфигурированной таким образом ТР фиксируется в графе «R1» таблицы ДС, счёт тепловой энергии останавливается.
ВАЖНО! В случае активации контроля реверсивного тока теплоносителя по одной из труб, появление расхода по данному ТР, будет восприниматься как реверс на всём ТВ.
Для настройки реверса и сухой трубы необходимо в меню прибора «БД1(БД2)»
- «Настр.ТВ1» - «Тр1 (Тр2, Тр3)» - «Ст» задать соответствующее значение:
Значение параметра СТ |
Реверс |
Сухая труба |
0 |
Контроль отключен |
Контроль отключен |
1 |
Контроль включен, не вызывает остановку счета | |
2 |
Контроль включен, вызывает остановку счета | |
3 |
Контроль включен, не вызывает остановку счета |
Контроль отключен |
4 |
Контроль включен, не вызывает остановку счета | |
5 |
Контроль включен, вызывает остановку счета | |
6 |
Контроль включен, вызывает остановку счета |
Контроль отключен |
7 |
Контроль включен, не вызывает остановку счета | |
8 |
Контроль включен, вызывает остановку счета |
4.3 Схемы измерений в системе ТВ1
Примечание Трубопровод 3 в схемах 3-9 может быть исключен из рассмотрения при установке параметра Т3=0.
Измерение температуры t3 в ТВ1 возможно только при назначении t5=3.
Схема измерений* |
Параметры настройки |
Соответствие параметров настройки и измеряемых величин | |||||||
СИ 1 Т3 | ФТ |
Оо | М1 | М2|М3 | Мг |
Qr | |||||||
Открытая система теплоснабжения, измерение расхода в трех трубопроводах | |||||||||
I2 f |
1 |
1 |
0 |
М1 (hi -h2) |
> |
Ci Q |
— I |
M1-M2 |
нет |
1 |
М1(М-1'|2)+Мг(1'|2-1'1х)4 |
M-(h^-hx) | |||||||
2 |
М2(М1-Т2) |
нет | |||||||
3 |
М2(М-1'|2)+Мг(1'|1-1'1х) |
Mr(h1 -hK) | |||||||
2 |
0 |
M1 (hi -h2) |
С 6Q Q |
C |
М3(1т3-1'1х) | ||||
1 |
М1(М-1'|2)+Мг(1'|2-1'1х) | ||||||||
2 |
M2(h1-h2) | ||||||||
3 |
М2(1'|1-1'|2)+Мг(1'|1-1'1х) | ||||||||
Закрытая система отопления, пр |
дпитка вторичного контура из обратного тру С |
юпровода | |||||||
Р1 V1 У P2»V2 |
1 |
2 |
0 |
M1 (hl -h2) |
V“ > ч. |
5 CM Cl |
5 co Cl |
co |
МЗОтЗ-Их) |
1 |
М1(1л1-1л2)+Мг(1л2-Г1х) | ||||||||
2 |
M2(h1-h2) | ||||||||
3 |
М2(1л1-1л2)+Мг(1л1-Г1х) | ||||||||
Открытая система теплоснабжения, измерение расхода в трубопроводах обратном и ГВС | |||||||||
t1 из lp3][J:3l t2 P2 f V2 |
2 |
2 |
0 |
М-(М1-Т2) |
М2+МЗ |
5 CM Cl |
5 co Q. |
co |
М3(1т3-1'1х) |
1 |
М1(1л1-1л2)+Мг(1л2-Г1х) | ||||||||
2 |
M2(MI-h2) | ||||||||
3 |
М2ф1-1л2)+Мг(1л--Г1х) | ||||||||
Закрытая или открытая системы отопления, ГВС с циркуляцией, дополнительный канал измерения расхода (Т3=1) или тепла (Т3=2) по трЗ | |||||||||
Р2^ V2 - <э—_ III V3 «г ■о=—===©===— |
3 |
0, 1 |
0 |
M1 (hl -h2) |
> о |
С С Q |
— aj i |
M1-M2 |
нет |
1 |
М1(1 1--1'|2)+Мг(1'|2-1'1х) |
Мг(Ь|2-Их) | |||||||
2 |
M2(h1-h2) |
нет | |||||||
3 |
М2(М-1'|2)+Мг(1'1--1'1х) |
Mr(h1 -hx) | |||||||
2 |
0 |
M1 (hl -h2) |
С С Cl |
М3(1т3-1'1х) | |||||
1 |
М1(1 1--1'|2)+Мг(1'|2-1'1х) | ||||||||
2 |
M2(h1-h2) | ||||||||
3 |
М2(М-1'|2)+Мг(1'1--1'1х) |
* Порядок датчиков по каждому из трубопроводов изображен для справки и в реальной системе может отличаться от указанного на схемах.
4 Формулы полной тепловой энергии Q=M1x(h--h2)+(M1-M2)x(h2-Tx) или Q=M2x(h--h2)+(M1-M2)x(h--hx) при Мг = М1 - М2 тождественны формуле Q=M1x(h1-hx)-M2x(h2-hx) .
Схема измерений* |
Параметры настройки |
Соответствие параметров настройки и измеряемых величин | |||||||
СИ | Т3 | ФТ |
Оо |
М1 | М21 М3 | Мг |
Qr | ||||||
Закрытая система отопления, измерение расхода в подающем трубопроводе, дополнительный канал измерения расхода (Т3=1) или тепла (Т3=2) по трЗ | |||||||||
pi vi У Ят, Р2 а f LL U [Р3| V3 |“t3| |
4 |
0, 1 |
0 |
M1(h1-h2) |
х— > |
>— ф X |
НФ X |
нет | |
2 |
Q. |
2 |
5 СО Cl |
М3(И3-Их) | |||||
Закрытая система отопления, измерение расхода в обратном трубопроводе, дополнительный канал измерения расхода (Т3=1) или тепла (Т3=2) по трЗ | |||||||||
Р1 у ----Яр Р2 J2 V2 | |
5 |
0, 1 |
2 |
M2(h1-h2) |
СМ |
(Ч > |
1— Ф X |
1— Ф X |
нет |
А т ©—‘ |рз] V3 Lt3] |
2 |
£ Q. |
СО > с Cl |
М3(1т3-1'1х) | |||||
Тупиковая система ГВС (подающий трубопровод), дополнительный канал измерения расхода (Т3=1) или тепла (Т3=2) по трЗ | |||||||||
Р1 V1 У «——► |
6 |
0, 1 |
4 |
M1(h--hx) |
X— > |
Н Ф I |
Н Ф I |
и-ф X |
нет |
10 & И |
2 |
Ч- |
СО о. |
М3(1т3-1'1х) | |||||
Тупиковая система ГВС (обратный трубопровод), дополнительный канал измерения расхода (Т3=1) или тепла (Т3=2) по трЗ | |||||||||
Р2 V2 У - А . |
0, 1 |
СМ |
ф I |
нет | |||||
- • |
U. | ||||||||
?р.зI V3 11 • V3 1 т | = = = = ^> |
7 |
2 |
5 |
M2(h2-hx) |
ф I |
бм Cl |
ср |
ф X |
М3(Ь3-бх) |
V | |||||||||
Летний режим теплопотребления. Тупиковые системы ГВС по подающему или обратному трубопроводам, дополнительный канал измерения расхода (Т3=1) или тепла (Т3=2) по трЗ | |||||||||
Р1 V1 ft1 Р2 V2 et2 *—► [рз] уз Ltsj ^==А==ф= >=-==> |
0, 1 |
х— |
С |
1 С X |
нет | ||||
8 |
2 |
6 |
M-(h--hx)+M2(—2-—x) |
> Cl |
с |
С Cl |
ф X |
М3(Ь3-бх) |
Схема измерений* |
Параметры настройки |
Соответствие параметров настройки и измеряемых величин | |||||||
СИ | ТЗ | ФТ |
Qo |М1 |М2|МЗ| Mr| Qr | ||||||||
Учет объема | |||||||||
Р1 V1 И X . |
9 |
0, 1 |
нет |
нет |
нет |
нет |
нет |
нет |
нет |
* ► Р2 V2 _t2 - X £Р\ т t | |||||||||
[рз| V3 Lt3] I X > ’Т 1 |
5 Использование по назначению
5.1 Просмотр текущих и итоговых показаний
Просмотр на индикаторе текущих и итоговых показаний выполняется в подразделах Текущие и Итоги раздела ТВ1.
К текущим параметрам относятся значения расходов, температур, разности температур и давления.
К итоговым параметрам относятся значения с нарастающим итогом (от момента сброса) объемов, масс, разности масс, тепловой энергии, счетчики времени нормальной работы и времени отсутствия счета.
Состав индицируемых параметров в подразделах Текущие и Итоги приведены в пункте 2.1.1.
Величины не актуальные в конкретной конфигурации (задается параметром СИ), исключаются из меню.
При входе в подразделы Текущие и Итоги раздела ТВ1 на верхней строке индикатора отображается наименование теплового ввода ТВ1 и обозначение параметра, а на нижней - значение параметра и единицы измерений.
При просмотре текущих параметров в правом нижнем углу индикатора отображаются коды ДС (п.3.2). При просмотре итоговых параметров коды ДС отсутствуют.
Пример вывода текущих и итоговых показаний по ТВ1 показан на рис. 5.1.

ТВ1
Текущие | Архив-Г Итоги
Л
-■'/// / -*1ТВ1 V
/ // I Н 23,45 Д
у/ 112,34
'“■Мёню! i ввод Единице.
------■---1---- измерении/"^

----1 :
ТВ1 и 123,45 °C
ТВ?
|ТВ1 J
(ЧдУ) |Вне диапазонаО^
Параметр
КодДС
Наличие ДС в ТВ
Порядок просмотра текущих и итоговых параметров:
-
1. Клавишами @ или ф вв1брааь разддл ТЕВ1 и войти в него ( клавиша «Ввод»),
-
2. Выбор подраздела. Клавишами @ или выбрать подраздел «Текущие» или «Итоги» и войти в него (клавиша «Ввод»),
-
3. Просмотр параметров. Клавишами или выбирается доступный для
просмотра в данной конфигурации параметр.
При просмотре текущих параметров необходимо обращать внимание на коды ДС.
-
4. Для возврата на верхний уровень меню необходимо нажать клавишу «Меню».
5.2 Просмотр архивных показаний
Вычислитель позволяет выводить на индикатор архивные данные в часовом, суточном или месячном разрезе за любую дату в пределах глубины архива.
Просмотр на индикаторе архивных показаний выполняется в подразделе Архив раздела ТВ1.
Для вывода на индикатор архивных показаний необходимо войти в подраздел ТВ1-Архив. На верхней строке индикатора отображаются сообщения ДН (дата начала архива) и РП (режим просмотра архива), а на нижней - поле исходной даты (сутки/месяц/год) входа в архив и поле с мерцающим обозначением вида архива ч - часовой архив.
Вид архива (часовой «ч», месячный «м» или суточный «с») и начальная дата архива выбираются клавишами или
Переход между полями «Вид архива» и «Дата начала архива» выполняется клавишами или
При выборе даты, где архив пуст (в прошлом или будущем), на верхней строке
индицируется подсказка Ап (Архив пуст).
Примеры выбора архива и даты входа в него приведены на рис. 5.2.
Предупреждение
"Архив пуст"

Меню J 1
Текущие |fe-] Архив [
| Итоги
го
S Го ____ со га
W' ° а.
15/04/17 12:08
ТВ1
Ввод
ТВ1
ТВ1 15/04 00
123,45 °C
ТВ1 15/04 01
123,45

га с О.Ф о Ч. ю < D ( СО
о с

го
2 Ф га s s с J-
®2Ф
О-ГС ф
I- _0 Q о x m
S (3
о (3 о о
Дй (J |
Г~РД] |
15/04/10 |
Меню
(ч - часовой с - суточный м - месячный
?2з'1455/0Т ^Параметр
Переход между
к'ЗАС'.' ПОЛЯМИ
' ДН и Вид архива
ТВ1 15/0400 t2j Код ДС
070,00 °C
Наличие ДС в ТВ
\ Достигнут предел
; рхи
После установки вида архива и даты начала просмотра следует нажать клавишу Ввод. При этом на верхней строке индикатора выводятся обозначения раздела (ТВ1), выбранной даты (и времени), вид архива и обозначение параметра, а на нижней - величины параметра и единицы измерений.
При наличии на выбранном интервале времени ДС, выводится код диагностики, активный для индицируемой величины, либо знак «?», если ДС соответствует другим величинам ТВ1.
Просмотр архивных показаний других параметров ТВ на одном и том же интервале времени (строка отчета) обеспечивается нажатиями клавиш или ®
Просмотр архивных показаний одного параметра на других интервалах времени (столбец отчета) обеспечивается нажатиями клавиш или При достижении пределов ретроспективы архива (в прошлом или будущем) на нижней строке индицируется подсказка «Архив пуст».
Для вывода архивных показаний величин из другого вида архива следует вернуться на предыдущий уровень меню (клавиша МЕНЮ), выбрать нужный вид архива «м», «с» или «ч» (месячный, суточный или часовой) и войти в режим просмотра.
5.3 Контроль измеряемых параметров
В процессе работы ВКТ-7М контролирует измеряемые и рассчитываемые параметры на соответствие диапазону измерений, также (при необходимости наличие сетевого питания).
При выходе параметров за допустимые пределы формируется код диагностического сообщения (ДС), который выводится на индикатор и записывается в архив. Подробная расшифровка кодов ДС приведена в Приложении Б.
Код ДС при просмотре текущих или архивных параметров по ТВ отображается в правом нижнем углу экрана. Пример индикации кода ДС приведен на рис. 5.3. Если на этом месте находится знак «?», то это означает, что в ТВ есть ДС, но не по параметру, отображаемому в настоящее время.
Дополнительно при просмотре текущих параметров отображается надпись «Вне диапазона», если измеряемый параметр выходит за допустимые пределы.

Просмотр текущих параметров Просмотр архивных параметров
Рис. 5.3 - Пример индикации кода ДС
Полный отчет со значениями кодов ДС можно получить с помощью программы BKT7MEasy2 на ПК. Фрагмент отчета с кодами ДС приведен на рис. 5.4.
Дата |
н.с. tl|t2|t3|dt|Vl| MZL|V2| M2|V3| Мг|Р1|Р2|Qo|P3|ni|R1 |
27/06:00 111
27/06:01 111
27/06:02 111
27/06:03 111
4545451151*
4545451151
4545451151
4545451151
Рис. 5.4 - Фрагмент отчета о параметрах теплопотребления с кодами ДС соответствующим НС
Диагностическое сообщение: «реверс» отображается символом ”R1”.
Диагностическое сообщение: «сухая труба» отображается символом ”П1”.
ООО «ИВТрейд», 197348, г. Санкт-Петербург, Коломяжский пр., д. 10, лит. АФ.
| 8 800 250-03-03, (812) 600-03-03 | info@teplocom-sale.ru | www.teplocom-sale.ru
-
5.3.1 Контроль мгновенного расхода
Контролируется значение максимальной частоты импульсов при работе с механическими ВС (параметр ТИ=0) с целью исключения дребезга контактов. При частоте импульсов более 2 Гц на экран выводится код ДС=1 и отображается значение расхода, соответствующего частоте 2 Гц.
Если при настройке вычислителя был задан режим контроля питания сетевых расходомеров (ВС=1), но линия от блока питания не подключена на разъем Х6 (см. Приложение Н), то при просмотре текущего значения расхода на индикатор выводится фактическое значение расхода и отображается код ДС=4 (отсутствует питание ВС).
Если период следования импульсов от ВС реже, чем значение параметра УО, то показания объемного расхода обнуляются. Однако, независимо от значения расхода на экране, в расчете массы и энергии используются значения часового показания объема, пропорционального сумме импульсов за час.
-
5.3.2 Контроль температуры
Контролируются измеренные текущие значения температур на соответствие диапазону. Если значение температуры выходит за указанный диапазон, то в архиве фиксируется код ДС=1, а на индикатор выводится сообщение «Вне диапазона» и код ДС=1. Варианты представления информации на индикатор и в архиве представлены в таблице.
Параметр |
Контролируемый диапазон |
Индикатор |
Архив | ||
Значение |
Код ДС |
Значение |
Код ДС | ||
t1,t2,t3 |
0ъ+180°С |
Вне диапазона |
1 |
Щ1, Щ2, Щ3 |
1 |
Вне диапазона |
1 |
tx договорн. |
1 | ||
tx |
0ъ+180 °С |
Вне диапазона |
1 |
— |
1 |
ta |
-50ъ+130°С |
Вне диапазона |
1 |
— |
1 |
-
5.3.3 Контроль давления
Контролируются измеренные значения давлений Р1...Р3. Если значения выходят за диапазон -0,01 х Рв < P < 1,01 х Рв, то в архиве фиксируется код ДС=1, а на индикатор выводится сообщение «Вне диапазона» и код ДС=1 и расчет массы и энергии осуществляется по договорному значению давления (РД в ТР1-ТР3). Так в случае установки параметра РД равным «0», счет тепловой энергии продолжается в соответствии с п.122 «Методики осуществления коммерческого учета тепловой энергии, теплоносителя», однако пользователю доступен маркер данной нештатной ситуации в таблице ДС в суточных и часовых архивах прибора.
-
5.3.4 Контроль «часового тепла»
При расчете часового тепла могут возникнуть ситуации, когда полученный результат или одно из слагаемых в расчетной формуле становится отрицательным.
ВКТ-7М в зависимости от значения параметра KQ, контролирует данную ситуацию и корректирует результат вычислений.
Варианты контроля часового тепла Ооч в зависимости от значения параметра KQ:
ООО «ИВТрейд», 197348, г. Санкт-Петербург, Коломяжский пр., д. 10, лит. АФ.
| 8 800 250-03-03, (812) 600-03-03 | info@teplocom-sale.ru | www.teplocom-sale.ru
KQ |
Архив | |
Значение |
Код ДС | |
0 |
фактическое значение Ооч |
нет |
1 |
фактическое значение Ооч |
2 |
2 |
откорректированное значение Ооч (отрицательным результатам присваивается нулевое значение) |
2 |
Контролируется измеренное значение часового объема, прошедшего по каждому из трубопроводов на предмет занижения/завышения относительно ниж-ней/верхней уставок на часовой объем. В зависимости от установленного значения параметра KV (контроль часового объема) и выбранного режима контроля питания сетевых ВС активизируются различные ДС по объему и рассчитанной массе.
Варианты контроля часового объема в зависимости от значения параметра KV:
-
5.3.6 Контроль разности часовых масс
Контроль разности часовых масс применяется ТОЛЬКО для схем измерений, в которых параметр Мг рассчитывается по разности М1ч-М2ч (СИ=1 и Т3=1; СИ=3). В этом случае имеется возможность контроля небаланса4 масс и корректировки рассчитанных значений М1ч и М2ч. Контроль небаланса масс производится в конце каждого часа.
Алгоритм коррекции значений М1ч и М2ч зависит от выбранного значения параметра КМ. Допустимая величина небаланса масс задается параметром БМ. Работа ВКТ-7М при различных значениях параметра КМ проиллюстрирована на рис. 5.5.
Примечание Коррекции подвергаются только значения М1ч и М2ч. Значения объемов V1h и V2h заносятся в архив без корректировки.
КМ=0 Контроля небаланса нет. В архив записываются фактические значения М1ч и М2ч. КМ=1 Только фиксируется превышение (код ДС=2) отрицательной разности масс над величиной небаланса. В архив записываются фактические значения М1ч и М2ч. Может применяться для открытых систем теплоснабжения.
КМ=2. Только фиксируется (код ДС=2) превышение разности масс по модулю над величиной небаланса. В архив записываются фактические значения М1ч и М2ч. Может применяться для закрытых систем теплоснабжения.
КМ=3. При превышении отрицательной разности масс над величиной небаланса фиксируется код ДС=2 и в архив записываются фактические значения М1ч и М2ч. Если разность масс находится в диапазоне - НБ<Мг<0, то архивные значения М1ч и М2ч заменяются на среднее значение М1ч=М2ч=0,5(М1+М2). Может применяться для открытых систем теплоснабжения.
КМ=4. Если разность масс находится в диапазоне - НБ<Мг<+НБ, то архивные значения М1ч и М2ч заменяются на среднее значение М1ч=М2ч=0,5(М1+М2). В противном случае фиксируется код ДС=2 и в архив записываются фактические значения М1ч и М2ч. Может применяться для закрытых систем теплоснабжения.
КМ |
-Н |
Б 0 +НБ Мг=М1ч-М2ч | ||
1 |
Факт значение + код ДС |
Факт значение |
Открытая система | |
2 |
Факт значение + код ДС |
Факт значение |
Факт значение + код ДС |
Закрытая система |
3 |
Факт значение + код ДС |
Среднее значение |
Открытая система | |
4 |
Факт значение + код ДС |
Среднее значение |
Факт значение + код ДС |
Закрытая система |
Рис. 5.5 - Формирование архива в зависимости от параметра КМ
-
5.3.7 Контроль питания сетевых5 расходомеров
Контроль за электропитанием расходомеров организован путем подачи и контроля напряжения 5...15 В на контактах 1 и 2 разъема Х6 для ТВ1 (Приложение З).
Вход контроля имеет гальваническую развязку. Максимальное значение тока потребления не превышает 15 мА.
Конт |
Цепь | |||||
+ Блок питания 5...15В |
-------------1 |
й>2 |
INV+ |
-ф >< |
—1 1k г~~~п | |
INV- |
to' X | |||||
1 |
® 1 |
При пропадании сетевого питания, вычислителем формируется диагностическое сообщение: код ДС=4 «по объему и массе» по тем трубопроводам, для которых установлен режим контроля сетевого питания (параметр ВС=1).
Дальнейший расчет масс, потребленной энергии и архивирование параметров выполняется в зависимости от значения параметра KV (см. п. 5.3.5).
Контрольное напряжение на разъем Х6 может подаваться:
-
- от блока питания одного из расходомеров (Приложение З);
-
- от встраиваемого в вычислитель (опция), сетевого блока питания (Приложение Н).
-
5.3.8 Просмотр журнала действий оператора
В вычислителе ВКТ-7М реализована регистрация (запись) действий оператора с прибором в «Журнал оператора».
С помощью программы BKT7MEasy2 данные (архив) журнала можно вывести на экран ПК, для чего выбрать “Отчет" —> “Журнал оператора". Фрагмент приведен на рис.5.6.
гние | Отчет Настройки Сервис Накопитель™
Журнал оператора

Текущие...
Архив за период... Ctrl +R
Настройки вычислителя...
Текущие итоговые.. ■
Аб оне нт: |
ЖУРНАЛ действий оператора 27-06-2016г. 21:25:34 Договор N: Tsm расходсмера: | |||
Адрес: | ||||
1............ 1 |
--------------------------------------------- |
------1—...................1 | Значение | | ||
1 Дата 1 |
Действие _ - |
1—......... | Старое |
----------1 Новое | | |
| 09/09/2009 |
00:00 |
Включение прибора |
1 |
1 |
| 09/09/2009 |
00:00 |
Изменение ПИ |
| 00000002 |
00000000 | |
| 09/09/2009 |
00:00 |
Доступ к защ. параметрам раэреттён |
1 |
1 |
| 09/09/2009 |
00:00 |
Изменение ПИ |
| 00000000 |
00000002 1 |
| 09/09/2009 |
00:00 |
Изменение ТВ |
| 00000001 |
00000000 | |
I 09/09/2009 |
00:00 |
Доступ к защ. параметрам запреден |
1 |
1 |
| 09/09/2009 |
00:00 |
Изменение ПИ |
| 00000002 |
00000000 | |
I 09/09/2009 |
00:00 |
Доступ к защ. параметрам разрэдён |
1 |
1 |
| 09/09/2009 |
00:00 |
Изменение ПИ |
| 00000000 |
00000002 | |
| 27/06/2016 |
20:00 |
Сброс (обнуление) архива |
1 |
1 |
| 27/06/2016 |
20:58 |
Режим поверки вкл. |
1 |
1 |
| 27/06/2016 |------------ |
20:58 |
Режим калибровки ныкл. — |
1 ------1----------- |
1 ----------1 |
Рис. 5.6 Фрагмент журнала действий оператора
-
5.3.9 Регистрация диагностируемых сообщений: «пустая труба» и «реверс»
Диагностируемые сообщения «пустая труба» и «реверс» фиксируются в архиве прибора при активации соответствующего пункта меню СТ, находящегося в меню БД1(2) - Настр. ТВ1 - Тр1 (Тр2,Тр3 - в зависимости от необходимого трубопровода) - СТ. Значения настроечных параметров описаны в таблице п 4.2.
С помощью программы BKT7MEasy2 в «Отчете» и «Архивах» читаются диагностируемые сообщения для ТВ1:
-
- «пустая труба», отображается символами “П1";
-
- «реверс», отображается символами “R1".
Варианты отображения диагностируемых сообщений «пустая труба» и «реверс»:
Пример 1:
| G3 | Н.С.
| мЗ/ч |tl|t2|dt|ta|Pl|P2|P3|G1|G2|
0|0.0000011 |1 | |1 |1 |1 |1 |4 |4 |

Пример 2:
H.C.
I P3 |

|кг/см2|tl112113|dt|ta|Vl|Ml|V2|M2|V3|M3|Mr|Pl|P2|Qo|Qr |P
5.00 |
И |
и |
11 1 |
и |
14 |
15 |
14 |
15 |
14 |
14 |
15 |
И |
11 |
15 |
14 |
Ь |
1 |
1* |
5.00 |
И |
|1 |
ц 1 |
И |
14 |
15 |
14 |
1 5 |
14 |
14 |
|5 |
|1 |
11 |
15 |
14 |
11 |
1* |
1 * |
5.00 |
П |
и |
ц 1 |
|1 |
14 |
15 |
14 |
15 |
14 |
14 |
15 |
11 |
и |
15 |
14 |
1 |
1* |
1* |
5.00 |
И |
11 |
И 1 |
|1 |
14 |
15 |
14 |
15 |
14 |
14 |
15 |
и |
11 |
15 |
14 |
1 |
1* |
1* |
5.00 |
и |
|1 |
ц 1 |
|1 |
14 |
15 |
14 |
15 |
14 |
14 |
15 |
|1 |
|1 |
15 |
14 |
1 |
1* |
1* |
5.00 |
|1 |
и |
11 1 |
|1 |
14 |
1 5 |
14 |
1 5 |
14 |
14 |
15 |
и |
и |
15 |
14 |
11 |
1* |
1* |
5.00 |
н |
11 |
ц 1 |
И |
14 |
15 |
14 |
15 |
14 |
14 |
15 |
и |
|1 |
15 |
14 |
И |
1* |
1* |
5.00 |
|1 |
|1 |
ц 1 |
|1 |
14 |
1 5 |
14 |
15 |
14 |
14 |
1 5 |
|1 |
|1 |
15 |
14 |
11 |
1* |
1 * |
5.00 |
и |
11 |
ц 1 |
11 |
14 |
15 |
14 |
15 |
14 |
14 |
15 |
|1 |
и |
15 |
14 |
11 |
1* |
1* |
5.00 |
н |
|1 |
ц 1 |
и |
14 |
15 |
14 |
15 |
14 |
14 |
15 |
и |
и |
15 |
14 |
1 |
1* |
1* |
5.00 |
|1 |
|1 |
|1 1 |
И |
14 |
1 5 |
14 |
1 5 |
14 |
14 |
1 5 |
|1 |
и |
15 |
14 |
1 |
1 * |
1 * |
5.00 |
и |
11 |
ц 1 |
|1 |
14 |
15 |
14 |
15 |
14 |
14 |
15 |
11 |
|1 |
15 |
14 |
1 |
1* |
1* |
5.00 |
|1 |
и |
ц 1 |
|1 |
14 |
15 |
14 |
15 |
14 |
14 |
|5 |
и |
|1 |
15 |
14 |
11 |
1* |
1* |
5.00 |
|1 |
и |
11 1 |
|1 |
14 |
1 5 |
14 |
1 5 |
14 |
14 |
15 |
|1 |
|1 |
15 |
14 |
1’ |
1 * |
1 * |
5.00 |
и |
и |
И 1 |
н |
14 |
15 |
14 |
15 |
14 |
14 |
15 |
|1 |
и |
15 |
14 |
и |
1* |
1* |
5.00 |
11 |
11 |
ц 1 |
И |
14 |
15 |
14 |
15 |
|4 |
14 |
|5 |
и |
11 |
15 |
14 |
11 |
!* |
1 * |
5.00 |
|1 |
|1 |
|1 1 |
|1 |
14 |
1 5 |
14 |
1 5 |
14 |
14 |
15 |
|1 |
|1 |
|5 |
14 |
|1 |
К |
1 * |
5.00 |
|1 |
11 |
ц 1 |
и |
14 |
15 |
14 |
15 |
14 |
14 |
|5 |
11 |
и |
15 |
14 |
И |
[X |
5.4 Учет времени действия нештатных ситуаций
В соответствии с «Методикой осуществления коммерческого учета тепловой энергии, теплоносителя» от 17 марта 2014г, при возникновении функциональных отказов приборов учета или их составных частей, а также при возникновении нештатных ситуаций вычислитель должен фиксировать время возникновения и продолжительность события.
В архиве теплосчетчика должны накапливаться следующие интервалы времени:
а) работа теплосчетчика при расходах теплоносителя ниже минимального или выше максимального нормированных пределов расходомера;
б) работа теплосчетчика при разности температур теплоносителя ниже минимального нормированного значения;
в) функциональный отказ любого из приборов системы теплоснабжения;
г) изменение направления потока теплоносителя, если в теплосчетчик специально не заложена такая функция;
д) отсутствие электропитания теплосчетчика;
е) отсутствие теплоносителя, если функция определения нештатной ситуации заложена в теплосчетчик.
Временной баланс рассчитывается по формуле:
ООО «ИВТрейд», 197348, г. Санкт-Петербург, Коломяжский пр., д. 10, лит. АФ.
| 8 800 250-03-03, (812) 600-03-03 | info@teplocom-sale.ru | www.teplocom-sale.ru 31
Тнш — Топ - Траб, Ч,
При неодновременном действии нештатных ситуаций:
Тнш — Tmin + Tmax + Tfit + Тэп + Тф, Ч,
где:
Тнш - суммарное время действия нештатных ситуаций, ч;
Топ - время отчетного периода, ч;
Траб - время нормальной работы теплосчетчика в штатном режиме, ч;
Tat - время, в течение которого разность температур At — (ti -t2) была меньше допустимой нормированной разности температур для теплосчетчика, определенной в паспорте теплосчетчика, ч;
Тэп - время отсутствия электропитания, ч;
Тф - время действия любой неисправности (аварии) средств измерений (включая изменение направления потока теплоносителя) или иных устройств узла учета, которые делают невозможным измерение тепловой энергии, ч;
Данные произошедшим НС, учитываются в архиве прибора и выводятся в программном обеспечении ВКТ-7М Easy2 при запросе суточного архива в форме показанной на рисунке 6.7
топ - траб + Tmax + Tmin + Tdt + тэп + Тф время отчетного периода т, ч время работы теплосчетчика топ = + + + + + ч
Рисунок 6.7 Общий вид формы учёта времени действия НС.
При одновременном действии двух или более нештатных ситуаций для расчета принимается один интервал времени действия нештатной ситуации (время их действия учитывается и фиксируется в архиве тепловычислителя, но не суммируется). Приоритет выбора конкретного периода времени действия НС указан в таблице на рисунке 5.8.
Во время действия нештатных ситуаций Tat; Тэп ; Тф расчет тепловой энергии не производится.
В теплосчетчике определятся время Ттп, в течение которого фактический массовый расход теплоносителя по подающему трубопроводу был меньше установленного в параметре HV, и время Ттах, в течение которого фактический массовый расход теплоносителя по подающему трубопроводу был выше установленного в параметре BV. Подробное описание настроек данных параметров, а так же параметра KV, влияющего реакцию системы на данную НС, указано в пункте 4.2.
При работе теплосчетчика в период Ттп и Ттах счет тепловой энергии должен продолжаться, а время Ттп и Ттах фиксироваться в архиве теплосчетчика.
НС приводящие к останову счета тепловой энергии | |
1 |
Тэп - время отсутствия электропитания; |
2 |
Тф - Время действия любой неисправности (аварии) средств измерения, таких как: |
а. Неисправность датчика(ов) температуры; б. Неисправность расходомеров (или пропадание питание на клемме «питание расходомеров»); | |
3 |
Tdt - Время в течении которого разность температур (t1-t2) была меньше допустимой. |
НС не приводящие к останову счета тепловой энергии | |
4 |
Тт - Время в течении которого расход по трубе (трубам) был меньше допустимого |
5 |
Tmax - Время в течении которого расход по трубе (трубам) был больше допустимого |
Рисунок 6.8 Приоритет учёта времени действия НС
Отсутствие результатов измерения давления в системах водяного теплоснабжения и ГВС не являются нештатной ситуацией для измерения тепловой энергии и теплоносителя и не приводит к останову счета тепловой энергии, однако, для большей информативности, возникновение данной ситуации фиксируется маркером в таблице ДС, описанной в пункте 5.3.9. Так же для данного параметра в вычислителе предусмотрена подстановка договорного значения (см пункт 4.2, параметр РД).
6 Подготовка к эксплуатации
6.1 Распаковка
Распаковку вычислителя производят в отапливаемых помещениях. После его распаковки проверяют комплектность (по паспорту) и проводят внешний осмотр с целью выявления механических повреждений.
Если вычислитель находился в условиях, отличных от рабочих условий применения, то его выдерживают в отапливаемом помещении не менее 8 ч.
6.2 Место установки и крепление

Четыре отверстия для крепления основания к поверхности винтами
140
Гермовводы PG11 для кабелей датчиков (здесь для примера)

7 Манжет для кабелей датчиков
Разъем DB9M интерфейса RS232C
Рис. 6.1-Схема крепления корпуса ВКТ-7М

При выборе места установки следует учитывать, что допустимыми для ВКТ-7М являются рабочие условия согласно пункту 2.5.
В помещении недопустимо наличие паров кислот, щелочей, примесей аммиака, сернистых и других газов, вызывающих коррозию, а также недопустима конденсация влаги.
Место установки не должно быть вблизи силовых кабелей, электрощитов, сварочных аппаратов и т.п.
Комплектующие элементы составных частей теплосчетчика (вычислитель, автоматы защиты, блоки питания, модуль передачи данных и пр.) рекомендуется размещать в сертифицированных монтажных эл. технических шкафах (модулях), имеющие гермовводы и заземляющее устройство.
Крепление основания корпуса вычислителя (при снятой крышке) на выбранной поверхности обеспечивается винтами, в 4-х точках согласно рис. 6.1.
6.3 Подключение внешних цепей
-
6.3.1 Общие требования________________________________________
ВНИМАНИЕ! ЗАПРЕЩАЕТСЯ ПРИМЕНЕНИЕ ДАТЧИКОВ, ВЫХОД КОТОРЫХ СВЯЗАН ЭЛЕКТРИЧЕСКИ С КОРПУСОМ (ЗЕМЛЕЙ)!
Диаметр кабеля, пропускаемого через кабельный ввод, должен быть 7-10 мм. Сечение проводников, подключаемых к разъемам, должно быть 0,07-1 мм2.
Для исключения влияния источников электромагнитных помех на нормальную работу вычислителя (теплосчетчика) рекомендуется линии связи с датчиками выполнять экранированными кабелями.
Экраны кабелей должны быть электрически соединены между собой (только в одной точке) и общим проводом прибора. Для чего, можно использовать контакты 1, 3 клеммников Х3, Х4, Х10.
Запрещается присоединение экранов к любым посторонним цепям, включая заземления и зануления, поэтому следует применять кабели, имеющие изоляцию поверх экрана.
Внешние устройства (модем, компьютер), подключаемые к ВКТ-7М по интерфейсам RS232 или RS485 постоянно должны иметь защиту от импульсных перенапряжений и помех (грозозащиту) с подсоединением к линии защитного заземления.
Защитное заземление ВКТ-7М от поражения электрическим током не требуется.
-
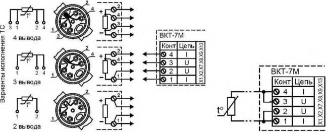
6.3.2 Подключение термопреобразователей сопротивления (ТС)
ТС подключается 4-х жильным кабелем длиной до 500 м при условии, что сопротивление каждой жилы кабеля не превышает 100 Ом.
Варианты подключения ТС в зависимости от исполнения показаны на рис. 6.2.

а) Подключение ТС по 4-проводное схеме б) Подключение 2-х проводных ТС
Рис. 6.2 - Варианты подключения ТС
Допускается подключение одного ТС на несколько каналов измерения температуры вычислителя.
Допускается применение ТС, имеющих неразъемный двухпроводный кабель (рис. 6.2. б).
ВНИМАНИЕ! Наращивание неразъемного двухпроводного кабеля не допускается! |
-
6.3.3 Подключение импульсных датчиков (водосчетчиков)
Импульсные датчики подключаются 2-х жильным кабелем длиной до 500 м и сечением жилы не менее 0,07 мм2.
К импульсному входу ВКТ-7М могут подключаться устройства с питанием их выхода от вычислителя (пассивный тип) или от собственного источника (активный тип).
+v«—CZh

Активный выход Пассивный выход
В случае пассивного типа «выхода» датчика, следует установить перемычку (джампер), показанную на рис. 5.3 слева от соответствующего разъема Х3, Х4 и Х10, а при активном - снять ее.
Допускается объединение импульсных входов для ВС с пассивной выходной цепью.
6.3.3.1 Дополнительный импульсный вход
Дополнительный импульсный вход (клемма X16) используется с датчиками, имеющими пассивный выходной каскад. Максимальная частота на выходе датчика 2 Гц.

Конт
4—® 2
4—® 1
Цепь
INVA
INVB
<о г— X
-
6.3.4 Подключение датчиков давления
Датчики давления подключается 2-х жильным кабелем длиной до 500 м и сечением жилы не менее 0,07 мм2.
Рекомендуемая схема подключения датчиков давления:
Тр1 ТВ1
Тр2 ТВ1
ТрЗ ТВ1

Конт |
Цепь | |
® 4 |
Вх |
4— к |
® 3 |
Общ | |
® 2 |
Вх |
•г- X |
® 1 |
Общ | |
® 4 |
Вх |
X |
® 3 |
Общ |
Для питания двухпроводных ПД разрешается применение одного блока питания.
ВНИМАНИЕ! 1. ДЛЯ ПИТАНИЯ ДАТЧИКОВ ДАВЛЕНИЯ НЕОБХОДИМО
ИСПОЛЬЗОВАТЬ ВНЕШНИЕ БЛОКИ ПИТАНИЯ!
2. ПАРАЛЛЕЛЬНОЕ ПОДКЛЮЧЕНИЕ КАНАЛОВ ИЗМЕРЕНИЯ ДАВЛЕНИЯ НЕ ДОПУСКАЕТСЯ!
ООО «ИВ .рейд.. 1../Ч4 8 г С- Коломяжский пр " 1" "ит „ф.
| 8 800 250-03-03, (812) 600-03-03 | info@teplocom-sale.ru | www.teplocom-sale.ru
-
6.3.5 Порядок подключения
Разъемы для подключения внешних цепей находятся на модуле в верхней части вычислителя. Маркировка разъемов выполнена на плате методом шелкогра-фии.
Размещение разъемов приведено на рис. 6.3, а схема подключения датчиков -см. Приложение З. Ответные части разъемов и джамперы входят в комплект поставки.
Порядок подключения цепей датчиков:
-
• промаркировать ответные части разъемов и с помощью маркировочных наклеек, входящих в комплект поставки.
-
• обустроить необходимое число (1-3) кабельных вводов, для чего, использовать резиновые манжеты, входящие в комплект поставки, или гермовводы, поставляемые по отдельному заказу.
-
• пропустить кабели через вводы и разделать каждый кабель на длину 8-10 см.
-
• зачистить проводники кабелей, скрутить многожильные проводники или надеть кабельные наконечники, вставить в гнездо соответствующего разъема и закрепить винтом.
ВНИМАНИЕ! ПЕРЕД ПРИСОЕДИНЕНИЕМ КАБЕЛЕЙ К ПРИБОРУ НЕОБХОДИМО УБЕДИТЬСЯ В ОТСУТСТВИИ РАЗРЫВОВ И КОРОТКИХ ЗАМЫКАНИЙ ПРОВОДНИКОВ СХЕМЫ!
-
• присоединить ответные части разъемов (клеммников).
Защита доступа к меню Переключатель "калибровка" (наклейка) Литиевая батарея защиты
Разъем для подключения сетевого БП
Разъемы для подключения датчиков
Места для оттиска клейма поверителя
Рис. 6.3 - Вид снизу на снятую крышку ВКТ-7М
Джамперы для ВС с пассивной цепью
Разъем интерфейса
6.4 Ввод насстроеных ппрамееров
Перед вводом в эксплуатацию необходимо произвести настройку вычислителя на конкретную конфигурацию системы теплоснабжения.
Ввод настроечных параметров в вычислитель следует выполнять в соответствии с п. 4.1.2.
При необходимости (в случаях, оговоренных в пункте 3.8 настоящего руководства) предварительно выполняют операцию СБРОС.
6.5 Апробация функционирования
После подключения к вычислителю электрических цепей и ввода базы данных надо убедиться в нормальном функционировании теплосчетчика (узла учета). Для этого следует последовательно вывести на индикатор значения температур, давления и объемных расходов.
При сомнениях в реальности параметров теплосчетчика проверяют:
-
- монтаж и экранировку линий связи,
-
- наличие и полярность напряжения питания датчиков,
-
- параметры подключаемых датчиков (см. ПС датчика), предустановленные в БД вычислителя.
При наличии кодов ДС, соответствующим нештатным ситуациям, следует устранить вызвавшую их причину, руководствуясь пунктом 7.2.
7 Обллуживниее рри эспллатацции
7.1 Порядок эксплуатации
В процессе эксплуатации взаимодействие пользователя с ВКТ-7М в основном сводится к внешнему осмотру, считыванию текущих и архивных показаний и диагностических сообщений.
При необходимости пользователь самостоятельно выполняет:
-
• Коррекцию времени, изменение скорости обмена с внешним устройством, смену активной БД (если значение параметра РР установлено равным «2») и др. При этом все проделанные операции сохраняются в приборе и отображаются в журнале действий оператора.
-
• подключение модема, компьютера и пульта НП - без снятия пломбы ресурсоснабжающей организации.
Периодическая поверка вычислителя (раз в 4 года) выполняется в аккредитованных на эту деятельность организациях. Методика поверки, приведена в разделе 8 настоящего руководства
Перед демонтажем и отправкой вычислителя на периодическую поверку, необходимо зафиксировать архивные показания, поскольку после поверки архивы будут стерты.
При отправке вычислителя на поверку допускается снимать только верхнюю часть вычислителя.
7.2 Устранение нештатных ситуаций
ВКТ-7М имеет систему диагностики. Диагностике подвергаются:
-
• параметры системы теплоснабжения ТВ;
-
• аппаратная часть вычислителя (в т.ч. контроль падения емкости батареи);
-
• наличие напряжения во внешней электросети, питающей ВС.
Диагностические сообщения (ДС), соответствующие нештатным ситуациям (НС) на узле учета, отображаются на индикаторе вычислителя, фиксируются в ар-ООО «ИВТрейд», 197348, г. Санкт-Петербург, Коломяжский пр., д. 10, лит. АФ.
| 8 800 250-03-03, (812) 600-03-03 | info@teplocom-sale.ru | www.teplocom-sale.ru
хиве вычислителя и регистрируются в «Отчете...» программного обеспечения «ВКТ7М Easy2».
Для устранения нештатных ситуаций в системе ТВ1 проводят мероприятия по проверке и устранению возможных причин. В первую очередь следует проверить:
-
• Надежность контактов на стороне датчика и ВКТ-7М;
-
• Обрыв, короткое замыкание или замыкание на землю линии связи;
-
• Соответствие полярности сигнала.
Рекомендации по устранению НС приведены в таблице.
НС |
Способ устранения |
Температура вне диапазона измерений |
Проверить,:
|
Давление вне диапазона измерений |
Проверить:
|
Объем вне диапазона уставок |
Проверить:
|
Отсутствуют показания V, M и Q в архиве |
Проверить: - Наличие кодов ДС по указанным параметрам. При наличии кода 4 выполнить подключение линии контроля питания сетевых расходомеров. |
При перекрытии трубопровода показания текущего расхода не изменяются |
Проверить: - Обоснованность выбора величины уставки на отсечку показаний объемного расхода (параметр УО по каждой трубе) |
При изменении расхода показания не изменяются |
Проверить: - значение параметра ТИ. В случае применения электронных преобразователей расхода параметр ТИ должен быть равен 1. |
Небаланс масс вне диапазона уставки |
Проверить:
|
Тепловая энергия отрицательна |
Проверить: - Отсутствие подпитки системы теплоснабжения и температура воды в обратном трубопроводе ниже, чем в подающем. |
Перерывы в электропитании ВС (код ДС в архиве 4) |
Проверить: - Имеется ли возможность несанкционированного отключения питания ВС. Для его исключения пломбируют разъемные соединения цепей питания, в том числе подключение блока питания к электросети. При необходимости обеспечения надежного электропитания ВС применить блок бесперебойного питания. |
Неисправности в ВКТ-7М |
Отправить на предприятие-изготовитель. |
7.3 Транспортирование и хранение
Транспортирование ВКТ-7М следует производить только в упаковке автомобильным, железнодорожным, авиационным, речным и морским транспортом с обеспечением защиты от дождя и снега. При транспортировании должны соблюдаться: температура окружающего воздуха от минус 10 до 50 °С; относительная влажность до 95 % без конденсации влаги.
ВКТ-7М без упаковки допускает хранение в закрытых отапливаемых хранилищах при температуре от 10 до 30 °С и относительной влажности до 95 %. Конденсация влаги не допускается.
Хранение следует выполнять на стеллажах. Складирование ВКТ-7М друг на друга не допускается. Расстояние до отопительных устройств должно быть не менее 0,5 м. Воздух не должен содержать пыли, паров кислот и щелочи, а также газов, вызывающих коррозию. При хранении не требуется консервация и обслуживание.
8 Методика поверки
Настоящая методика поверки утверждена ЦИ СИ ФГУП «ВНИИМ им. Д.И. Менделеева» «27» февраля 2019 года.
Настоящая методика распространяется на вычислители количества теплоты ВКТ-7М и устанавливает методы и средства их поверки.
Вычислители подвергаются поверке при выпуске из производства, после ремонта, в процессе эксплуатации, после хранения, в случае нарушения пломбы, несущей оттиск поверительного клейма, а также в случае утраты документа, подтверждающего их поверку.
Поверка вычислителей может проводиться автоматизированным или не автоматизированным способом.
В случае ремонта, не связанного с повреждением поверительных пломб, поверка вычислителя не производится до истечения срока установленной периодичности.
Интервал между поверками- 4 года.
-
8.1 Операции поверки
При проведении поверки должны быть выполнены следующие операции:
-
- внешний осмотр (п. 8.4.1);
-
- опробование (п. 8.4.2);
-
- определение метрологических характеристик:
-
• не автоматизированным способом (п. 8.4.3);
-
• автоматизированным способом (п. 8.4.4).
-
- оформление результатов поверки (п.8.5).
-
8.2 Средства поверки
При проведении поверки должно применяться средство измерений - стенд СКС6, имеющий следующие технические характеристики:
-
- воспроизведение сопротивлений 125,8 и 141,2 Ом, пг. ± 0,015 Ом;
-
- воспроизведение постоянного тока 5 и 20 мА, пг. ± 0,003 мА;
-
- воспроизведение пакета импульсов - 16.
Совместно со стендом СКС6 должен применяться комплект соединителей в составе:
-
- соединители С1, С2 и С3;
-
- соединитель С4 и адаптер стенда (АПС70 или АПС71 только при автоматизированной поверке);
-
- адаптер RS232 (только при автоматизированной поверке вычислителей со встроенным адаптером RS485 или Ethernet).
При автоматизированной поверке должен применяться компьютер (ОС не ранее Windows-2000 с двумя СОМ-портами), оснащенный программой «Поверка ВКТ-7М-01,02» (Вер.1.71 и выше).
Примечание: Комплект соединителей, программа «Поверка ВКТ-7М-01,02» и Руководство пользователя ПО поставляются по отдельному заказу.
При неавтоматизированной поверке допускается применение аналогичных средств поверки, обеспечивающих определение метрологических характеристик поверяемых СИ с требуемой точностью.
При подготовке и проведении поверки должны соблюдаться требования безопасности, указанные в эксплуатационной документации средств измерений и вспомогательного оборудования.
-
8.3 Условия проведения поверки и подготовка к ней
При проведении поверки должны соблюдаться следующие условия:
-
- температура окружающего воздуха, °С 23 + 5;
-
- относительная влажность воздуха, % 65 + 15;
-
- атмосферное давление, кПа 84 - 106,7;
-
- напряжения сети питания (для вычислителей с блоком питания), В ..187-242.
Перед проведением поверки верхняя крышка вычислителя должна быть отсоединена от основания его корпуса. Поверку допускается проводить при снятом основании.
При проведении поверки должны соблюдаться требования безопасности, приведенные в разделе 4 настоящего руководства и в соответствующих разделах эксплуатационной документации средств поверки.
Перед проведением поверки должна быть собрана схема поверки согласно рисунку 8.1.
ВНИМАНИЕ! Соединитель С3 исходно к стенду не подключается.
Соединитель С4, адаптер АПС70 и компьютер применяются только при автоматизированной поверке. При этом в вычислителях, имеющих встроенный интерфейс Ethernet, к разъему Х19 (рис. 6.3) должен быть подключен внешний адаптер RS232, к которому, в свою очередь, подключается соединитель С4.

Применяемость в схеме поверки соединителей и их разъемов (маркировка обозначениями Х1-Х14, Х16), в зависимости от модели вычислителя и требований пунктов таблицы 8.1, приведена ниже.
Модель ВКТ-7М |
Номер пункта таблицы 8.1 | |
1 и 2 |
3 и 4 | |
-01 |
С1 (Х3,Х4,Х16), С2 (Х1,Х2,Х9) |
С3 (Х6,Х11) |
-02 |
С1 (Х3,Х4,Х10,Х16), С2 (Х1,Х2,Х7, Х8,Х9 Х13) |
С3 (Х6,Х11,Х12,Х14) |
8.4 Проведение поверки
-
8.4.1 Внешний осмотр.
При внешнем осмотре должно быть установлено следующее:
-
- маркировка вычислителя и условные обозначения клавиш должны быть четкими, исключающими их неоднозначное понимание;
-
- корпус и табло не должны иметь повреждений, препятствующих снятию показаний и работе вычислителя.
Вычислитель, не удовлетворяющий указанным требованиям, к проведению дальнейшей поверки не допускается.
-
8.4.2 Опробование.
При опробовании должны быть выполнены следующие операции:
-
- установите в левое положение переключатель защиты (рисунок 6.3), при этом слева в нижней строке табло должен отсутствовать символ «д»;
-
- выведите на табло (п. 4.1) значение любого параметра (кроме группы Ин-терф.), в процессе вывода на табло должны отсутствовать лишние или искаженные фрагменты индикации;
-
- нажмите клавишу ▲, при этом должно появиться сообщение «ЗЩ!»;
-
- установите, нажатиями клавиши МЕНЮ, исходный раздел меню.
Вычислитель, не удовлетворяющий указанным требованиям, к проведению дальнейшей поверки не допускается.
8.4.2.1 Идентификация программного обеспечения
При идентификации программного обеспечения (ПО) должно быть установлено соответствие номера программной версии ПО (ПВ) и контрольной суммы (КС) исполняемого кода метрологически значимой части ПО, номеру и контрольной сумме, указанным в описании типа и паспорте (р.7) вычислителя.
Указанная информация представляется на табло вычислителя (р.3.3).
Вычислитель, не удовлетворяющий указанным требованиям, к дальнейшему проведению поверки не допускается.
-
8.4.3 Определение метрологических характеристик не автоматизированным способом.
При проведении данной операции необходимо вести протокол поверки, рекомендуемая форма которого приведена в приложении Ж.
Определение метрологических характеристик производится в следующей последовательности:
-
- установите в правое положение переключатель защиты и нажмите, удерживая 3 с, клавишу МЕНЮ, затем, нажатиями клавиши ▲ (▼) установите раздел СБРОС, и выполните операцию сброса архива (п. 3.8);
-
- войдите в режим поверки, для чего установите раздел ПОВЕРКА (п. 3.7), последовательным нажатием клавиш ВВОД и ▲ (▼) установите на табло надпись «да»;
-
- установите значения сигналов на СКС6 согласно пункта 1 таблицы 8.1 (соединитель С3 к вычислителю не подключен);
-
1) нажмитт клавишу ВВОД, послечего произведдтт пуск пакеет импулььов на стенде СКС6 и контролируйте на верхней строке табло показания номера часа;
-
- после смены номера часа, нажатием еаавиши ▲ (▼) установите раздел ТВ1;
-
- определите (п. 5.2, подраздел Архив) и занесите в протокол поверки часовые архивные показания (с номером часа до его смены) величин, указанных в таблице 8.2;
Таблица 8.1
№ пункта |
Значение сигнала | ||
Мера R, Ом |
Мера N0, тму. |
Меры Ю... 12, мА | |
1 |
125,8 |
16 |
- |
2 |
141,2 |
16 |
- |
3 |
- |
- |
5 |
4 |
- |
- |
20 |
- Для модели вычислителя ВКТ-7М-02 двойным нажатием еаавиши МЕНЮ установите раздел меню ТВ1, нажатием еаавиши ▲ (▼) установите раздел ТВ2, определите (п. 5.2, подраздел Архив) и занесите в протокол поверки часовые архивные показания (с номером часа до его смены) величин, указанных в таблице 8.2;
- двойным нажатием еаавиши МЕНЮ установите раздел меню ТВ2; Таблица 8.2
Величина |
Диапазон дсуллеадмых усеаваатй | ||
по ТВ1 |
по ТВ2 (тсаьес для исддаи ВКТ-7М-02) |
по п. 1 таблицы 8.1 |
по п. 2 таблицы 8.1 |
t1 |
t1 |
(66,55 - 66,75) °С |
(106,36 - 106,56) °С |
t2 |
t2 |
(64,55 - 64,75) °С |
(104,36 - 104,56) °С |
dt |
dt |
(1,97 - 2,03) °С | |
1а |
t3 |
(65,55 - 65,75) °С |
(105,36 - 105,56) °С |
V1 |
V1 |
(63,99 - 64,01) м3 | |
V2 |
V2 |
(31,99 32,01) м3 | |
V3 |
V3 | ||
М1 |
М1 |
(62,66 - 62,78) т |
(60,99 - 61,11) т |
М2 |
М2 |
(31,36 - 31,42) т |
(30,54 - 30,60) т |
М3 |
М3 |
(31,17 - 31,23) т | |
Мг |
Мг | ||
Оо |
Оо |
(1,802 - 1,858) Гкал |
(3,031 - 3,125) Гкал |
Ог |
Ог |
(2,027 - 2,031) Гкал |
DI |
DI |
(31,99 - 32,01) м3 |
-
2) установите значения сигналов на СКС6 согласно пункта 2 таблицы 8.1, затем установите раздел ПОВЕРКА, нажмите клавишу ВВОД и выполните операции, указанные выше в перечислении 1);
-
3) подключите, согласно рисунку 8.1, соединитель С3 к соответствующим разъемам вычислителя и установите значения выходных токов на СКС6 согласно пункта 3 таблицы 8.1;
-
4) нажатием клавиши ▲ (▼) установите раздел ТВ1;
-
- определите (п. 5.1, подраздел Текущие), не ранее, чем, через 6 с после установки значений токов, и занесите в протокол поверки текущие показания величин, указанных в таблице 8.3;
-
- Для модели вычислителя ВКТ-7М-02 двойным нажатием клавиши МЕНЮ установите раздел меню ТВ1, нажатием клавиши ▲ (▼) установите раздел ТВ2;
-
- определите (п. 5.1, подраздел Текущие) и занесите в протокол поверки текущие показания величин, указанных в таблице 8.3;
Таблица 8.3
Величина |
Диапазон допускаемых показаний | ||
по ТВ1 |
по ТВ2 (только для модели ВКТ-7М-02) |
по п. 3 таблицы 8.1 |
по п. 4 таблицы 8.1 |
Р1 |
Р1 |
(0,96 - 1,04) кгс/см2 |
(15,96 - 16,04) кгс/см2 |
Р2 |
Р2 | ||
Р3 |
Р3 |
-
- двойным нажатием клавиши МЕНЮ установите раздел меню ТВ2;
-
5) установите зне чения выходных токов СКС6 согласно пун кту 4та4лицы 8.1 и выполните операции, указанные выше в перечислении 4;
Вычислитель, показания которого соответствуют значениям, указанным в таблицах 8.2 и 8.3 для соответствующего пункта таблицы 8.1, считается прошедшим поверку с положительными результатами.
По завершению поверки вычислителя выполните нижеуказанные операции:
-
- выйдите из режима поверки, для чего установите раздел ПОВЕРКА, затем последовательным нажатием клавиш ВВОД и ▲ (▼) установите на табло надпись «нет», и нажмите клавишу ВВОД;
-
- произведите установку текущего времени и, при необходимости, даты (п. 4.1, раздел БД(1,2), подраздел Сзотемтые, группа Время, параметры УД и УТ);
-
- выполните операцию СБРОС (п.3.8);
-
- установите в левое положение переключатель защиты;
-
- отключите соединители от разъемов вычислителя, соедините вместе обе части корпуса вычислителя и закрутите крепежные винты.
-
8.4.4 Определение метрологических характеристик автоматизированным способом.
Определение метрологических характеристик производится в соответствии с Руководством пользователя ПО «Поверка ВКТ-7М-01,02».

По окончании поверки программа автоматически формирует протокол, с возможностью его сохранения на ПК и вывода на печать (приложение Ж), с указанием соответствия или несоответствия результатов измерений требованиям, установленным в таблицах 8.2 и 8.3.
Вычислитель считается прошедшим поверку с положительными результатами, если в протоколе поверки отсутствуют перечеркнутые результаты измерений.
По завершению поверки вычислителя выполните нижеуказанные операции:
-
- отключите соединители от разъемов вычислителя и подключите к разъему Х19 адаптер встроенного интерфейса вычислителя, если ранее он был отключен;
-
- установите в левое положение переключатель защиты;
-
- соедините вместе обе части корпуса вычислителя и закрутите крепежные винты.
-
8.5 Оформление результатов поверки
Положительные результаты поверки оформляют путем выдачи свидетельства о поверке установленной формы или внесения в паспорт вычислителя соответствующей записи о поверке.
Знак поверки наносится на наклейку, защищающую доступ к кнопке «калибровка» на электронном модуле (платы) прибора и крепежный винт защитного каркаса электронного модуля внутри корпуса прибора (рисунки 2.1, 6.3).
При отрицательных результатах свидетельство о поверке аннулируют или вносят соответствующую запись в паспорт, и/или выписывают извещение о непригодности.
Приложение А - Рекомендации по выбору настроечных параметров
ВНИМАНИЕ! Значения настроечных параметров рекомендуется согласовать с теплоснабжающей организацией, предварительно оформив в виде таблицы.
СИСТЕМНЫЕ ПАРАМЕТРЫ
ЕИ - Единицы измерений Q и Р. Выбирают значения, принятое в теплоснабжающей организации.
ПИ - Период измерений. Рекомендуется выбирать 600 с. При этом наиболее экономно расходуется ресурс встроенной батареи (см. пункт Электропитание).
tx, Рх - Договорные значения температуры и давления холодной воды. Выбирают значения, принятые в теплоснабжающей организации. По данным значениям вычисляется удельное теплосодержание холодной воды hx в случае отсутствия измерений температуры холодной воды.
Примечание При установке tx=0 и Рх=0 энтальпия холодной воды hx принимает значение, равное нулю.
ХТ - Характеристика ТС. Выбирается согласно паспорту и маркировке ТС. При этом ТС должны быть однотипными, то есть характеристика должна быть одной и той же для всех подключаемых ТС.
t5 - Назначение пятого ТС. Выбирают из необходимости измерений температуры: наружного воздуха (t5=1), холодной воды (t5=2) или воды в Тр3 ТВ1 (t5=3).
Примечание При отсутствии измерений температуры в трубопроводе 3 системы ТВ1 вычисления плотности (р) и энтальпии воды (h) в нем ведутся по выбранному договорному значению Щ.
УД, УТ - Установка текущей даты и времени. Ввод должен быть синхронизирован с сигналом точного времени.
ВНИМАНИЕ! После изменений УД и часа УТ необходимо выполнить СБРОС (п. 3.8).
КЧ - Поправка на коррекцию хода часов. Задают при необходимости коррекции хода часов. Значение определяют по отклонению за сутки показаний времени ВКТ-7М от сигналов точного времени. Иначе выбирают равной 0,0 с.
ПЧ - Выбор автоматического перевода часов на летнее (зимнее) время. При этом переход обеспечивается автоматически в 2 часа ночи последнего воскресенья марта (октября) на 1 час вперед (назад).
ДО - Дата отчета - последние сутки отчетного месяца. При совпадении отчетного с календарным месяцем, значение выбирают равным 31.
ИА - Идентификатор абонента. Задают для распознавания конкретного узла учета и/или абонента в сформированном на компьютере отчете. Рекомендуется в качестве параметра ИА вводить заводской номер вычислителя.
СН - Сетевой номер ВКТ-7М задают для установления связи при работе в сети.
Примечание Каждый прибор должен иметь свой индивидуальный сетевой номер.
РР - Режим смены БД. При работе только с БД1 выбирают значение 0. При необходимости иметь дополнительную базу данных БД2, например, для обеспечения работы в межотопительном сезоне по другому алгоритму, выбирают значение: 1 - при разрешении смены БД1 на БД2 только при снятой защите или 2 -при разрешении смены БД1 на БД2 при включенной защите.
ВУ - Внешнее устройство. Устанавливать ВУ=0 (компьютер, НП), если нет необходимости организации режима автодозвона. Особенности использования модема или SMS-сообщения описаны в приложении К.
Примечание Вне зависимости от значения установленного параметра ВУ, вычислитель поддерживает работу с ПК, модемом или НП.
СО - Скорость обмена с ВУ выбирают 9600 бит/с.
ОБЩИЕ НАСТРОЕЧНЫЕ ПАРАМЕТРЫ ПО ТВ1 И ТВ2
СИ - Схема измерений выбирается согласно пункту 0, системе теплопотребления, наличию в ней трубопроводов и схеме расположения в них датчиков.
ФТ - Формула для вычисления тепла Оо выбирается согласно выбранной схемы и в соответствии с принятым в теплоснабжающей организации способом учета.
Т3 - Наличие и назначение трубопровода 3. Выбирается по необходимости измерений только объема (Т3=1) или массы и тепловой энергии Ог горячего водоснабжения (Т3=2). При отсутствии тр3 устанавливать Т3=0.
КО - Способ контроля часового тепла Ооч выбирают из трех вариантов в соответствии с описанием в пункте 5.3.4. При применении СИ=1 и 3 рекомендуется устанавливать КО=2.
КМ - Способ контроля часовой массы Мгч (небаланс масс между подающим и обратным трубопроводами) выбирают из пяти вариантов в соответствии с п. 5.3.6. Если нет возражений у теплоснабжающей организации, то рекомендуется выбирать учет по варианту 3 - для открытых и по варианту 4 - для закрытых систем теплопотребления.
БМ - Уставка на небаланс часовой массы Мгч выбирается в пределах 0 - 2 %.
GB - Максимальное нормированное значение расхода.
GH - Минимальное нормированное значение расхода.
dtH - Допустимая нормированная разность температур, 0...160.00
ПАРАМЕТРЫ ПО Тр1...Тр3
ВС - Контроль питания водосчетчика. Для автономного (механический или с батарейным питанием) водосчетчика, а также для водосчетчика с внешним питанием, но без необходимости его контроля выбирают значение 0. При внешнем питании водосчетчика и необходимости его контроля выбирают значение 1.
Примечание Особенности подключения напряжения контроля при установке параметра ВС=1 описаны в разделе “4.3.7 Контроль питания сетевых расходомеров”.
ТИ - Тип импульсов ВС. Значение ТИ=0 выбирают для механических ВС. Значение ТИ=1 - для электронных ВС.
ВИ - Вес импульса ВС. Задают согласно паспорту на ВС.
KV - Способ контроля часового объема Vh выбирают из пяти вариантов в соответствии с описанием в 5.3.5.
BV (HV) - Верхняя (нижняя) уставка на часовой объем.
Vn - Договорной часовой объем. Выбирают в соответствии с договором на теплоснабжение.
УО - Уставка на отсечку показаний объемного расхода выбирается в пределах
1...60 мин. При этом показания расхода на экране обнуляются, если за время УО не пришло ни одного импульса. Рекомендуется устанавливать значение периода, определяемое выражением: T>60xBM/Qmin,
где: Qmin- фактическое минимальное значение расхода в трубопроводе, л/ч
1Д - Договорная температура выбирается в пределах 0...160 °С в соответствии с договором на теплоснабжение.
ИД - При подключении датчика избыточного давления выбирают ИД = 1, а в случае отсутствия необходимости измерений давления - ИД = 0, при котором параметры Рв и ПВ не рассматриваются.
Рв - Верхний предел измерений выбирают согласно паспорту на датчик. Если предел выражен в МПа, то для перевода в кгс/см2 значение умножают на 10,1972.
ПВ - Поправка на высоту водяного столба в импульсной трубке датчика давления выбирают в пределах + 10 м после замера. Если датчик установлен ниже трубопровода, то значение ПВ вводится с минусом.
РД - Договорное абсолютное давление выбирается в пределах 1 ../17 кгс/см2 в соответствии с договором на теплоснабжение.
Таблица настроечных параметров вычислителя ВКТ-7М-_
(модель)
База данных БД
Системные настроечные параметры (ед. измерения) |
Уставка |
Значение |
Группа | |
ЕИ |
Единицы измерений (Q/P), |
0/1/2 | ||
ПИ |
Период измерений (600), с |
0/1/2 | ||
tx |
Договорная температура х. в. °С |
ХХ.ХХ |
S) | |
Рх |
Договорное абс. давление х. в. кгс/см2 |
ХХ.ХХ |
=г ID | |
ХТ |
Характеристика всех ТС |
0/1/2/3/4 |
о | |
t5 |
Назначение ТС5 для измерений |
0/1/2/3 | ||
УД |
Установка текущей даты |
ХХ/ХХ/ХХ | ||
УТ |
Установка текущего времени |
ХХ:ХХ |
к | |
КЧ |
Ежесуточная коррекция времени, с |
+/-Х.Х | ||
ПЧ |
Переход на летнее/зимнее время |
0/1 |
СО | |
ДО |
Дата окончания отчетного месяца |
0-31 | ||
ИА |
Идентификатор абонента (зав. №) |
ХХХХХХХХ |
S | |
СН |
Сетевой номер ВКТ-7М для ВУ |
0-240 |
00 * | |
РР |
Режим смены БД |
0/1/2 |
£ |
Общие настроечные параметры по ТВ1 (ед. измерения) |
Уставка |
ТВ1 | |
Значение | |||
СИ |
Схема измерений |
1-9 | |
ФТ |
Формула тепла |
0-3 | |
Т3 |
Назначение Тр3 для измерений |
0/1/2 | |
KQ |
Контроль часового тепла (Ооч) |
0-2 | |
КМ |
Контроль разности масс (Мгч) |
0-4 | |
БМ |
Уставка на небаланс массы Мгч, % |
Х.Х | |
GB |
Макс. нормир. значение расхода, м3/ч |
ХХХХХХХХ | |
GH |
Мин. нормир. значение расхода, м3/ч |
ХХХХХХХХ | |
dtH |
Доп. нормир. разность тем-р, 0...160.00 °С |
ХХХ.ХХ |
Настроечные параметры по трубо- |
Уставка |
ТВ1 | |||
Тр1 |
Тр2 |
Тр3 | |||
проводам (ед. измерения) | |||||
Знач |
Знач |
Знач | |||
ВС |
Контроль питания водосчетчика |
0-1 | |||
ТИ |
Тип импульсов водосчетчика |
0-1 | |||
ВИ |
Вес импульса водосчетчика, л/имп |
ХХХХ.ХХХХ | |||
KV |
Контроль часового объема |
0-1-2-3-4 | |||
ВУ |
Верх. уставка на часов. объем, м3 |
ХХХХХ.ХХХ | |||
HV |
Нижн. уставка на часов. объем, м3 |
ХХХХХ.ХХХ | |||
од |
Договорной часовой объем, м3 |
ХХХХХ.ХХХ | |||
УО |
Уставка на отсечку расхода, мин |
ХХ | |||
Щ |
Договорная температура, °С |
ХХХ | |||
ИД |
Наличие датчика избыт. давления |
0-1 | |||
Рв |
Верх. предел дат. давл. кгс/см2 |
ХХ.ХХ | |||
Поправка на высоту вод. столба,м |
+/-Х.ХХ | ||||
РД |
Дог. абсолютное давление, кгс/см2 |
ХХ.ХХ |
Приложение Б - Система диагностики
Диагностируемые сообщения (НС) в системе ТВ1
ВКТ-7М-01 отображает на индикаторе и сохраняет в архиве код при наличии одной из трех ДС измеряемой величины:
-
• Значение величины (t1-t3, tx, ta, Р1—Р3, G1-G3) вне диапазона - код 1;
-
• Значение величины (V1-V3, М1 - М3, Мг, Оо, Qr) вне уставки - код 2;
-
• Обесточивание водосчетчика (V1-V3, М1-М3, Мг, Оо, Qr) при ВС=1 - код 4.
При одновременном наличии двух и более указанных ситуаций соответствующие им коды суммируются.
В таблицах Б1 - Б4 приведены соответствие причин возникновения НС по кодам ДС.
Таблица Б1 - Распознавание НС по коду ДС в текущих показаниях
Величина |
Причина |
Показания |
Код |
Температура t1 - t3 и tx |
t < 0 или >180°С |
1 | |
Температура ta |
t < - 50 или >130°С |
Вне диапазона |
1 |
Давление Р1 - Р3 |
Р < - 0,01 Рв или Р >1,01 Рв |
1 | |
Расход G1 - G3 |
F > 2Гц при ТИ = 0 |
Соответствующее 2Гц |
1 |
Расход G1 - G3 |
Не подключен контроль питания |
Фактическое значение |
4 |
Таблица Б2 - Распознавание НС по коду ДС в часовых архивных показаниях
Величина |
Причина |
Настройки |
Показания |
Код |
Температура t1, t2 и t3 |
t < 0 или t >180°С |
- |
Соответствующее tfl |
1 |
Температура t< |
- |
Назначенная tx |
1 | |
Температура ta |
t < -50 или t >130°С |
- |
1 | |
Давление Р1-Р3 |
Р<-0,01 Рв или >1,01 Рв |
- |
Соответствующее РД |
1 |
Объем V1, V1 и V3 |
V > ВV |
KV=1, KV=4 |
Фактическое значение |
1 |
KV=2, KV=3 |
vg | |||
0 < V < HV |
KV=1, KV=4 |
Фактическое значение |
2 | |
KV=2, KV=3 |
HV | |||
V = 0 |
0 | |||
Обесточен ВС |
KW3 |
4 | ||
KV=3 |
vg | |||
Масса М1, М2, М3, Мг, Оо, Ог |
t < 0 или t >180°С |
- |
Значение, соотв. Щ |
1 |
Обесточен ВС |
KVrf |
4 | ||
KV=3 |
Значение, соотв. ОД |
- | ||
t<0 или К>180°С и обесточен ВС |
KVrf |
5 | ||
KV=3 |
Знач., соотв. Щ и ОД |
- | ||
0 < V < HV или V > 8V |
KV=4 |
4 | ||
IOV*4 |
Фактическое значение |
- | ||
t < 0 или t >180°С и 0 < V < HV или V > 8V |
IOV*4 |
Значение, соотв. tfl |
1 | |
KV=4 |
| |||
Масса Мг при Мг=М1-М2 |
Мг < - НБ |
ХМ=1 и 3 |
Фактическое значение |
2 |
Мг< - НБ или Мг >НБ |
KM=2 и 4 | |||
Тепловая энергия Оо* |
Оо < 0 |
KQ=1 |
Фактическое значение |
2 |
RQ=2 |
0 |
* Контроль проводится для каждого слагаемого формулы Оо и присваивается слагаемо
му 0 (нуль) в случае его отрицательного значения.
Таблица Б3 - Распознавание НС по коду ДС в суточных архивных показаниях
Величина |
Причина - ДС с кодом в часовом архиве |
Код |
Температура t1, t2, t3, tx и ta Давление Р1...Р3 |
1 - хотя бы на одном часе суток |
1 |
Объем V1, V1 и V3 Тепловая энергия Qo Масса Мг при Мг=М1-М2 |
1 - хотя бы на одном часе суток |
1 |
2 - хотя бы на одном часе суток |
2 | |
1 и 2 - на разных часах суток |
3 | |
4 - хотя бы на одном часе суток |
4 | |
1 и 4 или 5 - на разных часах суток |
5 | |
2 и 4 или 1 и 5 - на разных часах суток |
6 | |
1,2 и 4 или 2 и 5 - на разных часах суток |
7 | |
Масса М1, М2, М3 и Мг при Мг=М3 Тепловая энергия Qr |
1 - хотя бы на одном часе суток |
1 |
4 - хотя бы на одном часе суток |
4 | |
1 и 4 или 5 - на разных часах суток |
5 |
Таблица Б4 - Распознавание НС по коду ДС в месячных архивных показаниях
Величина |
Причина - ДС с кодом в суточном архиве |
Код |
Температура t1, t2, t3, tx и ta Давление Р1...Р3 |
1 - хотя бы на одних сутках месяца |
1 |
Объем V1, V1 и V3 Тепловая энергия Qo Масса Мг при Мг=М1-М2 |
1 - хотя бы на одних сутках месяца |
1 |
2 - хотя бы на одних сутках месяца |
2 | |
1 и 2 или 3 - на разных сутках месяца |
3 | |
4 - хотя бы на одних сутках месяца |
4 | |
1 и 4 или 5- на разных сутках месяца |
5 | |
2 и 4 или 6 - на разных сутках месяца |
6 | |
1,2 и 4 или 7- на разных сутках месяца |
7 | |
Масса М1, М2, М3 и Мг при Мг=М3 Тепловая энергия Qг |
1 - хотя бы на одних сутках месяца |
1 |
4 - хотя бы на одних сутках месяца |
4 | |
1 и 4 или 5 - на разных сутках месяца |
5 | |
Примечания: 1) В расчете архивных показаний величин за сутки (месяц) используются только их часовые (суточные) значения, где отсутствует сообщение «-------» . Если же это сообщение присутствует на всех часах (сутках) суток (месяца), то в целом за сутки (месяц) для величины также индицируется: «.........». | ||
2) Отсутствие напряжения сети (питания ВС) диагностируется при установке параметра ВС=1 в соответствии с “п. 4.3.7 Контроль питания сетевых расходомеров” |
Диагностируемые сообщения (НС) в аппаратной части ВКТ-7М-01
Система диагностики определяет неисправности в АЦП и памяти архивов, а так же разряд батареи. При наличии этих ситуаций и погашенном табло после нажатия любой клавиши индицируются сообщения:
-
• АЦП - слева на нижней строке при неисправности в АЦП,
-
• АРХИВ - справа на нижней строке при неисправности в памяти архивов
-
• БАТАРЕЯ ХХ/ХХ/ХХ - на верхней строке табло с указанием даты (день/месяц/год) возникновения данной НС.
Последующее нажатие любой клавиши приводит табло в активное исходное состояние. Но при этом в правом знакоместе нижней строки табло индицируется код ДС активной НС согласно таблице Б5.
Таблица Б5 - Распознавание НС в аппаратуре ВКТ-7М-01 по ее коду
Причина ДС в аппаратуре |
Показания величин при наличии ДС |
Код |
Разряд батареи |
Фактические значения - в течение 2-х недель, далее не обеспечиваются |
Н1 |
Неисправно АЦП |
Фактические - до возникновения ситуации, далее сообщение «.........» |
Н2 |
Разряд батареи и неисправно АЦП |
То же, что при ДС с кодами Н1 и Н2 |
Н3 |
Неисправна память архивов |
Фактические текущие значения. Архивные значения не обеспечиваются |
Н4 |
Разряд батареи и неисправность в памяти архивов |
То же, что при ДС с кодами Н1 и Н4 |
Н5 |
Неисправны АЦП и память архивов |
То же, что при ДС с кодами Н2 и Н4 |
Н6 |
Разряд батареи, неисправны АЦП и памяти архивов |
То же, что при ДС с кодами Н1,Н2 и Н4 |
Н7 |
Перечень сервисных сообщений
Сообщение |
Комментарий |
Ап |
Выбор даты, где архив пуст (в прошлом или будущем) |
Архив пуст |
Достижение пределов архива (в прошлом или будущем) |
Нет достоверных архивных значений величины | |
Не используется |
Параметр не актуален в конкретном применении |
Вне диапазона |
Текущие t<0 и t>180°G (а<-50, tа>130oС), Р<- 0,01Рв и Р>1,01Рв |
? |
Наличие НС по другим величинам данного ТВ |
д |
Доступно изменение настроечных параметров |
ЗЩ! |
Попытка изменить параметр при включенной защите |
Ош! |
Попытка ввода значения параметра вне диапазона |
п |
Работа в режиме поверки |
ПИ=2! ПОТРЕБЛЕНИЕ ЭНЕРГИИ ЗАВЫШЕНО |
Работа вычислителя с периодом измерений 6 с. Срок службы батареи уменьшается в соответствии с п. 2.7. |
Приложение В - Пример печати отчета

представитель абонента представитель теплоснабж.организации
* Столбцы с маркерами нештатных ситуаций (НС), являются отключаемыми и отображаются на отдельном листе для удобства восприятия.
Приложение Г - Подключение внешних устройств
1 Подключение ВКТ-7М к компьютеру по интерфейсу RS232C

Розетка DB9F
Розетка DB9F

ВКТ-7М Интерфейс RS232
Сигнал |
Контакт |
RxD |
2 |
TxD |
3 |
RTS |
8 |
GND |
5 |

Оуепнеатен Огдолюентин лдпььюенуа вдзпджтд стандартным оабн-лнп огпоьютнр-огпоьютнр.
3 Подключентн к ВКТ-7М нтаодьнелььтго пьльте НП
Оддолюентен таогоиенльтггг оульеа ПО гсущнсевлянеуя в удгевнеуевии у ру-лгвгкуевгп ог элуолуаеацее ПО.
2 Подключенте к ВКТ-7М модд^6

Схнпа огдолюентея пгднпа у разънпгп DB35M
Рдэнтла DB9F Келла DB9M

Схнпа огдолюентея пгднпа у разънпгп DB9M
Приложение Д - Настройка адаптера интерфейса RS-485
Универсальный адаптер интерфейса RS-485 (в дальнейшем адаптер) устанавливается в корпус вычислителя ВКТ-7М, Место установки адаптера изображено на рис. 3.1. Внешний вид платы адаптера представлен на рис. Д.1.
Адаптер позволяет осуществлять обмен информацией с вычислителем как по интерфейсу RS232, так и по интерфейсу RS485.
Индикатор RS485
Клеммники RS485

Индикатор RS232 <
RS-232(j^
ип
RS485 U
I - разрешение наш р J2 - установка режима
■ ■ >
^/^Шлейф
Переключатели (джамперы): Л - разрешение настройки;

' \ INA SB
----------------\ !--------------
Интерфейс RS232 подключается стандартным образом через разъем DB9M, находящийся на передней стенке корпуса вычислителя.
Разъем DB9-M Разъем для подключения интерфейса RS-232 к плате вычислителя
Интерфейс RS485 подключается через клеммники (под винт), расположенные на плате адаптера.
Рис. Д.1 ■ Внешний вид платы универсального адаптера интерфейсов
Питание интерфейса RS485 осуществляется от внешнего источника постоянного тока напряжением 9...18 В при токе не менее 50 мА.
Выходы адаптера имеют гальваническую развязку от вычислителя.
Приоритетом обладает интерфейс RS232. Переключение между интерфейсами происходит автоматически при подаче на контакты 7 и 8 разъема DB9M сигнала RTS (сигнал постоянного уровня с напряжением +6,5...12В) от ПК или НП.
Тип применяемого интерфейса отображается с помощью светодиодных индикаторов (зеленый (L2) - интерфейс RS485, красный (L3) - интерфейс RS232).
Примечание При отключенном блоке питания возможна связь ТОЛЬКО по интерфейсу RS232. При этом индикация (светодиод L3) отсутствует.
Адаптер при работе по интерфейсу RS485 выполняет следующие функции:
-
• Электрическое согласование интерфейса RS-485;
-
• Расширение диапазона адресов;
-
• Экономия ресурса батареи вычислителя за счет исключения обработки запросов от компьютера к другим приборам, находящимся в сети.
Функциональные характеристики интерфейса RS485
Существует два режима адресации:
-
• Стандартный режим адресации. Максимальное число вычислителей, объединяемых в сеть - 240.
-
• Расширенный режим адресации. Максимальное число вычислителей, объединяемых в сеть - 24000.
Выбор режима адресации задается джампером J2:
-
• J2 установлен - стандартный режим адресации;
-
• J2 снят - расширенный режим адресации.
Настройка адаптера при работе по интерфейсу RS485
Настройка адаптера состоит в установке режима адресации, сетевого адреса вычислителя и выборе скорости передачи.
ООО «ИВТрейд», 197348, г. Санкт-Петербург, Коломяжский пр., д. 10, лит. АФ.
| 8 800 250-03-03, (812) 600-03-03 | info@teplocom-sale.ru | www.teplocom-sale.ru
Настройка осуществляется в следующей последовательности.
-
1. Включить питание адаптера интерфейса.
-
2. Задать режим настройки адаптера, установив джампер J1;
-
3. Выбрать режим адресации вычислителя:
-
• стандартный режим адресации - установить джампер J2;
-
• расширенный режим адресации - снять джампер J2.
Примечание ВСЕ ВЫЧИСЛИТЕЛИ, ВХОДЯЩИЕ В СОСТАВ СЕТИ ДОЛЖНЫ
___________ИМЕТЬ ОДИНАКОВЫЙ РЕЖИМ АДРЕСАЦИИ.______________
-
4. Снять защиту на редактирование параметров, установив переключатель на плате вычислителя (рис. 5.3) в правое положение;
-
5. Открыть доступ к дополнительным разделам меню, удерживая (около 3 с) нажатой клавишу МЕНЮ;
-
6. Установить скорость обмена (СО) и сетевой номер (СН) вычислителя:
• скорость обмена (СО) выбирается в меню Общие-Интерф.-СО;
-
• сетевой номер (СН) устанавливается в меню Общие-Рекв.-СН.
7. Настроить адаптер интерфейса:
-
• с помощью клавиш или ® выбрать и войти в раздел RS-485;
СН=002 |
РА=45 |
СА=11522 |
Ок |
Рис. Д2 - Экран настрой-
-
• в случае использования расширенного режима адресации установить с
помощью кнопок ®, ®>, ® значение расширенного адреса (пара
метр РА) (рис. Д2);
Сетевой адрес (СА) рассчитывается по формуле: СА=РА*256+СН и изменяется при каждом изменении РА.__________________________________________________
ВНИМАНИЕ! При использовании расширенного режима адресации обращение к вычислителю программой верхнего уровня осуществляется по адресу СА. Все вычислители, входящие в состав сети должны иметь различные сетевые адреса (ПАРАМЕТР СА).
-
• в случае использования стандартного режима адресации параметр РА необходимо установить равным 0;
-
• нажать кнопку ВВОД.
В правом нижнем углу экрана появится надпись «ждите». В случае успешного завершения операции настройки появится надпись «Ок», в противном случае - «Err».
-
8. Установить защиту, переведя переключатель (рис. 5.3) в левое положение;
-
9. Выключить режим настройки адаптера, сняв джампер J1.
Рис. Д3 - Схема подключения адаптера интерфейса RS 485
Примечания:
-
• Подключение линии связи выполняется экранированной витой парой.
-
• Длина кабеля может быть до 1,2 км.
Приложение Е - Блок дополнительной батареи
Дополнительная батарея с номинальным напряжением 3,6 В и емкостью 7 А ч предназначена для питания ультразвуковых датчиков расхода, не имеющих в комплекте собственной батареи.
Внешний вид и способ крепления блока дополнительной батареи представлен на рис. Е1.
Блок дополнительной
батареи /

Рис. Е1 - Внешний вид и способ крепления блока дополнительной батареи
Для подключения линий питания датчиков расхода предназначены клеммники Р2...Р4.
Приложение Ж - Форма протокола поверки
ПРОТОКОЛ №____
поверки вычислителя количества теплоты ВКТ-7М мод._____Зав _ №___________ПВ__
Изготовитель:_________
Методика поверки: Руководство по зксплуатапииТНРВ-.400880.110 РЭраздел S «Методика поверки* Перечень рабочих эталонов и средств измерений, используемых при поверке:
Стенд СКС-б зав. №___
Условия поверки (испытаний):
Допускаемые условия поверки:
Давление________кПа (84 - 106.7) кПа
Температура..... °C (18± 5)вС
Влажность _______% (65 ± 15)%
Результаты поверки (испытаний):
Внешний осмотр ______
Опр обование _______
Определение метрологических характеристик _______
Мера R-125,8 Ом, мера N0 - 16 нмп. | |||
Обозначение величины |
Архивные часовые показания BKT-7M |
Диапазон допу скаемых часовых показаний | |
Раздел ТВ1: Архив |
Раздел ТВ2: Архив | ||
tl°C |
66,55-66,75 | ||
t2.^C |
64,55-64,75 | ||
tVC | |||
VI. м’ |
63,95- 64.01 | ||
V2, м3 |
31,99-32,01 | ||
V3,m* | |||
ML т |
62,66 - 62,78 | ||
MLt |
31^6^514*2 | ||
M3,t |
31,17-31^3 | ||
Mr, т | |||
Qo, Гкал |
1,802- 1,858 | ||
Qr, Гкал |
2;027-2,031 | ||
&'°C |
1,97-2,03 | ||
ta 113, °C |
65,55-65,75 | ||
DI, MJ |
31,99-32,01 | ||
Мера R -141Д Ом. мера N0 - 16 нмп. | |||
Обозначение |
Архивные часовые |
показания ВКТ-7М |
Диапазон допускаемых |
величины |
Раздел ТВ 1: Архив |
Раздел ТВ2: Архив |
часовых показаний |
tl.°C |
106.36- 106,56 | ||
12, °C |
10<36- 104,56 | ||
t3.°C | |||
VI, м3 |
63,95- 64,01 | ||
V2, м3 |
31,99- 32,01 | ||
V3, м3 | |||
M1,t |
60,99-61,11 | ||
M2,t |
30,54 - 30,60 | ||
M3,t |
31,17-31,23 | ||
Жт | |||
Щ, Гкал |
3,031-3,125 | ||
Qj, Гкал |
2;027-2,031 | ||
&°с |
1,97-2,03 | ||
ta 1t3. °C |
Ю5Д6- 105,56 | ||
DI, м3 |
31,99- 32,01 | ||
Меры 10, IL, 12 |
5 мА | ||
Обозначение |
Текущие показания ВКТ-7М |
Диапазон допускаемых | |
величины |
Раздел ТВ1: текущие |
текущих показаний | |
Р1, кгс/см2 | |||
Р2, кгс/смЗ |
0,96-1,04 | ||
РЗ, кгс.''см2 | |||
Меры ID, II. 12 |
20мА | ||
Обозначение |
Текущие показания ВКТ-7М |
Диапазон допускаемых | |
величины |
Раздел ТВ1 текущие |
текущих показаний | |
Р1, кгс/см2 | |||
Р2, кгс/см2 |
15,^9^ 16,04 | ||
РЗ, кгс.''см2 | |||
Заключение: Вычислитель ВКТ-7М мод,. зав. Ks |
ПВ поверен |
и на основании результатов |
первичной (периодической) поверки признан пригодным (непригодным) к применению.
Дата_________
Поверитель (испытатель):___________________I
Приложение З - Схема подключения датчиков к разъемам


1 |
тттт | |||||
X |
я с (V |
<М W- Ей >> ZZ |
«□ X |
а | ||
U с Ф 3 |
тЗ =f So - ш *о о |
* |
nt- | |
л Е Ш 3 |
ft 4. ш о — — |
Приложение К - Настройка дополнительных функций
ВКТ-7М имеет следующие дополнительные функциональные возможности.
-
• Два дополнительных выхода с опторазвязкой (устанавливаются по отдельному заказу). Функции выходов:
-
• Телеметрический выход - режим ТМ;
-
• Индикация ДС - режим АЛ (ALARM);
-
• Управление питанием модема - режим БУМ;
-
• Выходы управления - режим РГ.
Форма сигналов на выходе:
-
• в режиме ТМ - меандр с частотой 1 Г ц;
-
• в режимах АЛ, РГ и БУМ - постоянный потенциал.
-
• Дополнительный вход. Функции дополнительного входа:
-
• Счетный вход;
-
• Сигнализация.
-
• Автодозвон для передачи текстового сообщения на ПК через модем (телефонный или GSM-модем) при возникновении одной или нескольких ДС.
Особенности функционирования вычислителя
Телеметрический выход
Вычислитель формирует на выходе импульсы в конце часа, количество которых зависит от величины ОДНОГО из параметров (V1...V3, M1...M3, Мг, Оо, Ог), измеренной за истекший час. Число импульсов на выходе определяется по формуле:
N = A/B,
где А - величина параметра измеренного за отчетный интервал;
В - цена единицы младшего разряда равная 0,001 для V, М и 0,0001 для Q. Индикация ДС (режим ALARM)
На выходе в режиме ALARM формируется постоянный потенциал при возникновении ДС по одному или нескольким параметрам. В качестве индикатора можно использовать светодиод.
Управление питанием модема
Режим обеспечивает управление питанием модема в соответствии с установленным расписанием связи через блок управления модемом (БУМ).
Управление внешними устройствами (режим РГ)
В режиме управления оба выхода используются одновременно и предназначены для транслирования управляющих сигналов на внешнее исполнительное устройство от компьютера непосредственно или через модем.
Дополнительный вход
Дополнительный вход может выполнять одну из функций:
-
• Счетный импульсный вход;
-
• Вход сигнализации (охранная, пожарная и т.д.).
При работе в режиме счетного входа вычислитель осуществляет подсчет импульсов на входе с заданным весом и единицами измерения. Результаты счета


11----------------------------- | |||||
й |
Tt СО СМ т- |
S »— |
i= | ||
т- т- X |
Е и =г |
х'о х’л йОФО |
Q. |
1 | ||
X |
w <4 W- | |
75 Е Ф =г |
г з ХЮ <.э шосйо |
Сй

— |
£ | |||
X |
А |
м- СО СМ Ч- | ||
1Г IZ Ф ZT |

фиксируются в архиве и тогах по обоим ТВ - параметр «DI». Единицы измерения выбираются из списка: kWh, т или м3.
При установке дополнительного входа в режим сигнализации вычислитель контролирует изменения уровня напряжения на входе (низкий или высокий по выбору), подтверждает изменение спустя заданное время и выдает сигнал на индикацию на выход (режим ALARM) и/или передает текстовое сообщение на ПК через модем (режим Автодозвон).
Автодозвон
Функция автодозвона предназначена для передачи потребителю текстового сообщения на ПК через телефонный модем или GSM-модем (в виде SMS-сообщения) при возникновении одного или нескольких событий, выбранных в подразделе СпС меню ДОП.СИГН.
ВНИМАНИЕ! При работе в режиме автодозвона увеличивается энергопотребление вычислителя, поэтому срок службы батареи уменьшается!
Тип приемника сообщения задается установкой параметра ВУ в меню БД1-Системные-Интерф (ВУ=1 - телефонный модем; ВУ=3 - SMS-сообщение).
Примечания: 1) • При использовании для передачи данных GSM-
модема и значении ВУ=1 автодозвон выполняется как для телефонного модема с ожиданием подтверждения приема сообщения от пользователя. • Независимо от значения параметра ВУ, GSM-модем при чтении архивов из вычислителя функционирует как телефонный модем.
Необходимость автодозвона анализируется каждые 10 минут (когда на часах прибора значение минут кратно 10).
При появлении новой ДС вычислитель производит настройку модема, набор номера для соединения и отправку текстового сообщения. Если на одном из этапов от модема будет получена информация, означающая невозможность продолжения работы (сигналы «Занято», «Нет несущей» и т.п.), то текущий сеанс прерывается, а попытка повторяется в следующем 10-ти минутном цикле.
Для телефонного модема после отправки текстового сообщения ожидается подтверждение от пользователя («/!»).
В случае отсутствия подтверждения дважды с интервалом 6 с сообщение повторяется. Если подтверждение не приходит, то сеанс повторяется через 10 минут.
Автодозвон не производится, если в течение 10 минут не появляются новые ДС.
Если в течение 10 минут зафиксированная ДС появляется повторно (после некоторого отсутствия), автодозвон производится.
При поступлении в вычислитель запросов по протоколу ModBus (программа BKT7MEasy2 или аналогичная), автодозвон (при необходимости) выполняется в следующем 10-ти минутном цикле после последнего запроса.
Текстовое сообщение (SMS-сообщение), выдаваемое вычислителем на модем имеет длину 65 байт и состоит из восьми основных информационных полей. Все поля отделяются друг от друга запятыми (кроме стартового символа и контрольной суммы). Структура сообщения показана на рис. К.1.
ООО «ИВТрейд», 197348, г. Санкт-Петербург, Коломяжский пр., д. 10, лит. АФ.
| 8 800 250-03-03, (812) 600-03-03 | info@teplocom-sale.ru | www.teplocom-sale.ru
Контрольная сумма вычисляется суммированием полей с запятыми (кроме стартового символа) по модулю 256 и полученный байт преобразуется в два HEX-символа.
Первые 6 байт кодов ДС относятся к первому тепловому вводу (ТВ1), вторые 6 байт - ко второму (ТВ2). Каждый байт содержит шестнадцатеричный код от 0 до F, образуемый 4-мя битами ДС. Формат кодов ДС - ASCII.
Передаче подлежат ТОЛЬКО те ДС, которые были выбраны в списке (меню ДОП.СИГН-СпС).

/|7| .| 1 2 3 456/8| ■ ЩЦмШ У гЧЧ Wcfl ■ |17345 S/89A В|. |Дд'МЦУ гЧЙЖ С| ■ ^1734 5У7ДэАЕ| F F
О?
83
12
12

12
12
2
Номер байта |
Номер бита | |||
3 |
2 |
0 | ||
0 |
ДС 1 по И |
ДС 1 по 12 |
ДС 1 по 13’ |
ДС 1 по V1 |
1 |
ДС 2 по VI |
ДС 4 по V1 |
ДС 1 по V2 |
ДС 2 по V2 |
2 |
ДС 4 по V2 |
ДС 1 по V3 |
ДС 2 по V3 |
ДС 4 по V3 |
3 |
ДС 1 по Р1 2 |
ДС 1 поР23 |
ДС 1 по Р3Э |
ДС 2 по Mr |
4 |
ДС 1 по Qo |
ДС 1 по 1га’ |
ДС 1 по 1х1 |
Аппаратная ДС |
5 |
Сигнализация |
- |
- |
- |
е |
ДС 1 по И1 |
ДС 1 П012’ |
- |
ДС 1 по V1 |
7 |
ДС 2 по VI |
ДС 4 поV1 |
ДС 1 по V2' |
ДС 2 по V2’ |
8 |
ДС 4 по V2’ |
ДС 1noV3' |
ДС 2 по V3’ |
ДС 4 по V3’ |
3 |
ДС 1 по Р1 = |
ДС 1 поР2= |
- |
ДС 2 по М г’ |
А |
ДС 2 по Оо’ | |||
В |
- |
- |
- |
гм m
0
а
Длина, байт
Рис. К.1 - Структура SMS сообщения
Настройка дополнительных функций
Для настройки дополнительных функций необходимо:

Рис. К.2 Состав меню
«ДОП.СИГН.»
-
- Установить переключатель защиты в положение «0».
-
- Открыть доступ к дополнительным разделам меню.
-
- Выбрать и войти в раздел ДОП.СИГН.
Структура меню раздела ДОП.СИГН. представлена на рис. К.2.
Состав подразделов меню ДОП.СИГН.:
-
• СпС - настройка списка событий для режимов ALARM и Автодозвон;
-
• АД ю к функции автодозвона;
-
• Вых1 (2) - настройка режимов дополнительных выходов;
-
• Вход - настройка режима дополнительного входа.
Настройка списка событий
Список событий является общим для режимов АЛ и Автодозвон и предназначен для выбора перечня ДС. Число выбираемых ДС, зависит от параметра СИ текущей БД.
ТВ1(2)
XX N -(+)
Рис. К.3 - Выбор ДС для индикации
Для настройки списка событий ДС необходимо войти в подраздел СпС.
Выбор ДС осуществляется клавишами или
Вид экрана вычислителя представлен на рис. К.З, где
-
• ТВ1(2) - номер теплового ввода;
-
• ХХ - параметр, по которому требуется индикация ДС (t1, t2, t3, tx, ta, P1, P2, V1, V2, V3, Mr, Оо, Апп, Вход);
-
• N - код ДС:
-
• t, P - 1;
-
• V - 1,2 или 4;
-
• Mr, Оо - 2.
ГО
— m -D О О-*■& PS-
Для настройки функции автодозвона необходимо войти в подраздел АД меню ДОП.СИГН.
Структура подраздела представлена на рис. К.4.
Функцию автодозвона можно разрешить, выбрав с помощью клавиш или «да» или запретить, выбрав «нет». Выбор режима фиксируется клавишей ВВОД.
После разрешения работы функции автодозвона необходимо (пункт НТ) задать телефонный номер приемника сообщения.
Номер телефона состоит из 2 частей:
-
1. номер телефона;
-
2. тип набора (P - импульсный, T - тональный). Номер телефона может быть длиной до 15 символов
Доп. сигн. АД
Меню I _______| Ввод
АД fla(HeTj
1=1
<
(D
—a idjiil_______| Ввод ~
НТ
99999999999999Т
—'ДУЙ!
Выбор цифры
Рис. К.4 - Настройка функции автодозвона
I I
со го 0_
«+
- )» - есть (нет) вывод ДС.
Примечание При выборе параметра Вход на внешнее устройство выводится состояние дополнительного входа, установленного в режиме Сигн.
-
Настройка функции автодозвона
и состоять из цифр, пробелов и знака плюс.
Префикс мини-АТС, выход на междугороднюю связь отделяются пробелом (во время набора номера вместо пробела вставляется пауза).
ВНИМАНИЕ! Номер телефона должен быть выровнен по правому краю экрана. Свободные слева знаки заполняются пробелами.
Примеры ввода номера телефона: „„„+79111234567Т - телефон GSM-модема;
„„„8„8121234567Р - телефон междугородной связи; „„„„„„„„„„„4567Р - телефон местной аТс.
где „ - символ пробела.
Примечание Для работы в режиме Автодозвона необходимо выбрать из списка необходимые для передачи ДС (меню ДОП.СИГН-СпС);
Выбор режимов дополнительных выходов
Для настройки режима дополнительных выходов необходимо войти в подраздел Вых1 или Вых2.
В выбранном подразделе предлагается следующий список режимов выходов:
-
• нет - дополнительный выход не используется;
-
• АЛ - режим индикации ДС на внешнее устройство (ALARM);
-
• ТМ - режим телеметрии;
-
• РГ - режим управления;
-
• БУМ - режим управления питанием модема.
Для последующей работы необходимо:
-
• в режиме АЛ - выбрать ДС(меню ДОП.СИГН-СпС);
Для работы в режиме Рг дополнительных настроек не требуется.
Примечание При установке любого из выходов в режим РГ второй выход устанавливается в аналогичный режим автоматически.
Настройка режима ТМ
Для настройки выхода в режим ТМ необходимо выбрать параметр, в соответствии со значением которого на выходе будет формироваться пачка импульсов.
Вид экран выбора требуемого параметра представлен на рис. К.5, где
ТВ1(2) BbixN XX
Рис. К5 - Выбор параметра для режима Тм
-
• ТВ1(2) - номер теплового ввода;
-
• ВыхЫ - номер выбранного выхода;
-
• ХХ - параметр (V1, V2, V3, М1, М2, М3, Мг, Оо, Ог).
Настройка дополнительного входа
Для настройки доп. входа необходимо войти в подраздел Вход меню ДОП.СИГН. Состав меню подраздела Вход:
-
• нет - дополнительный вход не используется
-
• Имп - счетный вход
-
• Сигн - вход сигнализации
Режим дополнительного входа выбирается клавишами или ф
После выбора режима работы дополнительного входа следует установить (выбрать):
-
• Режим счетного входа:
-
• ВИ - вес импульса. Устанавливается в диапазоне 0...777.777.
-
• ЕИ - единицы измерения. Выбираются из списка м3, т или kWh.
-
• Режим сигнализации:
-
• УТ - уровень тревоги:
° 0 - нормально разомкнутый контакт;
° 1 - нормально замкнутый.
-
• ВП - время подтверждения срабатывания датчика в диапазоне 0...7.7 с.
Приложение Л - Замена батареи в ВКТ-7М
Замена батареи в вычислителе выполняется в следующей последовательности:
-
1) Отсоединить (срезать) хомут крепления батареи;
-
2) Отсоединить батарею;
-
3) Подсоединить батарею, соблюдая полярность в соответствии с рис. Л1;
-
4) После появления индикации закрепить батарею с помощью хомута;
-
5) Установить дату и время;
-
6) Выполнить операцию СБРОС.
Рис. Л1 - Порядок подключения батареи
Россия, 197348, г. Санкт-Петербург, Коломяжский пр., д. 10, лит. АФ
8 800 2500303 - бесплатный звонок по России
(812) 600-03-03 | info@teplocom-sale.ru
www.teplocom-sale.ru

Россия, 197348, г. Санкт-Петербург, Коломяжский пр., д. 10, лит. АФ
8 800 2500303 - бесплатный звонок по России (812) 600-03-03 | info@teplocom-sale.ru
www.teplocom-sale.ru

ТЕПЛОЮ
Здесь и далее цифра в условном обозначении величины соответствует трубопроводам: 1 — подающему, 2 — обратному, 3 — ГВС, подпитки или холодной воды.
Меню предназначено для авторизованных сервисных центров, осуществляющих обслуживание и ремонт вычислителей.
После поверки рабочая база данных автоматически восстанавливается.
Небаланс масс - разность между М1ч и М2ч. Допустимая величина небаланса масс равна НБ=10-2БМ (М1ч+М2ч)
питание расходомеров обеспечивается блоками питания от сети 220 В
К иуогльзгватию тн дгоууоаюеуя оребгры у ееоуергваттып зтаентенп сего бее = 1. Пнг6хгдипг иуогльзгвать пгднпы у вгзпгжтгутью уутатгвои утоо 6ит = 3.