Методика поверки «Усилитель заряда дифференциальный AQ05» (A3009.0285.ΜΠ-2019)

Государственная корпорация по атомной энергии «Росатом» Федеральное государственное унитарное предприятие РОССИЙСКИЙ ФЕДЕРАЛЬНЫЙ ЯДЕРНЫЙ ЦЕНТР Всероссийский научно-исследовательский институт экспериментальной физики
ЦЕНТР ИСПЫТАНИЙ СРЕДСТВ ИЗМЕРЕНИЙ
ФГУП «РФЯЦ-ВНИИЭФ»
Аттестат аккредитации № RA.RU.311769
пр. Мира. д. 37, г. Саров, Нижегородская обл., 607188 Телефон 83130 22224 Факс 83130 22232 E-mail: shvn@olit.vniief.ru
СОГЛАСОВАНО
Руководитель ЦИ СИ,
Главный метролог
«ГлобалТест»

главный метролог
ФГУП «РФЯЦ-ВНИИЭФ»
/\.А. Симчук
2- 2019 г.

В.Н. Щеглов
2019 г.
Усилитель заряда дифференциальный AQ05
Методика поверки
А3009.0285.МП-2019
2019
СодержаниеПриложение А (справочное) Структура обозначений и технические особенности усилителей
Приложение Б (справочное) Перечень документов, на которые даны ссылки в тексте методики поверки
Приложение В (справочное) Перечень принятых сокращений
Настоящая методика поверки распространяется на усилители заряда дифференциальные AQ05.
Усилитель заряда дифференциальный AQ05 (далее по тексту - усилитель) предназначен для измерения, преобразования и усиления высокоимпедансного сигнала заряда пьезоэлектрических преобразователей в низкоимпедансный сигнал напряжения.
Питание усилителя, в зависимости от исполнения, осуществляется от внутреннего или внешнего источника питания постоянного тока. Усилитель имеет модификации, технические особенности которых приведены в приложении А.
Данная методика поверки устанавливает методику первичной и периодической поверок усилителя. Первичной поверке усилитель подвергается при выпуске из производства и после ремонта. Организация и проведение поверки в соответствии с документом «Порядок проведения поверки средств измерений...», утвержденным приказом Минпромторга России от 02 июля 2015 года № 1815.
Межповерочный интервал - 1 год.
Перечень документов, на которые даны ссылки в тексте методики поверки, приведен в приложении Б.
Перечень принятых сокращений приведен в приложении В.
1 Операции поверки-
1.1 При проведении первичной и периодической поверок усилителя должны быть выполнены операции, указанные в таблице 1.
-
1.2 При получении отрицательного результата какой-либо операции поверки дальнейшая поверка не проводится, и результаты оформляются в соответствии с 8.2.
-
1.3 Протокол поверки ведется в произвольной форме. При проведении поверки допускается сокращать проверяемые режимы (амплитудные и частотные диапазоны преобразования, количество каналов) измерений в соответствии с потребностями потребителя и (или) техническими возможностями применяемых средств поверки, при этом в свидетельстве о поверке должна быть сделана запись об ограничении использования режимов (диапазонов) измерений.
а б л и ц а 1 - Перечень операций при поверке
|
Наименование операции |
Номер пункта методики |
Обязательность проведения при поверке | |
|
первичной |
периодической | ||
|
1 Внешний осмотр |
7.1 |
+ |
4- |
|
2 Опробование |
7.2 |
4- |
4- |
|
3 Проверка максимального заряда, номинального значения коэффициента преобразования основной относительной погрешности преобразования заряда в напряжение на частоте 1 кГц |
7.3 |
4- |
4- |
|
4 Проверка рабочего диапазона частот и неравномерности АЧХ |
7.4 |
+ |
4- |
|
5 Проверка напряжение смещения на выходе усилителя |
7.5 |
4- |
— |
|
6 Проверка СКЗ уровня собственных шумов |
7.6 |
4- |
— |
-
2.1 При проведениг поверки применяют СИ и оборудование, приведенные в таблице 2. Допускается использовать другие СИ и оборудование, обеспечивающие требуемые диапазоны и точности измерений.
-
2.2 Все применяемые СИ должны быть поверены и иметь действующие свидетельства о поверке.
К проведению поверки допускается персонал, изучивший ЭД на усилитель, данную методику поверки и имеющий опыт работы с оборудованием, перечисленным в таблице 2.
4 Требования безопасности-
4.1 При проведении поверки необходимо руководствоваться «Правилами устройства электроустановок» и «Правилами технической эксплуатации электроустановок потребителей». Меры безопасности при подготовке и проведении измерений должны соответствовать требованиям ГОСТ 12.2.007.0 и «Правилам по охране труда при эксплуатации электроустановок (ПОТЭУ)».
-
4.2 При проведении поверки должны быть выполнены все требования безопасности, указанные в ЭД на усилитель и средства поверки.
Таблица 2 - Перечень СИ и оборудования, применяемых при поверке
|
Наименование СИ |
Требуемые характеристики |
Рекомендуемый тип |
Кол- во |
Пункт МП | |
|
Диапазон измерений |
Погрешность измерений | ||||
|
Калибратор универсальный |
от 1 до 30000 Гц; от 1 мВ до 10 В |
±0,2 % |
Н4-16 (per. №46627-11) |
1 |
7.2. 7.3. 7.4 |
|
Мультиметр |
от 3 до 30000 Гц; до 100 В |
±0,2 % |
34410А (per. №47717-11) |
1 |
7.4. 7.4. 7.5 |
|
Анализатор спектра |
от 0.1 до .00000 Гц; до 10 В |
±1 % |
А19 (per. №35402-11) |
1 |
7.2, 7.4 |
|
Анализатор спектра низкочастотный |
от 0 до 100000 Гц; 0.1 мкВ до 10 В |
±1 % |
R&S UPV (per. №48123-11) |
1 |
7.6 |
|
Адаптер |
1000 пФ |
±0,25 % |
El 000 |
1 |
все |
|
Блок питания |
от 3 до 15 В; 1 А |
- |
SPD-73606 (per. № 55897-13) |
1 |
все |
При проведении поверки должны быть соблюдены следующие условия:
-
- температура окружающего воздуха от 18 до 25 °C;
-
- относительная влажность окружающего воздуха до 80 %;
-
- атмосферное давление от 84 до 106 кПа (от 630 до 795 мм рт.ст.);
-
- напряжение питающей сети от 198 до 244 В;
-
- частота питающей сети от 49,5 до 50,5 Гц.
-
6.1 Перед проведением поверки подготавливают СИ и оборудование к работе в соответствии с ЭД на них.
-
6.2 Проверяют наличие действующих свидетельств о поверке на СИ, а также соответствие условий поверки разделу 5.
-
7.1 Внешний осмотр
При внешнем осмотре необходимо установить отсутствие механических повреждений соединительных жгутов, разъёмов и корпуса усилителя.
-
7.2 При наличии вышеуказанных дефектов испытания не проводят до их устранения. Если дефекты устранить невозможно, усилитель бракуют.
-
7.2 Опробование
-
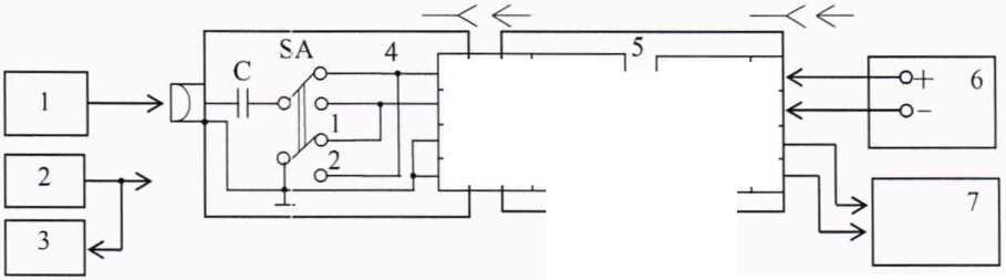
7.2.1 Собирают схему измерений в соответствии с рисунком 1. В качестве регистратора (7) подсоединяют анализатор спектра А19. Включают и прогревают измерительные приборы в соответствии с ЭД на них.
1 - калибратор универсальный Н4-16; 2 - генератор сигналов низкочастотный прецизионный ГЗ-122; 3, 7 - регистратор (мультиметр 34410А, анализатор спектра А19 и т.д.);
4 - переходник (С - адаптер Е1000 (1000 пФ ±0,25 %), SA-тумблер ГГГ25 или аналогичный); 5 - усилитель AQ05-A.1.XXX; 6 - источник питания постоянного тока
1
1
Вход(+)
2
2
Вход (-)
3
3
4
4
Общий
42 В
1
Общ. 12В
2
Выход
3
Общий
4
Рисунок 1 - Схема измерений
Примечания
-
1 СИ (2) и (3) применяются при отсутствии калибратора (1).
-
2 Назначение выводов входного и выходного разъема усилителя AQ05-X.X.XXX необходимо проверять по паспорту. Включение усилителя осуществлять строго в соответствии с ЭД.
-
7.2.2 На частоте 1000 Гц подают с калибратора (1) через адаптер (4) на вход (+) (SA в положении «1», вход (-) - заземлен) СКЗ напряжения (/тах, рассчитанное по формуле
^ах=0>7-%, (1)
где С/тах - входное СКЗ напряжения, соответствующее входному максимальному заряду усилителя, В;
£?тах - максимальный еходной заряд усилителя, приведен в паспорте, пКл;
С - электрическая емкость адаптера Е1000, 1000 пФ.
-
7.2.3 С помощью анализатора спектра (7) измеряют коэффициент гармоник и амплитуду выходного сигнала (/таХ(+).
-
7.2.4 На частоте 1000 Гц подают с калибратора (1) через адаптер (4) на вход (-) (SA в положении «2», вход (+) - заземлен) СКЗ напряжения (/тах, рассчитанное по формуле (1).
-
7.2.5 С помощью анализатора спектра (7) измеряют коэффициент гармоник и амплитуду выходного сигнала t/maX(-).
-
7.2.6 Повторяют измерения по 7.2.2 - 7.2.5 для всех каналов усилителя
-
7.2.7 Усилитель считают выдержавшим испытания, если амплитуда напряжения выходных сигналов £/тах(+)и (7тах(.) составляет:
-
- для модификаций AQ05-A.X.XXX, AQ05-E.X.XXX, AQ05-E.XXX, AQ05-Д.Х.1 не менее 9 В;
-
- для модификаций AQ05-r.X.XXX не менее 4 В;
а коэффициент гармоник не превышает 5 %.
7.3 Проверка максимального заряда, номинального значения коэффициента преобразования основной относительной погрешности преобразования заряда в напряжение на частоте 1 кГц
-
7.3.1 Собирают схему измерений в соответствии с рисунком 1 (SA в положении «1», вход (-) - заземлен). В качестве регистратора (7) подсоединяют мультиметр 34410А. Включают и прогревают измерительные приборы в соответствии с ЭД на них.
-
7.3.2 На частоте 1000 Гц подают с калибратора (1) через переходник (4) на вход (+) первое рекомендуемое СКЗ напряжения из таблицы 3 и с помощью мультиметра (7) измеряют СКЗ выходного напряжения.
-
7.3.3 Повторяют измерения по 7.3.2 для всех рекомендуемых напряжений из таблицы 3 и всех измерительных каналов усилителя.
Таблица 3
|
^вмрек-) мВ |
0,01 Qmax |
0,1 Qmax |
0,25 Qmax |
Qmax |
0,7Qmax |
|
Uexi заду мВ | |||||
|
Gbixiy мВ | |||||
|
Knpii мВ/пКл | |||||
|
8^ % |
-
7.3.4 Рассчитывают основную относительную погрешность коэффициента преобразования 8yCh %, по формуле
L"
и пр‘
8„Р, = ~--ЮО, (2)
где UeiM.i ~ выходное напряжение усилителя при /-ом измерении, мВ;
Ujad.i~ входное напряжение усилителя при z-ом измерении, мВ;
Knpi-i-e значение коэффициента преобразования испытуемого усилителя.
-
7.3.5 Усилитель считают выдержавшим испытания, если основная относительная погрешность преобразования заряда в напряжение находится в пределах ±2,0 %.
7.4 Проверка рабочего диапазона частот и неравномерности АЧХ
-
7.4.1 Собирают схему измерений в соответствии с рисунком 1 (SA в положении «1», вход (-) - заземлен). В качестве регистратора (7) подсоединяют мультиметр 34410А. Включают и прогревают измерительные приборы в соответствии с ЭД на них.
-
7.4.2 На частоте 1000 Гц подают с калибратора (1) через переходник (4) на вход (+) рекомендуемое СКЗ напряжения из таблицы 4 и с помощью мультиметра (7) измеряют СКЗ выходного напряжения.
-
7.4.3 Повторяют измерения по 7.4.2 для всех рекомендуемых частот из таблицы 4 и всех измерительных каналов усилителя.
Таблица 4 - Рекомендуемые значения частот
|
F,Tu |
0,01 |
0,1 |
1 |
3 |
10 |
20 |
80 |
200 |
1000 |
3000 |
10000 |
20000 |
30000 |
|
Г вг/рек, мВ |
0,2Qmax | ||||||||||||
|
^зад.Ь мВ | |||||||||||||
|
Свых.it мВ | |||||||||||||
|
$АЧХЬ % | |||||||||||||
Примечания
-
1 На частотах ниже 3 Гц измерения выходного напряжения проводят с помощью анализатора А19 или цифрового осциллографа.
-
2 Измерения на частотах 0,01 Гц и 0,1 Гц проводят только для модификации AQ05-fl.X.l.
-
7.4.4 Рассчитывают неравномерность АЧХ дАчхь по формуле
^АЧХ)
Г и
ПЫХ !
ах 1000/ц
выхЛОООГц )
-1 -100,
(3)
где UebLXi - выходное напряжение усилителя на Z-ой частоте из таблицы 4, мВ; U6X i - входное напряжение усилителя на /-ой частоте из таблицы 4, мВ; Увх.юоогц - входное напряжение усилителя на частоте 1000 Гц из таблицы 4, мВ: Увых.1ооопг выходное напряжение усилителя на частоте 1000 Гц из таблицы 4, мВ.
-
7.4.5 Усилитель считают выдержавшим испытания, если неравномерность АЧХ находится в пределах:
-
- ±30 % для AQ05-X.X.XXX в диапазоне частот от 1 до 30000 Гц;
-
- ±5 % для AQ05-X.X.XXX в диапазоне частот от 10 до 3000 Гц включительно;
-
- ±30 % для AQ05-fl.X.l в диапазоне частот от 0,01 до 30000 Гц;
-
- ±5 % для А()05-Д.Х.1 в диапазоне частот от 1 до 3000 Гц включительно.
-
7.5 Проверка напряжения смещения на выходе усилителя
-
7.5.1 Собирают схему измерений в соответствии с рисунком 1. Соединяют оба входа усилителя (вход (+) и вход (-)) через конденсаторы С=1000 пф ± 1 % с контактом «общий» входного разъема. В качестве регистратора (7) подсоединяют мультиметр 34410А. Включают и прогревают измерительные приборы в соответствии с ЭД на них.
-
7.5.2 Переводят мультиметр (7) в режим измерения напряжения постоянного тока и проводят измерения выходного напряжения усилителя.
-
7.5.3 Повторяют измерения по 7.5.2 для всех каналов усилителя.
-
7.5.4 Усилитель считают выдержавшим испытания, если напряжение смещения на выходе усилителя, находится в пределах ±5 мВ.
-
7.6 Проверка СКЗ уэовня собственных шумов
-
7.6.1 Собирают схему измерений в соответствии с рисунком 1. Соединяют оба входа усилителя (вход (+) и вход (-)) через конденсаторы С=1 ООО пф ± 1 % с контактом «общий» входного разъема. В качестве регистратора (7) подсоединяют анализатор спектра низкочастотный R&S UPV. Включают и прогревают измерительные приборы согласно с РЭ на них.
-
7.6.2 Измеряют с помощью регистратора (7) в частотном диапазоне от 3 Гн до 30 кГц СКЗ напряжения выходного сигнала усилителя.
-
7.6.3 Повторяют измерения по 7.6.2 для всех каналов усилителя.
-
7.6.4 Рассчитывают СКЗ собственных шумов пКл, по формуле где ивЫх.кз ~ выходное напряжение усилителя, мВ;
вых. КЗ

(4)
Кпр - коэффициент преобразования усилителя, мВ/пКл.
-
7.6.5 Усилитель считают выдержавшим испытания, если СКЗ собственных шумов не превышает 1010'3 пКл.
-
8.1 При положительных результатах поверки оформляют свидетельство о поверке по форме, установленной в действующих нормативных документах. Знак поверки наносится на свидетельство о поверке и (или) паспорт.
-
8.2 Усилитель, не изошедший поверку, к применению не допускают. На него выдают извещение о непригодности по форме, установленной в действующих нормативных документах.
Приложение А
(справочное)
Структура обозначений и технические особенности усилителей
А.1 Структура обозначений усилителей (символы «X» могут отсутствовать): AQ05-
X.
X. XXX
коэффициент преобразования. мВ/пКл
количество каналов
индекс модификации (А. Б. Г. Д, Е)
А.2 Технические особенности модификаций усилителя приведены в таблице А.1.
Таблица А.1
|
Тип модификации |
Обозначение |
Технические особенности | ||
|
Кол-во каналов |
Напряжение питания, В |
Коэффициент преобразования. мВ/пКл | ||
|
1 |
2 |
п 3 |
4 |
5 |
|
AQ05-A. 1.001 |
АБКЖ.431134.001 |
1 |
+(12,0±0,5) |
1 |
|
AQ05-A.1.010 |
АБКЖ.431 134.001-01 |
10 | ||
|
AQ05-A.1.100 |
АБКЖ.431 134.001-02 |
100 | ||
|
AQ05-A. 1.0,1 |
АБКЖ.431134.001-03 |
0.1 | ||
|
AQ05-A.2.001 |
АБКЖ.431134.001-04 |
2 |
1 | |
|
AQ05-A.2.010 |
АБКЖ.43'134.001-05 |
10 | ||
|
AQ05-A.2.100 |
АБКЖ.43 И 34.001-06 |
100 | ||
|
AQ05-A.2.0.1 |
АБКЖ.431134.001-07 |
0,1 | ||
|
AQ05-B. 1.001 |
АБКЖ.43 134.001-08 |
1 |
±(от 9 до 15) |
1 |
|
AQ05-6.1.010 |
АБКЖ.43'. 134.001-09 |
10 | ||
|
AQ05-B.1.100 |
АБКЖ.431134.001-10 |
100 | ||
|
AQ05-B. 1.0,1 |
АБКЖ.431134.001-11 |
0,1 | ||
|
AQ05-B.2.001 |
АБКЖ.431134.001-12 |
2 |
1 | |
|
AQ05-B.2.010 |
АБКЖ.431134.001-13 |
10 | ||
|
AQ05-B.2.100 |
АБКЖ.431134.001-14 |
100 | ||
|
AQ05-B.2.0.1 |
АБКЖ.43 1134.001-15 |
0.1 | ||
|
AQ05-E 1.001 |
АБКЖ.43 1134.001-24 |
1 |
+(5,0±0,5) |
1 |
|
AQ05-T. 1.010 |
АБКЖ.43 1134.001-25 |
10 | ||
|
AQ05-T.1.100 |
АБКЖ.43 1134.001-26 |
100 | ||
|
AQ05-T. 1.0,1 |
АБКЖ.43 1134.001-27 |
0.1 | ||
|
AQ05JJ.Tl |
АБКЖ.43 1134.001-28 |
1 |
+(12,0±0,5) |
1 |
|
AQ05-4.2.1 |
АБКЖ.43 1134.001-29 |
2 | ||
|
AQ05-E.001 |
АБКЖ.43 1134.001-30 |
3 |
+(12,0±0,5) |
1 |
|
AQ05-E.010 |
АБКЖ.431134.001-31 |
10 | ||
|
AQ05-E.100 |
АБКЖ.43 1134.001-32 |
100 | ||
|
AQ05-E.0.1 |
АБКЖ.431134.001-33 |
0.1 | ||
Приложение Б
(справочное)
Перечень документов, на которые даны ссылки в тексте методики поверки
|
Обозначение документа, на который дана ссылка |
Наименование документа, на который дана ссылка |
|
ГОСТ 12.2.007.0-75 |
ССБ Г. Изделия электротехнические. Общие требования безопасности |
|
Порядок проведения средств измерений, требования к знак} поверки и содержанию свидетельства о поверке. Введен приказом Минпромторга России от 02 июля 2015г. № 1815 | |
|
Правила устройства электроустановок (утверждены приказом Минэнерго РФ от 08.07.2002 г. № 204) | |
|
Правила технической эксплуатации электроустановок потребителей (утверждены приказом Минэнерго РФ от 13.01.2003 г. № 6) | |
|
ПОТЭУ |
Правила по охране труда при эксплуатации электроустановок (утверждены приказом Министерства труда и социальной защиты РФ от 24 июля 2013 г. № 328н) |
Приложение В
(справочное)
Перечень принятых сокращений
АЧХ - амплитуднс-частотная характеристика;
СКЗ - среднее квадратическое значение;
СИ - средство(а) измерений;
ЭД - эксплуатационная документация.
