Методика поверки «Трансформаторы тока ТЛ-ЭК-35» (ИЦРМ-МП-049-21)
СОГЛАСОВАНО
Технический директор ООО «ИЦРМ»

М. С. Казаков
2021 г.
Государственная система обеспечения единства измерений
Трансформаторы тока ТЛ-ЭК-35Методика поверки
ИЦРМ-МП-049-21г. Москва
2021 г.
Содержание-
5 МЕТРОЛОГИЧЕСКИЕ И ТЕХНИЧЕСКИЕ ТРЕБОВАНИЯ К СРЕДСТВАМ ПОВЕРКИ
-
6 ТРЕБОВАНИЯ (УСЛОВИЯ) ПО ОБЕСПЕЧЕНИЮ БЕЗОПАСНОСТИ ПРОВЕДЕНИЯ
-
9 ОПРЕДЕЛЕНИЕ МЕТРОЛОГИЧЕСКИХ ХАРАКТЕРИСТИК СРЕДСТВА ИЗМЕРЕНИЙ ..9
-
10 ПОДТВЕРЖДЕНИЕ СООТВЕТСТВИЯ СРЕДСТВА ИЗМЕРЕНИЙ
-
1.1 Настоящая методика поверки распространяется на трансформаторы тока ТЛ-ЭК-35 (далее - трансформаторы, трансформаторы тока), изготавливаемые Обществом с ограниченной ответственностью «Электрощит-К°» (ООО «Электрощит-К°»), п. Бабынино, с обмотками классов точности по ГОСТ 7746-2015, ГОСТ Р МЭК 61869-2-2015 и ПНСТ 283-2018 и устанавливает методику их первичной и периодической поверок.
-
1.2 Трансформаторы являются средствами измерений по Приказу Федерального агентства по техническому регулированию и метрологии от 27 декабря 2018 года № 2768 «Об утверждении Государственной поверочной схемы для средств измерений коэффициентов преобразования силы электрического тока» (далее - Приказ № 2768).
-
1.3 Интервал между поверками - 8 лет.
-
1.4 Метрологические характеристики трансформаторов приведены в Приложении А.
-
2.1 При проведении поверки выполняют операции, указанные в таблице 1.
Таблица 1 - Операции поверки
|
Наименование операции |
Необходимость выполнения при | |
|
первичной поверке |
периодической поверке | |
|
Внешний осмотр средства измерений |
Да |
Да |
|
Подготовка к поверке и опробование средства измерений:
|
Да Да Да |
Да Да Да |
|
Определение метрологических характеристик средства измерений:
|
Да Да Да Да Да |
Да Да Да Да Да |
|
Подтверждение соответствия средства измерений метрологическим требованиям |
Да |
Да |
|
” - данную операцию проводить не требуется для защитных обмоток классов точности TPY, TPZ. 21 - проверка выполняется для защитных обмоток классов точности PR, TPY, TPZ.
51 - проверка выполняется для защитной обмотки РХ. | ||
-
3.1 При проведении поверки должны соблюдаться следующие условия: - температура окружающей среды плюс (25±10) °C;
- относительная влажность от 30 до 80 %.
4 ТРЕБОВАНИЯ К СПЕЦИАЛИСТАМ, ОСУЩЕСТВЛЯЮЩИМ ПОВЕРКУ-
4.1 К проведению поверки допускаются лица, изучившие настоящую методику поверки, эксплуатационную документацию на поверяемые трансформаторы и средства поверки.
-
4.2 К проведению поверки допускаются лица, являющиеся специалистами аккредитованного в соответствии с законодательством Российской Федерации об аккредитации в национальной системе аккредитации на проведение поверки средств измерений юридического лица и индивидуального предпринимателя, имеющие образование и опыт работы в соответствии с действующим законодательством Российской Федерации и непосредственно осуществляющие поверку средств данного вида измерений.
Таблица 2 - Средства поверки
|
Метрологические и технические требования к средствам поверки |
Рекомендуемый тип средства поверки, регистрационный номер в Федеральном информационном фонде по обеспечению единства измерений (далее - per. №) и (или) метрологические или основные технические характеристики средства поверки |
|
Основные средства поверки | |
|
Не ниже рабочих эталонов 1 -го и 2-го разрядов согласно Приказу № 2768 (Часть 1) |
Трансформатор тока измерительный лабораторный ТТИ-5000.51, per. № 55278-13. |
|
Прибор сравнения токов с допускаемой погрешностью по току в пределах от ±0,03 % до ±0,001 % и по фазовому углу от ±3,0 ' до ±0,1 ' |
Прибор сравнения КНТ-05, per. № 37854-08 |
|
Амперметр класса точности не ниже 5 по ГОСТ 8711 |
Клещи электроизмерительные АРРА 138, per. № 49302-12 |
|
Вольтметр амплитудных значений класса точности 10 по ГОСТ 8711 |
Киловольтметр электростатический С196, per. № 2303-68 |
|
Средство поверки по п.п. 9.2, 9.3, 9.4, 9.5 |
Анализатор трансформаторов тока СТ Analyzer, per. № 40316-08 |
|
Нагрузочное устройство поверяемого трансформатора тока (вторичная нагрузка) с погрешностью сопротивления нагрузки при cos(p = 0,8, не выходящей за пределы ±4 % |
Магазин нагрузок СА5018-1 или СА5018-5, per. №71114-18 |
|
Вспомогательные средства поверки | |
|
Источник тока, обеспечивающий диапазон регулирования от 1 % до 120 % (150 и 200 % для трансформаторов, изготовленных с расширенным диапазоном первичного тока) номинального тока поверяемого трансформатора тока и установку этого тока с погрешностью, не выходящей за пределы ±10 % | |
|
Метрологические и технические требования к средствам поверки |
Рекомендуемый тип средства поверки, регистрационный номер в Федеральном информационном фонде по обеспечению единства измерений (далее - per. №) и (или) метрологические или основные технические характеристики средства поверки |
|
Мегомметр с характеристиками по ГОСТ 7746 |
Измеритель сопротивления, увлажненности и степени старения электроизоляции MIC-5000, per. № 34590-07 |
|
Средство измерений температуры окружающей среды с диапазоном измерений температуры окружающей среды, включающим значения от +15 до +35 °C; Средство измерений относительной влажности среды с диапазоном измерений относительной влажности, включающим значения от 30 до 80 % |
Измеритель параметров микроклимата «МЕТЕОСКОП-М», per. №32014-11 |
Допускается применение средств поверки с метрологическими и техническими характеристиками, обеспечивающими требуемую точность передачи единиц величин поверяемому средству измерений, установленную Приказом № 2768.
6 ТРЕБОВАНИЯ (УСЛОВИЯ) ПО ОБЕСПЕЧЕНИЮ БЕЗОПАСНОСТИ ПРОВЕДЕНИЯ ПОВЕРКИ-
6.1 При проведении поверки необходимо соблюдать требования безопасности, установленные ГОСТ 12.3.019-80, «Правилами технической эксплуатации электроустановок потребителей». Также должны быть соблюдены требования безопасности, изложенные в эксплуатационных документах на поверяемые трансформаторы и применяемые средства поверки.
Трансформатор допускается к дальнейшей поверке, если:
-
- внешний вид трансформатора соответствует описанию типа;
-
- отсутствуют видимые дефекты, способные оказать влияние на безопасность проведения поверки или результаты поверки.
Примечание - При выявлении дефектов, способных оказать влияние на безопасность проведения поверки или результаты поверки, устанавливается возможность их устранения до проведения поверки. При наличии возможности устранения дефектов, выявленные дефекты устраняются, и трансформатор допускается к дальнейшей поверке. При отсутствии возможности устранения дефектов, трансформатор к дальнейшей поверке не допускается.
8 ПОДГОТОВКА К ПОВЕРКЕ И ОПРОБОВАНИЕ СРЕДСТВА ИЗМЕРЕНИЙ-
8.1 Перед проведением поверки необходимо выполнить следующие подготовительные работы:
-
- изучить эксплуатационную документацию на поверяемый трансформатор и на применяемые средства поверки;
-
- выдержать трансформатор в условиях окружающей среды, указанных в п. 3.1, не менее 2 ч, если он находился в климатических условиях, отличающихся от указанных в п. 3.1, и подготовить его к работе в соответствии с его эксплуатационной документацией;
-
- подготовить к работе средства поверки в соответствии с указаниями их эксплуатационной документации.
-
8.2 Проверка сопротивления изоляции
Сопротивление изоляции обмоток у трансформаторов тока, предназначенных для эксплуатации в цепях с напряжением более 30 В, проверяют для каждой обмотки между соединенными вместе контактными выводами обмоток и корпусом при помощи мегомметра на 2500 В.
Трансформатор допускается к дальнейшей поверке, если сопротивления изоляции не менее:
-
- 1000 МОм - для первичных обмоток трансформаторов;
-
- 50 МОм - для вторичных обмоток трансформаторов.
-
8.3 Размагничивание
-
8.3.1 Схема размагничивания приведена на рисунке 1. Размагничивание проводят на переменном токе при частоте 50 Гц. Трансформаторы с номинальной частотой свыше 50 Гц допускается размагничивать при номинальной частоте.


-
Гр - регулирующее устройство (автотрансформатор); Тп - понижающий силовой трансформатор; Тх - поверяемый трансформатор тока; Тв - вспомогательный трансформатор тока; R -резистор
Рисунок 1 - Пример схемы размагничивания трансформатора тока
-
8.3.2 У трансформаторов тока с несколькими вторичными обмотками, каждая из которых размещена на отдельном магнитопроводе, размагничивают каждый магнитопровод. Допускается размагничивание различных магнитопроводов выполнять одновременно.
-
8.3.3 Трансформаторы тока размагничивают одним из указанных ниже способов.
Первый способ. Вторичную обмотку замыкают на резистор мощностью не менее 250 Вт и сопротивлением R, Ом, рассчитываемым (с отклонением в пределах ±10 %) по формуле:
250

(1)
где /цом - номинальный вторичный ток поверяемого трансформатора тока, А.
Если поверяемый трансформатор тока имеет несколько вторичных обмоток, каждая из которых расположена на своем магнитопроводе, то обмотки, расположенные на остальных магнитопроводах, замыкают накоротко.
Через первичную обмотку пропускают номинальный ток, затем плавно (в течение одной-двух минут) уменьшают его до значения, не превышающего 2 % от номинального.
Второй способ. Через первичную обмотку трансформатора тока при разомкнутой вторичной обмотке пропускают ток, равный 10 % от номинального значения первичного тока, затем плавно снижают его до значения, не превышающего 0,2 % от номинального.
Третий способ. Через вторичную обмотку трансформатора тока при разомкнутой первичной обмотке пропускают ток, равный 10 % от номинального значения вторичного тока, затем плавно снижают его до значения, не превышающего 0,2 % от номинального.
-
8.3.4 Если при токе в первичной обмотке, составляющем 10 % от номинального значения, амплитудное напряжение на вторичной обмотке превышает 75 % от напряжения, равного 4,5 кВ, то размагничивание начинают при меньшем значении тока, при котором напряжение, индуктируемое (8.3.3, второй способ) или прикладываемое к вторичной обмотке (8.3.3, третий способ), не превышает указанного.
-
8.4 Проверка правильности обозначения контактных зажимов и выводов
-
8.4.1 Схемы поверки приведены на рисунках 2-4. Правильность обозначения контактных зажимов и выводов определяют по схеме поверки, выбранной для определения погрешностей по 8.5.


-
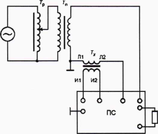
~ - сеть (генератор); Тр - регулирующее устройство (автотрансформатор); Тп - понижающий силовой трансформатор; Тх - поверяемый трансформатор тока; Л i, Л2 - контактные зажимы первичной обмотки; Иь И? - контактные зажимы вторичной обмотки; Z- нагрузка (схема подключения нагрузки зависит от прибора сравнения и указывается в эксплуатационной документации на прибор сравнения); ПС - прибор сравнения
Рисунок 2 - Схема поверки с использованием компаратора первичного и вторичного токов

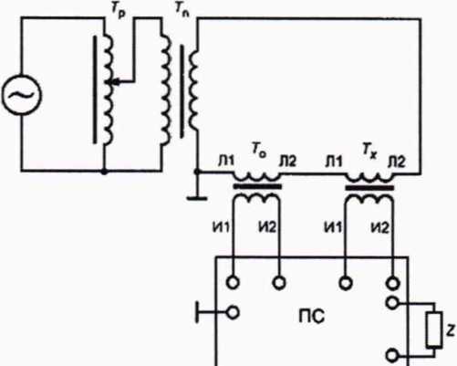
— сеть (генератор); Гр - регулирующее устройство (автотрансформатор); Тп - понижающий силовой трансформатор; То- рабочий эталон; Гх - поверяемый трансформатор тока; Ль Лг -контактные зажимы первичной обмотки; Иь И2 - контактные зажимы вторичной обмотки; Z - нагрузка (схема подключения нагрузки зависит от прибора сравнения и указывается в эксплуатационной документации на прибор сравнения); ПС - прибор сравнения Рисунок 3 - Схема поверки с использованием рабочего эталона и прибора сравнения (компаратора вторичных токов)


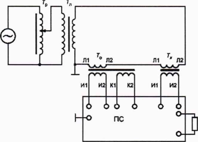
— сеть (генератор); Тр - регулирующее устройство (автотрансформатор); Тп - понижающий силовой трансформатор; То- рабочий эталон; Тх - поверяемый трансформатор тока; Ль Лг -контактные зажимы первичной обмотки; Иь И2 - контактные зажимы вторичной обмотки; Кь Кг - контактные зажимы дополнительной вторичной обмотки; Z- нагрузка (схема подключения нагрузки зависит от прибора сравнения и указывается в эксплуатационной документации на прибор сравнения); ПС - прибор сравнения
Рисунок 4 - Схема поверки с использованием рабочего эталона, выполненного по схеме двухступенчатого трансформатора тока
-
8.4.2 Поверяемый трансформатор и рабочий эталон включают в соответствии с маркировкой контактных зажимов по выбранной схеме поверки (см. рисунки 2 - 4). Затем плавно увеличивают первичный ток до значения, составляющего 5 % - 10 % от номинального. В случае правильной маркировки выводов на приборе сравнения токов можно определить соответствующие значения погрешностей поверяемого трансформатора тока. При неправильном обозначении контактных зажимов и выводов или неисправности поверяемого трансформатора тока срабатывает защита в приборе сравнения токов или неверно отображается угол фазового сдвига. В этом случае трансформатор тока дальнейшей поверке не подлежит и к применению не допускается.
Примечание - Допускается проводить проверку правильности обозначения выводов другими методами (например, метод с использованием гальванометра и источника постоянного напряжения).
9 ОПРЕДЕЛЕНИЕ МЕТРОЛОГИЧЕСКИХ ХАРАКТЕРИСТИК СРЕДСТВА ИЗМЕРЕНИЙ-
9.1 Определение токовой и угловой погрешностей
-
9.1.1 Токовые и угловые погрешности трансформаторов тока определяют дифференциальным (нулевым) методом в соответствии с рисунками 2-4 при значениях первичного тока и нагрузки, указанных в 9.1.3. Соединение приборов для измерительной схемы по рисункам 2-4 осуществляют в соответствии с требованиями руководства по эксплуатации применяемого прибора сравнения токов. Номинальное значение нагрузки устанавливают до начала измерений. Последовательность выполнения измерений - от минимального значения тока с последующим его увеличением до максимального.
-
9.1.2 Значения относительной токовой погрешности поверяемого трансформатора тока в процентах и абсолютной угловой погрешности Дер в минутах принимают равными значениям токовой и угловой погрешностей, отсчитываемым по шкалам прибора сравнения токов.
-
9.1.3 Погрешности определяют:
-
а) для трансформаторов тока классов 0,2S и 0,5S, выпускаемых по ГОСТ 7746-2015, - при значениях первичного тока, составляющих 1; 5; 20; 100 и 120 %, от номинального значения, и при номинальной нагрузке, а также при значении первичного тока 100 % или 120 % от номинального значения и нагрузке, равной нижнему пределу диапазона нагрузок, установленному для соответствующих классов точности;
б) для трансформаторов тока классов точности от 0,1 до 1, выпускаемых по
ГОСТ 7746-2015, - при значениях первичного тока, составляющих 5 %;
20 %; 100 % от номинального значения и при номинальной нагрузке, а также при значении первичного тока, равного 120 %, и нагрузке, равной нижнему пределу диапазона нагрузок по ГОСТ Р МЭК 61869-2-2015;
в) для трансформаторов тока классов точности от 3 до 10, выпускаемых по ГОСТ 7746-2015, - при значениях первичного тока 100 % или 120 % от номинального значения и нагрузке, равной 50 % ее номинального значения, но не менее нижнего предела нагрузки, установленного для соответствующего класса точности, а также при значении первичного тока 50 % от номинального значения и номинальной нагрузке;
г) для трансформаторов тока классов точности 5Р, ЮР, выпускаемых по ГОСТ 7746-2015, - при номинальном токе и номинальной нагрузке;
д) для трансформаторов тока классов точности 5PR, 10PR, выпускаемых по ПНСТ 7746-2015, - при номинальном токе и номинальной нагрузке;
е) для трансформаторов тока классов точности TPY, TPZ, выпускаемых по ПНСТ 283-2018, - при номинальном токе и номинальной нагрузке.
ж) для трансформаторов тока класса точности ТРХ, выпускаемых по ГОСТ Р МЭК 61869-2-2015, - при номинальном токе и номинальной нагрузке.
Примечания:
-
1. Погрешности трансформаторов тока, у которых 25 % от номинального значения нагрузки более 15 В А, определяют при значениях нагрузки 15 В-А и значении первичного тока, равного 100 % от номинального значения тока.
-
2. Для трансформаторов тока, у которых 25 % от номинального значения нагрузки составляет менее 1 В-А (см. 9.1.3, перечисление б), погрешность определяют при нагрузке 1 В А.
-
3. Допускается заменять номинальную нагрузку на нагрузку, превышающую номинальную, но не более чем на 25 %, а нагрузку, соответствующую нижнему пределу диапазона нагрузок, - на любую нагрузку, не превышающую этого предела. Если при изменении нагрузки погрешности трансформаторов тока превысят предельно допускаемые значения, проводят повторное определение погрешностей при нагрузках, равных номинальной и нижнему пределу диапазона нагрузок.
-
4. Для трансформаторов, изготовленных с расширенным диапазоном первичного тока до 150 и 200 % номинального первичного тока и предназначенных для длительной работы при этих токах, в пунктах а), б), в), к уже имеющимся точкам проверки добавляют значения тока, равные 150 и 200 % номинального первичного тока. Пределы токовой и угловой погрешности для точек проверки 150 и 200 % номинального тока первичной обмотки устанавливают такими же, как при 120 % номинального тока первичной обмотки.
-
5. Расчет токовой погрешности dy, %, при различии вторичных токов эталонного и поверяемого трансформаторов, приведен в приложении Б.
-
9.1.4 Погрешности трансформаторов тока номинальной частотой 60 Гц допускается определять на частоте 50 Гц при наличии соответствующих требований в технической документации поверяемых трансформаторов тока.
-
9.1.5 По заявке потребителя поверку трансформаторов тока, находящихся в эксплуатации, допускается проводить при иных значениях тока и вторичной нагрузки, отличающихся от указанных в настоящей методике поверки.
-
9.2 Определение коэффициента остаточной магнитной индукции Kr
-
9.2.1 Определение Kr проводят при помощи анализатора трансформаторов тока СТ Analyzer (далее - СТ Analyzer).
-
9.2.2 Поверяемый трансформатор подключают к СТ Analyzer согласно ЭД. Производят настройку СТ Analyzer. В меню СТ Analyzer устанавливают стандарт измерения 61869-2 и выбирают необходимый класс точности защитной обмотки. Далее заносят в СТ Analyzer требуемые параметры из паспорта на трансформатор.
-
9.2.3 В меню СТ Analyzer запускают процесс измерения.
-
9.3 Проверка постоянной времени замкнутого вторичного контура Т$
-
-
-
9.3.1 Постоянная времени замкнутого вторичного контура Ts может быть определена двумя методами.
Первый метод. Для определения Д применяют СТ Analyzer. Допускается проводить определение данной характеристики совместно с определением К&. При определение Д отдельно, выполняют пункты методики поверки 9.2.2 и 9.2.3.
Второй метод. Альтернативно Д может быть определена согласно следующим формулам, приведенным ниже.
Если угловая погрешность Дер выражена в градусах, то применяют формулу:
(2)
2 • п • fR • tan(Acp)
где fR - номинальная частота, Гц.
Если угловая погрешность Дср выражена в минутах, то применяют формулу:

(3)
-
9.4 Определение переходной погрешности при нормированных условиях рабочего цикла £
-
9.4.1 Для определения переходной погрешности при нормированных условиях рабочего цикла 8 применяют СТ Analyzer. Допускается проводить определение данной характеристики совместно с определением Kr и (или) Ts. При определение £ отдельно, выполняют пункты методики поверки 9.2.2 и 9.2.3.
-
9.5 Определение токовой погрешности по виткам
Для определения токовой погрешности по виткам выполняют пункты методики поверки 9.2.2 и 9.2.3.
10 ПОДТВЕРЖДЕНИЕ СООТВЕТСТВИЯ СРЕДСТВА ИЗМЕРЕНИЙ МЕТРОЛОГИЧЕСКИМ ТРЕБОВАНИЯМТрансформатор подтверждает соответствие метрологическим требованиям, установленным при утверждении типа, если:
-
1. Полученные значения токовой и угловой погрешностей не превышают пределов для соответствующего класса точности, установленных в ГОСТ 7746-2015, ГОСТ Р МЭК 61869-2-2015 и в ПНСТ 283-2018.
-
2. Значение Kr не превышает 10 %.
-
3. Значение Ts определенное при поверке не отличается более чем на ±30 % от заявленного в паспорте.
-
4. Значение £ не превышает 10 %.
-
5. Полученное значение токовой погрешности по виткам не превышает ±0,25 %.
При невыполнении любого из вышеперечисленных условий (когда трансформатор не подтверждает соответствие метрологическим требованиям), поверку трансформаторов прекращают, результаты поверки признают отрицательными.
И ОФОРМЛЕНИЕ РЕЗУЛЬТАТОВ ПОВЕРКИ-
11.1 Результаты поверки трансформаторов подтверждаются сведениями, включенными в Федеральный информационный фонд по обеспечению единства измерений в соответствии с порядком, установленным действующим законодательством.
-
11.2 По заявлению владельца трансформатора или лица, представившего его на поверку, положительные результаты поверки (когда трансформатор подтверждает соответствие метрологическим требованиям) оформляют свидетельством о поверке по форме, установленной в соответствии с действующим законодательством, и (или) нанесением на трансформатор знака поверки, и (или) внесением в паспорт трансформатора записи о проведенной поверке, заверяемой подписью поверителя и знаком поверки, с указанием даты поверки.
-
11.3 По заявлению владельца трансформатора или лица, представившего его на поверку, отрицательные результаты поверки (когда трансформатор не подтверждает соответствие метрологическим требованиям) оформляют извещением о непригодности к применению средства измерений по форме, установленной в соответствии с действующим законодательством, и (или) внесением в паспорт трансформатора соответствующей записи.
-
11.4 Протокол поверки трансформатора оформляют по произвольной форме.
Инженер II категории ООО «ИЦРМ»
П. Е. Леоненко
Таблица 1 - Метрологические характеристики
|
Наименование параметра |
Значения |
|
Номинальное напряжение [7Н0М, кВ |
35 |
|
Наибольшее рабочее напряжение £/н.р, кВ |
40,5 |
|
Номинальный первичный ток /1НОм, А1’ |
от 5 до 4000 |
|
Номинальный вторичный ток Лном. А |
1;5 |
|
Номинальная частота, Гц |
50; 60 |
|
Классы точности вторичных обмоток для измерений и (или) учета по ГОСТ 7746-2015 |
0,2S; 0,2; 0,5S; 0,5; 1; 3; 5; 10 |
|
Классы точности вторичных обмоток для защиты: -по ГОСТ 7746-2015 -по ПНСТ283-2018 - по ГОСТ Р МЭК 61869-2015 |
5Р; ЮР 5PR; 10PR; TPY; TPZ РХ; ТРХ |
|
Номинальная вторичная нагрузка S2hom с индуктивно-активным коэффициентом мощности cos (р2=0,8, В А2) |
от 1 до 50 |
|
Номинальная вторичная нагрузка ^ном с коэффициентом МОЩНОСТИ COS ф2=1, В'А2) |
от 0,8 до 15 |
|
Номинальная предельная кратность АНом вторичных обмоток для защиты |
от 2 до 100 |
|
Номинальный коэффициент безопасности приборов Абном вторичных обмоток для измерений |
от 3 до 50 |
|
1} для трансформаторов с расширенным диапазоном первичного тока погрешности при токе 150 и 200 % номинального первичного тока не выходят из пределов допускаемых погрешностей для 120 % номинального первичного тока. 2) Для класса точности ТРХ по ГОСТ Р МЭК 61869-2-2015 значения номинальной вторичной нагрузки £2ном пересчитываются по формуле, В А: с _ п . 12 j2hom nb 72ном где Аь - номинальное значение резистивной нагрузки по ГОСТ Р МЭК 61689-2-2015; Лном - номинальный вторичный ток, А. Для классов точности TPY, TPZ по ПНСТ 283-2018 значения номинальной вторичной нагрузки Агном пересчитываются по формуле, В А: с _ р . 12 j2hom — мн *2ном где Ан - номинальное значение нагрузки постоянному току по ПНСТ 283-2018; Лном - номинальный вторичный ток, А. | |
Приложение Б
(обязательное)г К/пт ’ Ai3Ml — К/эт ’ ^изм2 л пг.
8Г =-----—---100
‘НЭТ *изм2
где Кщт- коэффициент масштабного преобразования испытуемого трансформатора; К-1ЭТ- коэффициент масштабного преобразования эталонного трансформатора; /мхм/ - измеренное значение силы вторичного переменного тока, поступившего от испытуемого трансформатора на прибор сравнения, А;
1изм2 - измеренное значение силы вторичного переменного тока, поступившего от эталонного трансформатора на прибор сравнения, А.
13
