Руководство по эксплуатации «Установка для измерения параметров тонкопленочных делителей напряжений и наборов резисторов "Нобор-2018" » (РУКЮ.442230.001 РЭ)

АКЦИОНЕРНОЕ ОБЩЕСТВО «НАУЧНО-ИССЛЕДОВАТЕЛЬСКИЙ ИНСТИТУТ ЭЛЕКТРОННО-МЕХАНИЧЕСКИХ ПРИБОРОВ»
АО «НИИЭМП»
Утверждаю
Утверждаю
в части раздела «Поверка»

Данилов 2018 г.
«Пензенский ЦСМ»
Временный генеральный директор
АО «НИИЭМП»
А.А. Акимов 2018 г.
Установка для измерения параметров тонкопленочных делителей напряжений и наборов резисторов «Набор-2018»
РУКОВОДСТВО ПО ЭКСПЛУАТАЦИИ
РУКЮ.442230.001 РЭ

Пенза 2018
Содержание
Настоящее руководство по эксплуатации (далее - РЭ) предназначено для ознакомления с назначением, техническими характеристиками, принципом действия, устройством и обслуживанием установки для измерения параметров тонкопленочных делителей напряжений и наборов резисторов «Набор-2018»(далее - установка).
-
1 Описание и работа
1.1 Назначение
-
1.1.1 Установка предназначена для измерений сопротивлений и коэффициентов деления тонкопленочных делителей напряжений и наборов резисторов НР1-51, НР1-53, НР1-54, НР1-55, НР1-22-1 и НР1-60-2.
-
1.1.2 Область применения. Установка может применяться в технологических процессах производства и выходном контроле резисторов, наборов резисторов, резистивных делителей напряжения.
1.2 Условия эксплуатации
-
1.2.1 Установка обеспечивает выполнение своих функций в условиях применения, соответствующих группе 4 по ГОСТ 22261-94.
-
1.2.2 Рабочие условия применения:
-
- температура воздуха окружающей среды, °С от 18 до 22
от 84 до 106 (от 630 до 795)
от 30 до 80
от 215,6 до 224,4
от 49,5до 50,5
-
- атмосферное давление, кПа (мм рт. ст.)
-
- относительная влажность воздуха, %
-
- напряжение сети питания, В
-
- частота напряжения питания, Гц
1.3 Технические характеристики
1.3.1 Метрологические и технические характеристики приведены в таблице
1
Таблица 1 - Метрологические и технические характеристики
Наименование характеристики |
Значение |
Номинальные значения измеряемых коэффициентов деления:
-для блока № 5 |
0,0002441; 0,0004882; 0,0009795; 0,0019531; 0,0039062; 0,0078125; 0,0156250; 0,0312500; 0,0625000; 0,1250000; 0,2500000; 0,5000000; 0,6666667; 0,2380950; 0,5641740; 0,8620680 0,0400000; 0,5000000 0,2500000; 0,5000000 0,2500000; 0,5000000; 0,9090909 0,5000000; 0,6666667 |
Наименование характеристики |
Значение |
Пределы допускаемой относительной погрешности |
± 0,0007 |
измерений коэффициента деления, %, | |
Номинальные значения измеряемых сопротивлений базовых резисторов, кОм: - для блока № 1 |
10; 15; 20; 50 |
- для блока № 2 |
530 |
- для блока № 3 |
5 |
- для блока № 4 |
30; 47 |
- для блока № 5 |
15; 20; 40 |
Пределы допускаемой относительной погрешности |
± 0,1 |
измерений сопротивлений базовых резисторов, % | |
Номинальные значения воспроизведений напряжений, В: - для блока № 1 |
9; 10; 15; 30 |
- для блока № 2 |
30 |
- для блока № 3 |
36 |
- для блока № 4 |
15; 24; 30 |
- для блока № 5 |
15; 30 |
Пределы допускаемой относительной погрешности |
± 2,5 |
воспроизведений напряжений, % | |
Габаритные размеры, мм, не более (шири-нахдлина*высота) - для блока № 1 |
305x230x80 |
- для блоков № 2; 3; 4; 5 |
200x305x60 |
Масса, кг, не более - для блока № 1 |
1,5 |
- для блоков № 2; 3; 4; 5 |
1,2 |
-
1.3.2 Установка должна производить измерение погрешности коэффициента деления и отклонения сопротивления в температурном диапазоне и производить расчёт температурного коэффициента деления (ТККД) и температурного коэффициента сопротивления (ТКС) в соответствии с требованиями ТУ на изделия. По результатам измерений и результатам расчетов установка должна производить допусковый контроль в соответствии с требованиями ТУ на изделия.
-
1.3.3 Время непрерывной работы установки не менее 16 часов.
1.4 Состав установки
Состав установки представлен в таблице 2.
Таблица 2
Наименование |
Обозначение |
Кол-во, шт. |
Блок № 1 |
РУКЮ.411212.045 |
1 |
Блок № 2 |
РУКЮ.411212.050 |
1 |
Блок № 3 |
РУКЮ.411212.051 |
1 |
Блок № 4 |
РУКЮ.411212.052 |
1 |
Блок № 5 |
РУКЮ.411212.053 |
1 |
Мультиметр цифровой FLUKE 8846A |
- |
1 |
Преобразователь USB в RS-232 (входит в состав мультиметра FLUKE 8846A) |
- |
1 |
Персональный компьютер (мат. плата проц. не менее 2,6 ГГц, винчестер не менее 250 Гбайт, память не менее 4 Гбайт, блок питания не менее 350 В^А, монитор не менее 20”, клавиатура, мышь) |
- |
1 |
Преобразователь USB в RS-485 |
РУКЮ.465645.001 |
1 |
Кабель соединительный RS-485 с блоками № 1; 2; 3; 4; 5 |
РУКЮ.685693.011 |
1 |
Установка для измерений параметров тонкопленочных делителей напряжений и наборов резисторов «Набор-2018». Руководство по эксплуатации. |
РУКЮ.442230.001 РЭ |
1 |
Диск с программным обеспечением |
РУКЮ.00.133 |
1 |
Устройство контактное № 1 (Блок № 1: НР1-55-2-1, НР1-55-2-2) |
РУКЮ.685179.001 |
1 |
Устройство контактное № 2 (Блок № 1: НР1-53-2-1, НР1-53-2-2) |
РУКЮ.685179.002 |
1 |
Устройство контактное № 3 (Блок № 1: НР1-53-2-3, НР1-53-2-4) |
РУКЮ.685179.003 |
1 |
Устройство контактное № 4 (Блок № 1: НР1-53-2-5) |
РУКЮ.685179.004 |
1 |
Устройство контактное № 5 (Блок № 1: НР1-53-2-6) |
РУКЮ.685179.005 |
1 |
Устройство контактное № 6 (Блок № 1: НР1-54-2-3) |
РУКЮ.685179.006 |
1 |
Устройство контактное № 7 (Блок № 1: НР1-54-2-1, НР1-54-2-2) |
РУКЮ.685179.007 |
1 |
Устройство контактное № 8 (Блок № 1: НР1-53-2-7) |
РУКЮ.685179.008 |
1 |
Устройство контактное № 9 (Блок № 1: НР1-60-2-1, НР1-60-2-2) |
РУКЮ.685179.009 |
1 |
Устройство контактное № 10 (Блок № 2: НР1-51А, НР1-51Б) |
РУКЮ.685179.010 |
1 |
Устройство контактное № 11 (Блок № 3: НР1-53-1-1) |
РУКЮ.685179.011 |
1 |
Устройство контактное № 12 (Блок № 3: НР1-54-1-1) |
РУКЮ.685179.012 |
1 |
Устройство контактное № 13 (Блок № 4: НР1-53-1-4) |
РУКЮ.685179.013 |
1 |
Устройство контактное № 14 (Блок № 4: НР1-54-1-2) |
РУКЮ.685179.014 |
1 |
Устройство контактное № 15 (Блок № 4: НР1-22-1-1, НР1-22-1-2) |
РУКЮ.685179.015 |
1 |
Устройство контактное № 16 (Блок № 5: НР1-53-1-2, НР1-53-1-5, НР1-53-1-6, НР1-53-1-6А) |
РУКЮ.685179.016 |
1 |
Устройство контактное № 17 (Блок № 5: НР1-53-1-3) |
РУКЮ.685179.017 |
1 |
1.5 Устройство и работа
-
1.5.1 Принцип работы установки основан на проведении измерений напряжения в мостовой схеме и последующей обработке результатов измерений с помощью компьютера.
При измерении параметров погрешности коэффициентов деления первые два плеча мостовой схемы это образцовый делитель, а вторые два плеча - контролируемый делитель. При измерении параметров сопротивлений резисторов контролируемого делителя первые два плеча мостовой схемы это тот же образцовый делитель, третье плечо - образцовый резистор, четвертое плечо - сопротивление определенным образом скоммутированной доступной части контролируемого делителя.
-
1.5.2 Схема общая установки (РУКЮ.442230.001 Э6) представлена на рисунке 1.
1.5.2.1Схемы каждого из Блоков №1, №2, №3, №4 и №5 образуют два образцовых плеча мостовой измерительной схемы. Задание требуемого соотношение плеч производится от компьютера в соответствии с установленной программой, где реализованы требования ТУ на контролируемое изделие.
-
1.5.2.2 Коммутаторы, входящие в состав каждого из Блоков №1, №2, №3, №4 и №5 предназначены для организации требуемых измерительных цепей контролируемого изделия и подключение их в мостовую измерительную схему. Формирование измерительных цепей производится от компьютера в соответствии с установленной программой, где реализованы требования ТУ на контролируемое изделие.
-
1.5.2.3 Назначение Блоков.
Блок №1 предназначен для контроля следующих изделий:
- НР1-55-2-1;
- НР1-55-2-2;
- НР1-53-2-1;
- НР1-53-2-2;
- НР1-60-2-1;
- НР1-60-2-2;
- НР1-53-2-6;
- НР1-54-2-3;
- НР1-53-2-5;
- НР1-53-2-7;
-
- НР1-53-2-7А;
-
- НР1-53-2-7Б;
-
- НР1-53-2-7В;
-
- НР1-53-2-7Г;
-
- НР1-53-2-7Д;
-
- НР1-53-2-3;
-
- НР1-53-2-3А;
-
- НР1-53-2-3Б;
-
- НР1-53-2-3В;
-
- НР1-53-2-3Г;
-
- НР1-53-2-3Д;
-
- НР1-53-2-3Е;
-
- НР1-53-2-3Ж;
-
- НР1-53-2-3И;
-
- НР1-53-2-3К;
-
- НР1-53-2-3Л;
-
- НР1-53-2-4;
-
- НР1-53-2-4А;
-
- НР1-53-2-4Б;
-
- НР1-53-2-4В;
-
- НР1-53-2-4Г;
-
- НР1-53-2-4Д;
-
- НР1-53-2-4Е;
-
- НР1-53-2-4Ж;
-
- НР1-53-2-4И;
-
- НР1-53-2-4К;
-
- НР1-53-2-4Л;
-
- НР1-54-2-1;
-
- НР1-54-2-1А;
-
- НР1-54-2-1Б;
-
- НР1-54-2-1В;
-
- НР1-54-2-1Г;
-
- НР1-54-2-1Д;
-
- НР1-54-2-1Е;
-
- НР1-54-2-1Ж;
-
- НР1-54-2-1И;
-
- НР1-54-2-1К;
-
- НР1-54-2-1Л;
-
- НР1-54-2-2;
-
- НР1-54-2-2А;
-
- НР1-54-2-2Б;
-
- НР1-54-2-2В;
-
- НР1-54-2-2Г;
-
- НР1-54-2-2Д;
-
- НР1-54-2-2Е;
-
- НР1-54-2-2Ж;
-
- НР1-54-2-2И;
-
- НР1-54-2-2К;
-
- НР1-54-2-2Л.
Блок №2 предназначен для контроля следующих изделий:
-
- НР1-51А, НР1-51Б;
-
- НР1-51А2, НР1-51Б2;
-
- НР1-51А3, НР1-51Б3;
-
- НР1-51АВ, НР1-51БВ;
-
- НР1-51А2В, НР1-51Б2В;
-
- НР1-51А3В, НР1-51Б3В;
-
- НР1-51АГ, НР1-51БГ;
-
- НР1-51А2Г, НР1-51Б2Г;
-
- НР1-51А3Г, НР1-51Б3Г.
Блок №3 предназначен для контроля следующих изделий:
-
- НР1-53-1-1;
-
- НР1-54-1-1.
Блок № 4 предназначен для контроля следующих изделий:
-
- НР1-22-1;
-
- НР1-53-1-4;
-
- НР1-54-1-2.
Блок № 5 предназначен для контроля следующих изделий:
-
- НР1-53-1-2;
-
- НР1-53-1-5;
-
- НР1-53-1-6;
-
- НР1-53-1-6А;
-
- НР1-53-1-3.
-
1.5.2.4 Мультиметр FLUKE 8846A предназначен для измерения по команде с компьютера напряжений в диагонали мостовой измерительной схемы и передаче результатов измерений в компьютер через интерфейс RS-232.
-
1.5.2.5 Компьютер вместе с установленным программным обеспечением представляет собой управляющий компонент установки, осуществляющий управление измерительным процессом, обработку результатов измерений, отображение и хранение полученных результатов. Связь компьютера с мультиметром осущест -вляется через преобразователь USB в RS-232 (входит в состав мультиметра), а с остальными компонентами через преобразователь USB в RS-485.
-
1.5.2.6 Устройства контактные служат для подключения контролируемого изделия к соответствующим блокам.
-
2 Использование по назначению
2.1 Меры безопасности
-
2.1.1 К работе на установке допускаются лица, изучившие настоящее руководство по эксплуатации, инструкцию по технике безопасности при работе с электроустановками и прошедшие инструктаж на рабочем месте.
-
2.1.2 На установке может работать оператор, имеющий квалификационную группу по технике безопасности не ниже третьей.
-
2.1.3 Извлекать составные блоки из установки, устранять дефекты электрической схемы, заменять вышедшие из строя или не соответствующие своим параметрам детали разрешается только после снятия напряжения с установки.
-
2.1.4 Запрещается во время работы отключать кабели, соединяющие между собой отдельные составные части установки.
2.2 Подготовка к работе
-
2.2.1 Для работы необходимо установить установку вблизи мест сетевого питания на горизонтальной поверхности. Собрать установку в соответствии со схемой, изображенной на рисунке 1 (РУКЮ.442230.001 Э6).
-
2.2.2 Для подключения к сети переменного напряжения необходимо использовать розетки с заземляющим контактом.
-
2.2.3 На компьютере, с установленной операционной системой Windows 7 и имеющем как минимум 2 USBnopTa, установить для этих портов драйверы, позволяющие им работать в режиме COM портов и определить номера этих портов.
-
2.2.4 Диск с ПО РУКЮ.00.133, входящий в комплект поставки установки, содержит следующие папки:
Контроль\*.*
Контроль\НстрПр\*.* Контроль\РезИзм\*.* Контроль\НстрПр\Испытания\*.* Контроль\НстрПр\НР1-55-2-1\*.* Контроль\НстрПр\НР1-55-2-2\*.* Контроль\НстрПр\НР1-53-2-1\*.* Контроль\НстрПр\НР1-53-2-2\*.* Контроль\НстрПр\НР1-60-2-1\*.* Контроль\НстрПр\НР1-60-2-2\*.* Контроль\НстрПр\НР1-53-2-6\*.* Контроль\НстрПр\НР1-54-2-3\*.* Контроль\НстрПр\НР1-53-2-5\*.* Контроль\НстрПр\НР1-53-2-7\*.* Контроль\НстрПр\НР1-53-2-3\*.* Контроль\НстрПр\НР1-53-2-4\*.* Контроль\НстрПр\НР1-54-2-1\*.* Контроль\НстрПр\НР1-54-2-2\*.* Контроль\НстрПр\НР1-51А+Б\*.* Контроль\НстрПр\НР1-51АВ+БВ\*.* Контроль\НстрПр\НР1-51АГ+БГ\*.* Контроль\НстрПр\НР1-51А2+Б2\*.* Контроль\НстрПр\НР1-51А2В+Б2В\*.* Контроль\НстрПр\НР1-51А2Г+Б2Г\*.* Контроль\НстрПр\НР1-51А3+Б3\*.* Контроль\НстрПр\НР1-51А3В+Б3В\*.* Контроль\НстрПр\НР1-51А3Г+Б3Г\*.* Контроль\НстрПр\НР1-53-1-1\*.* Контроль\НстрПр\НР1-54-1-1\*.* Контроль\НстрПр\НР1-22-1-1\*.* Контроль\НстрПр\НР1-22-1-2\*.* Контроль\НстрПр\НР1-53-1-4\*.* Контроль\НстрПр\НР1-54-1-2\*.* Контроль\НстрПр\НР1-53-1-2\*.* Контроль\НстрПр\НР1-53-1-5\*.* Контроль\НстрПр\НР1-53-1-6\*.* Контроль\НстрПр\НР1-53-1-6А\*.* Контроль\НстрПр\НР1-53-1-3\*.* Контроль\РезИзм\Испытания\*.* Контроль\РезИзм\НР1-55-2-1\*.* Контроль\РезИзм\НР1-55-2-2\*.* Контроль\РезИзм\НР1-53-2-1\*.* Контроль\РезИзм\НР1-53-2-2\*.* Контроль\РезИзм\НР1-60-2-1\*.* Контроль\РезИзм\НР1-60-2-2\*.* Контроль\РезИзм\НР1-53-2-6\*.* Контроль\РезИзм\НР1-54-2-3\*.* Контроль\РезИзм\НР1-53-2-5\*.*
Контроль\РезИзм\НР1-53-2-7\*.*
Контроль\РезИзм\НР1-53-2-3\*.*
Контроль\РезИзм\НР1-53-2-4\*.*
Контроль\РезИзм\НР1-54-2-1\*.*
Контроль\РезИзм\НР1-54-2-2\*.*
Контроль\РезИзм\НР1-51А+Б\*.*
Контроль\РезИзм\НР1-51АВ+БВ\*.*
Контроль\РезИзм\НР1-51АГ+БГ\*.*
Контроль\РезИзм\НР1-51А2+Б2\*.*
Контроль\РезИзм\НР1-51А2В+Б2В\*.*
Контроль\РезИзм\НР1-51А2Г+Б2Г\*.*
Контроль\РезИзм\НР1-51А3+Б3\*.*
Контроль\РезИзм\НР1-51А3В+Б3В\*.*
Контроль\РезИзм\НР1-51А3Г+Б3Г\*.*
Контроль\РезИзм\НР1-53-1-1\*.*
Контроль\РезИзм\НР1-54-1-1\*.*
Контроль\РезИзм\НР1-22-1-1\*.*
Контроль\РезИзм\НР1-22-1-2\*.*
Контроль\РезИзм\НР1-53-1-4\*.*
Контроль\РезИзм\НР1-54-1-2\*.*
Контроль\РезИзм\НР1-53-1-2\*.*
Контроль\РезИзм\НР1-53-1-5\*.*
Контроль\РезИзм\НР1-53-1-6\*.*
Контроль\РезИзм\НР1-53-1-6А\*.*
Контроль\РезИзм\НР1-53-1-3\*.*.
Приведенные выше папки содержат файлы, приведенные ниже. Файл параметров портов:
Контроль\НстрПр\ПарамПортов.Ш
Файлы, содержавшие допуска:
Контроль\НстрПр\НР 1-55-2-1\ДопускПогр.Ш
Контроль\НстрПр\НР 1-55-2-2\ДопускПогр.Ш
Контроль\НстрПр\НР 1 -53-2-1\ДопускПогр.Ш
Контроль\НстрПр\НР 1 -53-2-2\ДопускПогр.Ш
Контроль\НстрПр\НР 1 -60-2-1\ДопускПогр.Ш
Контроль\НстрПр\НР 1 -60-2-2\ДопускПогр.Ш
Контроль\НстрПр\НР 1 -53-2-6\ДопускПогр.Ш
Контроль\НстрПр\НР 1-54-2-3У Допуск! Ioip.txt
Контроль\НстрПр\НР 1 -53-2-5\ДопускПогр.Ш
Контроль\НстрПр\НР 1 -53-2-7\ДопускПогр.Ш
Контроль\НстрПр\НР 1 -53-2-3\ДопускПогр.Ш
Контроль\НстрПр\НР 1-54-1 -1\ДопускПогр.Ш
Контроль\НстрПр\НР 1 -22-1 -1\ДопускПогр.Ш
Контроль\НстрПр\НР 1 -22-1 -2\ДопускПогр.Ш
Контроль\НстрПр\НР 1-53-1 -4\ДопускПогр.Ш
Контроль\НстрПр\НР 1-54-1 -2\ДопускПогр.Ш
Контроль\НстрПр\НР 1-53-1 -2\ДопускПогр.Ш
Контроль\НстрПр\НР 1-53-1 -5\ДопускПогр.Ш
Контроль\НстрПр\НР 1-53-1 -6\ДопускПогр.Ш
Контроль\НстрПр\НР 1-53-1 -6А\ДопускПогр.Ш
Контроль\НстрПр\НР 1-53-1 -3\ДопускПогр.Ш
Файлы, содержавшие допуска на алгебраические разности:
Контроль\НстрПр\НР 1 -55-2-1\АлгРазн .txt
Контроль\НстрПр\НР 1 -55-2-2\АлгРазн .txt
Контроль\НстрПр\НР 1 -53-2-1\ АлгРаз11 .txt
Контроль\НстрПр\НР 1 -53-2-2\АлгРаз11 .txt
Контроль\НстрПр\НР 1 -60-2-1\ АлгРаз11 .txt
Контроль\НстрПр\НР 1 -60-2-2\АлгРазн .txt
Контроль\НстрПр\НР 1 -53-2-6\АлгРазн.Ш
Контроль\НстрПр\НР 1 -54-2-3\АлгРазн.Ш
Контроль\НстрПр\НР 1 -53-2-5\АлгРазн.Ш
Контроль\НстрПр\НР 1 -53-2-7\АлгРазн.Ш
Контроль\НстрПр\НР 1 -53-2-3\АлгРазн.Ш
Контроль\НстрПр\НР 1 -53-2-4\АлгРазн.Ш
Контроль\НстрПр\НР 1 -54-2-1\АлгРазн.Ш
Контроль\НстрПр\НР 1 -54-2-2\АлгРазн.Ш
Контроль\НстрПр\НР 1-53-1 -1\АлгРазн.Ш
Контроль\НстрПр\НР 1-54-1 -1\АлгРазн.Ш
Контроль\НстрПр\НР 1 -22-1 -1\АлгРазн.Ш
Контроль\НстрПр\НР 1 -22-1 -2\АлгРазн.Ш
Контроль\НстрПр\НР 1-53-1 -4\АлгРазн.Ш
Контроль\НстрПр\НР 1-54-1 -2\АлгРазн.Ш
Контроль\НстрПр\НР 1-53-1 -2\АлгРазн.Ш
Контроль\НстрПр\НР 1-53-1 -5\АлгРазн.Ш
Контроль\НстрПр\НР 1-53-1 -6\АлгРазн.Ш
Контроль\НстрПр\НР 1-53-1 -6 А\АлгРаз11 .txt
Контроль\НстрПр\НР 1-53-1 -3\АлгРазн.Ш
Файлы, содержавшие корректирующие значения:
Контроль\НстрПр\НР 1 -55-2-1\КоррЗнач.Ш
Контроль\НстрПр\НР 1 -55-2-2\КоррЗнач.Ш
Контроль\НстрПр\НР 1 -53-2-1\КоррЗнач.Ш
Контроль\НстрПр\НР 1-53-2-2\КоррЗнач.Ш
Контроль\НстрПр\НР 1 -60-2-1\КоррЗнач.Ш
Контроль\НстрПр\НР 1 -60-2-2\КоррЗнач.Ш
Контроль\НстрПр\НР 1-53-2-6\КоррЗнач.Ш
Контроль\НстрПр\НР 1 -54-2-3\КоррЗнач.Ш
Контроль\НстрПр\НР 1-53-2-5\КоррЗнач.Ш
Контроль\НстрПр\НР 1-53-2-7\КоррЗнач.Ш
Контроль\НстрПр\НР 1 -53-2-3\Kopp3Ha4.txt
Контроль\НстрПр\НР 1 -53-2-4\Kopp3Ha4.txt
Контроль\НстрПр\НР 1 -54-2-1\Kopp3Ha4.txt
Контроль\НстрПр\НР 1 -54-2-2\Kopp3Ha4.txt
Контроль\НстрПр\НР 1-51А ■ Б\КоррЗнач.txt
Контроль\НстрПр\НР 1-51 АВ ■ Б1 АКоррЗнач.txt
Контроль\НстрПр\НР 1-51 АГ ■ БГ\ КоррЗнач .txt
Контроль\НстрПр\НР 1-53-1 -1\Kopp3Ha4.txt
Контроль\НстрПр\НР 1-54-1 -1\Kopp3Ha4.txt
Контроль\НстрПр\НР 1 -22-1 -1\Kopp3Ha4.txt
Контроль\НстрПр\НР 1 -22-1 -2\Kopp3Ha4.txt
Контроль\НстрПр\НР 1-53-1 -4\Kopp3Ha4.txt
Контроль\НстрПр\НР 1-54-1 -2\Kopp3Ha4.txt
Контроль\НстрПр\НР 1-53-1 -2\Kopp3Ha4.txt
Контроль\НстрПр\НР 1-53-1 -5\Kopp3Ha4.txt
Контроль\НстрПр\НР 1-53-1 -6\Kopp3Ha4.txt
Контроль\НстрПр\НР 1-53-1 -6A\Kopp3Ha4.txt
Контроль\НстрПр\НР 1-53-1 -3\Kopp3Ha4.txt
Фaйлы, соgержaвшие встройки cpegCTea изменения (FLUKE 8846A):
Контроль\НстрПр\НР 1 -55-2-1\УпрСИ.Ш
Контроль\НстрПр\НР 1 -55-2-2\УпрСИ.Ш
Контроль\НстрПр\НР 1 -53-2-1\УпрСИ.Ш
Контроль\НстрПр\НР 1-53-2-2\УпрСИ.Ш
Контроль\НстрПр\НР 1 -60-2-1\УпрСИ.Ш
Контроль\НстрПр\НР 1 -60-2-2\УпрСИ.Ш
Контроль\НстрПр\НР 1-53-2-6\УпрСИ.Ш
Контроль\НстрПр\НР 1-54-2-3\УпрСИ.Ш
Контроль\НстрПр\НР 1-53-2-5\УпрСИ.Ш
Контроль\НстрПр\НР 1-53-2-7\УпрСИ.Ш
Контроль\НстрПр\НР 1-53-2-3\УпрСИ.Ш
Контроль\НстрПр\НР 1-53-2-4\УпрСИ.Ш
Контроль\НстрПр\НР 1 -54-2-1\УпрСИ.Ш
Контроль\НстрПр\НР 1 -54-2-2\УпрСИ.Ш
Контроль\НстрПр\НР 1-51А ■ IBYiфСИ.txt
Контроль\НстрПр\НР 1-51 АВ+БВ\УпрСИ.Ш
Контроль\НстрПр\НР 1-51 АГ ■ 1Б Wi фСИ .txt
Контроль\НстрПр\НР 1-53-1 -1\УпрСИ.Ш
Контроль\НстрПр\НР 1-54-1 -1\УпрСИ.Ш
Контроль\НстрПр\НР 1 -22-1 -1\УпрСИ.Ш
Контроль\НстрПр\НР 1 -22-1 -2\УпрСИ.Ш
Файлы, содержавшие данные для формирования измерительных схем:
Контроль\НстрПр\НР 1 -55-2-1\ФрмИзмСх.Ш
Контроль\НстрПр\НР 1 -55-2-2\ФрмИзмСх.Ш
Контроль\НстрПр\НР 1 -53-2-1\ФрмИзмСх.Ш
Контроль\НстрПр\НР 1 -53-2-2\ФрмИзмСх.Ш
Контроль\НстрПр\НР 1 -60-2-1\ФрмИзмСх.Ш
Контроль\НстрПр\НР 1 -60-2-2\ФрмИзмСх.Ш
Контроль\НстрПр\НР 1 -53-2-6\ФрмИзмСх.Ш
Контроль\НстрПр\НР 1 -54-2-3\ФрмИзмСх.Ш
Контроль\НстрПр\НР 1 -53-2-5\ФрмИзмСх.Ш
Контроль\НстрПр\НР 1 -53-2-7\ФрмИзмСх.Ш
Контроль\НстрПр\НР 1 -53-2-3\ФрмИзмСх.Ш
Контроль\НстрПр\НР 1 -53-2-4\ФрмИзмСх.Ш
Контроль\НстрПр\НР 1 -54-2-1\(Фр\1Из\1С\.txt
Контроль\НстрПр\НР 1 -54-2-2\ФрмИзмСх.Ш
Контроль\НстрПр\НР 1 -51 А+Б\ФрмИзмСх.Ш
Контроль\НстрПр\НР 1-51 АВ ■ БВ\(Фр\1Из\1С\.txt
Контроль\НстрПр\НР 1-51 АГ ■ 1Б АФрмИзмСх .txt
Контроль\НстрПр\НР 1-53-1 -1\ФрмИзмСх.Ш
Контроль\НстрПр\НР 1-54-1 -1\ФрмИзмСх.Ш
Контроль\НстрПр\НР 1 -22-1 -1\ФрмИзмСх.Ш
Контроль\НстрПр\НР 1 -22-1 -2\ФрмИзмСх.Ш
Контроль\НстрПр\НР 1-53-1 -4\ФрмИзмСх.Ш
Контроль\НстрПр\НР 1-54-1 -2\ФрмИзмС\.Ш
Контроль\НстрПр\НР 1-53-1 -2\ФрмИзмС\.Ш
Контроль\НстрПр\НР 1-53-1 -5\ФрмИзмСх.Ш
Контроль\НстрПр\НР 1-53-1 -6\ФрмИзмС\.Ш
Контроль\НстрПр\НР 1-53-1 -6А\ФрмИзмС\.Бх1:
Контроль\НстрПр\НР 1-53-1 -3\ФрмИзмС\.Ш
Файлы, содержавшие данные для испытаний:
Контроль\НстрПр\Испытания\1КоррЗнач^
Контроль\НстрПр\Испытания\2КоррЗнач^
Контроль\НстрПр\Испытания\3КоррЗнач^
Контроль\НстрПр\Испытания\4КоррЗнач^
Контроль\НстрПр\Испытания\5КоррЗнач^
Контроль\НстрПр\Испытания\1 УпрСИ.Ш
Контроль\НстрПр\Испытания\2УпрСИ.Ш
Контроль\НстрПр\Испытания\3УпрСИ.Ш
Контроль\НстрПр\Испытания\4УпрСИ.Ш
Контроль\НстрПр\Испытания\5УпрСИ.Ш
Контроль\НстрПр\Испытания\1 (ФрмИзмСх .txt
Контроль\НстрПр\Испытания\2ФрмИзмСх.Ш
Контроль\НстрПр\Испытания\3 ФрмИзмСх/txt
Контроль\НстрПр\Испытания\4ФрмИзмСх.Ш
Контроль\НстрПр\Испытания\5ФрмИзмСх.Ш
В корневом каталоге диска также на\одятся.
Файл, способный генерировать перечисленные выше файлы с теми же или иными заданными параметрами:
Таблицы.хЬт
Исполняемый файл:
КонтрольНР. exe
2.2.5 С диска, входящего в комплект поставки установки, скопировать на диск Dкомnьютера папку Контроль и файл Таблицы.хкт, а на диск С в папку Us-ers\Ha6op\Desktop\*.* скопировать файл КонтрольНР.ехе.
2.2.6Собрать установку в соответствии со схемойРУКЮ.442230.001 Э6 и включить питание компьютера, питание мультиметра FLUKE 8846A, дождаться завершение процесса его инициализации.
Подключить вход мультиметра к нужному Блоку:
Блок №1 дляНР1-55-2-1, НР1-55-2-2, НР1-53-2-1, НР1-53-2-2, НР1-60-2-1, НР1-60-2-2, НР1-53-2-6, НР1-54-2-3, НР1-53-2-5, НР1-53-2-7, НР1-53-2-7А, НР1-53-2-7Б, НР1-53-2-7В, НР1-53-2-7Г, НР1-53-2-7Д, НР1-53-2-3, НР1-53-2-3А, НР1-
-
53- 2-3Б, НР1-53-2-3В, НР1-53-2-3Г, НР1-53-2-3Д, НР1-53-2-3Е, НР1-53-2-3Ж, НР1-53-2-3И, НР1-53-2-3К, НР1-53-2-3Л, НР1-53-2-4, НР1-53-2-4А, НР1-53-2-4Б, НР1-53-2-4В, НР1-53-2-4Г, НР1-53-2-4Д, НР1-53-2-4Е, НР1-53-2-4Ж, НР1-53-2-4И, НР1-53-2-4К, НР1-53-2-4Л, НР1-54-2-1, НР1-54-2-1А, НР1-54-2-1Б, НР1-54-2-1В, НР1-54-2-1Г, НР1-54-2-1Д, НР1-54-2-1Е, НР1-54-2-1Ж, НР1-54-2-1И, НР1-54-2-1К, НР1-54-2-1Л, НР1-54-2-2, НР1-54-2-2А, НР1-54-2-2Б, НР1-54-2-2В, НР1-54-2-2Г, НР1-54-2-2Д, НР1-54-2-2Е, НР1-54-2-2Ж, НР1-54-2-2И, НР1-54-2-2К, НР1-
-
54- 2-2Л;
Блок №2 дляНР1-51А+Б, НР1-51А2+Б2, НР1-51А2В+Б2В, НР1-51А2Г+Б2Г, НР1-51А3+Б3, НР1-51А3В+Б3В, НР1-51А3Г+Б3Г, НР1-51АВ+БВ, НР1-51АГ+БГ;
Блок №3 для НР1-53-1-1, НР1-54-1-1;
Блок №4 дляНР1-22-1-1, НР1-22-1-2, НР1-53-1-4, НР1-54-1-2;
Блок №5 дляНР1-53-1-2, НР1-53-1-5, НР1-53-1-6, НР1-53-1-6А, НР1-53-1-3. Включить питание нужного блока.
2.2.7. В соответствии с правилами операционной системыWindows 7 запустить файл КонтрольНР.ехе. На мониторе компьютера появится окно, представленное на рисунке 2.После запуска программы производится логическое подключение компьютера по интерфейсу RS-485 к блоку, а по интерфейсу RS-232 к мультиметру Fluke 8846А.В случае невозможности подключится на мониторе, отобразится сообщение с причиной ошибки, после чего программа закроется. Если никаких сообщений не появилось, то установка готова к работе.

Н? КонтрольНР
Вкладки
Результаты измерений
Изделие
Блок !?1
Партия:
Номер:
ФИС оператора:
Выполнить измерение
Обозначение изделия НР1-55-2-1
Работа | Просмотр
Выполнение измерений
Рисунок 2
Используется допуск при:
|Подгонка цех |
71 | |
_________________________________________v 1 | ||
ЕДИвых |
±1,0 |
мВ |
ДКл К13 |
±0,8 |
мВ |
-
2.3 Порядок работы
2.3.1 Вкладка Работа
-
2.3.1.1 Произвести включение установки в соответствии с п.п. 2.2.6, 2.2.7.
-
2.3.1.2 Перейти на вкладку «Работа». На мониторе компьютера появится окно, представленное на рисунке 2.
-
2.3.1.3 Установить контролируемое изделие в соответствующее устройство контактное.
-
2.3.1.4 Выбрать обозначение изделия (Рисунок 3, выноска 1).
-
2.3.1.5 Внести информацию о партии изделия (Рисунок 3, выноска 2).
-
2.3.1.6 Внести информацию о номере изделия (Рисунок 3, выноска 3).
-
2.3.1.7 Выбрать измеряемые параметры (Рисунок 3, выноска 4).
Партия:
Измеря
Рисунок 3
FR Контрол
Вкладки
измерений
Дата измерения: ФИО оператора: Тип изделия:
0 партии: № образца:
Вид допуска:
22
Оператор НР1-53-1 Партия Номер
Кд
5 Кд н.у., мВ
годен/Брак
1
0,2500000
0,1821
годен
2
0,2500000
0,1917
годен
3
0,2500000
0,1412
годен
4
0,2500000
0,3034
годен
5
0,5000000
0, 3356
годен
6
0,5000000
0,3363
годен
7
0,5000000
0,3195
годен
g
0,5000000
0,3301
годен
годен годен годен годен
-
2.3.1.8 Выбрать используемый допуск (Рисунок 3, выноска 5).
-
2.3.1.9 Выбрать температуру условий измерения (Рисунок 3, выноска 6).
-
2.3.1.10 Внести ФИО оператора (Рисунок 3, выноска 7).
-
2.3.1.11 Для запуска измерения нажать кнопку «Выполнить измерение» (Рисунок 3, выноска 8), во время измерения в области, обозначенной выноской 10 (Рисунок 3) будет отображаться информация о ходе измерения.
-
2.3.1.12 По истечении времени измерения в области, обозначенной выноской 11 (Рисунок 3), отобразятся результаты измерения погрешностей всех коэффициентов деления; Если выбраны измеряемые параметры «Измерение AUbbix и R(6a3)», то в области, обозначенной выноской 11 (Рисунок 3) так же отобразятся результаты измерения сопротивлений базовых резисторов.
-
2.3.1.13 Для выполнения температурных расчетов необходимо произвести 2 соответствующих измерения при разных температурах, после чего нажать кнопку, обозначенную выноской 9 (Рисунок 3). Поиск и загрузка заданных файлов производится автоматически. После выполнения расчетов на мониторе компьютера появится окно, представленное на Рисунке 4. Структура полей Рисунка 4 аналогична структуре полей Рисунка 3.
2.3.1.14 Для завершения работы закройте программу

Рисунок 4
-
2.3.2 Вкладка Просмотр
-
2.3.2.1 Перейти на вкладку «Просмотр». На мониторе компьютера появится окно, представленное на рисунке 5.
-
2.3.2.2 Выбрать используемый допуск (Рисунок 5, выноска 2).
-
2.3.2.3 В области, обозначенной выноской 6 (Рисунок 5), выбрать измерение. Измерения имеют такую структуру «обозначение изделия -партию - номер».
-
2.3.2.4 После того как файл будет сформирован его содержимое будет отображено в области, обозначенной выноской 7 (Рисунок 5).

годен годен годен
годен годен
Вкладки
[♦ | Допуск: |ПСИ
о В-В Кд и R 1006С 03.07.2018
годен/брак
Общий результат
брак
<:нтрольНР
Рг.бота
5 Кд Т, %
0,5000000
0,5000000
0,5000000
0,6666667
0,6666667
0,0189
0,0126
0,0020 -0,0011 -0,0011
0,0011 -0,0011 -0,0017
0,0121
0,0127
-0,0012
0,0011
0,0002
0,0000 -0,0002
0,0010 -0,0002
0,0000
0,0002 -0,0009
0,0002 -0,0002
-0,0002
-0,0001
-0,0001
0,0001
0,0000
0,0005
0,0001
0,0001 -0,0006 -0,0001
0,0010
0,0000
брак брак
ь ь л
5Кд н.у», %
□ В-В Кд и R 19°С 03.07.2018
0,5000000
0,2500000
0,1250000
0,0625000
0,0312500
0,0156250
0,0078125
0,0039062
0,0019531
0,0009795
0,0004882
0,0002441
= ±0,01% = ±0,01% 10"* 1/’С Ю’* 1/"С 10-* 1/’С
5R6 (баз) = 0,0000 % (10,0000 кОм)
ОЛ = J.WKWM XJ.J-S Z5UBMX = ±0,0075% 5Кд К13-К15 5Кд К16-К17
ТКС = ±30 *
ТККД = ±2 *
ПТКН = ±2 *
НР1-55-2-1
НР1-55-2-2 НР1-53-2-1
л В
4 3
E(6UBttX±) = 0,0018 % 2ИОТВЫХ-) = -0,0010 %
ТККД = -0,8395 * 10"* 1/*С ТКС = -0,3333 * 10"* 1/’С
ПТКН = -0,2222 * 10н 1/’С
Рисунок 5
• - | |||
1 |

Рисунок 6
-
2.3.2.5 Для того что бы распечатать файл необходимо нажать кнопку, обозначенную выноской 4(Рисунок 5), после этого отобразится форма, представленная на рисунке 6, в которой можно выбрать принтер и настроить его, после чего распечатать.
Рисунок 7
-
2.3.2.6 Нажав кнопку, обозначенную выноской 5 (Рисунок 5), «Сохранить как ...», отобразится форма, представленная на рисунке 7, в которой можно выбрать место сохранения файла, после чего сохранить файл. Сохранённый файл, будет иметь расширение «RTF».
-
2.3.2.7 Выбрав 2 соответствующих измерения в области, обозначенной выноской 6(Рисунок 5), и нажав кнопку, обозначенную выноской 5 (Рисунок 5), «Рассчитать», произойдет расчёт температурных характеристик.
-
2.3.2.8 Для обновление данных нажать кнопку, обозначенную выноской 1 (Рисунок 5).
-
2.3.1.9 Для завершения работы закройте программу
3 Техническое обслуживание
-
3.1 Общие указания
-
3.1.1 Перечень работ различных видов технического обслуживания приведены в таблице 3.
-
Таблица 3
Периодичность обслуживания |
Содержание работ и метод их проведения |
Технические требования |
Приборы, инструменты, материалы для проведения работ |
1 |
2 |
3 |
4 |
1 раз в квартал |
|
|
Ветошь, 500 г Спирт-ректификат, 150 г |
1 раз в год |
Поверка |
Проверка метрологических характеристик см. раздел 4. |
4 Поверка
Настоящий раздел устанавливает методы и средства поверки установки. Установка подлежит обязательной поверке.
Интервал между поверками - 1 год.
4.1 Операции и средства поверки
При проведении поверки должны быть выполнены операции, указанные в таблице 4.
Таблица 4
№ |
Наименование операции |
Номер пункта методики |
Выполнение операций при | |
первичной поверке |
периодической поверке | |||
1 |
Внешний осмотр |
4.5.1 |
+ |
+ |
2 |
Проверка погрешности измерений погрешности коэффициентов деления, сопротивления, воспроизведения опорных напряжений блоком №1. |
4.5.2 |
+ |
+ |
3 |
Проверка погрешности измерений погрешности коэффициентов деления, сопротивления, воспроизведения опорных напряжений блоком №2. |
4.5.3 |
+ |
+ |
4 |
Проверка погрешности измерений погрешности коэффициентов деления, сопротивления, воспроизведения опорных напряжений |
4.5.4 |
+ |
+ |
блоком №3. | ||||
5 |
Проверка погрешности измерений погрешности коэффициентов деления, сопротивления, воспроизведения опорных напряжений блоком №4. |
4.5.5 |
+ |
+ |
6 |
Проверка погрешности измерений погрешности коэффициентов деления, сопротивления, воспроизведения опорных напряжений блоком №5. |
4.5.6 |
+ |
+ |
4.2 Условия поверки
При проведении поверки должны соблюдаться следующие условия:
температура окружающего воздуха, °С 20 ± 2;
относительная влажность воздуха, % от 30 до 80;
атмосферное давление, кПа (мм. рт. ст.) от 84 до 106
(от 630 до 795); напряжение питающей сети переменного тока, В:
-
- для персонального компьютера; 220 ± 22;
-
- для остальных компонентов 220,0 ± 4,4.
частота питающей сети, Гц 50,0 ± 0,5.
4.3 Средства поверки
-
4.3.1 При проведении поверки должны применяться средства измерений, указанные в таблице 5.
Таблица 5
Порядковый номер и наименование СИ, технического средства |
Метрологические характеристики |
Наименование измеряемой (воспроизводимой) величины |
1 Многозначная мера электрического сопротивления постоянного токаР 3026-1 |
Диапазон воспроизведения сопротивлений от 0,01 до 111111,1 Ом, класс точности 0,01 |
Сопротивление |
2 Делитель напряжения многодекадный Р3028 |
Диапазон воспроизведения коэффициентов деления от 0 до 1 Пределы допускаемого отклонения абсолютной линейности ± 0,0001 % |
Коэффициент деления |
3 Мультиметр цифровой Fluke 8846А |
Диапазон измерений напряжений постоянного тока от 10 нВ до 1000 В. Пределы допускаемой погрешности ± 0,0035 % |
Напряжение |
4 Магазин сопротивлений Р40102 |
Номинальное значение сопротивлений 104 Ом; 105 Ом; 106 Ом; |
Сопротивление |
---п--------------------------------------- 10 Ом, класс точности 0,02 | ||
П р и м е ч а н и я:
|
4.4 Требования безопасности
При проведении поверки руководствуются Межотраслевыми правилами по охране труда (правила безопасности) при эксплуатации электроустановок ПОТ РМ - 016, РД 153 -34.0 - 03.150, «Правилами технической эксплуатации электроустановок потребителей».
4.5 Проведение поверки
-
4.5.1 Внешний осмотр
При проведении внешнего осмотра должно быть установлено соответствие следующим требованиям:
-
- все составные части установки не должны иметь механических повреждений, которые могут повлиять на метрологические и технические характеристики установки, а также безопасность персонала.
-
- все органы управления должны иметь надписи, указывающие их конкретное назначение, быть прочно закреплены, не иметь перекосов, действовать плавно и обеспечивать надёжную фиксацию;
-
- все средства измерений, входящие в состав установки должны иметь свидетельство о поверке.
Для проверки контрольной суммы необходимо зайти в меню <Справка>, нажать на кнопку <Контрольная сумма> (рисунок 8)

Рисунок 8
После этого откроется окно представление, но рисунке ниже, в котором можно посмотреть контрольную сумму исполняемого файла, рассчитанная по алгоритму CRC32 (рисунок 9).

Рисунок 9
-
4.5.2 Проверка погрешности измерений погрешности коэффициентов деления, сопротивления, воспроизведения опорных напряжений блоком № 1.
-
4.5.2.1 Произвести включение установки в соответствии с п.п. 2.2.6, 2.2.7. Нажать кнопку «Вкладки» и в появившемся меню выбрать пункт «Испытания», в результате появится форма, представленная на Рисунке 10. В данную форму нужно ввести пароль и нажать кнопку «Подтвердить», после чего откроется вкладка «Испытания», представленная на Рисунке 9.
Рисунок 10.
®фф®@
Рисунок 11.
»
R
R, кОм
5R, %
1
R1 (баз)
5,0000
-0,0001
2
R4 (баз)
5,0000
0,0001
3
R7 (баз)
5,0000
-0,0001
4
R10 (баз)
5,0000
0,0000
-
4.5.2.2 Собрать схему в соответствии с Рисунком А1 Приложения. Данная схема позволяет проверить погрешности Блока № 1 при измерении погрешности коэффициентов деления двоичной части (сетки) набора резисторов.
-
4.5.2.3 Установить флажок (Рисунок 11, выноска 4).
-
4.5.2.4 Выбрать номер испытываемого блока (Рисунок 11, выноска 2)-«Блок №1».
-
4.5.2.5 Выбрать опорное напряжение, В (Рисунок 11, выноска 3) - «9».
-
4.5.2.6 Выбрать измеряемые параметры (Рисунок 11, выноска 5)- «Измерение погрешности Кд».
-
4.5.2.7 Задать смещение (отклонение от номинального значения проверяемого коэффициента деления) (Рисунок 11, выноска 7)- «0».
-
4.5.2.8 Запустить измерения нажав на кнопку «Выполнить» (Рисунок 11, выноска 1). Измерения производятся при каждом из коэффициентов деления. Сообщения когда и какой коэффициент деления устанавливать на Р3028 компьютер выводит на монитор. После установки требуемого коэффициента на клавиатуре нажимать клавишу «Enter» или на форме нажимать кнопку «ОК». Номинальные значения коэффициентов, которые необходимо будет установить приведены в таблице 6.
Таблица 6.
Коэффициент деления |
К12 |
Кц |
К10 |
К9 |
К8 |
К7 |
Значение |
0,0002441 |
0,0004883 |
0,0009766 |
0,0019531 |
0,0039063 |
0,0078125 |
Коэффициент деления |
Кб |
К5 |
Кд |
Кз |
К2 |
К1 |
Значение |
0,0156250 |
0,0312500 |
0,0625000 |
0,1250000 |
0,2500000 |
0,5000000 |
Коэффициент деления |
К13 |
К14 |
К15 |
К16 |
К17 | |
Значение |
0,5 |
0,5 |
0,5 |
0,6666667 |
0,6666667 | |
Коэффициент деления |
К18 |
К19 |
К20 |
К21 |
К22 |
К23 |
Значение |
0,5 |
0,564174 |
0,238095 |
0,5 |
0,5 |
0.862068 |
Коэффициент деления |
К24 |
К25 |
К26 | |||
Значение |
0,5 |
0,5 |
0,5 |
-
4.5.2.9 После выполнения измерений по п.п 4.5.2.8 в области, обозначенной выноской 8 (Рисунок 11), отобразятся результаты измерения погрешностей всех коэффициентов деления. Кроме того, эти же данные будут записаны на диск компьютера для последующей обработки.
-
4.5.2.10 Выполнить п.п 4.5.2.2 - 4.5.2.9. При выполнении п.п. 4.5.2.5 опорное напряжение все время задавать равным: «10»,«15», «30» В.
-
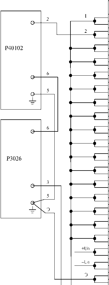
4.5.2.11 Собрать схему в соответствии с Рисунком А2 Приложения. Данная схема позволяет проверить погрешности измерений сопротивлений.
-
4.5.2.12 Выбрать номер испытываемого блока (Рисунок 11, выноска 2) -«Блок №1».
-
4.5.2.13 Выбрать опорное напряжение, В (Рисунок 11, выноска 3) - «9».
-
4.5.2.14 Выбрать измеряемые параметры (Рисунок 11, выноска 5) - «Измерение сопротивления».
-
4.5.2.15 Задать значение сопротивление, кОм (Рисунок 11, выноска 6) -«10».
-
4.5.2.16 Задать смещение (отклонение от номинального значения проверяемого коэффициента деления) (Рисунок 11, выноска 7) - «0».
-
4.5.2.17 На магазине сопротивлений установить значение в 4 раза большее, чем заданное в группе «Испытания» с учетом смещения, компьютер сообщит конкретное значение.
-
4.5.2.18 Запустить измерения нажав на кнопку «Выполнить». После выполнения всех измерений в области, обозначенной выноской 8 (Рисунок 11), отобразятся результаты измерения сопротивлений. Кроме того, эти же данные будут записаны на диск компьютера для последующей обработки.
-
4.5.2.19 Выполнить п.п. 4.5.2.13 - 4.5.2.18 для следующих сочетаний опорных напряжений и сопротивлений в п.п. 4.5.2.14 и в п.п. 4.5.2.16: 10 В, 5 кОм 15 В, 5 кОм, 15 В, 10 кОм; 15 В, 15 кОм; 30 В, 10 кОм; 30 В, 15 кОм; 30 В, 20 кОм; 30 В, 50 кОм.
-
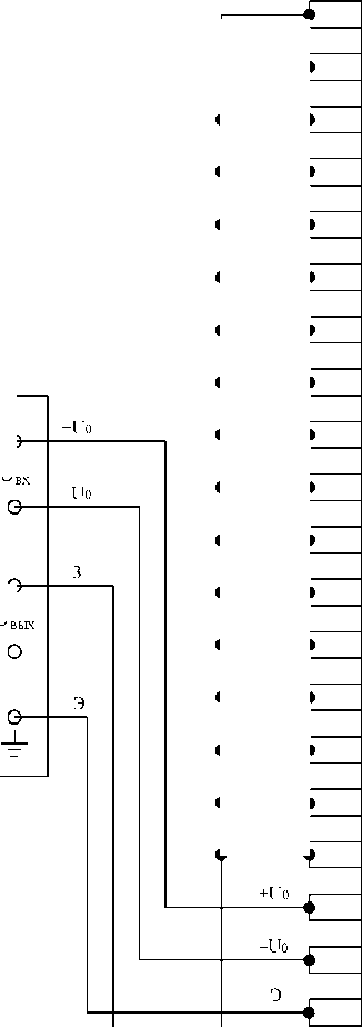
4.5.2.20 После каждого измерения сопротивлений (п.п. 4.5.2.13 - 4.5.2.19) на клеммах, обозначенных U0c помощью мультиметра FLUKE измерить и зафиксировать значения опорных напряжений.
-
4.5.2.21 Погрешность Блока № 1 при измерении погрешности коэффициента деления соответствует заданным требованиям если для всех коэффициентов деления выполняется условие:
где:иизм - результаты измерений в мВ, полученные в результате выполнения п.п.4.5.2.8 ; Ксм - смещение коэффициента деления; 5К= ± 0,0007 % - пределы допускаемой относительной погрешности установки при измерении погрешности коэффициента деления; К - значение коэффициента деления. Для двоичной части (К1-К12) делителя К=1; для дополнительной части К берется согласно таблицы 5.
-
4.5.2.22 Погрешность Блока № 1 при измерении сопротивления соответствует заданным требованиям если для измеренных значений сопротивления вы-
полняется условие:
где: - результаты измерения сопротивления, полученные в результате
выполнения п.п. 4.5.2.19; RK - номинальное значение сопротивления.
-
4.5.2.23 Погрешность Блока № 1 при воспроизведении опорного напряжения соответствует заданным требованиям если для измеренных значений опорного напряжения выполняется условие:
ITTHSMTTH I
6U= ° °-100<2,5где: _- результат измерения опорного напряжения, полученный в результате выполнения п.п. 4.5.2.20;
- номинальное значение опорного напряжения.
-
4.5.3 Проверка погрешности измерений погрешности коэффициентов деления, сопротивления, воспроизведения опорных напряжений блоком № 2.
-
4.5.3.1 Если вы не находитесь на вкладке «Управление», выполнить действия, описанные в п.п. 4.5.2.1.
-
4.5.3.2 Собрать схему в соответствии с Рисунком А3 Приложения. Данная схема позволяет проверить погрешности Блока № 2 при измерении погрешности коэффициентов деления делителей набора резисторов.
-
4.5.3.3 Выбрать номер испытываемого блока (Рисунок 11, выноска 2) -«Блок № 2».
-
4.5.3.4 Выбрать опорное напряжение, В (Рисунок 11, выноска 3) - «30».
-
4.5.3.5 Выбрать измеряемые параметры (Рисунок 11, выноска 5) - «Измерение погрешности Кд».
-
4.5.3.6 Задать смещение (отклонение от номинального значения проверяемого коэффициента деления) (Рисунок 9, выноска 7)- «0».
-
4.5.3.7 Запустить измерения нажав на кнопку «Выполнить» (аналогично Ри-сунку9, выноска 1). Измерения производятся при каждом из коэффициентов деления. Сообщения когда и какой коэффициент деления устанавливать на Р3028 компьютер выводит на монитор. После установки требуемого коэффициента на клавиатуре нажимать клавишу «Enter» или на форме нажимать кнопку «ОК». Номинальные значения коэффициентов, которые необходимо будет установить приведены в таблице 7.
Таблица 7.
Коэффициент деления |
К1 |
К2 |
Кз |
Кд |
К5 |
Кб |
К7 |
К8 |
К9 |
К10 |
Значение |
0,04 |
0,5 |
0,5 |
0,5 |
0,5 |
0,5 |
0,5 |
0,5 |
0,5 |
0,5 |
Коэффициент деления |
КП |
К12 |
К13 |
К14 |
К15 |
К1б |
К17 |
К18 |
К19 |
К20 |
Значение |
0,5 |
0,5 |
0,5 |
0,5 |
0,5 |
0,5 |
0,5 |
0,5 |
0,5 |
0,5 |
-
4.5.3.8 После выполнения измерений по п.п 4.5.3.7 в области, аналогичной обозначенной выноской 8 (Рисунок 11), отобразятся результаты измерения погрешностей всех коэффициентов деления. Кроме того, эти же данные будут записаны на диск компьютера для последующей обработки.
-
4.5.3.9 Собрать схему в соответствии с Рисунком А4 Приложения. Данная схема позволяет проверить погрешности измерений сопротивлений.
-
4.5.3.10 Выбрать номер испытываемого блока (Рисунок 11, выноска 2)-«Блок №2».
-
4.5.3.11 Выбрать опорное напряжение, В (Рисунок 11, выноска 3) - «30».
-
4.5.3.12 Выбрать измеряемые параметры (Рисунок 11, выноска 5) - «Измерение сопротивления».
-
4.5.3.13 Задать значение сопротивление, кОм (Рисунок 11, выноска 6) -«530».
-
4.5.3.14 Задать смещение (отклонение от номинального значения проверяемого коэффициента деления) (Рисунок 11, выноска 7) - «0».
-
4.5.3.15 На магазине сопротивлений установить значение, заданное в группе «Испытания» с учетом смещения, компьютер сообщит конкретное значение.
-
4.5.3.16 Запустить измерения нажав на кнопку «Выполнить». После выполнения всех измерений в области, аналогичной обозначенной выноской 8 (Рисунок 11), отобразятся результаты измерения сопротивлений. Кроме того, эти же данные будут записаны на диск компьютера для последующей обработки.
-
4.5.3.17 После каждого измерения сопротивлений (п.п. 4.5.3.11- 4.5.3.16) на клеммах, обозначенных U0 с помощью мультиметра FLUKE измерить и зафиксировать значения опорных напряжений.
-
4.5.3.18 Погрешность Блока № 2 при измерении коэффициента деления соответствует заданным требованиям если для всех коэффициентов деления выполняется условие:
где: иизм - результаты измерений в мВ, полученные в результате выполнения п.п.4.5.3.7;
Ксм - смещение коэффициента деления;
5К = ± 0,0007 % - пределы допускаемой относительной погрешности установки при измерении погрешности коэффициента деления;
К - значение коэффициента деления. Для первого коэффициента К=1; для остальных К берется согласно таблицы 6, начиная со второго.
-
4.5.3.19 Погрешность Блока № 2 при измерении сопротивления соответствует заданным требованиям если для измеренных значений сопротивления выполняется условие:
6R=IR"’" RhI-100<0,1
Rfl
где: Rjbm - результаты измерения сопротивления, полученные в результате выполнения п.п. 4.5.3.15; Rk - номинальное значение сопротивления.
4.5.3.20 Погрешность Блока № 2 при воспроизведении опорного соответствует заданным требованиям если для измеренных значений опорного напряжения выполняется условие:
|ПИЗМ_ПН I
6U= 0 °'-100<2,5ио
где: - результат измерения опорного напряжения, полученный в ре
зультате выполнения п.п. 4.5.3.17;
f.- номинальное значение опорного напряжения.
-
4.5.4 Проверка погрешности измерений погрешности коэффициентов деления, сопротивления, воспроизведения опорных напряжений блоком № 3.
-
4.5.4.1 Если вы не находитесь на вкладке «Управление», выполнить действия, описанные в п.п. 4.5.2.1.
-
4.5.4.2 Собрать схему в соответствии с Рисунком А5 Приложения. Данная схема позволяет проверить погрешности Блока № 3 при измерении погрешности коэффициентов деления делителей набора резисторов.
-
4.5.4.3 Выбрать номер испытываемого блока (Рисунок 11, выноска 2) -«Блок № 3».
-
4.5.4.4 Выбрать опорное напряжение, В (Рисунок 11, выноска 3) - «36».
-
4.5.4.5 Выбрать измеряемые параметры (Рисунок 11, выноска 5) - «Измерение погрешности Кд».
-
4.5.4.6 Задать смещение (отклонение от номинального значения проверяемого коэффициента деления) (Рисунок 11, выноска 7)- «0».
-
4.5.4.7 Запустить измерения нажав на кнопку «Выполнить» (аналогично Рисунку 11, выноска 1). Измерения производятся при каждом из коэффициентов деления. Сообщения когда и какой коэффициент деления устанавливать на Р3028 компьютер выводит на монитор. После установки требуемого коэффициента на клавиатуре нажимать клавишу «Enter» или на форме нажимать кнопку «ОК». Номинальные значения коэффициентов, которые необходимо будет установить приведены в таблице 8.
Таблица 8.
Коэффициент деления |
К1 |
К2 |
Кз |
Кд |
К5 |
Кб |
К7 |
К8 |
Значение |
0,25 |
0,25 |
0,25 |
0,25 |
0,5 |
0,5 |
0,5 |
0,5 |
-
4.5.4.8 После выполнения измерений по п.п 4.5.4.7 в области, аналогичной обозначенной выноской 8 (Рисунок 11), отобразятся результаты измерения погрешностей всех коэффициентов деления. Кроме того, эти же данные будут записаны на диск компьютера для последующей обработки.
-
4.5.4.9 Собрать схему в соответствии с Рисунком А6 Приложения. Данная схема позволяет проверить погрешности Блока № 3 при измерений сопротивлений.
-
4.5.4.10 Выбрать номер испытываемого блока (Рисунок 11, выноска 2) -«Блок № 3».
-
4.5.4.11 Выбрать опорное напряжение, В (Рисунок 9, выноска 3) - «36».
-
4.5.4.12 Выбрать измеряемые параметры (Рисунок 9, выноска 5) - «Измерение сопротивления».
-
4.5.4.13 Задать значение сопротивление, кОм (Рисунок 9, выноска 6) - «5».
-
4.5.4.14 Задать смещение (отклонение от номинального значения проверяемого коэффициента деления) (Рисунок 9, выноска 7) - «0».
-
4.5.4.15 На магазине сопротивлений Р3026 установить значение, заданное в группе «Испытания» с учетом смещения, компьютер сообщит конкретное значение. На магазине сопротивлений Р3026, обозначенном как Р3026 (х3), установить значение в 3 раза превышающее, значение сопротивления, заданное на магазине сопротивлений Р3026.
-
4.5.4.16 Запустить измерения нажав на кнопку «Выполнить». После выполнения всех измерений в области, аналогичной обозначенной выноской 8 (Рисунок 11), отобразятся результаты измерения сопротивлений. Кроме того, эти же данные будут записаны на диск компьютера для последующей обработки.
-
4.5.4.17 После каждого измерения сопротивлений (п.п. 4.5.4.8 - 4.5.4.15) на клеммах, обозначенных U0 с помощью мультиметра FLUKE измеритьи зафиксировать значения опорных напряжений.
-
4.5.4.18 Погрешность Блока № 3 при измерении коэффициентов деления соответствует заданным требованиям, если для всех коэффициентов деления выполняется условие:
где: иизм - результаты измерений в мВ, полученные в результате выполнения п.п.4.5.4.7;
Ксм - смещение коэффициента деления;
5К= ± 0,0007 % - пределы допускаемой относительной погрешности установки при измерении погрешности коэффициента деления;
К - значение коэффициента деления. К берется согласно таблицы 7.
4.5.4.19 Погрешность Блока № 3 при измерении сопротивления соответствует заданным требованиям если для измеренных значений сопротивления выполняется условие:
где: Rbm - результаты измерения сопротивления, полученные в результате выполнения п.п. 4.5.4.14; RK - номинальное значение сопротивления.
-
4.5.4.20 Погрешность Блока № 3 при воспроизведении опорного напряжения соответствует заданным требованиям, если для измеренных значений опорного напряжения выполняется условие:
ITTHSMTTH I
6U= 0 0 -100<2,5где: - результат измерения опорного напряжения, полученный в ре
зультате выполнения п.п. 4.5.4.17;
- номинальное значение опорного напряжения.
-
4.5.5 Проверка погрешности измерений погрешности коэффициентов деления, сопротивления, воспроизведения опорных напряжений блоком № 4.
-
4.5.5.1 Если вы не находитесь на вкладке «Управление», выполнить действия, описанные в п.п. 4.5.2.1.
-
4.5.5.2 Собрать схему в соответствии с Рисунком А7 Приложения. Данная схема позволяет проверить погрешности Блока № 4 при измерении погрешности коэффициентов деления делителей набора резисторов.
-
4.5.5.3 Выбрать номер испытываемого блока (Рисунок 11, выноска 2) -«Блок №4».
-
4.5.5.4 Выбрать опорное напряжение, В (Рисунок 11, выноска 3) - «15».
-
4.5.5.5 Выбрать измеряемые параметры (Рисунок 11, выноска 5) - «Измерение погрешности Кд».
-
4.5.5.6 Задать смещение (отклонение от номинального значения проверяемого коэффициента деления) (Рисунок 11, выноска 7)- «0».
-
4.5.5.7 Запустить измерения нажав на кнопку «Выполнить» (аналогично Рисунку 11, выноска 1). Измерения производятся при каждом из коэффициентов деления. Сообщения когда и какой коэффициент деления устанавливать на Р3028 компьютер выводит на монитор. После установки требуемого коэффициента на клавиатуре нажимать клавишу «Enter» или на форме нажимать кнопку «ОК». Номинальные значения коэффициентов, которые необходимо будет установить приведены в таблице 9.
Таблица 9.
Коэффициент деления |
К1 |
К2 |
Кз |
К4 |
К5 |
Кб |
К7 |
К8 |
К9 |
К10 |
Значение |
0,25 |
0,25 |
0,5 |
0,5 |
0,5 |
0,5 |
0,5 |
0,5 |
0,5 |
0,5 |
Коэффициент деления |
Кц |
К12 |
К13 |
К14 |
К15 |
К1б | ||||
Значение |
0,5 |
0,5 |
0,5 |
0,5 |
0,5 |
0,909090 9 |
-
4.5.5.8 После выполнения измерений по п.п 4.5.5.7 в области, аналогичной обозначенной выноской 8 (Рисунок 11), отобразятся результаты измерения погрешностей всех коэффициентов деления. Кроме того, эти же данные будут записаны на диск компьютера для последующей обработки.
-
4.5.5.9 Выполнить п.п 4.5.5.3 - 4.5.5.8 еще два раза. При выполнении п.п
-
4.5.7.4 напряжения задавать равными: «24»; «30».
-
4.5.5.10 Собрать схему в соответствии с Рисунком А8 Приложения. Данная схема позволяет проверить погрешности Блока №4 при измерении сопротивлений.
-
4.5.5.11 Выбрать номер испытываемого блока (Рисунок 11, выноска 2) -«Блок № 4».
-
4.5.7.12 Выбрать опорное напряжение, В (Рисунок 11, выноска 3) - «30».
-
4.5.7.13 Выбрать измеряемые параметры (Рисунок 11, выноска 5) - «Измерение сопротивления».
-
4.5.5.14 Задать значение сопротивление, кОм (Рисунок 11, выноска 6) -«30».
-
4.5.5.15 Задать смещение (отклонение от номинального значения проверяемого коэффициента деления) (Рисунок 11, выноска 7) - «0».
-
4.5.5.16 На магазине сопротивлений установить значение, заданное в группе «Испытания» с учетом смещения, компьютер сообщит конкретное значение.
-
4.5.5.17 Запустить измерения нажав на кнопку «Выполнить». После выполнения всех измерений в области, аналогичной обозначенной выноской 1 (Рисунок 11), отобразятся результаты измерения сопротивлений. Кроме того, эти же данные будут записаны на диск компьютера для последующей обработки.
-
4.5.5.18 Выполнить п.п. 4.5.5.12 - 4.5.5.17 для следующих сочетаний опорных напряжений и сопротивлений в п.п. 4.5.5.15: 15 В, 47 кОм; 24 В, 47 кОм.
-
4.5.5.19 После каждого измерения сопротивлений (п.п. 4.5.5.12 - 4.5.5.18) на клеммах, обозначенных U0 с помощью мультиметра FLUKE измерить и зафиксировать значения опорных напряжений.
-
4.5.5.20 Погрешность Блока № 4 при измерении коэффициентов деления соответствует заданным требованиям, если для всех коэффициентов деления вы-
полняется условие:

где: иизм - результаты измерений в мВ, полученные в результате выполнения п.п.4.5.5.7;
Ксм - смещение коэффициента деления;
5К = ± 0,0007 % - пределы допускаемой относительной погрешности установки при измерении погрешности коэффициента деления;
К - значение коэффициента деления. К берется согласно таблицы 9.
-
4.5.5.21 Погрешность Блока № 4 при измерении сопротивления соответствует заданным требованиям если для измеренных значений сопротивления
выполняется условие:
где: Иизм - результаты измерения сопротивления, полученные в результате выполнения п.п. 4.5.5.17; RK - номинальное значение сопротивления.
-
4.5.5.22 Погрешность Блока № 4 при воспроизведении опорного напряжения соответствует заданным требованиям если для измеренных значений опорно-
го напряжения выполняется условие:
где: - результат измерения опорного напряжения, полученный в ре
зультате выполнения п.п. 4.5.5.19;
f.- номинальное значение опорного напряжения.
4.5.6 Проверка погрешностей измерений погрешности коэффициентов деления, сопротивления, воспроизведения опорных напряжений блоком №5.
-
4.5.6.1 Если вы не находитесь на вкладке «Управление», выполнить действия, описанные в п.п. 4.5.2.1.
-
4.5.6.2 Собрать схему в соответствии с Рисунком А9 Приложения. Данная схема позволяет проверить погрешности Блока №5 при измерении погрешности коэффициентов деления делителей набора резисторов.
-
4.5.6.3 Выбрать номер испытываемого блока (Рисунок 11, выноска 2) -«Блок № 5».
-
4.5.6.4 Выбрать опорное напряжение, В (Рисунок 11, выноска 3) - «15».
-
4.5.6.5 Выбрать измеряемые параметры (Рисунок 11, выноска 5) - «Измерение погрешности Кд».
-
4.5.6.6 Задать смещение (отклонение от номинального значения проверяемого коэффициента деления) (Рисунок 11, выноска 7)- «0».
-
4.5.6.7 Запустить измерения нажав на кнопку «Выполнить» (аналогично Рисунку 11, выноска 1). Измерения производятся при каждом из коэффициентов деления. Сообщения когда и какой коэффициент деления устанавливать на Р3028 компьютер выводит на монитор. После установки требуемого коэффициента на клавиатуре нажимать клавишу «Enter» или на форме нажимать кнопку «ОК». Номинальные значения коэффициентов, которые необходимо будет установить приведены в таблице 10.
Таблица 10.
Коэффициент деления |
К1 |
К2 |
Кз |
К4 |
К5 |
К6 |
Значение |
0,5 |
0,5 |
0,5 |
0,5 |
0,5 |
0,5 |
Коэффициент деления |
К7 |
К8 |
К9 |
К10 |
Кц |
К12 |
Значение |
0,5 |
0,5 |
0,6666667 |
0,6666667 |
0,666666 7 |
0,666666 7 |
Коэффициент деления |
К13 |
К14 |
К15 |
К16 | ||
Значение |
0,6666667 |
0,6666667 |
0,6666667 |
0,6666667 |
-
4.5.6.8 После выполнения измерений по п.п 4.5.6.7 в области, аналогичной обозначенной выноской 8 (Рисунок 11), отобразятся результаты измерения погрешностей всех коэффициентов деления. Кроме того, эти же данные будут записаны на диск компьютера для последующей обработки.
-
4.5.6.9 Выполнить п.п 4.5.6.3 - 4.5.6.8 еще один раз. При выполнении п.п
-
4.5.8.4 напряжение задавать равными: «30».
-
4.5.6.10 Собрать схему в соответствии с Рисунком А10 Приложения. Данная схема позволяет проверить погрешности Блока № 5 при измерении сопротивлений.
-
4.5.6.11 Выбрать номер испытываемого блока (Рисунок 11, выноска 2) -«Блок № 5».
-
4.5.6.12 Выбрать опорное напряжение, В (Рисунок 11, выноска 3) - «15».
-
4.5.6.13 Выбрать измеряемые параметры (Рисунок 11, выноска 5) - «Измерение сопротивления».
-
4.5.6.14 Задать значение сопротивление, кОм (Рисунок 11, выноска 6) -«15».
-
4.5.6.15 Задать смещение (отклонение от номинального значения проверяемого коэффициента деления) (Рисунок 11, выноска 7) - «0».
-
4.5.6.16 На магазине сопротивлений установить значение, заданное в группе «Испытания» с учетом смещения, компьютер сообщит конкретное значение.
-
4.5.6.17 Запустить измерения нажав на кнопку «Выполнить». После выполнения всех измерений в области, аналогичной обозначенной выноской 8 (Рисунок 11), отобразятся результаты измерения сопротивлений. Кроме того, эти же данные будут записаны на диск компьютера для последующей обработки.
-
4.5.6.18 Выполнить п.п. 4.5.6.12 - 4.5.6.17 для следующих сочетаний опорных напряжений и сопротивлений в п.п. 4.5.7.8: 15 В, 20 кОм; 30 В, 20 кОм; 30 В, 40 кОм
-
4.5.6.19 После каждого измерения сопротивлений (п.п. 4.5.6.12 - 4.5.6.19) на клеммах, обозначенных U0 с помощью мультиметра FLUKE измерить и зафиксировать значения опорных напряжений.
-
4.5.6.20 Погрешность Блока № 5 при измерении коэффициентов деления соответствует заданным требованиям, если для всех коэффициентов деления выполняется условие:
где: иизм - результаты измерений в мВ, полученные в результате выполнения п.п.4.5.6.7;
Ксм - смещение коэффициента деления;
5К = ± 0,0007 % - пределы допускаемой относительной погрешности установки при измерении погрешности коэффициента деления;
К - значение коэффициента деления. К берется согласно таблицы 9.
-
4.5.6.21 Погрешность Блока № 5 при измерении сопротивления соответствует заданным требованиям если для измеренных значений сопротивления выполняется условие: ного напряжения выполняется условие:
6R=IR"s" RJ100<0j1
“я
где: RH3M - результаты измерения сопротивления, полученные в результате выполнения п.п. 4.5.6.18; RK - номинальное значение сопротивления.
4.5.6.22 Погрешность Блока № 5 при воспроизведении опорного напряжения соответствует заданным требованиям, если для измеренных значений опор-
ПТТИЗМ ТТН I
&и= 0 -100<2,5ио
где: - результат измерения опорного напряжения, полученный в ре
зультате выполнения п.п. 4.5.6.19;
L- номинальное значение опорного напряжения.
4.6 Оформление результатов поверки
-
4.6.1 Результаты периодической и первичной поверки установки оформляются выдачей свидетельства о поверке, в котором указывается срок действия и дата очередной поверки. При этом поверительное клеймо наносится на свидетельство о поверке.
-
4.6.2 При отрицательных результатах поверки измеритель к применению не допускается и выдаётся извещение о непригодности с указанием причин.
5Свидетельство о приёмке
Установка для измерения параметров тонкопленочных делителей напряжений и наборов резисторов «Набор-2018» зав. № ________соответствует
РУКЮ.442230.001 РЭ и признана годной для эксплуатации.
Представитель ОТК:
личная подпись расшифровка подписи
дата
Поверка установки для измерения параметров тонкопленочных делителей
напряжений и наборов резисторов «Набор-2018» зав. № |
______ проведена. | |
Поверитель: | ||
М.П. |
личная подпись дата |
расшифровка подписи |
6 Гарантии изготовителя
6.1 Изготовитель гарантирует соответствие установки требованиям РЭ при соблюдении условий эксплуатации, хранения, транспортирования и монтажа.
-
6.2 Срок гарантии устанавливается 12 месяцев со дня ввода в эксплуатацию.
-
6.3 Предприятие-изготовитель обязуется в течении гарантийного срока безвозмездно устранять вдавленные дефекты или заменять вышедшие из строя части установки либо всю установку, если она не может быть исправлена на предприятии-потребителе.
7 Сведения о рекламациях
7.1 В случае отказа в работе установки в период гарантийного срока необходимо составить технически обоснованный акт рекламации и сделать выписки из разделов “Свидетельство о приемке”, “Свидетельство о консервации”, “Учет работы”, “Учет технического обслуживания” настоящего формуляра.
Акт с приложениями следует направить главному инженеру предприятия-изготовителя установки.
Сведения о предъявленных рекламациях следует регистрировать в таблице 11.
Таблица 11
Дата |
Количество часов работы оборудования с начала эксплуатации до возникновения неисправности |
Краткое содержание неисправности |
Дата направления рекламации и номер письма |
Меры, принятые по рекламации |
Приме чание |
Примечание - Таблицу заполнять во время эксплуатации установки.
8 Сведения о хранении
Форма предъявления сведений о хранении приведена в таблице 12. Таблица12
Дата |
Условия хранения |
Должность, фамилия и подпись лица, ответственного за хранение | |
Установка на хранение |
Снятие с хранения | ||
Примечание. Таблицу заполнять во время эксплуатации установки.
9 Учет неисправностей при эксплуатации
Таблица 13
Дата и время отказа оборудования или его составной части |
Характер (внешнее проявление) неис правности |
Причина неис правности (от каза), количество часов работы отказавшей составно части |
П- ринятые меры -по устранению неисправности расход ЗИП и отметка о направлении рекламации |
Должность, , фамилия и подпись лица ответственног за устранение неисправност |
оПримечание |
Примечание - Таблицу заполнять во время эксплуатации установки
ЛИСТ РЕГИСТРАЦИИ ИЗМЕНЕНИЙ
Изм. |
Номера листов (страниц) |
Всего листов (страниц) в документе |
Номер доку мента |
Входящий номер сопроводи-тельного документа и дата |
Подпись |
Дата | |||
изменен-ных |
заменен-ных |
новых |
изъятых | ||||||
вх
+U0
-Uo
Р3028
+ <Э—
UBbIX
- о
+Uo
-Uo
Контакт |
Цепь |
1 |
Rd5 |
2 |
Rd5 |
3 |
Rd4 |
4 |
Rd4 |
5 |
Rd3 |
6 |
Rd3 |
7 |
Rd2 |
8 |
Rd2 |
9 |
Rdi |
1o |
Rdi |
11 |
Вес разряда 2ii |
12 |
Вес разряда 2ii |
13 |
Вес разряда 2io |
14 |
Вес разряда 2io |
15 |
Вес разряда 29 |
16 |
Вес разряда 29 |
17 |
Вес разряда 28 |
18 |
Вес разряда 28 |
19 |
Вес разряда 27 |
2o |
Вес разряда 27 |
21 |
Вес разряда 26 |
22 |
Вес разряда 26 |
23 |
Вес разряда 25 |
24 |
Вес разряда 25 |
25 |
Вес разряда 24 |
26 |
Вес разряда 24 |
27 |
Вес разряда 23 |
28 |
Вес разряда 23 |
29 |
Вес разряда 22 |
3o |
Вес разряда 22 |
31 |
Вес разряда 2i |
32 |
Вес разряда 2i |
33 |
Вес разряда 2o |
34 |
Вес разряда 2o |
35 |
Вес разряда инв. 2o |
36 |
Вес разряда инв. 2o |
37 |
Вых |
38 |
Вых |
39 |
+Uo |
4o |
+Uo |
41 |
-Uo |
42 |
-Uo |
43 |
Экран |
44 |
Экран |
Рисунок А1
Р3026
- ©•































Контакт |
Цепь |
1 |
Ид5 |
2 |
КД5 |
3 |
КД4 |
4 |
1<Ц |
5 |
Идз |
6 |
КДз |
7 |
КД2 |
8 |
Ид2 |
9 |
Rai |
10 |
Rai |
11 |
Вес разряда 211 |
12 |
Вес разряда 211 |
13 |
Вес разряда 210 |
14 |
Вес разряда 210 |
15 |
Вес разряда 29 |
16 |
Вес разряда 29 |
17 |
Вес разряда 28 |
18 |
Вес разряда 28 |
19 |
Вес разряда 27 |
20 |
Вес разряда 27 |
21 |
Вес разряда 26 |
22 |
Вес разряда 26 |
23 |
Вес разряда 25 |
24 |
Вес разряда 25 |
25 |
Вес разряда 24 |
26 |
Вес разряда 24 |
27 |
Вес разряда 23 |
28 |
Вес разряда 23 |
29 |
Вес разряда 22 |
30 |
Вес разряда 22 |
31 |
Вес разряда 21 |
32 |
Вес разряда 21 |
33 |
Вес разряда 2° |
34 |
Вес разряда 2° |
35 |
Вес разряда инв. 2° |
36 |
Вес разряда инв. 2° |
37 |
Вых |
38 |
Вых |
39 |
+Uo |
40 |
+Uo |
41 |
~Uo |
42 |
-u0 |
43 |
Экран |
44 |
Экран |
Рисунок А2
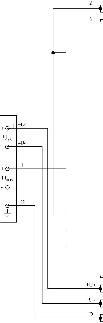
Р3028
+ е
Ub

+ <Э
ив.
1
-----Т 2 i |
<i i" |
” t n i" |
n f |
n f |
n f |
n f |
*' t n f |
о f |
" f. о-----i |
Контакт |
Цепь |
1 |
Резистор R1 |
2 |
Резистор R1 |
3 |
Резистор R2 |
4 |
Резистор R2 |
5 |
Резистор R3 |
6 |
Резистор R3 |
7 |
Резистор R4 |
8 |
Резистор R4 |
9 |
Резистор R5 |
10 |
Резистор R5 |
11 |
Резистор R6 |
12 |
Резистор R6 |
13 |
Резистор R7 |
14 |
Резистор R7 |
15 |
Резистор R8 |
16 |
Резистор R8 |
17 |
Резистор R9 |
18 |
Резистор R9 |
19 |
Резистор R10 |
20 |
Резистор R10 |
21 |
Резистор R11 |
22 |
Резистор R11 |
23 |
Резистор R12 |
24 |
Резистор R12 |
25 |
Резистор R13 |
26 |
Резистор R13 |
27 |
Резистор R14 |
28 |
Резистор R14 |
29 |
Резистор R15 |
30 |
Резистор R15 |
31 |
Резистор R16 |
32 |
Резистор R16 |
33 |
Резистор R17 |
34 |
Резистор R17 |
39 |
+U0 |
40 |
+U0 |
41 |
-Uo |
42 |
-Uo |
43 |
Экран |
44 |
Экран |
Цепь |
Контакт |
Ro1 -Ro21 |
9 |
Ro1 -Ro21 |
1o |
Резистор R18 |
1 |
Резистор R18 |
2 |
Резистор R19 |
3 |
Резистор R19 |
4 |
Резистор R2o |
5 |
Резистор R2o |
6 |
Резистор R21 |
7 |
Резистор R21 |
8 |
Рисунок А3

Контакт |
Цепь |
1 |
Резистор Ri |
2 |
Резистор Ri |
3 |
Резистор R2 |
4 |
Резистор R2 |
5 |
Резистор R3 |
6 |
Резистор R3 |
7 |
Резистор R4 |
8 |
Резистор R4 |
9 |
Резистор R5 |
10 |
Резистор R5 |
11 |
Резистор Ri |
12 |
Резистор R« |
13 |
Резистор R7 |
14 |
Резистор R7 |
15 |
Резистор Rs |
16 |
Резистор Rs |
17 |
Резистор Rs |
18 |
Резистор Rs |
19 |
Резистор Rio |
20 |
Резистор Rio |
21 |
Резистор Rn |
22 |
Резистор Rn |
23 |
Резистор Ri2 |
24 |
Резистор Ru |
25 |
Резистор Ri3 |
26 |
Резистор Ri3 |
27 |
Резистор RM |
28 |
Резистор RM |
29 |
Резистор Ru |
30 |
Резистор Ru |
31 |
Резистор Rii |
32 |
Резистор Rii |
33 |
Резистор R17 |
34 |
Резистор Ri7 |
39 |
+U0 |
40 |
+Uo |
41 |
~Uo |
42 |
-u0 |
43 |
Экран |
44 |
Экран |
ri
%
о
1=2 uq
Цепь |
Кон такт |
R01 - R021 |
9 |
R01 ■ R021 |
10 |
Резистор Rig |
1 |
Резистор Rig |
2 |
Резистор Ri? |
3 |
Резистор R19 |
4 |
Резистор R2ij |
5 |
Резистор R2Ij |
6 |
Резистор R21 |
7 |
Резистор R2i |
8 |

Рисунок А4

вх
+Uo
-Uo
Р3028
+ Э-
вых
- о


■M
Кон такт |
Цепь |
1 |
Резистор R3 |
2 |
Резистор R3 |
3 |
Резистор Ry |
4 |
Резистор |
5 |
Резистор Ry |
6 |
Резистор Ry |
7 |
Резистор Ri2 |
8 |
Резистор Ri2 |
9 |
Резисторы R2-R3 |
10 |
Резисторы R2-R3 |
11 |
Резисторы lU-K, |
12 |
Резисторы lU-K, |
13 |
Резисторы Rg-Ry |
14 |
Резисторы R8-Ry |
15 |
Резисторы Rh-Ri2 |
16 |
Резисторы Rh-Ri2 |
17 |
Резисторы Ri-R2 |
18 |
Резисторы RrR2 |
19 |
Резисторы R4-R5 |
20 |
Резисторы R4-R5 |
21 |
Резисторы R7-Rg |
22 |
Резисторы R7-Rg |
23 |
Резисторы Rio-Rii |
24 |
Резисторы Rio-Rii |
27 |
Резистор Ri |
28 |
Резистор Ri |
29 |
Резистор Ry |
30 |
Резистор Ry |
31 |
Резистор R7 |
32 |
Резистор R7 |
33 |
Резистор Rio |
34 |
Резистор Rio |
39 |
+и0 |
40 |
+Uo |
41 |
-Uy |
42 |
-Uo |
43 |
Экран |
44 |
Экран |
Рисунок А5

Кон такт |
Цепь |
1 |
Резистор R3 |
2 |
Резистор R3 |
3 |
Резистор Ry |
4 |
Резистор Ш |
5 |
Резистор Ry |
6 |
Резистор Ry |
7 |
Резистор Ru |
8 |
Резистор Ru |
9 |
Резисторы R2-R3 |
10 |
Резисторы R2-R3 |
11 |
Резисторы IU-K, |
12 |
Резисторы R5-R, |
13 |
Резисторы Rg-Ry |
14 |
Резисторы Rg-Ry |
15 |
Резисторы R11-R12 |
16 |
Резисторы R11-R12 |
17 |
Резисторы Ri-R2 |
18 |
Резисторы К|-К2 |
19 |
Резисторы R4-R5 |
20 |
Резисторы R4-R5 |
21 |
Резисторы R7-Rg |
22 |
Резисторы R7-Rg |
23 |
Резисторы Rio-Rii |
24 |
Резисторы Rio-Rii |
27 |
Резистор Ri |
28 |
Резистор R |
29 |
Резистор Ry |
30 |
Резистор Ry |
31 |
Резистор R7 |
32 |
Резистор R7 |
33 |
Резистор Rio |
34 |
Резистор Rio |
39 |
+Uo |
40 |
+Uo |
41 |
-Uo |
42 |
-Uy |
43 |
Экран |
44 |
Экран |
Рисунок А6
+Uo | |
UBX | |
-1 Io | |
- ©— | |
P3028 | |
3 | |
+ G— | |
UfiblX | |
- о | |
Э | |
Q— | |
L | |


















Контакт |
Цепь |
1 |
Подключение l=>HJon |
2 |
Подключение l=>HJon |
3 |
Подключение 2=>HJon |
4 |
Подключение 2=>HJon |
5 |
Подключение 3=>HJon |
6 |
Подключение 3=>HJon |
7 |
Подключение 4=>HJon |
8 |
Подключение 4=>HJon |
9 |
Подключение 5=>HJon |
10 |
Подключение 5=>HJon |
11 |
Подключение 6=>HJon |
12 |
Подключение 6=>HJon |
13 |
Подключение 7=>HJon |
14 |
Подключение 7=>HJon |
15 |
Подключение 8=>HJon |
16 |
Подключение 8=>HJon |
17 |
Подключение l=>0Uon |
18 |
Подключение l=>0Uon |
19 |
Подключение 2=>0Uon |
20 |
Подключение 2=>0Uon |
21 |
Подключение 3=>0Uon |
22 |
Подключение 3=>0Uon |
23 |
Подключение 4=>0Uon |
24 |
Подключение 4=>0Uon |
25 |
Подключение 5=>0Uon |
26 |
Подключение 5=>0Uon |
27 |
Подключение 6=>0Uon |
28 |
Подключение 6=>0Uon |
29 |
Подключение 7=>0Uon |
30 |
Подключение 7=>0Uon |
31 |
Подключение 8=>0Uon |
32 |
Подключение 8=>0Uon |
33 |
Подключение к Ro6m |
34 |
Подключение к Ro6in |
39 |
+Uo |
40 |
+Uo |
41 |
~Uo |
42 |
-u0 |
43 |
Экран |
44 |
Экран |
Рисунок А7







Р3026





























Контакт |
Цепь |
1 |
Подключение l=>HJon |
2 |
Подключение l=>HJon |
3 |
Подключение 2=>HJon |
4 |
Подключение 2=>HJon |
5 |
Подключение 3=>HJon |
6 |
Подключение 3=>HJon |
7 |
Подключение 4=>HJon |
8 |
Подключение 4=>HJon |
9 |
Подключение 5=>HJon |
10 |
Подключение 5=>HJon |
11 |
Подключение 6=>HJon |
12 |
Подключение 6=>HJon |
13 |
Подключение 7=>HJon |
14 |
Подключение 7=>HJon |
15 |
Подключение 8=>HJon |
16 |
Подключение 8=>HJon |
17 |
Подключение l=>0Uon |
18 |
Подключение l=>0Uon |
19 |
Подключение 2=>0Uon |
20 |
Подключение 2=>0Uon |
21 |
Подключение 3=>0Uon |
22 |
Подключение 3=>0Uon |
23 |
Подключение 4=>0Uon |
24 |
Подключение 4=>0Uon |
25 |
Подключение 5=>0Uon |
26 |
Подключение 5=>0Uon |
27 |
Подключение 6=>0Uon |
28 |
Подключение 6=>0Uon |
29 |
Подключение 7=>0Uon |
30 |
Подключение 7=>0Uon |
31 |
Подключение 8=>0Uon |
32 |
Подключение 8=>0Uon |
33 |
Подключение к Ro6m |
34 |
Подключение к Ro6in |
39 |
+Uo |
40 |
+Uo |
41 |
~Uo |
42 |
-u0 |
43 |
Экран |
44 |
Экран |
Рисунок А8
Р3028

i-ч: 1 г | |
t X | |
< |
t ’—f X |
< < |
t ’—f ’—4 X |
t X | |
X | |
■4 J < < |
t ’—4 •—f ’—4 X |
t X | |
I 1 |
X |
11 |
t X |
—f |
Кон такт |
Цепь |
1 |
ОбщПлечо |
2 |
ОбщПлечо |
3 |
Яплечо 7 |
4 |
Яплечо 7 |
5 |
идиаг 8 |
6 |
идиаг 8 |
7 |
ОбщПлечо |
8 |
ОбщПлечо |
9 |
Яплечо 1 |
10 |
Яплечо 1 |
11 |
идиаг 2 |
12 |
идиаг 2 |
13 |
Яплечо 2 |
14 |
Яплечо 2 |
15 |
Яплечо 6 |
16 |
Яплечо 6 |
17 |
идиаг 1 |
18 |
идиаг 1 |
19 |
идиаг 6 |
20 |
идиаг 6 |
21 |
идиаг 3 |
22 |
идиаг 3 |
23 |
Яплечо 4 |
24 |
Яплечо 4 |
25 |
Яплечо 3 |
26 |
Яплечо 3 |
27 |
Яплечо 5 |
28 |
Яплечо 5 |
29 |
ОбщПлечо |
30 |
ОбщПлечо |
31 |
идиаг 5 |
32 |
идиаг 5 |
33 |
идиаг 4 |
34 |
идиаг 4 |
35 |
идиаг 7 |
36 |
идиаг 7 |
37 |
Яплечо 8 |
38 |
Яплечо 8 |
39 |
+Uo |
40 |
+Uo |
41 |
-и» |
42 |
-и» |
43 |
Экран |
44 |
Экран |
Рисунок А9
Р3026


+Uo

Кон такт |
Цепь |
1 |
ОбщПлечо |
2 |
ОбщПлечо |
3 |
Яплечо 7 |
4 |
Яплечо 7 |
5 |
идиаг 8 |
6 |
идиаг 8 |
7 |
ОбщПлечо |
8 |
ОбщПлечо |
9 |
Яплечо 1 |
10 |
Яплечо 1 |
11 |
идиаг 2 |
12 |
идиаг 2 |
13 |
Яплечо 2 |
14 |
Яплечо 2 |
15 |
Яплечо 6 |
16 |
Яплечо 6 |
17 |
идиаг 1 |
18 |
идиаг 1 |
19 |
идиаг 6 |
20 |
идиаг 6 |
21 |
идиаг 3 |
22 |
идиаг 3 |
23 |
Яплечо 4 |
24 |
Яплечо 4 |
25 |
Яплечо 3 |
26 |
Яплечо 3 |
27 |
Яплечо 5 |
28 |
Яплечо 5 |
29 |
ОбщПлечо |
30 |
ОбщПлечо |
31 |
идиаг 5 |
32 |
идиаг 5 |
33 |
идиаг 4 |
34 |
идиаг 4 |
35 |
идиаг 7 |
36 |
идиаг 7 |
37 |
Яплечо 8 |
38 |
Яплечо 8 |
39 |
+Uo |
40 |
+Uo |
41 |
~Uo |
42 |
-и» |
43 |
Экран |
44 |
Экран |
Рисунок А10
РУКЮ.442230.001 РЭ
49