Методика поверки «Контроллеры автоматизированные вычислительные типовые управляющие АВ-ТУК» (МП 206.1-066-2019)
Федеральное государственное унитарное предприятие «ВСЕРОССИЙСКИЙ НАУЧНО-ИССЛЕДОВАТЕЛЬСКИЙ ИНСТИТУТ МЕТРОЛОГИЧЕСКОЙ СЛУЖБЫ» (ФГУП «ВНИИМС»)
СОГЛАСОВАНО Генеральный директор ООО «АВМ-Энерго»

Логунов
2019 г.
УТВЕРЖДАЮ
Заместитель директора ФГУП «ВНИИМС» по производственной метрологии

КОНТРОЛЛЕРЫ
АВТОМАТИЗИРОВАННЫЕ ВЫЧИСЛИТЕЛЬНЫЕ ТИПОВЫЕ УПРАВЛЯЮЩИЕ АВ-ТУК
Методика поверки
МП 206.1-066-2019
г. Москва
2019
Настоящая методика поверки распространяется на контроллеры автоматизированные вычислительные типовые управляющие AB-ТУК (далее - контроллеры), изготавливаемые ООО «ABM-Энерго», г. Москва, и устанавливает методы и средства их первичной и периодической поверки.
На поверку представляются контроллеры, укомплектованные в соответствии с паспортом, и комплект следующей технической и нормативной документации:
-
- паспорт;
-
- руководство по эксплуатации;
-
- методика поверки.
Интервал между поверками - 4 года.
Поверка контроллеров в случае их использования для измерений меньшего числа величин, по отношению к указанным в разделе «Метрологические и технические характеристики» Описания типа, допускается в соответствии с номенклатурой установленных в контроллер модуле, в соответствии с этим в свидетельстве о поверке на контроллеры указывается объем проведенной поверки.
1 НОРМАТИВНЫЕ ССЫЛКИРМГ 51-2002 «ГСИ. Документы на методики поверки средств измерений. Основные положения»;
Порядок проведения поверки средств измерений, требования к знаку поверки и содержанию свидетельства о поверке, утвержден Приказом Минпромторга России от 02.07.2015 г. №1815;
ПР 50.2.012-94 «ГСИ. Порядок аттестации поверителей средств измерений»;
ГОСТ 32144-2013 «Электрическая энергия. Совместимость технических средств электромагнитная. Нормы качества электрической энергии в системах электроснабжения общего назначения»;
ГОСТ Р 8.736-2011 «ГСИ. Измерения прямые многократные. Методы обработки результатов измерений. Основные положения»;
ГОСТ 12.3.019-80 « Система стандартов безопасности труда (ССБТ). Испытания и измерения электрические. Общие требования безопасности»;
ГОСТ 12.2.007.0-75 «Система стандартов безопасности труда. Изделия электротехнические. Общие требования безопасности»;
«Правила по охране труда при эксплуатации электроустановок» 04.08.2014 г.;
«Правила эксплуатации электроустановок потребителей», утвержденных Главгосэнергонадзором.
2 ОПЕРАЦИИ ПОВЕРКИ-
2.1 Поверка проводится в объеме и в последовательности, указанной в таблице 1 в соответствии с номенклатурой установленных в контроллер модулей..
Таблица 1 - Перечень операций при первичной и периодических поверках устройства
Наименование операции |
Номер пунк-та методики поверки |
Проведение операции | |
первичная поверка |
периодическая поверка | ||
1 Внешний осмотр |
8.1 |
Да |
Да |
2 Опробование |
8.2 |
Да |
Да |
3 Определение основной погрешности измерений силы постоянного тока |
8.3 |
Да |
Да |
4 Определение основной погрешности измерений напряжения постоянного тока |
8.4 |
Да |
Да |
5 Определение основной погрешности измерений электрического сопротивления в темпе- |
8.5 |
Да |
Да |
Наименование операции |
Номер пунк-та методики поверки |
Проведение операции | |
первичная поверка |
периодическая поверка | ||
ратурном эквиваленте | |||
6 Определение основных погрешностей измерений напряжения, силы, частоты переменного тока и абсолютной основной погрешности измерений угла фазового сдвига |
8.6 |
Да |
Да |
-
3.1 При проведении поверки устройства должны применяться основные и вспомогательные средства, указанные в таблицах 2 и 3.
Таблица 2 - Основные средства поверки
Наименование |
Требуемые технические характеристики |
Рекомендуемый тип |
Ко-личе че-ство |
Номер пункта методики поверки | |
Диапазон измерения |
Погрешность или класс точности | ||||
1 |
2 |
3 |
4 |
5 |
6 |
Калибратор переменного тока |
±180° до 10А до 150 В от 40 до 70 Гц |
±0,03° ±(0,05+0,01 (1нОМ/1-1))% ±(0,05+0,01 (Uhom/U-1))% ±0,01 Гц |
Ресурс- К2 |
1 |
8.6 |
Калибратор универсальный |
от -20 до +20 мА от -5 до +5 В |
±0,1% ±0,1% |
Fluke 9100 |
1 |
|
Магазин сопротивлений измерительный |
0,018 до 11111,1 Ом |
Класс точности 0,02 |
МСР- 60М |
1 |
8.5 |
Прибор электроизмерительный эталонный многофункциональный |
±180° до 20А до 800 В от 40 до 70 Гц |
±0,01° ±[0,015+0,003 (1,2 Uh/U- 1)1 ±[0,01+0,002- (1,2ТнЛ-1)] ±0,001 Гц |
Энер-гомо-нитор-3.1КМ |
8.6 |
Таблица 3 - Вспомогательные средства поверки
Измеряемая величина |
Диапазон измерений |
Класс точности, погрешность |
Тип средства измерений |
Температура |
от 0 до 50 °C |
±1 °C |
Термометр ртутный стеклянный лабораторный ТЛ-4 |
Давление |
от 80 до 106 кПа |
±200 Па |
Барометр-анероид метеорологический БАММ-1 |
Влажность |
от 10 до 100 % |
±1% |
Психрометр аспирационный М-34-М |
Сопротивление изоляции |
от 0 до 100 ГОм |
±2,5 % |
Мегаомметр Ф4104 |
Электрическая прочность изоляции |
2000 В, 50 Гц |
±3,0 % |
Установка пробойная УПУ-10 |
-
3.2 Для проведения поверки допускается применение других средств, не приведенных в таблице 2, при условии обеспечения ими необходимой точности измерений.
-
3.3 Контрольно-измерительная аппаратура и средства поверки, применяемые при поверке, должны обеспечивать требуемую точность и иметь действующие свидетельства о поверке, сертификаты калибровки или аттестаты.
-
4.1 К проведению поверки допускают поверителей из числа сотрудников организаций, аккредитованных на право проведения поверки в соответствии с действующим законодательством РФ, изучивших настоящую методику поверки и руководство пользовате-ля/руководство по эксплуатации на аппараты, имеющих стаж работы по данному виду измерений не менее 1 года.
-
4.2 Поверитель должен пройти инструктаж по технике безопасности и иметь действующее удостоверение на право проведения работ в электроустановках с квалификационной группой по электробезопасности не ниже III.
При проведении поверки должны соблюдаться требования ГОСТ 12.2.007.0-75, ГОСТ 12.3.019-80, «Правила по охране труда при эксплуатации электроустановок», «Правил эксплуатации электроустановок потребителей», утвержденных Главгосэнергонадзором.
Должны быть также обеспечены требования безопасности, указанные в эксплуатационных документах на средства поверки.
6 УСЛОВИЯ ПРОВЕДЕНИЯ ПОВЕРКИ-
6.1 Поверка контроллеров должна проводиться при нормальных условиях применения:
-
- температура окружающей среды, °C от +15 до +25;
-
- атмосферное давление, кПа от 84 до 106;
-
- относительная влажность воздуха, % от 30 до 80.
-
6.2 Напряжение питающей сети переменного тока частотой 50 Гц, действующее значение напряжения 220 В. Допускаемое отклонение от нормального значения при поверке ±22 В. Коэффициент искажения синусоидальности кривой напряжения не более 5 %. Остальные характеристики сети переменного тока должны соответствовать ГОСТ 32144-2013.
-
7.1 Средства поверки должны бьггь подготовлены к работе согласно указаниям, приведенным в соответствующих эксплуатационных документах.
-
7.2 До проведения поверки поверителю надлежит ознакомиться с эксплуатационной документацией на контроллер и входящие в его комплект компоненты.
-
8 МЕТОДЫ ПОВЕРКИ
При проведении внешнего осмотра устанавливают соответствие контроллера следующим требованиям:
-
- комплектность должна соответствовать данным, приведенным в руководстве по эксплуатации;
-
- все разъемы, клеммы и измерительные провода не должны иметь повреждений, следов окисления и загрязнений;
-
- маркировка и функциональные надписи должны читаться и восприниматься однозначно;
-
- наружные поверхности корпуса, разъемы, соединительные кабели и органы управления не должны иметь механических повреждений и деформаций, которые могут повлиять на работоспособность контроллера.
При несоответствии по вышеперечисленным позициям контроллер бракуется и направляется в ремонт.
-
8.2 Опробование
-
8.2.1.1 Проверка сопротивления изоляции модулей, входящих в состав контроллера, проводится между электрически изолированными между собой цепями и корпусом с помощью мегомметра с напряжением 500 В.
-
8.2.1.2 Проверка электрической прочности изоляции для электрически изолированных цепей с рабочим напряжением выше 60 В проводится подачей напряжения переменного тока 2000 В в течение 1 мин.
-
8.2.1.3 Проверка проводится для модулей АВ-ТУК-31хх, -хх31, -35хх, -хх35, -41, -81. ..-85,-91.
-
8.2.1.4 Результат считается положительным, если измеренное сопротивление изоляции не менее 100 МОм, и не произошло пробоя изоляции.
Внимание!!!
Для всех следующих процедур поверки необходимо установить в ТПК подключение к сети со следующими параметрами:
IP: 172.16.31.63;
Mask: 255.255.255.0.
-
8.2.2.1 Выполните подготовительные операции в следующей последовательности:
-
- разместите измерительные приборы на удобном для проведения работ месте;
-
- заземляющие клеммы измерительных приборов и проверяемого контроллера соедините проводом с контуром заземления.
-
8.2.2.2 Для проведения опробования и поверки контроллера соберите схему, приведенную на рисунке 1.
Модуль электропитания
Модуль процессора
■ Комплект модулей в соответствии с типоисполнением
i 1 '-------------------------------------л--------------------------------

-
8.2.2.3 Включите контроллер и установите связь с компьютером при помощи специального ПО «Sonica Client». Проверьте, что все модули, входящие в состав поверяемого контроллера функционируют и передают информацию на ПК.
Проверку номера версии программного обеспечения проводят чтением номера версии встроенного ПО в модулях, входящих в состав поверяемого контроллера.
Результаты считаются удовлетворительными, если номер версии программного обеспечения не ниже, чем:
-
- 7.76.18 для модуля АВ-ТУК-12;
-
- 1.02.004 для модулей серии АВ-ТУК-2х и АВ-ТУК-Зх;
-
- 1.01.006 для модулей АВ-ТУК-81, АВ-ТУК-82 и АВ-ТУК-83;
-1.01 для модуля АВ-ТУК-84;
-
- 1.02 для модуля АВ-ТУК-85.
-
8.3.1 Соберите схему, приведенную на рисунке 2.
-
8.3.2 Убедитесь, что в проверяемом модуле сдвоенные переключатели основной платы SA1...SA4 входов Inl...In8 (а также на дополнительной плате для модуля 2121) установлены в положение «Т».
-
8.3.3 С помощью ПО «Sonica Client» сконфигурировать все каналы модуля в режим ввода тока ±20 мА.
-
8.3.4 Подключите калибратор Fluke 9100 в режиме генерации силы постоянного тока ко входу 1. Задавая на калибраторе токи, указанные в таблице 4, проведите измерения. Результаты измерений занесите в таблицу 4.
-
8.3.5 Повторите операции по п. 8.3.4 для входов 1п2...1п8 (разъем XI), а в модуле 2121 и для входов дополнительной платы In9...Inl6 (разъем Х2).
-
8.3.6 Результаты измерений считаются удовлетворительными, если полученные значения приведенной к диапазону измерения основной погрешности измерений силы постоянного тока не превышают допустимого значения, указанного в таблице 4.
АВ-ТУК-2100/2121
8,000
□□ □□ 0000 0000
1вх+/11вх+ lBX+/Uflx+
X2
Fluke 9100
■> 24
23
22
21
20
19
18
17
16
15
14
13
12
11
10 “5“
Рисунок 2 - Схема поверки измерений силы и напряжения постоянного тока (разъем Х2 используется только в АВ-ТУК-2121)
Таблица 4 - Результаты измерений силы постоянного тока
№ канала |
Измеренные значения силы тока, мА |
Допустимая по-грешность, % | ||||
-20,0 |
-10,0 |
0,0 |
+10,0 |
+20,0 | ||
Ini |
±0,25 | |||||
In2 | ||||||
1пЗ | ||||||
1п4 | ||||||
1п5 | ||||||
1п6 | ||||||
1п7 | ||||||
1п8 | ||||||
1п9 | ||||||
InlO | ||||||
Ini 1 | ||||||
Ini 2 | ||||||
Inl3 | ||||||
Ini 4 | ||||||
Ini 5 | ||||||
Ini 6 |
-
8.4.1 Соберите схему, приведенную на рисунке 2.
-
8.4.2 Переведите в модуле все переключатели входов в положение «Н».
-
8.4.3 С помощью ПО «Sonica Client» сконфигурировать все каналы модуля в режим ввода напряжения ±5 В.
-
8.4.4 Подключите калибратор Fluke 9100 в режиме генерации напряжения постоянного тока ко входу Ini. Задавая на калибраторе напряжения, указанные в таблице 5, проведите измерения. Результаты измерений занесите в таблицу 5.
Таблица 5 - Результаты измерений напряжения постоянного тока
№ канала |
Измеренные значения напряжения, В |
Допустимая по-грешность, % | ||||
-5,0 |
-2,5 |
0,0 |
+2,5 |
+5,0 | ||
Ini |
±0,25 | |||||
In2 | ||||||
1пЗ | ||||||
1п4 | ||||||
1п5 | ||||||
1п6 | ||||||
1п7 | ||||||
1п8 | ||||||
1п9 | ||||||
InlO | ||||||
Ini 1 | ||||||
Inl2 | ||||||
Inl3 | ||||||
Inl4 | ||||||
Ini 5 | ||||||
Ini 6 |
-
8.4.5 Повторите операции по п. 8.4.4 для входов 1п2...1п8 (разъем XI), а в модуле 2121 и для входов дополнительной платы In9.. .Ini6 (разъем Х2).
-
8.4.6 Результаты измерений считаются удовлетворительными, если полученные значения приведенной к диапазону измерения основной погрешности измерений напряжения постоянного тока не превышают допустимого значения, указанного в таблице 5.
-
8.5.1 Соберите схему, приведенную на рисунке 3.
-
8.5.2 С помощью ПО «Sonica Client» сконфигурируйте модуль на работу с термопреобразователем сопротивления типа PtlOO (ГОСТ 6651-2009).
-
8.5.3 Подключите к входу 0 модуля проверяемого контроллера магазин сопротивлений МСР-60М по 4-х проводной схеме двумя витыми парами проводов.
-
8.5.4 Задавая на магазине значения сопротивлений, указанные в таблице 6, проведите измерения. Результаты измерений занесите в таблицу 6.
-
8.5.5 Повторите операции по п. 8.5.4 для входов 1...7, а в модуле 2222 и для входов
0... 7 дополнительной платы.
АВ-ТУК-2200/2222
Х1 |
Х2 |
X3 |
X4 | ||||
16 |
-1 3 |
-1 7 |
1 |
+l 0 |
<4 | ||
15 |
-S 3 |
-S 7 |
2 |
+S 0 |
+S 4 | ||
14 |
*S 3 |
+S 7 |
3 |
-S 0 |
-S 4 | ||
13 |
<3 |
+l 7 |
4 |
-L0 |
-l 4 | ||
12 |
-L2 |
-l 6 |
5 |
♦l 1 |
♦l 5 | ||
11 |
-S-2 |
-S 6 |
6 |
+S 1 |
+S 5 | ||
10 |
*S 2 |
♦S 6 |
7 |
-sj |
-S 5 | ||
9 |
+l 2 |
*l 6 |
8 |
-11 |
-l 5 | ||
8 |
-и |
-l 5 |
9 |
<2 |
<6 | ||
7 |
-SJ |
-S 5 |
10 |
+S 6 | |||
6 |
+SJ |
♦S 5 |
11 |
-S 2 |
-S 6 | ||
5 |
+1 1 |
+1.5 |
12 |
<2 |
-l 6 | ||
4 |
-L0 |
-L4 |
13 |
*L3 |
♦l 7 | ||
3 |
-s o |
-S 4 |
14 |
+S 3 |
+S 7 | ||
2 |
+s o |
+S 4 |
15 |
-S 3 |
-S 7 | ||
1 |
*|0 |
+l 4 |
16 |
-l 3 |
-L7 | ||
Рисунок 3 - Схема поверки измерений электрического сопротивления в температурном эквиваленте (Разъемы ХЗ, Х4 используются только в АВ-ТУК-2222. R - магазин сопротивлений)
Таблица 6 - Результаты измерений электрического сопротивления в температурном эквиваленте (имитация термопреобразователя сопротивления типа PtlOO)
№ входа |
Сопротивление магазина, Ом |
Расчетное значение температуры, °C |
Измеренное значение температуры, °C |
Допустимая погрешность, °C |
1 |
60,26 |
-100 |
±0,5 | |
80,31 |
-50 | |||
119,40 |
+50 | |||
157,33 |
+150 | |||
175,86 |
+200 | |||
... |
60,26 |
-100 | ||
80,31 |
-50 | |||
119,40 |
+50 | |||
157,33 |
+150 | |||
175,86 |
+200 | |||
n |
60,26 |
-100 | ||
80,31 |
-50 | |||
119,40 |
+50 | |||
157,33 |
+150 | |||
175,86 |
+200 |
-
8.5.6 С помощью ПО «Sonica Client» сконфигурируйте модуль на работу с термопреобразователем сопротивления типа Ptl ООО (ГОСТ 6651-2009).
-
8.5.7 Задавая на магазине значения сопротивлений, указанные в таблице 7, проведите измерения для входа 0. Результаты измерений занесите в таблицу 7.
-
8.5.8 Повторите операции по п. 8.5.7 для входов 1...7, а в модуле 2222 и для входов 0.. .7 дополнительной платы. Результаты измерений занесите в таблицу 7.
Таблица 7 - Результаты измерений электрического сопротивления в температурном эквиваленте (имитация термопреобразователя сопротивления типа Pt1000)
№ входа |
Сопротивление магазина, Ом |
Расчетное значение температуры, °C |
Измеренное значение температуры, °C |
Допустимая погрешность, °C |
1 |
602,6 |
-100 |
±0,5 | |
803,1 |
-50 | |||
1194,0 |
+50 | |||
1573,3 |
+150 | |||
1758,6 |
+200 | |||
... |
602,6 |
-100 | ||
803,1 |
-50 | |||
1194,0 |
+50 | |||
1573,3 |
+150 | |||
1758,6 |
+200 | |||
п |
602,6 |
-100 | ||
803,1 |
-50 | |||
1194,0 |
+50 | |||
1573,3 |
+150 | |||
1758,6 |
+200 |
-
8.5.9 С помощью ПО «Sonica Client» сконфигурируйте модуль на работу с термопреобразователем сопротивления типа 50М (ГОСТ 6651-2009).
-
8.5.10 Задавая на магазине значения сопротивлений, указанные в таблице 8, проведите измерения для входа 0. Результаты измерений занесите в таблицу 8.
-
8.5.11 Повторите операции по п. 8.5.10 для входов 1...7, а в модуле 2222 и для входов 0.. .7 дополнительной платы. Результаты измерений занесите в таблицу 8.
Таблица 8 - Результаты измерений электрического сопротивления в температурном эквиваленте (имитация термопреобразователя сопротивления типа 50М)
№ входа |
Сопротивление магазина, Ом |
Расчетное значение температуры, °C |
Измеренное значение температуры, °C |
Допустимая погрешность, °C |
1 |
28,27 |
-100 |
±0,5 | |
39,23 |
-50 | |||
60,70 |
+50 | |||
82,10 |
+150 | |||
92,80 |
+200 | |||
... |
28,27 |
-100 | ||
39,23 |
-50 | |||
60,70 |
+50 | |||
82,10 |
+150 | |||
92,80 |
+200 | |||
п |
28,27 |
-100 | ||
39,23 |
-50 | |||
60,70 |
+50 | |||
82,10 |
+150 | |||
92,80 |
+200 |
-
8.5.12 Результаты измерений считаются удовлетворительными, если полученные значения основной погрешности измерений электрического сопротивления в температурном эквиваленте не превышают допустимого значения, указанного в таблицах 6, 7 и 8.
8.6 Определение основных погрешностей измерений напряжения, силы, частоты переменного тока и абсолютной основной погрешности измерений угла фазового сдвига
8.6.1 Поверка модуля АВ-ТУК-81 в составе контроллера-
8.6.1.1 Соберите схему, приведенную на рисунке 4.
-
8.6.1.2 Подключите ТПК к Ресурс-К2 (далее Ресурс).
-
8.6.1.3 В ПО на Ресурс задайте следующие выходные сигналы:
-частота 51,0 Гц;
-
- напряжения 60,0 В;
-
- токи 0,2 А
-
- сдвиг фаз 0° (в фазе А - 0°, в фазе В - 240°, в фазе С -120°) для токов.
Рисунок 4 - Схема подключения для поверки модуля АВ-ТУК-81
-
8.6.1.4 В ПО «Sonica Client» сконфигурируйте поверяемый модуль на измерение по всем шести каналам токов с номинальным значением 1 А.
-
8.6.1.5 Включите подачу установленных сигналов с Ресурса. Результаты измерений поверяемым модулем, отображаемые в соответствующем окне программы «Sonica Client», занесите в таблицу 9.
-
8.6.1.6 Повторите измерений по п. 8.6.1.5, задавая на выходе Ресурса токи, указанные в таблице 9 до 2 А.
Таблица 9 - Результаты поверки модуля АВ-ТУК-81
Ток на выходе Ресурса, А |
Измеряемая величина |
Результаты измерений модулем АВ-ТУК-81 | |||
в каналах ХР1 |
в каналах ХР2 | ||||
Значение |
Погрешность |
Значение |
Погрешность | ||
0,2 |
Частота, Гц | ||||
Сила тока 1а, А | |||||
Сила тока 1в, А | |||||
Сила тока 1с, А | |||||
Угол 1А-1в,...° | |||||
Угол 1в — 1с, •••° | |||||
Угол 1с-1а, ...° | |||||
0,4 |
Частота, Гц | ||||
Сила тока 1а, А | |||||
Сила тока 1в, А | |||||
Сила тока 1с, А | |||||
Угол 1А — 1в,...° | |||||
Угол 1в — 1с, •••° | |||||
Угол 1с-1а, ...° | |||||
0,7 |
Частота, Гц | ||||
Сила тока 1а, А | |||||
Сила тока 1в, А | |||||
Сила тока 1с, А | |||||
Угол 1А-1в,...° | |||||
Угол 1в -1с,...° | |||||
Угол 1с-1а, ...° | |||||
1,0 |
Частота, Гц | ||||
Сила тока 1а, А | |||||
Сила тока 1в, А | |||||
Сила тока 1с, А | |||||
Угол 1А-1в,...° | |||||
Угол 1в-1с,...° | |||||
Угол 1с-1А,...° | |||||
1,5 |
Частота, Гц | ||||
Сила тока 1д, А | |||||
Сила тока 1в, А | |||||
Сила тока 1с, А | |||||
Угол1А-1в,...° | |||||
Угол 1в — 1с, •••° | |||||
Угол 1с-1а, ...° | |||||
2,0 |
Частота, Гц | ||||
Сила тока 1а, А | |||||
Сила тока 1в, А | |||||
Сила тока 1с, А | |||||
Угол 1А — 1в,...° | |||||
Угол 1в-1с, •••° | |||||
Угол 1с-1а, ...° | |||||
3,5 |
Частота, Гц | ||||
Сила тока 1д, А | |||||
Сила тока 1в, А | |||||
Сила тока 1с, А | |||||
Угол 1А-1в, •••° |
Ток на выходе Ресурса, А |
Измеряемая величина |
Результаты измерений модулем АВ-ТУК-81 | |||
в каналах ХР1 |
в каналах ХР2 | ||||
Значение |
Погрешность |
Значение |
Погрешность | ||
Угол 1в-1с,...° | |||||
Угол 1с-1д,...° | |||||
5,0 |
Частота, Гц | ||||
Сила тока 1д, А | |||||
Сила тока 1в, А | |||||
Сила тока 1с, А | |||||
Угол 1д-1В, ...° | |||||
Угол 1в-1с,...° | |||||
Угол 1с-1д,...° | |||||
7,5 |
Частота, Гц | ||||
Сила тока 1д, А | |||||
Сила тока 1в, А | |||||
Сила тока 1с, А | |||||
Угол 1д-1В, ...° | |||||
Угол 1в — 1с,...° | |||||
Угол 1с-1д,...° |
-
8.6.1.6 Отключите подачу сигналов с Ресурса. В ПО «Sonica Client» В ПО «Sonica Client» сконфигурируйте поверяемый модуль на измерение по всем шести каналам токов с номинальным значением 5 А.
-
8.6.1.7 Повторите измерения по п. 8.6.1.5, задавая на выходе Ресурса токи, указанные в таблице 9 от 3,5 до 7,5 А.
-
8.6.1.8 Вычислите полученные значения погрешностей по результатам измерений и занесите их в соответствующие столбцы таблицы 9.
-
8.6.1.8 Результаты измерений считаются удовлетворительными, если полученные значения основной погрешности измерений не превышают следующих допустимых значений:
-
- для частоты ±0,05 Гц:
-
- для силы тока ±(0,1 +0,1 ’1ИОМ /I) %;
-
- для разности фаз ±0,2°.
-
8.6.2.1 Соберите схему, приведенную на рисунке 5.
-
8.6.2.2 Подключите ТПК к Ресурс-К2 (далее Ресурс).
-
8.6.2.3 В ПО на Ресурс задайте следующие выходные сигналы:
-
- частота 51,0 Гц;
-
- напряжения 12,0 В;
-
- сдвиг фаз 0° (в фазе А - 0°, в фазе В - 240°, в фазе С - 120°) для напряжений.
-
8.6.2.4 Включите подачу установленных сигналов с Ресурса. Результаты измерений поверяемым модулем, отображаемые в соответствующем окне программы «Sonica Client», занесите в таблицу 10.
-
8.6.2.5 Повторите измерений по п. 8.6.2.4, задавая на выходе Ресурса напряжения, указанные в таблице 10.
Рисунок 5 - Схема подключения для поверки модуля АВ-ТУК-83
Таблица 10 - Результаты поверки модуля АВ-ТУК-83
Напряжение на выходе Ресурса, В |
Измеряемая величина |
Результаты измерений модулем АВ-ТУК-83 | |||
в каналах ХР1 |
в каналах ХР2 | ||||
Значение |
Погрешность |
Значение |
Погрешность | ||
12 |
Частота, Гц | ||||
Напряжение Ua, В | |||||
Напряжение Ub, В | |||||
Напряжение Uc, В | |||||
Угол Ua-Ub, ...° | |||||
Угол UB-UC,...° | |||||
Угол Uc-Ua, ...° | |||||
24 |
Частота, Гц | ||||
Напряжение Ua, В | |||||
Напряжение Ub, В | |||||
Напряжение Uc, В | |||||
Угол Ua-Ub, ...° | |||||
Угол UB-UC,...° | |||||
Угол Uc-Ua,...0 | |||||
36 |
Частота, Гц | ||||
Напряжение Ua, В | |||||
Напряжение Ub, В | |||||
Напряжение Uc, В | |||||
УголUa-Ub, ...° | |||||
Угол Ub-Uc, ...° | |||||
УголUc-Ua, ...° | |||||
60 |
Частота, Гц | ||||
Напряжение Ua, В | |||||
Напряжение Ub, В | |||||
Напряжение Uc, В | |||||
Угол Ua-Ub, ...° | |||||
Угол ив-ис,...° | |||||
Угол Uc-Ua, ...° |
Напряжение на выходе Ресурса, В |
Измеряемая величина |
Результаты измерений модулем АВ-ТУК-83 | |||
в каналах ХР1 |
в каналах ХР2 | ||||
Значение |
Погрешность |
Значение |
Погрешность | ||
90 |
Частота, Гц | ||||
Напряжение UA, В | |||||
Напряжение Ub, В | |||||
Напряжение Uc, В | |||||
УголиА-ив,...° | |||||
Уголив-ис,...° | |||||
Уголис-иА,...° | |||||
120 |
Частота, Гц | ||||
Напряжение UA, В | |||||
Напряжение UB, В | |||||
Напряжение Uc, В | |||||
УголиА-ив,...° | |||||
Уголив-ис,...° | |||||
Угол UC-UA,...° |
-
8.6.2.6 Вычислите полученные значения погрешностей по результатам измерений и занесите их в соответствующие столбцы таблицы 10.
-
8.6.2.7 Результаты измерений считаются удовлетворительными, если полученные значения основной погрешности измерений не превышают следующих допустимых значений:
-
- для частоты ±0,05 Гц:
-
- для напряжения ±(0,1+0,1 • UHOM /U)%;
-
- для разности фаз ±0,2°.
-
8.6.3.1 Соберите схему, приведенную на рисунке 6.
-
8.6.3.2 Подключите ТИК к Ресурс-К2 (далее Ресурс).
-
8.6.3.3 В ПО на Ресурс задайте следующие выходные сигналы:
-
- частота 51,0 Гц;
-
- напряжения 60,0 В;
-
- токи 0,2 А;
-
- сдвиг фаз 0° (в фазе А - 0°, в фазе В - 240°, в фазе С -120°) для напряжений и токов.
Контроллер АВ-ТУК
АВ-ТУК-82
ХР1
§ |
о со |
Q |
<5 | ||
1 |
2 |
3 |
4 |
5 |
6 |
ХР2
< |
m э |
8 |
Z |
1 |
2 |
3 |
4 |

Рисунок 6 - Схема подключения для поверки модуля АВ-ТУК-82
-
8.6.3.4 В ПО «Sonica Client» сконфигурируйте поверяемый модуль на измерение по трем каналам токов с номинальным значением 1 А.
-
8.6.3.5 Включите подачу установленных сигналов с Ресурса. Результаты измерений поверяемым модулем, отображаемые в соответствующем окне программы «Sonica Client», занесите в таблицу 11.
-
8.6.3.6 Повторите измерения по п. 8.6.3.3 - 8.6.3.5, задавая на выходе Ресурса значения силы тока, равные 0,4; 0,6; 0,8; 1,0 и 1,2 А при неизменном напряжении.
-
8.6.3.7 Отключите подачу сигналов с Ресурса. В ПО «Sonica Client» сконфигурируйте поверяемый модуль на измерение по трем каналам токов с номинальным значением 5 А.
-
8.6.3.8 Повторите измерений по п.п. 8.6.3.3 - 8.6.3.5, задавая на выходе Ресурса силу тока, равную 2,0; 3,0; 4,0; 5,0 и 6,0 А.
-
8.6.3.9 Отключите подачу сигналов с Ресурса.
Таблица 11 - Результаты поверки модуля АВ-ТУК-82 в режиме измерения токов при напряжениях Ua = Ub = Uc = 60 В и угле 0° между током и напряжением
Ток на выходе Ресурса, А |
Измеряемая величина |
Результаты измерении |
модулем АВ-ТУК-82 |
Значение |
Погрешность | ||
0,2 |
Частота, Гц | ||
Напряжение Ua, В | |||
Напряжение Ub, В | |||
Напряжение Uc, В | |||
Сила тока 1д, А | |||
Сила тока 1в, А | |||
Сила тока 1с, А | |||
Угол 1А-1В,...” | |||
Угол 1в-1с,...° | |||
Угол 1с-1А,...° | |||
УголиА-ив,...° | |||
Угол UB-Uc,...° | |||
Уголис-иА,...° | |||
Угол Ia-Ua, ...° | |||
Угол Ib-Ub, ...° | |||
Угол 1с-Uc,...° | |||
... |
Частота, Гц | ||
Напряжение UA, В | |||
Напряжение Ub, В | |||
Напряжение Uc, В | |||
Сила тока 1А, А | |||
Сила тока 1в, А | |||
Сила тока 1с, А | |||
Угол 1А-1В, •••° | |||
Угол 1в-1с,...° | |||
Угол 1С-1А, •••° | |||
УголиА-ив,...° | |||
Угол Ub-Uc, ...° | |||
Угол Uc-UA,...° | |||
Угол IA-UA,...° | |||
Угол Ib-Ub,...° | |||
Угол Ic-Uc,...° | |||
6,0 |
Частота, Гц | ||
Напряжение UA, В |
Ток на выходе Ресурса, А |
Измеряемая величина |
Результаты измерений |
модулем АВ-ТУК-82 |
Значение |
Погрешность | ||
Напряжение Ub, В | |||
Напряжение Uc, В | |||
Сила тока 1а, А | |||
Сила тока 1в, А | |||
Сила тока 1с, А | |||
Угол 1А-1В,...° | |||
Угол 1в-1с,...° | |||
Угол 1с-1а, ...° | |||
Угол Ua-Ub, ...° | |||
Уголив-ис,...° | |||
Уголис-иА,...° | |||
Угол1А-иА,...° | |||
Угол1в-ив,...° | |||
Угол Ic-Uc,...° |
-
8.6.3.10 В ПО на Ресурс задайте следующие выходные сигналы:
-
- частота 51,0 Гц;
-
- напряжения 12 В;
-
- токи 5 А;
-
- сдвиг фаз 0° (в фазе А - 0°, в фазе В - 240°, в фазе С -120°) для напряжений и токов.
-
8.6.3.11 Включите подачу установленных сигналов с Ресурса. Результаты измерений поверяемым модулем, отображаемые в соответствующем окне программы «Sonica Client», занесите в таблицу 12.
-
8.6.3.12 Повторите измерения по п. 8.6.3.10 - 8.6.3.11, задавая на выходе Ресурса значения напряжения, равные 24; 36; 48 и 72 В при неизменной силе тока.
-
8.6.3.13 Отключите подачу сигналов с Ресурса.
Таблица 12 - Результаты поверки модуля АВ-ТУК-82 в режиме измерения напряже ний при токах 1а = ТЬ = 1с = 5,0 А и угле 0° между током и напряжением
Напряжение на выходе Ресурса, В |
Измеряемая величина |
Результаты измерений |
модулем АВ-ТУК-82 |
Значение |
Погрешность | ||
12 |
Частота, Гц | ||
Напряжение UA, В | |||
Напряжение Ub, В | |||
Напряжение Uc, В | |||
Сила тока 1А, А | |||
Сила тока 1в, А | |||
Сила тока 1с, А | |||
Угол1А-1в,...° | |||
Угол 1в-1с,...° | |||
Угол 1с-1А,...° | |||
УголиА-ив,...° | |||
Уголив-ис,...° | |||
Угол UC-UA,...° | |||
Угол1А-иА,...° | |||
Угол Ib-Ub, ...° | |||
Угол Ic-Uc,...° |
Напряжение на выходе Ресурса, В |
Измеряемая величина |
Результаты измерений |
модулем АВ-ТУК-82 |
Значение |
Погрешность | ||
... |
Частота, Гц | ||
Напряжение Ua, В | |||
Напряжение Ub, В | |||
Напряжение Uc, В | |||
Сила тока 1д, А | |||
Сила тока 1в, А | |||
Сила тока 1с, А | |||
Угол1Л-1в,...° | |||
Угол 1в-1с,...° | |||
Угол 1с-1А,...° | |||
УголиА-ив,...° | |||
Угол Ub-Uc, ...° | |||
Уголис-иА,...° | |||
Угол IA-UA,...° | |||
Угол Ib-Ub, ...° | |||
Угол Ic-Uc,...° | |||
72 |
Частота, Гц | ||
Напряжение Ua, В | |||
Напряжение Ub, В | |||
Напряжение Uc, В | |||
Сила тока 1д, А | |||
Сила тока 1в, А | |||
Сила тока 1с, А | |||
Угол 1А-1в,...° | |||
Угол 1в-1с,...° | |||
Угол 1с-1а, ...° | |||
УголиА-ив,...° | |||
Угол ив-ис,...° | |||
Угол UC-UA,...° | |||
Угол Ia-Ua, ...° | |||
Угол Ib-Ub,...0 | |||
Угол1с-ис,...° |
-
8.6.3.14 В ПО на Ресурс задайте следующие выходные сигналы:
-
- частота 51,0 Гц;
-
- напряжения 60 В;
-
- токи 5 А;
-
- сдвиг фаз между напряжением и током 45° (для напряжения: в фазе А - 0°, в фазе В - 240°, в фазе С - 120°; для тока: в фазе А - 45°, в фазе В - 285°, в фазе С - 165°) для токов.
-
8.6.3.15 Включите подачу установленных сигналов с Ресурса. Результаты измерений поверяемым модулем, отображаемые в соответствующем окне программы «Sonica Client», занесите в таблицу 13.
-
8.6.3.16 Повторите измерения по п.п. 8.6.3.14 - 8.6.3.15, задавая на выходе Ресурса значения сдвига фаз между напряжением и током, равные 90°; 180° и 270° при неизменной силе тока и напряжении.
-
8.6.3.17 Отключите подачу сигналов с Ресурса.
Таблица 13 - Результаты поверки модуля АВ-ТУК-82 в режиме измерения угла нагрузки при токах la = lb = 1с = 5,0 А и напряжениях Ua = Ub = Uc = 60,00 В
Угол на выходе Ресурса,... 0 |
Измеряемая величина |
Результаты измерений модулем АВ-ТУК-82 | |
Значение |
Погрешность | ||
45 |
Частота, Гц | ||
Напряжение Ua, В | |||
Напряжение Ub, В | |||
Напряжение Uc, В | |||
Сила тока 1д, А | |||
Сила тока 1в, А | |||
Сила тока 1с, А | |||
Угол 1А-1в,...° | |||
Угол 1в-1с,...° | |||
Угол1с-1а,...° | |||
УголиА-ив,...° | |||
Угол UB-UC,...° | |||
Угол Uc-Ua, ...° | |||
Угол 1А-Ua, ...° | |||
Угол1в-ив,...° | |||
Угол Ic-Uc,...° | |||
... |
Частота, Гц | ||
Напряжение Ua, В | |||
Напряжение UB, В | |||
Напряжение Uc, В | |||
Сила тока 1а, А | |||
Сила тока 1в, А | |||
Сила тока 1с, А | |||
Угол 1А-1в,...° | |||
Угол1в-1с,...° | |||
Угол 1с-1а, ...° | |||
Угол Ua-Ub, ...° | |||
Угол Ub-Uc, ...° | |||
Угол Uc-Ua,...° | |||
Угол 1А-Ua, ...° | |||
Угол 1в-UB,...° | |||
Угол Ic-Uc,...° | |||
270 |
Частота, Гц | ||
Напряжение Ua, В | |||
Напряжение Ub, В | |||
Напряжение Uc, В | |||
Сила тока 1д, А | |||
Сила тока 1в, А | |||
Сила тока 1с, А | |||
Угол 1а-1в,...° | |||
Угол 1в — 1с, ...* | |||
Угол 1с-1а, ...° | |||
Угол Ua-Ub, ...° | |||
Угол Ub-Uc,...° | |||
Угол Uc-Ua,...° | |||
Угол 1А-Ua, ...° |
Угол на выходе Ресурса,... 0 |
Измеряемая величина |
Угол Ib-Ub, ...° | |
Угол Ic-Uc,...° |
Результаты измерений |
модулем АВ-ТУК-82 |
Значение |
Погрешность |
8.6.3.18 Вычислите полученные значения погрешностей по результатам измерений и
занесите их в соответствующие столбцы в таблицах 11-13.
8.6.3.19 Результаты измерений считаются удовлетворительными, если полученные
значения основной погрешности измерений не превышают следующих допустимых значений:
-
- для частоты ±0,05 Гц:
-
- для силы тока ±(0,1+0,1 -IH0M/Г) %;
-
- для напряжения ±(0,1+0,1 'UH0MIU) %;
-
- для разности фаз ±0,2°.
-
8.6.4.1 Соберите схему, приведенную на рисунке 7.
-
8.6.4.2 Подключите Т11К к Ресурс-К2 (далее Ресурс) и Энергомонитор-3.1 КМ (далее
Энергомонитор).
-
8.6.4.3 В ПО на Ресурс задайте следующие выходные сигналы:
-
- частота 51,0 Гц;
-
- напряжения 60,0 В;
-
- токи 0,2 А;
-
- сдвиг фаз 0° (в фазе А - 0°, в фазе В - 240°, в фазе С -120°) для напряжений и токов.
-
8.6.4.4 В ПО «Sonica Client» сконфигурируйте поверяемый модуль на измерение по
трем каналам токов с номинальным значением 1000 мА.
8.6.4.5 Включите подачу установленных сигналов с Ресурса. Зафиксируйте отобра
жаемые на дисплее прибора Энергомонитор и в ПО поверяемого модуля результаты измере
ний в таблице 14.
8.6.4.6 Повторите измерения по п. 8.6.4.3 - 8.6.4.5, задавая на выходе Ресурса значе
ния силы тока, равные 0,4; 0,6; 0,8 и 1,0 А при неизменном напряжении.
8.6.4.7 В ПО «Sonica Client» сконфигурируйте поверяемый модуль на измерение по
трем каналам токов с номинальным значением 400 мА.
8.6.4.8 Повторите измерения по п. 8.6.4.3 - 8.6.4.5, задавая на выходе Ресурса значе
ния силы тока, равные 100,200,300,400 и 500 мА при неизменном напряжении.
8.6.4.9 В ПО «Sonica Client» сконфигурируйте поверяемый модуль на измерение по
трем каналам токов с номинальным значением 200 мА.
8.6.4.10 Повторите измерения по п. 8.6.4.3 - 8.6.4.5, задавая на выходе Ресурса значе
ния силы тока, равные 50,100, 150,200 и 250 мА при неизменном напряжении.
8.6.4.11 В ПО «Sonica Client» сконфигурируйте поверяемый модуль на измерение по
трем каналам токов с номинальным значением 100 мА.
8.6.4.12 Повторите измерения по п. 8.6.4.3 - 8.6.4.5, задавая на выходе Ресурса значе
ния силы тока, равные 25,50, 75 ,100 и 125 мА при неизменном напряжении.
8.6.4.13 В ПО «Sonica Client» сконфигурируйте поверяемый модуль на измерение по
трем каналам токов с номинальным значением 50 мА.
8.6.4.14 Повторите измерения по п. 8.6.4.3 - 8.6.4.5, задавая на выходе Ресурса значе
ния силы тока, равные 12,24, 36,48 и 60 мА при неизменном напряжении.
8.6.4.15 В ПО «Sonica Client» сконфигурируйте поверяемый модуль на измерение по
трем каналам токов с номинальным значением 25 мА.
8.6.4.16 Повторите измерения по п. 8.6.4.3 - 8.6.4.5, задавая на выходе Ресурса значе
ния силы тока, равные 6,12,18,24 и 30 мА при неизменном напряжении. 8.6.4.17 Отключите подачу сигналов с Ресурса.
Контроллер AB-ТУК

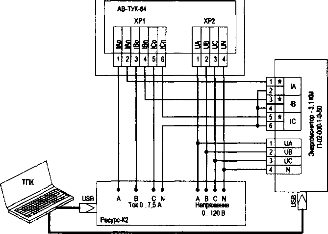
Рисунок 7 - Схема подключения для поверки модуля АВ-ТУК-84
Таблица 14 - Результаты поверки модуля АВ-ТУК-84 в режиме измерения токов при напряжениях Ua = Ub = Uc = 60 В и угле 0° между током и напряжением
Ток на выходе Ресурса, А |
Измеряемая величина |
Результаты измерений прибором Энергомонитор-3.1КМ |
Результаты из» АВ-1 |
«ерений модулем ГУК-84 |
Значение |
Погрешность | |||
Номинальное значение тока, мА | ||||
Частота, Гц | ||||
Напряжение Ua, В | ||||
Напряжение Ub, В | ||||
Напряжение Uc, В | ||||
Сила тока 1д, А | ||||
Сила тока 1в, А | ||||
Сила тока 1с, А | ||||
Угол1А-1в,...° | ||||
Угол 1в-1с,...° | ||||
Угол 1с-1А,...° | ||||
Угол Ua-Ub, ...° | ||||
Угол Ub-Uc, ...° | ||||
Угол Uc-Ua, ...° | ||||
Угол Ia-Ua, ...° | ||||
Угол1в-ив,...° | ||||
Угол Ic-Uc,...° |
-
8.6.4.18 В ПО на Ресурс задайте следующие выходные сигналы:
-
- частота 51,0 Гц;
-
- напряжения 12 В;
-
- токи 0,8 А;
-
- сдвиг фаз 0° (в фазе А - 0°, в фазе В - 240°, в фазе С -120°) для напряжений и токов.
-
8.6.4.19 Включите подачу установленных сигналов с Ресурса. Зафиксируйте отображаемые на дисплее прибора Энергомонитор и в ПО поверяемого модуля результаты измерений в таблице 15.
-
8.6.4.20 Повторите измерения по п. 8.6.4.18 - 8.6.4.19, задавая на выходе Ресурса значения напряжения, равные 24; 36; 48 и 72 В при неизменной силе тока.
-
8.6.4.21 Отключите подачу сигналов с Ресурса.
Таблица 15 - Результаты поверки модуля АВ-ТУК-84 в режиме измерения напряже-
ний при токах |
а = lb = 1с = 0,8 А и угле 0° между током и напряжением | |||
Напряжение на выходе Ресурса, В |
Измеряемая величина |
Результаты измерений прибо-ром Энергомони-тор-ЗЛКМ |
Результаты из> АВ-1 |
дерений модулем ГУК-84 |
Значение |
Погрешность | |||
12 |
Частота, Гц | |||
Напряжение Ua, В | ||||
Напряжение Ub, В | ||||
Напряжение Uc, В | ||||
Сила тока 1а, А | ||||
Сила тока 1в, А | ||||
Сила тока 1с, А | ||||
Угол 1д- 1в, ...° | ||||
Угол 1в-1с,...° | ||||
Угол 1с-1а, ...° | ||||
Угол Ua-Ub, ...° | ||||
Угол Ub-Uc, ...° | ||||
Уголис-иА,...° | ||||
Угол 1А-UA,...° | ||||
Угол Ib-Ub, ...° | ||||
Угол Ic-Uc,...° | ||||
... |
Частота, Гц | |||
Напряжение Ua, В | ||||
Напряжение Ub, В | ||||
Напряжение Uc, В | ||||
Сила тока 1а, А | ||||
Сила тока 1в, А | ||||
Сила тока 1с, А | ||||
Угол 1а-1в,...° | ||||
Угол 1в-1с,...° | ||||
Угол 1с-1А,...° | ||||
Угол Ua-Ub,...0 | ||||
УголUb-Uc, ...° | ||||
Уголис-иА,...° | ||||
Угол 1А-Ua, ...° | ||||
Угол Ib-Ub, ...° | ||||
УголIc-Uc,...° | ||||
72 |
Частота, Гц | |||
Напряжение Ua, В | ||||
Напряжение Ub, В | ||||
Напряжение Uc, В | ||||
Сила тока 1а, А | ||||
Сила тока 1в, А | ||||
Сила тока 1с, А | ||||
Угол 1А-1в, •••° | ||||
Угол 1в - 1с,...° |
Напряжение на выходе Ресурса, В |
Измеряемая величина |
Результаты измерений прибо-ром Энергомони-тор-ЗЛКМ |
Результаты из» АВ-1 |
дерений модулем ГУК-84 |
Значение |
Погрешность | |||
Угол 1с-1А,...° | ||||
Угол UA-UB,...° | ||||
Уголив-ис,...° | ||||
Угол Uc-Ua, ...° | ||||
Угол IA-UA,...° | ||||
Угол1в-ив,...° | ||||
Угол Ic-Uc,...° |
-
8.6.4.22 В ПО на Ресурс задайте следующие выходные сигналы:
-частота 51,0 Гц;
-
- напряжения 60 В;
-
- токи 0,8 А;
-
- сдвиг фаз между напряжением и током 45° (для напряжения: в фазе А - 0°, в фазе В - 240°, в фазе С - 120°; для тока: в фазе А - 45°, в фазе В - 285°, в фазе С - 165°) для токов.
-
8.6.4.23 Включите подачу установленных сигналов с Ресурса. Зафиксируйте отображаемые на дисплее прибора Энергомонитор и в ПО поверяемого модуля результаты измерений в таблице 16.
-
8.6.4.24 Повторите измерения по п.п. 8.6.4.22 - 8.6.4.23,, задавая на выходе Ресурса значения сдвига фаз между напряжением и током, равные 90°; 180° и 270° при неизменной силе тока и напряжении.
-
8.6.4.25 Отключите подачу сигналов с Ресурса.
Таблица 16 - Результаты проверки модуля АВ-ТУК-84 в режиме измерения угла нагрузки при токах la = lb = 1с = 0,8 А и напряжениях Ua = Ub = Uc = 60,00 В
Угол на выходе Ресурса, ° |
Измеряемая величина |
Результаты измерений прибором Энергомонитор-3.1КМ |
Результаты из» АВ-1 |
дерений модулем ГУК-84 |
Значение |
Погрешность | |||
45 |
Частота, Гц | |||
Напряжение Ua, В | ||||
Напряжение UB, В | ||||
Напряжение Uc, В | ||||
Сила тока 1а, А | ||||
Сила тока 1в, А | ||||
Сила тока 1с, А | ||||
Угол 1А-1в,...° | ||||
Угол IB-1с,...° | ||||
Угол 1с-1А,...° | ||||
Угол UA-UB,...° | ||||
Угол UB-Uc,...° | ||||
Угол Uc-Ua, ...° | ||||
Угол 1А-UA,...° | ||||
Угол1в-ив,...° | ||||
Угол Ic-Uc,...° | ||||
... |
Частота, Гц | |||
Напряжение Ua, В | ||||
Напряжение UB, В | ||||
Напряжение Uc, В |
Угол на выходе Ресурса, 0 |
Измеряемая величина |
Результаты измерений прибором Энергомонитор-3.1КМ |
Результаты из» АВ-1 |
«ерений модулем ГУК-84 |
Значение |
Погрешность | |||
Сила тока 1д, А | ||||
Сила тока 1в, А | ||||
Сила тока 1с, А | ||||
Угол 1А-1в, •••° | ||||
Угол 1в-1с,...° | ||||
Угол 1с-1А,...° | ||||
УголиА-ив,...° | ||||
Уголив-ис,...° | ||||
Уголис-иА,...° | ||||
Угол1А-иА,...° | ||||
Угол1в-ив,...° | ||||
Угол Ic-Uc,...° | ||||
270 |
Частота, Гц | |||
Напряжение UA, В | ||||
Напряжение Ub, В | ||||
Напряжение Uc, В | ||||
Сила тока 1А, А | ||||
Сила тока 1в, А | ||||
Сила тока 1с, А | ||||
Угол 1А-1в,...° | ||||
Угол 1в-1с,...° | ||||
Угол 1С-1А,...° | ||||
УголиА-ив,...° | ||||
Уголив-ис,...° | ||||
Угол Uc-UA,...° | ||||
Угол Ia-Ua, ...” | ||||
Угол IB-UB,...° | ||||
Угол Ic-Uc,...° |
-
8.6.4.26 Вычислите полученные значения погрешностей по результатам измерений и занесите их в соответствующие столбцы в таблицах 14-16.
-
8.6.4.27 Результаты измерений считаются удовлетворительными, если полученные значения основной погрешности измерений не превышают следующих допустимых значений:
-
- для частоты ±0,05 Гц:
-
- для силы тока ±0,2 %;
-
- для напряжения ±0,15 %;
-
- разности фаз ±0,03°.
-
8.6.5.1 Соберите схему, приведенную на рисунке 8.
-
8.6.5.2 Подключите ТПК к Ресурс-К2 (далее Ресурс).
Рисунок 8 - Схема подключения для поверки модуля АВ-ТУК-85
-
8.6.5.3 В ПО на Ресурс задайте следующие выходные сигналы:
-
- частот 51,0 Гц;
-
- напряжения 60,0 В;
-
- сила тока 0,2 А;
-
- сдвиг фаз равным 0° (в фазе А - 0°, в фазе В - 240°, в фазе С - 120°) для напряжений и токов.
-
8.6.5.4 В программе «Sonica Client» установите режим измерений «0...1 А» поверяемым модулем.
-
8.6.5.5 Включите подачу установленных сигналов с Ресурса. Результаты измерений поверяемым модулем, отображаемые в соответствующем окне программы «Sonica Client», занесите в таблицу 17.
-
8.6.5.6 Повторите измерения по п. 8.6.5.3 - 8.6.5.5, задавая на выходе Ресурса значения силы тока, равные 0,4; 0,6; 0,8; 1,0 и 1,2 А при неизменном напряжении.
-
8.6.5.7 Отключите подачу сигналов с Ресурса. В программе «Sonica Client» установите режим измерений «0...5 А».
-
8.6.5.8 Повторите измерений по п.п. 8.6.5.3 - 8.6.5.5, задавая на выходе Ресурса силу тока, равную 2,0; 3,0; 4,0; 5,0 и 6,0 А.
-
8.6.5.9 Отключите подачу сигналов с Ресурса.
Таблица 17 - Результаты поверки модуля АВ-ТУК-85 в режиме измерения токов при напряже ниях Ual = Ubl = Ucl = Ua2 = Ub2 = Uc2 = 60 В и угле 0° между током и напряжениями
Ток на выходе Ресурса, А |
Измеряемая величина |
Результаты измерений модулем АВ-ТУК-85 | |
Значение |
Погрешность | ||
0,2 |
Частота, Гц | ||
Напряжение Uai, В | |||
Напряжение Ubi, В | |||
Напряжение Uci, В | |||
Напряжение Ua2, В | |||
Напряжение Ub2, В | |||
Напряжение Uc2, В |
Ток на выходе Ресурса, А |
Измеряемая величина |
Результаты измерений |
модулем АВ-ТУК-85 |
Значение |
Погрешность | ||
Сила тока 1а, А | |||
Сила тока 1в, А | |||
Сила тока 1с, А | |||
... |
Частота, Гц | ||
Напряжение Uai, В | |||
Напряжение Ubi, В | |||
Напряжение Uci, В | |||
Напряжение Ua2, В | |||
Напряжение Ub2, В | |||
Напряжение Uc2, В | |||
Сила тока 1а, А | |||
Сила тока 1в, А | |||
Сила тока 1с, А | |||
6,0 |
Частота, Гц | ||
Напряжение Uai, В | |||
Напряжение Ubi, В | |||
Напряжение Uci, В | |||
Напряжение Ua2, В | |||
Напряжение Ub2, В | |||
Напряжение Uc2, В | |||
Сила тока 1а, А | |||
Сила тока 1в, А | |||
Сила тока 1с, А |
-
8.6.5.10 В ПО на Ресурс задайте следующие выходные сигналы:
-
- частот 51,0 Гц;
-
- напряжения 12,0 В;
-
- сила тока 5 А;
-
- сдвиг фаз равным 0° (в фазе А - 0°, в фазе В - 240°, в фазе С - 120°) для напряжений и токов.
-
8.6.5.11 Включите подачу установленных сигналов с Ресурса. Результаты измерений поверяемым модулем, отображаемые в соответствующем окне программы «Sonica Client», занесите в таблицу 18.
-
8.6.5.12 Повторите измерения по п. 8.6.5.10 - 8.6.5.11, задавая на выходе Ресурса значения напряжения, равные 24; 36; 48 и 72 В при неизменной силе тока.
-
8.6.5.13 Отключите подачу сигналов с Ресурса.
Таблица 18 - Результаты поверки модуля АВ-ТУК-85 в режиме измерения напряже-ний при токах la = lb = 1с = 5,0 А и угле 0° между током и напряжениями
Напряжение на выходе Ресурса, В |
Измеряемая величина |
Результаты измерений |
модулем АВ-ТУК-85 |
Значение |
Погрешность | ||
12 |
Частота, Гц | ||
Напряжение Uai, В | |||
Напряжение Ubi, В | |||
Напряжение Uci, В | |||
Напряжение Ua2, В | |||
Напряжение Ub2, В | |||
Напряжение Uc2, В | |||
Сила тока 1а, А |
Напряжение на выходе Ресурса, В |
Измеряемая величина |
Результаты измерений модулем АВ-ТУК-85 | |
Значение |
Погрешность | ||
Сила тока 1в, А | |||
Сила тока 1с, А | |||
... |
Частота, Гц | ||
Напряжение UAi, В | |||
Напряжение Ubi, В | |||
Напряжение Uci, В | |||
Напряжение Ua2, В | |||
Напряжение Ub2, В | |||
Напряжение Uc2, В | |||
Сила тока 1А, А | |||
Сила тока 1в, А | |||
Сила тока 1с, А | |||
72 |
Частота, Гц | ||
Напряжение UAi, В | |||
Напряжение Ubi, В | |||
Напряжение Uci, В | |||
Напряжение U^, В | |||
Напряжение UB2, В | |||
Напряжение Uc2, В | |||
Сила тока 1А, А | |||
Сила тока 1в, А | |||
Сила тока 1с, А |
-
8.6.5.14 Вычислите полученные значения погрешностей по результатам измерений и занесите их в соответствующие столбцы в таблицах 17-18.
-
8.6.5.15 Результаты измерений считаются удовлетворительными, если полученные значения основной погрешности измерений не превышают следующих допустимых значений:
-
- для частоты ±0,05 Гц:
-
- для силы тока ±0,02 А / 0,1 А для режимов 1А / 5А соответственно;
-
- для напряжения ±0,15 В.
-
9.1 При положительных результатах поверки выдается свидетельство о поверке.
-
9.2 При отрицательных результатах поверки контроллер бракуется и не допускается к дальнейшему применению, в паспорт вносится запись о непригодности его к эксплуатации, свидетельство о поверке аннулируется и выдается извещение о непригодности.
Рогожин С.Ю.
Леонов А.В.
/ Начальник отдела 206.1
/ ФГУП«ВНИИМС»
Научный сотрудник отдела 206.1
ФГУП «ВНИИМС»
26