Методика поверки «Анемометры сигнальные АС-1» (Код не указан!)
Приложение А
к паспорту ЯИКТ.416136.003 ПС (ЯИКТ.416136.003-02 ПС)
СОГЛАСОВАННО
УТВЕРЖДАЮ
Заместитель директора

Генеральный директор
ОАО «Сафоновский завод
«Г идрометприбор»
__________A-V*' Н.А. Куликов

Смоленск 2011 г.
1 Общие положения-
1.1 Настоящая методика поверки распространяется на анемометры сигнальные АС-1 ТУ 25-1607.008-82 (в дальнейшем анемометры) предназначенные для измерения мгновенной скорости ветра, автоматического определения по совместному воздействию скорости и продолжительности опасных порывов ветра и также включения при этом соответствующих сигнальных и противоаварийных устройств и устанавливает методику его первичной и периодической поверок.
-
1.2 Первичная поверка проводится при выпуске из производства и после ремонта, периодическая поверка - в процессе эксплуатации анемометров.
-
1.3 Межповерочный интервал - 2 года.
-
- диапазон измерений скорости ветра, м/с 2,5 до 45
-
- диапазон установки порогов срабатывания сигнализации:
-
- по скорости, м/с от 12 до 30
-
- по времени, с от 2 до 5
-
- пределы основной допускаемой погрешности
измерения скорости ветра, м/с ±(0,5+0,05V)
где V - измеряемая скорость пределы основной допускаемой погрешности
срабатывания сигнализации:
-
- по скорости, м/с, не более ±0,4
-
- по времени, с, не более ±0,4
-
3.1 При проведении поверки должны быть выполнены операции, указанные в таблице 3.1
Таблица 3.1
|
Наименование операций |
Номер пункта методики |
Проведение операции при | |
|
Первичной поверки |
Периодиче ской поверки | ||
|
1 |
2 |
3 |
4 |
|
Внешний осмотр |
8.1 |
± |
± |
|
Опробывание |
8.2 |
+ |
± |
|
Проверка сопротивления изоляции |
8.3 |
+ |
± |
|
1 |
2 |
3 |
4 |
|
Проверка электрической прочности изоляции |
8.4 |
+ |
- |
|
Определение диапазона и основной погрешности измерения скорости |
8.5 |
+ |
+ |
|
Определение диапазона установки порогов срабатывания сигнализации и погрешности срабатывания сигнализации: -по скорости - по времени |
8.6 8.7 |
+ + |
+ + |
|
Проверка программного обеспечения |
8.8 |
+ |
+ |
|
Примечание - Знак «+» означает, что операции проводятся | |||
-
3.2 Поверка прекращается при получении отрицательного результата по любому из пунктов таблицы 3.1.
-
4.1 При проведении поверки должны применяться средства измерения, указанные в таблице 4.1.
Таблица 4.1
|
Номер пункта методики поверки |
Наименование и тип основного или вспомогательного средства поверки, номер документа, регламентирующего технические требования к средству, метрологические и основные технические характеристики |
|
1 |
2 |
|
8.5-8.7 |
Аэродинамическая труба: диапазон создаваемых скоростей воздушного потока от 0,5 до 45 м/с ПГ ±(0,25±0,02V), где V- скорость воздушного потока; Генератор сигналов ГЗ-110, диапазон частот от 0,01 до 1999999,9 Гц ПГ ±3*10'7 кратковр. нестаб; Секундомер СТЦ-2М, диапазон от 0,1 до 9999,99 с, ПГ ±(20*10’6Т±10’2); Устройства для проверки цепей сигнализации и управления |
|
8.3-8.8 |
Термометр по ГОСТ 112-78, диапазон измерений от 0°С до плюс 50 °C, ПГ ±0,2 °C Измеритель относительной влажности воздуха ИВА-6АР, диапазон измерений от 10 до 95 %, ПГ ±3 %. Барометр-анероид БАММ-1, диапазон измерений от 80 до 107 кПа, ПГ ±0,2 кПа |
|
1 |
2 |
|
8.4 |
Универсальная пробойная установка УПУ-10 до 10 кВ, ПГ ±4% |
|
8.3 |
Мегаомметр Ф 4101 диапазон измерений (0...20000) МОм, КТ 2,5 |
|
8.8 |
Персональный компьютер |
-
4.2 Средства измерений, применяемые при поверке, должны быть поверены и иметь действующие свидетельства о поверке.
-
4.3 Допускается применять другие средства измерений по точности и пределам измерений не уступающие указанным.
-
5.1 К проведению поверки допускаются лица, прошедшие аттестованных в качестве поверителей, прошедшие инструктаж по технике безопасности, изучившие техническую документацию на средства измерений, испытательное оборудование, вспомогательную аппаратуру и настоящую методику поверки.
-
5.2 По способу защиты человека от поражения электрическим током анемометр относится к классу 01 ГОСТ 12.2.007.0-75.
-
6.1 Все операции поверки, если их условия не оговариваются особо следует проводить при нормальных условиях:
-
- температура окружающего воздуха, °C 20±5
-
- относительная влажность воздуха, % 45-80
-
- атмосферное давление, кПа от 86 до 106
-
6.2 Питание анемометров в зависимости от исполнения должно осуществляться:
-
- от сети переменного тока (220122) В,
частота (50±) Гц;
-
- от сети постоянного тока (24 +_\™) В
-
- от сети постоянного тока (12± 1) В
-
7.1 Перед поверкой анемометры должны выдерживаться при температуре окружающего воздуха не менее 2 ч.
-
7.2 Подготовить анемометр к работе согласно паспорта ЯИКТ.416136.003 ПС (ЯИКТ.416136.003-02 ПС).
-
7.3 Подготовить эталоны согласно эксплутационной документации на них.
-
8.1 Внешний осмотр
-
8.1.1 Проверка внешнего вида, комплектности (при выпуске из производства), маркировки анемометров.
-
8.1.2 Проверка внешнего вида, комплектности, маркировки и упаковки анемометров осуществляется визуально.
При внешнем осмотре должно быть установлено:
-
- отсутствие механических повреждений, влияющих на метрологические и технические характеристики анемометров;
-
- прочность крепления лицевой панели, разъемов и органов управления;
-
- наличие предохранителей;
-
- лакокрасочные покрытия не должны иметь дефектов, ухудшающих качество и внешний вид;
-
- маркировка анемометров должна быть четкой и ясной;
-комплектность анемометров должна соответствовать документации завода-изготовителя ЯИКТ.416136.003 ПС «Анемометр сигнальный АС-1. Паспорт» (ЯИКТ.416136.003-02 ПС)
-
8.2 Опробывание
-
8.2.1 При опробывании анемометра проверяется его работоспособность и функционирование.
-
8.2.2 При опробывании датчика анемометра необходимо установить вертушку на ось датчика, вращая ось датчика от руки убедиться в отсутствии искривления спиц. Вертушка должна свободно вращаться, совершив до остановки несколько оборотов.
-
8.2.3 Для проверки функционирования анемометра необходимо:
-
- соединить датчик с пультом;
-
- подать напряжение питания на пульт и, вращая от руки вертушку датчика, убедиться в наличии информации о скорости ветра на цифровом табло пульта (на экране монитора);
-
- последовательно нажимая кнопки «СБРОС», «СКОРОСТЬ», «ВРЕМЯ», убедиться в наличии информации об установленных порогах срабатывания сигнализации по скорости и времени.
-
8.3 Проверка сопротивления изоляции
-
8.3.1 Сопротивление изоляции между цепями питания переменного тока и корпусом пульта анемометров проверяется мегомметром с номинальным напряжением 500 В между:
-
1) закороченными штырьками вилки для подключения сети переменного тока и заземлением пульта;
-
2) закороченными проводами 3,5,6,7 и корпусом пульта.
-
8.3.2 Показания отсчитываются по истечении 1 мин после приложения напряжения или меньшего времени, за которое показания мегомметра практически установится.
-
8.3.3 Анемометры считаются выдержавшими испытание, если сопротивление изоляции цепей питаний не менее 20 МОм.
-
8.4 Проверка электрической прочности изоляции.
-
8.4.1 Электрическая прочность изоляции проверяется при нормальных условиях на пробойной установке напряжением 1000 В частотой 50 Гц.
-
8.4.2 Испытательное напряжение повышают плавно до испытательного в течение времени не более 30 с и выдерживают в течение 1 мин. Испытательное напряжение прикладывается между:
-
1) закороченными штырьками вилки для подключения сети переменного тока и корпусом пульта;
-
2) закороченными проводами 3,5,6,7 и корпусом пульта.
-
8.4.3 Анемометры считаются выдержавшими испытание, если не произошло пробоя или перекрытия изоляции.
-
8.5 Определение диапазона измерений и погрешности измерения скорости ветра.
-
8.5.1 Для определения диапазона измерений и погрешности измерения скорости ветра датчик ветра устанавливают в аэродинамической трубе так, чтобы вертушка находилась в середине ее рабочей части и последовательно задают скорости воздушного потока: (2,5 ±0,2), (5±0,3), (15±0,6), (25±0,9), (35±1,0), (45±1,1) м/с. Значение скорости отсчитывают по пульту
анемометра.
Абсолютная погрешность анемометра вычисляется по формуле (1)

(1)
где Va - значение скорости воздушного потока анемометра, м/с;
V’- значение скорости воздушного потока аэродинамической трубы, м/с.
-
8.5.2 Анемометры считаются выдержавшими испытание, если погрешность измерения скорости во всем диапазоне не более ±(0,5+0,05V), где V-измеряемая скорость.
-
8.6 Проверки диапазона установки порогов срабатывания сигнализации и абсолютной погрешности срабатывания сигнализации по скорости ветра.
-
8.6.1 Для проверки диапазона установки порогов срабатывания сигнализации и абсолютной погрешности срабатывания сигнализации по скорости ветра необходимо:
-
- к пульту подключить генератор ГЗ-110 (вместо датчика);
-
- подать питание на пульт и генератор импульсов и установить на пульте пороговое значение скорости 12 м/с в соответствии с п. 6.2.4 паспорта ЯИКТ.416136.003 ПС (п.8.1.3.6 ЯИКТ.416136.003-02 ПС);
-
- нажать на пульте кнопки «СБРОС» и «СКОРОСТЬ». На цифровом табло пульта должно появиться число, равное установленному порогу срабатывания сигнализации по скорости ветра;
-
- плавно повышая частоту генератора сигналов амплитудой 5 В до 21 Гц (соответствует 12 м/с) зафиксировать по цифровому табло пульта значение скорости. в момент загорания светодиода «ВНИМАНИЕ». Аналогичные операции провести при пороговых значениях скорости 18, 24, и 30 м/с, что соответствует 31, 42, и 52 Гц. соответственно.
AVn = Va-Vn где Va - значение скорости ветра на пульте анемометра, м/с;
(2)
Vn — значение установленного порога срабатывания скорости ветра, м/с.
-
8.6.3 Погрешность срабатывания сигнализации по скорости ветра не должна превышать ±0,4 м/с.
-
8.7 Проверка диапазона срабатывания сигнализации и абсолютной погрешности срабатывания по времени.
-
8.7.1 Для проверки диапазона срабатывания сигнализации и абсолютной погрешности срабатывания по времени необходимо:
-
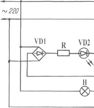
- подключить генератор сигналов ГЗ-110 к пульту (вместо датчика) и устройство для проверки цепей сигнализации собранное по схеме (рис. 1);
-
- подать питание на пульт, генератор и устройство для проверки цепей сигнализации;
-
- установить пороговое значение скорости 12 м/с и пороговое значение времени 2 с в соответствии с п. 6.2.4 паспорта ЯИКТ.416136.003 ПС (п. 8.1.3.6 ЯИКТ.416136.003-02 ПС);
-
- плавно увеличивая частоту генератора ГЗ-110 (около 21 Гц), включить секундомер в момент включения светодиода «ВНИМАНИЕ». В момент загорания лампочки «Н» на устройстве для проверки цепей сигнализации выключить секундомер и снять показания секундомера;
-
- аналогичные операции провести для пороговых значений времени 3, 4, 5 с.
-
8.7.2 Погрешность срабатывания сигнализации по времени при каждом пороговом значении вычисляется по формуле 3.
At = tH-tn, (3)
где t„ - измеренное время, с;
tn - установленное пороговое значение, с.
-
8.7.3 Погрешность срабатывания сигнализации по времени не должна превышает ±0,4 с.
-
8.8 Проверка программного обеспечения.
-
8.8.1 Проверка программного обеспечения проводится следующим образом:
-
- запустить программу для проверки контрольных сумм, для чего необходимо вставить диск с ПО в привод, используя интерфейс программы выбрать файл «setup_aslm_v_l_l.exe». Целостность файлов оценивается по совпадению контрольных сумм, вычисленных по алгоритму CRC32 и указанных в паспорте;
-
- в меню «СПРАВКА» выбрать «О ПРОГРАММЕ». На мониторе должно отобразиться окно с идентификационными данными программного обеспечения, их значения должны соответствовать указанным в паспорте.
-
8.8.2 Проверка целостности программного обеспечения встроенного микропроцессора:
- в программе «АС-1М» в меню «СПРАВКА» выбрать команду «ИНФОРМАЦИЯ О СВЯЗИ С ПРИБОРОМ» на мониторе должно отобразиться окно с идентификационными данными программного обеспечения, их значения должны соответствовать указанным в паспорте.
9 Оформление результатов поверки-
9.1 Если средство измерений по результатам поверки признано пригодным к применению, то на него или техническую документацию наносится поверительное клеймо или выдается свидетельство о поверке.
-
9.2 Если средство измерений по результатам поверки признано непригодным к применению, поверительное клеймо гасится, свидетельство о поверке аннулируется, выписывается извещение о непригодности или делается соответствующая запись в технической документации


Цепь
Конт
~220
^220
2
Упр.
6
У пр.
7
Сигнал
3
Сигнал
5
Земля
h
R - резистор С2-ЗЗН-2,0-22 кОм; VD1- блок выпрямительный КЦ405И;
VD2 - индикатор единичный АЛ307БМ; Н- эквивалент нагрузки (лампа накаливания мощностью 500 Вт напряжением ~ 220 В); Х4 - вилка ШР28П7ЭГ9.
Рисунок 1 - Приспособление для проверки цепей сигнализации и управления. Схема электрическая принципиальная.
