Методика поверки «Мера моделей дефектов МКП-8» (МКП-8.76005454.00 ПС)
Руководитель ГЦИ СИ Зам. директора ФГУП «ВНИИОФИ»

Н.П. Муравская
2011г.
(методика поверки - раздел 11)
МЕРА МОДЕЛЕЙ ДЕФЕКТОВ МКП-8Паспорт
МКП-8.76005454.00 ПС
2011 г.
11 Методика поверки-
11.1 Область применения
Настоящая методика поверки распространяется на Меры моделей дефектов МКП-8 (далее по тексту - меры), выпускаемые ООО "НПП "ПРОМПРИБОР".
Межповерочный интервал - 2 года.
-
11.2 Нормативные ссылки
В настоящей методике использованы ссылки на следующие нормативные документы:
-
- ПР 50.2.006-94 ГСИ. Правила по метрологии. Поверка средств измерений. Организация и порядок проведения поверки средств измерений.
-
- ПР 50.2.007-94 ГСИ. Правила по метрологии. Поверительные клейма
-
11.3 Операции и средства поверки
При проведении первичной и периодической поверок выполняют операции и
применяют средства поверки, указанные в таблице 3,
Наименование операции |
Номер пункта МП |
Вид поверки |
Наименование средства поверки, обозначение нормативного документа, регламентирующего технические требования, метрологические и основные технические характеристики средства поверки | |
Пер вичная |
Периодическая | |||
1 .Проверка внешнего вида и комплектности |
11.9.1 |
+ |
+ |
— |
2.Проверка скорости распространения продольных УЗК в мере |
11.9.2 |
+ |
+ |
Дефектоскоп ультразвуковой УД4-76, погрешность измерения амплитуды ± (0,2 + 0,03- Nx) дБ, где Nx - величина измеренного отношения амплитуд сигналов, номер госреестра 32724-06. |
3 .Проверка глубины залегания ИД |
11.9.3 |
+ |
- |
Штангенглубиномер ШГЦ, диапазон измерений от 0 до 170 мм, цена деления 0,05 мм, погрешность измерения глубины ± 0,05 мм, ГОСТ 162-90 |
4.Проверка диаметров ид |
11.9.4 |
+ |
- |
Калибры-пробки ПР-HE, диаметры: 3; 4; 5; 7 мм, ГОСТ 14807-69, ГОСТ 14810-69 |
5.Проверка расстояния от ближнего торца оси меры до ИД-0 |
11.9.5 |
+ |
- |
Рулетка измерительная, диапазон измерений от 0 до 2000 мм, 5 = ± 1мм, ГОСТ 7502-98 |
6.Проверка расстояния от поверхности ввода УЗ до ИД-К |
11.9.6 |
+ |
- |
Рулетка измерительная, диапазон измерений от 0 до 2000 мм, 5 = ± 1мм, ГОСТ 7502-98 |
5.Проверка коэффициента выявляемое™ |
11.9.7 |
+ |
+ |
Дефектоскоп ультразвуковой УД4-76, погрешность измерения амплитуды ± (0,2 + 0,03- Nx) дБ, где Nx - величина измеренного отношения амплитуд сигналов, номер госреестра 32724-06. Контрольный образец №2 из комплекта КОУ-2, диаметр отражателя 6 мм, глубина залегания отражателя 44 мм, номер госреестра 6612-99. Комплект образцов с искусственными отражателями КМД4-У, диаметр отражателя 3,2 мм, номер госреестра 35581-07. |
Примечания:
-
1 Допускается применение других средств поверки, обеспечивающих определение метрологических характеристик с требуемой точностью.
-
2 Применяемые средства поверки должны иметь действующие свидетельства о поверке.
11 .^-Требования к квалификации поверителей и требования безопасности
-
- К проведению поверки допускают лиц, имеющих квалификацию поверителя, аттестованных по ПР 50.2.012, прошедших инструктаж по технике безопасности и ознакомившихся с руководствами по эксплуатации оптического прибора и программного обеспечения, входящих в состав комплекса, а также эксплуатационной документацией на средства поверки.
-
- При проведении поверки необходимо соблюдать правила электробезопасности, указанные в эксплуатационной документации на средства поверки.
-
- Все приборы и оборудование, питаемые от электросети, должны быть заземлены.
-
- Процесс проведения поверки не относиться к вредным условиям труда и не наносит вред окружающей среде.
11.5Условия поверки
При проведении поверки должны соблюдаться следующие условия:
-
- температура окружающего воздуха - 20 ± 5 °C;
-
- относительная влажность воздуха - 65 ± 15 %;
-
- атмосферное давление - от 86,0 до 106,7 кПа.
-
11.6 Перед проведением поверки поверхность меры должна быть очищена от грязи, а средства поверки должны быть подготовлены к работе в соответствии с их инструкциями по эксплуатации.
-
11.7 После пребывания меры в условиях отличных от нормальных, она должна быть выдержана не менее 1 часа в условиях, соответствующих п.11.5.
-
11.8 Первичная поверка меры производится после ее изготовления. Результаты измерений линейных и акустических параметров ИД при первичной поверке заносятся в настоящий паспорт.
-
11.9 Проведение поверки
11.9.1 Проверка внешнего вида и комплектности
При внешнем осмотре должно быть установлено соответствие меры следующим требованиям:
-
- комплектность, маркировка должны соответствовать требованиям паспорта на меру;
-
- на поверхности меры, содержащей дефекты, не должно быть грубых вмятин, рисок и царапин, соизмеримых по величине с размерами дефектов.
Мера считается прошедшей поверку с положительным результатом, если комплектность соответствует паспорту, имеется маркировка с ясным указанием типа и серийного номера меры, отсутствуют грубые вмятины, риски и царапины, соизмеримые по величине с размерами дефектов.
Если данные требования не выполняются, то мера считается непригодной к применению, к эксплуатации не допускается, выписывается свидетельство о непригодности, дальнейшие пункты методики не выполняются.
11.9.2 Проверка скорости распространения продольных УЗК в мере
Проверку скорости распространения УЗК проводят дефектоскопом ультразвуковым типа УД4-76 по методике, указанной в его эксплуатационных документах.
Мера считается прошедшей поверку с положительным результатом, если измеренное значение скорости распространения УЗК соответствует значению 5940 ± 50.
Если данные требования не выполняются, то мера считается непригодной к применению, к эксплуатации не допускается, выписывается свидетельство о непригодности, дальнейшие пункты методики не выполняются.
11.9.3 Проверка глубины залегания ИД
Проверку глубины залегания ИД проводят с помощью штангенглубиномера со штангой в виде цилиндрического стержня диаметром 1 мм.
Провести измерения глубины залегания ИД в 5 произвольных точках. Вычислить i
среднее арифметическое значение результатов измерений глубины залегания ИД d по формуле:
J =^L, мм
5
Мера считается прошедшей поверку с положительным результатом, если измеренное значение глубины залегания ИД соответствует значению, указанному в таблице 1 паспорта на меру.
Если данные требования не выполняются, то мера считается непригодной к применению, к эксплуатации не допускается, выписывается свидетельство о непригодности, дальнейшие пункты методики не выполняются.
11.9.4 Проверка диаметров ИД
Проверка диаметров ИД производится с помощью калибров-пробок диаметрами 3; 4; 5; 7 мм. Для этого в каждое отверстие ИД поочередно вставляют калибры соответствующего диаметра П-НЕ (приемный непроходной) и П-ПР (приемный проходной).
Мера считается прошедшей поверку с положительным результатом, если в отверстие ИД входит калибр П-ПР диаметра, соответствующего таблице 1 паспорта на меру, а калибр П-НЕ того же диаметра не входит.
Если данные требования не выполняются, то мера считается непригодной к применению, к эксплуатации не допускается, выписывается свидетельство о непригодности, дальнейшие пункты методики не выполняются.
11.9.5 Проверка расстояния от ближнего торца оси меры до ИД-О.
Проверка расстояния от ближнего торца оси меры до ИД-0 производится с помощью рулетки измерительной.
Провести измерения расстояния от ближнего торца оси меры до ИД-0 в 5
i произвольных точках. Вычислить среднее арифметическое значение результатов измерений расстояния от ближнего торца оси меры до ИД-0 d по формуле:
5
Мера считается прошедшей поверку с положительным результатом, если измеренное значение расстояния от ближнего торца оси меры до ИД-0 соответствует значению, указанному в таблице 1 паспорта на меру.
Если данные требования не выполняются, то мера считается непригодной к применению, к эксплуатации не допускается, выписывается свидетельство о непригодности, дальнейшие пункты методики не выполняются.
11.9.6 Проверка расстояния от поверхности ввода УЗ до ИД-К (или от базовой поверхности)
Проверка расстояния от поверхности ввода УЗ до ИД-К (или от базовой поверхности) производится с помощью рулетки измерительной.
Провести измерения расстояния от поверхности ввода УЗ до ИД-К (или от базовой поверхности) в 5 произвольных точках. Вычислить среднее арифметическое значение i
результатов измерений расстояния от поверхности ввода УЗ до ИД-К (или от базовой поверхности) d по формуле:
J = Z^L,mm5
Мера считается прошедшей поверку с положительным результатом, если измеренное значение расстояния от поверхности ввода УЗ до ИД-К (или от базовой поверхности) соответствует значению, указанному в таблице 1 паспорта на меру.
Если данные требования не выполняются, то мера считается непригодной к применению, к эксплуатации не допускается, выписывается свидетельство о непригодности, дальнейшие пункты методики не выполняются.
11.9.7 Проверка коэффициента выявляемости
Проверку коэффициента выявляемости проводят при помощи дефектоскопа ультразвукового УД4-76, и образцов-свидетелей из комплектов КМД4-У и КОУ-2.
Измеренные значения амплитуд эхо-сигналов от эталонного отражателя в соответствующем образце свидетеле и значения коэффициента выявляемости при первичной поверке заносят в таблицы 4-6 настоящего паспорта.
Мера считается прошедшей поверку с положительным результатом, измеренные значения коэффициента выявляемости отличаются от паспортных данных не более чем на ± 2 дБ.
Если данные требования не выполняются, то мера считается непригодной к применению, к эксплуатации не допускается, выписывается свидетельство о непригодности, дальнейшие пункты методики не выполняются.
11.10 Оформление результатов поверки
Результаты поверки каждой меры заносятся в протокол поверки.
При положительных результатах поверки выписывается свидетельство о поверке установленного образца. При отрицательных результатах поверки выписывается извещение о непригодности с указанием причин.
12 Информация об изготовителеОбщество с ограниченной ответственностью
«Научно-производственное предприятие ПРОМПРИБОР»
(ООО "НПП "ПРОМПРИБОР")
Адрес: 107078, г. Москва, Орликов переулок, 6.
Телефакс: (495) 580-37-77;
E-mail: pp@ndtprompribor.ru;
Сайт: www.ndtprompribor.ru
Мера моделей дефектов МКП-8

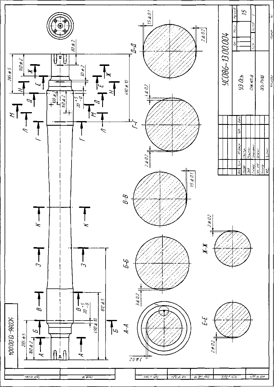
Рисунок А.1 - Эскиз оси РУ1Ш меры МКП-8 (лист 1)

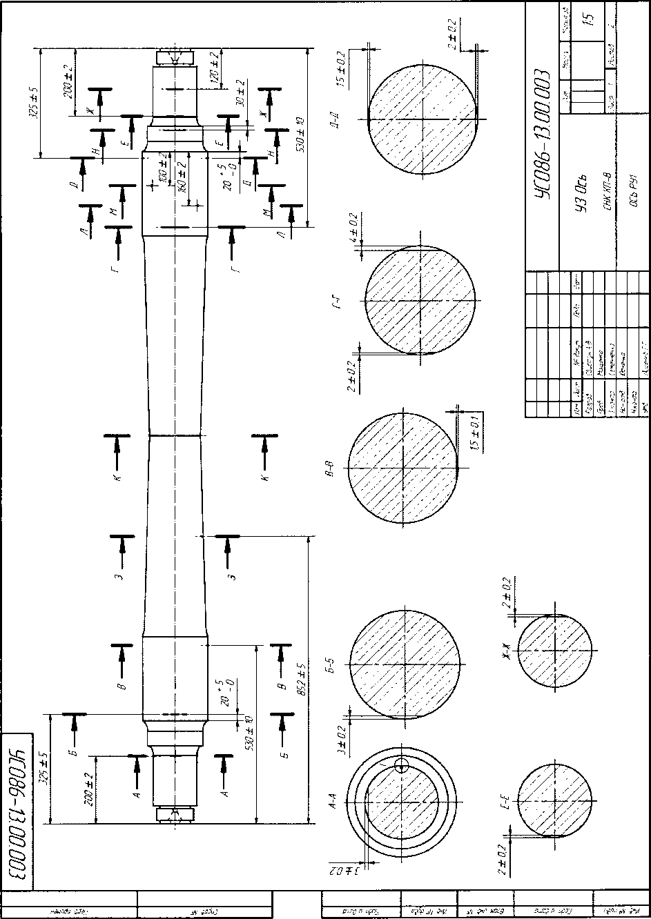
Рисунок А.2 - Эскиз оси РУ1Ш меры МКП-8 (лист 2)

Рисунок А.З - Эскиз оси типа РУ 1 меры МКП-8 (лист 1)


Рисунок А.4 — Эскиз оси типа РУ1 меры МКП-8 (лист 2)
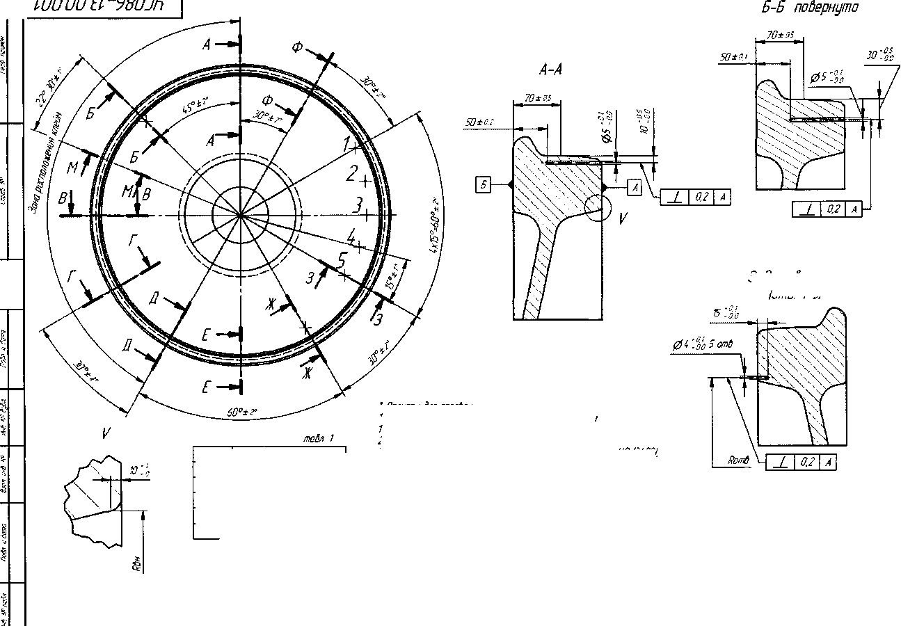
Рисунок А.5 - Эскиз колеса меры МКП-8 (лист 1)

Размеры для справок
'’ Значения размеров уточняется при изготовлении
-
1 Отверстия 1-5 - сверление:
-
2 Угол заточки сверла 120°;
-
3 Рви - внутренний радиус колеса /измеряется согласно
t Колесо цельнокатанное должно соответствовать ГОСТ 9036-88 и UB/3129.
5 Клеймо должно располагаться в секторе между разрезами А-А до Д-Д !считать против часовой стрелки!
ЦВ/3129!
Л® атв |
Радиус, Ротв |
1 |
!РвнЛ9! ±1 |
2 |
1Рвн*38! ± i |
3 |
(Рвн*27! ±1 |
! |
!РвнИ6! ± 1 |
5 |
IRM ±1 |
3-3 повернуто
(omb. 1-5)

Продолжение приложения А

Рисунок А.6 - Эскиз колеса меры МКП-8 (лист 2)
Приложение Б(обязательное)
Протокол поверки меры моделей дефектов МПК-8
Изготовитель_____________________________________________________________
Заводской номер меры_____________________________
Мера принадлежит________________________________
Поверку производил_________________________
«____»_________________200____г
Результаты поверки:________________________________________
Поверяемая характеристика |
Значение характеристики |
Вывод | ||
номинальное |
допускаемое |
измеренное | ||
Заключение по результатам поверки
Подпись поверяющего________________________/________________/
19