Методика поверки «Калибраторы давления портативные "Элемер-пкд-160» (НКГЖ.406233.050МП)
УТВЕРЖДАЮ
УТВЕРЖДАЮ
Технический директор
ООО «ИЦРМ»
В.М. Окладников
2018 г.

КАЛИБРАТОРЫ ДАВЛЕНИЯ ПОРТАТИВНЫЕ
«ЭЛЕМЕР-ПКД-160»Методика поверки
НКГЖ.406233.050МП
г. Москва, г. Зеленоград 2018 г.
СОДЕРЖАНИЕ
1 ОБЛАСТЬ ПРИМЕНЕНИЯ
-
1.1 Настоящая методика поверки распространяется на калибраторы давления портативные «ЭЛЕМЕР-ПКД-160» (далее - ПКД-160), предназначенные для воспроизведений и измерений абсолютного давления, избыточного давления, избыточного давления-разрежения, а также электрических сигналов силы постоянного тока и сигналов преобразователей давления эталонных ПДЭ-020, ПДЭ-020И (далее - ПДЭ).
-
1.2 ПКД-160 выпускаются в следующих модификациях: «ЭЛЕМЕР-ПКД-160-П» в пластиковом кейсе с одним каналом воспроизведения давления; «ЭЛЕМЕР-ПКД-160-Н» в металлическом корпусе с одним каналом или двумя каналами воспроизведения давления.
-
1.3 Настоящая методика поверки может быть применена при калибровке ПКД-160.
-
1.4 Интервал между поверками 1 год.
2 ОПЕРАЦИИ ПОВЕРКИ
-
2.1 При проведении поверки выполняют операции, указанные в таблице 2.1.
Таблица 2,1 - Операции поверки
|
Наименование операции |
Номер пунк-та методики поверки |
Проведение операции при | |
|
первичной поверке |
периодической поверке | ||
|
1 Внешний осмотр |
6.1 |
Да |
Да |
|
2 Опробование |
6.2 |
Да |
Да |
|
3 Проверка электрической прочности изоляции |
6.3 |
Да |
Нет |
|
4 Проверка электрического сопротивления изоляции |
6.4 |
Да |
Нет |
|
5 Проверка герметичности пневматической системы |
6.5 |
Да |
Да |
|
6 Определение основной приведенной погрешности встроенного цифрового датчика давления |
6.6 |
Да |
Да |
|
7 Определение основной приведенной погрешности встроенного стрелочного манометра |
6.7 |
Да |
Да |
|
8 Определение основной приведенной погрешности ПКД-160 в комплекте с внешними ПДЭ-020, ПДЭ-020И |
6.8 |
Да |
Да |
|
9 Определение основной абсолютной погрешности воспроизведения силы постоянного тока |
6.9 |
Да |
Да |
|
10 Определение основной абсолютной погрешности измерения силы постоянного тока |
6.10 |
Да |
Да |
|
11 Подтверждение программного обеспечения |
6.11 |
Да |
Да |
3 СРЕДСТВА ПОВЕРКИ
-
3.1 При проведении поверки рекомендуется применять основные и вспомогательные средства поверки, указанные в таблице 3.1.
Таблица 3.1 - Средства поверки
|
№ п/п |
Наименование средства поверки и обозначение НТД |
Регистрационный номер в Федеральном информационном фонде (метрологические характеристики) |
Номер пункта методики поверки |
|
Основные средства поверки | |||
|
1 |
Меры электрического сопротивления однозначные МСЗ 006 ТУ 303-10.0035-91 |
№ 12758-91 (Номинальные значения сопротивлений: 10 Ом; 50 Ом; 100 Ом; 150 Ом; 300 Ом. Класс точности 0,001) |
пп. 6.9 6.10 |
|
2 |
Калибратор-измеритель унифицированных сигналов прецизионный «ЭЛЕМЕР-ИКСУ-2012 » ТУ 4381-113-13282997-2013 |
№ 56318-14 (Диапазон воспроизведения и измерений силы постоянного тока: от 0 до 25 мА. Основная погрешность: ±(10-4+1) мкА) |
пп. 6.2 6.10 |
|
3 |
Мультиметр цифровой прецизионный Fluke 8508А |
№ 25984-14 (Предел измерений: 20 В. Пределы допускаемой основной погрешности: ±8,2 мкВ (для 12 В) |
пп. 6.9 6.10 |
|
4 |
Манометр грузопоршневой СРВ-5 000-ХР |
№ 33079-08 (Диапазоны измерений: от 3 до 100 кПа; от 0,02 до 2,5 МПа; от 0,04 до 16 МПа. Класс точности: 0,005.) |
пп. 6.2
6.7 |
|
5 |
Рабочий эталон давления РЭД-6 |
№ 33036-06 (Диапазон измерений от 0,1 до 6,0 МПа, пределы допускаемой основной погрешности ±0,005 % от измеряемого давления.) |
пп. 6.2
6.7 |
|
6 |
Манометр грузопоршневой 2000 модификация 2465 |
№ 28674-05 (Диапазоны измерений: от 0,0014 до 0,17 МПа, от 0,012 до 0,69 МПа, от 0,014 до 3,45 МПа, от 0,014 до 6,9 МПа; пределы допускаемой основной погрешности ±0,005 % от измеряемого давления.) |
пп. 6.2
6.7 |
|
7 |
Манометр абсолютного давления МПАК-15 |
№24971-03 (Диапазон измерений от 0 до 400 кПа, пределы допускаемой погрешности: ±6,65 Па в диапазоне от 0 до 20 кПа; ±13,3 Па в диапазоне от 20 до 133 кПа; ±0,01% от действительного значения измеряемого давления в диапазоне от 133 до 400 кПа.) |
пп. 6.2
6.7 |
|
8 |
Калибратор давления пневматический «Метран-504 Воздух» |
№31057-09 (Диапазон измерений от 40 до 1000 кПа, пределы допускаемой основной погрешности ±0,01 % от действительного значения измеряемого параметра.) |
пп. 6.2
6.7 |
Продолжение таблицы 3.1
|
№ п/п |
Наименование средства поверки и обозначение НТД |
Регистрационный номер в Федеральном информационном фонде (метрологические характеристики) |
Номер пункта методики поверки |
|
9 |
Калибратор давления пневматический «Метран-505 Воздух» |
№42701-09 (Диапазон измерений от 0,02 до 40 кПа, пределы допускаемой основной погрешности ±0,015 % от действительного значения измеряемого параметра.) |
пп. 6.2
6.7 |
|
10 |
Калибратор давления СРС8000 |
№59862-15 (Диапазон измерений от 0 до 16 МПа. Предел допускаемой приведенной погрешности 0,01 %.) |
пп. 6.2
6.7 |
|
11 |
Калибратор давления СРС8000 |
№59862-15 (Диапазоны измерений от - 2,5 до (+2,5) +10 кПа. Предел допускаемой приведенной погрешности 0,01 % от диапазонов от - 2,5 до +2,5 кПа / от 0 до 10 кПа.) |
пп. 6.2
6.7 |
|
Вспомогательные средства поверки (оборудование) | |||
|
12 |
Преобразователь давления эталонный ПДЭ-020 (ПДЭ-020И) модель 160 модель 190 |
№ 58668-14 (Диапазоны измерений: от 0 до 2,5 МПа, от 0 до 60 МПа, относительная погрешность 0,05 %.) |
пп. 6.2
6.7 |
|
13 |
Воздушный компрессор с редуктором |
Давление: от 20 до 30 МПа |
п. 6.7 |
|
14 |
Установка для проверки электрической безопасности GPI-745A |
№ 46633-11 (Диапазон выходных напряжений переменного тока частотой 50 Гц: от 100 до 5000 В) |
п. 6.3 |
|
15 |
Мегаомметр Ф4102/1-1М ТУ25-75340005-87 |
№ 9225-88 (Диапазон измерений от 0 до 10000 МОм) |
п. 6.4 |
|
16 |
Термогигрометр электронный «CENTER» модель 313 |
№22129-09 |
пп. 6.1- 6.11 |
|
17 |
Барометр-анероид метеорологический БАММ-1 |
№ 5738-76 |
пп. 6.1- 6.11 |
|
18 |
Измеритель электрических параметров качества, мощности и количества электрической энергии телеметрический LPW-305 |
№46877-11 |
пп. 6.1- 6.11 |
|
Компьютер и принадлежности к компьютеру | |||
|
19 |
Компьютер с интерфейсом Ethernet; |
Объем оперативной памяти не менее 1 Гб; объем жесткого диска не менее 10 Гб; дисковод для чтения CD-ROM; операционная система Windows |
п. 6.11 |
|
Примечания
| |||
4 ТРЕБОВАНИЯ БЕЗОПАСНОСТИ
-
4.1 При поверке ПКД-160 выполняют требования техники безопасности, изложенные в документации на применяемые средства поверки и оборудование.
5 УСЛОВИЯ ПОВЕРКИ И ПОДГОТОВКА К НЕЙ
-
5.1 При проведении поверки должны соблюдаться следующие условия:
-
1) температура воздуха, °C 20±5;
-
2) относительная влажность, % от 30 до 80;
-
3) атмосферное давление, кПа (мм рт.ст.) от 86 до 106,7;
(от 630 до 800);
-
4) напряжение питающей сети, В 220±4,4;
-
5) частота питающей сети, Гц 50±1,0.
Внешние электрические и магнитные поля должны отсутствовать или находиться в пределах, не влияющих на работу ПКД-160.
Поверяемые ПКД-160 и используемые средства поверки должны быть защищены от ударов, вибраций, тряски, влияющих на их работу.
-
5.2 Операции, проводимые со средствами поверки и с поверяемыми ПКД-160, должны выполняться в соответствии с указаниями, приведенными в эксплуатационной документации.
-
5.3 Перед проведением поверки выполняют следующие подготовительные работы.
-
5.3.1 ПКД-160 выдерживают в условиях, установленных в пп. 5.1.1) - 5.1.3) в течение 6 ч.
-
5.3.2 Средства поверки подготавливают к работе в соответствии с эксплуатационной документацией.
-
6 ПРОВЕДЕНИЕ ПОВЕРКИ
-
6.1 Внешний осмотр
-
6.1.1 При внешнем осмотре устанавливают отсутствие механических повреждений, правильность маркировки, проверяют комплектность.
-
При наличии дефектов покрытий, влияющих на работоспособность ПКД-160, несоответствия комплектности, маркировки определяют возможность дальнейшего применения ПКД-160.
-
6.1.2 У каждого ПКД-160 проверяют наличие паспорта с отметкой ОТК.
-
6.2 Опробование
-
6.2.1 Опробование электронного измерительного устройства (ИУ) производят в соответствии с п. 3.1.3.1 Руководства по эксплуатации НКГЖ.406233.050РЭ «Калибраторы давления портативные «ЭЛЕМЕР-ПКД-160»».
-
6.2.2 Опробование работоспособности пневматической системы (см. рисунки приложения А) производят в соответствии с п. 3.1.3.2 Руководства по эксплуатации НКГЖ.406239.050РЭ «Калибраторы давления портативные «ЭЛЕМЕР-ПКД-160»».
-
-
6.3 Проверка электрической прочности изоляции
-
6.3.1 Испытания проводят между электрическими цепями питания и объединёнными вместе интерфейсными электрическими цепями, цепями ПДЭ, цепями теста реле, цепями токового выхода, цепями заземления и цепями каналов 1, 2, 3, 4 испытательным напряжением 1500 В.
-
Проверку электрической прочности изоляции производят на установке для проверки электрической безопасности GPI-745A (далее - установка).
Испытательное напряжение следует повышать плавно, начиная с нуля до испытательного в течение 5-10 с. Уменьшение напряжения до нуля должно производиться с такой же скоростью.
Изоляцию выдерживают под действием испытательного напряжения в течение 1 мин. Затем напряжение плавно снижают до нуля, после чего испытательную установку отключают.
Во время проверки не должно происходить пробоев и поверхностного перекрытия изоляции.
-
6.4 Проверка электрического сопротивления изоляции
-
6.4.1 Проверку электрического сопротивления изоляции цепей ПКД-160 производят мегаомметром Ф4102/1-1М с рабочим напряжением не более 100 В.
-
Отсчет показаний производят по истечении 1 мин после приложения напряжения между соединенными вместе электрическими цепями и корпусом.
Сопротивление изоляции не должно быть менее 20 МОм.
-
6.5 Проверка герметичности пневматической системы (см. рисунки приложения А)
-
6.5.1 Проверку герметичности проводят при давлении, максимальном для данной модели.
-
6.5.2 На выходной штуцер 9 устанавливают ПДЭ с диапазоном измерений не менее максимального диапазона воспроизведения давления данной модели ПКД-160.
-
6.5.3 На выходной штуцер 10 (10а, 106) устанавливают заглушку.
-
6.5.4 В двухканальном ПКД-160-Н с помощью трехходового крана 16 выбирают канал с максимальным выходным давлением.
-
6.5.5 Закрывают выпускной вентиль 8.
-
6.5.6 Открывают запорный клапан 6 и клапан 2.
-
6.5.7 Регулятором грубой установки 3, За, 36 устанавливают максимальное выходное давление.
-
6.5.8 Закрывают клапан 2 и выдерживают 3 мин.
-
6.5.9 Систему считают герметичной, если уменьшение давления за 1 мин не превышает 0,1 % от максимального давления.
-
6.6 Определение основной приведенной погрешности встроенного цифрового датчика давления (см. рисунки приложения А)
-
6.6.1 Поверку проводят в точках:
0; 4; 8; 12; 16 МПа
0; 1,5; 2,5 МПа
0; 300; 600 кПа
для моделей хЗ, для моделей х2, для моделей х1.
-
6.6.2 На выходной штуцер 9 устанавливают ПДЭ модели 190 (для ПКД-160 моделей хЗ) или модели 160 (для ПКД-160 моделей х2 и xl).
-
6.6.3 На выходной штуцер 10 (10а, 106) устанавливают заглушку.
-
6.6.4 В двухканальном ПКД-160-Н с помощью трехходового крана 16 выбирают канал с максимальным выходным давлением.
-
6.6.5 Закрывают выпускной вентиль 8.
-
6.6.6 Открывают запорный клапан 6 и клапан 2.
-
6.6.7 Регулятором грубой установки 3, За, 36 последовательно устанавливают давление для каждой из поверяемых точек.
-
6.6.8 Считывают показания поверяемого датчика Р и ПДЭ - Рэ.
-
6.6.9 Вычисляют основную приведенную погрешность по формуле
У, = -100%, (6.1)
■‘в
где 7>в=16 МПа - верхний предел измерения цифрового датчика давления.
-
6.6.10 Приведенная погрешность не должна превышать 0,5 %.
6.7 Определение основной приведенной погрешности встроенного стрелочного манометра (см. рисунки приложения А)
-
6.7.1 Поверку проводят в точках 0, 5, 10,15, 20 МПа.
-
6.7.2 Сбрасывают давление из внутреннего баллона в соответствии с п. 2.4.6 Руководства по эксплуатации НКГЖ.406233.050РЭ «Калибраторы давления портативные «ЭЛЕМЕР-ПКД-160»».
-
6.7.3 К входному штуцеру 1 подключают задатчик давления (компрессор с регулятором, контроллер и т.д.) и ПДЭ с диапазоном 60 МПа (модель 190) (см. рисунок 6.1).
ПДЗ-010 ВХОДНОЙ ШТУЦЕР 1
Рисунок 6.1 - Структурная схема определения основной приведенной погрешности встроенного стрелочного манометра
-
6.7.4 Задатчиком давления последовательно устанавливают давление для каждой из поверяемых точек.
Внимание!
-
- Поверка проводится только по возрастанию давления.
-
- В процессе задания давления не допускается заброс давления выше устанавливаемого более, чем на 0,1 % от диапазона поверяемого датчика.
-
6.7.5 Считывают показания поверяемого датчика Р и ПДЭ - Рэ-
-
6.7.6 Вычисляют основную приведенную погрешность по формуле
(6.2)
где Рд=20 МПа - верхний предел измерения стрелочного манометра.
-
6.7.7 Приведенная погрешность не должна превышать 1,5 %.
-
6.8 Определение основной приведенной погрешности ПКД-160 в комплекте с внешни
ми ПДЭ-020, ПДЭ-020И
-
6.8.1 Определение основной приведенной погрешности ПКД-160 в комплекте с внешними ПДЭ-020, ПДЭ-020И проводят методом сличения их показаний с действительными значениями давления, воспроизводимыми с помощью соответствующих эталонов давления.
-
6.8.2 Поверку производят при значениях давления 0, 20, 40, 60, 80, 100 % от верхнего предела измерений для всех моделей, кроме 310, 320, 340, 350. Поверку моделей 310, 320 производят при значениях давления 0, ±20, ±60, ±100 % от верхнего предела измерений. Поверку модели 340 производят при значениях давления минус 100, минус 40, 0, 40, 80, 120, 160 кПа, а модели 350 - при значениях давления минус 100, 0, 120, 240, 360, 480, 600 кПа. Предварительно проверяют и при необходимости производят подстройку «нуля» в соответствии с п. 2.6.5.1 Руководства по эксплуатации НКГЖ.406239.050РЭ «Калибраторы давления портативные «ЭЛЕМЕР-ПКД-160»».
При поверке преобразователей модели 340, 350 допускается устанавливать максимальное значение разрежения в пределах 90 - 95 % от атмосферного давления.
При каждом значении давления фиксируют показания поверяемого преобразователя ПДЭ-020, ПДЭ-020И, контролируя их значения по показаниям, индицируемым на экране дисплея ПКД-160, при возрастающем давлении (прямой ход), а затем при убывающем давлении (обратный ход).
Перед проверкой при обратном ходе ПКД-160 выдерживают в течение 5 мин под воздействием верхнего предельного значения давления.
-
6.8.2 Вычисляют основную приведенную погрешность по формуле
Р-Рэ
/з = — • 100 %, (6.3)
где Р -показание поверяемого ПКД-160 в комплекте с ПДЭ;
Рэ - значение давления, установленное по эталонному средству измерений;
Рв - верхний предел измерения.
-
6.8.3 Погрешность, рассчитанная по формуле (6.3), не должна превышать пределов допускаемой основной приведенной погрешности.
-
6.9 Определение основной абсолютной погрешности воспроизведения силы постоянного тока
-
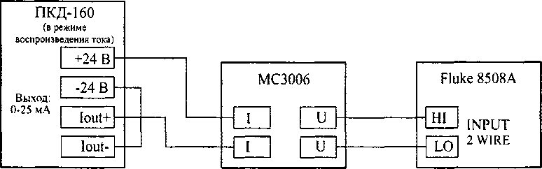
6.9.1 Подключают ПКД-160 кабелем «КИ26012» к токовым выводам эталонной (образцовой) меры электрического сопротивления МС3006 (КЭтал= 100 Ом) в соответствии с рисунком 6.2.

Рисунок 6.2 - Установка для поверки ПКД-160 в режиме воспроизведения силы постоянного тока
-
6.9.2 Устанавливают мультиметр цифровой прецизионный Fluke 8508А (далее - мультиметр 8508А) в режим измерения напряжения.
-
6.9.3 Устанавливают на ПКД-160 значение воспроизводимого тока 0 мА, с мультиметра 85 08А считывают измеренное значения напряжения иЮм и рассчитывают ток / по формуле
/ = . (6.3)
^этал
-
6.9.4 Повторяют операции по п. 6.9.3 для поверяемых точек: 0,222; 2; 10; 20; 25 мА.
6.9.5 Абсолютная погрешность не должна превышать значений, указанных в таблице 6.1.
Таблица 6.1
|
Поверяемая точка, мА |
0 |
0,222 |
2 |
10 |
20 |
25 |
|
Пределы основной абсолютной погрешности, мкА |
±1,0 |
±1,022 |
±1,2 |
±2,0 |
±3,0 |
±3,5 |
6AQ Определение основной абсолютной погрешности измерения силы постоянного тока
-
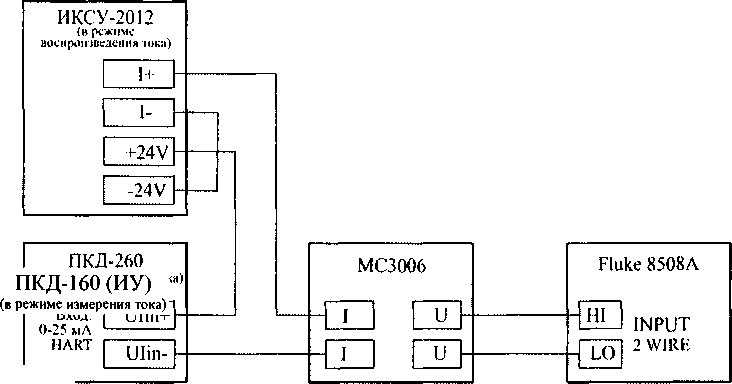
6.10.1 Подключают последовательно входные каналы измерения тока «Канал 1», «Канал 2», «Канал 3», «Канал 4» ИУ кабелем «КИ26011» к ИКСУ-2012 и токовым выводам промежуточной меры сопротивления МСЗ006 (Rnp= 100 Ом) в соответствии с рисунком 6.3.
-
6.10.2 На ИКСУ-2012 устанавливают значение выходного тока 0,222 мА.

Рисунок 6.3 - Установка для поверки ПКД-160 в режиме измерения силы постоянного тока
-
6.10.3 С мультиметра 8508А считывают показания напряжения U и рассчитывают ток 1расч по формуле
Л«,=±-- (6.4)
&пр
-
6.10.4 С ПКД-160 считывают значение тока/яу и вычисляют абсолютную погрешность М по формуле
= ^ИУ ~ Iрасч • (6-5)
-
6.10.5 Повторяют операции по пп. 6.10.2, 6.10.3 для поверяемых точек 0; 2; 10; 20; 25 мА.
-
6.10.6 Абсолютная погрешность не должна превышать значений, указанных в таблице 6.2.
Таблица 6.2
|
Поверяемая точка, мА |
0,222 |
0 |
2 |
10 |
20 |
25 |
|
Пределы основной абсолютной погрешности, мкА |
±1,022 |
±1,0 |
±1,2 |
±2,0 |
±3,0 |
±3,5 |
6.11 Подтверждение соответствия программного обеспечения
-
6.11.1 Сравнивают наименование и номер версии внешнего программного обеспечения
(далее - ПО) с данными, приведёнными в таблице 6.3.
|
Таблица 6.3 - Идентификационные данные |
ПО | |
|
Идентификационные данные (признаки) |
Значение | |
|
ПКД-160 |
ПДЭ-020 | |
|
Идентификационное наименование ПО |
Setup ARM PKD 160 2.18.exe |
ARM_PDE_vl_6. ехе |
|
Номер версии (идентификационный номер) ПО |
не ниже 2.18 |
не ниже 1.6 |
|
Цифровой идентификатор ПО |
по номеру версии | |
Результаты считают положительными, если идентификационные данные ПО соответствуют данным, приведённым в таблице 6.3.
7 ОФОРМЛЕНИЕ РЕЗУЛЬТАТОВ ПОВЕРКИ
-
7.1 Положительные результаты поверки ПКД-160 оформляют свидетельством о поверке по форме, установленной в документе «Порядок проведения поверки средств измерений, требования к знаку поверки и содержанию свидетельства о поверке», утвержденному приказом Минпромторга России от 2 июля 2015 г. № 1815 или отметкой в паспорте и нанесением знака поверки.
-
7.1.1 Знак поверки наносится на корпус и (или) свидетельство о поверке, и (или) в паспорт.
-
-
7.2 При отрицательных результатах поверки ПКД-160 не допускаются к применению до выяснения причин неисправностей и их устранения.
После устранения обнаруженных неисправностей проводят повторную поверку, результаты повторной поверки - окончательные.
-
7.3 Отрицательные результаты поверки ПКД-160 оформляют извещением о непригодности по форме, установленной в документе «Порядок проведения поверки средств измерений, требования к знаку поверки и содержанию свидетельства о поверке», утвержденному приказом Минпромторга России от 2 июля 2015 г. № 1815, свидетельство о предыдущей поверке аннулируют, а ПКД-160 не допускают к применению.
Разработчики настоящей методики:
Начальник ОС и ТД ООО НПП «ЭЛЕМЕР»

Л.И. Толбина
Инженер ООО «ИЦРМ»

Е.С. Устинова
ПРИЛОЖЕНИЕ А
Расположение органов управления пневматической системы на лицевой панели ПКД-160-П


Пневматическая схема ПКД-160-П

Продолжение приложения А
Расположение органов управления пневматической системы ИЯ ПИИРПЛЙ ПЯПР1И ГТК* П.1 H-Hv
Рисунок А.2
Продолжение приложения А
Расположение органов управления пневматической системы ня miiPRoii ПЯИР1И ПЮТ-1Л0- H-1v
ПЛЗ
©
z
о
(9)ВЫХОДНОЙ
v v ЦЯЪЦЕР
Рисунок A.3
1Г^
КАЛИШКТОРДАОЛКНИЯ noraiwadfi

Продолжение приложения А
Расположение элементов пневматической системы на задней панели ПКД-160- Н
Основными элементами пневматической системы являются следующие:
-
1 - Входной штуцер для подключения к внешнему источнику давления (компрессору)
при заполнении внутреннего баллона.
-
2 - Запорный клапан для отключения внутреннего баллона (в переносном ПКД-160-П)
или выхода регулятора грубой установки (в настольном ПКД-160-Н). Вертикальное положение ручки соответствует открытому состоянию клапана.
3, За, 36 - Регуляторы грубой установки давления.
-
4 - Стрелочный манометр, показывающий давление в баллоне.
-
5 - Цифровой датчик давления, показывающий давление на выходе регуляторов грубой
установки.
-
6 - Запорный клапан, открытие которого выравнивает давление в регуляторе точной
подстройки. Вертикальное положение ручки соответствует открытому состоянию клапана.
-
7 - Регулятор точной подстройки.
-
8 - Выпускной вентиль для сброса давления из системы в атмосферу.
-
9 - Выходной штуцер для подключения эталонного преобразователя ПДЭ.
10, 1 Оа, 1 Об - Выходные штуцеры для подключения поверяемого датчика или шланга к гребенке с датчиками.
-
11 - Обратный клапан на входе.
-
12 - Предохранительный разрывной диск для ПКД-160-П или предохранительный кла
пан для ПКД-160-Н.
-
13 - Внутренний баллон.
14, 15 - Фильтры.
-
16 - Трехходовой кран для переключения выходного канала давления.
-
17 - Входной штуцер для подключения к внешнему источнику давления (помпе).
18
