Методика поверки «Датчик давления частотный Bm 1201» (МП Bm 2.832.011)
УТВЕРЖДАЮ
Датчик давления частотный
Вт 1201 Методика поверки Вт 2.832.011 МП
Содержание
Приложение А Формы таблиц для регистрации результатов поверки
Введение
Настоящая методика по поверке распространяется на датчики давления частотные Вт 1201 (далее по тексту - датчики Вт 1201), предназначенные для измерения избыточного статического давления и давления, нарастающего с градиентом до 1000 МПа/с при этом возможно наложение пульсации давления в диапазоне частот 0 - 500 Гц амплитудой не более 0,05 Рн при измерении давлений от 0,5 до 60 МПа и не более 4 МПа при измерении давлений от 90 до 180 МПа. Межповерочный интервал 2 года.
-
1 Операции поверки
-
1.1 При проведении поверки должны выполняться операции, указанные в таблице 1.
-
Таблица 1
|
Наименование операции |
Номер пункта методики |
Проведение операции при поверке | |
|
первичной |
периодической | ||
|
1 Проверка внешнего вида, маркировки и определение массы датчика Вт 1201 |
6.1 |
да |
да |
|
2 Проверка начальной частоты выходного напряжения и ее девиации в НКУ |
6.2 |
да |
да |
|
3 Определение коэффициентов градуировочной характеристики |
6.3 |
да |
да |
|
4 Определение погрешности интерполяции градуировочной характеристики |
6.4 |
да |
да |
|
5 Определение аддитивной и мультипликативной чувствительностей к воздействию температуры |
6.5 |
да |
да |
|
6 Определение среднеквадратической погрешности в нормальных условиях |
6.6 |
да |
да |
-
1.2 При получении отрицательного результата при проведении любой операции поверка прекращается.
-
2 Средства поверки
-
2.1 При проведении поверки рекомендуется применять средства поверки, указанные в таблице 2.
-
Таблица 2
|
Наименование и тип основного или вспомогательного средства поверки |
Основные метрологические характеристики |
|
Омметр цифровой Щ 34 |
Диапазон измерений от 1 мОм до 1 ГОм, класс точности (0,02/0,005-0,5/0,1) |
|
Тераомметр электронный Е6-13А |
Диапазон измеряемых сопротивлений от 10° до 1014 Ом, пределы основной допускаемой погрешности измерений сопротивления ±2,5 % |
|
Источник питания постоянного тока Б5-71/4м |
Диапазон задаваемых напряжений от 0,2 В до 75 В, погрешность ± 0,5 % |
|
Комбинированный прибор Ц-4360 |
Диапазон от 0 В до 600 В, погрешность ±1,5% |
|
Прибор комбинированный цифровой Щ-300 |
Диапазон измерений от 0,01 Ом до 1 ГОм, класс точности (0,1/0,02-1,5/0,5) |
|
Грузопоршневой манометр МП-60, МП-600, МП-2500 |
Диапазон измеряемых давлений от 1 кгс/см2 до 2500 кгс/см2, класс точности 0,05 |
-
2.2 Допускается замена средств поверки, указанных в таблице 2, другими средствами поверки с равным или более высоким классом точности.
-
3 Требования безопасности
-
3.1 При проведении поверки необходимо соблюдать общие требования безопасности по ГОСТ 12.3.019-80 и требования на конкретное поверочное оборудование.
-
-
4 Условия поверки
-
4.1 Все операции при проведении поверки, если нет особых указаний, должны проводиться в нормальных климатических условиях (НКУ):
-
-
- температура воздуха от 15 до 35 °C;
-
- относительная влажность воздуха от 45 до 75 %;
-
- атмосферное давление от 86 до 106 кПа (от 645 до 795 мм рт.ст.).
Примечание - При температуре воздуха выше 30 °C относительная влажность не должна превышать 70%.
-
5 Подготовка к поверке
-
5.1 Перед проведением поверки испытательные установки, стенды, аппаратура и электроизмерительные приборы должны иметь формуляры (паспорта) и соответствовать стандартам или техническим условиям на них.
-
5.2 Не допускается применять средства поверки, срок обязательных поверок которых истек.
-
5.3 Поверку датчика, если в методике нет особых указаний, проводить в нормальных климатических условиях.
-
ВНИМАНИЕ! ПРИ РАБОТЕ С ДАТЧИКОМ КАТЕГОРИЧЕСКИ ЗАПРЕЩАЕТСЯ:
-
- ПОДАЧА НА ДАТЧИК НАПРЯЖЕНИЯ ПИТАНИЯ ОБРАТНОЙ ПОЛЯРНОСТИ;
-
- ПОДКЛЮЧАТЬ КАБЕЛЬНЫЕ ЛИНИИ К ВИЛКЕ РАЗЪЕМА ДАТЧИКА ПРИ ВКЛЮЧЕННОМ НАПРЯЖЕНИИ ПИТАНИЯ;
-
- ПРИСОЕДИНЯТЬ И ОТСОЕДИНЯТЬ ДАТЧИК ОТ ПОДВОДЯЩИХ ДАВЛЕНИЕ МАГИСТРАЛЕЙ ПРИ НАЛИЧИИ В НИХ ДАВЛЕНИЯ;
-
- ПОПАДАНИЕ МАСЛА ГРУЗОПОРШНЕВОГО МАНОМЕТРА В РАБОЧИЕ ПОЛОСТИ ДАТЧИКА НЕДОПУСТИМО!
-
5.4 Работать по ОСТ 92-1615-2013.
-
5.5 Предварительный прогрев контрольно-измерительных приборов должен соответствовать требованиям технических описаний и инструкций по эксплуатации на них.
-
5.6 Все операции поверки, если нет особых указаний, проводить с технологическим штуцером МКНИ.441542.175. Момент затяжки (25 ±5) Н м.
-
5.7 В процессе поверки датчика менять средства измерений не рекомендуется.
-
5.8 Измерительные приборы перед измерениями должны быть прогреты в течение времени, указанного в инструкциях по эксплуатации на них.
-
5.9 Давление на датчик задавать с помощью грузопоршневого манометра через разделитель сред (трубку, выдерживающую внутреннее давление до 250 МПа длиной 2-2,5 м) спиртом сорта «Экстра» ГОСТ Р 55878-2013, при этом датчик должен быть установлен на 0,2-0,3 м выше уровня головки грузопоршневого манометра. Не допускается выступание трубки-разделителя в вертикальной плоскости за уровень, ограниченный торцом штуцера и головкой грузопоршневого манометра. Допускается задавать давление жидкостью ПЭФ-130/110 ТУ 6-02-1072-86 или другой средой, нейтральной к измеряемой.
-
5.10 При отсутствии грузопоршневого манометра с грузами в МПа допускается испытания проводить на грузопоршневом манометре с грузами в кгс/см2, при этом значение задаваемого давления в каждой точке градуировочной характеристики должно быть в 10 раз больше. В дальнейшем при использовании результатов испытаний величину измеряемого давления необходимо перевести в единицу системы СИ (10 кгс/см2 соответствуют 0,981 МПа).5.II Измерение параметров датчика проводить не ранее, чем через 5 мин после подачи напряжения питания. Определение метрологических характеристик проводить не ранее чем через 15 мин после подачи напряжения питания.
-
5.12 К работе с датчиками допускаются лица, знающие их устройство и ознакомившиеся с правилами техники безопасности, действующими на предприятии - изготовителе при работе с электроприборами и на установках высокого давления.
-
5.13 Порядок проведения испытаний должен соответствовать порядку изложения видов испытаний в таблице 1.
-
6 Проведение поверки
-
6.1 Проверка внешнего вида, маркировки и определение массы датчика Вт 1201
-
6.1.1 Проверку внешнего вида и маркировки датчиков Вт 1201 проводить визуальным осмотром с использованием чертежа Вт 2.832.011 СБ.
-
6.1.2 Внешний вид датчиков Вт 1201 должен соответствовать требованиям чертежа Вт 2.832.021СБ.
-
-
Внешний осмотр датчика Вт 1201 производить следующим образом:
Проверить:
-
- отсутствие механических повреждений (вмятин, забоин, царапин) и следов коррозии
на датчике;
-
- целостность кабельной перемычки;
-
- наличие заглушек;
-
- отсутствие влаги и загрязнений на корпусе, штепсельном разъеме, заглушках;
-
- состояние резьбы разъема:
-
- резьбы штуцера M16xl,5-6g с помощью калибров:
-
- кольцо 8211-0068 6g ГОСТ 17763-72;
-
- кольцо 8211-1068 6g ГОСТ 17764-72.
На поверхности датчика допускается:
-
- наличие цветов побежалости от сварки согласно ОСТ 92-1114-80 на наружной поверхности корпуса струнного преобразователя и усилителя;
-
- наличие на корпусе струнного преобразователя следов проверки на твердость;
-
- наличие следов от раковин на резьбе штуцера глубиной менее 0,3 мм согласно
ОСТ 92-1114-80;
-
- на деталях из прессматериала АГ-4В пятна, разводы различного цвета; наличие следов клея ВК-9, не выступающих за пределы поверхности, в соответствии с ОСТ 92-1616-74.
Не допускается:
-
- срывы и забоины резьбы разъема и резьбы штуцера;
-
- нарушение целостности кабельной перемычки;
-
- наличие рисок, забоин, вмятин на уплотнительной поверхности штуцера;
-
- на деталях из прессматериала АГ-4В забоины, царапины, выкрашивания, сколы глубиной свыше 0,1 мм.
-
6.1.3 При проверке маркировки руководствоваться следующими требованиями.
На корпусе усилителя должна быть маркировка:
-
- шифр датчика,
-
- обозначение предела измерений, МПа,
-
- заводской номер;
-
- знак защиты от статического электричества (СЭ) •
На гранях шестигранника струнного преобразователя:
-
- технологический номер,
-
- обозначение предела измерений.
-
6.1.4 Определение массы датчика Вт 1201 проводить на технических весах с точностью ± 5 г.
Масса датчика Вт 1201 должна быть не более 0,3 кг.
-
6.1.5 Результаты проверок записать в таблицу по форме таблицы А.1.
-
6.2 Проверка начальной частоты выходного напряжения и ее девиации в НКУ
-
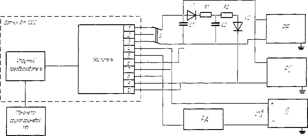
6.2.1 Собрать схему в соответствии с рисунком 1.
-
6.2.2 Измерить с помощью частотомера PF значение частоты f0 между контактами 1 и
-
3 или 2 и 6 при напряжении питания (27 ± 0,3) В и значении измеряемого параметра Р = 0.
-
6.2.3 Повторить испытание по п.6.3.2 при давлении Р = Рн.
-
6.2.4 Определить изменение частоты (девиацию) выходного напряжения по формуле


R1 -резистор С2-29В-0,125-619 Ом ± 1 %-1,0-А ОЖО.467.099 ТУ;
R2 - резистор С2-29В-0,125-361 Ом ± 1 %-1,0-А ОЖО.467.099 ТУ;
Cl, C2-конденсаторы K10-17-la-M47-3300 пФ ± 10 %-В ОЖО.460.Ю7 ТУ;
VI, V2-диоды 2Д510А ТТ3.362.096 ТУ;
S - тумблер МТЗОЮО.360.016 ТУ
Примечание: Допускается замена указанных электрорадиоизделий на другие с идентичными параметрами (конденсаторы - кроме электролитических).
G - источник питания постоянного тока Б5-71/4м ТУ РБ 100694318ю001-2001;
РА - прибор комбинированный Ц4360 ТУ 25-04.2390-77;
PF -частотомер электронно-счётный 43-38 ЕЭ2.721.087ТУ;
PC - осциллограф универсальный С1-68 И22.044.053ТУ
Рисунок 1 - Схема для проверки датчика Вт 1201
Датчик считается выдержавшим испытание, если значения частоты выходного напряжения и девиации:
-
- частота выходного сигнала в нормальных климатических условиях и при давлении
Р = 0 /0 =(15000 ±600) Гц;
-
- при воздействии номинального давления согласно диапазону измерений изменение частоты выходного сигнала в нормальных климатических условиях должно составлять
дд = (6000 ± 1100) Гц.
6.3 Определение коэффициентов градуировочной характеристики
-
6.3.1 Собрать схему в соответствии с рисунком 1.
-
6.3.2 Измерить значение частот выходного сигнала с датчика при напряжении питания (27 ± 0,3) В и значениях измеряемого давления в соответствии с таблицей 2.
В каждой измеряемой точке регистрацию частоты выходного напряжения производить не менее трех раз с интервалом не более 20 с.
-
6.3.3 Выдержать датчик под давлением, равным пределу измерения в течение
0,5 - 1 мин, после чего записать значение частоты выходного напряжения;
-
6.3.4 Последовательно разгрузить датчик, проходя по тем же точкам, регистрируя значения частоты выходного напряжения с датчика;
-
6.3.5 Повторить последовательно работы по пп.6.3.2, 6.3.3, 6.3.4.
Таблица 2
|
Предел измерения, МПа |
Значение измеряемого давления в точках градуировочной характеристики, МПа | ||||||||||
|
номер градуировочной точки | |||||||||||
|
0 |
1 |
2 |
3 |
4 |
5 |
6 |
7 |
8 |
9 |
10 | |
|
0,5 |
0 |
0,05 |
0,1 |
0,15 |
0,2 |
0,25 |
0,3 |
0,35 |
0,4 |
0,45 |
0,5 |
|
1 |
0 |
0,1 |
0,2 |
0,3 |
0,4 |
0,5 |
0,6 |
0,7 |
0,8 |
0,9 |
1 |
|
2 |
0 |
0,2 |
0,4 |
0,6 |
0,8 |
1 |
1,2 |
1,4 |
1,6 |
1,8 |
2 |
|
4 |
0 |
0,4 |
0,8 |
1,2 |
1,6 |
2 |
2,4 |
2,8 |
3,2 |
3,6 |
4 |
|
5,6 |
0 |
0,5 |
1,1 |
1,7 |
2,2 |
2,8 |
3,3 |
3,9 |
4,5 |
5 |
5,6 |
|
8 |
0 |
1 |
2 |
3 |
3 |
4 |
5 |
5 |
6 |
7 |
8 |
|
16 |
0 |
2 |
3 |
5 |
7 |
8 |
9 |
11 |
13 |
15 |
16 |
|
22 |
0 |
2 |
4 |
6 |
9 |
И |
14 |
16 |
18 |
20 |
22 |
|
30 |
0 |
3 |
6 |
9 |
12 |
15 |
18 |
21 |
24 |
27 |
30 |
|
45 |
0 |
5 |
10 |
15 |
20 |
23 |
25 |
30 |
35 |
40 |
45 |
|
60 |
0 |
6 |
12 |
18 |
24 |
30 |
36 |
42 |
48 |
54 |
60 |
-
6.3.6 Подсчитать среднее за два цикла значение частоты выходного напряжения для прямого и обратного хода в каждой точке градуировочной характеристики и определить разность между последующими значениями и значениями частоты в каждой точке градуировочной точке по формуле
Afj = f(i+l)cp. _ ficp
(2)
Найти отношение

где
APj - приращение давления в каждой точке градуировочной характеристики
(3)
APi = P(i+1) “ Pi
Отношение

в каждой градуировочной точке при увеличении давления должно уменьшаться.
-
6.3.7 Подсчитать коэффициенты А и В с точностью до пяти значащих после запятой
2
цифр из уравнения Pj = А • (АЕ ) + В • (Afj) градуировочной характеристики по следующим формулам
В Рн ’ (Af5ср.) - Р5 ' (А^нср.) (4)
Afscp. ' AfHcp. ' (Afscp. _ AfHCp )
P5-BAf5 A =----------(5)
(Af5cp.)2
где Рн- номинальное значение измеряемого давления, соответствующее 10-му номеру градуировочной точки таблицы 4.11;
Р5- значение измеряемого давления, соответствующее 5-му номеру градуировочной точки таблицы 3;
Af^Cp , AfHCp - среднее за два цикла изменение частоты выходного напряжения с датчика для прямого и обратного хода соответственно при Р5 и Рн.
Afscp. ~ ^5ср. — ^оср. №
|
AfHcp. ~ fncp. focp. |
(7) | ||
|
4 |
4 |
4 | |
|
Sfoj |
Sf5j |
SfHj | |
|
f -j=1 |
f - j 1 |
f - |
(8) |
|
xo.cp. 4 > |
5-cP- 4 = |
Тн.ср. 4 | |
- значения частот выходного напряжения с датчика для прямого и об
где

ратного хода в двух циклах нагружения соответственно при давлении Р =Ро; Р =Ps; Р = Рн; j - число измерений в i-й точке.
6.3.8. Проверить достоверность заносимых в формуляр коэффициентов А, В и начальной частоты Гоф, используя данные предыдущей градуировки, следующим образом:
а) определить поправку С по формуле
С = А • Afon + В • Afon (9)
где А, В - значения коэффициентов градуировочной характеристики, заносимые в формуляр;
Afon ~ изменение средней начальной частоты предыдущей градуировки относительно начальной частоты (Гоф), заносимой в формуляр
Afon = fon ~ ^ф
(10)
б) определить с учетом поправки С расчетное давление Pj, используя частоты предыдущей градуировки, соответствующие давлению Р = Р5 и Р - Рн по формуле
pi=A-Af^+B'Afin-c (П)
где Afjn - изменение среднего значения частоты выходного напряжения с датчика предыдущей градуировки при давлении Р = Р5 и Р = Рн относительно Гоф
Afjn = f5n ~ ^ф - Для давления Р =Р5
А^п=^п“^ф - для давления Р = Рн
в) определить погрешность измерения по формуле
2 • гн
где Рд- действительное значение контрольного давления по грузопоршневому манометру.
Погрешность измерения не должна быть более ± 0,25 %.
-
6.4 Определение погрешности интерполяции градуировочной характеристики
-
6.4.1. Абсолютное значение погрешности интерполяции в каждой точке градуировочной характеристики определить с точностью до четырех значащих цифр после запятой по следующей формуле
5Р;=(а-Д^р +В-Aficp.)-Pi (15)
где Af jCp - среднее за два цикла изменение частоты выходного напряжения для прямого и
обратного хода при Р] значении измеряемого давления
Afjcp. = ^icp. ~focp. • (16)
-
6.4.2. Погрешность интерполяции градуировочной характеристики датчика определить с точностью до трех значащих цифр после запятой по формуле
10
/"=±1ЙГ-100% <17)Значение погрешности интерполяции градуировочной характеристики датчика должна находиться в пределах ±0,25 % от предела измерения.
6.5. Определение аддитивной и мультипликативной чувствительностей к воздействию температуры
-
6.5.1 Собрать схему в соответствии с рисунком 1 и при температуре окружающей среды и напряжении питания (27 ± 0,3) В замерить частоту выходного сигнала при значениях измеряемого параметра Р = 0 и Р = Рн.
-
6.5.2 Поместить датчик в термокамеру с температурой в ней минус (50 ± 3) °C и выдержать в течение двух часов в выключенном состоянии;
-
6.5.3 Проверить работоспособность датчика при напряжении питания (24_о з) В (при включении должно наблюдаться надежное возбуждение струны), затем установить напряжение питания (27 ± 0,3) В и замерить выходной сигнал с датчика при значениях измеряемого параметра Р = 0 и Р = Рн;
-
6.5.4 Извлечь датчик из камеры.
-
6.5.5 Выдержать датчик в НКУ в течение двух часов.
-
6.5.6 Замерить частоту выходного сигнала при Р = 0иР = Рни температуру окружающей среды.
-
6.5.7 Поместить датчик в камеру с температурой в ней (50 ± 3) °C и выдержать его в выключенном состоянии в течение двух часов.
-
6.5.8 Подать напряжение питания (32 ± 0,3) В и выдержать датчик в течение 5 мин. Установить напряжение питания (27 ± 0,3) В и замерить выходной сигнал с датчика при значениях измеряемого давления Р = 0 и Р = Рн
-
6.5.9 Извлечь датчик из камеры.
-
6.5.10 Выдержать датчик в нормальных климатических условиях в течение двух часов и замерить частоту выходного сигнала при Р = 0.
t’ t” t' t”
-
6.5.11 Определить значения аддитивных S □ и S □ и мультипликативных S и S чувствительностей датчика к воздействию температуры минус 50 и 50 °C.
-
6.5.12 Значение аддитивной чувствительности к воздействию влияющей величины с учетом знака определить с точностью до двух значащих цифр после запятой по формуле

где fo, f'o - значения начальной частоты выходного сигнала до и при воздействии температуры от минус 50 до 50 °C;
At - значение величины изменения температур с учетом знака.
(19)
to =25 °, t - значения температуры до и при испытании.
6.5.13. Значение мультипликативной чувствительности к воздействию какой-либо влияющей величины определить с учетом знака с точностью до двух значащих цифр после запятой по формуле
где &fH, Д/' - изменение частоты выходного сигнала с датчика при Р = Рн до и при воздействии температуры соответственно.
где fH, /' - значение частоты при Р = Рн до и при воздействии температуры; fo > fo ~ значение частоты при Р = 0 до и при воздействии температуры.
t' t” /0
Значения аддитивных чувствительностей Sq и So должны быть в пределах ± 5,0 ГцЛС;
t' t” X)
мультипликативных чувствительностей SK и SK должны быть в пределах ± 1,5 Гц/ С.
-
6.6 Определение среднеквадратической погрешности в нормальных условиях
6.6.1 Среднеквадратическую погрешность в нормальных условиях определить по еле дующей формуле
<?н = ±V<So - О'™)2 +(Гв +Гпр.)2 -ДГнср. +L(SK •O'd)2 • %
Al нор



-
(23)
-
(24)
где f НСр - среднее значение девиации выходного сигнала;
Sq - аддитивная чувствительность к воздействию нестабильности напряжения питания;
Sr, , Sj, Sr, - мультипликативные чувствительности к воз действию температуры окружающей среды, давления окружающей среды, момента силы затяжки, нестабильности напряжения питания;
сгvii , ег1п, сгдн, ст,,,, - среднеквадратические отклонения влияющих величин в нормальных условиях эксплуатации: нестабильности напряжения питания (0,1 В); температуры окру-жающей среды (3,33 °C); давления окружающей среды (1,33 • 10 МПа); момента силы затяжки (1,6 Н-м);
/в - относительное значение погрешности от вариации градуировочной характеристики;
/Пр = 0,0005 - погрешность средств градуировки.
При подсчете значения S* =37,5 Гц!МПа, S" =0,18 Гц!н-м.
-
6.6.2 Приведенная к номинальному значению давления среднеквадратическая погрешность в нормальных условиях должна находиться в пределах ±0,25 %.
7 Оформление результатов поверки
7.1 Результаты поверки оформить в соответствии с Приказом Министерства промышленности и торговли РФ от 2 июля 2015 г. №1815 «Об утверждении Порядка проведения поверки средств измерений, требования к знаку поверки и содержанию свидетельства о поверке».
Приложение А
Формы таблиц для регистрации результатов поверки
Таблица А.1
|
Наименование параметра |
Требование ТУ |
Действительное состояние | ||||
|
Заводской номер датчика | ||||||
|
Внешний вид | ||||||
|
Маркировка | ||||||
|
Масса, кг, не более | ||||||
Таблица А.2 - Результаты определения градуировочной характеристики датчика
Заводской номер датчика
|
№ точки градуирования, i |
Давление в точке градуирования, Pj, МПа |
Значение выходного сигнала, единиц |
Средне-квадратическая погрешность, % | |||
|
1 цикл |
2 цикл | |||||
|
1 | ||||||
|
2 | ||||||
|
3 | ||||||
|
4 | ||||||
|
5 | ||||||
|
6 | ||||||
|
7 | ||||||
|
8 | ||||||
|
9 | ||||||
|
10 | ||||||
|
И | ||||||
|
Температура окружающей среды, °C | ||||||
