Методика поверки «Извещение ТИСШ.2-2019 об изменении № 2 Теплосчетчики СКМ-2К. Методика поверки.» (МРБ МП.2451-2014)

УТВЕРЖДАЮ

Извещение ТИСШ.2-2019 об изменении № 2 Теплосчетчики СКМ-2К. Методика поверки.
МРБ МП.2451-2014
Дата введения с_____________
РАЗРАБОТЧИК: Заместитель директора по техническим вопросам /£)ОО«ВОГЕЗЭНЕРГО»
Ю.А. Погарцев
20.12.2019 г.

Гуревич
2020
ЭКСПЕРТНОЕ ЗАКЛЮЧЕНИЕ по результатам метрологической экспертизы извещения об изменении методики поверки (МП) |
Наименование МП: Теплосчетчики СКМ-2К. Методика поверки
Разработчик: |
ООО «ВОГЕЗЭНЕРГО» |
На метрологическую экспертизу представлены следующие документы:
-
1 Извещение ТИСШ.2-2019 об изменении № 2 МРБ МП.2451-2014
-
2 Акт №07-19 ГКИ от 25.03.2019 РУП «Витебский ЦСМС»
По результатам метрологической экспертизы установлено:
-
1 Представленная методика поверки с извещением ТИСШ.2-2019 об изменении № 2 распространяется на теплосчетчики СКМ-2К и устанавливает методы и средства проведения поверки.
-
2 Методика поверки с извещением ТИСШ.2-2019 об изменении № 2 соответствует требованиям ТКП 8.003-2011 «Система обеспечения единства измерений Республики Беларусь. Поверка средств измерений. Правила проведения работ».
-
3 Методика поверки с извещением ТИСШ.2-2019 об изменении № 2 может быть использована при проведении поверки теплосчетчиков СКМ-2К.
Первый заместитель директора
Начальник ПИО температурных и теплофизических измерений
ООО «ВОГЕЗЭНЕРГО» |
ИЗВЕЩЕНИЕ ТИСШ.2-2019 |
ОБОЗНАЧЕНИЕ МРБ МП.2451-2014 | ||
ДАТА ВЫПУСКА |
СРОК ИЗМ. |
Лист 2 |
Листов 2 | |
ПРИЧИНА |
По результатам ГКИ Акт №07-19 от 25 марта 2019 |
код 5 | ||
УКАЗАНИЕ О ЗАДЕЛЕ |
Не отражается | |||
УКАЗАНИЕ О ВНЕДРЕНИИ |
- | |||
ПРИМЕНЯЕМОСТЬ |
— | |||
РАЗОСЛАТЬ |
_ | |||
ПРИЛОЖЕНИЕ |
На 1 G листах | |||
ИЗМ. |
СОДЕРЖАНИЕ ИЗМЕНЕНИЯ | |||
2 |
СОСТАВИЛ Зам. Директора по техническим вопросам |
Подпись |
Дата |
Н.КОНТР. ПР.ЗАК. |
1 |
С/ технике S1 информ \ н норма-1 докумен |
:кои шин Is it изной /о ;/ -ЦИИ Jill . ‘'''SPA? | |
ИЗМЕНЕНИЕ ВНЕС |
Настоящая методика поверки (далее - МП) распространяется на теплосчетчики СКМ-2К (далее - теплосчетчики), и устанавливает методы и средства их первичной и периодической поверки.
Теплосчетчики предназначены для измерения, регистрации и индикации тепловой энергии, которая отдается в системах теплоснабжения жидкостью, называемой теплоносителем; объема, массы, объемного расхода, температуры, разности температур теплоносителя. Теплосчетчики соответствуют требованиям ГОСТ EN 1434.
Настоящая МП разработана в соответствии с ТКП 8.003.
Межповерочный интервал - не более 48 месяцев.
Межповерочный интервал при применении в сфере законодательной метрологии в Республике Беларусь - не более 48 месяцев при выпуске из производства и не более 24 месяцев при периодической поверке.
В состав теплосчетчика входят:
-
- вычислитель теплосчетчика СКМ-2К, совмещенный с электронным блоком датчиков потока;
-
- ультразвуковой датчик потока, неразрывно связанный с вычислителем;
-
- комплект платиновых датчиков температуры Pt500 по СТБ EN 60751, ГОСТ 6651.
1 НОРМАТИВНЫЕ ССЫЛКИ
-
1.1 В настоящей МП использованы ссылки на следующие технические нормативные правовые акты в области технического нормирования и стандартизации (далее - ТИПА):
Обозначение и наименование ТИПА
Номер пункта МП
ТКП 8.003-2011 «Система обеспечения единства измерений Республики Беларусь. Поверка средств измерений. Правила проведения работ»
Вводная часть,
7.1, 7.2
ТКП 181-2009 «Правила технической эксплуатации электроустановок потребителей»
4.2
СТБ ГОСТ Р 51649-2004 «Теплосчетчики для водяных систем теплоснабжения. Общие технические условия»
6.3.1.7, 6.3.4.2
ГОСТ 23737-79 «Меры электрического сопротивления. Общие технические условия»
3.1
ГОСТ EN 1434-1-2018 «Теплосчетчики. Часть 1. Общие требования»
6.3.1.7, 6.3.4.2
Примечание - При использовании настоящей МП целесообразно проверить действие ТИПА по каталогу, составленному по состоянию на 1 января текущего года, и по соответствующим информационным указателям, опубликованным в текущем году. Если ссылочные ТИПА заменены (изменены), то при пользовании настоящей МП следует руководствоваться замененными (измененными) ТИПА. Если ссылочные ТИПА отменены без замены, то положение, в котором дана ссылка на них, применяется в части, не затрагивающей эту ссылку.
2 ОПЕРАЦИИ ПОВЕРКИ
-
2.1 При проведении поверки должны выполняться операции, указанные в таблице 1.
научно-
Й ......технической \
информаиин и нормативной / \ докумен
|Т «Ни
Таблица 1
Наименование операции |
Номер пункта методики |
Проведение операции при | |
первичной поверке |
периодической поверке | ||
1 Внешний осмотр |
6.1 |
Да |
Да |
2 Опробование
|
6.2.1 6.2.2
|
Да I |
Да |
3 Определение метрологических характеристик
|
|
Да |
Да |
4 Оформление результатов поверки |
7 |
Да |
Да |
Примечания
1 Если определяемая погрешность выходит за пределы максимально допускаемого значения, то испытания необходимо повторить еще два раза. Окончательные результаты испытаний признаются удовлетворительными, если среднее арифметическое результатов трех испытаний и, по меньшей мере, результаты двух испытаний находятся в пределах максимальной допускаемой погрешности;
2 Если при проведении той или иной операции получают отрицательный результат, дальнейшую поверку прекращают.
3 СРЕДСТВА ПОВЕРКИ
-
3.1 При проведении поверки применяться средства поверки, указанные в таблице 2. Таблица 2
Номер
пункта
методики
6.1
Наименование и тип эталонов, вспомогательных средств поверки, метрологические и основные технические характеристики, обозначение ТИПА
6.2.1
6.2.2
1 Установка для поверки счетчиков воды. Относительная погрешность изме-рения расхода ±0,33 % в диапазоне от 0,03 до 500,00 м3/ч._________________
-
1 Частотомер 43-34 [2]. Погрешность измерения частоты ±0,01 %.
-
2 Магазин сопротивлений Р4831, 3-й разряд ГОСТ 23737. Класс 0,02/2*1 О'61)
-
3 Мера электрического сопротивления многозначная МС3071 [3]. Класс 0,001/1,4*10’6 2).
-
4 Имитаторы термопреобразователей сопротивления МК 3002 [4].
Пределы допускаемых отклонений действительных значений сопротивлений имитаторов от номинальных ±0,005 % 2\
-
6.2.3
-
6.2.4
6.3.1
6.3.2
6.3.3
Манометр МТ. Класс 1,5. Диапазон измерения от 0 до 4,0 МПа._____________
1 Установка для поверки счетчиков воды. Относительная погрешность изме-рения расхода ±0,33 % в диапазоне от 0,03 до 500,00 м3/ч._________________
-
1 Частотомер 43-34 [2]. Погрешность измерения частоты ±0,01 %.
-
2 Магазин сопротивлений Р4831, 3-й разряд ГОСТ 23737. Класс 0,02/2*1 О’61)
-
3 Мера электрического сопротивления многозначная МС3071 [3]. Класс 0,001/1,4*1 О*6 2).
-
4 Имитаторы термопреобразователей сопротивления МК 3002 [4]. Пределы допускаемых отклонений действительных значений соп| имитаторов от номинальных ±0,005 %2).
6.3.4
Л И» V.
Окончание таблицы 2
Номер пункта методики |
Наименование и тип эталонов, вспомогательных средств поверки, метрологические и основные технические характеристики, обозначение ТИПА |
7 |
— |
Примечания
-
1 Допускается применять другие средств поверки, обеспечивающие определение метрологических характеристик теплосчетчиков с требуемой точностью
-
2 Неопределенности, связанные со средствами измерений, должны соответствовать следующим требованиям:
а) не превышать 1/5 значения максимальной допускаемой погрешности теплосчетчика или его составных элементов или
б) быть вычтены из значения максимально допускаемой погрешности теплосчетчика или его составных элементов для получения нового значения максимально допускаемой погрешности
-
3 Все СИ должны иметь действующие клейма и (или) свидетельства о поверке
-
1) - применяется при поверке теплосчетчиков на территории Республики Беларусь
-
2) - применяется при поверке теплосчетчиков на территории Российской Федерации
4 ТРЕБОВАНИЯ БЕЗОПАСНОСТИ И ТРЕБОВАНИЯ К КВАЛИФИКАЦИИ ПОВЕРИТЕЛЕЙ
-
4.1 При проведении поверки должны быть соблюдены требования безопасности, приведенные в [1].
-
4.2 При проведении измерений при поверке и (или) обработке результатов измерений допускают лиц, которые подтвердили компетентность выполнения данного вида поверочных работ.
-
4.3 Все работы по эксплуатации и поверке теплосчетчиков должны проводиться с соблюдением требований ТКП 181.
Примечание - При проведении работ на территории Российской Федерации следует руководствоваться требованиями [5].
5 УСЛОВИЯ ПОВЕРКИ И ПОДГОТОВКА К НЕЙ
-
5.1 При проведении поверки, должны соблюдаться следующие условия: температура окружающего воздуха, °C - от 15 до 25;
температура измеряемой среды, °C - от 15 до 25;
относительная влажность окружающего воздуха, % - не более 93;
атмосферное давление, кПа - не более 106;
внешние магнитные и электрические поля напряженностью свыше 40 А/м отсутствуют, длины прямых участков трубопроводов до и после датчиков потока должны быть не менее указанных в таблице 3
Таблица 3
Размеры резьбы концевого соединения либо номинальные диаметры фланцев |
Требования к прямым участкам | |
до датчика |
после датчика | |
От G% В до G2 В либоот15ОЫ доЗООБЫ |
не менее 5 DN |
не менее 3 DN |
-
5.2 Перед проведением поверки необходимо выполнить следующие подготовительные one рации:
включить средства поверки и поверяемые теплосчетчики на время, указанное в их эксплуатационной документации;
проверить наличие и действие документов о поверке используемых средот^товерки:
техяии-еской
— I информ^ин
2 Зам.
---vA*
-
6 ПРОВЕДЕНИЕ ПОВЕРКИ
6.1 Внешний осмотр
-
6.1.1 При проведении внешнего осмотра должно быть установлено соответствие теплосчетчиков следующим требованиям:
все надписи должны быть четкими и ясными;
теплосчетчик не должен иметь внешних повреждений; теплосчетчик должен быть очищен от пыли и грязи;
комплектность и маркировка теплосчетчика должна соответствовать требованиям [1].
-
6.1.2 Теплосчетчики, не соответствующие требованиям п.6.1, дальнейшей поверке не подлежат до устранения несоответствия.
-
6.2 Опробование
6.2.1 Опробование датчика потока с использованием поверочной установки.
-
6.2.1.1 Устанавливают датчик потока в измерительный участок поверочной установки.
-
6.2.1.2 Собирают схему, указанную на рисунке А. 1 приложения А.
-
6.2.1.3 Включают поверочную установку и обеспечивают расход воды через нее.
-
6.2.1.4 Датчик потока считают прошедшим опробование, если на индикаторе теплосчетчика отображается значение расхода, отличное от нуля.
-
6.2.1.5 Допускается совмещать опробование датчика потока с операциями его поверки.
6.2.2 Опробование вычислителя
-
6.2.2.1 Собирают схему, указанную на рисунке А.1 приложения А.
-
6.2.2.2 Включают поверочную установку и обеспечивают расход воды через нее.
-
6.2.2.3 На магазинах сопротивления устанавливают следующие значения сопротивлений: R1 = 654,5 Ом; R2 = 577,7 Ом.
-
6.2.2.4 Вычислитель считают прошедшим опробование, если показания индикации тепловой мощности отличны от нуля, а показания индикации количества тепла изменяются в сторону увеличения их значений.
-
6.2.2.5 Допускается совмещать опробование вычислителя с операциями его поверки.
6.2.3 Идентификация ПО
-
6.2.3.1 Заходят в меню «НАСТРОЕЧНЫЕ ПАРАМЕТРЫ» теплосчетчика.
-
6.2.3.2 Сравнивают идентификационные признаки ПО теплосчетчика (идентификационное наименование, номер версии, цифровой идентификатор) с идентификационными признаками, указанными в описании типа данного теплосчетчика.
-
6.2.3.3 Теплосчетчик считают прошедшим идентификацию ПО, если идентификационные признаки ПО, указанные в меню «НАСТРОЕЧНЫЕ ПАРАМЕТРЫ» теплосчетчика, соответствуют идентификационным признакам, указанным в описании типа данного теплосчетчика.
6.2.4 Испытания на герметичность
-
6.2.4.1 Испытания на герметичность проводятся при выпуске из производства или после ремонта, который может повлиять на герметичность датчика потока.
-
6.2.4.2 В измерительной вставке датчика потока создают давление, равное 2,5 МПа.
-
6.2.4.3 Результаты испытаний считают удовлетворительными, если в течение 15 мин в местах соединений и на корпусе отсутствуют признаки видимой течи.
-
6.3 Определение метрологических характеристик
6.3.1 Определение погрешности датчика потока
-
6.3.1.1. Погрешность датчика потока следует определять для каждого из следующих диапазонов значений расхода:
а)
б)
с)
qi <q< 1,2q,;
0,1qp <q< 0,11qp;
0,9qp <q< 1,0qp.
где
qs - нижний предел расхода, м3/ч; qp - постоянное значение расхода, м3/ч;
q - установленное значение расхода, м3/ч;
-
6.3.1.2. Выполняют требования по пунктам 6.2.1.1 - 6.2.1.3.
-
6.3.1.3. Устанавливают через датчик потока расход воды в соответствии с пунктом 6.3.1.1.
-
6.3.1.4. Производят измерения объема, прошедшего через датчик потока.
-
6.3.1.5. Минимальное количество импульсов Nj, измеренное частотомером F и пропорциональное прошедшему через датчик потока объему воды, должно быть не менее значения, указанного в таблице 4.
Таблица 4
Класс точности датчика потока |
Количество импульсов Ni, ед. |
2 |
200 + 300 q /qD |
-
6.3.1.6. Относительную погрешность датчика потока Ef, %, рассчитывают по формуле
V- -Vrt
Ef= ——MOO, (1)
v
vo
где Vj - объем, измеренный датчиком потока, л, вычисляют по формуле
Ч = Nj К, (2)
где N; - количество импульсов, измеренное счетчиком импульсов, подключенным к теплосчетчику, имп;
Ку - вес импульса согласно приложению В, л/имп;
Vo - объем, измеренный эталонным СИ, л.
-
6.3.1.7. Результаты поверки заносят в таблицу 4 протокола по форме Приложения Г.
-
6.3.1.8. Результаты (операции) поверки считают положительными, если основная относительная погрешность датчика потока, %, не превышает значений, указанных в таблице 5:
Таблица 5
Класс точности по ГОСТ EN 1434-1 |
Диапазон измерения расхода, м3/ч |
Предел допускаемой относительной погрешности Ef, °/о |
2(B) |
0,04 qs <; q £ qs |
I ±2 |
qi s q < 0,04 qs |
±(2 + 0,02 qp /q), но не более 5 | |
где qs - верхний предел расхода, м3/ч; |
-
6.3.2 Определение погрешности измерения тепловой эн^цгий
-
6.3.2.1. Собирают схему, указанную на рисунке Б.1 Приложения &
-
6.3.2.2. Нажатием кнопки «S1», находящейся под лицевой крышкой вычислителя, входят в
меню «Настроечные параметры». \
-
6.3.2.3. Последовательным нажатием кнопки «S2», выбирают параметр НП 36 - «Режим выбора типа импульсного выхода». / \
-
6.3.2.4. Нажатием кнопки «S1», входят в режим выбора типа импульсного выхода, при этом курсор будет находиться в крайнем левом положении под моргающей буквой «Н».
-
6.3.2.5. Нажамают кнопку «S2», при этом курсор переместится в крайнее правое положение под моргающую цифру, обозначающую тип импульсного выхода.
-
6.3.2.6. Последовательным нажатием кнопки «S1» устанавливают значение типа импульс
ного выхода, равное единице. При этом на импульсный выход теплосчетчика будет пода-^fc'' ваться импульсный сигнал, пропорциональный тепловой мощности. ;
-
6.3.2.7. Последовательным нажатием кнопки «S2», перемещают курсор в крайнее левое
положение под букву «Н». /
-
6.3.2.8. Нажатием кнопки «S1», выходят из режима выбора типа импульсного выхода.
-
6.3.2.11. Нажимают кнопку «S2», при этом курсор переместится в крайнее правое положение под первый моргающий разряд числа, пропорционального коду веса импульса.
-
6.3.2.12. Число, пропорциональное коду веса импульса п, рассчитывают по формуле
п = 0,01/ Kq, (3)
где Kq - весовой коэффициент импульса тепловой энергии, ГДж/имп.
Примечание - KQ может принимать значение от 1000 до 10000 при условии, что выходная частота на импульсном выходе не превышает 400 Гц.
-
6.3.2.13. Последовательным нажатием кнопки «S1», устанавливают необходимое значение первого разряда числа п, рассчитанного по формуле (3).
-
6.3.2.14. Нажатием кнопки «S2», перемещают курсор под второй разряд числа п.
-
6.3.2.15. Последовательным нажатием кнопки «S1» устанавливают необходимое значение второго разряда числа п.
-
6.3.2.16. Аналогично устанавливают значения всех оставшихся разрядов числа п.
-
6.3.2.17. Последовательным нажатием кнопки «S2» перемещают курсор в крайнее левое положение под букву «Н».
-
6.3.2.18. Нажатием кнопки «S1» выходят из режима установки кода веса импульса.
-
6.3.2.19. Последовательным нажатием кнопки «S2» выбирают параметр НП 39 - «Режим имитация расхода».
-
6.3.2.20. Нажатием кнопки «S1» входят в этот режим, при этом курсор будет находиться в крайнем левом положении под моргающей буквой «Н».
-
6.3.2.21. Нажимаю кнопку «S2», при этом курсор переместится в крайнее правое положение под моргающую цифру.
-
6.3.2.22. Последовательным нажатием кнопки «S1» устанавливают значение для этой цифры, равное единице. При этом установленном значении, теплосчетчик переходит в режим «самоимитации» расхода.
-
6.3.2.23. Последовательным нажатием кнопки «S2» перемещают курсор в крайнее левое положение под букву «Н».
-
6.3.2.24. Нажатием кнопки «S1» выйти из режима имитации расхода.
-
6.3.2.25. Последовательным нажатием кнопки «S2» выбирают параметр НП 38 - «Режим установки кода расхода».
-
6.3.2.26. Нажатием кнопки «S1» входят в режим установки кода расхода, при этом курсор будет находиться в крайнем левом положении под моргающей буквой «Н».
-
6.3.2.27. Нажимают кнопку «S2», при этом курсор переместиться в крайнее правое положение под первый моргающий разряд числа, пропорционального коду имитируемого расхода.
-
6.3.2.28. Число, пропорциональное коду имитируемого расхода т, рассчитывают по формуле
m = qp • 100, где qp - постоянное значение расхода, м3/ч; (таблица В.1 приложения В).
(4)
-
6.3.2.29. Последовательным нажатием кнопки «S1» устанавливают необходимое значение первого разряда числа т, рассчитанного по формуле (4).
-
6.3.2.30. Нажатием кнопки «S2» перемещают курсор под второй разряд числа т.
-
6.3.2.31. Последовательным нажатием кнопки «S1» устанавливают необходимое значение
второго разряда числа т.
-
6.3.2.32. Аналогично устанавливают значения всех оставшихся разрядов числа т.
-
6.3.2.33. Последовательным нажатием кнопки «S2» перемещают курсор в крайнее левое положение под букву «Н».
-
6.3.2.34. Нажатием кнопки «S1» выходят из режима установки кода расхода.
-
6.3.2.35. Последовательным нажатием кнопки «S2» выбирают параметр строечных параметров».
-SSS. к?
и норищи®
з.окум«к
-
6.3.2.36. Устанавливают перемычку на группу штыревых контактов ХЮ.
-
6.3.2.37. Нажимают кнопку «S1», при этом, в случае успешной записи в память теплосчетчика измененных настроечных параметров, на индикаторе появится запись «ЗАП».
-
6.3.2.38. Снимают перемычку с группы штыревых контактов ХЮ.
-
6.3.2.39. Длительным нажатием кнопки «S2» выходят из меню «Настроечные параметры».
-
6.3.2.40. На магазинах сопротивления устанавливают значения сопротивлений в соответствии с таблицей 6.
Таблица 6
Температура 01, °C |
Сопротивление R1, Ом |
Температура 02, °C |
Сопротивле-ние R2, Ом |
Тепловой коэффициент КЕю, МДж/м3 при р=1,6 МПа | ||
Исполнения | ||||||
U1, АЗ |
А5 |
U2 | ||||
53 |
602,75 |
50 |
597,00 |
12,37046 |
12,10991 |
12,38782 |
70 |
635,40 |
50 |
597,00 |
81,79306 |
79,86310 |
82,65079 |
150 |
786,65 |
5 |
509,75 |
560,07125 |
560,07125 |
610,76469 |
Примечания
|
-
6.3.2.41. Устанавливают частотомер F в режим счета импульсов.
-
6.3.2.42. Нажатием кнопки «S1» активируют установленный расход. При этом на индикаторе теплосчетчика появляется надпись «START». Одновременно с нажатием кнопки «S1» включают секундомер.
-
6.3.2.43. По истечении времени Т не менее 240 с повторным нажатием кнопки «S1» деактивируют установленный расход. При этом на индикаторе теплосчетчика появляется надпись «STOP». Одновременно с нажатием кнопки «S1» останавливают секундомер.
-
6.3.2.44. Остановить частотомер.
-
6.3.2.45. Относительную погрешность измерения тепловой энергии Ес, %, рассчитывают по
формуле
Ec=Q ■ -100,
Qio
(5)
где
Qi - количество тепловой энергии, измеренное теплосчетчиком, ГДж;
2ю - расчетное значение тепловой энергии, ГДж;
2i = N, • KQ,
(6)
где
Nj - количество импульсов, измеренное счетчиком импульсов, подключен-
ным к поверяемому теплосчетчику, имп;
KQ - вес импульса, установленный для импульсного выхода, ГДж/имп;
Qi0 = KEi0-m- Т/360000000, (7)
где КЕю - тепловой коэффициент, указанный в таблице 6, МДж/м3; m - код имитируемого расхода, рассчитанный по формуле (4), м3/ч; Т - время измерения, с;
Примечание - Значения физических величин, применяемых при расчетах тепловой энергии, а также расчет тепловых коэффициентов представлены в приложении Д.
-
6.3.2.46. Измерение и расчет погрешности производят для всех значений температур, указанных в таблице 6.
-
6.3.2.47. Результаты измерений заносят в таблицу 5 протокола по форме Прилож
-
6.3.2.48. Результаты (операции) поверки считают положительными, если относ
грешность измерения тепловой энергии Ес, %, не превышает значений, рао формуле |
техническом \ у.
Ес “ + 40min/4©).
1мациИ" ‘тивной
6.3.3 Определение погрешности измерения температуры
-
6.3.3.1. Собирают схему, указанную на рисунке Б.1 приложения Б.
-
6.3.3.2. К измерительным каналам температуры подключают магазины сопротивлений с установленными на них значениями сопротивлений согласно таблице 7.
аблица 7
Температура ©ой °C |
Сопротивление R ь Ом |
0 |
500,00 |
80 |
654,50 |
150 |
786,65 |
-
6.3.3.3. Измеренные значения температуры определяют по показаниям индикатора.
-
6.3.3.4. Абсолютную погрешность измерения температуры A0j, °C для каждого канала измерения температуры и каждого значения температуры, определяют по формуле
A0i = 0,-001, (9)
где 0j - измеренное значение температуры. °C;
0oi - эталонное значение температуры, указанное в таблице 7, °C;
i - принимает значение от 1 до 3;
-
6.3.3.5. Результаты измерений заносят в таблицу 6 протокола по форме приложения Г.
-
6.3.3.6. Результаты (операции) поверки считают положительными, если для каждого канала измерения температуры и каждой контрольной точки абсолютная погрешность измерения температуры не превышает значения ±0,3 °C.
6.3.4 Определение погрешности теплосчетчика
6.3.4.1 .Погрешность измерения тепловой энергии теплосчетчиком Е, %, вычисляют по формуле
E = EC+Ef + Et,
(Ю)
где Е - погрешность теплосчетчика. %;
Ес - погрешность измерения тепловой энергии . %;
Ef - погрешность датчика потока. %;
Et - погрешность комплекта датчиков температуры. %;
Примечание - для теплосчетчика исполнения А5 за погрешность датчика потока Ef принимают значение погрешности того датчика потока, погрешность которого имеет большее по модулю значение.
-
6.3.4.2. Результаты расчетов заносят в таблицу 7 протокола по форме приложения Г.
-
6.3.4.3. Результаты (операции) поверки считают положительными, если относительная погрешность измерения тепловой энергии каждым измерительным каналом не превышает значений, указанных в таблице 8.
Таблица 8
Класс точности по ГОСТ EN 1434-1 (СТБ ГОСТ Р 51649)
Диапазон измерения расхода, Мз/ч
Пределы допускаемой относительной погрешности Е, %
2(B)
0,04 qs <; q < qs
±(3 + 4-Д0т|П/Д0)
q. < q < 0,04 qs
±(3 + 4-Д0т!п/Д0 +0,02 qp /q)
где ДО
A®min Ар а
9s
-
- разность температур в подающем и обратном потоках, °C
-
- минимально допустимая разность температур, °C
-
- постоянное значение расхода, м3/ч
-
- установленное значение расхода, м3/ч
-
- верхний предел расхода, м3/ч.
ваучно-
.> нвческои
Гпматнвнои
тез ин.
и и
-
7 ОФОРМЛЕНИЕ РЕЗУЛЬТАТОВ ПОВЕРКИ
-
7.1. Результаты поверки заносят в протокол, форма которого приведена в приложении Г.
-
7.2. Если по результатам поверки теплосчетчик признан пригодным к применению, на переднюю панель вычислителя наносится поверительное клеймо, а также оттиск знака поверки с мастикой на винты крепления верхней крышки вычислителя. На теплосчетчик выдается свидетельство о поверке по форме приложения Г ТКП 8.003.
-
7.3. Если по результатам поверки теплосчетчик признан непригодным к применению, поверительное клеймо гасится. Свидетельство о поверке аннулируется, выписывается Заключение о непригодности по форме приложения Д ТКП 8.003.
технической
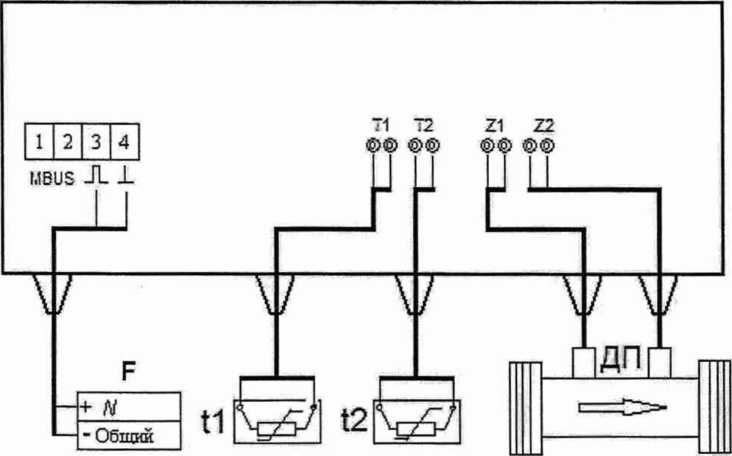
СХЕМА ЭЛЕКТРИЧЕСКАЯ ПОДКЛЮЧЕНИЙ ДЛЯ ОПРЕДЕЛЕНИЯ ПОГРЕШНОСТИ ИЗМЕРЕНИЯ ОБЪЕМА

t1,t2 - магазин сопротивлений Р4831,
мера электрического сопротивления многозначная МС3071, имитаторы тепмопреобразователей сопротивления МК3002;
F - частотомер 43-34;
ДП - датчик потока.
Рисунок А.1 - Схема электрическая подключений для определения погрешности измерения объема
инйоР«аи*и1~ J г Н Г^««”*аов■■
СХЕМА ЭЛЕКТРИЧЕСКАЯ ПОДКЛЮЧЕНИЙ ДЛЯ ОПРЕДЕЛЕНИЯ ПОГРЕШНОСТИ ИЗМЕРЕНИЯ ТЕПЛОВОЙ ЭНЕРГИИ ВЫЧИСЛИТЕЛЕМ

t1, t2 - магазин сопротивлений Р4831,
мера электрического сопротивления многозначная МС3071, имитаторы тепмопреобразователей сопротивления МК3002; F - частотомер 43-34.
Рисунок Б.1 - Схема электрическая подключений для определения погрешности измерения тепловой энергии вычислителем
Av
___ - ..
(\ S( технической
’X информации,
\ и нормативной \V>X доку мен -.шт
/Отдел научна- усу.
\\ъ\ 'л /&J1
---
РАЗМЕРЫ РЕЗЬБЫ КОНЦЕВОГО СОЕДИНЕНИЯ ЛИБО НОМИНАЛЬНЫЕ ДИАМЕТРЫ ФЛАНЦЕВ ДАТЧИКОВ ПОТОКА И СООТВЕТСТВУЮЩИЕ ИМ МИНИМАЛЬНЫЕ, НОМИНАЛЬНЫЕ И МАКСИМАЛЬНЫЕ ЗНАЧЕНИЯ РАСХОДОВ
Таблица В.1
№ п/п |
Размеры фланцевого соединения DN |
Размеры резьбового соединения |
Нижний предел расхода, qi, м3/ч |
Постоянное значение расхода, qp, м3/ч |
Верхний предел расхода, qS1 м3/ч |
Весовой коэффициент импульса, Kv |
1 |
15 |
G3/4B |
0,03 |
1,5 |
3,0 | |
2 |
20 |
G1 В |
0,05 |
2,5 |
5,0 | |
3 |
25 |
G 174 В |
0,07 |
3,5 |
7,0 | |
4 |
32 |
G ГАВ |
0,12 |
6,0 |
12,0 | |
5 |
40 |
G2 В |
0,20 |
10,0 |
20,0 | |
6 |
50 |
- |
0,30 |
15,0 |
30,0 |
от 0,001 до 10,000 |
7 |
65 |
0,50 |
25,0 |
50,0 | ||
8 |
80 |
1,80 |
90,0 |
180,0 | ||
9 |
100 |
2,80 |
140,0 |
280,0 | ||
10 |
150 |
6,30 |
315,0 |
630,0 | ||
11 |
200 |
11,00 |
550,0 |
1100,0 | ||
12 |
250 |
18,00 |
900,0 |
1800,0 11 | ||
13 |
300 |
25,00 |
1250,0 |
2500,0 1) | ||
Примечание 1) - применение датчиков потока метрологии допускается при превышает значение 1100 м |
DN250 и DN300 в сфере законодательной условии, что их наибольший расход не 7ч. |
//О? От № научно-//<?/ технической I >5 ИНф°РмаЦЙИ -и нормативной докумеи ‘Чии
ФОРМА ПРОТОКОЛА ПОВЕРКИ ТЕПЛОСЧЕТЧИКА СКМ-2К
ПРОТОКОЛ №___
поверки____________________________________________
наименование средства измерений
тип______________________№_________________________________________
принадлежащего_____________________________________________________________
наименование организации
Изготовитель__
наименование изготовителя
Дата проведения поверки _________________________________________________________
С ... по...
Поверка проводится по___________________________________________________________
обозначение документа, по которому проводят поверку
Средства поверки
Таблица Г.1
Наименование средства измерений, тип |
Заводской номер |
Условия поверки температура воздуха, °C температура воды, °C относительная влажность, % атмосферное давление, кПа
Результаты поверки
Г.1 Внешний осмотр
Г.2 Опробование
Г.З Герметичность
Г.4 Определение метрологических характеристик

Г.4.2 Определение погрешности измерения тепловой энергии Таблица Г.З - Результаты измерений
N° п/п |
01, °C |
R1t Ом |
02. °C |
R2, Ом |
Q, ГДж |
Qo, ГДж |
Ес, % |
Ес^,.3£ |
1 |
53 |
602,75 |
50 |
597,00 |
■/ |
^,5 | ||
2 |
70 |
635,40 |
50 |
597,00 |
//о°. |
Еде*;:;- | ||
3 |
150 |
786,65 |
5 |
509,75 |
fel |
j±Q^auKH |
докумек *.ции
Гл '<•

Г.4.1 Определение погрешности датчика потока
Таблица Г.2 - Результаты измерений
Диапазон расхода |
Поверяемое СИ |
Эталонное СИ |
Погрешность Ef> % | ||
Кол-во имп, Nj |
Вес имп, lv, л/имп |
Объем, Vj, л |
Объем, Vo, л | ||
q, <.q< 1,1q( |
±3,0 | ||||
0,1qp <q< 0,11gp |
±2,0 | ||||
0,9<7o<q< 1,0qo |
±2,0 |
Г.4.3 Определение погрешности измерения температуры
Таблица Г.4 - Результаты измерений
Номер измерительного канала температуры |
Эталонные значения |
Измеренные значения, 0, °C |
Расчетные значения ДО,, °C |
Допускаемые значения Д0|ДОП> °C | |
Ri, Ом |
©оь °C | ||||
1 |
500,00 |
0 |
±0,3 | ||
654,50 |
80 | ||||
786,65 |
150 | ||||
2 |
500,00 |
0 | |||
654,50 |
80 | ||||
786,65 |
150 |
Г.4.4 Определение погрешности теплосчетчика
Заключение
Таблица Г.5 - Результаты измерений
№ п/п |
01,°C |
02, °C |
q, м3/ч |
Ef, % |
Ec, % |
Et, % |
E, % |
E доп, % |
1 |
53 |
50 |
0,9 qp <q<1,0qp |
±7,0 | ||||
2 |
70 |
50 |
0,1<7P <; q <0,11<7p |
±3,6 | ||||
3 |
150 |
5 |
9/ <q< 1,1qz |
±4,08 |
соответствует/не соответствует
Свидетельство (заключение о непригодности) №_______________________________
Поверитель_____________________ ________________________
подпись расшифровка подписи
ЙТ’ЗЭй>s
IЗНАЧЕНИЯ ФИЗИЧЕСКИХ ВЕЛИЧИН, ПРИМЕНЯЕМЫХ ПРИ РАСЧЕТАХ
Таблица Д.1
При давлении р = 0,6 МПа | |||
Температура, Т, °C |
Сопротивление, R, Ом |
Плотность, р, кг/м3 |
Энтальпия, h, кДж/кг |
5 |
509,75 |
1000,21 |
21,61563 |
50 |
597,00 |
988,2643 |
209,8430 |
53 |
602,75 |
986,8791 |
222,37929 |
70 |
635,40 |
977,9987 |
293,48306 |
150 |
786,65 |
917,0770 |
632,328 |
Таблица Д.2
При давлении р = 1,6 МПа | |||
Температура, Т, °C |
Сопротивление, R, Ом |
Плотность, р, кг/м3 |
Энтальпия, h, кДж/кг |
5 |
509,75 |
1000,7025 |
22,60979 |
50 |
597,00 |
988,6983 |
210,70517 |
53 |
602,75 |
987,3131 |
223,23459 |
70 |
635,40 |
978,4378 |
294,30073 |
150 |
786,65 |
917,6443 |
632,94569 |
ФОРМУЛА РАСЧЕТА ТЕПЛОВОГО КОЭФФИЦИЕНТА Кею
(для исполнений U1, АЗ)
Кею= Pr(hr ЬгИО"3, (Д-1)
где p-i - плотность теплоносителя в подающем трубопроводе, кг/м3;
h! - энтальпия теплоносителя в подающем трубопроводе, кДж/кг;
h 2 - энтальпия теплоносителя в обратном трубопроводе, кДж/кг.
(для исполнения U2)
KEw=p2-(hi-h2)-10-3, (Д.2)
где р2 - плотность теплоносителя в обратном трубопроводе, кг/м3;
(для исполнения А5)
КЕ,о= Pr(hr hs)-103 -p2(h2- h5)-103, (Д.3)
где h 5 - энтальпия холодной воды, кг/м3;

докумее J
Отжез научно-технической информации
БИБЛИОГРАФИЯ
-
[1] Теплосчетчики СКМ-2К. Руководство по эксплуатации.
-
[2] Частотомеры 43-34. Техническое описание и инструкция по эксплуатации.
-
[3] Меры электрического сопротивления многозначная МС3071. Руководство по эксплуатации ИУСН.411642.004РЭ.
-
[4] Имитаторы термопреобразователей сопротивления МК 3002. Руководство по эксплуатации ЗИУСН.800.001 РЭ.
-
[5] «Правила технической эксплуатации электроустановок потребителей», утвержденные и зарегистрированные Минэнерго России Минюстом России № 6 от 13.01.03 № 4145 от 22.01.03
/7 оУОчдез наУ4*1?"
#£/ технической !>х инф<Фмаи*?й И.

ТЕПЛОСЧЕТЧИКИ СКМ-2К
МЕТОДИКА ПОВЕРКИ | ||
МР6 |
1 |
МИНСК 2014 г.
