Методика поверки «МОДУЛИ АНАЛОГОВОГО ВВОДА ИЗМЕРИТЕЛЬНЫЕ МВ110» (МП КУВФ.421459.002)
ООО «Производственное Объединение ОВЕН»

ИНСТРУКЦИЯ
МОДУЛИ АНАЛОГОВОГО ВВОДА ИЗМЕРИТЕЛЬНЫЕ МЕТОДИКА ПОВЕРКИКУ ВФ.421459.002 МП
Москва
СОДЕРЖАНИЕ-
5 Требования безопасности и требования к квалификации поверителей
-
-
8.4 Определение основной приведенной погрешности измерения
-
9 Оформление результатов поверки
КУВФ. 421459.002МП
Лист
2
Изм.
Лист
№ до кум.
Подпись
Дата
-
1 ОБЛАСТЬ ПРИМЕНЕНИЯ
Настоящая рекомендация распространяется на модули аналогового ввода МВ 110 (далее - модули) пр-ва ООО «Производственное Объединение ОВЕН», г. Москва и устанавливает методику их первичной и периодической поверок.
Межповерочный интервал - 2 года.
-
2 НОРМАТИВНЫЕ ССЫЛКИ
HP 50.2.006-94 Государственная система обеспечения единства измерений. Порядок проведения поверки средств измерений.
ПР 50.2.012-94 Государственная система обеспечения единства измерений. Порядок аттестации поверителей средств измерений.
ГОСТ 12.3.019-80 Система стандартов безопасности труда. Испытания и измерения электрические. Общие требования безопасности.
ГОСТ Р 52931-2008 Приборы контроля и регулирования технологических процессов. Общие технические условия.
ГОСТ 6651-2009 Государственная система обеспечения единства измерений. Термопреобразователи сопротивления из платины, меди и никеля. Общие технические требования и методы испытаний.
ГОСТ Р 8.585-2001 Государственная система обеспечения единства измерений. Термопары.
Номинальные статические характеристики преобразования.
ГОСТ 26.011-80 Средства измерений и автоматизации. Сигналы тока и напряжения электрические непрерывные входные и выходные.
3 ОПЕРАЦИИ ПОВЕРКИПри проведении поверки выполняют следующие операции:
-
- внешний осмотр (п.8.1);
-
- проверка электрического сопротивления изоляции (и.8.2);
-
- опробование (п.8.3);
-
- определение основной приведенной погрешности модуля (и.8.4).
-
4.1 Средства измерений, используемые в качестве мер входного сигнала поверяемого прибора, должны иметь технические характеристики, обеспечивающие поверку в диапазоне измерений поверяемого модуля.
-
4.2 Измерительная цепь (включая меры входного сигнала), при помощи которой
поверяют модули, должна обеспечивать такую точность измерений, при которой верно неравенство: < ^Дя , гДе ^п~ предел допускаемого абсолютного значения основной
погрешности поверяемого модуля.
-
4.3 Для определения основных погрешностей модуля необходимо применять следующие средства поверки.
-
4.3.1 При измерении входных сигналов от термопреобразователей сопротивления: магазин сопротивлений (мера сопротивления): диапазон выходных сопротивлений 0,001 Ом - 10 кОм; класс точности не более 0,02 (например, Р4831, МСР-60М, калибратор унифицированных сигналов ИКСУ 2000).
КУВФ. 421459.002МП
Лист
3
Изм.
Лист
№ до кум.
Подпись
Дата
-
4.3.2 При измерении входных сигналов от термоэлектрических преобразователей: низкоомный потенциометр постоянного тока или калибратор напряжения
-
постоянного тока, используемые в качестве меры напряжения с диапазоном выходного сигнала от 0 до 100 мВ; класс точности не более 0,05 (например, потенциометры постоянного тока Р306, Р348, Р363, 1111-63; универсальный переносной измерительный прибор типа УПИП-60М; компаратор напряжений РЗООЗ; калибратор напряжения П 320; установки Bl-12, Bl-13, В1-28; калибратор унифицированных сигналов ИКСУ 2000);
-
- жидкостной термостат (аттестованный метрологической службой, проводящей поверку) для обеспечения стабильной температуры холодных спаев термоэлектродных и медных проводов.
Термостат в условиях поверки должен обеспечивать такое постоянство температуры, при котором за время поверки прибора изменение температуры, выраженное в процентах, не должно превышать х/ю уп, где уп - предел допускаемого значения приведенной основной погрешности поверяемого прибора.
Термостат в условиях поверки должен быть снабжен термометром в месте расположения спаев термоэлектродных и медных проводов: диапазон (0...50) °C; ц.д. 0,1 °C; допускаемая погрешность ± 0,2 °C (например, ТЛ-4).
-
- аттестованные (метрологической службой, проводящей поверку) удлиняющие компенсационные провода. Значение ТЭДС скомплектованной пары проводов при температуре рабочего и свободных концов пары, соответственно равной 100 °C и 0 °C, не должно отклоняться от значений соответствующей типу ТП НСХ более чем на ± 0,2 ДДОп, где Ддоп - предел допускаемых отклонений значений ТЭДС ТП от значений НСХ, указанных в ГОСТ, выраженного в милливольтах (для ТХК (L) - 0,036 мВ, для ТХКн (Е) -0,020 мВ, для ТЖК (J) - 0,016 мВ, для ТХА (К) - 0,012 мВ, для ТНН (N) - 0,009 мВ, для ТСС (I) - 0,012 мВ, для ТПП10 (S) - 0,002 мВ, для ТПП13 (R) - 0,002 мВ).
-
4.3.3 При измерении входных сигналов от датчиков с унифицированными сигналами постоянного тока:
-
- источник постоянного тока с диапазоном выходного сигнала от 0 до 20 мА; класс точности не хуже 0,01 (например, калибратор тока П 321, калибратор унифицированных сигналов ИКСУ 2000);
или:
-
- вольтметр с диапазонами входных сигналов постоянного напряжения от 0 до 10 В, класс точности не хуже 0,01/0,03 (например, универсальные вольтметры В7-46, Щ31);
-
- сопротивление 100 Ом класс точности не хуже 0,05 (например, магазин сопротивлений МСР-63 или катушка электрического сопротивления Р331);
-
- источник постоянного напряжения с максимальным выходным напряжением 10 В, обеспечивающим постоянство напряжения, при котором за время определения основной погрешности прибора на одной отметке изменение тока, выраженное в процентах не должна превышать х/ю уп , где где уп - предел допускаемого значения приведенной основной погрешности поверяемого прибора (например, источник питания постоянного тока Б5-44А, Б5-47, Б5-48, Б5-49).
-
4.3.4 При измерении входных сигналов от датчиков с унифицированными сигналами постоянного напряжения:
-
- источник регулируемого напряжения класс точности не хуже 0,01 (например, калибратор напряжения П 320; компаратор напряжений РЗООЗ; установки Bl-12, В1-13, В1-28).
-
4.3.5 При измерении входных сигналов от тензометрических датчиков:
-
- магазин сопротивлений (мера электрического сопротивления): диапазон выходных сопротивлений от 0,01 до 111111,1 Ом; класс точности не более 0,005/1,5 • 10'6 (например, РЗ026/2).
КУВФ. 421459.002МП
Лист
4
Изм.
Лист
№ до кум.
Подпись
Дата
-
- сопротивление 1000 Ом, класс точности не хуже 0,01 (например, катушка электрического сопротивления РЗЗ1) - 3 шт.;
или:
-
- вольтметр с диапазонами входных сигналов постоянного напряжения от 0 до 1 В, класс точности не хуже 0,0005 (например, компаратор напряжений РЗООЗ, дифференциальный вольтметр В1-12);
магазин сопротивлений (мера сопротивления): диапазон выходных сопротивлений 0,001 Ом - 10 кОм; класс точности не более 0,02 (например, Р4831, МСР-60М, калибратор унифицированных сигналов ИКСУ 2000);
-
- сопротивление 10 кОм, класс точности не хуже 0,05 (например, магазин сопротивлений МСР-63 или катушка электрического сопротивления РЗЗ 1) - 2 шт;
-
- сопротивление 361 Ом, класс точности не хуже 0,05 (например, магазин сопротивлений МСР-63);
-
4.3.6 При измерении входных сигналов ЭДС электродных систем, применяемых для потенциометрических измерений:
-
- источник регулируемого напряжения с диапазоном выходного сигнала от 0 до 1000 мВ, класс точности не хуже 0,05 (например, калибратор напряжения П 320; компаратор напряжений РЗООЗ; установки Bl-12, В1-13, В1-28);
-
- Имитатор электродной системы И-02 ТУ 25-05.2141-76. Диапазон изменения напряжения ± 2 В, погрешность ± 5 мВ, Rn = 0, (500, 1000) МОм ± 25 %, Rb = 0, (10, 20) кОм ± 1 %.
-
4.4 Мегаомметр для измерения сопротивления изоляции с номинальным напряжением 500 В класс точности 1,0 (например, М4100/3).
-
4.5 Персональный компьютер с установленным ПО «Конфигуратор МИО» для определения идентификационного наименования программного обеспечения.
-
4.6 Допускается применять другие средства поверки, в том числе автоматизированные, удовлетворяющие требованиям настоящей методики.
-
4.7 Средства поверки должны быть исправны и поверены в соответствии с ПР50.2.006.
-
5 ТРЕБОВАНИЯ БЕЗОПАСНОСТИ И ТРЕБОВАНИЯ К КВАЛИФИКАЦИИ ПОВЕРИТЕЛЕЙ
-
5.1 При проведении поверки необходимо соблюдать требования ГОСТ 12.3.019 - 92, «Правил технической эксплуатации электроустановок потребителей», «Правил техники безопасности при эксплуатации электроустановок потребителей».
-
5.2 Любые подключения модулей производить только при отключенном напряжении питания модуля.
-
ВНИМАНИЕ! На открытых контактах клеммных колодок модуля напряжение опасное для жизни - 220 В.
-
5.3 К работе с модулями допускаются лица, изучившие РЭ модулей, знающие принцип действия используемых средств измерений и прошедшие инструктаж по технике безопасности (первичный и на рабочем месте) в установленном в организации порядке.
-
5.4 К поверке допускаются лица, освоившие работу с модулями и используемыми эталонами, изучившими настоящую рекомендацию, аттестованных в соответствии с ПР 50.2.012 и имеющих достаточную квалификацию для выбора методики поверки и выбора соответствующих эталонов (пи. 4.3.1.. .4.3.6 настоящей рекомендации).
КУВФ. 421459.002МП
Лист
5
Изм.
Лист
№ до кум.
Подпись
Дата
-
6.1 При проведении поверки соблюдают следующие условия:
-
- температура окружающего воздуха, °C 20 ± 5;
-
- относительная влажность окружающего воздуха, % 30 - 80;
-
- атмосферное давление, кПа 84,0 - 106,7;
-
- напряжение питания, В 220+}°;
-
- частота питающей сети, Гц 50 ± 1.
-
6.2 Средства поверки и поверяемые модули должны быть защищены от вибраций и ударов.
-
7.1 Подготовить к работе поверяемый модуль в соответствии с указаниями, изложенными в РЭ модуля.
Модули включают на предварительный прогрев не менее чем за 20 мин до начала поверки.
К модулям, поверяемым по схеме, указанной на рисунке 2, термоэлектродные провода, холодные спаи которых с медными проводами помещены в термостат, подключают не менее чем за 2 ч до начала измерений.
-
7.2 Подготовить к работе средства поверки в соответствии с распространяющимися на них эксплуатационными документами.
-
7.3 Управление работой модуля при поверке, задание его программируемых параметров должны производиться в соответствии с указаниями РЭ на модуль.
-
8 ПРОВЕДЕНИЕ ПОВЕРКИ
Все действия с модулем (программирование и т.д.), а также подключение первичных преобразователей должны производиться в соответствии с руководством по эксплуатации.
-
8.1 Внешний осмотр
-
8.1.1 При проведении внешнего осмотра должно быть проверено соответствие модуля следующим требованиям:
-
-
- модуль должен быть представлен на поверку с эксплуатационной документацией, входящей в комплект поставки модуля (паспорт, компакт-диск с программным обеспечением и руководство по эксплуатации).
-
- модуль должен быть чистым и не иметь механических повреждений на корпусе и лицевой панели;
-
- модуль не должен иметь механических повреждений входных и выходных клеммных соединителей;
-
- на модуле должна быть маркировка, соответствующая РЭ.
-
8.1.2 При обнаружении механических дефектов, а также несоответствия маркировки эксплуатационной документации определяется возможность проведения поверки и дальнейшего использования модуля.
Изм.
Лист
№ до кум.
Подпись
Дата
КУВФ. 421459.002МП
Лист
-
8.2 Проверка электрического сопротивления изоляции
-
8.2.1 Определение электрического сопротивления изоляции токоведущих цепей поверяемого модуля относительно его корпуса производить между контактами для подсоединения сетевого напряжения и корпусом в климатических условиях, приведенных в и. 6.1 настоящей МП.
-
Модуль перед испытанием покрывают сплошной, плотно прилегающей к поверхности металлической фольгой таким образом, чтобы расстояние ее от зажимов испытуемой цепи было не менее 20 мм.
Проверка электрического сопротивления изоляции производится испытательным напряжением 100 В для модулей с номинальным напряжением питания 24 В и 500 В для модулей с номинальным напряжением питания 220 В.
-
8.2.2 Прибор считают выдержавшим испытание, если измеренное сопротивление изоляции не менее 20 МОм.
-
8.3 Опробование
-
8.3.1 Приборы устанавливают в нормальное рабочее положение.
-
8.3.2 Перед проведением поверки выполнить следующие действия:
-
-
- при выключенном питании подключить модуль к компьютеру согласно РЭ модуля;
-
- включить питание модуля;
-
- включить питание компьютера и дождаться загрузки операционной системы;
-
- загрузить на компьютере среду программирования и установить связь с модулем.
-
8.3.3 Определение идентификационного наименования программного обеспечения.
Сведения об идентификационном наименовании встроенной и автономной («Конфигуратор МИО») частей программного обеспечения представлены в окне конфигуратора (см. рис. 1-4).

Рисунок 1
КУВФ. 421459.002МП |
Лист | |||||
7 | ||||||
Изм. |
Лист |
№ до кум. |
Подпись |
Дата |

Рисунок 2
■ Конфигуратор МВ110-2АС - Имя не задано | ||
Файл Прибор Дерево Режимы программы | ||
□ & ш Ъ Ч |
<>) Справка 4? | Экспорт списка параметров в HTML | |
Описание |
Значение АтриЕт, | |
Е Конфигурация МИО (Имя не задано) |
0 программе... |
13 'L—l Параметры прибора
■Общие параметры прибора | ||
Имя прибора |
dev< |
MB110-2C |
Версия прошивки |
yet |
Vi.05 |
Код последней ошибки |
n .Er г |
0 |
Код выхода |
exit |
аппаратн.сброс |
Е Входы
1+1 Сетевые параметры
it’ C--J Опрос входов
Рисунок 3
КУВФ. 421459.002МП |
Лист | |||||
8 | ||||||
Изм. |
Лист |
№ до кум. |
Подпись |
Дата |

■ Конфигуратор МВ110-2АС - Имя не задано
Файл Прибор Дерево Режимы программы Справка
J гЭ Ф INIT Ф &
Описание А Параметр Значение Атриб
□ JUi Конфигурация М110 (Имя не задано)
Н : Параметры прибора
Й £3)
® Входы
© Сетевые параметры
:+' L’j Опрос входов
Рисунок 4
Общие параметры прибора
Имя прибора |
dev |
MB 110-20 |
Версия прошивки |
ver |
VI .05 |
Код последней ошибки |
п .Err |
0 |
Код выхода |
exit |
аппаратн. сброс |
Г- = 0 программе |
В |
Конфигуратор MJ10 Версия ПО: 1,1.0.37 ©ОВЕН, 2008-20011 гг. | |
Е ок □ | |
Результат подтверждения соответствия программного обеспечения считается положительным, если полученные идентификационные данные программного обеспечения средства измерений (идентификационное наименование программного обеспечения, номер версии (идентификационный номер) программного обеспечения) соответствуют идентификационным данным, указанным в разделе «Метрологические и технические характеристики» описания типа средства измерений.
-
8.3.4 В соответствии с указаниями руководства по эксплуатации проверить во всех каналах заданные значения параметров коррекции измеряемых величин in.SH (сдвиг характеристики) и in.SL (наклон характеристики) и установить их равными соответственно 000.0 и 1.000
-
8.3.5 В соответствии с указаниями руководства по эксплуатации отключить во всех каналах цифровые фильтры, установив в параметрах in.Fd (постоянная времени фильтра) и in.FG (полоса пропускания фильтра) нулевые значения.
Примечание - Действия, выполняемые по п.п. 8.3.3, 8.3.4 кроме опробования модуля служат одновременно и для подготовки проведения дальнейших операций.
-
8.3.6 Выбрать в среде программирования вход и тип датчика.
-
8.4 Определение основной приведенной (абсолютной) погрешности измерения входных сигналов модуля
Номинальные статические характеристики преобразования (НСХ) термопреобразователей сопротивления соответствуют ГОСТ 6651, НСХ
КУВФ. 421459.002МП |
Лист | |||||
9 | ||||||
Изм. |
Лист |
№ до кум. |
Подпись |
Дата |
термоэлектрических преобразователей соответствуют ГОСТ Р 8.585, источники унифицированных сигналов соответствуют ГОСТ 26.011.
При первичной поверке модулей значения основной приведенной погрешности определяют для следующих типов датчиков:
-
- термопреобразователь сопротивления 100 П (ос=0,00391 °C'1);
-
- термоэлектрический преобразователь ТХА(К);
-
- любой унифицированный сигнал постоянного тока;
-
- любой унифицированный сигнал постоянного напряжения;
-
- любой сигнал активного сопротивления.
Поверка производится в точках 0, 50 и 100 % диапазона измерений на одном (любом) входе.
При периодической поверке основную приведенную погрешность определяют в точках, соответствующих 0, 25, 50, 75, 100 % диапазона измерений.
В случае, когда модуль работает только с заданным пользователем типом первичного преобразователя, допускается определять погрешность модуля в указанных контрольных точках при работе только с заданным преобразователем, при этом в свидетельстве о поверке указываются тип первичного преобразователя и диапазон измерений.
В случае, когда комплектация модуля первичными преобразователями (датчиками) в процессе эксплуатации не известна, либо может изменяться, поверка производится по методике первичной поверки.
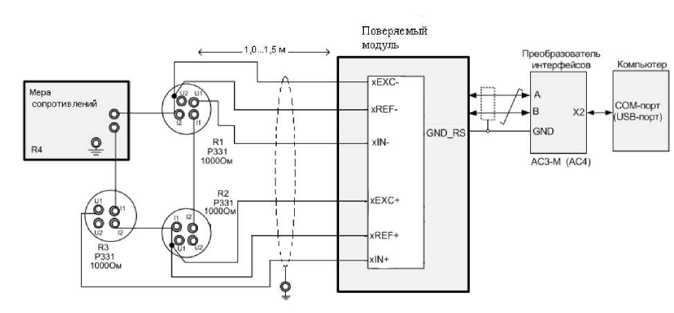
8.4.1 Определение основной приведенной погрешности модуля при измерении входных сигналов от термопреобразователей сопротивления.

Рисунок 1
Подключение меры сопротивления производить по трехпроводной схеме согласно РЭ, при этом сопротивления соединительных проводов должны быть равны и не должны превышать 15 Ом.
Установить в среде программирования вход (любой) и выбрать тип датчика -термометр сопротивления и его НСХ.
Последовательно устанавливая на мере сопротивлений сопротивления, соответствующие контрольным точкам, зафиксировать по установившимся показаниям измеренную модулем температуру для каждой из контрольных точек.
Рассчитать для каждой проверенной контрольной точки основную приведенную погрешность измерения входных сигналов при работе с термометрами сопротивления по формуле!:

(1)
Изм. |
Лист |
№ до кум. |
Подпись |
Дата |
КУВФ. 421459.002МП

где ух - значение основной приведенной погрешности модуля, %;
АИзм - значение измеряемой модулем величины в заданной контрольной точке (°C, мА, мВ, В, Ом, мГн);
Ансх - значение измеряемой модулем величины в заданной контрольной точке по НСХ первичного преобразователя (°C, мА, мВ, В, Ом, мГн);
АНОрм - нормирующее значение, равное разности между верхней и нижней границей диапазона измерения (контрольные точки 100 % и 0 %) (°C, мА, мВ, В, Ом, мГн).
Рассчитать для каждой проверенной контрольной точки основную абсолютную погрешность измерения входных сигналов при работе с термопреобразователем сопротивления модулей с входом типа pH по формуле 2.

(2) о
где А1 - основная абсолютная погрешность измерения параметра (°C, мВ, pH);
А изм - значение измеряемой модулем величины в заданной контрольной точке, (°C, мВ, pH);
А - значение измеряемой модулем величины в заданной контрольной точке по НСХ первичного преобразователя, (°C, мВ, pH).
Модуль признается годным, если наибольшее из рассчитанных значений основной приведенной (абсолютной) погрешности не превышает значения допускаемой основной приведенной (абсолютной) погрешности уп (АД
8.4.2 Определение основной приведенной погрешности модуля при измерении
входных сигналов от термоэлектрических преобразователей. Собрать схему по рисунку 2.

Рисунок 2.
К входу поверяемого модуля подключают термоэлектродные (компенсационные) провода, НСХ которых, соответствуют НСХ преобразования термопары. Концы проводов соединяют с медными проводами и спаи их помещают в термостат со стабильной температурой, измеряемой термометром для введения поправки по ТЭДС на температуру термостата.
Тип компенсационных проводов должен соответствовать типу термоэлектрического преобразователя, по НСХ которого будет проводиться поверка.
КУВФ. 421459.002МП |
Лист | |||||
11 | ||||||
Изм. |
Лист |
№ до кум. |
Подпись |
Дата |
Температуру свободных концов контролировать с помощью эталонного термометра для введения поправки на температуру свободных концов (при температуре, отличающейся от 0 оС более чем на 0,1 оС).
Подать питание на модуль и установить его связь со средой программирования на ПК.
Установить в среде программирования вход и выбрать тип датчика -термоэлектрический преобразователь и его НСХ.
Последовательно устанавливая на мере напряжения напряжения, соответствующие контрольным точкам, зафиксировать по установившимся показаниям измеренную модулем температуру для каждой из контрольных точек.
Рассчитать для каждой проверенной контрольной точки основную приведенную погрешность измерения входных сигналов при работе с термоэлектрическими преобразователями по формуле 3:
у-^ДХ]00о/о
*z л
Л ж™ ? (ty
где у2 - основная приведённая погрешность прибора в контрольной точке, % ;
ЛИ.Л, - измеренное модулем значение температуры в заданной контрольной точке, °C;
Лнсх - значение температуры в заданной контрольной точке по НСХ термопреобразователя, °C;
^4норм- нормирующее значение, равное разности максимальной и минимальной температур диапазона измеряемых температур модулем, °C;
е - поправка на температуру свободных концов холодных спаев компенсационных проводов, находящихся в термостате, °C.
Модуль признается годным, если наибольшее из рассчитанных значений основной приведенной погрешности не превышает уп •
8.4.3 Определение основной приведенной погрешности модуля при работе с унифицированным сигналом постоянного тока.
Собрать схему по рисунку 3.

а)
КУВФ. 421459.002МП |
Лист | |||||
12 | ||||||
Изм. |
Лист |
№ до кум. |
Подпись |
Дата |

б)
Рисунок 3
R1 - сопротивление 100 Ом;
R2 - внешний нагрузочный резистор (в зависимости от типа поверяемого модуля необходимость данного сопротивления необходимо проверить по РЭ на поверяемый модуль), с характеристиками не хуже указанных в РЭ на поверяемый модуль;
Р1 - вольтметр универсальный цифровой.
а) при использовании в качестве эталона калибратора постоянного тока.
б) при использовании в качестве эталона источника питания и универсального вольтметра.
Подать питание на модуль и установить его связь со средой программирования на ПК.
С помощью среды программирования настроить входы модуля для работы с входными сигналами постоянного тока.
Задать нижний предел показаний аналоговых входов равным нижней границе диапазона измеряемого сигнала и задать верхний предел показаний аналоговых входов равным верхней границе диапазона измеряемого сигнала.
При определении погрешности по схеме рисунок 2а) к входу поверяемого канала модуля вместо первичного преобразователя подключить калибратор тока.
Последовательно устанавливая на выходе калибратора токи, соответствующие значениям входного сигнала в контрольных точках, зафиксировать установившиеся значения для каждой из этих точек.
При определении погрешности по схеме рисунок 2б) на источнике постоянного напряжения увеличивают напряжение до достижения на поверяемом модуле значения входного сигнала равного значениям входного сигнала в контрольных точках.
Входной ток определяют измерением падения напряжения на сопротивлении R1 при помощи цифрового вольтметра и рассчитывают по формуле 4:
_ U
, (4)
где I - значение входного тока, мА;
U - напряжение по показаниям цифрового вольтметра, мВ;
R - сопротивление меры электрического сопротивления R1, Ом.
Рассчитать основную приведенную погрешность по формуле 1.
Модуль признается годным, если наибольшее из рассчитанных значений основной приведенной погрешности не превышает Yn .
КУВФ. 421459.002МП |
Лист | |||||
13 | ||||||
Изм. |
Лист |
№ до кум. |
Подпись |
Дата |
-
8.4.4 Определение основной приведенной погрешности модуля при работе с унифицированным сигналом постоянного напряжения.
Собрать схему по рисунку 4.
Компьюгар

Рисунок 4
Мера | ||
напряжений |
Х1 | |
с |
+ |
-S Х2 |
с |
хз |
Повер: модуль
С помощью среды программирования настроить входы модуля для работы с входными сигналами постоянного напряжения.
Задать нижний предел показаний аналоговых входов равным нижней границе диапазона измеряемого сигнала и задать верхний предел показаний аналоговых входов равным верхней границе диапазона измеряемого сигнала.
Последовательно устанавливая на выходе источника постоянного напряжения напряжения, соответствующие значениям входного сигнала в контрольных точках, зафиксировать установившиеся значения для каждой из этих точек;
Рассчитать основную приведенную погрешность по формуле 1.
Модуль признается годным, если наибольшее из рассчитанных значений основной приведенной погрешности не превышает уп •
-
8.4.5 Определение основной приведенной погрешности модуля при работе с входными сигналами активного сопротивления.
Собрать схему по рисунку 5.
Мера сопротивлений

Компьютер
СОМ-порт
Преснбразо&атель интерфейсов

Поверяемый модуль
Рисунок 5
С помощью среды программирования настроить входы модуля для работы с входными сигналами активного сопротивления.
Задать нижний предел показаний равным нижней границе диапазона измеряемого сигнала и задать верхний предел показаний равным верхней границе диапазона измеряемого сигнала.
Последовательно устанавливая на мере сопротивления сопротивления,
соответствующие контрольным точкам, зафиксировать по установившимся показаниям значения измеренного сигнала для каждой из контрольных точек.
Рассчитать для каждой проверенной контрольной точки основную приведенную погрешность измерения по формуле 1.
Модуль признается годным, если наибольшее из рассчитанных значений основной приведенной погрешности не превышает Yn .
Изм. |
Лист |
№ до кум. |
Подпись |
Дата |
КУВФ. 421459.002МП

-
8.4.6 Определение основной приведенной погрешности модуля при работе с входными сигналами взаимной индуктивности.
Собрать схему по рисунку 6.

Рисунок 6
С помощью среды программирования настроить входы модуля для работы с входными сигналами взаимной индуктивности.
Задать нижний предел показаний равным нижней границе диапазона измеряемого сигнала и задать верхний предел показаний равным верхней границе диапазона измеряемого сигнала.
Последовательно устанавливая на магазине взаимоиндуктивностей значения взаимной индуктивности, соответствующие контрольным точкам, зафиксировать по установившимся показаниям значения измеренного сигнала для каждой из контрольных точек.
Рассчитать для каждой проверенной контрольной точки основную приведенную погрешность измерения по формуле 1.
Модуль признается годным, если наибольшее из рассчитанных значений основной приведенной погрешности не превышает уп •
-
8.4.7 Определение основной приведенной погрешности модуля при работе с входными сигналами от тензометрических датчиков.
Поверка производится в наименьшем возможном диапазоне измерений для соответствующей «Чувствительности датчика» в соответствии с таблицей 1.
Таблица 1
Устанавливаемая в конфигураторе «Чувствительность датчика» мВ/В |
Наименьший поверяемый диапазон, мВ |
±1 |
±2,5 |
±2 |
±5 |
±4 |
±10 |
±8 |
±20 |
±16 |
±40 |
±32 |
±80 |
±64 |
±160 |
КУВФ. 421459.002МП |
Лист | |||||
15 | ||||||
Изм. |
Лист |
№ до кум. |
Подпись |
Дата |
Собрать схему по рисунку 7.

R2 Р331 10000м
■1.0...1,5 м
Компьютер
хЕХС-
XREF-
GND
GND_RS
xIN-
АСЗ-М (АС4)
ХЕХС +
XREF+
xlN +
Мера сопроти!
Поверяемый
модуль
Преобразователь интерфейсов
R1 I
Р331 10000м
СОМ-порт ’ (USB-порт)
IB лений
о о о
@д11
\U2 I2,
Р331 ЮОООм
R4 - эталонная мера сопротивлений а)

KREF+
К1.1
GND
“1
—110 кОм Г'Т
- —1 !
АСЭ-М (AC4)
■
XREF-
xEXC-
36?o™
Поверяемый модуль
GND RS
XIN+ _
СОМ-порт ; USB-порт)
Мера |
сопротивлений |
I i> I К1.2
3
т—-
R2
10 нОм
Преобразователь
интерфейсов Компьютер
VI - эталонный вольтметр К1 - тумблер (например, МТЗВ). б) Рисунок 7
а) при использовании в качестве эталона меры сопротивления.
б) при использовании в качестве эталона вольтметра.
С помощью среды программирования настроить входы модуля для работы с входными сигналами от тензометрических датчиков.
Задать нижний предел показаний равным нижней границе диапазона измеряемого сигнала и задать верхний предел показаний равным верхней границе диапазона измеряемого сигнала.
Изм. |
Лист |
№ до кум. |
Подпись |
Дата |
КУВФ. 421459.002МП
Лист
С помощью программы конфигуратора установить на модуле режим возбуждения датчика постоянным напряжением.
Определение погрешности по схеме на рисунке 7а).
Провести балансировку нуля поверяемого канала, установив значение сопротивления R4 - 1000 Ом.
Последовательно устанавливая с помощью магазина сопротивлений, значения сопротивлений R4, соответствующие разбалансу мостовой схемы в эталонных уровнях относительного напряжения, соответствующие контрольным точкам, приведенным в таблице 1, зафиксировать по установившимся показаниям значения измеренного сигнала для каждой из контрольных точек.
Таблица 1
Диапазон измерений, мВ (Рабочий коэффициент передачи, мВ/В) | |||||||||||||
±2,5 (±1) |
±5 (±2) |
±10(±4) |
±20 (±8) |
±40 (±16) |
±80(±32) |
±160 (±64) | |||||||
Эталонный уровень, мВ |
Сопр. эталонного сигнала R4, Ом |
Эталонный уровень, мВ |
Сопр. эталонного сигнала R4, Ом |
Эталонный уровень, мВ |
Сопр. эталонного сигнала R4, Ом |
Эталонный уровень, мВ |
Сопр. эталонного сигнала R4, Ом |
Эталонный уровень, мВ |
Сопр. эталонного сигнала R4, Ом |
Эталонный уровень, мВ |
Сопр. эталонного сигнала R4, Ом |
Эталонный уровень, мВ |
Сопр. эталонного сигнала R4, Ом |
- 2,495 |
1004,00 |
- 4,825 |
1007,75 |
- 9,921 |
1016,00 |
- 19,988 |
1032,50 |
- 39,932 |
1066,00 |
- 79,862 |
1136,50 |
- 159,963 |
1293,50 |
- 1,405 |
1002,25 |
- 2,806 |
1004,50 |
- 5,600 |
1009,00 |
- 11,150 |
1018,00 |
- 22,102 |
1036,00 |
- 43,436 |
1072,00 |
- 83,955 |
1144,00 |
0 |
1000, 00 |
0 |
1000, 00 |
0 |
1000, 00 |
0 |
1000, 00 |
0 |
1000, 00 |
0 |
1000, 00 |
0 |
1000, 00 |
1,408 |
997,75 |
2,819 |
995,50 |
5,651 |
991,00 |
11,352 |
982,00 |
22,913 |
964,00 |
46,681 |
928,00 |
96,983 |
856,00 |
2,348 |
996,25 |
4,863 |
992,25 |
9,763 |
984,50 |
19,680 |
969,00 |
39,325 |
939,00 |
79,080 |
881,00 |
159,841 |
773,25 |
Рассчитать для каждой проверенной контрольной точки основную приведенную погрешность измерения по формуле 1.
Определение погрешности по схеме на рисунке 76).
Последовательно устанавливая по вольтметру VI с помощью магазина сопротивлений значения напряжений, соответствующие контрольным точкам, зафиксировать по установившимся показаниям значения измеренного сигнала для каждой из контрольных точек.
Примечание - при поверке переключение между положительной и отрицательной частями диапазона измерений производится при помощи тумблера.
Рассчитать для каждой проверенной контрольной точки основную приведенную погрешность измерения по формуле 1.
Модуль признается годным, если наибольшее из рассчитанных значений основной приведенной погрешности не превышает уп •
-
8.4.8 Определение основной приведенной погрешности модуля при работе с входными сигналами ЭДС электродных систем, применяемых для потенциометрических измерений.
Собрать схему по рисунку 8.
Определение диапазона измерений и соответствия основной абсолютной погрешности показателя активности ионов водорода pH.
С помощью среды программирования установить на поверяемом модуле следующие конфигурационные параметры:
-
- измеряемый параметр: pH;
-
- тип термокомпенсации: ручная;
-
- координата Еи изопотенциальной точки: минус 50,00 мВ;
-
- координата рНи изопотенциальной точки: 7,00 pH;
-
- температура режима ручной термокомпенсации: 20,00 °C.
КУВФ. 421459.002МП
Лист
17
Изм.
Лист
№ до кум.
Подпись
Дата
Рисунок 8
Последовательно устанавливая на мере напряжения напряжения, соответствующие значениям входного сигнала в контрольных точках, указанных в таблице 2, зафиксировать установившиеся значения для каждой из этих точек.
Таблица 2 - Значения напряжения в контрольных точках
Контрольные точки измеряемого диапазона рН (%) |
Напряжение, мВ |
0,00 (0) |
357,14 |
3,50 (25) |
153,57 |
7,00 (50) |
-50,00 |
10,50 (75) |
-253,57 |
14,00 (100) |
-457,14 |
Рассчитать основную абсолютную погрешность по формуле 2.
Определение диапазона измерений и соответствия основной абсолютной погрешности окислительно - восстановительного потенциала.
Установить на проверяемом приборе следующий конфигурационный параметр:
- измеряемый параметр: ОВП.
Последовательно устанавливая на мере напряжения напряжения, соответствующие значениям входного сигнала в контрольных точках, зафиксировать установившиеся значения для каждой из этих точек.
Рассчитать основную абсолютную погрешность по формуле 3.
Модуль признается годным, если наибольшее из рассчитанных значений основной абсолютной погрешности не превышает Ai.
КУВФ. 421459.002МП |
Лист | |||||
18 | ||||||
Изм. |
Лист |
№ до кум. |
Подпись |
Дата |
-
9.1 Результаты поверки оформляются протоколом по форме, установленной метрологической службой, проводящей поверку.
-
9.2 Положительные результаты первичной поверки оформляются записью в паспорте с нанесением оттиска поверительного клейма.
-
9.3 При положительном результате периодической поверки выдается свидетельства о поверке в соответствии с ПР 50.2.006.
-
9.4 При отрицательных результатах поверки прибора к эксплуатации не допускается, свидетельство о предыдущей поверке аннулируется и выдается извещение о непригодности
Изм. |
Лист |
№ до кум. |
Подпись |
Дата |
КУВФ. 421459.002МП
Лист
19