Руководство по эксплуатации «СИСТЕМА ИЗМЕРЕНИЯ УСИЛИЯ СИУ ЗТ.1.200.00» (ЗТ.1.200.00РЭ)
Утверждаю

СИСТЕМА ИЗМЕРЕНИЯ УСИЛИЯ
СИУ ЗТ.1.200.00
Руководство по эксплуатации
ЗТ.1.200.00РЭ
Инв.№ подл. Подпидата Взам. инв.№ |Инв.№ дубл. |Подп и дата
Начальник КИС «Неман» м /в. Н. Маскаев
04

2019 г.
сЗ й
-
4
-
5
с ч о
Е.
-
4
£
CQ
-
5
S.
£
и
S
S
S
м
й
-
4
-
5 с
-
4 о с
§
о с
3
ш
I
-
5
Введение
-
1 ОПИСАНИЕ И РАБОТА
-
1.1 Назначение
-
1.2 Метрологические и технические характеристики СИУ ЗТ
-
1.3 Состав СИУ ЗТ
-
1.4 Описание и работа СИУ ЗТ и ее составных частей.
-
1.4.1 Принцип действия
-
1.4.2 Подвижная платформа
-
1.4.3 Датчик силы
-
1.4.4 Измерительный усилитель
-
1.4.5 Устройство приложения опорного значения силы
-
-
с дистанционным управлением.
-
1.4.6 Регистрирующий прибор
-
2 ИСПОЛЬЗОВАНИЕ ПО НАЗНАЧЕНИЮ
-
2.1 Эксплуатационные ограничения
-
2.2 Подготовка СИУ ЗТ к использованию
-
2.3 Использование СИУ ЗТ
-
2.4. Измерение тяги
-
3 ТЕХНИЧЕСКОЕ ОБСЛУЖИВАНИЕ
-
3.1 Общие указания
-
3.2 Настройка СИУ ЗТ
-
3.3 Методика поверки
-
3.3.1 Операции поверки
-
3.3.2 Средства поверки
-
3.3.3 Условия поверки
-
3.3.4 Проведение поверки
-
-
-
4 ХАРАКТЕРНЫЕ НЕИСПРАВНОСТИ И МЕТОДЫ
ИХ УСТРАНЕНИЯ
-
3
-
4
-
4
-
5
-
6
7
-
7
-
8
-
9
-
10
10
-
13
-
14
14
14
-
14
-
15
-
16
16
16
17
17
17
17
17
20
Изм. |
Лист |
№ докум. |
Подп. |
Дата |
Разраб. |
Лопухов |
zgc: | ||
Проверил |
Речапова |
30, /Д )Э | ||
Т. контр. |
Бабинцев | |||
Н. контр. |
Халиманович |
Я./З/З | ||
Утв. / |
Маскаев |
Мш/ |
Система измерения усилия Руководство по эксплуатации
ЗТ.1.200.00РЭ
Лит. |
Лист |
Листов | ||
2 |
21 | |||
ОКБ «Факел» |
Настоящие Руководство по эксплуатации (РЭ) предназначено для изучения системы измерений усилий (далее - СИУ ЗТ) и содержит описание ее устройства и принципа действия, а также технические характеристики и другие сведения, необходимые для обеспечения полного использования технических возможностей, правильной эксплуатации.
[Подп и дата Взам. инв.№ Инв.№ дубл. Подп и дата
Изм. |
Лист |
№ докум. |
Подп. |
Дата |
ЗТ.1.200.00РЭ
Лист
1 ОПИСАНИЕ И РАБОТА
1.1 Назначение-
1.1.1 СИУ ЗТ предназначена для измерений, развиваемых двигателями усилия на стенде ЗТ КИС «Неман».
-
1.1.2 Рабочие условия эксплуатации вторичной аппаратуры:
-
- температура окружающего воздуха от плюс 15 до плюс 35 °C;
-
- относительная влажность воздуха до 80 %;
-
- атмосферное давление от 86 до 106 кПа (645...795 мм рт. ст.).
Рабочие условия эксплуатации частей СИУ ЗТ, расположенных в вакуумной камере:
-
- давление в вакуумной камере в расходном режиме 1,ЗЗх1О'5...1О6 кПа (1х10’4...795 мм рт. ст.).
Подп и дата Взам--инв.№ Инв.№ дубл. Подп и дата
Изм.
Лист
№ докум.
Подп.
Дата
ЗТ.1.200.00РЭ
Лист
Метрологические характеристики
-
1.2.1 Диапазон измерений силы тяги, гс, в за
висимости от применяемого датчика:
от 0 до 200
от 0 до 500
от 0 до 1000
-
- LTS-200GS
-
- LTS-500GA
-LTS-1KA
-
1.2.2 Приведённая к пределу измерения погрешность измерения усилия не более:
± 2,5 % от максимального значения диапазона измерений.
Технические характеристики
-
1.2.3 Время переходного процесса СИУ ЗТ при скачкообразном возмущении не превышает 10 с.
-
1.2.4 Мощность, потребляемая от сети измерительным усилителем ЗТ. 1.206.00 (WGA-670B), не более 20 ВА.
-
1.2.5 Питание измерительного усилителя ЗТ. 1.206.00 (WGA -670В) системы от сети переменного тока частотой (50+1) Гц, напряжением (220 ± 22) В.
-
1.2.6 Токоподводы проходящие через СИУ ЗТ обеспечивают функционирование двигателя (цепи управления и измерения). Токоподводы состоят из провода МС16-13-ОС 0 0,35 мм.
|Подп и дата [Взам. инв.№ Инв.№ дубл. Нодп и дата
Изм.
Лист
№ докум.
Поди.
Дата
ЗТ.1.200.00РЭ
Лист
В состав СИУ ЗТ входят:
Неподвижная платформа ЗТ. 1.201.00
Подвижная платформа ЗТ. 1.202.00;
Измерительный усилитель ЗТ. 1.206.00 (WGA-670B);
Датчики силы:
-
- LTS - 200GS;
-
- LTS - 500GA;
-
- LTS - 1КА.
Термостат датчика силы ЗТ. 1.201.01;
Регистратор многоканальный технологический РМТ 59Ех
ТУ 4226-063-13282997-05;
Арретир ЗТ. 1.201.02;
Комплект кабелей ЗТ. 1.200.100;
Балансировочный груз ЗТ. 1.201.03;
Устройство приложения опорного значения силы с дистанционным управлением ЗТ. 1.203.00;
ТУ - устройство для преобразования направления действия силы тяжести
ЗТ. 1.204.;
ГГУ1 - гиревое градуировочное устройство для диапазона измерения
от 0 до 200 гс ЗТ. 1.205.1;
ГГУ2 - гиревое градуировочное устройство для диапазона измерения
от 0 до 500 гс ЗТ.1.205.2;
ГГУЗ - гиревое градуировочное устройство для диапазона измерения
от 0 до 1000 гс ЗТ. 1.205.3.
I
ч к
Е
Ч О С
Е
Ю
>>
-
4
2
м
Е
-
5
й
-
4
-
5
Е
Ч О С
Изм. |
Лист |
№ докум. |
Поди. |
Дата |
ЗТ.1.200.00РЭ
Лист

-
1.4 Описание и работа СИУ ЗТ и ее составных частей
Конструктивно СИУ ЗТ представляет собой маятниковый подвес платформенного типа, преобразующий тягу двигателя в электрический сигнал, который регистрируется измерительными приборами (см. рисунок 1).

Рисунок 1
Неподвижная платформа, выполненная в форме параллелограмма с размерами 450x260x400 мм, соединена с подвижной платформой посредством опор, конструктивно выполненных из пружин (см. рисунок 2).

Пружина
Рисунок 2
ЗТ.1.200.00РЭ |
Лист | |||||
7 | ||||||
Изм. |
Лист |
№ докум. |
Поди. |
Дата |
Подп и дата Взам. инв.№ Инв.№ дубл. Подп и дата
Подвижная платформа выполнена в виде параллелограмма и имеет размеры 300x200x350 мм. Испытываемый двигатель устанавливается на подвижной платформе на посадочное место, которое смонтировано на расстоянии 220 мм от боковой плоскости платформы.
Усилие Fx, развиваемое изделием стремится переместить подвижную платформу, качающуюся на 8 пружинах, шток датчика силы жестко связан с подвижной платформой и совершает предельно малое перемещение. Он жестко закреплен на неподвижной части. Датчик силы на выходе вырабатывает напряжение пропорционально сдвига штока датчика. Далее этот сигнал поступает на усилитель WGA-670B, где происходит отображение физической величины в гс.
Неподвижная рама СИУ ЗТ жёстко устанавливается на опорную платформу, представляющую собой металлический параллелепипед, который крепиться к вакуумной камере металлическими уголками.
1.4.2 Подвижная платформаПодвижная платформа (подвес) представляет собой раму, образованную ребрами параллелепипеда выполнен из материала 12Х18Н10Т. На подвесе по центру закреплен шток датчика силы. На одном конце коромысла устанавливается испытываемое изделие (двигатель) (см. рисунок 3), на другом - балансировочный груз. Рядом с балансировочным грузом расположен арретир.
Неподвижная платформа жёстко крепится к обечайке вакуумной камере. Подвижная платформа соединена с неподвижной платформой с помощью чувствительных элементов. Чувствительным элементом подвеса являются пружины, закрепленные в 4 верхних опорах неподвижной рамы (см. рисунок 4). Для стабилизации подвеса ребра параллелепипеда закреплены и внизу с помощью 4-х пружин. Через подвес проходят корзина, выполненная из проводов сечением 0,35 мм и трубки для подачи рабочего тела 3x0,5 мм. На трубке намотан нагреватель, материал трубки - 12Х18Н10Т.
Для проведения метрологической исправности СИУ ЗТ на платформе установлен прицел с ниткой, на которой закреплено гиревое градуировочное устройство, представляющее из себя набор, состоящий из 3-х грузов.
На подвесе располагаются клапаны управления подачи рабочего тела, то-коподводы с панелью разъёмов, переходные кабели и трубопроводы для подключения испытываемого изделия, панель пневморазъёмов, переходные трубопроводы.
При проведении монтажных работ (установки испытываемого двигателя) подвес жестко фиксируется с помощью арретира.
ЗТ.1.200.00РЭ |
Лист | |||||
8 | ||||||
Изм. |
Лист |
№ докум. |
Подп. |
Дата |


Посадочное место двигателя
Рисунок 3

Опоры подвеса
Корзина
Балансировочный груз
Арретир
Подвижная платфс (подвес)
Опора неподвиж-I ной платформы
Рисунок 4
В качестве датчиков силы используются тензодатчик фирмы «Kyowa Electronic Instruments Со., Ltd.» серии LTS-A:
-
- LTS-200GS с номинальным диапазоном 2 Н (203,9 гс);
-
- LTS-500GA с номинальным диапазоном 5 Н (509,9 гс);
-
- LTS-1KA с номинальным диапазоном 10 Н (1020,0 гс).
Для преобразования полученного значения нагрузки используется коэффициент калибровки, указанный в паспорте. Направления определения нагрузки необходимо совмещать с направлением приложения измеряемой силы. Для обеспечения компенсированного температурного режима на датчик силы установлен термостат (см. рисунок 5).
ЗТ.1.200.00РЭ |
Лист | |||||
9 | ||||||
Изм. |
Лист |
№ докум. |
Поди. |
Дата |

Рисунок 5
Измерительный усилитель ЗТ. 1.206.00 представляет из себя усилитель WGA-670B, установленный внутри металлического блока, с защитной пломбой. Это обеспечивает защиту от несанкционированного доступа к настройкам, предотвращает доступ к кнопкам управления, расположенным на передней панели усилителя. WGA-670B - это компактный усилитель, который усиливает и преобразует сигнал с первичного датчика LTS, обладает функцией отображать на своем индикаторе измеряемую физическую величину (гс) и имеет аналоговый выход для регистрации этой величины. Все настройки осуществляются с фронтальной панели.
Сигнал с датчика силы поступает на измерительный усилитель WGA-670B.
С выхода измерительного усилителя WGA-670B аналоговый сигнал поступает на регистрирующий прибор РМТ 59Ех.
Подп и дата I Взам. инв.№ Инв.№ дубл. Подп и дата
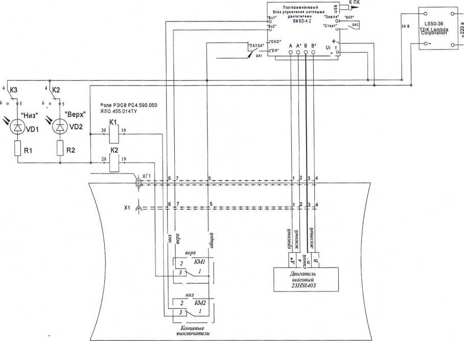
Устройство приложения опорного значения силы с дистанционным управлением (в дальнейшем «устройство») предназначено для приложения опорного значения силы к чувствительному элементу СИУ ЗТ в условиях закрытой вакуумной камеры. Опорное значение силы формируется выбором массы спецгрузов с учетом ускорения свободного падения в месте установки СИУ ЗТ Это необходимо для проверки метрологической исправности СИУ и проведения настройки и регулировки СИУ ЗТ.
В состав устройства входят (см. рисунок 6):
-
• источник питания;
-
• блок управления шаговым двигателем;
-
• шаговый двигатель с редуктором;
-
• червячная передача, обеспечивающая подъем и опускание чаши для грузов;
-
• чаша для грузов;
ЗТ.1.200.00РЭ
Лист
10
Изм.
Лист
№ докум.
Подп.
Дата
-
• концевые выключатели для автоматического отключения устройства при достижении граничных значений нагрузки;
-
• ГГУ (ГГУ1 для диапазона от 0 до 200 гс, ГГУ2 для диапазона от 0 до 500 гс; ГГУЗ для диапазона от 0 до 1000 гс);
-
• ТУ.
Электрическая схема устройства приложения опорного значения силы приведена на рисунке 7.

соединитель питания
чаша для грузов
Устройство
ТУ
концевые выключатели

червячная передача
шаговый двигатель
Изм. |
Лист |
№ докум. |
Поди. |
Дата |
прицел

Рисунок 6
ЗТ.1.200.00РЭ
Лист
Подп и дата Взам. инв.№ Инв.№ дубл. Подп и дата

Рисунок 7
Конец нити ГГУ крепиться к прицелу подвеса.
ГГУ с спецгрузами изображена на рисунке 8. Номинальное значение массы используемых грузов для разных пределов измерения представлена в таблице 1.
Гиревое градуировочное устройство
m з m 2 mi mo

520
Рисунок 8
Таблица 1
Тип ГГУ |
Предел измерения |
mi, г |
т2, г |
т3, г |
ГГУ1 |
200 гс |
100,0 |
50,0 |
50,0 |
ГГУ2 |
500 гс |
200,0 |
200,0 |
100,0 |
ГГУЗ |
1000 гс |
500,0 |
200,0 |
200,0 |
mo =0,01.. .0,02 г
ЗТ.1.200.00РЭ |
Лист | |||||
12 | ||||||
Изм. |
Лист |
№ докум. |
Подп. |
Дата |
Примечания.
-
1. Предельное отклонение массы ГГУ в сборе при изготовлении и в процессе эксплуатации не должно превышать ±0,1 г. Материал грузов 12Х18Н10Т ГОСТ5632-72.
-
2. Масса нити равна 0,2 г и составляет меньше десятой доли процента от суммарной массы ГГУ, поэтому ее массой пренебрегаем. Растяжение нити при нагрузке 1000 гс пренебрежимо мало, поэтому этой величиной пренебрегаем.
В качестве регистрирующего прибора СИУ ЗТ используется регистратор многоканальный технологический РМТ 59Ех с диапазоном 0... 10 В. РМТ 59Ех служит для индикации и регистрации силы, создаваемый тягой испытываемого двигателя. Данные измерений сохраняются в энергонезависимой памяти (2 Гб) - просмотр накопленных данных осуществляется с его лицевой панели. Существует возможность переноса данных на ПК через USB карту или Ethernet интерфейс.
На вход регистрирующего прибора РМТ 59Ех поступает аналоговый сигнал в виде напряжения постоянного тока с выхода измерительного усилителя WGA-670B.
Подп и дата Взам. инв.№ Инв.№ дубл. Подп и дата
Изм. |
Лист |
№ докум. |
Подп. |
Дата |
ЗТ.1.200.00РЭ
Лист
|Подп и дата Взам. инв.№ Инв.№ дубл. |Подп и дата
-
2 ИСПОЛЬЗОВАНИЕ ПО НАЗНАЧЕНИЮ
УКАЗАНИЕ МЕР БЕЗОПАСНОСТИ
Усилитель WGA-670B и регистрирующий приборы РМТ 59Ех СИУ ЗТ могут являться источником электрической опасности.
Перед началом работы с СИУ необходимо клеммы защитного заземления усилителя WGA-670B и регистрирующего прибора РМТ 59Ех соединить с земляной шиной стенда.
Обслуживающий персонал перед началом работы обязан ознакомиться с руководством по эксплуатации на СИУ ЗТ, со схемами и конструкцией СИУ ЗТ и прослушать вводный инструктаж по правильной эксплуатации данной системы измерения. Платформа, термостат датчика силы, балансировочный груз устанавливаются в вакуумной камере. При установке подвеса избегайте перегрузки. При установке датчика избегайте искривления или кручения рычага.
Обслуживающий персонал при работе с СИУ ЗТ должен знать и соблюдать правила и меры безопасности, руководствуясь «Правилами по охране труда при эксплуатации электроустановок» утвержденные Приказом Минтруда России от 24.07.2013 № 328 н.
2.2 Подготовка СИУ ЗТ к использованию-
2.2.1 Заарретируйте подвес.
-
2.2.2 Установите двигатель или весовой макет на посадочное место двигателя подвижной платформы. Разарретируйте подвес.
Сбалансируйте подвес с помощью балансировочного груза в вертикальной плоскости и в двух взаимно перпендикулярных горизонтальных плоскостях, используя пузырьковый уровень.
Установите необходимый датчик серии LTS-A и ГГУ в зависимости от выбранного диапазона измерения. На РМТ 59Ех установите диапазон измерения силы, соответствующий выбранному датчику серии LTS-A.
Шток датчика при этом не должен касаться захвата, расположенного на подвесе.
Внимание. В случае замены датчика провести поверку СИУ ЗТ.
Включить и настроить усилитель в соответствии с его руководством по эксплуатации.
-
2.2.3 Установить 0 СИУ на усилителе WGA-670B.
-
2.2.4 Механически перемещая шток датчика добиться захвата штока датчика, создав натяг. Показания усилителя должны быть равны (10 ± 2) гс.
-
2.2.5 С помощью кнопки ZERO на усилителе обнулить его показания.
-
2.3.1 Провести настройку и регулировку СИУ ЗТ.
При проведении настройки и регулировки -проводится -проверка характеристики СИУ ЗТ в точках 100, 150, 200 гс для диапазона от 0 до 200 гс, в точках 200, 400, 500 гс для диапазона от 0 до 500 гс и в точках 500, 700, 900 для диапазона 1000 гс.
ЗТ.1.200.00РЭ |
Лист | |||||
14 | ||||||
Изм. |
Лист |
№ докум. |
Поди. |
Дата |
Методика проведения настройки
-
2.3.2 Установите в вакуумную камеру устройство приложения опорного значения силы с дистанционным управлением для используемого предела измерения.
-
2.3.3 Перебросьте нить через колесо тарировочного устройства таким образом, чтобы она не касалась буртиков колеса.
-
2.3.4 Подготовьте СИУ ЗТ к работе в соответствии с п. 2.2.
-
2.3.5 Настроить систему измерения таким образом, чтобы показания регистрирующего прибора были равны нулю.
-
2.3.6 Нагрузить СИУ ЗТ с помощью устройство приложения опорного значения силы в трех точках калибровочной характеристики (FKfU1i, FK£w2, Ркалз) используемого диапазона.
-
2.3.7 Зафиксируете показания СИУ ЗТ.
-
2.3.8 Разгрузите СИУ ЗТ и зафиксируйте нуль показаний. Отключите устройство подачи приложения опорного значения силы
-
2.3.9 Отклонения показаний регистрирующего прибора РМТ 59Ех Fperi от FKaJii не должны превышать значений приведенной погрешности
измерений СИУ ± 2,5 %.
2.4 Измерение тяги.-
2.4.1 Подготовьте СИУ к работе в соответствии с п. 2.2.
-
2.4.2 Проведите настройку СИУ согласно п. п. 2.3.1 ...2.3.6.
-
2.4.3 Обнулите усилитель WGA-670.
После запуска двигателя измерьте текущее значение прилагаемой силы.
-
2.4.4 После отключения двигателя зафиксируйте нуль СИУ ЗТ.
-
2.4.5 Проведите настройку СИУ ЗТ по п. п.2.3.1 ...2.3.6.
Изм.
Лист
№ докум.
Подп.
Дата
ЗТ.1.200.00РЭ
Лист
Подп и дата Взам. инв.№ Инв.№ дубл. Подп и дата
-
3 ТЕХНИЧЕСКОЕ ОБСЛУЖИВАНИЕ
-
3.1.1 Техническое обслуживание СИУ ЗТ заключается в проведении профилактических работ для обеспечения работоспособности в течение эксплуатации.
-
3.1.2 Профилактические работы включают в себя:
-
• проверку состава СИУ ЗТ;
-
• внешний осмотр составных частей СИУ ЗТ;
-
• техническое обслуживание соединителей блоков СИУ ЗТ, кабелей, используемых в системе, гермопроходных соединителей, установленных в вакуумной камере;
-
• проверку общей работоспособности СИУ ЗТ и в случае необходимости ремонт ее составных частей.
-
3.1.3 Проверка состава СИУ ЗТ проводится путем сличения комплекта с данными, приведенными в разделе состав СИУ ЗТ.
-
3.1.4 При внешнем осмотре проверяется:
-
• горизонтальное расположение подвеса;
-
• целостность всех электрических соединений.
-
3.1.5 При техническом обслуживании соединителей:
-
• проверьте четкость надписей;
-
• промойте резьбу соединителей бензином (Нефрас С2-80/120 ТУ38.401-67-108-92); '
-
• промойте контакты соединителей спиртом (спирт этиловый ректификованный ГОСТ 5962-2013).
Примечание. Нормы расхода спирта согласно РД92-0290-90.
-
3.1.6 Техническое обслуживание рекомендуется проводить перед периодической поверкой СИУ, но не реже одного раза в год. О проведении технического обслуживания делается соответствующая отметка в формуляре на СИУ ЗТ.
-
3.2.1 Подготовить СИУ ЗТ к работе в соответствии с п. п. 2.2.1 и 2.2.2.
-
3.2.2 Установить механический ограничитель датчика LTS так, чтобы при максимальной нагрузке используемого диапазона показания на усилителе не превышали наибольшего значения диапазона измерений. Данную операцию поочередно выполнить с применением всех типов ГГУ.
-
3.2.3 Проверить пределы измерения СИУ ЗТ для каждого диапазона.
-
3.2.4 Результаты проверки занести в формуляр ЗТ.1.200.00ФО в раздел «Учет технического обслуживания».
ЗТ.1.200.00РЭ
Лист
16
Изм.
Лист
№ докум.
Подп.
Дата
Интервал между поверками составляет 1 год.
3.3.1 Операции поверкиПри проведении поверки СИУ ЗТ должны быть выполнены операции, ука
занные в таблице 3
Таблица 3
Наименование операции |
Номер пункта |
Обязательность проведения операции при поверке | |
первичной |
периодической | ||
Внешний осмотр |
3.3.4.1 |
Да |
Да |
Опробование |
3.3.4.2. |
То же |
То же |
Проверка предела измерения усилия |
3.3.4.3 |
И |
И |
Поверка весовой характеристики |
3.3.4.4 |
и |
и |
При проведении поверки должны применяться следующие средства: гири общего назначения 3-го класса Г-3 (1 г - 500 г) F2, (регистрационный № в Федеральном информационном фонде по обеспечению единства измерений 16032-97).
Допускается применение аналогичных средств поверки, обеспечивающих определение метрологических характеристик, поверяемых СИ с требуемой точностью.
3.3.3 Условия поверкиПри проведении поверки должны соблюдаться следующие условия:
-
• относительная влажность воздуха до 80 %;
-
• атмосферное давление (100±4) кПа (750±30) мм рт. ст.;
-
• температура окружающего воздуха (20±5)°С
-
3.3.4.1 Внешний осмотр
При проведении внешнего осмотра должно быть установлено соответствие СИУ ЗТ следующим требованиям:
-
- комплект должен соответствовать разделу “КОМПЛЕКТНОСТЬ” формуляра ЗТ.1.200.00ФО;
-
- устройство ТУ не должно иметь заметных затираний в опорах.
-
3.3.4.2 Идентификация программного обеспечения.
Проверку соответствия программного обеспечения (ПО) произвести путём идентификации метрологически значимой части встроенного ПО и данных отображаемых на экране РМТ 59Ех при загрузке и при входе в «Главное меню».
Значение идентификационных данных должно совпадать с данными таблицы 4
ЗТ.1.200.00РЭ |
Лист | |||||
17 | ||||||
|Изм. |
Лист |
№ докум. |
Поди. |
Дата |
Таблица 4.
Идентификационные данные |
Значение |
Наименование программного обеспечения |
ПО «PMT_config» |
Идентификационное наименование ПО |
Ver.4.9.006^ |
Номер версии (идентификационный номер) ПО |
9.006 |
Примечание:и более поздние версии. |
Если идентификационные данные не удовлетворяют данным приведённым в таблице 4, поверка прекращается, а результаты поверки считаются отрицательными.
-
3.3.4.3 Опробование
Подготовить СИУ ЗТ к работе в соответствии с п. 2.2.
-
3.3.4.4 Проверка предела измерения усилия
-
3.3.4.4.1 Привязать нитку ГОСТ 6309-93, длиной 520 мм к прицелу. Примечания.
-
-
1. Предельное отклонение массы ГГУ в сборе при изготовлении и в процессе эксплуатации не должно превышать ±0,1 г. Материал грузов 12Х18Н10Т ГОСТ5632-72.
-
2. Масса нити равна 0,2 г и составляет меньше десятой доли процента от суммарной массы ГГУ, поэтому ее массой пренебрегаем. Растяжение нити при нагрузке 1000 гс пренебрежимо мало, поэтому этой величиной пренебрегаем.
-
3.3.4.4.2 Привязать к нити гири суммарной массой, соответствующей наибольшему значению диапазона измерений
-
3.3.4.4.3 Перебросить нить с гирями через тарировочное устройство таким образом, чтобы нить не касалась буртиков колеса. Перпендикулярность прило-
Рисунок 9
Изм.
Лист
№ докум.
Поди.
Дата
ЗТ.1.200.00РЭ
Лист
18
Подп и дата Взам. инв.№ Инв.№-дубл. Подп и дата
При выполнении данного пункта шток датчика не должен касаться механического упора. Показания регистрирующего прибора РМТ 59Ех должны соответствовать характеристике Fper=f(FKan) ± с точностью, не превышающей величину значений приведенной погрешности измерений СИУ ЗТ ±2,5 % для пределов измерений 200 гс, 500 гс, 1000 гс. В случае отклонения на величину, превышающую погрешность измерения производится ремонт СИУ ЗТ.
-
3.3.4.5 Поверка весовой характеристики
-
3.3.4.5.1 Исследуемая градуировочная характеристика проверяется в точках: (40; 70; 120; 150; 200) гс для диапазона измерения от 0 до 200 гс, в точках (100; 200; 300; 400; 500) гс для диапазона измерения от 0 до 500 гс и в точках (200; 400; 600; 800; 1000) гс для диапазона измерения от 0 до 1000 гс.
-
3.3.4.5.2 Включите усилитель WGA-670B, установите нуль СИУ ЗТ, нажатием на клавишу «ZERO». Включите регистрирующий прибор РМТ 59Ех. Зафиксируйте нуль СИУ ЗТ.
-
3.3.4.5.3 Нагрузите СИУ ЗТ минимальной нагрузкой требуемого измеряемого диапазона (40 гс для диапазона измерения от 0 до 200 гс; 100 гс для диапазона измерения от 0 до 500 гс; 200 гс для диапазона измерения от 0 до 1000 гс) до установившегося значения регистрирующего прибора. Зафиксируйте показания.
-
3.3.4.5.4 По методике пункта 3.3.4.4.3 проверить исследуемую характеристику в каждой из оставшихся точек при увеличении нагрузки.
-
3.3.4.5.5 В соответствии с п. п. 3.3.4.4.2...3.3.4.4.4 поверить весовую характеристику при уменьшении нагрузки от верхнего значения предела до «нуля».
-
3.3.4.5.6 Значения абсолютной погрешностей для каждой точки характеристики определяют, как разности между показаниями СИУ ЗТ и расчетным значением силы в зависимости от приложенного значения заданной массы груза и ускорения свободного падения в месте установки СИУ. Приведенная погрешность рассчитывается как, отношение абсолютной погрешности к величине верхнего значения поверяемого предела.
-
3.3.4.5.7 Полученные значения приведенных погрешностях в каждой точке не должны превышать пределов допускаемой приведенной погрешности
-
± 2,5 % для всех поверяемых диапазонов измерений (200, 500, 1000 гс соотвест-венно).
3.3.4.6 Оформление результатов поверки
-
3.3.4.6.1 Положительные результаты поверки должны оформляться с записью в формуляре СИУ
ЗТ.1.200.00РЭ
Лист
19
Изм.
Лист
№ докум.
Подп.
Дата
-
4.1 Указания по ремонту.
СИУ состоит из модульных элементов, поэтому, прежде всего, необходимо определить, в какой составной части имеет место неисправность.
Предварительно необходимо ознакомиться с принципом действия СИУ, изложенном в разделе 2.
-
4.2 Перечень наиболее часто встречающихся или возможных неисправностей приведен в таблице 5.
Таблица 5
Поди и дата Взам. инв.№ |Инв.№ дубл. [Подп и дата
Изм. |
Лист |
№ докум. |
Подп. |
Дата |
ЗТ.1.200.00РЭ
Лист
Наименование неисправности, внешнее проявление и дополнительные признаки |
Вероятная причина неисправности |
Метод устранения |
При проверке весовой градуировочной характеристики отклонение показаний регистрирующего прибора от значений градуировочной характеристики превышает значение погрешности измерения. |
СИУ неправильно подготовлена к работе |
Заново провести операции по п. 5.1. Если при повторении проверки весовой характеристики отклонения сохраняются, провести внеочередную поверку СИУ. |
Подп и дата Взам. инв.№ Инв.№ дубл. Подп и дата
Лист регистрации изменений | |||||||||||||||
Изм |
Номера листов страниц |
Всего листов (страниц) в докум. |
№ докум. |
Вход № сопроводительного док. |
Подп. |
Дата | |||||||||
• |
Измененных |
Заменен ных |
Новых |
Аннулированных | |||||||||||
ЗТ.1.200.00РЭ |
Лист | ||||||||||||||
21 | |||||||||||||||
Изм. |
Лист |
№ докум. |
Подп. |
Дата |
Копировал Формат А4