Методика поверки «ГСИ. Трансформаторы тока ТВ» (МП 26-26-2020)
Федеральное агентство по техническому регулированию и метрологии
Уральский научно-исследовательский инсгн гут метрологии - филиал Федерального государственного унитарного предприятия «Всероссийский научно-исследовательский институт метрологии им.Д.И.Менделеева» (УНИИМ - филиал ФГУП «ВНИИМ им.Д.И.Менделеева»)
УТВЕРЖДАЮ
Директор УНИИМ - филиала
ГОСУДАРСТВЕННАЯ СИСТЕМА ОБЕСПЕЧЕНИЯ ЕДИНСТВА ИЗМЕРЕНИЙ
Трансформаторы тока ТВМЕТОДИКА ПОВЕРКИ
МП 26-26-2020
Екатеринбург 2020 г.
Разработана:
Уральский научно-исследовательский институт метрологии - филиал Федерального государственного унитарного предприятия «Всероссийский научно-исследовательский институт метрологии им.Д.И.Менделеева» (УНИИМ - филиал ФГУП «ВНИИМ им.Д.И.Менделеева»), г. Екатеринбург.
Исполнители:
А.А. Ахмеев. А.М. Шабуров (УНИИМ - филиал ФГУП «ВНИИМ им.Д.И.Менделеева»)
Утверждена:
УНИИМ - филиал ФГУП «ВНИИМ им.Д.И.Менделеева» 27.04.2020 г.
ВВЕДЕНА ВПЕРВЫЕ
Настоящий документ не может быть полностью или частично воспроизведен, тиражирован и распространен без разрешения УНИИМ - филиала ФГУП «ВНИИМ им.Д.И.Менделеева».
СОДЕРЖАНИЕДата введения: 01.05.2020
1 Область примененияНастоящая методика распространяется на трансформаторы тока ГВ (далее - трансформаторы), предназначенные для передачи сигнала измерительной информации измерительным приборам и устройствам защиты и управления в установках переменного тока промышленной частоты с номинальным напряжением 110 и 220 кВ.
До ввода в эксплуатацию, а также после ремонта трансформаторы подлежат первичной поверке, а в процессе эксплуатации - периодической поверке.
Интервал между поверками - 16 лет.
2 Нормативные ссылкиВ настоящей методике использованы ссылки на следующие документы:
Приказ Минпромторга РФ № 1815 от 02.07.2015 г. «Об утверждении Порядка проведения поверки средств измерений, требования к знаку поверки и содержанию свидетельства о поверке»
Приказ Министерства труда и социальной защиты Российской Федерации от 24 июля 2013 г. № 328н «Об утверждении Правил по охране груда при эксплуатации электроустановок»
ГОСТ 12.2.007.0-75 ССБТ. Изделия электротехнические. Общие требования безопасности
ГОСТ 12.3.019-80 ССБТ. Испытания и измерения электрические. Общие требования безопасности Приказ Федерального агентства по техническому регулированию и метрологии от 27 декабря 2018 г. № 2768
3 Операции поверки-
3.1 При проведении поверки выполняют операции, указанные в таблице 1.
Таблица 1 - Операции поверки
|
Наименование операции |
Номер пункта методики поверки |
Проведение операции при | |
|
первичной поверке |
Периодической поверке | ||
|
Внешний осмотр |
8.1 |
Да |
Да |
|
Проверка электрического сопротивления изоляции |
8.2 |
Да |
Да |
|
Размагничивание |
8.3 |
Да |
Да |
|
1(роверка правильности обозначения контактных зажимов и выводов |
8.4 |
Да |
Да |
|
Определение погрешностей |
8.5 |
Да |
Да |
|
Определение коэффициента остаточной намагниченное ги |
8.6 |
Да |
Да |
|
Определение индуктивности намагничивания и постоянной времени |
8.7 |
Да |
Да |
-
4.1 При проведении поверки рекомендуется применять эталоны. СИ и ВО указанные в таблице 2.
Таблица 2 - Эталоны. СИ и ВО применяемые при поверке
|
Номер пункта методики |
Наименование и тип средства поверки. его метрологические и основные технические характеристики |
|
8.2-8.7 |
Термогигрометр электронный C'enter-313 (регистрационный номер ФИФ 22129-09); Прибор контроля показателей качества электрической энергии портативный 1II1КЭ-1 -50 (регистрационный номер ФИФ 16024-98). |
|
8.2 |
Мегаомметр I (С0202 (регистрационный номер ФИФ 38890-08). |
|
8.3. 8.4. 8.5. 8.6. 8.7 |
Рабочий эталон 2 разряда единиц коэффициента и угла масштабного преобразования синусоидального тока, приказ Федерального агентства по техническому регулированию и метрологии от 27 декабря 2018 г. № 2768, трансформатор тока измерительный лабораторный ТТИ-5000.51 (регистрационный номер ФИФ 55278-13) или два ТТИ-5000.5 (регистрационный помер ФИФ 27007-04); Прибор сравнения КНТ-05 (регистрационный номер ФИФ 37854-08); Анализатор трансформаторов тока СТ Analyzer (регистрационный номер ФИФ 40316-08); Осциллограф цифровой запоминающий HDO4054 (регистрационный номер ФИФ 53644-13); Нагрузочный трансформатор с номинальным током, обеспечивающим 200 % номинального первичного тока поверяемого трансформатора: Калиброванное нагрузочное устройство до 100 В-А - при cos (р = 0.8 (cos <р = 1), например 11 Г Г 50.5-1. |
Примечание - Допускается применение средств поверки, отличных от приведенных в таблице 2, при условии обеспечения необходимой точности измерений.
-
4.2 Проверяют наличие действующих свидетельств об аттестации эталонов и свидетельств о поверке СИ.
-
5.1 К проведению поверки допускают лиц. работающих в организации, аккредитованной на право поверки, изучивших настоящую методику, эксплуатационные документы на трансформаторы, имеющих стаж работы в качестве поверителей средств измерений электрических величин нс менее одного года и группу допуска по элсктробсзопасности нс ниже III.
-
6.1 При поверке трансформаторов соблюдают требования электробезопасности поГОСТ 12.3.019-80. ГОСТ 12.2.007.0-75 и руководствуются Правилами по охране труда при эксплуатации электроустановок, утвержденными Приказом Министерства труда и социальной защиты РФ от 24 июля 2013 г. № 328н.
-
6.2 1акжс должны быть обеспечены требования безопасности, указанные в эксплуатационных документах на средства поверки.
-
7.1 При проведении поверки соблюдают следующие условия:
-
- температура окружающего воздуха, °C
от 10 до 35; от 30 до 80: от 85 до 105;
от 198 до 242; от 47.5 до 52,5.
-
- относительная влажность воздуха. %
-
- атмосферное давление. кПа
-
- электропитание - однофазная сеть. В
-
- частота. Гц
-
7.2 Средства поверки подготавливают к работе согласно указаниям, приведенным в эксплуатацио н н ы х документах.
-
8.1 Внешний осмотр
При проведении внешнего осмотра проверяют соответствие трансформаторов требованиям, приведенным в Руководстве по эксплуатации (РЭ):
-
- состояние поверхности наружных изоляционных частей:
-
- состояние защитных покрытий наружных частей;
-
- состояние площадок под заземляющие зажимы, если таковые имеются:
-
- правильность заполнения табличек технических данных;
-
- маркировка выводов:
-
- соответствие контактных выводов:
-
- комплектность.
-
8.2 Проверка электрического сопротивления изоляции
-
8.2.1 Измерение сопротивления вторичных обмоток трансформатора относительно «земли» производится мегаомметром на 1000 В.
-
8.2.2 Результаты проверки считаются положительными, если сопротивление изоляции составляет не менее 50 МОм.
-
-
8.3 Размагничивание
-
8.3.1 Размагничивание проводят на переменном токе частотой 50 Гц. Трансформаторы с поминальной частотой выше 50 Гц допускается размагничивать при номинальной частоте.
-
Трансформаторы тока размагничивают одним из трех указанных ниже способов:
-
1 Схема размагничивания приведена на рисунке 1. Вторичную обмотку замыкают на резистор мощностью не менее 250 Вт и сопротивлением R. Ом, рассчитываемым (с отклонением в пределах ±10 %) по формуле
R = 250/7*, м.
(1)
где:
1ном - номинальный вторичный ток поверяемого трансформатора тока, А.
Через первичную обмотку пропускают номинальный ток, затем плавно (в течение одной или двух минут) уменьшают его до значения, не превышающего 2 % от номинального.
-
2 Через первичную обмотку трансформатора тока при разомкнутой вторичной обмотке пропускают ток. равный 10 % от номинального значения первичного тока, затем плавно снижают его до значения, не превышающего 0.2 % от номинального.
-
3 Через вторичную обмотку трансформатора тока при разомкнутой первичной обмотке пропускают ток. равный 10 % от номинального значения вторичного тока, затем плавно снижают его до значения, нс превышающего 0,2 % от номинального.
Тр Тп Тх
G - сеть (генератор);
Тр - регулируемое устройство (автотрансформатор);
Тп - понижающий силовой трансформатор:
Тх - поверяемый трансформатор:
Тв - вспомогательный трансформатор тока; R - резистор.
Рисунок 1 - Пример схемы размагничивания трансформатора тока
-
8.4 Проверка правильности обозначения контактных зажимов и выводов
-
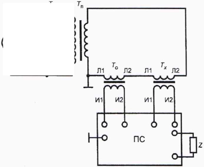
8.4.1 Схема проверки приведена на рисунке 2 или рисунке 3. Поверяемый трансформатор и эталон
-
включают в соответствии с маркировкой контактных зажимов. Затем плавно увеличивают первичный ток до значения, составляющего (5 10) % от номинального. В случае правильной маркировки
выводов на приборе сравнения можно определить соответствующие значения погрешностей поверяемого трансформатора. 11ри неправильном обозначении контактных зажимов и выводов или неисправности поверяемого трансформатора срабатывает защита в приборе сравнения токов.
-
8.5 Определение погрешностей
-
8.5.1 Собрать схему, представленную на рисунке 2 или рисунке 3. подключив выводы вторичной обмотки эталонного То (дополнительного эталонного Тв) и поверяемого (Тх) трансформаторов к одноименным выводам прибора сравнения ПС. Установить на нагрузочном устройстве Z требуемое значение нагрузки с индуктивно-активным (или активным) коэффициентом мощности cos (р = 0,8 (cav <? = О-
-
8.5.2 Регулирующим устройством Тр плавно установить значение тока, равное минимальному, с последующим его увеличением до максимального. Значения тока следует устанавливать в соответствии с приложением Б. для проверки в расширенном диапазоне первичного тока до 200 % следует установить значения, равные 150 % и 200 % номинального значения. Регулирующим устройством плавно снизить ток до нулевого значения.
-
8.5.3 11овторить операции по 8.5.1 - 8.5.2, поочередно подключая к прибору сравнения 1IC выводы остальных вторичных обмоток поверяемого трансформатора тока Тх.


-
G - сеть (генератор);
Тр - регулирующее устройство (автотрансформатор);
7’,, - понижающий силовой трансформатор;
То - рабочий эталон;
Тх - поверяемый трансформатор;
ПС - прибор сравнения;
Z - нагрузка;
Л|, Л2 - контактные зажимы первичной обмотки;
И), И: - контактные зажимы вторичной обмотки.
Рисунок 2 — Схема измерений погрешности трансформаторов тока в расширенном диапазоне первичного тока до 200 % номинального значения, с применением в качестве эталона ТТИ-5000.51



G - есть (генератор);
Тр - регулирующее устройство (автотрансформатор);
Тп - понижающий силовой трансформатор;
То - рабочий эталон;
Тн - дополнительный рабочий эталон:
Тх - поверяемый трансформатор;
ПС - прибор сравнения;
Z - нагрузка;
Jh, Jh - контактные зажимы первичной обмотки;
Hi. И? - контактные зажимы вторичной обмотки.
Рисунок 3 — Схема измерений погрешности трансформаторов тока в расширенном диапазоне первичного тока до 200 % номинального значения, с применением в качестве эталона ТТИ-5000.5 и дополнительного эталона ТТИ-5000.5
-
8.5.4 Результаты проверки считать положительными, если при подаче тока на обмотки трансформатора тока Тх прибор сравнения ПС будет индицировать значения погрешностей, не превышающие нормированные значения указанные в приложении Б.
-
8.6 Определение коэффициента остаточной намагниченности
Определение коэффициента остаточной намагниченности Кг. %, проводится с использованием анализатора трансформаторов тока СТ Analyzer. Собрать схему, представленную на рисунке 4.
Тх - поверяемый трансформатор:
Л1,Л2 - контактные зажимы первичной обмотки;
И|,И2 - конгакгные зажимы вторичной обмотки.
Рисунок 4 — Схема подключения анализатора трансформаторов тока СТ Analyzer к поверяемому7 трансформатору
Петлю гистерезиса также можно посмотреть и измерить коэффициент остаточной намагниченности Кг. %, на электронно-лучевом или цифровом осциллографе с использованием дополнительной схемы формирования сигналов для отклоняющих пластин но схеме, показанной на рисунке 5.
G - сеть (генератор);
R1.R2 - измерительный резистор:
С1 - конденсатор;
ТТ - поверяемый трансформатор тока;
Рисунок 5 - Схема определения коэффициента остаточной намагниченности
методом осциллографирования
Измерительный резистор R1 подбирается с сопротивлением, лежащим в пределах от 0,1 до 1 Ом, чтобы минимизировать его влияние на измерение гистерезисной петли. Дтя уменьшения погрешности сопротивление R2 должно быть высоким (R2 ~ 100 кОм), и превышать на несколько порядков реактивное сопротивление конденсатора С1 (Cl ~ 1 мкФ).
Рисунок 6 - Варианты отображения петли гистерезиса
Коэффициент остаточной намагниченности Кг, %. определяется по формуле
Кг = -^--100, (2)
где:
Фг - остаточное потокосцепление;
^sat ~ потокосцепление насыщения.
Результаты считают положительными, если полученные при поверке значения коэффициента остаточной намагниченности < 10 %.
-
8.7 Определение индуктивности намагничивания и постоянной времени
Определение индуктивности намагничивания Lm и постоянной времени Ts проводится с использованием анализатора трансформаторов тока СТ Analyzer в соответствии с руководством по эксплуатации на данный прибор, схема подключения представлена на рисунке 4. Определение постоянной времени вторичного контура Ts должно быть проведено в трансформаторах тока предназначенных для защиты, полученные значения не должны отличаться от указанных в таблице Б.2. приложения Б более чем на ±30 %.
9 Оформление результатов поверки-
9.1 Результаты поверки трансформаторов заносят в протокол поверки (Приложение Л), на основании которого (при положи тельных результатах) оформляюг свидетельство о поверке по форме, установленной Приказом Минпромторга России от 02.07.2015 № 1815.
-
9.2 При несоответствии результатов поверки требованиям любого из пунктов настоящей методики трансформаторы к дальнейшей эксплуатации не допускают, выдают извещение о непригодности по форме, установленной Приказом Минпромторга России от 02.07.2015 № 1815, с указанием причины непригодности.
Зав. отделом 26 У ПИ ИМ - филиала I
ФГУП «ВПИИМ им.Д.И.Менделеева»
Вед. инженер УНИИМ - филиала
ФГУП «ВНИИМ им.Д.И.Менделеева»
А.А.Ахмссв
А.М.Шабуров
(рекомендуемое)
Форма протокола поверки Трансформаторов тока ТВ
ПРОТОКОЛ ПОВЕРКИ
Трансформатор тока_____________________. класс точности_________________________
Заводской №_______________________________________________________________
Г од выпуска__________________________________________________________________
Номинальный первичный ток________________________________________________
Номинальный вторичный ток________________________________________________
Номинальная частота (диапазон)__________________________________________________
Предприятие-изготовитель_______________________________________________________
Принадлежит_____________________________________________________________
наименование организации, представившей трансформатор на поверку
Средства поверки:___________________________________________________________________
А.1 Результат внешнего осмотра___________________________________________________
соответствует, не соответствует
А.2 Результат поверки сопротивления изоляции_____________________________________
соответствует, нс соответствует
А.З Размагничивание____________________________________________________________
А.4 Результат проверки правильности маркировки выводов___________________________
соответствует, не соответствует
А.5 Результаты определения погрешностей
Таблица А.1 - Результаты определения погрешностей
|
Частота, Г ц |
Номинальный первичный ток, А |
Нагрузка поверяемого трансформатора тока. В А; при cos <р =_ |
Значение первичного тока. % от номинального значения |
1 lorpcniHocTb поверяемого трансформатора | |
|
% |
Ай/ | ||||
А.6 Результаты определения коэффициента остаточной намагниченности__________
А.7 Результаты определения индуктивности намагничивания и постоянной времени
Заключение по результатам поверки______________________________________________
годен / негоден
Выдано свидетельство о поверке (извещение о непригодности) от «_____»__________20 __г.
№___________
11овсрку проводил_______________ ________________________________________________
подпись инициалы, фамилия
Дата проведения поверки _________
Организация, проводившая поверку______________________________________________
Приложение Б(обязательное)
Таблица Б.1 - Пределы допускаемых погрешностей вторичных обмоток для измерений и учёта.
|
Класс точности |
1 [ервичный ток. % номинального |
11ределы допускаемой погрешности |
Диапазон вторичной нагрузки.% | ||
|
токовой.% |
угловой | ||||
|
значения |
мин |
с рад |
номинального значения | ||
|
5 |
±0,75 |
±30 |
±0,9 | ||
|
0,2 |
20 |
±0,35 |
±15 |
±0,45 | |
|
100-120 |
±0,2 |
±10 |
±0,3 | ||
|
150-2001’ |
±0,2 |
±10 |
±0,3 | ||
|
1 |
±0.75 |
±30 |
±0,9 | ||
|
5 |
±0.35 |
±15 |
±0.45 | ||
|
0.2S |
20 |
±0.2 |
±10 |
±0.3 | |
|
100 |
±0,2 |
±10 |
±0.3 | ||
|
120 |
±0,2 |
±10 |
±0,3 | ||
|
150-2001’ |
±0,2 |
±10 |
±0,3 | ||
|
5 |
±1,5 |
±90 |
±2,7 |
25-100 | |
|
0.5 |
20 |
±0.75 |
±45 |
±1.35 | |
|
100-120 |
±0,5 |
±30 |
±0,9 | ||
|
150-2001’ |
±0.5 |
±30 |
±0,9 | ||
|
1 |
±1,5 |
±90 |
±2.7 | ||
|
5 |
±0,75 |
±45 |
±1,35 | ||
|
0,5S |
20 |
±0,5 |
±30 |
±0.9 | |
|
100 |
±0,5 |
±30 |
±0,9 | ||
|
120 |
±0.5 |
±30 |
±0.9 | ||
|
150-2001’ |
±0.5 |
±30 |
±30 | ||
11 Для трансформаторов с номинальными вторичными нагрузками 2; 2,5; 3; 5 и 10 В-А устанавливают нижний предел вторичных нагрузок I В А. Для трансформаторов с номинальной вторичной нагрузкой 1 В-А устанавливают нижний предел вторичных нагрузок 0.8 В-А.
Таблица Б.2 - Пределы допускаемых погрешностей вторичных обмоток для защиты.
|
Класс точности |
Пределы допускаемой погрешности | ||||
|
при номинальном первичном токе |
полной при номинальной |
при переходном | |||
|
угловой | |||||
|
токовой,% |
мин |
срад |
предельной кратности. % |
режиме. % | |
|
5Р, 5PR |
±1 |
±60 |
±1,8 |
5 |
нс нормируют |
|
ЮР, ЮРК |
±3 |
не нормируют |
не нормируют |
10 |
не нормируют |
|
ТРУ |
±1 |
±60 |
±1.8 |
10 |
г < стах — К) |
|
TPZ |
±1 |
180±18 |
5.3±0.6 |
10 |
&ас max — | Q |
15
Значения для расширенных диапазонов токов.
