Руководство по эксплуатации «АМПЕРВОЛЬТМЕТР Р386» (Код не указан!)
ПО “ КРАСНОДАРСКИЙ ЗИП ”

А «ПЕРВО Л ЫО И М Е Т Р
Р386
ТЕХНИЧЕСКОЕ ОПИСАНИЕ И ИНСТРУКЦИЯ ПО ЭКСПЛУАТАЦИИ
Г.р.
-
10. ПРОВЕРКА ТЕХНИЧЕСКОГО СОСТОЯНИЯ
-
10.1. Проверка технического состояния прибора заключается в периодической (не реке одного раза в месяц) проверке работоспособности прибора, устранению мелких неисправностей и периодической поверке приборов в соответствии, с разделом
-
-
II.
-
10.2. К устранению мелких неисправностей относятся:
смена случайно перегоревшего предохранителя; ремонт входных кабелей и кабеля питания;
смена вышедшего из строя нормального элемента.
Устранение неисправностей,требующих вскрытия прибора с нарушением клейма (пломбы),производится в специализированных лабораториях по инструкциям завода-изготовителя,который высылает их по запросам этих лабораторий.
II. УКАЗАНИЯ ПО ПОВЕРКЕ
-
11.1. Периодичность поверки приборов устанавливается потребителем с учетом интенсивности и условий эксплуатации, но не реке одного раза в год.
-
11.2. При проведении поверки должны выполняться операции, указанные в табл. 4 .
Таблица 4
Наименование опера-Шомера Обязательность проведения one-
ции |
:пунктов юаций при: | |||
:техничес-:ВШ1УСКв • лгш- •выпуике |
: ремонте • |
эксплуатации и хранении | ||
:сания |
;ив производства | |||
Внешний осмотр |
II.5.1 |
да |
да |
да |
Опробование |
II.5.2 |
да |
да |
да |
Определение основ- | ||||
ной погрешности |
II.5.3 |
да |
да |
да |
Определение разре- | ||||
шающей способности |
II.5.4 |
да |
да |
да |
Определение времени | ||||
установления рабоче | ||||
го режима |
II.5.5 |
да |
да |
нет |
Продолжение табл. 4
Наименование опере :Номера Обязательность проведения опе-
ции :пунктов граций при:________
эксплуатации и хранении
• AOtfUCT фМе
.савдя :водства :
Проверка калибровки Проверка вывода информации на цифропе- |
II.5.6 |
да |
да |
да |
чатающую машинку Проверка электричек |
II.5.7 |
да |
да |
да |
кой прочности и |
II.5.8 | |||
сопротивления изоляции |
II.5.9 |
да |
да |
да |
-
II.3. Перечень образцовых и вспомогательных средств поверки производится в табл. 5
Таблица 5
Наименование среди-: Тип :Основные пара-:Погреш- *Приме-
ва поверки |
метры . : |
несть |
чание | |
Установку лотенцио- |
Измерение нап- | |||
метрическая постоЯя- |
ряжения посто- | |||
ного тока |
У309 |
янного тока:до 2,1В; до IOOOB (с делителем напряжения) измерение токов до 10 А |
+0,005% | |
Стабилизатор напря- |
П136 |
0-450 В | ||
жения постоянного то- | ||||
ка |
Напряжение пуль | |||
сации не более 150 мВ |
+0,01% | |||
Магазин сопротивле- |
Р327 |
0-100 кОм |
+0,01% |
С поп- |
ний |
равна-ми |
Продолжение табл. 5
Наименование средства поверки |
:Тий : |
Основные параметры:Погреш -:ность |
:При :ме-:ча-:ние | |
Магазин сопротивле |
С | |||
ний |
Р403 |
0-1 МОм |
+0,02% |
поп-рав-ка-ми |
Измерительная ка- ■ тушка электрического сопротивления |
P33I |
100000 Ом |
+0,01% | |
Тераомметр |
EK6-II |
30 МОм-1000 ТОм |
+10% |
-И- |
Вольтомметр |
ВК7-9 |
Ввх=3 МОм Uh3m=i”1000 в |
+А% | |
Секундомер |
CI-2A |
_ и. | ||
Установка для про- |
Ц P = 1,5 кВ | |||
верки электрической прочности изоляции |
Р = 0,5 кВ-А |
_||_ |
_П_ | |
Генератор-калибра- |
ГК-8 |
/=20 Гц-200кГц | ||
тор |
Ubhx=0-I0 В |
+0,03% | ||
Усилитель перемен- |
УВО-ЗМ /=20 Гц-20 кГц | |||
ного тока |
Кус=30 |
_п_ | ||
Стабилизатор переменного напряжения |
С-075 |
V ном=220В |
+1% |
_П_ |
Магазин сопротивле | ||||
ний |
P5I7- |
М 0-12222,21 Ом |
+0,05% | |
Генератор |
ГЗ-35 |
К/ =0,05% | ||
20ГЦ-20 кГц |
_П_ | |||
Вольтметр цифровой |
ВК7- |
I мВ - 10 В; | ||
I0A/I |
10 мВ - 100 В |
±0,1% | ||
Магазин сопротивлений |
■ Р58 |
0,1 Ом-ЮО кОм |
±0,1% |
Продолжение табл. 5
Наименование средства поверки |
Тип |
Основные параметры |
Погреш -ность |
:Приие :ча :ние |
Измеритель нелинейных искажений |
C6-IA |
Диапазон 0.1% - 100% f=20 Гц- 20 кГц |
+10% | |
Магазин сопротивлений |
Р4047 |
0-10 МОм |
+0,02% |
С поправками |
Образцовая катушка |
P402I |
10 МОм |
±0,01% |
_П_ |
Образцовая катушка |
P32I |
I Ом |
+0,01% |
Допускается использование другой аппаратуры, имеющей аналогичные параметры.
Вся контрольно-измерительная аппаратура, используемая при измерении, должна иметь документ о государственной или ведомственной поверке, проводимой в установленном порядке.
-
11.4. Условия поверки и подготовка к поверке.
-
11.4.1. Поверку прибора производите при температуре окружающего воздуха 20+2°C и относительной влажности 65+15%, напряжение питания 220+4,4В с частотой 50+1 Гц.
-
11.4.2. Подготовьте прибор к поверке в соответствии с разделом "Подготовка к работе".
-
11.4.3. Подготовьте к работе установку У309 и потенциометр Р309 в соответствии с их техническим описанием и инструкцией по эксплуатации.
-
11.5. Проведение поверки
-
11.5.1. Произведите внешний осмотр.
-
11.5.1.1. При проведении внешнего осмотра должно быть установлено соответствие установки следующим требованиям:
комплектность (в соответствии с паспортом), наличие и четкость нанесения маркировки, целостность ручек органов управления и настройки.
II.5.2. При опробовании проверяется работоспособность прибора при его включении, четкость фиксации переключате -лей, плавность регулирующих элементов.
-
II.5.3. Основная погрешность определяется сравненной
показаний поверяемого и образцового приборов и вычисляется
по формуле.
( 8)
где А - показания поверяемого прибора; Я о- показания образцового прибора.
Допускаемые значения основной погрешности, вычисленные для контролируемых точек, приведены в табл. 6,7,8,9.
Таблица 6
Род измеряемойсПредел измерения Допускаемая основная погреш-величины : :ность, %____________________
'Контролируемые точки
; 0.50 1.00 : 1.595
Напряжение пос- |
0.1; 10; 100В |
0.08 |
0.06 |
0.053 |
тоянного тока |
1000 В |
0,08 |
0.06 |
- |
Постоянный |
0.1; I; 10; 100; |
0,14 |
0,10 |
0.085 |
ток |
1000 мА |
- |
Основную погрешность при измерении сопротивлений определяют в четырех точках:0,1 Рк,1,0 Вк и тех двух точках основного диапазона (диапазон с верхним пределом измерений I В),
для которых были получены максимальные по абсолютному значению положительная и отрицательная погрешности .При вычислении основной погрешности на пределах измерения сопротивлений,погрешность не должна превышать +0,46 ^-в точке 0,1Вк и +0,1%-в точке 1,0 Вк. Таблица 7
Контролируя-: п тттт мое значащ: |
0,2222 |
0,3333 |
0,4444 |
0,5555 |
Допускаемая : п ?тпп погрешность,: % : |
0,1220 |
0,0900 |
0,0750 |
0,0660 |
Продолжение табл. 7
Контролируемое значение |
0.1Ш : 0,2222 |
0,3333 |
0,4444 |
0,5555 |
Допускаемая погрешность, Ч> |
0,0600 : 0,0557 |
0,0526 |
0.05QD |
0,0430 |
Род измеряв мой величины : |
Предел :Допускает-:Частота конт-: Кобр., измерения :ся погреш-кодируемой ве:0м :ность, % :личины, : ;:Гц | |||
Напряжение переменного тока |
IB I0B 100В |
0,2 |
45; 1000; 20® 00 |
- |
300В |
0,4 | |||
Переменный ток |
1мА |
0,5 |
1000 | |
ЮмА |
100 | |||
ЮОмА |
10 | |||
ЮООмА |
I |
Таблица 9
Частота , Гц : 45; 1000; 20000 | |||
контролируе- : : мое значение : 0,100 : 0,200 В : : |
0,300 |
0,400 : 0,500 • • | |
Допускаемая : : основная пот-: 1,100 : 0,600 решность,^ : : |
0,433 |
• 0,350 : 0,300 | |
Продолжение таблицы 9 | |||
Частота, Гц |
45; 1000; 20D00; | ||
Контролируемое значение В |
0,600 • 0,700 |
0,800 |
0,900 : 1,590 |
Допускаемая основная погрешность; % |
0,266- : 0,243 |
0,225 |
0,211 : 0,'ГбЗ |
-
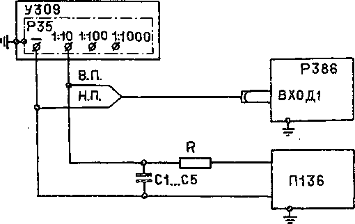
II.5.3.1. Основная погрешность прибора на пределах напряжения постоянного тока- определяется с помощью установки У309 при любой полярности измеряемого напряжения:
а) определение основной погрешности на пределах измерения 0,1; IB производится по схеме, изображенной на рис.13.
5/309 0- Хп 9- |
вл. Кг£>----------1£— |
Р386 ВХ0Д1 |
X----
Рис.13. Схема поверки основной погрешности на пределах измерения 0,1; IB.
У309 - потенциометрическая установка постоянного тока;
Р386 - поверяемый прибор;
В.П. Н.П. - соответственно высокопотенциальный и низкопотенциальный зажимы входного кабеля.
Потенциометр Р309 используют как источник калиброванного напряжения, для чего размыкают клеммы "ВП", включают кнопки ”ВГМ " ШУНТ АК", "ИЗМЕРЕНИЕ”, переключатель рода работ ставят в положение "Xj", переключатель чувствительности - в положение "8". Переключатель "Измеряемое напряжение ..." установки У309 ставят в положение "Хц".
Переключателями декад L/y выставляют в поверяемой точке значение напряжения так, чтобы на табло поверяемого прибора было чередование двух знаков младшего разряда (например , Аху = 0,4999; Ах2 =0,5000).
Основная погрешность вычисляется по формуле (8), где Ао - показание потенциометра Р309;
Ах - показание поверяемого прибора (А^ или АХ2 ), при котором разность | Ах - AQ | наибольшая
б) Определение основной погрешности прибора на пределах измерения 10; 100; 1000В производится по схеме,изображенной на "рис.14". Установка У309 используется в режиме измерения напряжения с делителем Р35.
Переключателями декад С/у выставляют в поверяемой точке напряжение так, чтобы было достигнуто уравновешивание . стрелки показывающего прибора на потенциометре Р309 в положении "5" переключателя чувствительности, а на табло поверяемого прибора было чередование двух знаков младшего разряда.


Основная погрешность вычисляется по формуле (8) где Ао - показание потенциометра Р309;
Ах - показание поверяеного прибора, при котором раз -ность { Ах - Ао | наибольшая.

Рис.14.Схема поверки основной погрешности на пределах измерения 10; 100; 1000В
У309 - потенциометрическая установка постоянного тока; Р386 - поверяемый прибор;
И . . . С5 - конденсатор МБГП-I-IOOO В - Юмкф +5%
R - резистор МЛТ-1-47 кОм + 10%;
П136 - источник питания..
При поверке предела измерения 1000 В используются три последовательно соединенных стабилизатора напрякения П136.
-
II.5.3.2. Определение основной погрешности на пределах измерения постоянного тока определяется по схеме, приведенной на прис.15” при любой полярности измеряемой величины.
измерения :тавляемые на : им :чение тока через
хпотенциометре : ;Вобр.
:Р309, мВ ;:
100 мкА |
50,0 100,0 159,0 |
Ю3 |
50,00 мкА 100,00 159,50 |
I мА |
50,0 100,0 159,5 |
I02 |
5,00 мА 10,00 15,95 |
10 мА |
500,0 1000,0 1595,0 |
50,00 100,00 -п-159,50 | |
100 мА |
500,0 1000,0 1595,0 |
10 |
50,00 мА 100,00 -V-159,50 |
1000 мА |
500,0 1000,0 |
I |
500,00 1000,00-"- |
-
11.5.3,3. Определение основной погрешности на пределах измерения сопротивлений производится по схеме, приведенной на "рис.16.п
Рис. 16. Схема поверки основной погрешности на пределах сопротивлений.
Кобр - магазин сопротивлений типаР327,Р403,Р4047,Р4021 или последовательное соединение их в соответствии с поверяемым пределом;
В.П.,Н.П. - соответственно высокопотенциальный и низкбпо-тенциальный зажим входного кабеля.
Р386 - поверяемый прибор.
-
II.5.3.4. Определение основной погрешности на пределах измерения переменного напряжения может производиться по схемам, изображенным на дос.17, 18, 19, 20.
а) Поверка по схеме, изображенной на рис.17.

РИС.17. СХЕМА ПОВЕРКИ ОСНОВНОЙ ПОГРЕШНОСТИ НА ПРЕДЕЛАХ ИЗМЕРЕНИЯ ПЕРЕМЕННОГО НАПРЯЖЕНИЯ
ГЗ - 35 - генератор;
УВО- -ЗМ - усилитель переменного напряжения;
П136 - стабилизатор напряжения постоянного тока;
У309 - установка потенциометрическая постоянного тока;
С-0,75 - стабилизатор напряжения переменного тока;
Сб - IA - измеритель нелинейных искажений;
Р386- поверяемый прибор;
ПТЭ-1 - термопреобразователь;
BI - переключатель ТП1-2;
В2 - переключатель 5П2Н-К;
ВЗ - переключатель 11П1Н - К;
BI - резистор МЛТ-0,5 - 200к0м +5%;
В2 - резистор ЫЛТ-0,5 - ЮОкОм +10%;
R3,R4 - резистор БЛП-1-15к0м + 1%;
R5 - резистор БЛП-1-13к0м + 1%;
R6 - резистор БЛП - 0,5 -750 Ом + 1%;
R7 - RI6 - резистор БЛП-0,1 - 1500м + 1%.
Переключатель BI ставят в положение "I" и на выходе ста билизатора напряжения постоянного тока П136 последовательно устанавливают напряжения, указанные в табл.8,9.
Контроль напряжения постоянного тока производится с помощью установки У309, работающей в режиме измерения напряжения с делителем Р35 при измерении напряжения от I до 300В и без делителя Р35 при измерении напряжений до IB, переключателями декад " 1/у = . . . " .
Контроль ТЭДС, соответствующей постоянному напряжению, производится переключателями декад " = ..."
Последовательно с термопреобразователем ПТЭ-1 переключателями В2 и ВЗ подключают цепочку резисторов, обеспечивающую номинальный ток через термопреобразователь.
Переключатель BI переводят в положение "2" и с помощью генератора ГЗ-35 устанавливают ТЭДС термопреобразователя такой величины,какая была измерена установкой У309 в положении "I" переключателя BI.
Коэффициент нелинейных искажений контролируется во всех поверяемых точках и должен быть не более указанного в разделе I настоящего описания.
Основную погрешность вычисляют по формуле (8), где
Ао - напряжение постоянного тока, контролируемое установкой У 309;
Ах - показание поверяемого прибора.
При поверке на пределах I и 10В выход генератора ГЗ-35 должен быть подключен непосредственно к точкам А и Б.
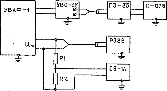
б) Поверка по схеме, изображенной на рис.18.

Рис«18. Схема поверки основной погрешности на пределах измерения напряжения переменного тока.
УВАФ - I - установка;
УВО - ЗМ - усилитель напряжения переменного тока;
ГЗ - 35 - генератор;
.С - 0,75 - стабилизатор Напряжения переменного тока; Р386 - поверяемый прибор;
. С6 - IA ~ измеритель нелинейных искажений;
‘ BI - резистор МЛТ-0,5 - 200к0м + 5%;
В2 - резистор МЛТ-0,5 - ЮОкОм + 10%.
в) Поверка основной погрешности на пределах измерения напряжения переменного тока I и 10В по схеме,изображенной на "рис.19".

Рис.19. Схема поверки основной погрешности на пределах измерения I; ЮВ переменного тока.
ГК - 8 - генератор-калибратор;
Р386 - поверяемый прибор.
В.П.,Н.П. - соответственно высокопотенциальный и низкопотенциальный зажимы входного кабеля.
На генераторе-калибраторе ГК-8 последовательно выставляют контролируемые значения измеряемой величины,указанные в табл.8, 9.
Основную погрешность вычисляют по формуле (8),
где
Ао - показание генератора-калибратора ГК-8;
Ах - показание поверяемого прибора.
г) Поверка основной погрешности на пределах измерения напряжения переменного тока 100, 300В.

Рис.20. СХЕМА ПОВЕРКИ ОСНОВНОЙ ПОГРЕШНОСТИ НА ПРЕДЕЛАХ ИЗМЕРЕНИЯ 100; 300В ПЕРЕМЕННОГО ТОКА
ГК - 8 - генератор-калибратор;
ВК7- IOA/I - вольтметр цифровой;
C6-IA - измеритель нелинейных искажений; Р58 - магазин сопротивлений;
УВО-ЗМ - усилитель переменного тока;
Р386 - поверяемый прибор;
В - переключатель ТП1-2;
Делитель;
BI - резистор | |
В2 - |
_п_ |
ВЗ - |
_И_ |
В4 - |
В5, R6- -"-В7 -
В8 - -“-В9 - -"-BlOtfll1 -"-BI2 -
МЛТ - 0,25 - 1к0м t 10%;
МЛТ - 0,25 - ЗкОм ± 5%;
МРХ - 0,25 - ЮкОм + 0,05А;
СП5 - 14 - 33000м;
МРХ - 0,5 - IOOkOm + 0,05А; СП5 - 14 - 100 Ом;
МЛТ-0,25 - 1к0м + 10%;
МЛТ-0,25 - ЗкОм ± 5'-' МРХ-0,5 - 90к0м + 0,03А;
МЛТ - 0,25 - 20к0м + 5%;
CI - конденсатор КПКМТ - 6/25;
С2 - -"- КЛС-1Е-М47-47пф + 10%;
04 - КЛС-1-а-Н50 - 4700пф + 20%;
Д1,Д2 - стабилитрон Д814А;
TI, Т2, ТЗ - транзистор KT3I5B;
Т4, Т5 - транзистор МП25Б.
Переключатель “В" ставят в положение "ГК-в" и измеряют вольтметром BK7-I0A/I калиброванное напряжение на выходе "IOB”.Затем переключатель "В” ставят в положение “ИЗМЕРЕНИЕ”.
Переключателями декад генератора-калибратора ГК-8.и магазина сопротивлений Р58 устанавливают по вольтметру BK7-I0A/I напряжение, равное измеренному в положении "ГК-8" и поступающее на "Вход 2" поверяемого прибора Р386.
При определении основной погрешности на пределе 100В замыкают штепселями гнезда >1; 2 делителя Д2 (коэффициент деления делителя Д2 в этом случае 1:10), на пределе 300В замыкают гнезда 3; 4 ( коэффициент деления 1:30). Основную погрешность вычисляют по формуле (8), где
А^ - показание поверяемого прибора;
-72 -
AQ - IOB х IO - на пределе IOOB;
IOB x 30 - на пределе 300В;
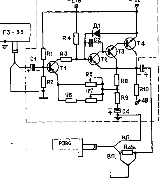
II.5.3.5.Определение основной погрешности на пределах изме рения переменного тока производится по схеме,изображенной на рис.21.
Регулировкой выхода генератора ГЗ-35 и резисторами В5, В7 по вольтметру BK7-I0A/I выставляют напряжение IB.
Основную погрешность вычисляют для частот,указанных в табл.8 по формуле (8),
где Ао - действительное значение тока через
Добр равйо отношению I/Ro6p-^
Значения Бобр указаны в табл.8; Ах - показание поверяемого прибора. ГЗ-35 - генератор;
Р386 - поверяемый прибор;
В.П..Н.П.-соответственно высокопотенциальный и ннэкопотея-циальный зажимы входного кабеля "Вход 2"; BK7-I0A/I - вольтметр;
Добр - образцовая катушка сопротивления типа Р321,Р331; Усилитель переменного тока:
BI - |
резистор МЛТ - 0,5 - 7,5к0м + 5%; | |
В2 - |
_11_ |
МЛТ - 0,5 - 3,9к0м + 10%; |
R3 - |
_П_ |
МЛТ - 0,5 - 1к0м + 10%; |
В4 - |
_И_ |
МЛТ - 0,5 - 15к0м + 10%; |
R5 - |
_П_ |
ППЗ - 41 -100 бы + 10%; |
R6 - |
МЛТ - 2 - 27 ом + 10%; | |
В7 - |
_ п_ |
ППЗ - 41 - 220 Ом + 10%; |
В8 - |
_П_ |
МОН - 0,5 -18 Ом + 10%; |
В9 - |
_П_ |
МЛТ - 2 - 27 0м+ 10%; |
BIO |
ПЭВ - 10 - 5,1 0м± 5%; | |
CI - |
конденсатор К50 - 6 - 6 - 50; | |
С2 - |
КЛС - 10 - П50 - 4700пф +20%; | |
С3..< |
,05 -“- |
К50 - 6 - 25 - 4000; |
04 |
_п_ |
К50 - 15 - 1000; |
Д1 - диод Д223; | ||
TI - |
транзистор |
ГТ309; |
Т2 - |
_П_ |
КТ315Б |
ТЗ - |
_П_ |
КТ801Б |
Т4 - |
_tl_ |
КТ805Б. |

Рис.15. Схема поверки основной погрешности на пределах измерения постоянного тока
У309 - потенциометрическая установка постоянного тока; Р386 - поверяемый прибор;
В.II.,Н.П. - соответственно высокопотенциальный и низкопотенциальный зажимы входного кабеля.
Установка УЗО9 используется в режиме измерения токов.
Значения напряжений,выставляемых на потенциометре Р309, сопротивлений Вобр и действительных значений токов через Добр на соответствующих пределах, приведены в табл.10.
Таблица 10
Предел :Значения,выс- : R обр. ^Действительное зна-

ВК7-ЮА/1ГГЗ
Lj.-------Г
Рис.21. СХЕМА ПОВЕРКИ ОСНОВНОЙ ПОГРЕШНОСТИ НА ПРЕДЕЛАХ ИЗМЕРЕНИЯ ПЕРЕМЕННОГО ТОКА
II.5.4.Разрешающая способность прибора определяется на пределах измерения 0,1В;0,1мА;0,1к0м постоянного тока в точке 00010 при включенной кнопке '"ФИЛЬТР11.
Изменение входной величины соответственно на +10 мкВ (+0,01 мкА;+0,01 0м)| должно вызывать изменение показаний прибора того же знака на одну единицу младшего разряда.
Проверка совмещается с поверкой основной погрешности на этих пределах.
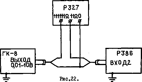
Проверка разрешающей способности прибора на пределе измерения IB переменного тока производится в точке 00100 на час* тоте 100Гц по схеме, изображенной на "рис.22".

Схема проверки разрешающей способности прибора на пределе измерения IB переменного тока.
II.5.5. Время установления рабочего режима проверяется через час после включения прибора в сеть совместно с определением основной погрешности. Основная погрешность должна быть не более указанной в табл. 6, 7, 8, 9.
П.5.6. Проверка необходимой частоты калибровки производится на пределе 0,1В в точке, примерно соответствующей конечному значению предела при соблюдении условий п.п. П.4.1; П.4.2,
В течение часа после установки нулей и калибровки основная погрешность прибора должна соответствовать указанной в табл.б.
-
II.5.7.Проверка вывода информации на цнфропечатающее уст* ройство производится путем измерения положительного йЬтенциа* ла от 2,4 до 5,25В вольтметром ВК7-9 на соответствующих выво*> разъемив "ЦПМ" относительно корпуса при работе прибора в режиме ручного запуска.
Отсутствию информации на выводах разъемов ЦПМ соответствует потенциал от О до 0*4 В.
а)Яисловое значение измеряемой величины проверяется на пределе 1к0м по схеме " рис.16".
Контролируемые величины указаны в табл.II.
Таблица II
Контролируя -мая величина кОм |
0,ПП |
0,2222 : 0,3333 |
0,4444 |
0,5555 |
Контролируемые точки разъема Ш8-1 "ЦПМ" |
4: 8i 12; 16 |
3: 7;II;: 3;4;7: 1$ : 8-li:f2 : 15; 16 |
jj6’ 10 |
2;4;6: 8:10:12; I4;I6 |
Продолжение табл. II
Контролируя-: мая валичина:0,6666 кОм : |
0,7777 |
0,8888 |
0,9999 : 1,0000 |
Контролируя-:2:3:6;7; мыв точки :Ю;П; разъема Ш8-1:14;15 "ЦПМ" : • |
2;3;4:6; 7:8:10: II;I2;I4 I5;I6 . |
9*l2-fi:’ • 17 9,12,ГЗ, . |
б) Проверка вывода информации о роде измеряемой величины производится при отсутствии на входе измеряемой величины путем переключения переключателя рода работ:
-на пределах измерения постоянного тока последовательно в положения " U ", " I ", " R ". Переключатель пределов измерения в положении "1000 V ".На контактах 5t 6, 7 разъема "ЦПМ" Ш8-2 должно быть наличие положительного потенциала ст 2,4 до 5,25 В;
-на пределах измерения переменного тока в положении " ".Переключатель пределов измерения ставится последовательно в положения "IV" и " ImA ".
Наличие положительного потенциала от 2,4 до 5,25 В должно быть на контактах 5,6 разъема "ЦПМ" Ш8-2.
в) Проверка вывода информации о полярности измеряемой величины производится на пределе измерения IB путем подачи
- 76 -
на вход прибора напряжения величиной +1В.На контактах 3(+), 4(-) разъема ЦПМ Ш8-2 должен быть положительный потенциал от 2.4 до 5,25 В;
г) Проверка вывода информации о пределе измерения производится:
-
- на постоянном токе при закороченных входных зажимах “ВХОД Iя в положении "R” переключателя рода работ;
-
- на переменном токе при разомкнутых входных зажимах
’’ВХОД 2" в положении ” ” переключателя рода работ.
Наличие положительного потенциала от 2,4 до 5,25В должно быть на контактах разъемов ”ЦПМ” в соответствии с приложением 3;
д) Проверка информации о команде на разрешение печати для управления ЦПМ производится путем измерения положительного потенциала от 2,4 до 5,25В на контакте 16 разъема "ЦПМ” (Ш8-2).
-
II.5.8. Изоляции прибора при нормальных температуре и влажности (п.II.4.1) должна выдерживать в течение одной минуты испытательное напряжение:
а) ЗкВ постоянного тока - между корпусом и закороченными концами входного кабеля "ВХОД I”;
-
- между закороченными концами кабеля питания и входного кабеля ’’ВХОД I”;
-
- между корпусом и закороченными концами входного кабеля "ВХОД 2”;
-
- между закороченными концами входного кабеля "ВХОД 2”и закороченными концами кабеля питания;
-
- между наружной поверхностью изоляции входного кабеля ’’ВХОД 2” и закороченными концами входного кабеля "ВХОД 2”.
-
- между закороченными концами входного кабеля ’’ВХОД I" и наружной поверхностью изоляции входного кабеля ’’ВХОД Iя;
б) 1,5кВ переменного тока (50Гц) между корпусом и закороченными концами кабеля питания.Проверка электрической прочности изоляции производится на установке .позволяющей плавно повыпать испытательное напряжение от нуля до заданного значения 5-20 с .Положение переключателей должно быть переключателя рода работ BI (см.рио.П)-" ".переключателя пределов В2 - "I к V ".
Гюявлэние ’’короны" и шума при испытании не является признаками неудовлетворительной изоляции.
Примечание,При замене испытательного напряжения постоянного топа на переменный действующее значение последнего должно багь угле пыле но а V~2 раз .При повторном испытании значение испьтато.пьного напряжения должно быть равным 0,8 указанного значения.
ЦО5Л9<. Сопротивление изоляции измеряется тераоыметром EK-6-II при измерительном напряжении постоянного токе не ме-нее 100 В (но не более 1,5 кВ) и долено быть не менее:
а/ между всеми цепями, перечисленными в п.II.5.8 а -1000 *Юм;
б/ между корпусом и закороченными концами кабеля питания - 10 ИЗм.
Положение переключателя Bj (рис.И) может быть любое кроме положения ’'контроль'1.