Методика поверки «ГСОЕИ. Измеритель характеристик частичных разрядов ИЧР 201» (МП 15-262-2019)
ФЕДЕРАЛЬНОЕ ГОСУДАРСТВЕННОЕ УНИТАРНОЕ ПРЕДПРИЯТИЕ «УРАЛЬСКИЙ НАУЧНО-ИССЛЕДОВАТЕЛЬСКИЙ ИНСТИТУТ МЕТРОЛОГИИ» (ФГУП «УНИИМ»)
УТВЕРЖДАЮ
ГОСУДАРСТВЕННАЯ СИСТЕМА ОБЕСПЕЧЕНИЯ ЕДИНСТВА ИЗМЕРЕНИЙ
Измеритель характеристик частичных разрядов ИЧР 201 Методика поверки МП 15-262-2019Екатеринбург 2019
ПРЕДИСЛОВИЕ
РАЗРАБОТАНА ФГУП «Уральский научно-исследовательский институт метрологии (ФГУП «УНИИМ»)
ИСПОЛНИТЕЛИ: А.А.Ахмеев, Ю.И.Дидик
УТВЕРЖДЕНА ФГУП «УНИИМ» 30.12.2019 г.
ВВЕДЕНА ВПЕРВЫЕ
Настоящий документ не может быть полностью или частично воспроизведен, тиражирован и распространен без разрешения ФГУП «УНИИМ».
v
Содержание
-
4 Средства поверки
-
5 Требования к квалификации поверителей
-
6 Требования безопасности
-
7 Условия поверки и подготовка к ней
ИЗМЕРИТЕЛЬ ХАРАКТЕРИСТИК ЧАСТИЧНЫХ РАЗРЯДОВ ИЧР 201
МЕТОДИКА ПОВЕРКИ ________________________________________________________________МП 15-262-2019 Дата введения: 2020-01-10
1 ОБЛАСТЬ ПРИМЕНЕНИЯ
Настоящая методика поверки распространяется на измеритель характеристик частичных разрядов ИЧР 201, зав. № 17 (далее по тексту - измеритель), изготовленный ООО «ТЕСТСЕТ», г. Санкт-Петербург, и принадлежащий предприятию ООО «ИНСТА-СИЛ», г. Лысьва Пермского края, предназначенный для измерения кажущегося заряда импульсов частичных разрядов при испытаниях электрической прочности изоляции электрооборудования стандартными испытательными переменными напряжениями промышленной частоты в условиях специально оборудованных стендов и лабораторий, и устанавливает методы и средства его первичной и периодической поверок.
Рекомендуемый интервал между поверками - 1 год.
2 НОРМАТИВНЫЕ ССЫЛКИ
В настоящей методике использованы ссылки на следующие документы.
ГОСТ 12.2.007.0-75 ССБТ. Изделия электротехнические. Общие требования безопасности.
ГОСТ 12.3.019-80 ССБТ. Испытания и измерения электрические. Общие требования безопасности.
ГОСТ 20074-83 Электрооборудование и электроустановки. Метод измерения характеристик частичных разрядов.
ГОСТ Р 55191-2012 (МЭК 60270:2000) Методы испытаний высоким напряжением. Измерения частичных разрядов.
Приказ Минпромторга России от 02.07.2015 № 1815 «Об утверждении Порядка проведения поверки средств измерений, требования к знаку поверки и содержанию свидетельства о поверке» с изменениями согласно приказу Минпромторга от 28.12.2018 № 5329.
Приказ Минтруда России от 24.07.2013 № 328н «Об утверждении Правил по охране труда при эксплуатации электроустановок».
3 ОПЕРАЦИИ ПОВЕРКИ
3.1 При проведении поверки выполняют операции, указанные в таблице 1. Таблица 1 - Операции поверки
Наименование операции |
Номер пункта методики поверки |
Проведение операции при | |
первичной поверке |
периодической поверке | ||
1 Внешний осмотр |
8.1 |
Да |
Да |
2 Опробование |
8.2 |
Да |
Да |
3 Определение метрологических характеристик |
8.3 |
Да |
Да |
-
3.2 При получении отрицательного результата при выполнении той или иной операции поверку прекращают, измеритель к применению не допускают и оформляют результаты поверки согласно 9.2.
4 СРЕДСТВА ПОВЕРКИ
4.1 При проведении поверки используют средства поверки, указанные в таблице 2. Таблица 2 - Средства поверки
Номер пункта методики |
Наименование и тип средства поверки, его метрологические и основные технические характеристики |
8.3 |
Рабочий эталон 2 разряда единицы импульсного электрического напряжения по ГОСТ Р 8.761-2011 (осциллограф универсальный HDO4054, регистр. № 60449-15); Рабочий эталон 3 разряда единицы напряжения постоянного электрического тока по ГОСТ Р 8.027-2001 (калибратор универсальный Н4-7, регистр. № 22125-01); Нагрузочный резистор, R = 100 Ом, 6R = ± 0,1 %; Термогигрометр (10 - 100) % отн. влажность, (минус 20 - 60) °C (CENTER-313); Бараметр-анероид контрольный М-67, per. № 3744-73 |
-
4.2 Для проведения поверки допускается применение других эталонов и средств поверки, не приведённых в таблице 2, при условии обеспечения ими необходимой точности измерений.
5 ТРЕБОВАНИЯ К КВАЛИФИКАЦИИ ПОВЕРИТЕЛЕЙ
К проведению поверки допускают лиц, работающих в организации, аккредитованной на право поверки средств измерений данного вида, прошедших обучение работе с эталонами (таблица 2), изучивших настоящую методику и эксплуатационные документы на измеритель.
Поверитель должен пройти инструктаж по технике безопасности и иметь удостоверение на право работы на электроустановках с напряжением до 1000 В с группой допуска не ниже III.
6 ТРЕБОВАНИЯ БЕЗОПАСНОСТИ
При проведении поверки должны быть соблюдены требования ГОСТ 12.2.007.0-75, ГОСТ 12.3.019-80.
Должны быть обеспечены требования безопасности, указанные в эксплуатационных документах на средства поверки, и требования Приказа Минтруда России от 24.07.2013 № 328н «Об утверждении Правил по охране труда при эксплуатации электроустановок ».
7 УСЛОВИЯ ПОВЕРКИ И ПОДГОТОВКА К НЕЙ
-
7.1 При проведении поверки соблюдают следующие условия:
-
• температура окружающей среды, °C 15.....25;
-
• относительная влажность воздуха, % 50.....80;
-
• атмосферное давление, мм рт. ст. 630...795
-
• электропитание - однофазная сеть общего назначения 220 В, 50 Гц.
-
7.2 Перед проведением поверки измеритель выдерживают в указанных внешних условиях не менее 30 минут.
-
7.3 Эталоны и средства поверки подготавливают к работе согласно указаниям, приведенным в соответствующих эксплуатационных документах.
-
7.4 Проверяют наличие действующих свидетельств об аттестации эталонов, свидетельств о поверке средств измерений.
-
8 ПРОВЕДЕНИЕ ПОВЕРКИ
8.1 Внешний осмотр
-
8.1.1 Комплектность измерителя должна соответствовать разделу «Комплектность» формуляра ТС.411733.002 ФО.
-
8.1.2 При внешнем осмотре проверяют соответствие измерителя следующим требованиям:
-
• отсутствие внешних повреждений, влияющих на функциональные или технические характеристики;
-
• легко читающиеся маркировка и надписи, относящиеся к местам присоединения;
-
• отсутствие узлов и деталей с ослабленным или неисправным креплением;
-
• исправность устройств для присоединения внешних электрических цепей;
-
• отсутствие видимых повреждений соединительных кабелей.
-
8.1.3 Если при внешнем осмотре указанные в 8.1.1, 8.1.2 требования не выполнены, поверку прекращают.
8.2 Опробование
-
8.2.1 Опробование измерителя проводят в соответствии с руководством по эксплуатации ТС.411733.002 РЭ (пункт 2.2.4 «Проверка прибора на функционирование»). Схема соединений представлена на рисунке 2.
-
8.2.3 Проверяют функционирование измерителя и возможность управления им с помощью программы “PDScanner”. Убеждаются в том, что номер версии программы “PDScanner” соответствует указанному в формуляре ТС.411733.002 ФО.
-
8.2.4 При периодической поверке измерителя на месте эксплуатации в обязательном порядке выполняют операции по 8.2.3. Полный объём других операций опробования допускается не проводить, если в журнале эксплуатации измерителя присутствует информация о его бесперебойной работе за период не менее пяти дней, предшествующих началу проведения поверки.
8.3 Определение метрологических характеристик
-
8.3.1 Проверка диапазона и погрешности измерений заряда генерируемых импульсов
-
8.3.1.1 Измерения проводят в соответствии со схемой, приведенной на рисунке 1. ГТЧР работает в автономном режиме.
Рисунок 1 - Схема соединений для определения диапазона и погрешности измерений заряда генерируемых импульсов
1 - генератор ГГЧР; 2 - нагрузочный резистор сопротивлением 100 Ом;
3 - осциллограф; 4 - компьютер
-
8.3.1.2 В соответствии с РЭ установить величину заряда генерируемых ГГЧР импульсов 2000 пКл. С помощью органов управления осциллографа установить изображение импульсов по амплитуде не менее 50 % размера экрана, по длительности - на уровне 0,1 Um от 30 до 50 % размера экрана и не более 10 % размера экрана от начала развертки до фронта импульса.
-
8.3.1.3 В соответствии с РЭ осциллографа выбрать точечный режим отображения информации и установить число дискретных значений наблюдаемых сигналов не менее 760.
-
8.3.1.4 Создать на компьютере файл в программе Excel, куда будут заноситься данные, получаемые от осциллографа.
-
8.3.1.5 Открыть на компьютере программу ввода и обработки данных в соответствии с описанием ПО осциллографа.
-
8.3.1.6 В соответствии с ПО осциллографа ввести данные в компьютер, разместив их в созданном файле, зафиксировав при этом коэффициент развертки осциллографа.
-
8.3.1.7 Отключить от входа осциллографа ГГЧР и нагрузочный резистор и подключить калибратор Н4-7 в режиме выдачи постоянного напряжения. При этом изменением напряжения калибратора добиваются равенства зафиксированной амплитуды импульсов заряда ГТЧР и напряжения калибратора.
-
8.3.1.8 Не изменяя параметры развертки и точечный режим работы осциллографа, произвести регистрацию в соответствии с п.п. 8.3.1.4 - 8.3.1.6 данных, получаемых от калибратора.
-
8.3.1.9 Провести определение заряда генерируемого импульса в соответствии с формулой
Чизм = S(U1+ ... + Un)xUmH4-7/UmKAL /Rx Kt x N/п, (1)
где qinM - величина заряда импульса ГТЧР, пКл;
U1,... Un - мгновенные значения отсчетов, мВ;
R - величина сопротивления резистора нагрузки, Ом;
Кт - значение коэффициента развертки, нс/дел.;
п - число дискретных значений (Ui,... Un);
N - число делений развертки по экрану осциллографа, дел;
UmKAL - амплитуда напряжения импульса испытуемого калибратора; UmH4-7 - напряжение на выходе калибратора Н4-7.
-
8.3.1.10 Определить относительную погрешность 5, %, в соответствии с формулой
5 = [( С|изм - Цном Учном ] х 100, (2)
где Цном - номинальное значение заряда, установленного на ГТЧР, пКл.
Занести результат измерений и оценки погрешности в протокол (форма произвольная).
-
8.3.1.11 Повторить измерения по п.п. 8.3.1.2 - 8.3.1.10 для значений заряда 1500, 1000, 750, 500, 400, 300, 200, 100, 80, 60, 40, 20, 15 и 12 пКл.
-
8.3.1.12 Повторить измерения по п.п. 8.3.1.2 - 8.3.1.9 для значений заряда 10, 8, 5, 2 и 1 пКл.
-
8.3.1.13 Определить абсолютную погрешность А, пКл, для результатов измерений по 8.3.1.12 по формуле
А — Цизм — Цном . (3)
Занести результат измерений и оценки погрешности в протокол (форма произвольная).
-
8.3.1.14 Результат поверки является положительным, если относительная погрешность заряда импульсов ГГЧР находится в пределах ± 5 % (для заряда св. 10 до 2000 пКл), и абсолютная погрешность находится в пределах ±0,5 пКл (для заряда от 1 до 10 пКл включ.).
-
8.3.2 Проверка диапазона и погрешности измерений кажущегося заряда
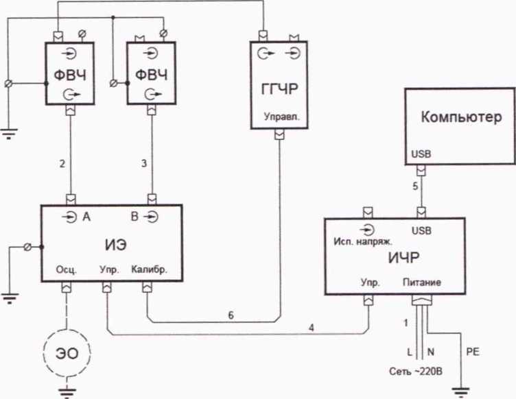
8.3.2.1 Измерения проводят в соответствии со схемой, приведенной на рисунке 2.
7

Рисунок 2 - Схема соединений для определения диапазона и погрешности измерений кажущегося заряда
-
8.3.2.2 В соответствии с Руководством по эксплуатации ТС.411733.002 РЭ (раздел 2.2) включают измеритель и запускают управляющую программу «PDScanner». С помощью управляющей программы проводят градуировку поддиапазонов 2, 5, 10, 20, 50, 100, 200, 500 пКл/дел.
-
8.3.2.3 Выполняют измерения заряда сигналов ЧР, подаваемых ГГЧР, не менее чем в четырех точках поддиапазонов 500, 200, 100, 50 и 20 пКл/дел. Для каждого результата рассчитывают относительную погрешность в процентах по формуле
5 = [( Цизм ~ Цуст Учует ] х 100, (4)
где qycT - значение заряда, установленного на ГГЧР, пКл;
Чизм - результат измерения прибором ИЧР 201, пКл.
Заносят результаты измерений и оценки погрешности в протокол (форма произвольная).
-
8.3.2.4 Выполняют измерения заряда сигналов ЧР, подаваемых ГГЧР, не менее чем в четырех точках поддиапазонов 10, 5, 2 и 1 пКл/дел. Для каждого результата рассчитывают абсолютную погрешность по формуле
Д — Чизм “ ЧУ01" • (5)
Заносят результаты измерений и оценки погрешности в протокол (форма произвольная).
-
8.3.2.5 Значение абсолютной погрешности должно находиться в пределах ±1 пКл (для зарядов от 1 до 10 пКл включ.); значение относительной погрешности (для зарядов св. 10 до 2000 пКл включ.) - в пределах ±15 % .
9 ОФОРМЛЕНИЕ РЕЗУЛЬТАТОВ ПОВЕРКИ
-
9.1 Положительные результаты поверки измерителя оформляют свидетельством о поверке по форме, установленной Приказом Минпромторга № 1815 от 02.07.2015, и нанесением знака поверки на свидетельство о поверке.
-
9.2 При несоответствии результатов поверки требованиям любого из пунктов настоящей методики измеритель к дальнейшей эксплуатации не допускают, клеймо гасят и(или) выдают извещение о непригодности по форме, установленной Приказом Минпромторга № 1815, с указанием причины непригодности.
Зав. отделом 26 ФГУП «УНИИМ»
А.А.Ахмеев
Вед. научный сотрудник лаб. 262 ФГУП «УНИИМ»

'.И.Дидик
6