Методика поверки «Газоанализатор Галонайзер» (МП-140/12-2019)
УТВЕРЖДАЮ
ООО
В.В.
2019 г.
ЛОЕИ ТЕСТ»
Газоанализатор Галонайзер Методика поверки.
МП-140/12-2019
Настоящая методика поверки распространяется на Газоанализатор Галонайзер (далее по тексту - газоанализатор), предназначены для измерения объемной доли огнегасящего вещества Хладон 13В1 в воздухе рабочей зоны.
Интервал между поверками - один год.
1 Операции поверки-
1.1 При проведении поверки должны быть выполнены операции, указанные в таблице
1.2 Если при проведении той или иной операции получен отрицательный результат, дальнейшая поверка прекращается.
1.
Таблица 1 - Операции поверки.
|
Наименование операции |
Номер пункта методики поверки |
Обязательность проведения | |
|
при первичной поверке |
в процессе эксплуатации | ||
|
1 Внешний осмотр |
6.1 |
да |
да |
|
2 Опробование |
6.2 |
да |
да |
|
3 Подтверждение соответствия программного обеспечения |
6.3 |
да |
да |
|
4 Определение метрологических характеристик: |
6.4 |
да |
да |
|
- определение основной погрешности; |
6.4.1 |
да |
да |
|
- определение времени установления показаний газоанализатора. |
6.4.2 |
да |
нет |
1.1 Допускается проведение периодической поверки отдельных оптических ячеек газоанализатора в соответствии с заявлением владельца газоанализатора, с обязательным указанием в свидетельстве о поверке информации об объеме проведенной поверки.
2 Средства поверки
2.1. При проведении поверки применяют средства, указанные в таблице 2. Таблица 2 - Средства поверки
|
Номер пункта методики поверки |
Наименование эталонного средства измерений или вспомогательного средства поверки, номер документа, регламентирующего технические требования к средству, основные метрологические и технические характеристики |
|
6 |
Измеритель влажности и температуры ИВТМ-7 М 6Д зав.№ 51464. (per. № 15500-12), диапазон измерений температуры воздуха от -20 до +60°С, влажности от 0 до 99 %, давления от 840 до 1060 гПа |
|
6.4 |
Секундомер механический СОПпр, ТУ 25-1894.003-90, класс точности 2 Азот особой чистоты сорт 2 по ГОСТ 9293-74 в баллонах под давлением Генераторы газовых смесей ГГС мод. ГГС-Р, ГТС-Т, ГГС-К, ГГС-03-03 (per. № 62151-15). Диапазон коэффициента разбавления от 1 до 2550, относительная погрешность коэффициента разбавления от 0,5 до 1,5% Стандартный образец состава искусственной газовой смеси на основе хладонов (ХЛ-М-2) ГСО 10550-20141’ Ротаметр РМС-0.63ГУЗ-1, ГОСТ 13045-81, верхняя граница диапазона измерений объемного расхода 0,63 м3/ч, кл. точности 4 Редуктор баллонный кислородный одноступенчатый БКО-50-4 по ТУ 3645-026-00220531-95 Вентиль точной регулировки трассовый ВТР-4, диапазон рабочего давления |
|
Номер пункта методики поверки |
Наименование эталонного средства измерений или вспомогательного средства поверки, номер документа, регламентирующего технические требования к средству, основные метрологические и технические характеристики |
|
(0-6) кгс/см2, диаметр условного прохода 3 мм, штуцерно-ниппельное соединение под гибкую трубу диаметром 4...8 мм | |
|
Трубка медицинская поливинилхлоридная (ПВХ) по ТУ6-01-2-120-73, 6* 1,5 мм | |
|
Примечания: 1' Допускается использование стандартных образцов состава газовых смесей (ГС), не указанных в настоящей методике поверки, при выполнении следующих условий:
| |
3 Требования безопасности
-
3.1. Помещение, в котором проводят поверку, должно быть оборудовано приточновытяжной вентиляцией
-
3.2. Концентрации вредных компонентов в воздухе рабочей зоны должны соответствовать требованиям ГОСТ 12.1.005-88.
-
3.3. Должны выполняться требования техники безопасности для защиты персонала от поражения электрическим током согласно классу I ГОСТ 12.2.007.0-75.
-
3.4. Требования техники безопасности при эксплуатации ГС в баллонах под давлением должны соответствовать «Федеральным нормам и правилам в области промышленной безопасности "Правила промышленной безопасности опасных производственных объектов, на которых используется оборудование, работающее под избыточным давлением"».
-
3.5. К поверке допускается лица, изучившие эксплуатационную документацию на газоанализатор и прошедшие необходимый инструктаж.
Таблица 3. Условия поверки температура окружающей среды, °C диапазон относительной влажности окружающей среды, % атмосферное давление, кПа
20 ±5
от 30 до 80
101,3 ±4,0
760 ±30
мм рт.ст.
5 Подготовка к поверке-
5.1 перед проведением поверки выполняют следующие подготовительные работы:
-
- выполнить мероприятия по обеспечению условий безопасности.
-
- проверить наличие паспортов и сроки годности ГС в баллонах под давлением.
-
- баллоны с ГС выдержать при температуре поверки не менее 24 ч.
-
- выдержать поверяемый газоанализатор и средства поверки при температуре поверки в течение не менее 2 ч.
-
- подготовить поверяемый газоанализатор и эталонные средства измерений к работе в соответствии с эксплуатационной документацией.
-
6.1 Внешний осмотр
-
6.1.1 При внешнем осмотре устанавливают соответствие газоанализатора следующим требованиям:
-
-
- соответствия комплектности требованиям раздела 1.3 руководства по эксплуатации МРАГ.А555.600РЭ;
-
- отсутствие внешних повреждений, влияющие на работоспособность;
-
- исправность органов управления.
-
6.1.2 Газоанализатор считают выдержавшим внешний осмотр, если он соответствует указанным выше требованиям.
-
6.2 Опробование
-
6.2.1. При опробовании проводится проверка функционирования газоанализаторов в следующем порядке:
-
- включают электрическое питание газоанализатора;
-
- выдерживают газоанализатор во включенном состоянии в течении времени прогрева;
-
- фиксируют показания газоанализатора.
-
6.2.2. Результат опробования считают положительным, если:
-
- во время тестирования отсутствуют сообщения об отказах;
-
- после окончания времени прогрева газоанализатор переходит в режим измерений;
-
- органы управления газоанализатора функционируют.
-
6.3 Подтверждение соответствия программного обеспечения
-
6.3.1 Подтверждение соответствия программного обеспечения (ПО) газоанализаторов проводится путем проверки соответствия ПО газоанализатора, представленного на поверку, тому ПО, которое было зафиксировано при испытаниях в целях утверждения типа.
-
6.3.2 Для проверки соответствия ПО выполняют следующие операции:
-
-
- проводят визуализацию идентификационных данных ПО, установленного на компьютер, в нижнем левом углу программы идентификационные данные ПО;
-
- сравнивают полученные данные с идентификационными данными, установленными при проведении испытаний в целях утверждения типа и указанными в описании типа на газоанализаторы.
-
6.3.2 Результат подтверждения соответствия ПО считают положительным, если идентификационные данные соответствуют указанным в Описании типа газоанализатора.
-
6.4 Определение метрологических характеристик
6.4.1 Определение основной погрешности
Определение основной погрешности газоанализатора при первичной (периодической) поверке газоанализатора проводят по каждой ячейке отдельно в следующем порядке:
-
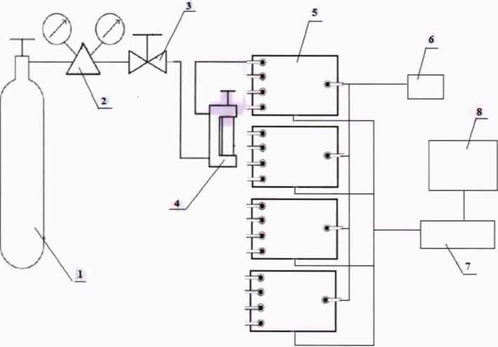
1) Собирают схему проведения поверки, приведенную на рис. 1;
-
2) Подать на вход ячейки по схеме рисунка 1 ГС (таблица А1, приложение А) с расходом (10±0,05) дм3/мин в последовательности 1-2-3-2-1-3;
-
3) Фиксируют установившиеся значения показаний:
-
4) Значение основной абсолютной погрешности газоанализатора, в каждой точке для диапазонов измерений, указанных в приложении Б, таблицы Б1 определяют по формуле 1:
Д<= С, - с?
(1)
|
где Ct с* |
|
-
5) Результат определения основной погрешности газоанализатора считают положительным, если основная погрешность газоанализатора во всех точках испытаний не превышает пределов, указанных в таблице Б. 1 приложения Б.
Рисунок 1 - Рекомендуемая схема подачи ГС на вход газоанализатора
1 - баллон с ГС; 2 - редуктор баллонный; 3 - вентиль точной регулировки; 4 - индикатор расхода (ротаметр); 5 -датчик; 6 - воздушный насос; 7 - блок приема и передачи сигналов; 8 -ноутбук.
-
6.4.2 Определение времени установления показаний допускается проводить одновременно с определением основной погрешности по п.6.4.1 при подаче ГС №1 и ГС № 3 в следующем порядке:
-
1) подать на ячейку ГС№3, зафиксировать установившееся значение показаний;
-
2) рассчитать значение, равное 0,9 от показаний, полученных в п. 1);
-
3) подать на ячейку ГС № 1, дождаться установления показаний (отклонение показаний от нулевых не должно превышать 0,5 в долях от пределов допускаемой основной погрешности), затем, не подавая ГС на ячейку продуть газовую линию ГС № 3 в течение не менее 3 мин. подать ГС на ячейку и включить секундомер. Зафиксировать время достижения показаниями газоанализатора значения, рассчитанного на предыдущем шаге.
Результаты определения времени установления показаний считают удовлетворительными, если время установления показаний не превышает указанного в таблице Б. 1 приложения Б.
7 Оформление результатов поверки-
7.1 При проведении поверки оформляют протокол результатов поверки в свободной форме.
-
7.2 При положительных результатах поверки выдается «Свидетельство о поверке» установленной формы.
7.3. Если газоанализатор по результатам поверки признан непригодным к применению, «Свидетельство о поверке» аннулируется, выписывается «Извещение о непригодности».
Приложение А
(обязательное)
Технические характеристики ГС
Таблица АЛ - Технические характеристики ГС, используемых при поверке газоанализаторов
|
Определяемый компонент |
Диапазон измерений определяемого компонента |
Номинальное значение объемной доли определяемого компонента ГС, пределы допускаемого отклонения |
Номер ПГС по реестру ГСО или источник ГС | ||
|
ГС№1 |
ГС №2 |
ГС №3 | |||
|
Хладон 13В1 |
от 0 до 12 % |
Азот |
- |
- |
О.ч., сорт 2-й по ГОСТ 9293-74 |
|
- |
6 ±10% |
10,5 ±10% |
ГСО 10550-2014 | ||
Приложение Б (рекомендуемое)
Метрологические характеристики газоанализаторов
Таблица Б1 - Основные метрологические характеристики газоанализаторов
|
Определяемый компонент |
Диапазоны измерений, об. доля % |
Пределы допускаемой основной абсолютной погрешности, об. доля % |
|
Хладон 13В1 |
от 0 до 12 |
±1 |
8
