Методика поверки «Термины релейной защиты и автоматики многофункциональные для сетей 6 - 35 КВ ARIS-23XX» (ПБКМ.421451.301 МП)
УТВЕРЖДАЮ
СОГЛАСОВАНО
Заместитель генерального директора
по автоматизации энергосистем

Технический директор
ООО «ИЦРМ»
С. Казаков
ДЛЯ СЕТЕЙ 6 - 35 КВ
ARIS-23XXМЕТОДИКА ПОВЕРКИ
ПБКМ.421451.301 МП
Москва 2020 г.
Содержание1 Общие положения
-
1.1 Настоящая методика поверки распространяется на терминалы релейной защиты и автоматики многофункциональные для сетей 6-35 кВ ARIS-23xx (далее - терминалы) и устанавливает объем, условия и методику поверки.
-
1.2 Функционал M, PM, PV, QS, QA указан в коде и отражен в формулярах.
-
1.3 Первичной поверке подлежат терминалы при вводе в эксплуатацию, а также после ремонта. Первичной поверке подлежит каждый экземпляр терминала.
-
1.4 Периодической поверке подлежат терминалы ARIS-23xx, находящиеся в эксплуатации по истечении межповерочного интервала.
-
1.5 Внеочередную поверку терминалов ARIS-23xx проводят при эксплуатации в случае:
-
- повреждения знака поверки (пломбы);
-
- ввода в эксплуатацию после длительного хранения (более половины межповерочного интервала);
-
- после известного или предполагаемого ударного, или иного воздействия или при возникновении сомнений в показаниях терминала.
-
1.6 Внеочередную поверку проводят в объеме периодической.
-
1.7 Допускается проведение поверки отдельных измерительных каналов, с обязательным указанием в свидетельстве о поверке информации об объеме проведенной поверки.
-
1.8 Допускается проведение поверки терминалов, предназначенных для измерений нескольких величин или имеющих несколько поддиапазонов измерений, но используемых для измерений меньшего числа величин или на меньшем числе поддиапазонов измерений, с обязательным указанием в свидетельстве о поверке информации об объеме проведенной поверки.
-
1.9 Интервал между поверками - 8 лет.
2 Операции поверки
-
2.1 При проведении поверки выполняют операции, указанные в таблице 1.
Таблица 1 - Операции при поверке
|
Наименование операции |
Номер пункта методики поверки |
Проведение операции при | |
|
первичной поверке |
периодической поверке | ||
|
Внешний осмотр |
8.1 |
Да |
Да |
|
Проверка электрической прочности изоляции |
8.2 |
Да |
Да |
|
Проверка электрического сопротивления изоляции |
8.3 |
Да |
Да |
|
Опробование |
8.4 |
Да |
Да |
|
Подтверждение соответствия программного обеспечения |
8.5 |
Да |
Да |
|
Определение метрологических характеристик |
8.6 |
Да |
Да |
|
Определение метрологических характеристик собственных часов терминалов |
8.6.1 |
Да |
Да |
|
Определение метрологических характеристик при измерении |
8.6.2 |
Да |
Да |
|
Наименование операции |
Номер пункта методики поверки |
Проведение операции при | |
|
первичной поверке |
периодической поверке | ||
|
унифицированных сигналов с помощью модулей G1 и G2 | |||
|
Определение метрологических характеристик при измерении параметров переменного тока и измерении показателей качества электрической энергии с помощью модулей М1 (с опцией QS). |
8.6.3 |
Да |
Да |
|
Определение метрологических характеристик при измерении параметров переменного тока и измерении показателей качества электрической энергии с помощью модулей М3, М4 (с опцией QA). |
8.6.4 |
Да |
Да |
|
Определение метрологических характеристик при измерении параметров переменного тока с помощью модулей P5, P8 (для опции PM). |
8.6.5 |
Да |
Да |
|
Определение метрологических характеристик при измерении параметров переменного напряжения с помощью модулей P9 (опция PV). |
8.6.6 |
Да |
Да |
|
Определение метрологических характеристик при измерении активной и реактивной электрической энергии (опции М, QS, QA). |
8.6.7 |
Да |
Да |
|
Определение метрологических характеристик при измерении активной и реактивной электрической энергии (опции PM). |
8.6.8 |
Да |
Да |
-
2.2 Последовательность проведения операций поверки обязательна.
-
2.3 При получении отрицательных результатов при выполнении любой из операций поверка прекращается, а терминал бракуется.
3 Средства поверки
-
3.1 При проведении поверки рекомендуется применять средства поверки, приведённые в таблице 2.
Таблица 2 - Средства поверки
|
Наименование, обозначение |
Номер пункта методики поверки |
Рекомендуемый тип средства поверки и его регистрационный номер в Федеральном информационном фонде или метрологические характеристики |
|
Основные средства поверки | ||
|
Радиочасы МИР РЧ-02 |
8.6.1 |
Регистрационный номер № 46656-11 |
|
Калибратор переменного тока Ресурс-К2М |
8.6.3; 8.6.4; 8.6.6 |
Регистрационный номер № 31319-12 |
|
Калибратор универсальный 9100 |
8.6.2 |
Регистрационный номер № 25985-09 |
|
Установка модульная трехфазная портативная для поверки счетчиков электрической энергии PTS 400.3 |
8.6.5; 8.6.7; 8.6.8 |
Регистрационный номер № 33229-06 |
|
Трансформатор тока эталонный двухступенчатый ИТТ-3000.5 |
8.6.5; 8.6.7; 8.6.8 |
Регистрационный номер № 19457-00 |
|
Вспомогательные средства поверки | ||
|
Установка для проверки параметров электрической безопасности GPT-79803 |
8.2; 8.3 |
Регистрационный номер № 50682-12 |
|
Источник питания SM 400-AR-8 |
8.4-8.6 |
Регистрационный номер № 53452-13 |
|
Трансформатор тока измерительный |
8.6.5; 8.6.7; 8.6.8 |
Класс точности, не хуже: 0,5 по ГОСТ 7746-2015 |
|
Термогигрометр электронный «CENTER» модель 313 |
8.1-8.6 |
Регистрационный номер № 22129-09 |
|
ПЭВМ IBM PC; наличие интерфейса Ethernet; объем оперативной памяти не менее 1 Гб; объем жесткого диска не менее 10 Гб; операционная система Windows |
8.4-8.6 |
- |
-
3.2 Допускается применение средств поверки не указанных в таблице 2, обеспечивающих определение (контроль) характеристик терминала с требуемой точностью.
-
3.3 Применяемые средства поверки, испытательное оборудование должны быть исправны, средства поверки поверены и иметь действующие документы о поверке.
4 Требования к квалификации поверителей
-
4.1 К проведению поверки допускаются лица, изучившие настоящую методику, эксплуатационную документацию на терминалы и средства поверки.
-
4.2 К проведению поверки допускаются лица, являющиеся специалистами органа метрологической службы, юридического лица или индивидуального предпринимателя, аккредитованного на право поверки, непосредственно осуществляющие поверку средств измерений.
5 Требования безопасности
-
5.1 При проведении поверки должны быть соблюдены требования безопасности, установленные ГОСТ 12.3.019-80, «Правилами техники безопасности, при эксплуатации электроустановок потребителей», «Межотраслевыми правилами по охране труда (правилами безопасности) при эксплуатации электроустановок». Должны быть соблюдены также требования безопасности, изложенные в эксплуатационных документах на терминалы и применяемые средства поверки.
-
5.2 Средства поверки, которые подлежат заземлению, должны быть надежно заземлены. Подсоединение зажимов защитного заземления к контуру заземления должно производиться ранее других соединений, а отсоединение - после всех отсоединений.
6 Условия поверки
-
6.1 При проведении поверки должны соблюдаться следующие условия:
-
- температура окружающего воздуха (20±5) °C;
-
- относительная влажность воздуха от 30 до 80 %;
-
- напряжение питания (220±11) В;
-
- частота сети (50±0,5) Гц.
7 Подготовка к поверке
-
7.1 Перед проведением поверки должны быть проведены технические и организационные мероприятия по обеспечению безопасности проводимых работ в соответствии с действующими положениями ГОСТ 12.2.007.0-75.
-
7.2 Терминал должен находится в условиях окружающей среды, указанных в п. 6.1, не менее 2 ч, если он находился в климатических условиях, отличающихся от указанных в п. 6.1.
-
7.3 Подготовка к работе средств измерений, используемых при поверке, должна проводится в соответствии с руководствами по их эксплуатации.
8 Проведение поверки
-
8.1 Внешний осмотр
При внешнем осмотре терминала должно быть установлено:
-
- отсутствие механических повреждений и внешних дефектов корпуса, переключателей, разъемов, светодиодной индикации, соединительных кабелей;
-
- отсутствие потеков воды и их следов;
-
- отсутствие пыли на внешней поверхности терминала;
-
- наличие читаемых маркировочных надписей и знаков на элементах корпуса и соответствие их функциональному назначению терминалов;
-
- светодиод «work» на процессорном модуле и «В работе» на устройстве человекомашинного взаимодействия (далее по тексту - ИЧМ) гореть непрерывно;
-
- светодиод «Неисправность» не должен гореть либо мигать.
Результат считают положительным, если перечисленные требования выполняются.
-
8.2 Проверка электрической прочности изоляции
Проверку электрической прочности изоляции проводить в следующей последовательности:
-
- отключить питание терминала;
-
- отсоединить все кабели от терминала;
-
- объединить группы зависимых цепей каждого модуля путем соединения монтажным проводом сечением не менее 0,5 мм2 соответствующих контактов разъемов согласно Таблица 3;
-
- проверяемую группу зависимых цепей подключить к высоковольтному выводу установки для проверки параметров электрической безопасности GPT-79803 (далее по тексту -установка), остальные группы объединить между собой и корпусом терминала, и подключить ко второму контакту установки;
-
- при помощи установки подать испытательное синусоидальное напряжение 2000 В частотой 50 Гц для цепей с номинальным напряжением более 60 В, 500 В для цепей с номинальным напряжением менее 60 В.
-
- испытательное напряжение приложить в течение 1 мин, после чего напряжение снять. Испытания проводить для каждой группы зависимых цепей.
Таблица 3 - Группы зависимых цепей в модуляхАВЛЗ-23хх
|
Обозначение модуля |
Группа зависимых цепей |
Объединяемые контакты |
Номинальное напряжение цепи |
|
A1.4, A2.4 |
Порт ИЧМ |
HMI |
< 60 В |
|
Дискретный выход 1 |
Х1:1,Х1:2 |
> 60 В | |
|
A1.4 |
Разъем электропитания |
X2:2,X2:3 |
> 60 В |
|
A2.4 |
Разъем электропитания |
X2:1, X2:2 |
< 60 В |
|
B1.4, B3.4, B5.4, B6.4 |
Порт RS-485 №1, Порт RS-485 №2, Порт PPS |
Х1:А1+, Х1:В1-, Х1:А2+, Х1:В2-, Х1:А+, Х1:В-, X1:GND, X1:PPS OC |
< 60 В |
|
Дискретный выход 1 |
X2:1, X2:2 |
> 60 В | |
|
Дискретный выход 2 |
X2:3, X2:4 |
> 60 В | |
|
E1.4 |
Порт интерфейсный №1 |
A1+, B1+, GND1 |
< 60 В |
|
Порт интерфейсный №2 |
A2+, B2+, GND2 |
< 60 В | |
|
Порт интерфейсный №3 |
A3+, B3+, GND3 |
< 60 В | |
|
Порт интерфейсный №4 |
A4+, B4+, GND4 |
< 60 В | |
|
Порт интерфейсный №5 |
A5+, B5+, GND5 |
< 60 В | |
|
Порт интерфейсный №6 |
A6+, B6+, GND6 |
< 60 В | |
|
Порт интерфейсный №7 |
A7+, B7+, GND7 |
< 60 В | |
|
Порт интерфейсный №8 |
A8+, B8+, GND8 |
< 60 В | |
|
Порт интерфейсный №9 |
A9+, B9+, GND9 |
< 60 В | |
|
Порт интерфейсный №10 |
A10+, B10+, GND10 |
< 60 В | |
|
E2.4 |
Порт интерфейсный №1 |
COM1 (все контакты) |
< 60 В |
|
Порт интерфейсный №2 |
COM2 (все контакты) |
< 60 В | |
|
Порт интерфейсный №3 |
COM3 (все контакты) |
< 60 В | |
|
C1.4 |
Дискретный выход 1 |
Х1:1,Х1:2 |
> 60 В |
|
Дискретный выход 2 |
Х1:3,Х1:4 |
> 60 В | |
|
Дискретный выход 3 |
Х1:5,Х1:6 |
> 60 В | |
|
Дискретный выход 4 |
Х1:7,Х1:8 |
> 60 В | |
|
Дискретный выход 5 |
Х1:9,Х1:10 |
> 60 В | |
|
Дискретный выход 6 |
Х1:11,Х1:12 |
> 60 В | |
|
Дискретный выход 7 |
Х2:1,Х2:2 |
> 60 В | |
|
Дискретный выход 8 |
Х2:3,Х2:4 |
> 60 В | |
|
Дискретный выход 9 |
Х2:5,Х2:6 |
> 60 В | |
|
Дискретный выход 10 |
Х2:7,Х2:8 |
> 60 В | |
|
Дискретный выход 11 |
Х2:9,Х2:10 |
> 60 В | |
|
Дискретный выход 12 |
Х2:11,Х2:12 |
> 60 В | |
|
C3.4 |
Канал управления 1 |
X1:1 - X1:4 |
> 60 В |
|
Канал управления 2 |
X2:1 - X2:4 |
> 60 В | |
|
Канал управления 3 |
X3:1 - X3:4 |
> 60 В | |
|
D1.4 |
Дискретные входы 1 - 10 |
X1:1 - X1:11 |
< 60 В |
|
Дискретные входы 11 - 20 |
X2:1 - X2:11 |
< 60 В |
|
Обозначение модуля |
Группа зависимых цепей |
Объединяемые контакты |
Номинальное напряжение цепи |
|
D2.4, D3.4 |
Дискретные входы 1 - 8 |
X1:1 - X1:9 |
> 60 В |
|
Дискретные входы 9 - 18 |
X2:1 - X2:9 |
> 60 В | |
|
F1.4 |
Дискретные входы 1 - 4 |
X2:1 - X2:5 |
< 60 В |
|
Дискретные входы 5 - 8 |
X2:6 - X2:10 |
< 60 В | |
|
Дискретные входы 9 - 12 |
X2:11 - X2:15 |
< 60 В | |
|
F2.4 |
Дискретные входы 1 - 4 |
X2:1 - X2:5 |
> 60 В |
|
Дискретные входы 5 - 8 |
X2:6 - X2:10 |
> 60 В | |
|
Дискретные входы 9 - 12 |
X2:11 - X2:15 |
> 60 В | |
|
F1.4, F2.4 |
Дискретный выход 1 |
Х1:1, X1:2 |
> 60 В |
|
Дискретный выход 2 |
Х1:3, X1:4 |
> 60 В | |
|
Дискретный выход 3 |
Х1:5, X1:6 |
> 60 В | |
|
Дискретный выход 4 |
Х1:7, X1:8 |
> 60 В | |
|
F3.4, F4.4 |
Дискретный выход 1 |
Х1:1, X1:2 |
> 60 В |
|
Дискретный выход 2 |
Х1:3, X1:4 |
> 60 В | |
|
Дискретный выход 3 |
Х1:5, X1:6 |
> 60 В | |
|
Дискретный выход 4 |
Х2:1, X2:2 |
> 60 В | |
|
Дискретный выход5 |
Х2:3 - X2:5 |
> 60 В | |
|
Дискретный выходб |
Х2:6 - X2:8 |
> 60 В | |
|
Дискретный вход 1 |
Х3:1, X3:2 |
> 60 В | |
|
Дискретный вход 2 |
Х3:3, X3:4 |
> 60 В | |
|
Дискретный вход 3 |
Х3:5, X3:6 |
> 60 В | |
|
Дискретный вход 4 |
Х4:1, X4:2 |
> 60 В | |
|
Дискретный вход 5 |
Х4:3, X4:4 |
> 60 В | |
|
Дискретный вход 6 |
Х4:5, X4:6 |
> 60 В | |
|
G1.4, G2.4 |
Аналоговые входы 1 - 12 |
Х1:1 - X1:8 Х2:1 - X2:8 Х3:1 - X3:8 |
< 60 В |
|
M1.4, M3,4, M4,4 |
Цепь Ia |
Ia*, Ia |
> 60 В |
|
Цепь Ib |
Ib*, Ib |
> 60 В | |
|
Цепь Ic |
Ic*, Ic |
> 60 В | |
|
Цепи Ua, Ub, Uc, Un |
Ua, Ub, Uc, Un |
> 60 В | |
|
P1, P2, Р3, Р4, P5, P8 |
Цепь I1 |
Х1:1, X1:2 |
> 60 В |
|
Цепь I2 |
Х1:3, X1:4 |
> 60 В | |
|
Цепь I3 |
Х1:5, X1:6 |
> 60 В | |
|
Цепь I4 |
Х1:7, X1:8 |
> 60 В | |
|
P1, P2, Р3, Р4, P5, P8, P9 |
Цепь U1 |
U1:1, U1:2 |
> 60 В |
|
Цепь U2 |
U2:1, U2:2 |
> 60 В | |
|
Цепь U3 |
U3:1, U3:2 |
> 60 В | |
|
Цепь U4 |
U4:1, U4:2 |
> 60 В |
Результаты считают положительными, если во время испытаний не было пробоя или перекрытия изоляции. Появление коронного разряда или шума при испытании не является признаком неудовлетворительных результатов испытаний.
-
8.3 Проверка электрического сопротивления изоляции
Проверку электрического сопротивления изоляции проводить в следующей последовательности:
-
- отключить питание терминала;
-
- отсоединить все кабели от терминала;
-
- объединить группы зависимых цепей каждого модуля путем соединения монтажным проводом сечением не менее 0,5 мм2 соответствующих контактов разъемов согласно Таблица 3;
-
- с помощью установки выполнить измерение сопротивления изоляции каждой группы зависимых цепей относительно корпуса при испытательном напряжении постоянного тока 500 В.
Результаты считают удовлетворительными, если измеренное значение электрического сопротивления изоляции не менее 20 МОм.
-
8.4 Опробование
Опробование терминала проводить в следующей последовательности:
-
- подключить терминал к ПЭВМ с помощью патч-корда Ethernet;
-
- подать напряжение питания на модуль источника питания терминала, в случае проверки терминала с двумя модулями источника питания, проверку выполнить последовательно с начала для одного затем для второго модуля;
-
- проверить работоспособность терминала.
Результаты считают положительными, если выполняются следующие условия:
-
- светодиод «Power» модуля источника питания горит зеленым;
-
- светодиод «Work» на модуле центрального процессора и светодиод «В работе» на ИЧМ горит зеленым цветом;
-
- светодиод «Alarm» на модуле центрального процессора и светодиод «Неисправность» на ИЧМ не горят;
-
- в разделе меню «Система/Конфликты» записи отсутствуют;
-
- индикаторы «STAT» и «LINK» на дополнительных модулях горят зеленым.
-
8.5 Подтверждение соответствия программного обеспечения
Подтверждение соответствия программного обеспечения проводить в следующей последовательности:
-
- подключить терминал к ПЭВМ с помощью патч-корда Ethernet;
-
- подать напряжение питания на модуль источника питания терминала, в случае проверки терминала с двумя модулями источника питания, напряжение подать на оба модуля;
-
- запустить web-браузер, открытьweb-конфигуратор в соответствии методикой, описанной в инструкцииПБКМ.421451.301 ИС;
-
- в меню «Система/Метрология» считать данные о встроенном программном обеспечениипроцессорного модуля и измерительных модулей, входящих в состав терминала, нажав кнопку «Сверить контрольные суммы». При этом сравниваются следующие параметры: идентификационные наименования, номера версий и цифровые идентификаторы.
Результаты считают положительным, если идентификационное наименование, контрольные суммы и номер версии встроенного программного обеспечения соответствуют данным, приведенным в описании типа и эксплуатационной документации.
-
8.6 Определение метрологических характеристик
Расчет погрешности метрологических параметров терминала проводить по следующим формулам.
Основную абсолютную погрешность измерений Д определяют по формуле:
Д = Ах - A0 (1)
где Ax - значение параметра, измеренное терминалом;
А0 - значение параметра, измеренное при помощи эталонного средства измерений.
Основную относительную погрешность измерений 6, %, определяют по формуле:
8 = A- A 400o/o Aoгде Ax - значение параметра, измеренное терминалом;
A0 - значение параметра, измеренное при помощи эталонного средства измерений.
Основную приведенную погрешность измерений у, %, определяют по формуле:

(3)
где Ax - значение параметра, измеренное терминалом;
A0 - значение параметра, измеренное при помощи эталонного средства измерений; Ан - нормирующее значение измеряемого параметра.
-
8.6.1 Определение метрологических характеристик собственных часов терминалов
-
8.6.1.1 Определение поправки часов (с коррекцией по источнику точного времени
ГЛОНАСС/GPS или NTP с использованием PPS-сигнала)
Определение поправки часов проводить для одного из видов конфигурации системы синхронизации:
-
- синхронизация по сигналам встроенного на процессорном модуле приемника сигналов ГЛОНАСС/GPS. Схема подключения при синхронизации от встроенного приемника ГЛОНАСС/GPS приведена на рисунке 1;
-
- синхронизация по сигналам от NTP-сервера. Схема подключения при синхронизации от NTP-сервера приведена на рисунке 2;
-
- синхронизация по сигналам от внешнего источника точного времени ГЛОНАСС/GPS. Схема подключения при синхронизации от внешнего приемника ГЛОНАСС/GPS приведена на рисунке 3.
Внешний источник точного времени должен либо сам иметь источник сигналов PPS,
либо необходимо дополнительно подключить к поверяемому терминалу внешний источник PPS-сигнала.
-
8.6.1.1.1 Синхронизация по сигналам от встроенного приемника ГЛОНАСС/GPS Определение поправки собственных часов выполнить в следующей
последовательности:
-
- подключить ГЛОНАСС/GPS-антенну к разъему GPS процессорного модуля «Вх» в соответствии со схемой приведенной на рисунке 1;
-
- в главном меню web-конфигуратора терминала открыть пункт меню «Система/Дата и время», в открывшемся окне перейти на вкладку «Параметры» и проверить установленные символы выбора в чек боксах «Использовать внутренний GPS» и «Использовать PPS внутреннего GPS»;
-
- перейти на вкладку «Состояние», где проверить доступность настроенных источников точного времени по колонке таблицы «Доступен»;
-
- выдержать терминал во включенном состоянии не менее часа;
-
- в строке «Выберите порт» из выпадающего меню выбрать последовательный порт
COM2, к которому подключены радиочасы в соответствии со схемой приведенной на рисунке 1;
-
- при наличии в составе терминала двух процессорных модулей, второй перевести в режим «Сервис» (выбрать пункт меню «Сервис» подпункт «Сервис»);
-
- нажать на кнопку «Начать процедуру поверки», будет проведена проверка корректности конфигурации системы синхронизации собственных часов и, при необходимости, предложено автоматически произвести необходимые изменения и перезагрузить терминал;
-
- для продолжения нажать кнопку «Да», дождаться обновления конфигурации и перезагрузки терминала;
-
- после выполнения перезагрузки возвратиться на страницу «Система / Метрология»;
-
- повторно нажать на кнопку «Начать процедуру поверки», будет проведена проверка факта синхронизации часов терминала от указанного в конфигурации источника точного времени. В случае если точное время не доступно, будет выдано соответствующее сообщение.
-
- для продолжения нажать на кнопку «Нет» и раз в пять минут проверять наличие синхронизации, нажимая на кнопку «Начать процедуру поверки»;
-
- после синхронизации часов выполнить процедурупроверки, по окончании которой из ретроархива терминала на экран выводится «Таблица результатов» со значениями поправки часов в моменты фиксации PPS-импульсов от радиочасов МИР РЧ-02 (состояние «1»).
За оценку поправки принимают максимальное отклонение Дп, приведенное под таблицей.
Результаты считают положительными, если полученные значения погрешности не превышают значений, указанных в описании типа на терминал ARIS-23xx.
Антенна GPS/ГЛОНАСС

LAN
|
Ethe |
srnet |
LAN
I
m
I LO 00 со (Г
О О
I СО CL CL
> О
I со CL CL
+ LO 00
со (Г
I СО CL CL
I LO 00
со (Г
I СО CL CL
I
от CL 0
ПК
Рисунок 1 - Схема подключения при синхронизации от встроенного приемника ГЛОНАСС/GPS
-
8.6.1.1.2 Синхронизация по сигналам от NTP-сервера
Определение поправки собственных часов выполнить в следующей последовательности:
-
- подключить NTP - сервер через Ethernet к разъему процессорного модуля «Вх», подключить внешний источник PPS-сигнала в соответствии со схемой, приведенной на рисунке 2;
-
- в главном меню web-конфигуратора терминала открыть пункт меню «Система/Дата и время», в открывшемся окне перейти на вкладку «Параметры» и проверить установленные параметры настройки синхронизации:
-
a) в перечне «Список используемых NTP серверов» настроены адреса используемого NTP-серверов;
-
b) установлен символ выбора в чекбоксе «Использовать внешний PPS»;
-
- перейти на вкладку «Состояние», где проверить доступность настроенных источников точного времени по колонке таблицы «Доступен»;
-
- выдержать терминал во включенном состоянии не менее часа;
-
- в строке «Выберите порт» из выпадающего меню выбрать последовательный порт COM2, к которому подключены радиочасы в соответствии со схемой, приведенной на рисунке 2;
-
- при наличии в составе терминала двух процессорных модулей, второй перевести в режим «Сервис» (выбрать пункт меню «Сервис» подпункт «Сервис»);
-
- нажать на кнопку «Начать процедуру поверки», будет проведена проверка корректности конфигурации системы синхронизации собственных часов и, при необходимости, предложено автоматически произвести необходимые изменения и перезагрузить терминал;
-
- для продолжения нажать кнопку «Да», дождаться обновления конфигурации и перезагрузки терминала;
-
- после выполнения перезагрузки возвратиться на страницу «Система / Метрология»;
-
- повторно нажать на кнопку «Начать процедуру поверки», будет проведена проверка факта синхронизации часов терминала от указанного в конфигурации источника точного времени. В случае если точное время не доступно, будет выдано соответствующее сообщение.
-
- для продолжения нажать на кнопку «Нет» и раз в пять минут проверять наличие синхронизации, нажимая на кнопку «Начать процедуру поверки»;
-
- после синхронизации часов выполнить процедурупроверки, по окончании которой из ретроархива терминала на экран выводится «Таблица результатов» со значениями поправки часов в моменты фиксации PPS-импульсов от радиочасов МИР РЧ-02 (состояние «1»).
За оценку поправки принимают максимальное отклонение Дп, приведенное под таблицей.
Результаты считают положительными, если полученные значения погрешности не превышают значений, указанных в описании типа на терминал ARIS-23xx.
Рисунок 2 - Схема подключения при синхронизации от NTP-сервера
-
8.6.1.1.3 Синхронизация по сигналам от внешнего источника ГЛОНАСС/GPS Определение поправки собственных часов выполнить в следующей последовательности:
-
- подключить внешний приемник ГЛОНАСС/GPS через последовательный порт, подключить внешний источник PPS-сигнала к разъему процессорного модуля «Вх» в соответствии со схемой, приведенной на рисунке 3;
-
- в главном меню web-конфигуратора терминала открыть пункт меню «Система/Дата и время», в открывшемся окне перейти на вкладку «Параметры» и проверить установленные параметры настройки синхронизации:
-
a) установлен символ выбора в чекбоксе «Использовать внешний GPS» и настроены номер порта и параметры обмена по последовательному каналу;
-
b) установлен символ выбора в чекбоксе «Использовать внешний PPS»;
-
- перейти на вкладку «Состояние», где проверить доступность настроенных источников точного времени по колонке таблицы «Доступен»;
-
- выдержать терминал во включенном состоянии не менее часа;
-
- в строке «Выберите порт» из выпадающего меню выбрать последовательный порт COM2, к которому подключены радиочасы в соответствии со схемой, приведенной на рисунке 3;
-
- при наличии в составе терминала двух процессорных модулей, второй перевести в режим «Сервис» (выбрать пункт меню «Сервис» подпункт «Сервис»);
-
- нажать на кнопку «Начать процедуру поверки», будет проведена проверка корректности конфигурации системы синхронизации собственных часов и, при необходимости, предложено автоматически произвести необходимые изменения и перезагрузить терминал;
-
- для продолжения нажать кнопку «Да», дождаться обновления конфигурации и перезагрузки терминала;
-
- после выполнения перезагрузки возвратиться на страницу «Система / Метрология»;
-
- повторно нажать на кнопку «Начать процедуру поверки», будет проведена проверка факта синхронизации часов терминала от указанного в конфигурации источника точного времени. В случае если точное время не доступно, будет выдано соответствующее сообщение.
-
- для продолжения нажать на кнопку «Нет» и раз в пять минут проверять наличие синхронизации, нажимая на кнопку «Начать процедуру поверки»;
-
- после синхронизации часов выполнить процедуру проверки, по окончании которой из ретро архива терминала на экран выводится «Таблица результатов» со значениями поправки часов в моменты фиксации PPS-импульсов от радиочасов МИР РЧ-02 (состояние «1»).
За оценку поправки принимают максимальное отклонение Дп, приведенное под таблицей.
Результаты считают положительными, если полученные значения погрешности не превышают значений, указанных в описании типа на терминал ARIS-23xx.
ARIS-23xx/Bx
Ethernet
LAN
ПК
LAN

|
L ( C t |
4 j 0 t |
RS485 B1- |
00 Sdd |
AO Sdd |
PPS RS485+ |
PPS RS485- |
|
< |
I |
• |
• |
• |
• |
• |
|
NM |
EA |
NMEA | ||||
|
J |
• |
• |
• | |||
|
4- |
CD 1 |
PPS |
TTL | |||
LO
00
co
Ct
LO
00
co
Ct
i
^OHacc\GPS приемник
МИР-РЧ 02
Рисунок 3 - Схема подключения при синхронизации от внешнего приемника ГЛОНАСС/GPS
-
8.6.1.2 Определение поправки часов с коррекцией по источнику точного времени PTP
При определении поправки в качестве эталонного источника синхронизации используется устройство выдачи сигналов точного времени PTP в соответствии с IEEE 1588 v.2.
В качестве эталонного сигнала используется PPS-сигнал от радиочасов МИР РЧ-02.
Эталонный PPS-сигнал от радиочасов МИР РЧ-02 подают на порт COM2 (RS-485) модуля процессорного ARIS-23xx.
Схема подключения приведена на рисунке 4.
ARIS-23xx/Bx
|
LAN |
RS485_A1+ |
RS485_B1- |
00 Sdd |
AO Sdd |
PPS_RS485+ |
PPS_RS485- |
RS485_A2+ |
RS485_B2- |
DI+ | |
|
Q | ||||||||||
|
• |
• |
• |
• |
• |
• |
• |
• |
• |
• |
IEEE 1588 v.2
IEEE 1588 v.2
LAN
Сервер точного времени IEEE 1588 v.2 PTP
МИР-РЧ 02
Определение поправки часов выполнить в следующей последовательности:
-
- подключить кабель связи Ethernet к разъему Ethernet терминала, другой конец кабеля соединить с ПК (сетевое соединение ПК должно быть в одной подсети с ARIS-23xx, т.е. терминал должен быть доступен с ПК);
-
- подключить источник синхронизации к ARIS-23xx в соответствии со схемой, приведенной на рисунке 4;
-
- подключить радиочасы МИР РЧ-02, согласно руководству по эксплуатации в соответствии со схемой, приведенной на рисунке 4;
-
- подать питание на радиочасы МИР РЧ-02;
-
- подать питание на ARIS-23xx, дождаться загрузки терминала;
-
- в адресной строке web-браузера ввести1Р-адрес терминала. В появившемся окне аутентификации ввести имя пользователя и пароль;
-
- на странице конфигуратора «Система / Дата и время» проверить параметры настройки системы синхронизации (система синхронизации ARIS-23xx должна быть настроена на прием отсчета времени по протоколу PTP);
-
- проконтролировать доступность настроенных источников синхронизации;
-
- перейти на страницу конфигуратора «Система / Метрология» (откроется диалоговая форма поверки);
-
- нажать на кнопку «Начать процедуру поверки» (будет проведена проверка корректности конфигурации и, при необходимости, предложено автоматически произвести изменения и перезагрузить терминал и для продолжения нажать кнопку «Да», дождаться обновления конфигурации и перезагрузки ARIS-23xx);
-
- при необходимости вернуться на страницу «Система / Метрология»;
-
- повторно нажать на кнопку «Начать процедуру поверки». Будет проведена проверка синхронизации часов ARIS-23xx от указанного в конфигурации источника точного времени. В случае если точное время не доступно, будет выдано соответствующее сообщение (для продолжения нажать на кнопку «Нет» и раз в пять минут проверять наличие синхронизации, нажимая на кнопку «Начать процедуру поверки»);
-
- после синхронизации часов выполнить процедуру проверки, по окончании которой формируется таблица с результатами фиксации эталонных PPS-импульсов от радиочасов МИР РЧ-02 (в таблице фиксируется момент перехода дискретного сигнала в состояние «Включено» (состояние «1»));
-
- затем в течение 10 c будет отображаться факт приема меток времени GPZDA от радиочасов МИР РЧ-02, принятых по линии RS-485;
-
- проконтролировать совпадение меток времени с точностью до целых секунд в таблице «Прием меток времени GPZDA от часов МИР РЧ-02».
Выполнить расчет поправки собственных часов Ati, c, при фиксации трех событий перехода сигнала PPS из состояния «0» в состояние «1» по формуле (3).
Результаты считают положительными, если погрешность, рассчитанная для каждого события фиксации «1» (Ati) не превышает значений, указанных в описании типа на терминал ARIS-23xx.
-
8.6.1.3 Определение хода встроенных часов
Определение хода собственных часов проводить на интервале времени два часа.
Процедура определения хода собственных часов является продолжением процедуры определения поправки собственных часов и выполняется в следующем порядке:
-
- в зависимости от конфигурации отключить ГЛОНАСС/GPS - антенну или внешний источник точного времени от терминала;
-
- дождаться сообщения об отключении ГЛОНАСС/GPS - антенны (не более пяти минут) или в главном меню конфигуратора открыть пункт «Система/Дата и время» вкладку «Состояние», проверить недоступность настроенных источников синхронизации;
-
- через два часа после отключения антенны нажать кнопку «Продолжить процедуру поверки» на странице конфигуратора «Метрология»; выполнить процедурупроверки, по окончании которой из ретроархива терминала на экран выводится «Таблица результатов» со значениями хода собственных часов за два часа.
За оценку хода на интервале времени два часа принимают максимальное отклонение Axt, приведенное под таблицей.
Ход собственных часов Ax, с/сутки рассчитывают по формуле:
Ax = Axt
(4)
где taw - интервал времени равный двум часам.
Результаты считают положительными, если полученные значения погрешности не превышают значений, указанных в описании типа на терминал ARIS-23xx.
-
8.6.2 Определение метрологических характеристик при измерении унифицированных сигналов с помощью модулей G1 и G2
8.6.2.1 Определение приведенной (к диапазону измерений) погрешности измерений силы постоянного тока
силы постоянного тока выполнить
Определение приведенной погрешности измерений
в следующей последовательности:
Калибратор
выход ф -20 +20 мА •
ARIS-23xx
|
Модуль G1 | ||
|
X1 | ||
|
• |
1 (IN1+) | |
|
• |
2 (IN1-) | |
|
3 (IN2+) | ||
|
4 (IN2-) | ||
|
• |
5 (IN3+) | |
|
• |
6 (IN3-) | |
|
• |
7 (IN4+) | |
|
• |
8 (IN4-) | |
|
X2 | ||
|
• |
1 (IN5+) | |
|
• |
2 (IN5-) | |
|
• |
3 (IN6+) | |
|
• |
4 (IN6-) | |
|
• |
5 (IN7+) | |
|
• |
6 (IN7-) | |
|
• |
7 (IN8+) | |
|
• |
8 (IN8-) | |
|
X3 | ||
|
• |
1 (IN9+) | |
|
• |
2 (IN9-) | |
|
• |
3 (IN10+) | |
|
• |
4 (IN10-) | |
|
• |
5 (IN11+) | |
|
• |
6 (IN11-) | |
|
• |
7 (IN12+) | |
|
• |
8 (IN12-) | |
|
Модуль Bx LAN | |||
|
-Ethernet— | |||
ПЭВМ
LAN

|
Модуль A2 |
Источник питания | |||
|
L (+) |
• |
• | ||
|
N (-) |
• |
• 220В AC/DC | ||
|
• |
• | |||
Модуль A1
I
I
I
+ 24 V>
- 24V •
-
- кабель связи интерфейса Ethernet подключить к разъему Ethernet ARIS-23xx, другой конец кабеля подключить к ПЭВМ, сетевое соединение ПЭВМ должно быть в одной подсети с ARIS-23xx, т.е. <IP-адрес ARIS-23xx > должен быть доступен с ПЭВМ в соответствии со схемой, приведенной на рисунке 5;
-
- подать питание на ARIS-23xx, дождаться загрузки ПО;
-
- в адресной строке web-браузера ввести: http://<IP-адрес ARIS-23xx >. В появившемся окне аутентификации ввести имя пользователя и пароль;
-
- перейти в меню «Система / Настройка модулей»;
-
- выбрать пункт контекстного меню «Поверка» из выпадающего меню, расположенного в конце строки напротив соответствующего модуля;
-
- на токовые входы модуля от калибратора универсального 9100 (далее по тексту -калибратор) последовательно подать испытательные сигналы соответствующей величины согласно таблице 4;
-
- для каждого канала в соответствующей диалоговой форме web-конфигуратора (см. ПБКМ.421451.301ИС) будут отображены результаты измерений и приведенные (к диапазону измерений) погрешности у, %, вычисленные по формуле (3).
Проверку токовых входов проводить для каждого аналогового модуля типа G1 установленного в терминал.
Результаты считают положительными, если полученные значения приведенной погрешности измерений не превышают значений, указанных в описании типа на терминал ARIS-23xx.
Таблица 4 - Испытательные сигналы для определения приведенной погрешности измерения силы постоянного тока
|
Номер точки |
Диапазон силы постоянного тока, мА |
Значение входного сигнала силы постоянного тока, мА |
|
1 |
+0,250 | |
|
2 |
+1,000 | |
|
3 |
от 0 до +5 |
+2,000 |
|
4 |
+3,000 | |
|
5 |
+4,000 | |
|
6 |
+4,750 | |
|
7 |
-4,500 | |
|
8 |
-3,000 | |
|
9 |
от -5 до +5 |
-1,000 |
|
10 |
+1,000 | |
|
11 |
+3,000 | |
|
12 |
+4,500 | |
|
13 |
+4,800 | |
|
14 |
+7,200 | |
|
15 |
от +4 до +20 |
+10,400 |
|
16 |
+13,600 | |
|
17 |
+16,800 | |
|
18 |
+19,200 | |
|
19 |
-19,200 | |
|
20 |
-13,600 | |
|
21 |
от -20 до +20 |
-4,800 |
|
22 |
+4,800 | |
|
23 |
+13,600 | |
|
24 |
+19,200 |
-
8.6.2.2 Определение приведенной (к диапазону измерений) погрешности измерений напряжения постоянного тока
Определение приведенной (к диапазону измерений) погрешности измерений напряжения постоянного тока выполнить в следующей последовательности:
-
- кабель связи интерфейса Ethernet подключить к разъему Ethernet ARIS-23xx, другой конец кабеля подключить к ПЭВМ, сетевое соединение ПЭВМ должно быть в одной подсети с ARIS-23xx, т.е. 'IP-адрес ARIS-23xx > должен быть доступен с ПЭВМ. Подключение осуществляется в соответствии со схемой, приведенной на рисунке 6;
-
- подать питание на ARIS-23xx, дождаться загрузки ПО;
-
- в адресной строке web-браузера ввести: http://<IP-адрес ARIS-23xx >. В появившемся окне аутентификации ввести имя пользователя и пароль;
-
- перейти в меню «Система / Настройка модулей»;
-
- на входы измерения напряжения модуля с калибратора последовательно подать испытательные сигналы соответствующей величины приведенные в таблице 5;
-
- для каждого канала в соответствующей диалоговой форме web-конфигуратора (см. ПБКМ. 421451.301 ИС РЭ) будут отображены результат измерений и приведенная (к диапазону измерений) погрешность у, %, вычисленная по формуле (3).
Проверку входов измерения напряжения проводить для каждого аналогового модуля типа G2 установленного в терминал.
Результаты считают положительными, если полученные значения приведенной погрешности измерений не превышают значений, указанных в описании типа на терминал ARIS-23xx.
выход ф. -10 +10 В •
-
I 1__
I___
|
Модуль G2 | ||
|
X1 | ||
|
-• |
1 (IN1+) | |
|
-• |
2 (IN1-) | |
|
3 (IN2+) | ||
|
4 (IN2-) | ||
|
• |
5 (IN3+) | |
|
• |
6 (IN3-) | |
|
• |
7 (IN4+) | |
|
• |
8 (IN4-) | |
|
X2 | ||
|
• |
1 (IN5+) | |
|
• |
2 (IN5-) | |
|
• |
3 (IN6+) | |
|
• |
4 (IN6-) | |
|
• |
5 (IN7+) | |
|
• |
6 (IN7-) | |
|
• |
7 (IN8+) | |
|
• |
8 (IN8-) | |
|
X3 | ||
|
• |
1 (IN9+) | |
|
• |
2 (IN9-) | |
|
• |
3 (IN10+) | |
|
• |
4 (IN10-) | |
|
• |
5 (IN11+) | |
|
• |
6 (IN11-) | |
|
• |
7 (IN12+) | |
|
• |
8 (IN12-) | |
Модуль A1
I
I
I
|
Модуль Bx | ||
|
LAN | ||
Ethernet-
LAN

|
Модуль A2 |
Источник питания | |||
|
L (+) |
• |
• | ||
|
N (-) |
• |
-• 220В AC/DC | ||
|
“ф" |
• |
• | ||
+ 24V<
- 24V •
Таблица 5 - Испытательные сигналы для определения приведенной погрешности измерения постоянного напряжения
|
Номер точки |
Диапазон напряжения постоянного тока, В |
Значение входного сигнала напряжения постоянного тока, В |
|
1 |
от 0 до +1 |
+0,050 |
|
2 |
+0,200 | |
|
3 |
+0,400 | |
|
4 |
+0,600 | |
|
5 |
+0,800 | |
|
6 |
+0,950 | |
|
7 |
от 0 до +5 |
+0,250 |
|
8 |
+1,000 | |
|
9 |
+2,000 | |
|
10 |
+3,000 | |
|
11 |
+4,000 | |
|
12 |
+5,000 | |
|
13 |
от 0 до +10 |
+0,500 |
|
14 |
+2,000 | |
|
15 |
+4,000 | |
|
16 |
+6,000 | |
|
17 |
+8,0000 | |
|
18 |
+9,500 | |
|
19 |
от -10 до +10 |
-9,000 |
|
20 |
-6,000 | |
|
21 |
-2,000 | |
|
22 |
+2,000 | |
|
23 |
+6,000 | |
|
24 |
+9,000 |
-
8.6.3 Определение метрологических характеристик при измерении параметров переменного тока и измерении показателей качества электрической энергии с помощью модулей М1 (с опцией QS).
8.6.3.1 Перед проверкой необходимо провести предварительную настройку модулей в следующем порядке:
-
- открыть веб-конфигуратор, открыть меню «Система/Настройка модулей», выбрать необходимый измерительный модуль типа М1. Если модуль данного типа отсутствует перейти к следующему разделу поверки 8.6.4;
-
- в меню настройки модуля снять знак выбора в ячейке «Пересчитывать параметры в первичные значения»;
-
- для номинального значения напряжения переменного тока 220 В из выпадающего меню «Напряжение вторичной цепи» выбирать значение 220 В, поле «Номинальное напряжение» установить значение 220 В;
-
- для номинального значения напряжения переменного тока 57,7 В из выпадающего меню «Напряжение вторичной цепи» выбирать значение 100/^3 В, в поле «Номинальное напряжение» установить значение 57,7 В;
-
- для номинального значения силы переменного тока 5 А из выпадающего меню «Ток вторичной цепи» выбирать значение 5 А;
-
- для номинального значения силы переменного тока 1 А из выпадающего меню «Ток вторичной цепи» выбирать значение 1 А;
-
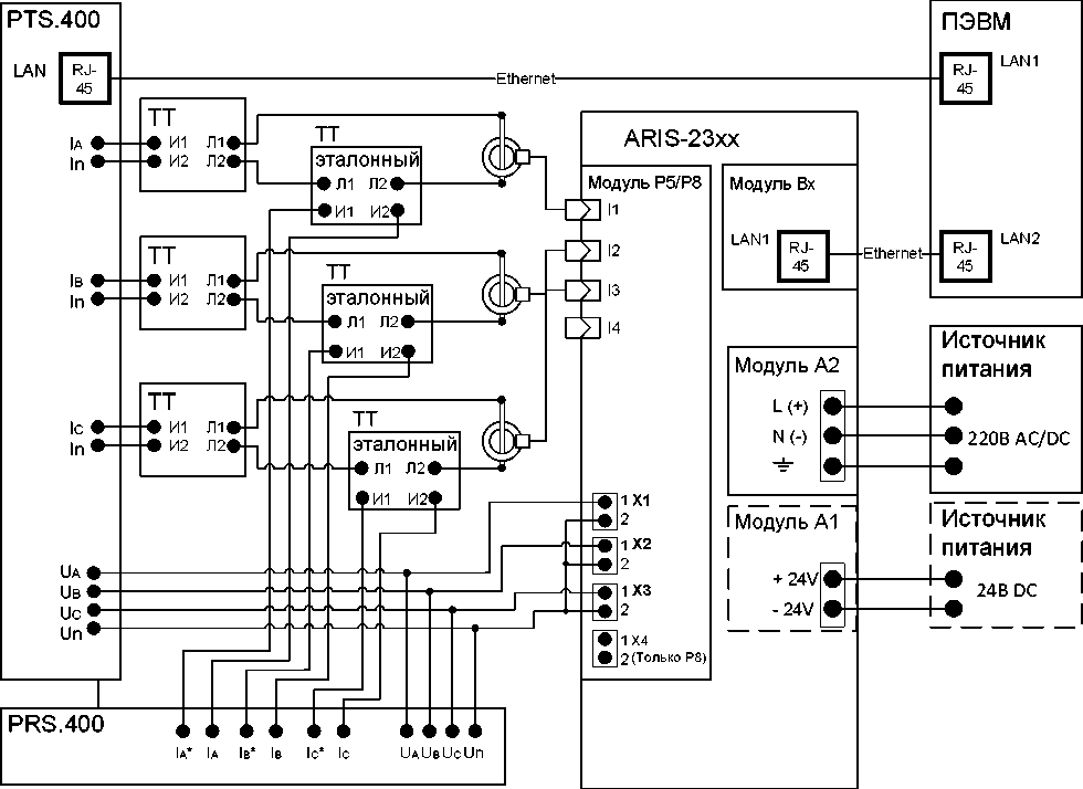
- подключить калибратор переменного тока Ресурс-К2М (далее - Ресурс-К2М, калибратор) к модулю M1 в соответствии со схемой, приведенной на рисунке 7;
-
- кабель связи интерфейса Ethernet подключить к разъему Ethernet ARIS-23xx, другой конец кабеля подключить к ПЭВМ, сетевое соединение ПЭВМ должно быть в одной подсети с ARIS-23xx, т.е. <1Р-адрес ARIS-23xx >должен быть доступен с ПЭВМ в соответствии со схемой, приведенной на рисунке 7;
- подать питание на ARIS-23xx, дождаться загрузки ПО.
Рисунок 7 - Схема подключений терминала для проверки модуля M1
-
8.6.3.2 Определение абсолютной погрешности измерений частоты переменного тока провести в следующей последовательности:
-
- на измерительные входы модуля с Ресурс-К2М последовательно подать испытательные сигналы соответствующей величины в соответствии с таблицей 6;
-
- рассчитать значения абсолютной погрешности измерений частоты переменного тока для всех величин частоты по формуле (1).
Испытания провести последовательно для двух номинальных значений:
-
— 1ном= 5 А при ином= 220 В;
-
— 1ном= 1 А при ином= 57,7 В.
Результаты считают положительными, если полученные значения погрешности не превышают значений, указанных в описании типа на терминал ARIS-23xx.
Таблица 6 - Испытательные сигналы для определения абсолютной погрешности измерения частоты
|
№2 |
Значение напряжения переменного тока, % от ином |
Значение силы переменного тока, % от 1ном |
Частота переменного тока, Гц | ||||
|
Uh |
Ub |
Uc |
1а |
Ib |
Ic | ||
|
1 2
5 |
100 |
100 |
42,504 | ||||
|
49,505 | |||||||
|
50,100 | |||||||
|
50,996 | |||||||
|
57,492 | |||||||
-
8.6.3.3 Определение приведенной погрешности измерений среднеквадратического значения фазного и междуфазного переменного напряжения, а также их средних значений проводят в следующей последовательности:
-
- на измерительные входы модуля с Ресурс-К2М последовательно подать испытательные сигналы соответствующей величины в соответствии с таблицей 7;
-
- рассчитать значения приведенной погрешности среднеквадратического значения фазного и междуфазного переменного напряжения (в том числе средних значений напряжений) по всем проверяемым точкам в соответствии с формулой (3). В качестве нормирующего значения Ан принимать номинальное значение напряжения ином.
Испытания провести последовательно для двух номинальных значений:
-
— ином= 220 В при 1ном= 5 А;
-
— ином= 57,7 В при /цо\|= 1 А.
Результаты считают положительными, если полученные значения погрешности не превышают значений, указанных в описании типа на терминал ARIS-23xx.
Таблица 7 - Испытательные сигналы для определения приведенной погрешности измерений среднеквадратического значения фазного и междуфазного переменного напряжения, а также их средних значений
|
№ |
Значение напряжения переменного тока, % от ином |
Угол фазового сдвига между фазными напряжениями, ° |
Угол фазового сдвига между током и напряжением, ° | |||
|
Ua |
Ub |
Uc |
фаЬ |
фас | ||
|
1 |
5 |
5 |
5 |
120 |
-120 |
0 |
|
2 |
20 |
20 |
20 | |||
|
3 |
50 |
50 |
50 | |||
|
4 |
80 |
80 |
80 | |||
|
5 |
100 |
100 |
100 | |||
|
6 |
150 |
150 |
150 | |||
-
8.6.3.4 Определение приведенной погрешности измерений среднеквадратического значения силы переменного тока (в том числе среднего значения) проводят в следующей последовательности:
-
— на измерительные входы модуля с Ресурс-К2М последовательно подать испытательные сигналы соответствующей величины в соответствии с таблицей 8;
-
— рассчитать значения приведенной погрешности измерений среднеквадратического значения силы переменного тока (в том числе среднего значения) по всем проверяемым точкам в соответствии с формулой (3). В качестве нормирующего значения Ан принять значение силы тока равное1ном.
Испытания провести последовательно для двух номинальных значений:
-
— 1ном= 5 А при ином= 220 В;
-
— 1ном= 1 А при ином= 57,7 В.
Результаты считают положительными, если полученные значения погрешности не превышают значений, указанных в описании типа на терминал ARIS-23xx.
Таблица 8 - Испытательные сигналы для определения приведенной погрешности измерения силы переменного тока
|
№ |
Значение напряжения переменного тока, % от ином |
Значение силы переменного тока, % от 1ном |
Угол фазового сдвига между током и напряжением, ° | ||||
|
Uh |
Ub |
Uc |
1а |
Ib |
Ic | ||
|
1 2 3 4
7 |
100 |
1 |
1 |
1 |
0 | ||
|
20 |
20 |
20 | |||||
|
50 |
50 |
50 | |||||
|
80 |
80 |
80 | |||||
|
100 |
100 |
100 | |||||
|
120 |
120 |
120 | |||||
|
150 |
150 |
150 | |||||
-
8.6.3.5 Определение приведенной погрешности измерений среднеквадратического значения напряжения (фазного и междуфазного) прямой, обратной и нулевой последовательности, а также определение приведенной погрешности измерений среднеквадратического значения силы переменного тока прямой, обратной и нулевой последовательности провести в следующей последовательности:
-
- на измерительные входы модуля с калибратора последовательно подать испытательные сигналы соответствующей величины в соответствии с таблицей 9;
-
- рассчитать значения приведенной погрешности измерений среднеквадратического значения напряжения (фазного и междуфазного) переменного тока прямой, обратной и нулевой последовательности, а также приведенной погрешности измерений среднеквадратического значения силы переменного тока прямой, обратной и нулевой последовательности по всем проверяемым точкам в соответствии с формулой (3). Для значений напряжения в качестве нормирующего значения Ан принимается номинальное значение напряжения ином. Для значений силы тока в качестве нормирующего значения Ан принимается значение силы тока равное 1ном.
Испытания провести последовательно для двух номинальных значений:
-
— 1ном= 5 А при ином= 220 В;
-
— 1ном= 1 А при ином= 57,7 В.
Результаты считают положительными, если полученные значения погрешности не превышают значений, указанных в описании типа на терминал ARIS-23xx.
Таблица 9 - Испытательные сигналы для определения приведенной погрешности измерения симметричных составляющих тока и напряжения
|
№ |
Значение напряжения переменного тока, % от ином |
Значение силы переменного тока, % от 1ном |
Значение напряжения переменного тока, % от ином |
Значение силы переменного тока, % от 1ном |
Угол фазового сдвига между фазными напряжениями, ° | |||||||||
|
Ua |
Ub |
Uc |
Ia |
Ib |
Ic |
U1 |
U2 |
U0 |
I1 |
I2 |
I0 |
фаЬ |
фас | |
|
1 |
100 |
100 |
100 |
100 |
100 |
100 |
100 |
0 |
0 |
100 |
0 |
0 |
-120 |
120 |
|
2 |
50 |
100 |
100 |
50 |
100 |
100 |
83.33 |
16.67 |
16.67 |
83.33 |
16.67 |
16.67 | ||
|
3 |
100 |
50 |
100 |
100 |
50 |
100 |
83.33 |
16.67 |
16.67 |
83.33 |
16.67 |
16.67 | ||
|
4 |
100 |
100 |
50 |
100 |
100 |
50 |
83.33 |
16.67 |
16.67 |
83.33 |
16.67 |
16.67 | ||
|
№ |
Значение напряжения переменного тока, % от ином |
Значение силы переменного тока, % от 1ном |
Значение напряжения переменного тока, % от ином |
Значение силы переменного тока, % от Тном |
Угол фазового сдвига между фазными напряжениями, ° | |||||||||
|
Uh |
Ub |
Uc |
1а |
Ib |
Ic |
и1 |
U2 |
и0 |
I1 |
I2 |
I0 |
фаЬ |
фас | |
|
5 |
0 |
100 |
100 |
0 |
100 |
100 |
66.67 |
33.33 |
33.33 |
66.67 |
33.33 |
33.33 | ||
|
6 |
100 |
0 |
100 |
100 |
0 |
100 |
66.67 |
33.33 |
33.33 |
66.67 |
33.33 |
33.33 | ||
|
7 |
100 |
100 |
0 |
100 |
100 |
0 |
66.67 |
33.33 |
33.33 |
66.67 |
33.33 |
33.33 | ||
|
8 |
100 |
100 |
100 |
100 |
100 |
100 |
57.74 |
57.74 |
57.74 |
57.74 |
57.74 |
57.74 |
120 |
120 |
|
9 |
100 |
100 |
100 |
100 |
100 |
100 |
0 |
0 |
100 |
0 |
0 |
100 |
0 |
0 |
Угол фазового сдвига между током и напряжением 0°
-
8.6.3.6 Определение относительной погрешности измерений активной, реактивной, полной фазной (трехфазной) электрической мощности и абсолютной погрешности измерений коэффициента мощности проводят в следующей последовательности:
-
- на измерительные входы модуля с Ресурс-К2М последовательно подать испытательные сигналы соответствующей величины в соответствии с таблицей 10;
-
- рассчитать значения относительной погрешности измерений активной, реактивной и полной фазной (трехфазной) электрической мощности, а также значения абсолютной погрешности коэффициента мощности по всем проверяемым точкам в соответствии с формулами (2) и (1) соответственно.
Испытания провести последовательно для двух номинальных значений:
-
— 1ном= 5 А при ином= 220 В;
-
— 1ном= 1 А при ином= 57,7 В.
Результаты считают положительными, если полученные значения погрешности не превышают значений, указанных в описании типа на терминал ARIS-23xx.
Таблица 10 - Испытательные сигналы для определения относительной погрешности измерения мощности и коэффициента мощности
|
№ |
Значение напряжения переменного тока, % от ином |
Значение силы переменного тока, % от Тном |
Угол фазового сдвига между током и напряжением, ° | ||||
|
иа |
Ub |
Uc |
1а |
Ib |
Ic | ||
|
1 |
100 |
100 |
100 |
0 |
0 |
0 |
0 |
|
2 |
5 |
5 |
5 |
100 | |||
|
3 |
20 |
20 |
20 | ||||
|
4 |
50 |
50 |
50 | ||||
|
5 |
80 |
80 |
80 | ||||
|
6 |
100 |
100 |
100 | ||||
|
7 |
150 |
150 |
150 | ||||
|
8 9 10 11 12 13 |
100 |
5 |
5 |
5 |
0 | ||
|
20 |
20 |
20 | |||||
|
50 |
50 |
50 | |||||
|
80 |
80 |
80 | |||||
|
100 |
100 |
100 | |||||
|
150 |
150 |
150 | |||||
|
150 |
150 |
0 | ||||
|
30 | |||||||
|
№ |
Значение напряжения переменного тока, % от ином |
Значение силы переменного тока, % от 1ном |
Угол фазового сдвига между током и напряжением, ° | ||||
|
Uh |
Ub |
Uc |
1а |
Ib |
Ic | ||
|
16
19 20 |
60 | ||||||
|
90 | |||||||
|
120 | |||||||
|
150 | |||||||
|
180 | |||||||
-
8.6.3.7 Определение абсолютной погрешности измерений угла фазового сдвига между током и напряжением основной гармоники провести в следующей последовательности:
-
- на измерительные входы модуля с Ресурс-К2М последовательно подать испытательные сигналы соответствующей величины в соответствии с таблицей 11;
-
- рассчитать значения абсолютной погрешности измерений угла фазового сдвига между током и напряжением основной гармоники по всем проверяемым точкам в соответствии с формулой (1).
Испытания провести последовательно для двух номинальных значений:
-
— 1ном= 5 А при ином= 220 В;
-
— 1ном= 1 А при ином= 57,7 В.
Результаты считают положительными, если полученные значения погрешности не превышают значений, указанных в описании типа на терминал ARIS-23xx.
Таблица 11 - Испытательные сигналы для определения абсолютной погрешности измерения угла фазового сдвига
|
№ |
Значение напряжения переменного тока, % от ином |
Значение силы переменного тока, % от 1ном |
Угол фазового сдвига между током и напряжением, ° | ||||||
|
Ua |
Ub |
Uc |
Ia |
Ib |
Ic |
фа |
фь |
фс | |
|
1 |
100 |
100 |
0 |
0 |
0 | ||||
|
2 |
15 |
15 |
15 | ||||||
|
3 |
30 |
30 |
30 | ||||||
|
4 |
60 |
60 |
60 | ||||||
|
5 |
90 |
90 |
90 | ||||||
|
6 |
120 |
120 |
120 | ||||||
|
7 |
150 |
150 |
150 | ||||||
|
8 |
180 |
180 |
180 | ||||||
|
9 |
-30 |
-30 |
-30 | ||||||
|
10 |
-60 |
-60 |
-60 | ||||||
|
11 |
-90 |
-90 |
-90 | ||||||
|
12 |
-120 |
-120 |
-120 | ||||||
|
13 |
-150 |
-150 |
-150 | ||||||
-
8.6.3.8 Определение абсолютной погрешности измерений отклонения частоты провести в следующей последовательности:
-
— на измерительные входы модуля с Ресурс-К2М последовательно подать испытательные сигналы соответствующей величины в соответствии с таблицей 12;
-
— рассчитать значения абсолютной погрешности измерений отклонения частоты по всем проверяемым точкам в соответствии с формулой (1).
1ном 5 А при UHOM 220 В;
— 1ном= 1 А при UHOM = 57,7 В-
Результаты считают положительными, если полученные значения погрешности не превышают значений, указанных в описании типа на терминал ARIS-23xx.
Таблица 12 - Испытательные сигналы для определения абсолютной погрешности измерения отклонения частоты
|
Испытательный сигнал № |
Измерительный сигнал | |
|
Частота, Гц |
Отклонение частоты, Гц | |
|
1 |
49,997 |
-0,003 |
|
2 |
46,001 |
-3,999 |
|
3 |
53,992 |
3,992 |
|
4 |
42,504 |
-7,496 |
|
5 |
57,492 |
7,492 |
-
8.6.3.9 Определение абсолютной погрешности отклонения фазного напряжения переменного тока провести в следующей последовательности:
-
- на измерительные входы модуля с Ресурс-К2М последовательно подать испытательные сигналы соответствующей величины в соответствии с таблицей 13. Эталонные значения положительного и отрицательного отклонений напряжения не задаются Ресурс-К2М непосредственно, значения получены путем вычисления на основе величины установившегося отклонения напряжения;
-
- рассчитать значения абсолютной погрешности измерений отклонения напряжений по всем проверяемым точкам в соответствии с формулой (1).
Испытания провести последовательно для двух номинальных значений:
-
— 1ном= 5 А при ином = 220 В;
-
— 1ном= 1 А при ином = 57,7 В.
Результаты считают положительными, если полученные значения погрешности не превышают значений, указанных в описании типа на терминал ARIS-23xx.
Таблица 13 - Испытательные сигналы для определения абсолютной погрешности измерения отклонения напряжения
|
Испытательный сигнал № |
Измерительный сигнал | ||
|
- % Шв, % ^Uc, % |
^Ua(+), % ^Ub(+), % ^Uc(+), % |
^Ua(-), % ^Ub(-), % ^Uc(-), % | |
|
1 |
0 |
0 |
0 |
|
2 |
-10 |
0 |
2,03 |
|
3 |
-20 |
0 |
16,92 |
|
4 |
20 |
20,82 |
0 |
|
5 |
10 |
11,66 |
0 |
-
8.6.3.10 Определение погрешности измерений коэффициента искажения синусоидальности кривой напряжения переменного тока провести в следующей последовательности:
-
— на измерительные входы модуля с Ресурс-К2М последовательно подать испытательные сигналы соответствующей величины в соответствии с таблицей 14;
-
— рассчитать значения абсолютной погрешности измерений коэффициента искажения синусоидальности кривой фазного напряжения по всем проверяемым точкам в соответствии с формулой (1) при KU<1,0; относительной погрешности измерений коэффициента искажения синусоидальности кривой фазного напряжения переменного тока KU по всем проверяемым точкам в соответствии с формулой (2) при Ки>1,0.
Испытания провести последовательно для двух номинальных значений:
-
— 1ном= 5 А при ином= 220 В;
-
— 1ном= 1 А при ином= 57,7 В.
Результаты считают положительными, если полученные значения погрешности не превышают значений, указанных в описании типа на терминал ARIS-23xx.
Таблица 14 - Испытательные сигналы для определения погрешности измерения коэффициента искажения синусоидальности кривой напряжения
|
Испытате льный сигнал № |
Измерительный сигнал | |||
|
Частота, Гц |
А- % Шв, % ^Uc, % |
KUa, KIa, % KUb, KIb, % KUc, KIc,% |
KUsg,n A (KIisg,n А), % KUsg,n B (KIisg,n B), % KUsg,n C (KIisg,n C), % | |
|
1 |
49,997 |
0 |
0 |
Тип 1 (см. Таблица 15) |
|
2 |
48,994 |
-10 |
42,72 |
Тип 2 (см. Таблица 15) |
|
3 |
50,996 |
-20 |
24,98 |
Тип 3 (см. Таблица 15) |
|
4 |
44,996 |
20 |
11,52 |
Тип 4 (см. Таблица 15) |
|
5 |
55,000 |
10 |
17,27 |
Тип 5 (см. Таблица 15) |
-
8.6.3.11 Определение погрешности измерений коэффициентов гармонической составляющей напряжения переменного тока, абсолютной погрешности измерений угла фазового сдвига между фазным током и напряжением гармонической составляющей провести в следующей последовательности:
-
- на измерительные входы модуля с Ресурс-К2М последовательно подать испытательные сигналы соответствующей величины в соответствии с таблицей 15;
-
- рассчитать значения относительной погрешности измерений коэффициентов гармонической составляющей напряжения переменного тока, в соответствии с формулой (2) для при KUsg,n> 1 % или абсолютной погрешности измерений коэффициентов гармонической составляющей напряжения переменного тока в соответствии с формулой (1) при KUsg,n< 1 %. В качестве нормирующего значения Ан принять ином;
-
- рассчитать значение абсолютной погрешности измерений угла фазового сдвига между фазным током и напряжением гармонической составляющей.
Испытания провести последовательно для двух номинальных значений:
-
- 1ном= 5 А при ином = 220 В;
-
- 1ном= 1 А при ином = 57,7 В.
Результаты считают положительными, если полученные значения погрешности не превышают значений, указанных в описании типа на терминал ARIS-23xx.
Таблица 15 - Испытательные сигналы для определения погрешности измерения коэффициентов гармонической составляющей напряжения, угла фазового сдвига
|
Порядок гармоники n |
Тип |
1 |
Тип 2 |
Тип |
3 |
Тип 4 |
Тип |
5 | ||
|
KUsg,n, KIisg,n, % |
фи(п)5 ФЩп), ° |
KUsg,n, KIisg,n, % |
фи(п)5 фШ(п)5 ° |
KUsg,n, KIisg,n, % |
фи(п), ° |
KUsg,n, KIisg,n, % |
фи(п)5 ФЩп), ° |
KUsg,n, KIisg,n, % |
фи(п)5 фЦЦп)? ° | |
|
2 |
0 |
0 |
0 |
0 |
4 |
0 |
2,00 |
0 |
3,00 |
0 |
|
3 |
0 |
0 |
30 |
0 |
4 |
0 |
5,00 |
0 |
7,50 |
30 |
|
4 |
0 |
0 |
0 |
0 |
4 |
0 |
1,00 |
0 |
1,50 |
0 |
|
5 |
0 |
0 |
0 |
0 |
4 |
0 |
6,00 |
0 |
9,00 |
60 |
|
6 |
0 |
0 |
0 |
0 |
4 |
0 |
0,50 |
0 |
0,75 |
0 |
|
7 |
0 |
0 |
0 |
0 |
4 |
0 |
5,00 |
0 |
7,50 |
90 |
|
Порядок гармоники n |
Тип |
1 |
Тип |
2 |
Тип 3 |
Тип 4 |
Тип |
5 | ||
|
KUsg,n, KIisg,n, % |
фи(п), ФЩп), ° |
KUsg,n, KIisg,n, % |
фи(п), фи1(п), ° |
KUsg,n, KIisg,n, % |
фи(п), ° |
KUsg,n, KIisg,n, % |
фи(п), ФЩп), ° |
KUsg,n, KIisg,n, % |
фи(п), фицп)? ° | |
|
8 |
0 |
0 |
0 |
0 |
4 |
0 |
0,50 |
0 |
0,75 |
0 |
|
9 |
0 |
0 |
0 |
0 |
4 |
0 |
1,50 |
0 |
2,25 |
120 |
|
10 |
0 |
0 |
20 |
0 |
4 |
0 |
0,50 |
0 |
0,75 |
0 |
|
11 |
0 |
0 |
0 |
0 |
4 |
0 |
3,50 |
0 |
5,25 |
150 |
|
12 |
0 |
0 |
0 |
0 |
4 |
0 |
0,20 |
0 |
0,30 |
0 |
|
13 |
0 |
0 |
0 |
0 |
4 |
0 |
3,00 |
0 |
4,50 |
180 |
|
14 |
0 |
0 |
0 |
0 |
4 |
0 |
0,20 |
0 |
0,30 |
0 |
|
15 |
0 |
0 |
0 |
0 |
4 |
0 |
0,30 |
0 |
0,45 |
-150 |
|
16 |
0 |
0 |
0 |
0 |
4 |
0 |
0,20 |
0 |
0,30 |
0 |
|
17 |
0 |
0 |
0 |
0 |
4 |
0 |
2,00 |
0 |
3,00 |
-120 |
|
18 |
0 |
0 |
0 |
0 |
4 |
0 |
0,20 |
0 |
0,30 |
0 |
|
19 |
0 |
0 |
0 |
0 |
4 |
0 |
1,50 |
0 |
2,25 |
-90 |
|
20 |
0 |
0 |
20 |
0 |
4 |
0 |
0,20 |
0 |
0,30 |
0 |
|
21 |
0 |
0 |
0 |
0 |
4 |
0 |
0,20 |
0 |
0,30 |
-60 |
|
22 |
0 |
0 |
0 |
0 |
4 |
0 |
0,20 |
0 |
0,30 |
0 |
|
23 |
0 |
0 |
0 |
0 |
4 |
0 |
1,50 |
0 |
2,25 |
-30 |
|
24 |
0 |
0 |
0 |
0 |
4 |
0 |
0,20 |
0 |
0,30 |
0 |
|
25 |
0 |
0 |
0 |
0 |
4 |
0 |
1,50 |
0 |
2,25 |
0 |
|
26 |
0 |
0 |
0 |
0 |
4 |
0 |
0,20 |
0 |
0,30 |
0 |
|
27 |
0 |
0 |
0 |
0 |
4 |
0 |
0,20 |
0 |
0,30 |
30 |
|
28 |
0 |
0 |
0 |
0 |
4 |
0 |
0,20 |
0 |
0,30 |
0 |
|
29 |
0 |
0 |
0 |
0 |
4 |
0 |
1,32 |
0 |
1,92 |
60 |
|
30 |
0 |
0 |
10 |
0 |
4 |
0 |
0,20 |
0 |
0,30 |
0 |
|
31 |
0 |
0 |
0 |
0 |
4 |
0 |
1,25 |
0 |
1,86 |
90 |
|
32 |
0 |
0 |
0 |
0 |
4 |
0 |
0,20 |
0 |
0,30 |
0 |
|
33 |
0 |
0 |
0 |
0 |
4 |
0 |
0,20 |
0 |
0,30 |
120 |
|
34 |
0 |
0 |
0 |
0 |
4 |
0 |
0,20 |
0 |
0,30 |
0 |
|
35 |
0 |
0 |
0 |
0 |
4 |
0 |
1,13 |
0 |
1,70 |
150 |
|
36 |
0 |
0 |
0 |
0 |
4 |
0 |
0,20 |
0 |
0,30 |
0 |
|
37 |
0 |
0 |
0 |
0 |
4 |
0 |
1,08 |
0 |
1,62 |
180 |
|
38 |
0 |
0 |
0 |
0 |
4 |
0 |
0,20 |
0 |
0,30 |
0 |
|
39 |
0 |
0 |
0 |
0 |
4 |
0 |
0,20 |
0 |
0,30 |
-150 |
|
40 |
0 |
0 |
5 |
0 |
4 |
0 |
0,20 |
0 |
0,30 |
0 |
-
8.6.3.12 Определение погрешностей измерений коэффициентов интергармонических составляющих напряжения переменного тока провести в следующей последовательности:
-
- на измерительные входы модуля с Ресурс-К2М последовательно подать испытательные сигналы соответствующей величины в соответствии с таблицей 16;
-
- рассчитать значения абсолютной погрешности измерений коэффициентов интергармонических составляющих напряжения переменного тока по всем проверяемым точкам в соответствии с формулой (1) при KUisg(m) < 1,0; относительной погрешности измерений коэффициентов интергармонических составляющих напряжения переменного тока по всем проверяемым точкам в соответствии с формулой (2) при KUisg(m) > 1,0.
Испытания провести последовательно для двух номинальных значений:
-
— 1ном = 5 А при ином = 220 В;
-
— 1ном = 1 А при ином = 57,7 В.
Результаты считают положительными, если полученные значения погрешности не превышают значений, указанных в описании типа на терминал ARIS-23xx.
Таблица 16 - Испытательные сигналы для определения погрешности измерения коэффициентов интергармонической составляющей напряжения, угла фазового сдвига
|
Порядок интергармоники m |
Тип 1. Частота основной гармоники 49,997 Гц |
Тип 2. Частота основной гармоники 42,504 Гц |
Тип 3. Частота основной гармоники 57,492 Гц | |||
|
KUisg(m), KIisg(m), % |
(pUisg(m), tyUIisgMi |
KUisg(m), KIisg(m), % |
(pUisggmg tyUIisgMi |
KUisg(m), KIisg(m), % |
(pUisggmg tyUIisgM? | |
|
1 |
3,0 |
0 |
0 |
0 |
1 |
-30 |
|
2 |
2,0 |
0 |
0 |
0 |
1 |
0 |
|
3 |
1,0 |
0 |
0 |
0 |
1 |
30 |
|
4 |
0,5 |
0 |
0 |
0 |
1 |
0 |
|
5 |
0 |
0 |
10 |
0 |
1 |
60 |
|
6 |
3,0 |
0 |
0 |
0 |
1 |
0 |
|
7 |
2,0 |
0 |
0 |
0 |
1 |
90 |
|
8 |
1,0 |
0 |
0 |
0 |
1 |
0 |
|
9 |
0,5 |
0 |
0 |
0 |
1 |
120 |
|
10 |
0 |
0 |
10 |
0 |
1 |
0 |
|
11 |
3,0 |
0 |
0 |
0 |
1 |
150 |
|
12 |
2,0 |
0 |
0 |
0 |
1 |
0 |
|
13 |
1,0 |
0 |
0 |
0 |
1 |
180 |
|
14 |
0,5 |
0 |
0 |
0 |
1 |
0 |
|
15 |
0 |
0 |
10 |
0 |
1 |
-150 |
|
16 |
3,0 |
0 |
0 |
0 |
1 |
0 |
|
17 |
2,0 |
0 |
0 |
0 |
1 |
-120 |
|
18 |
1,0 |
0 |
0 |
0 |
1 |
0 |
|
19 |
0,5 |
0 |
0 |
0 |
1 |
-90 |
|
20 |
0 |
0 |
10 |
0 |
1 |
0 |
|
21 |
3,0 |
0 |
0 |
0 |
1 |
-60 |
|
22 |
2,0 |
0 |
0 |
0 |
1 |
0 |
|
23 |
1,0 |
0 |
0 |
0 |
1 |
-30 |
|
24 |
0,5 |
0 |
0 |
0 |
1 |
0 |
|
25 |
0 |
0 |
10 |
0 |
1 |
0 |
|
26 |
3,0 |
0 |
0 |
0 |
1 |
0 |
|
27 |
2,0 |
0 |
0 |
0 |
1 |
30 |
|
28 |
1,0 |
0 |
0 |
0 |
1 |
0 |
|
29 |
0,5 |
0 |
0 |
0 |
1 |
60 |
|
30 |
0 |
0 |
10 |
0 |
1 |
0 |
|
31 |
3,0 |
0 |
0 |
0 |
1 |
90 |
|
32 |
2,0 |
0 |
0 |
0 |
1 |
0 |
|
33 |
1,0 |
0 |
0 |
0 |
1 |
120 |
|
34 |
0,5 |
0 |
0 |
0 |
1 |
0 |
|
35 |
0 |
0 |
10 |
0 |
1 |
150 |
|
36 |
3,0 |
0 |
0 |
0 |
1 |
0 |
|
37 |
2,0 |
0 |
0 |
0 |
1 |
180 |
|
38 |
1,0 |
0 |
0 |
0 |
1 |
0 |
|
39 |
0,5 |
0 |
0 |
0 |
1 |
-150 |
-
8.6.3.13 Определение погрешности измерений коэффициента искажения синусоидальности кривой тока провести в следующей последовательности:
-
— на измерительные входы модуля с Ресурс-К2М последовательно подать испытательные сигналы соответствующей величины в соответствии с таблицей 14;
-
— рассчитать значения абсолютной погрешности измерений коэффициента искажения синусоидальности кривой тока по всем проверяемым точкам в соответствии с формулой (1) при KI<1,0; относительной погрешности измерений коэффициента искажения синусоидальности кривой тока по всем проверяемым точкам в соответствии с формулой (2) при KI >1,0.
Испытания провести последовательно для двух номинальных значений:
-
— 1ном = 5 А при ином = 220 В;
-
— 1ном = 1 А при ином = 57,7 В.
Результаты считают положительными, если полученные значения погрешности не превышают значений, указанных в описании типа на терминал ARIS-23xx.
-
8.6.3.14 Определение погрешности измерения коэффициента гармонических составляющих силы переменного тока провести в следующей последовательности:
-
— на измерительные входы модуля с Ресурс-К2М последовательно подать испытательные сигналы соответствующей величины в соответствии с таблицей 16;
-
— рассчитать значения абсолютной погрешности измерений коэффициентов гармонических составляющих силы переменного тока по всем проверяемым точкам в соответствии с формулой (1) при KIisg,n<1,0; относительной погрешности измерений коэффициентов n-х гармонических составляющих силы переменного тока по всем проверяемым точкам в соответствии с формулой (2) при KIisg,n >1,0.
Испытания провести последовательно для двух номинальных значений:
-
— 1ном = 5 А при ином = 220 В;
-
— 1ном = 1 А при ином = 57,7 В.
Результаты считают положительными, если полученные значения погрешности не превышают значений, указанных в описании типа на терминал ARIS-23xx.
-
8.6.3.15 Определение абсолютной погрешности измерений коэффициентов несимметрии напряжений по обратной и нулевой последовательностям провести в следующей последовательности:
-
— на измерительные входы модуля с Ресурс-К2М последовательно подать испытательные сигналы соответствующей величины в соответствии с таблицей 17; Спектральный состав сигнала должен соответствовать типу 4 приведенному в таблице 15;
-
— рассчитать значения абсолютной погрешности измерений коэффициентов несимметрии напряжений по обратной и нулевой последовательностям по всем проверяемым точкам в соответствии с формулой (1).
Испытания провести последовательно для двух номинальных значений:
-
— 1ном = 5 А при ином = 220 В;
-
— 1ном = 1 А при ином = 57,7 В.
Результаты считают положительными, если полученные значения погрешности не превышают значений, указанных в описании типа на терминал ARIS-23xx.
Таблица 17 - Испытательные сигналы для определения погрешности измерения коэффициентов несимметрии напряжений по обратной и нулевой последовательностям
|
Испытательный сигнал |
Измерительный сигнал | ||||
|
Шв, % |
Шс, % |
K0U, % |
K2U, % | ||
|
1 |
-15 |
-10 |
-5 |
3,208 |
3,208 |
|
2 |
30 |
-10 |
-20 |
15,275 |
15,275 |
-
8.6.3.16 Определение относительной погрешности измерений глубины провала напряжения, абсолютной погрешности измерений длительностей провала и прерывания напряжения провести в следующей последовательности:
-
- установить поочередно и последовательно значения глубины и длительности провала/прерывания напряжения на Ресурс-К2М в соответствии с Таблица 18 для каждой фазы A, B, C (в каждом случае период повторения провалов быть установлен более их длительности, перед каждой серией рекомендуется обнулять счётчики провалов и перенапряжений);
-
- рассчитать значения абсолютной погрешности измерений длительностей провала и прерывания напряжения, относительной погрешности измерения глубины провала напряжения, по всем проверяемым точкам в соответствии с формулой (1) или (2).
Испытания провести последовательно для двух номинальных значений:
-
— 1ном = 5 А при ином = 220 В;
-
— 1ном = 1 А при ином = 57,7 В-
Результаты считают положительными, если полученные значения погрешности не превышают значений, указанных в описании типа на терминал ARIS-23xx.
Таблица 18 - Испытательные сигналы для определения погрешности измерения глубины и длительности провала/прерывания напряжения
|
Испытательный сигнал № |
Измерительный сигнал | ||||
|
\ипров, % |
^||роВ1 с |
^иреръ с |
Количество провалов |
Количество прерываний | |
|
1 |
10 |
60,0034 |
- |
2 |
0 |
|
2 |
50 |
1 |
- |
5 |
0 |
|
3 |
90 |
0,02 |
- |
10 |
0 |
|
4 |
90 |
0,02 |
- |
10 |
0 |
|
6 |
50 |
- |
0,02 |
- |
0 |
|
7 |
90 |
- |
60,0034 |
- |
0 |
|
8 |
100 |
0,02 |
0,02 |
10 |
10 |
|
9 |
100 |
60,0034 |
60,0034 |
2 |
2 |
-
8.6.3.17 Определение относительной погрешности измерений коэффициента перенапряжения временного перенапряжения, абсолютной погрешности измерений длительности перенапряжения провести в следующей последовательности:
-
— на измерительные входы модуля с Ресурс-К2М последовательно подать испытательные сигналы соответствующей величины в соответствии с таблицей 19;
-
— в каждом случае период повторения перенапряжений должен быть установлен более их длительности;
-
— рассчитать значения абсолютной погрешности измерений длительности перенапряжения, относительной погрешности измерений коэффициента временного перенапряжения по всем проверяемым точкам в соответствии с формулами (1) и (2).
Испытания провести последовательно для двух номинальных значений:
-
— 1ном = 5 А при ином = 220 В;
-
— 1ном = 1 А при ином = 57,7 В.
Результаты считают положительными, если полученные значения погрешности не превышают значений, указанных в описании типа на терминал ARIS-23xx.
Таблица 19 - Испытательные сигналы для определения погрешности измерения глубины и длительности провала/прерывания напряжения
|
Испытательный сигнал № |
Измерительный сигнал | ||
|
Кпери |
0tllерU, с |
Количество перенапряжений | |
|
1 |
1,1 |
60,0034 |
2 |
|
2 |
1,3 |
1 |
5 |
|
3 |
1,5 |
0,02 |
10 |
-
8.6.4 Определение метрологических характеристик при измерении параметров переменного тока и измерении показателей качества электрической энергии с помощью модулей М3, М4 (с опцией QA).
-
8.6.4.1 Перед проверкой необходимо провести предварительную настройку модулей в следующем порядке:
-
- открыть веб-конфигуратор, открыть меню «Система/Настройка модулей», выбрать необходимый измерительный модуль типа М3, либо M4. Если модули данного типа отсутствует перейти к следующему разделу поверки 8.6.5;
-
- в меню настройки модуля снять знак выбора в ячейке «Пересчитывать параметры в первичные значения»;
-
- для номинального значения напряжения переменного тока 220 В из выпадающего меню «Напряжение вторичной цепи» выбрать значение 220 В, поле «Номинальное напряжение» установить значение 220 В;
-
- для номинального значения напряжения переменного тока 57,7 В из выпадающего меню «Напряжение вторичной цепи» выбрать значение 100/^3 В, в поле «Номинальное напряжение» установить значение 57,7 В;
-
- для номинального значения силы переменного тока 5 А из выпадающего меню «Ток вторичной цепи» выбрать значение 5 А;
-
- для номинального значения силы переменного тока 1 А из выпадающего меню «Ток вторичной цепи» выбрать значение 1 А;
-
- подключить Ресурс-К2М к модулю M3, М4 в соответствии со схемой, приведенной на рисунке 7;
-
- кабель связи интерфейса Ethernet подключить к разъему Ethernet ARIS-23xx, другой конец кабеля подключить к ПЭВМ, сетевое соединение ПЭВМ должно быть в одной подсети с ARIS-23xx, т.е. <1Р-адрес ARIS-23xx >должен быть доступен с ПЭВМ в соответствии со схемой, приведенной на рисунке 7;
-
- подать питание на ARIS-23xx, дождаться загрузки ПО.
-
8.6.4.2 Определение абсолютной погрешности измерений частоты переменного тока провести в следующей последовательности:
-
- на измерительные входы модуля с Ресурс-К2М последовательно подать испытательные сигналы соответствующей величины в соответствии с таблицей 20;
-
- рассчитать значения абсолютной погрешности измерений частоты переменного тока для всех величин частоты по формуле (1).
Испытания провести последовательно для двух номинальных значений:
-
- 1ном = 5 А при ином = 220 В;
-
- 1ном = 1 А при ином = 57,7 В.
Результаты считать положительными, если полученные значения погрешности не превышают значений, указанных в описании типа на терминал ARIS-23xx.
Таблица 20 - Испытательные сигналы для определения абсолютной погрешности измерения частоты
|
№ |
Значение напряжения переменного тока, % от ином |
Значение силы переменного тока, % от 1ном |
Частота переменного тока, Гц | ||||
|
Uh |
Ub |
Uc |
1а |
Ib |
Ic | ||
|
1 2
5 |
100 |
100 |
42,504 | ||||
|
49,505 | |||||||
|
50,100 | |||||||
|
50,996 | |||||||
|
57,492 | |||||||
-
8.6.4.3 Определение приведенной погрешности измерений среднеквадратического значения фазного и междуфазного переменного напряжения, а также их средних значений провести в следующей последовательности:
-
- на измерительные входы модуля с Ресурс-К2М последовательно подать испытательные сигналы соответствующей величины в соответствии с таблицей 21;
-
- рассчитать значения приведённой погрешности измерений среднеквадратического значения фазного и междуфазного переменного напряжения (в том числе их средних значений) по всем проверяемым точкам в соответствии с формулой (3). В качестве нормирующего значения Ан принимается номинальное значение напряжения ином.
Испытания провести последовательно для двух номинальных значений:
-
— ином = 220 В при 1ном = 5 А;
-
— ином = 57,7 В при 1ном = 1 А.
Результаты считают положительными, если полученные значения погрешности не превышают значений, указанных в описании типа на терминал ARIS-23xx.
Таблица 21 - Испытательные сигналы для определения приведенной погрешности измерения среднеквадратического значения фазного и междуфазного переменного напряжения
|
№ |
Значение напряжения переменного тока, % от ином |
Угол фазового сдвига между фазными напряжениями, ° |
Угол фазового сдвига между током и напряжением, ° | |||
|
Ua |
Ub |
Uc |
фаЬ |
фас | ||
|
1 |
1 |
1 |
1 |
120 |
-120 |
0 |
|
2 |
20 |
20 |
20 | |||
|
3 |
50 |
50 |
50 | |||
|
4 |
80 |
80 |
80 | |||
|
5 |
100 |
100 |
100 | |||
|
6 |
150 |
150 |
150 | |||
-
8.6.4.4 Определение приведенной погрешности измерений среднеквадратического значения силы переменного тока (в том числе среднего значения) провести в следующей последовательности:
-
— на измерительные входы модуля с Ресурс-К2М последовательно подать испытательные сигналы соответствующей величины в соответствии с таблицей 22;
-
— рассчитать значения приведенной погрешности измерений среднеквадратического значения силы переменного тока (в том числе среднего значения) по всем проверяемым точкам в соответствии с формулой (3). В качестве нормирующего значения Ан принять значение силы тока равное 1ном.
Испытания провести последовательно для двух номинальных значений:
-
— 1ном = 5 А при ином = 220 В;
-
— 1ном = 1 А при ином = 57,7 В.
Результаты считают положительными, если полученные значения погрешности не превышают значений, указанных в описании типа на терминал ARIS-23xx.
Таблица 22 - Испытательные сигналы для определения приведенной погрешности измерения среднеквадратического значения силы переменного тока
|
№ |
Значение напряжения переменного тока, % от ином |
Значение силы переменного тока, % от 1ном |
Значение напряжения переменного тока, % от ином | ||||
|
Uh |
Ub |
Uc |
1а |
Ib |
Ic | ||
|
1 2 3 4
7 |
100 |
1 |
1 |
1 |
0 | ||
|
20 |
20 |
20 | |||||
|
50 |
50 |
50 | |||||
|
80 |
80 |
80 | |||||
|
100 |
100 |
100 | |||||
|
120 |
120 |
120 | |||||
|
150 |
150 |
150 | |||||
-
8.6.4.5 Определение приведенной погрешности измерений среднеквадратического значения напряжения (фазного и междуфазного) прямой, обратной и нулевой последовательности, а также определение приведенной погрешности измерений среднеквадратического значения силы переменного тока прямой, обратной и нулевой последовательности провести в следующей последовательности:
-
- на измерительные входы модуля с Ресурс-К2М последовательно подать испытательные сигналы соответствующей величины в соответствии с таблицей 23;
-
- рассчитать значения приведенной погрешности измерений среднеквадратического значения напряжения (фазного и междуфазного) переменного тока прямой, обратной и нулевой последовательности, а также приведенной погрешности измерений среднеквадратического значения силы переменного тока прямой, обратной и нулевой последовательности по всем проверяемым точкам в соответствии с формулой (3). Для значений напряжения в качестве нормирующего значения Анпринимается номинальное значение напряжения ином. Для значений силы тока в качестве нормирующего значения Анпринимается значение силы тока равное 1ном.
Испытания провести последовательно для двух номинальных значений:
-
— 1ном = 5 А при ином = 220 В;
-
— 1ном = 1 А при ином = 57,7 В.
Результаты считают положительными, если полученные значения погрешности не превышают значений, указанных в описании типа на терминал ARIS-23xx.
Таблица 23 - Испытательные сигналы для определения приведенной погрешности измерения симметричных составляющих тока и напряжения
|
№ |
Значение напряжения переменного тока, % от ином |
Значение силы переменного тока, % от 1ном |
Значение напряжения переменного тока, % от ином |
Значение силы переменного тока, % от 1ном |
Угол фазового сдвига между фазными напряжениями, ° | |||||||||
|
Ua |
Ub |
Uc |
Ia |
Ib |
Ic |
U1 |
U2 |
U0 |
I1 |
I2 |
I0 |
фаЬ |
фас | |
|
1 |
100 |
100 |
100 |
0 |
0 |
100 |
100 |
0 |
0 |
100 |
0 |
0 |
-120 |
120 |
|
2 |
50 |
100 |
83.33 |
16.67 |
16.67 |
100 |
83.33 |
16.67 |
16.67 |
83.33 |
16.67 |
16.67 | ||
|
3 |
100 |
50 |
83.33 |
16.67 |
16.67 |
100 |
83.33 |
16.67 |
16.67 |
83.33 |
16.67 |
16.67 | ||
|
4 |
100 |
100 |
83.33 |
16.67 |
16.67 |
50 |
83.33 |
16.67 |
16.67 |
83.33 |
16.67 |
16.67 | ||
|
№ |
Значение напряжения переменного тока, % от ином |
Значение силы переменного тока, % от 1ном |
Значение напряжения переменного тока, % от ином |
Значение силы переменного тока, % от 1ном |
Угол фазового сдвига между фазными напряжениями, ° | |||||||||
|
Uh |
Ub |
Uc |
1а |
Ib |
Ic |
U1 |
U2 |
U0 |
I1 |
I2 |
I0 |
фаЬ |
фас | |
|
5 |
0 |
100 |
66.67 |
33.33 |
33.33 |
100 |
66.67 |
33.33 |
33.33 |
66.67 |
33.33 |
33.33 | ||
|
6 |
100 |
0 |
66.67 |
33.33 |
33.33 |
100 |
66.67 |
33.33 |
33.33 |
66.67 |
33.33 |
33.33 | ||
|
7 |
100 |
100 |
66.67 |
33.33 |
33.33 |
0 |
66.67 |
33.33 |
33.33 |
66.67 |
33.33 |
33.33 | ||
|
8 |
100 |
100 |
57.74 |
57.74 |
57.74 |
100 |
57.74 |
57.74 |
57.74 |
57.74 |
57.74 |
57.74 |
120 |
120 |
|
9 |
100 |
100 |
0 |
0 |
100 |
100 |
0 |
0 |
100 |
0 |
0 |
100 |
0 |
0 |
У гол фазового сдвига между током и напряжением 0°
-
8.6.4.6 Определение относительной погрешности измерений активной, реактивной, полной фазной (трехфазной) электрической мощности и абсолютной погрешности измерений коэффициента мощности (фазный и средний по трем фазам) провести в следующей последовательности:
-
- на измерительные входы модуля с Ресурс-К2М последовательно подать испытательные сигналы соответствующей величины в соответствии с таблицей 24;
-
- рассчитать значения относительной погрешности измерений активной, реактивной и полной фазной (трехфазной) электрической мощности, а также значения абсолютной погрешности коэффициента мощности по всем проверяемым точкам в соответствии с формулами (2) и (1) соответственно.
Испытания провести последовательно для двух номинальных значений:
-
— 1ном = 5 А при ином = 220 В;
-
— 1ном = 1 А при ином = 57,7 В-
Результаты считают положительными, если полученные значения погрешности не превышают значений, указанных в описании типа на терминал ARIS-23xx.
Таблица 24 - Испытательные сигналы для определения относительной погрешности измерения мощности и коэффициента мощности
|
№ |
Значение напряжения переменного тока, % от ином |
Значение силы переменного тока, % от 1ном |
Угол фазового сдвига между током и напряжением, ° | ||||
|
Ua |
Ub |
Uc |
Ia |
Ib |
Ic | ||
|
1 |
100 |
100 |
100 |
0 |
0 |
0 |
0 |
|
2 |
5 |
5 |
5 |
100 | |||
|
3 |
20 |
20 |
20 | ||||
|
4 |
50 |
50 |
50 | ||||
|
5 |
80 |
80 |
80 | ||||
|
6 |
100 |
100 |
100 | ||||
|
7 |
150 |
150 |
150 | ||||
|
8 9 10 11 12 13 |
100 |
5 |
5 |
5 |
0 | ||
|
20 |
20 |
20 | |||||
|
50 |
50 |
50 | |||||
|
80 |
80 |
80 | |||||
|
100 |
100 |
100 | |||||
|
150 |
150 |
150 | |||||
|
150 |
150 |
0 | ||||
|
30 | |||||||
|
№ |
Значение напряжения переменного тока, % от ином |
Значение силы переменного тока, % от 1ном |
Угол фазового сдвига между током и напряжением, ° | ||||
|
Uh |
Ub |
Uc |
1а |
Ib |
Ic | ||
|
16
19 20 |
60 | ||||||
|
90 | |||||||
|
120 | |||||||
|
150 | |||||||
|
180 | |||||||
-
8.6.4.7 Определение абсолютной погрешности измерений угла фазового сдвига между током и напряжением основной гармоники провести в следующей последовательности:
-
- на измерительные входы модуля с Ресурс-К2М последовательно подать испытательные сигналы соответствующей величины в соответствии с таблицей 25;
-
- рассчитать значения абсолютной погрешности измерений угла фазового сдвига между током и напряжением основной гармоники по всем проверяемым точкам в соответствии с формулой (1).
Испытания провести последовательно для двух номинальных значений:
-
— 1ном = 5 А при ином = 220 В;
-
— 1ном = 1 А при ином = 57,7 В.
Результаты считают положительными, если полученные значения погрешности не превышают значений, указанных в описании типа на терминал ARIS-23xx.
Таблица 25 - Испытательные сигналы для определения абсолютной погрешности измерения угла фазового сдвига
|
№ |
Значение напряжения переменного тока, % от ином |
Значение силы переменного тока, % от 1ном |
Угол фазового сдвига между током и напряжением, ° | ||||||
|
Ua |
Ub |
Uc |
Ia |
Ib |
Ic |
фа |
фь |
фс | |
|
1 |
100 |
100 |
0 |
0 |
0 | ||||
|
2 |
15 |
15 |
15 | ||||||
|
3 |
30 |
30 |
30 | ||||||
|
4 |
60 |
60 |
60 | ||||||
|
5 |
90 |
90 |
90 | ||||||
|
6 |
120 |
120 |
120 | ||||||
|
7 |
150 |
150 |
150 | ||||||
|
8 |
180 |
180 |
180 | ||||||
|
9 |
-30 |
-30 |
-30 | ||||||
|
10 |
-60 |
-60 |
-60 | ||||||
|
11 |
-90 |
-90 |
-90 | ||||||
|
12 |
-120 |
-120 |
-120 | ||||||
|
13 |
-150 |
-150 |
-150 | ||||||
-
8.6.4.8 Определение относительной погрешности измерений активной, реактивной, полной электрической мощности прямой, обратной и нулевой последовательностей, абсолютной погрешности измерений углов фазового сдвига между током и напряжением прямой, обратной и нулевой последовательностей провести в следующей последовательности:
— на измерительные входы модуля с Ресурс-К2М последовательно подать испытательные сигналы соответствующей величины в соответствии с таблицей 26;
-
— рассчитать значения относительной погрешности измерений активной, реактивной, полной электрической мощности прямой, обратной и нулевой последовательностей, а также абсолютной погрешности угла фазового сдвига между током и напряжением прямой, обратной и нулевой последовательностей по всем проверяемым точкам в соответствии с формулой (2) и (1) соответственно.
Испытания провести последовательно для двух номинальных значений:
-
— 1ном = 5 А при ином = 220 В;
-
— 1ном = 1 А при ином = 57,7 В.
Результаты считают положительными, если полученные значения погрешности не превышают значений, указанных в описании типа на терминал ARIS-23xx.
Таблица 26 - Испытательные сигналы для определения абсолютной погрешности измерения активной, реактивной, полной электрической мощности прямой, обратной и нулевой последовательностей
|
№ |
Напряжение переменного тока,% отином |
Угол фазового сдвига между напряжениями, градусов |
Сила переменного тока, % от 1ном |
Угол фазового сдвига между током и напряжением, градусов | ||||||||
|
Ua |
Ub |
Uc |
Фиа |
фиь |
Фис |
Ia |
Ib |
Ic |
Фи1а |
фи1ь |
Фи1с | |
|
1 |
10 |
10 |
10 |
0 |
-120 |
120 |
10 |
10 |
10 |
60 |
60 |
60 |
|
2 |
10 |
10 |
10 |
0 |
120 |
-120 |
10 |
10 |
10 |
-120 |
-120 |
-120 |
|
3 |
10 |
10 |
10 |
0 |
0 |
0 |
10 |
10 |
10 |
150 |
150 |
150 |
|
4 |
150 |
150 |
150 |
0 |
-120 |
120 |
150 |
150 |
150 |
30 |
30 |
30 |
|
5 |
150 |
150 |
150 |
0 |
120 |
-120 |
150 |
150 |
150 |
-150 |
-150 |
-150 |
|
6 |
150 |
150 |
150 |
0 |
120 |
-120 |
150 |
150 |
150 |
-60 |
-60 |
-60 |
-
8.6.4.9 Определение абсолютной погрешности измерений отклонения частоты провести в следующей последовательности:
-
— на измерительные входы модуля с Ресурс-К2М последовательно подать испытательные сигналы соответствующей величины в соответствии с таблицей 27;
-
— рассчитать значения абсолютной погрешности измерений отклонения частоты по всем проверяемым точкам в соответствии с формулой (1).
Испытания провести последовательно для двух номинальных значений:
-
— 1ном = 5 А при ином = 220 В;
-
— 1ном = 1 А при ином = 57,7 В.
Результаты считают положительными, если полученные значения погрешности не превышают значений, указанных в описании типа на терминал ARIS-23xx.
Таблица 27 - Испытательные сигналы для определения абсолютной погрешности измерения отклонения частоты
|
Испытатель ный сигнал № |
Измерительный сигнал | |
|
Частота, Гц |
Отклонение частоты, Гц | |
|
1 |
49,997 |
-0,003 |
|
2 |
46,001 |
-3,999 |
|
3 |
53,992 |
3,992 |
|
4 |
42,504 |
-7,496 |
|
Испытатель ный сигнал № |
Измерительный сигнал | |
|
Частота, Гц |
Отклонение частоты, Гц | |
|
5 |
57,492 |
7,492 |
-
8.6.4.10 Определение абсолютной погрешности измерений отклонения фазного (междуфазного) напряжения переменного тока провести в следующей последовательности:
-
- на измерительные входы модуля с Ресурс-К2М последовательно подать испытательные сигналы соответствующей величины в соответствии с таблицей 28. Эталонные значения положительного и отрицательного отклонений напряжения не задаются Ресурс-К2М непосредственно, значения получены путем вычисления на основе величины установившегося отклонения напряжения;
-
- рассчитать значения абсолютной погрешности измерений отклонения напряжений по всем проверяемым точкам в соответствии с формулой (1).
Испытания провести последовательно для двух номинальных значений:
-
— 1ном = 5 А при ином = 220 В;
-
— 1ном = 1 А при ином = 57,7 В-
Результаты считают положительными, если полученные значения погрешности не превышают значений, указанных в описании типа на терминал ARIS-23xx.
Таблица 28 - Испытательные сигналы для определения абсолютной погрешности измерения отклонения напряжения
|
Испытатель ный сигнал № |
Измерительный сигнал | ||
|
А- % (>U % SUC, % |
^Ua(+), % ^Ub(+), % ^Uc(+), % |
^Ua(-), % ^Ub(.), % ^Uc(.), % | |
|
1 |
0 |
0 |
0 |
|
2 |
-10 |
0 |
2,03 |
|
3 |
-20 |
0 |
16,92 |
|
4 |
20 |
20,82 |
0 |
|
5 |
10 |
11,66 |
0 |
-
8.6.4.11 Определение измерения кратковременной и длительной доз фликера провести в следующей последовательности:
-
— на измерительные входы модуля с Ресурс-К2М последовательно подать испытательные сигналы соответствующей величины в соответствии с таблицей 14, номинальное значение выходного напряжения Ресурс-К2М устанавливают в зависимости от номинального значения фазного напряжения терминала, эквивалентное значение кратковременной дозы фликера указанное в Таблица 29 (значения приведено в качестве нормированного значения (показания Ресурс-К2М) для расчёта погрешностей);
-
— считать с терминала результаты измерений кратковременной дозы фликера за полный интервал времени 10 мин (по границе временных интервалов текущего времени устройства, кратных 10 минутам);
-
— рассчитать погрешность измерений кратковременной дозы фликера по формуле (2), принимая показание Ресурс-К2М (заданное значение кратковременной дозы фликера) указанное в Таблица 29;
-
— установить сигнал 4 из Таблица 29, измеряют длительную дозу фликера. Время измерений должно составлять 2 ч, начало и окончание интервала времени 2 ч должны совпадать с началом чётных часов текущего времени терминала. По истечении времени измерений считывают с терминала результаты измерений длительной дозы фликера;
- рассчитать погрешность измерений длительной дозы фликера по формуле (2), принимая показание Ресурс-К2М (заданное значение длительной дозы фликера) указанное в Таблица 29.
Таблица 29 - Испытательные сигналы для определения погрешности измерения
кратковременной и длительной доз фликера
|
Испытательный сигнал № |
Число прямоугольных изменений в минуту |
Амплитуда относительных изменений напряжения ДУ/У, % |
Значение дозы фликера напряжения |
|
1 |
2 |
2,21 |
1,009 |
|
2 |
7 |
1,460 |
1,007 |
|
3 |
39 |
0,905 |
1,012 |
|
4 |
110 |
0,725 |
1,004 |
|
5 |
1620 |
0,402 |
0,988 |
-
8.6.4.12 Определение абсолютной погрешности измерений глубины провала фазного и междуфазного напряжения, приведенной (к верхней границе диапазона) погрешности измерений остаточного значения напряжения при провале фазного и междуфазного напряжения, абсолютной погрешности измерений длительностей провала и прерывания фазного и междуфазного напряжения провести в следующей последовательности:
-
- установить поочередно и последовательно значения глубины и длительности провала/прерывания напряжения на Ресурс-К2М в соответствии с Таблица 30 для каждой фазы A, B, C (в каждом случае период повторения провалов или перенапряжений должен быть установлен более их длительности, перед каждой серией рекомендуется обнулять счётчики провалов и перенапряжений);
-
- рассчитать значения абсолютной погрешности измерений длительностей провала и прерывания напряжения, абсолютной погрешности измерения глубины провала напряжения, по всем проверяемым точкам в соответствии с формулой (1).
-
- рассчитать значение приведенной (к верхней номинальному значению) погрешности измерений остаточного значения напряжения при провале фазного и междуфазного напряжения по всем поверяемым точкам в соответствии с формулой (3). В качестве нормирующего значения Ан принять ином.
Испытания провести последовательно для двух номинальных значений:
-
- 1ном = 5 А при ином = 220 В;
-
- 1ном = 1 А при ином = 57,7 В.
Результаты считают положительными, если полученные значения погрешности не превышают значений, указанных в описании типа на терминал ARIS-23xx.
Таблица 30 - Испытательные сигналы для определения погрешности измерения глубины и длительности провала/прерывания напряжения
|
Испытательный сигнал № |
Измерительный сигнал | ||||
|
ЛUпров, % |
tпров, с |
tпрер, с |
Количество провалов |
Количество прерываний | |
|
1 |
10 |
60,0034 |
- |
2 |
0 |
|
2 |
50 |
1 |
- |
5 |
0 |
|
3 |
90 |
0,02 |
- |
10 |
0 |
|
4 |
90 |
0,02 |
- |
10 |
0 |
|
6 |
50 |
- |
0,02 |
- |
0 |
|
7 |
90 |
- |
60,0034 |
- |
0 |
|
8 |
100 |
0,02 |
0,02 |
10 |
10 |
|
Испытательный сигнал № |
Измерительный сигнал | ||||
|
Липров, % |
/пров, с |
/прер, с |
Количество провалов |
Количество прерываний | |
|
9 |
100 |
60,0034 |
60,0034 |
2 |
2 |
-
8.6.4.13 Определение абсолютной погрешности измерений коэффициента перенапряжения фазного и междуфазного временного перенапряжения, приведенной погрешности измерений максимального значения напряжения для каждого фазного и междуфазного перенапряжения, абсолютной погрешности измерений длительности перенапряжения провести в следующей последовательности:
-
- на измерительные входы модуля с Ресурс-К2М последовательно подать испытательные сигналы соответствующей величины в соответствии с таблицей 31;
-
- в каждом случае период повторения провалов или перенапряжений должен быть установлен более их длительности;
-
- рассчитать рассчитывают значения абсолютной погрешности измерений длительности перенапряжения, абсолютной погрешности измерений коэффициента временного перенапряжения по всем проверяемым точкам в соответствии с формулой (1);
-
- рассчитать приведенные погрешности измерений максимального значения напряжения для каждого фазного и междуфазного перенапряжения уипери по всем поверяемым точкам в соответствии с формулой (3). В качестве нормирующего значения Ан принять ином.
Испытания провести последовательно для двух номинальных значений:
-
- 1ном = 5 А при ином = 220 В;
-
- 1ном = 1 А при ином = 57,7 В.
Результаты считают положительными, если полученные значения погрешности не превышают значений, указанных в описании типа на терминал ARIS-23xx.
Таблица 31 - Испытательные сигналы для определения погрешности измерения глубины и длительности провала/прерывания напряжения
|
Испытательный сигнал № |
Измерительный сигнал | ||
|
Кпери |
07пери, с |
Количество перенапряжений | |
|
1 |
1,1 |
60,0034 |
2 |
|
2 |
1,3 |
1 |
5 |
|
3 |
1,5 |
0,02 |
10 |
Примечание - * - значение максимального напряжения ипер не задается с Ресурс-К2М напрямую. Оно рассчитывается по формуле: ипер= Кпери^ином
-
8.6.4.14 Определение приведенной погрешности измерений среднеквадратического значения фазного и междуфазного переменного напряжения основной частоты в следующей последовательности:
-
— на измерительные входы модуля с Ресурс-К2М последовательно подать испытательные сигналы соответствующей величины в соответствии с таблицей 32;
-
— рассчитать значения приведенной погрешности измерений среднеквадратического значения фазного и междуфазного напряжения переменного тока основной частоты по всем проверяемым точкам в соответствии с формулой (3). В качестве нормирующего значения Ан принимается номинальное значение напряжения ином.
Испытания провести последовательно для двух номинальных значений:
-
— ином = 220 В при 1ном = 5 А;
-
— ином = 57,7 В при Тном = 1 А.
Результаты считают положительными, если полученные значения погрешности не превышают значений, указанных в описании типа на терминал ARIS-23xx.
Таблица 32 - Испытательные сигналы для определения приведенной погрешности измерения среднеквадратического значения фазного и междуфазного напряжения переменного тока основной частоты
|
№ |
Значение напряжения переменного тока, % от ином |
Угол фазового сдвига между фазными напряжениями, ° |
Угол фазового сдвига между током и напряжением, ° | |||
|
Uh |
Ub |
Uc |
фаЬ |
фас | ||
|
1 |
1 |
1 |
1 |
120 |
-120 |
0 |
|
2 |
20 |
20 |
20 | |||
|
3 |
50 |
50 |
50 | |||
|
4 |
80 |
80 |
80 | |||
|
5 |
100 |
100 |
100 | |||
|
6 |
150 |
150 |
150 | |||
-
8.6.4.15 Определение погрешности измерений среднеквадратических значений гармонической составляющей фазного и междуфазного напряжения переменного тока, погрешности измерений коэффициентов гармонической составляющей фазного и междуфазного напряжения переменного тока (эталонные значения среднеквадратических значений n-х гармонических составляющих фазного и междуфазного напряжения переменного тока не задаются калибратором непосредственно, значения получены путем умножения величины коэффициента n-х гармонических составляющих фазного и междуфазного напряжения переменного тока на среднеквадратичное значение основной гармоники напряжения переменного тока), абсолютной погрешности измерений угла фазового сдвига между фазным током и напряжением гармонической составляющей провести в следующей последовательности:
-
- на измерительные входы модуля с Ресурс-К2М последовательно подать испытательные сигналы соответствующей величины в соответствии с таблицей 33;
Примечание - междуфазные значения испытательных сигналов формируются на Ресурс-К2М исходя из заданных фазных значений испытательных сигналов.
-
- рассчитать значения относительной погрешности измерений среднеквадратических гармонических составляющих фазного и междуфазного напряжения переменного тока, в соответствии с формулой (2) для при Usg,n>0,01-U(i) или приведенной погрешности измерений среднеквадратических гармонических составляющих фазного и междуфазного напряжения переменного тока в соответствии с формулой (3) при Usgn<0,01 U(i). В качестве нормирующего значения Ан принять ином;
-
- рассчитать значения относительной погрешности измерений коэффициентов гармонической составляющей фазного и междуфазного напряжения переменного тока, в соответствии с формулой (2) для при KUsg>n> 1 % или приведенной погрешности измерений коэффициентов гармонической составляющей фазного и междуфазного напряжения переменного тока в соответствии с формулой (3) при KUsg,n< 1 % . В качестве нормирующего значения Ан принять ином;
-
- рассчитать значение абсолютной погрешности измерений угла фазового сдвига между фазным током и напряжением гармонической составляющей.
Испытания провести последовательно для двух номинальных значений:
-
- 1ном = 5 А при ином = 220 В;
-
- 1ном = 1 А при ином = 57,7 В.
Результаты считают положительными, если полученные значения погрешности не превышают значений, указанных в описании типа на терминал ARIS-23xx.
Таблица 33 - Испытательные сигналы для определения приведенной погрешности измерения среднеквадратических значений гармонической составляющей фазного и междуфазного напряжения переменного тока
|
Порядок гармоники n |
Тип 1 |
Тип 2 |
Тип 3 |
Тип 4 |
Тип 5 | ||||||
|
KUsg,n, KIisg,n, % |
<PU(n), фЫ(п), ° |
KUsg,n, KIisg,n, % |
фи(п), фи1(п), ° |
KUsg,n, KIisg,n, % |
фи(п), ° |
фШ(п), ° |
KUsg,n, KIisg,n, % |
фи(п), фШ(п), ° |
Kusg,^ KIisg,n, % |
фи(п), фШ(п), ° | |
|
2 |
0,15 |
0 |
0 |
0 |
4 |
-90 |
0 |
2,00 |
0 |
3,00 |
0 |
|
3 |
0 |
0 |
30 |
0 |
4 |
-90 |
10 |
5,00 |
0 |
7,50 |
30 |
|
4 |
0 |
0 |
0 |
0 |
4 |
-90 |
20 |
1,00 |
0 |
1,50 |
0 |
|
5 |
0 |
0 |
0 |
0 |
4 |
-90 |
30 |
6,00 |
0 |
9,00 |
60 |
|
6 |
0 |
0 |
0 |
0 |
4 |
-90 |
40 |
0,50 |
0 |
0,75 |
0 |
|
7 |
0,30 |
0 |
0 |
0 |
4 |
-90 |
50 |
5,00 |
0 |
7,50 |
90 |
|
8 |
0 |
0 |
0 |
0 |
4 |
-90 |
60 |
0,50 |
0 |
0,75 |
0 |
|
9 |
0 |
0 |
0 |
0 |
4 |
-90 |
70 |
1,50 |
0 |
2,25 |
120 |
|
10 |
0 |
0 |
20 |
0 |
4 |
-90 |
80 |
0,50 |
0 |
0,75 |
0 |
|
11 |
0 |
0 |
0 |
0 |
4 |
0 |
90 |
3,50 |
0 |
5,25 |
150 |
|
12 |
0,15 |
0 |
0 |
0 |
4 |
0 |
100 |
0,20 |
0 |
0,30 |
0 |
|
13 |
0 |
0 |
0 |
0 |
4 |
0 |
110 |
3,00 |
0 |
4,50 |
180 |
|
14 |
0 |
0 |
0 |
0 |
4 |
0 |
120 |
0,20 |
0 |
0,30 |
0 |
|
15 |
0 |
0 |
0 |
0 |
4 |
0 |
130 |
0,30 |
0 |
0,45 |
-150 |
|
16 |
0 |
0 |
0 |
0 |
4 |
0 |
140 |
0,20 |
0 |
0,30 |
0 |
|
17 |
0,30 |
0 |
0 |
0 |
4 |
0 |
150 |
2,00 |
0 |
3,00 |
-120 |
|
18 |
0 |
0 |
0 |
0 |
4 |
0 |
160 |
0,20 |
0 |
0,30 |
0 |
|
19 |
0 |
0 |
0 |
0 |
4 |
90 |
170 |
1,50 |
0 |
2,25 |
-90 |
|
20 |
0 |
0 |
20 |
0 |
4 |
90 |
180 |
0,20 |
0 |
0,30 |
0 |
|
21 |
0 |
0 |
0 |
0 |
4 |
90 |
-170 |
0,20 |
0 |
0,30 |
-60 |
|
22 |
0,15 |
0 |
0 |
0 |
4 |
90 |
-160 |
0,20 |
0 |
0,30 |
0 |
|
23 |
0 |
0 |
0 |
0 |
4 |
90 |
-150 |
1,50 |
0 |
2,25 |
-30 |
|
24 |
0 |
0 |
0 |
0 |
4 |
90 |
-140 |
0,20 |
0 |
0,30 |
0 |
|
25 |
0 |
0 |
0 |
0 |
4 |
90 |
-130 |
1,50 |
0 |
2,25 |
0 |
|
26 |
0 |
0 |
0 |
0 |
4 |
90 |
-120 |
0,20 |
0 |
0,30 |
0 |
|
27 |
0,30 |
0 |
0 |
0 |
4 |
90 |
-110 |
0,20 |
0 |
0,30 |
30 |
|
28 |
0 |
0 |
0 |
0 |
4 |
90 |
-100 |
0,20 |
0 |
0,30 |
0 |
|
29 |
0 |
0 |
0 |
0 |
4 |
90 |
-90 |
1,32 |
0 |
1,92 |
60 |
|
30 |
0 |
0 |
10 |
0 |
4 |
90 |
-80 |
0,20 |
0 |
0,30 |
0 |
|
31 |
0 |
0 |
0 |
0 |
4 |
90 |
-70 |
1,25 |
0 |
1,86 |
90 |
|
32 |
0,15 |
0 |
0 |
0 |
4 |
90 |
-60 |
0,20 |
0 |
0,30 |
0 |
|
33 |
0 |
0 |
0 |
0 |
4 |
90 |
-50 |
0,20 |
0 |
0,30 |
120 |
|
34 |
0 |
0 |
0 |
0 |
4 |
0 |
-40 |
0,20 |
0 |
0,30 |
0 |
|
35 |
0 |
0 |
0 |
0 |
4 |
0 |
-30 |
1,13 |
0 |
1,70 |
150 |
|
36 |
0 |
0 |
0 |
0 |
4 |
0 |
-20 |
0,20 |
0 |
0,30 |
0 |
|
37 |
0,30 |
0 |
0 |
0 |
4 |
0 |
-10 |
1,08 |
0 |
1,62 |
180 |
|
38 |
0 |
0 |
0 |
0 |
4 |
0 |
0 |
0,20 |
0 |
0,30 |
0 |
|
39 |
0 |
0 |
0 |
0 |
4 |
0 |
10 |
0,20 |
0 |
0,30 |
-150 |
|
40 |
0 |
0 |
5 |
0 |
4 |
0 |
20 |
0,20 |
0 |
0,30 |
0 |
|
41 |
0 |
0 |
0 |
0 |
4 |
0 |
30 |
1,00 |
0 |
1,58 |
-120 |
|
42 |
0,15 |
0 |
0 |
0 |
4 |
0 |
40 |
0,20 |
0 |
0,30 |
0 |
|
43 |
0 |
0 |
0 |
0 |
4 |
0 |
50 |
0,98 |
0 |
1,52 |
-90 |
|
44 |
0 |
0 |
0 |
0 |
4 |
0 |
60 |
0,20 |
0 |
0,30 |
0 |
|
Порядок гармоники n |
Тип 1 |
Тип 2 |
Тип 3 |
Тип 4 |
Тип 5 | ||||||
|
KUsg,n, KIisg,n, % |
<PU(n), фи1(п) ° |
KUsg,n, KIisg,n, % |
фи(п), фи1(п) ° |
KUsgn KIisg,n, % |
фи(п), ° |
фи1(п) ° |
Кизд,п, KIisg,n, % |
фи(п), фШ(п), ° |
Kusg,^ KIisg,n, % |
фи(пЛ фи1(п) ° | |
|
45 |
0 |
0 |
0 |
0 |
4 |
0 |
70 |
0,20 |
0 |
0,30 |
-60 |
|
46 |
0 |
0 |
0 |
0 |
4 |
0 |
80 |
0,20 |
0 |
0,30 |
0 |
|
47 |
0,30 |
0 |
0 |
0 |
4 |
0 |
90 |
0,95 |
0 |
1,40 |
-30 |
|
48 |
0 |
0 |
0 |
0 |
4 |
0 |
100 |
0,20 |
0 |
0,30 |
0 |
|
49 |
0 |
0 |
0 |
0 |
4 |
0 |
110 |
0,90 |
0 |
1,20 |
0 |
|
50 |
0 |
0 |
5 |
0 |
4 |
0 |
120 |
0,20 |
0 |
0,30 |
0 |
-
8.6.4.16 Определение погрешностей измерений среднеквадратического значения интергармонической составляющей фазного и междуфазного напряжения переменного тока (эталонные значения среднеквадратических значений интергармонических составляющих фазного и междуфазного напряжения переменного тока не задаются калибратором непосредственно, значения получены путем умножения величины коэффициента интергармонических составляющих фазного и междуфазного напряжения переменного тока на среднеквадратическое значение напряжения переменного тока основной гармоники), измерений коэффициентов интергармонических составляющих напряжения переменного тока провести в следующей последовательности:
-
- на измерительные входы модуля с Ресурс-К2М последовательно подать испытательные сигналы соответствующей величины в соответствии с таблицей 34;
Примечание - междуфазные значения испытательных сигналов формируются на Ресурс-К2М исходя из заданных фазных значений испытательных сигналов.
-
- рассчитать значения абсолютной погрешности измерений коэффициентов интергармонических составляющих напряжения переменного тока по всем проверяемым точкам в соответствии с формулой (1) при KUisg(m)<1,0; относительной погрешности измерений коэффициентов интергармонических составляющих напряжения переменного тока по всем проверяемым точкам в соответствии с формулой (2) при Kuisg(m)>1,0.
-
- рассчитать значения относительной погрешности измерений среднеквадратических значений интергармонических составляющих фазного и междуфазного напряжения переменного тока, в соответствии с формулой (2) для при Uisgm >0,01-U(i) или приведенной погрешности измерений среднеквадратических интергармонических составляющих фазного и междуфазного напряжения переменного тока в соответствии с формулой (3) при Uisgm<0,01 U(1). В качестве нормирующего значения Ан принять ином.
Испытания провести последовательно для двух номинальных значений:
-
- 1ном = 5 А при ином = 220 В;
-
- 1ном = 1 А при ином = 57,7 В.
Результаты считают положительными, если полученные значения погрешности не превышают значений, указанных в описании типа на терминал ARIS-23xx
Таблица 34 - Испытательные сигналы для определения приведенной погрешности измерения среднеквадратического значения интергармонической составляющей фазного и междуфазного напряжения переменного тока
|
Порядок интергармоники m |
Тип 1 частота основной гармоники- 49,997 Гц |
Тип 2 частота основной гармоники- 42,504 Гц |
Тип 3 частота основной гармоники- 57,492 Гц | |||
|
KUisg(m), KIisg(m), % |
^Uisg(m)-, ffijlisg(m)i |
KUisg(m), KIisg(m), % |
^Uisg(m)i ^UHsg(m)^ |
KUisg(m), KIisg(m), % |
tyUisgfa)-, ffijlisg(m)i | |
|
1 |
3,0 |
0 |
0 |
0 |
1 |
-30 |
|
2 |
2,0 |
0 |
0 |
0 |
1 |
0 |
|
Порядок интергармоники m |
Тип 1 частота основной гармоники- 49,997 Гц |
Тип 2 частота основной гармоники- 42,504 Гц |
Тип 3 частота основной гармоники- 57,492 Гц | |||
|
KUisg(m), KIisg(m), % |
^Uisg(m)-, $UIisg(m)i |
KUisg(m)i KIisg(m), % |
^Uisg(m)i ^UHsg(m)^ |
KUisg(m), KIisg(m), % |
$Uisg(m)i $UIisg(m)i | |
|
3 |
1,0 |
0 |
0 |
0 |
1 |
30 |
|
4 |
0,5 |
0 |
0 |
0 |
1 |
0 |
|
5 |
0 |
0 |
10 |
0 |
1 |
60 |
|
6 |
3,0 |
0 |
0 |
0 |
1 |
0 |
|
7 |
2,0 |
0 |
0 |
0 |
1 |
90 |
|
8 |
1,0 |
0 |
0 |
0 |
1 |
0 |
|
9 |
0,5 |
0 |
0 |
0 |
1 |
120 |
|
10 |
0 |
0 |
10 |
0 |
1 |
0 |
|
11 |
3,0 |
0 |
0 |
0 |
1 |
150 |
|
12 |
2,0 |
0 |
0 |
0 |
1 |
0 |
|
13 |
1,0 |
0 |
0 |
0 |
1 |
180 |
|
14 |
0,5 |
0 |
0 |
0 |
1 |
0 |
|
15 |
0 |
0 |
10 |
0 |
1 |
-150 |
|
16 |
3,0 |
0 |
0 |
0 |
1 |
0 |
|
17 |
2,0 |
0 |
0 |
0 |
1 |
-120 |
|
18 |
1,0 |
0 |
0 |
0 |
1 |
0 |
|
19 |
0,5 |
0 |
0 |
0 |
1 |
-90 |
|
20 |
0 |
0 |
10 |
0 |
1 |
0 |
|
21 |
3,0 |
0 |
0 |
0 |
1 |
-60 |
|
22 |
2,0 |
0 |
0 |
0 |
1 |
0 |
|
23 |
1,0 |
0 |
0 |
0 |
1 |
-30 |
|
24 |
0,5 |
0 |
0 |
0 |
1 |
0 |
|
25 |
0 |
0 |
10 |
0 |
1 |
0 |
|
26 |
3,0 |
0 |
0 |
0 |
1 |
0 |
|
27 |
2,0 |
0 |
0 |
0 |
1 |
30 |
|
28 |
1,0 |
0 |
0 |
0 |
1 |
0 |
|
29 |
0,5 |
0 |
0 |
0 |
1 |
60 |
|
30 |
0 |
0 |
10 |
0 |
1 |
0 |
|
31 |
3,0 |
0 |
0 |
0 |
1 |
90 |
|
32 |
2,0 |
0 |
0 |
0 |
1 |
0 |
|
33 |
1,0 |
0 |
0 |
0 |
1 |
120 |
|
34 |
0,5 |
0 |
0 |
0 |
1 |
0 |
|
35 |
0 |
0 |
10 |
0 |
1 |
150 |
|
36 |
3,0 |
0 |
0 |
0 |
1 |
0 |
|
37 |
2,0 |
0 |
0 |
0 |
1 |
180 |
|
38 |
1,0 |
0 |
0 |
0 |
1 |
0 |
|
39 |
0,5 |
0 |
0 |
0 |
1 |
-150 |
|
40 |
0 |
0 |
10 |
0 |
1 |
0 |
|
41 |
3,0 |
0 |
0 |
0 |
1 |
-120 |
|
42 |
2,0 |
0 |
0 |
0 |
1 |
0 |
|
43 |
1,0 |
0 |
0 |
0 |
1 |
-90 |
|
44 |
0,5 |
0 |
0 |
0 |
1 |
0 |
|
45 |
0 |
0 |
10 |
0 |
1 |
-60 |
|
46 |
3,0 |
0 |
0 |
0 |
1 |
0 |
|
47 |
2,0 |
0 |
0 |
0 |
1 |
-30 |
|
48 |
1,0 |
0 |
0 |
0 |
1 |
0 |
|
Порядок интергармоники m |
Тип 1 частота основной гармоники- 49,997 Гц |
Тип 2 частота основной гармоники- 42,504 Гц |
Тип 3 частота основной гармоники- 57,492 Гц | |||
|
KUisg(m), KIisg(m), % |
^Uisg(m)-, tyUIisgfm)) |
KUisg(m), KIisg(m), % |
^Uisg(m)i ^UHsg(m)^ |
KUisg(m), KIisg(m), % |
tyUisgfa) tyUIisg(m)i | |
|
49 |
0,5 |
0 |
0 |
0 |
1 |
30 |
-
8.6.4.17 Определение погрешности измерений коэффициента искажения синусоидальности кривой фазного и междуфазного напряжения переменного тока провести в следующей последовательности:
-
- на измерительные входы модуля с Ресурс-К2М последовательно подать испытательные сигналы соответствующей величины в соответствии с таблицей 35;
-
- рассчитать значения абсолютной погрешности измерений коэффициента искажения синусоидальности кривой фазного напряжения по всем проверяемым точкам в соответствии с формулой (1) при KU<1,0; относительной погрешности измерений коэффициента искажения синусоидальности кривой фазного напряжения переменного тока KU по всем проверяемым точкам в соответствии с формулой (2) при Ku>1,0.
Испытания провести последовательно для двух номинальных значений:
-
— 1ном = 5 А при ином = 220 В;
-
— 1ном = 1 А при ином = 57,7 В.
Результаты считают положительными, если полученные значения погрешности не превышают значений, указанных в описании типа на терминал ARIS-23xx.
Таблица 35 - Испытательные сигналы для определения приведенной погрешности измерения коэффициента искажения синусоидальности кривой фазного и междуфазного напряжения
|
Испытатель ный сигнал № |
Измерительный сигнал | |||
|
Частота, Гц |
А, % Шв, % SUc, % |
KUa, KIa, % KUb, KIb, % KUc, KIc,% |
KUsg,n A (KIisg,n А), % KUsg,n B (KIisg,n B), % KUsg,n C (KIisg,n C), % | |
|
1 |
49,997 |
0 |
0,75 |
Тип 1 (Таблица 33) |
|
2 |
46,001 |
-10 |
43,01 |
Тип 2 (Таблица 33) |
|
3 |
53,992 |
-20 |
28,00 |
Тип 3 (Таблица 33) |
|
4 |
42,504 |
20 |
11,68 |
Тип 4 (Таблица 33) |
|
5 |
57,492 |
10 |
17,43 |
Тип 5(Таблица 33) |
-
8.6.4.18 Определение погрешности измерения коэффициента искажения синусоидальности кривой (суммарного коэффициента гармонических составляющих) междуфазного напряжения переменного тока проводят в следующей последовательности:
-
— на измерительные входы модуля с Ресурс-К2М последовательно подать испытательные сигналы соответствующей величины в соответствии с таблицей 36;
-
— рассчитать значения абсолютной погрешности измерений коэффициента искажения синусоидальности кривой междуфазного напряжения по всем проверяемым точкам в соответствии с формулой (1) при Кимф<1,0; относительной погрешности измерений коэффициента искажения синусоидальности кривой междуфазного напряжения переменного тока Кимф по всем проверяемым точкам в соответствии с формулой (2) приКимф>1,0.
Испытания провести последовательно для двух номинальных значений:
-
— 1ном = 5 А при ином = 220 В;
-
— 1ном = 1 А при ином = 57,7 В.
Результаты считают положительными, если полученные значения погрешности не превышают значений, указанных в описании типа на терминал ARIS-23xx.
Таблица 36 - Испытательные сигналы для определения приведенной погрешности измерения коэффициента искажения синусоидальности кривой напряжения
|
Характеристика |
Измерительный сигнал | ||||
|
А1 |
А2 |
А3 |
А4 |
А5 | |
|
Частота |
49,997 |
46,001 |
53,992 |
42,504 |
57,492 |
|
Зил, Sub, Sue, % |
0 |
-10 |
-20 |
20 |
10 |
|
фиь, ° |
-120 |
-110 |
-120 |
-120 |
-120 |
|
Фис, ° |
120 |
130 |
120 |
120 |
125 |
|
Спектральный состав сигнала |
Тип 1 по таблице 33 |
Тип 2 по таблице 33 |
Тип 3 по таблице 33 |
Тип 4 по таблице 33 |
Тип 5 по таблице 33 |
|
Ожидаемые значения | |||||
|
8Uab,% |
0 |
-13,80 |
-20 |
20 |
11,33 |
|
SUbc,% |
0 |
-6,25 |
-20 |
20 |
17,39 |
|
8Uca,% |
0 |
-2,27 |
-20 |
20 |
13,75 |
|
0Uab,° |
120 |
110 |
120 |
120 |
120 |
|
0ЦЬс,° |
120 |
110 |
120 |
120 |
115 |
|
Фиса,° |
120 |
130 |
120 |
120 |
125 |
|
K2U,Kou,/o |
0 |
5,83 |
0 |
0 |
2,91 |
|
Kua,Kub,Kuc,°% |
0 |
43,01 |
28,25 |
11,68 |
17,52 |
|
Kuab,°% |
0 |
15,88 |
22,98 |
10,41 |
15,61 |
|
КиЬс,% |
0 |
29,16 |
22,98 |
10,41 |
15,14 |
|
Киса,°% |
0 |
27,67 |
22,98 |
10,41 |
13,91 |
-
8.6.4.19 Определение приведенной погрешности измерений среднеквадратического значения силы переменного тока основной частоты провести в следующей последовательности:
-
- на измерительные входы модуля с Ресурс-К2М последовательно подать испытательные сигналы соответствующей величины в соответствии с таблицей 37;
-
- рассчитать значения приведенной погрешности измерений среднеквадратического значения силы переменного тока основной частоты по всем проверяемым точкам в соответствии с формулой (3). В качестве нормирующего значения Ан принимается значение силы тока 1,5-Ihom.
Испытания провести последовательно для двух номинальных значений:
-
— 1ном = 5 А при Uhom = 220 В;
-
— 1ном = 1 А при Uhom = 57,7 В-
Результаты считают положительными, если полученные значения погрешности не превышают значений, указанных в описании типа на терминал ARIS-23xx.
Таблица 37 - Испытательные сигналы для определения приведенной погрешности измерения среднеквадратического значения силы переменного тока основной частоты
|
№ |
Значение напряжения переменного тока, % от Uhom |
Значение силы переменного тока, % от Ihom |
Угол фазового сдвига между током и напряжением, ° | ||||
|
Uh |
Ub |
Uc |
Ia |
Ib |
Ic | ||
|
1 |
100 |
1 |
1 |
1 |
0 | ||
|
2 |
20 |
20 |
20 | ||||
|
3 |
50 |
50 |
50 | ||||
|
4 |
80 |
80 |
80 | ||||
|
5 |
100 |
100 |
100 | ||||
|
6 |
120 |
120 |
120 | ||||
|
№ |
Значение напряжения переменного тока, % от ином |
Значение силы переменного тока, % от 1ном |
Угол фазового сдвига между током и напряжением, ° | ||||
|
Uh |
Ub |
Uc |
1а |
Ib |
Ic | ||
|
7 |
150 |
150 |
150 | ||||
-
8.6.4.20 Определение погрешности измерений среднеквадратического значения гармонической составляющей силы переменного тока и коэффициента n-й гармонической составляющей силы переменного тока провести в следующей последовательности (эталонные значения среднеквадратических значений гармонических составляющих силы переменного тока не задаются калибратором непосредственно, значения получены путем умножения величины коэффициента n-х гармонических составляющих силы переменного тока на среднеквадратическое значение силы переменного тока основной гармоники):
-
— на измерительные входы модуля с Ресурс-К2М последовательно подать испытательные сигналы соответствующей величины в соответствии с таблицей 33;
-
— рассчитать значения абсолютной погрешности измерений коэффициентов n-й гармонической составляющей силы переменного тока по всем проверяемым точкам в соответствии с формулой (1) при KIsg,n<1,0; относительной погрешности измерений коэффициентов n-й гармонической составляющей силы переменного тока по всем проверяемым точкам в соответствии с формулой (2) при KIsg,n >1,0;
-
— рассчитать значения относительной погрешности измерений среднеквадратических значений гармонических составляющих силы переменного тока в соответствии с формулой (2) при Isg>n>0,03\I(1); приведенной погрешности измерений среднеквадратических значений гармонических составляющих силы переменного тока в соответствии с формулой (3) приЛап <0,03-1(1). В качестве нормирующего значения Ан принять 1,5-!ном.
Испытания провести последовательно для двух номинальных значений:
-
— 1ном = 5 А при ином = 220 В;
-
— 1ном = 1 А при ином = 57,7 В.
Результаты считают положительными, если полученные значения погрешности не превышают значений, указанных в описании типа на терминал ARIS-23xx.
-
8.6.4.21 Определение погрешности измерения коэффициентов интергармонических составляющих силы переменного тока и среднеквадратических значений интергармонических составляющих силы переменного тока (эталонные значения среднеквадратических значений интергармонических составляющих силы переменного тока не задаются калибратором непосредственно, значения получены путем умножения величины коэффициента интергармонических составляющих силы переменного тока на среднеквадратическое значение силы переменного тока основной гармоники провести в следующей последовательности:
-
— на измерительные входы модуля с Ресурс-К2М последовательно подать испытательные сигналы соответствующей величины в соответствии с таблицей 34;
-
— рассчитать значения абсолютной погрешности измерений коэффициентов интергармонических составляющих силы переменного тока по всем проверяемым точкам в соответствии с формулой (1) при KIisg(m)<3,0; относительной погрешности измерений коэффициентов интергармонических составляющих силы переменного тока по всем проверяемым точкам в соответствии с формулой (2) приК[^д(т)>3,0.
-
— рассчитать значения относительной погрешности измерений среднеквадратических значений m-х интергармонических составляющих силы переменного тока по всем проверяемым точкам в соответствии с формулой (2) при Iisg,m>0,03Y(1); приведенной к номинальному значению погрешности измерений среднеквадратических значений m-х интергармонических составляющих силы переменного тока по всем проверяемым точкам в соответствии с формулой (3) при Ijsg,m<0,03-I(i). В качестве нормирующего значения Ан принять 1,5-1ном.
Испытания провести последовательно для двух номинальных значений:
-
— 1ном = 5 Л при UHOM = 220 В;
-
— 1ном = 1 Л при UHOM = 'У7,'7 В.
Результаты считают положительными, если полученные значения погрешности не превышают значений, указанных в описании типа на терминал ARIS-23xx.
-
8.6.4.22 Определение погрешности измерений коэффициента искажения синусоидальности кривой тока провести в следующей последовательности:
-
— на измерительные входы модуля с Ресурс-К2М последовательно подать испытательные сигналы соответствующей величины в соответствии с таблицей 38;
-
— рассчитать значения абсолютной погрешности измерений коэффициента искажения синусоидальности кривой тока по всем проверяемым точкам в соответствии с формулой (1) при KI<3,0; относительной погрешности измерений коэффициента искажения синусоидальности кривой тока по всем проверяемым точкам в соответствии с формулой (2) при KI>3,0.
Испытания провести последовательно для двух номинальных значений:
-
— 1ном = 5 Л при ином = 220 В;
-
— 1ном = 1 Л при ином = 57,7 В.
Результаты считают положительными, если полученные значения погрешности не превышают значений, указанных в описании типа на терминал ARIS-23xx.
Таблица 38 - Испытательные сигналы для определения приведенной погрешности измерения коэффициента искажения синусоидальности кривой тока
|
Испытательный сигнал |
И |
змерительный сигнал | ||
|
Частота, Гц |
31л, % а/в, % 3IC, % |
KIa, % KIb, % KIc, % |
KIsg,n A, % KIsg,n B, % KIsg,n C, % | |
|
1 |
49,997 |
0 |
0 |
Тип 1 (Таблица 33) |
|
2 |
48,994 |
-10 |
42,72 |
Тип 2 (Таблица 33) |
|
3 |
50,996 |
-20 |
24,98 |
Тип 3 (Таблица 33) |
|
4 |
44,996 |
20 |
11,52 |
Тип 4 (Таблица 33) |
|
5 |
55,000 |
10 |
17,27 |
Тип 5(Таблица 33) |
-
8.6.4.23 Определение абсолютной погрешности измерения коэффициентов несимметрии напряжений по обратной и нулевой последовательностям провести в следующей последовательности:
-
— на измерительные входы модуля с Ресурс-К2М последовательно подать испытательные сигналы соответствующей величины в соответствии с таблицей 39. Спектральный состав сигнала должен соответствовать типу 4 таблицы 33;
-
— рассчитать значения абсолютной погрешности измерений коэффициентов несимметрии напряжений по обратной и нулевой последовательностям по всем проверяемым точкам в соответствии с формулой (1).
Испытания провести последовательно для двух номинальных значений:
-
— 1ном = 5 Л при ином = 220 В;
-
— 1ном = 1 Л при ином = 57,7 В.
Результаты считают положительными, если полученные значения погрешности не превышают значений, указанных в описании типа на терминал ARIS-23xx.
Таблица 39 - Испытательные сигналы для определения приведенной погрешности измерения коэффициентов несимметрии напряжений по обратной и нулевой последовательностям
|
Испытательный сигнал № |
Измерительный сигнал | ||||
|
, SIa% |
SUb, 6Ib%> |
SUC, SIc% |
K0U, K0I % |
K2U, K2I % | |
|
1 |
-15 |
-10 |
-5 |
3,208 |
3,208 |
|
2 |
30 |
-10 |
-20 |
15,275 |
15,275 |
-
8.6.4.24 Определение абсолютной погрешности измерения коэффициентов несимметрии токов по обратной и нулевой последовательностям проводят в следующей последовательности:
-
— на измерительные входы модуля с Ресурс-К2М последовательно подать испытательные сигналы соответствующей величины в соответствии с таблицей 39. Спектральный состав сигнала должен соответствовать типу 4 таблицы 33;
-
— рассчитать значения абсолютной погрешности измерений коэффициентов несимметрии токов по обратной и нулевой последовательностям по всем проверяемым точкам в соответствии с формулой (1).
Испытания провести последовательно для двух номинальных значений:
-
— 1ном = 5 Л при ином = 220 В;
-
— 1ном = 1 Л при ином = 57,7 В.
Результаты считают положительными, если полученные значения погрешности не превышают значений, указанных в описании типа на терминал ARIS-23xx.
-
8.6.4.25 Определение абсолютной погрешности измерений угла фазового сдвига между фазными напряжениями основной гармоники и погрешности измерений между междуфазными напряжениями основной гармоники провести в следующей последовательности:
-
— на измерительные входы модуля с Ресурс-К2М последовательно подать испытательные сигналы соответствующей величины в соответствии с таблицей 40;
Примечание - углы фазового сдвига между напряжениями основной гармоники и угла фазового сдвига между междуфазными напряжениями основной гармоники формируются Ресурс-К2М исходя из заданных значений фазовых углов напряжения
-
— рассчитать значения абсолютной погрешности измерений угла фазового сдвига между напряжениями основной гармоники и угла фазового сдвига между междуфазными напряжениями основной гармоники по всем проверяемым точкам в соответствии с формулой (1).
Испытания провести последовательно для двух номинальных значений:
-
— 1ном = 5 Л при ином = 220 В;
-
— 1ном = 1 Л при ином = 57,7 В.
Результаты считают положительными, если полученные значения погрешности не превышают значений, указанных в описании типа на терминал ARIS-23xx.
Таблица 40 - Испытательные сигналы для определения приведенной погрешности измерения угла фазового сдвига между фазными напряжениями основной гармоники и погрешности измерений между междуфазными напряжениями основной гармоники
|
№ |
Значение напряжения переменного тока, % от ином |
Значение силы переменного тока, % от 1ном |
Фазовый угол, ° | ||||||
|
и |
Ub |
Uc |
1а |
Ib |
Ic |
фиа |
фиь |
фис | |
|
1 |
0 |
-120 |
120 | ||||||
|
2 |
100 |
100 |
0 |
-30 |
60 | ||||
|
3 |
0 |
-60 |
90 | ||||||
|
№ |
Значение напряжения переменного тока, % от ином |
Значение силы переменного тока, % от 1ном |
Фазовый угол, ° | ||||||
|
Uh |
Ub |
Uc |
1а |
Ib |
Ic |
фиа |
фиь |
фис | |
|
4 |
0 |
-90 |
120 | ||||||
|
5 |
0 |
120 |
-90 | ||||||
|
6 |
0 |
150 |
-75 | ||||||
|
7 |
0 |
-90 |
60 | ||||||
-
8.6.4.26 Определение абсолютной погрешности измерений угла фазового сдвига между током и напряжением основной гармоники, угла фазового сдвига между токами основной гармоники провести в следующей последовательности
-
- на измерительные входы модуля с Ресурс-К2М последовательно подать испытательные сигналы соответствующей величины в соответствии с таблицей 41;
-
- рассчитать значения абсолютной погрешности измерений угла фазового сдвига между током и напряжением основной гармоники, угла фазового сдвига между токами основной гармоники по всем проверяемым точкам в соответствии с формулой (1).
Испытания провести последовательно для двух номинальных значений:
-
— 1ном = 5 А при ином = 220 В;
-
— 1ном = 1 А при ином = 57,7 В.
Результаты считают положительными, если полученные значения погрешности не превышают значений, указанных в описании типа на терминал ARIS-23xx.
Таблица 41 - Испытательные сигналы для определения приведенной погрешности измерения угла фазового сдвига между током и напряжением, угла фазового сдвига между токами
|
№ |
Значение напряжения переменного тока, % от ином |
Значение силы переменного тока, % от 1ном |
Угол фазового сдвига между током и напряжением, ° | ||||||
|
иа |
Ub |
Uc |
1а |
Ib |
Ic |
фа |
фь |
фс | |
|
1 |
100 |
100 |
0 |
0 |
0 | ||||
|
2 |
15 |
15 |
15 | ||||||
|
3 |
30 |
30 |
30 | ||||||
|
4 |
60 |
60 |
60 | ||||||
|
5 |
90 |
90 |
90 | ||||||
|
6 |
120 |
120 |
120 | ||||||
|
7 |
150 |
150 |
150 | ||||||
|
8 |
180 |
180 |
180 | ||||||
|
9 |
-30 |
-30 |
-30 | ||||||
|
10 |
-60 |
-60 |
-60 | ||||||
|
11 |
-90 |
-90 |
-90 | ||||||
|
12 |
-120 |
-120 |
-120 | ||||||
|
13 |
-150 |
-150 |
-150 | ||||||
-
8.6.5 Определение метрологических характеристик при измерении параметров переменного тока с помощью модулей P5, P8 (для опции PM).
8.6.5.1 Перед проверкой необходимо провести предварительную настройку модулей в следующем порядке:
— открыть веб-конфигуратор, открыть меню «Система/Настройка модулей», вбрать необходимый измерительный модуль типа P5, либо P8. Если модули данного типа отсутствуют, то перейти к следующему разделу поверки 8.6.6;
-
- для номинального значения напряжения переменного тока 100 В из выпадающего меню «Номинальное напряжение входов U1, U2, U3 вторичное» выбрать значение 100 В;
-
- для номинального значения напряжения переменного тока 57,7 В из выпадающего меню «Номинальное напряжение входов U1, U2, U3 вторичное» выбрать значение 57,7 В;
-
- подключают установку модульную трехфазную портативную PTS 400.3 (далее -PTS 400.3), трансформаторы тока измерительные (далее по тексту - ТТИ) и трансформаторы тока эталонные двухступенчатые ИТТ-3000.5 (далее по тексту - ИТТ) к модулю P5, P8. Схема подключений приведена на рисунке 8;
Примечание: допускается использовать один ТТИ и один ИТТ-3000.5, в этом случае все три катушки Роговского из модулей Р5 и Р8 необходимо подключают в одну любою токовую цепь согласно рисунку 8.
-
- кабель связи интерфейса Ethernet подключить к разъему Ethernet ARIS-23xx, другой конец кабеля подключить к ПЭВМ, сетевое соединение ПЭВМ должно быть в одной подсети с ARIS-23xx, т.е. <1Р-адрес ARIS-23xx > должен быть доступен с ПЭВМ. Схема подключений приведена на рисунке 8;
-
- подать питание на ARIS-23xx, дождаться загрузки ПО.

Рисунок 8 - Схема подключений терминала для проверки модулей P5, P8
8.6.5.2 Определение абсолютной погрешности измерений частоты переменного тока провести в следующей последовательности:
-
- на измерительные входы модуля с PTS 400.3 последовательно подать испытательные сигналы соответствующей величины в соответствии с таблицей 42;
-
- рассчитать значения абсолютной погрешности измерений частоты переменного тока для всех величин частоты по формуле (1).
-
- Uhom = 100 В;
-
- Uhom = 57,7 В.
Результаты считать положительными, если полученные значения погрешности не превышают значений, указанных в описании типа на терминал ARIS-23xx.
Таблица 42 - Испытательные сигналы для определения приведенной погрешности измерения частоты переменного тока
|
№ |
Значение напряжения переменного тока, % от Uhom |
Значение силы переменного тока, А |
Частота переменного тока, Г ц | ||||
|
иа |
Ub |
Uc |
1а |
Ib |
Ic | ||
|
1 |
100 |
400 |
42,504 | ||||
|
2 |
49,505 | ||||||
|
3 |
50,100 | ||||||
|
4 |
50,996 | ||||||
|
5 |
57,492 | ||||||
|
Примечание: Для подачи указанного тока необходимо в PTS 400.3выбрать величину равную I/Ктт, где Ктт - коэффициент трансформации трансформатора тока измерительного | |||||||
8.6.5.3 Определение приведенной погрешности измерений среднеквадратического значения фазного и междуфазного переменного напряжения для модуля Р5, провести в следующей последовательности:
-
- на измерительные входы модуля с PTS 400.3 последовательно подать испытательные сигналы соответствующей величины в соответствии с таблицей 43;
-
- рассчитать значения среднеквадратического значения фазного и междуфазного переменного напряжения по всем проверяемым точкам в соответствии с формулой (3). В качестве нормирующего значения Ан принять номинальное значение напряжения Uhom.
Испытания провести последовательно для двух номинальных значений:
-
- I=100A, для Uhom = 100 В;
-
- I=100A, дляЦюм = 57,7 В.
Результаты считают положительными, если полученные значения погрешности не превышают значений, указанных в описании типа на терминал ARIS-23xx.
Таблица 43 - Испытательные сигналы для определения приведенной погрешности измерения переменного напряжения
|
№ |
Значение напряжения переменного тока, % от Uhom |
Угол фазового сдвига между фазными напряжениями, ° | |||
|
иа |
Ub |
Uc |
фаЬ |
фас | |
|
1 |
5 |
5 |
5 |
120 |
-120 |
|
2 |
20 |
20 |
20 | ||
|
3 |
50 |
50 |
50 | ||
|
4 |
80 |
80 |
80 | ||
|
5 |
100 |
100 |
100 | ||
|
6 |
150 |
150 |
150 | ||
|
Примечание: Для подачи указанного тока необходимо в PTS 400.3 выбрать величину равную I/Ктт, где Ктт - коэффициент трансформации трансформатора тока измерительного | |||||
8.6.5.4 Определение приведенной погрешности измерений среднеквадратического значения фазного и междуфазного переменного напряжения переменного тока для модуля Р8, провести в следующей последовательности:
-
- на измерительные входы модуля с PTS 400.3 последовательно подать испытательные сигналы соответствующей величины в соответствии с таблицей 44;
-
- рассчитать значения среднеквадратического значения фазного и междуфазного переменного напряжения по всем проверяемым точкам в соответствии с формулой (3). В качестве нормирующего значения Ан принимается номинальное значение напряжения ином.
Испытания провести последовательно для двух номинальных значений:
-
- ином = 100 В;
ином
= 57,7 В.
Результаты считают положительными, если полученные значения погрешности не превышают значений, указанных в описании типа на терминал ARIS-23xx.
Таблица 44 - Испытательные сигналы для определения приведенной погрешности измерения
переменного напряжения
|
№ |
Значение напряжения переменного тока, % от ином |
Угол фазового сдвига между фазными напряжениями, ° | |||
|
иа |
Ub |
Uc |
фаЬ |
фас | |
|
1 |
5 |
5 |
5 |
120 |
-120 |
|
2 |
50 |
50 |
50 | ||
|
3 |
100 |
100 |
100 | ||
|
4 |
150 |
150 |
150 | ||
|
5 |
200 |
200 |
200 | ||
|
6 |
240 |
240 |
240 | ||
-
8.6.5.5 Определение приведенной погрешности измерений среднеквадратического значения напряжения прямой, обратной и нулевой последовательности для модулей Р5 и Р8 провести в следующей последовательности:
-
- на измерительные входы модуля с PTS 400.3 последовательно подать испытательные сигналы соответствующей величины в соответствии с таблицей 45;
-
- рассчитать значения приведенной погрешности измерений среднеквадратического значения напряжения прямой, обратной и нулевой последовательности по всем проверяемым точкам в соответствии с формулой (3). Для значений напряжения в качестве нормирующего значения Ан принимается номинальное значение напряжения ином.
Испытания провести последовательно для двух номинальных значений:
-
- ином = 100 В;
ином
= 57,7 В.
Результаты считают положительными, если полученные значения погрешности не превышают значений, указанных в описании типа на терминал ARIS-23xx.
Таблица 45 - Испытательные сигналы для определения приведенной погрешности измерения симметричных составляющих напряжения
|
№ |
Значение напряжения переменного тока, % от ином |
Угол фазового сдвига между фазными напряжениями, ° | |||
|
UH |
Ub |
Uc |
фаЬ |
фас | |
|
1 |
100 |
100 |
100 |
-120 |
120 |
|
2 |
50 |
100 |
100 | ||
|
3 |
100 |
50 |
100 | ||
|
4 |
100 |
100 |
50 | ||
|
№ |
Значение напряжения переменного тока, % от ином |
Угол фазового сдвига между фазными напряжениями, ° | |||
|
иа |
Ub |
Uc |
фаЬ |
фас | |
|
5 |
0 |
100 |
100 | ||
|
6 |
100 |
0 |
100 | ||
|
7 |
100 |
100 |
0 | ||
|
8 |
100 |
100 |
100 |
120 |
120 |
|
9 |
100 |
100 |
100 |
0 |
0 |
-
8.6.5.6 Определение относительной погрешности измерений среднеквадратического значения силы переменного тока для каналов I1, I2, I3 провести в следующей последовательности:
-
- на измерительные входы модуля с PTS 400.3 последовательно подать испытательные сигналы соответствующей величины в соответствии с таблицей 46;
-
- рассчитать значения относительной погрешности измерений среднеквадратического значения силы переменного тока по всем проверяемым точкам в соответствии с формулой (2).
Испытания провести последовательно для двух номинальных значений:
-
- ином = 100 В;
ином
= 57,7 В.
Результаты считают положительными, если полученные значения погрешности не превышают значений, указанных в описании типа на терминал ARIS-23xx.
Таблица 46 - Испытательные сигналы для определения приведенной погрешности измерения среднеквадратического значения силы переменного тока для каналов I1, I2, I3
|
№ |
Значение напряжения переменного тока, % от ином |
Значение силы переменного тока, А 1) 2) |
Угол фазового сдвига между током и напряжением, ° | ||||
|
иа |
Ub |
Uc |
1а |
Ib |
Ic | ||
|
1 |
100 |
1,5 |
1,5 |
1,5 |
0 | ||
|
2 |
10 |
10 |
10 | ||||
|
3 |
100 |
100 |
100 | ||||
|
4 |
1000 |
1000 |
1000 | ||||
|
5 |
2000 |
2000 |
2000 | ||||
|
Примечания
| |||||||
-
8.6.5.7 Определение относительной погрешности измерений среднеквадратического значения силы переменного тока для канала I4 провести в следующей последовательности:
-
- на измерительные входы модуля с PTS 400.3 последовательно подать испытательные сигналы соответствующей величины в соответствии с таблицей 47;
-
- рассчитать значения относительной погрешности измерений среднеквадратического значения силы переменного тока по всем проверяемым точкам в соответствии с формулой (2).
Испытания провести последовательно для двух номинальных значений:
-
- ином = 100 В;
ином
= 57,7 В.
Результаты считают положительными, если полученные значения погрешности не превышают значений, указанных в описании типа на терминал ARIS-23xx.
Таблица 47 - Испытательные сигналы для определения приведенной погрешности измерения среднеквадратического значения силы переменного тока для канала I4
|
№ |
Значение напряжения переменного тока, % от ином |
Значение силы переменного тока, А1) 2) |
Угол фазового сдвига между током и напряжением, ° | ||
|
иа |
Ub |
Uc |
Ic | ||
|
1 |
100 |
1,5 |
0 | ||
|
2 |
10 | ||||
|
3 |
100 | ||||
|
4 |
400 | ||||
|
5 |
700 | ||||
|
Примечания
| |||||
-
8.6.5.8 Определение относительной погрешности измерений среднеквадратического значения силы переменного тока прямой, обратной и нулевой последовательности провести в следующей последовательности:
-
- на измерительные входы модуля с PTS 400.3 последовательно подать испытательные сигналы соответствующей величины в соответствии с таблицей 48;
-
- рассчитать значения относительной погрешности измерений переменного тока прямой, обратной и нулевой последовательности по всем проверяемым точкам в соответствии с формулой (2).
Испытания провести последовательно для двух номинальных значений:
-
- ином = 100 В;
ином
= 57,7 В.
Результаты считают положительными, если полученные значения погрешности не превышают значений, указанных в описании типа на терминал ARIS-23xx.
Таблица 48 - Испытательные сигналы для определения приведенной погрешности измерения среднеквадратического значения силы переменного тока прямой, обратной и нулевой последовательности
|
№ |
Значение силы переменного тока, А1) 2) |
Угол фазового сдвига между током и |
Угол фазового сдвига между фазными напряжениями, ° | ||||||
|
нап |
ряжением, ° | ||||||||
|
1а |
Ib |
Ic |
ф1а |
фтъ |
ф1с |
фиа |
фио |
фис | |
|
1 |
1,5 |
1,5 |
1,5 |
0 |
0 |
0 |
0 |
-120 |
120 |
|
2 |
100 |
100 |
100 |
0 |
0 |
0 |
0 |
-120 |
120 |
|
3 |
2000 |
2000 |
2000 |
0 |
0 |
0 |
0 |
-120 |
120 |
|
4 |
1,5 |
1,5 |
1,5 |
0 |
0 |
0 |
0 |
120 |
-120 |
|
5 |
100 |
100 |
100 |
0 |
0 |
0 |
0 |
120 |
-120 |
|
6 |
2000 |
2000 |
2000 |
0 |
0 |
0 |
0 |
120 |
-120 |
|
7 |
1,5 |
1,5 |
1,5 |
0 |
0 |
0 |
0 |
0 |
0 |
|
8 |
100 |
100 |
100 |
0 |
0 |
0 |
0 |
0 |
0 |
|
9 |
2000 |
2000 |
2000 |
0 |
0 |
0 |
0 |
0 |
0 |
Примечания
1) Значения силы переменного тока до 100 А включительно подаются на модули Р5 и Р8 без
использования ТТИ и ИТТ-3000.5.
|
№ |
Значение силы переменного тока, А1) 2) |
Угол фазового сдвига между током и напряжением, ° |
Угол фазового сдвига между фазными напряжениями, ° | ||||||
|
1а |
Ib |
Ic |
ф1а |
фгь |
ф1с |
фиа |
фиь |
фис | |
|
2) Для подачи значений силы переменного тока 2000 А необходимо в PTS 400.3 выбрать величину равную I/Ктт, где Ктт - коэффициент трансформации ТТИ | |||||||||
-
8.6.5.9 Определение относительной погрешности измерений активной, реактивной, полной фазной (трехфазной) электрической мощности и абсолютной погрешности измерений коэффициента мощности (фазный) провести в следующей последовательности:
-
- на измерительные входы модуля с PTS 400.3 последовательно подать испытательные сигналы соответствующей величины в соответствии с таблицей 49;
-
- рассчитать значения относительной погрешности измерений активной, реактивной и полной фазной (трехфазной) электрической мощности, а также значения абсолютной погрешности коэффициента мощности (фазный) по всем проверяемым точкам в соответствии с формулами (2) и (1) соответственно.
Испытания провести последовательно для двух номинальных значений:
-
- ином = 100 В;
-
- ином = 57,7 В.
Результаты считают положительными, если полученные значения погрешности не превышают значений, указанных в описании типа на терминал ARIS-23xx.
Таблица 49 - Испытательные сигналы для определения приведенной погрешности измерения активной, реактивной, полной фазной (трехфазной) электрической мощности и абсолютной погрешности измерений коэффициента мощности (фазный) проводят в следующей последовательности
|
№ |
Значение напряжения переменного тока, % от ином |
Значение силы переменного тока, А 1) 2) |
Угол фазового сдвига между током и напряжением, ° | ||||
|
иа |
Ub |
Uc |
1а |
Ib |
Ic | ||
|
1 |
5 |
5 |
5 |
1,5 |
0 | ||
|
2 |
20 |
20 |
20 | ||||
|
3 |
50 |
50 |
50 | ||||
|
4 |
80 |
80 |
80 | ||||
|
5 |
100 |
100 |
100 | ||||
|
6 |
150 |
150 |
150 | ||||
11 |
100 |
10 |
10 |
10 | |||
|
100 |
100 |
100 | |||||
|
500 |
500 |
500 | |||||
|
1000 |
1000 |
1000 | |||||
|
2000 |
2000 |
2000 | |||||
|
12
|
150 |
2000 |
0 | ||||
|
30 | |||||||
|
60 | |||||||
|
90 | |||||||
|
120 | |||||||
|
150 | |||||||
|
180 | |||||||
|
Примечания
| |||||||
|
№ |
Значение напряжения переменного тока, % от ином |
Значение силы переменного тока, А 1) 2) |
Угол фазового сдвига между током и напряжением, ° | ||||
|
иа |
Ub |
Uc |
1а |
Ib |
Ic | ||
|
выбрать величину равную I/ |
Ктт, где Ктт - коэффициент трансформации Тг |
ГИ | |||||
-
8.6.5.10 Определение абсолютной погрешности измерений угла фазового сдвига между током и напряжением основной гармоники провести в следующей последовательности:
-
- на измерительные входы модуля с PTS 400.3 последовательно подать испытательные сигналы соответствующей величины в соответствии с таблицей 50;
-
- рассчитать значения абсолютной погрешности измерений угла фазового сдвига между током и напряжением основной гармоники по всем проверяемым точкам в соответствии с формулой (1).
Испытания провести последовательно для двух номинальных значений:
-
- ином = 100 В;
-
- ином = 57,7 В.
Результаты считают положительными, если полученные значения погрешности не превышают значений, указанных в описании типа на терминал ARIS-23xx.
Таблица 50 - Испытательные сигналы для определения приведенной погрешности измерения угла фазового сдвига между током и напряжением основной гармоники
|
№ |
Значение напряжения переменного тока, % от ином |
Значение силы переменного тока, А1) 2) |
Угол фазового сдвига между током и напряжением, ° | ||||||
|
иа |
Ub |
Uc |
1а |
Ib |
Ic |
фа |
фь |
фс | |
|
1 2
|
100 |
1,5 |
0 |
0 |
0 | ||||
|
60 |
60 |
60 | |||||||
|
120 |
120 |
120 | |||||||
|
180 |
180 |
180 | |||||||
|
-30 |
-30 |
-30 | |||||||
|
-60 |
-60 |
-60 | |||||||
|
-120 |
-120 |
-120 | |||||||
|
-180 |
-180 |
-180 | |||||||
|
9 10 11 12
|
100 |
2000 |
0 |
0 |
0 | ||||
|
60 |
60 |
60 | |||||||
|
120 |
120 |
120 | |||||||
|
180 |
180 |
180 | |||||||
|
-30 |
-30 |
-30 | |||||||
|
-60 |
-60 |
-60 | |||||||
|
-120 |
-120 |
-120 | |||||||
|
-180 |
-180 |
-180 | |||||||
|
Примечания
| |||||||||
-
8.6.6 Определение метрологических характеристик при измерении параметров переменного напряжения с помощью модулей P9 (опция PV).
-
8.6.6.1 Перед проверкой необходимо провести предварительную настройку модулей в следующем порядке:
-
- открыть веб-конфигуратор, открыть меню «Система/Настройка модулей», выбрать необходимый измерительный модуль типа P9. Если модули данного типа отсутствуют, то перейти к следующему разделу поверки 8.6.6;
-
- для номинального значения напряжения переменного тока 100 В из выпадающего меню «Номинальное напряжение входов U1, U2, U3 вторичное» выбрать значение 100 В;
-
- для номинального значения напряжения переменного тока 57,7 В из выпадающего меню «Номинальное напряжение входов U1, U2, U3 вторичное» выбрать значение 57,7 В;
-
- подключить калибратор переменного тока Ресурс-К2М (далее - Ресурс-К2М, калибратор) к модулю P9 (см. Рисунок 7 в части цепей напряжения);
-
- кабель связи интерфейса Ethernet подключить к разъему Ethernet ARIS-23xx, другой конец кабеля подключить к ПЭВМ, сетевое соединение ПЭВМ должно быть в одной подсети с ARIS-23xx, т.е. <1Р-адрес ARIS-23xx > должен быть доступен с ПЭВМ. Схема подключений приведена на рисунке 8;
-
- подать питание на ARIS-23xx, дождаться загрузки ПО.
-
8.6.6.2 Определение абсолютной погрешности измерений частоты переменного тока проводят в следующей последовательности:
-
- на измерительные входы модуля с Ресурс-К2М последовательно подать испытательные сигналы соответствующей величины в соответствии с таблицей 51;
-
- рассчитать значения абсолютной погрешности измерений частоты переменного тока для всех значений частоты по формуле (1).
Испытания провести последовательно для двух номинальных значений:
-
- ином = 100 В;
ином
= 57,7 В.
Результаты считать положительными, если полученные значения погрешности не превышают значений, указанных в описании типа на терминал ARIS-23xx.
Таблица 51 - Испытательные сигналы для определения приведенной погрешности измерения частоты переменного тока
|
№ |
Значение напряжения переменного тока, % от ином |
Частота переменного тока, Гц | ||
|
иа |
Ub |
Uc | ||
|
1 |
100 |
42,504 | ||
|
2 |
49,505 | |||
|
3 |
50,100 | |||
|
4 |
50,996 | |||
|
5 |
57,492 | |||
-
8.6.6.3 Определение приведенной погрешности измерений среднеквадратического значения фазного и междуфазного переменного напряжения, провести в следующей последовательности:
-
- на измерительные входы модуля с Ресурс-К2М последовательно подать испытательные сигналы соответствующей величины в соответствии с таблицей 52;
-
- рассчитать значения среднеквадратического значения фазного и междуфазного переменного напряжения по всем проверяемым точкам в соответствии с формулой (3). В качестве нормирующего значения Ан принимается номинальное значение напряжения ином.
Испытания провести последовательно для двух номинальных значений:
-
- ином = 100 В;
- Uhom = 57,7 В.
Результаты считают положительными, если полученные значения погрешности не превышают значений, указанных в описании типа на терминал ARIS-23xx.
Таблица 52 - Испытательные сигналы для определения приведенной погрешности измерения среднеквадратического значения фазного и междуфазного переменного напряжения
|
№ |
Значение напряжения переменного тока, % от Uhom |
Угол фазового сдвига между фазными напряжениями, ° | |||
|
U |
Ub |
Uc |
фаЬ |
фас | |
|
1 |
5 |
5 |
5 |
120 |
-120 |
|
2 |
20 |
20 |
20 | ||
|
3 |
50 |
50 |
50 | ||
|
4 |
80 |
80 |
80 | ||
|
5 |
100 |
100 |
100 | ||
|
6 |
150 |
150 |
150 | ||
-
8.6.6.4 Определение приведенной погрешности измерений среднеквадратического значения напряжения прямой, обратной и нулевой последовательности провести в следующей последовательности:
-
- на измерительные входы модуля с Ресурс-К2М последовательно подать испытательные сигналы соответствующей величины в соответствии с таблицей 53;
-
- рассчитать значения приведенной погрешности измерений среднеквадратического значения напряжения прямой, обратной и нулевой последовательности по всем проверяемым точкам в соответствии с формулой (3). Для значений напряжения в качестве нормирующего значения Ан принимается номинальное значение напряжения Uhom.
Испытания провести последовательно для двух номинальных значений:
-
- Uhom = 100 В;
Uhom
= 57,7 В.
Результаты считают положительными, если полученные значения погрешности не превышают значений, указанных в описании типа на терминал ARIS-23xx.
Таблица 53 - Испытательные сигналы для определения приведенной погрешности измерения симметричных составляющих напряжения
|
№ |
Значение напряжения переменного тока, % от Uhom |
Угол фазового сдвига между фазными напряжениями, ° | |||
|
U |
Ub |
Uc |
фаЬ |
фас | |
|
1 |
100 |
100 |
100 |
-120 |
120 |
|
2 |
50 |
100 |
100 | ||
|
3 |
100 |
50 |
100 | ||
|
4 |
100 |
100 |
50 | ||
|
5 |
0 |
100 |
100 | ||
|
6 |
100 |
0 |
100 | ||
|
7 |
100 |
100 |
0 | ||
|
8 |
100 |
100 |
100 |
120 |
120 |
|
9 |
100 |
100 |
100 |
0 |
0 |
-
8.6.7 Определение метрологических характеристик при измерении активной и реактивной электрической энергии (опции М, QS, QA).
-
8.6.7.1 Перед проверкой необходимо провести предварительную настройку модулей в следующем порядке:
-
- открыть веб-конфигуратор, открыть меню «Система/Настройка модулей», выбрать необходимый измерительный модуль типа М1, M3, M4. Если модуль данного типа отсутствуют, то перейти к следующему разделу поверки 8.6.8;
-
- в меню настройки модуля снять знак выбора в ячейке «Пересчитывать параметры в первичные значения»;
-
- для номинального значения напряжения переменного тока 220 В из выпадающего меню «Напряжение вторичной цепи» выбрать значение 220 В, поле «Номинальное напряжение» установить значение 220 В;
-
- для номинального значения напряжения переменного тока 57,7 В из выпадающего меню «Напряжение вторичной цепи» выбрать значение 100/^3 В, в поле «Номинальное напряжение» установить значение 57,7 В;
-
- для номинального значения силы переменного тока 5 А из выпадающего меню «Ток вторичной цепи» выбрать значение 5 А;
-
- для номинального значения силы переменного тока 1 А из выпадающего меню «Ток вторичной цепи» выбрать значение 1 А;
-
- подключить эталонный счетчик электрической энергии (прибор электроизмерительный эталонный многофункциональный PRS400.3 (далее по тексту -PRS 400.3)) и комплект установки поверочной универсальной PTS 400.3 (далее по тексту - PTS 400.3 ) трансформаторы тока измерительные (далее по тексту - ТТИ) и трансформаторы тока измерительные переносные ИТТ-3000.5 (далее по тексту - ИТТ-3000.5). Схема подключений приведена на рисунке 9;
Примечание: допускается использовать один ТТИ и один ИТТ-3000.5 и один канала напряжения переменного тока, в этом случае все три катушки Роговского необходимо подключают в одну любою токовую цепь согласно рисунку 9.
-
- кабель связи интерфейса Ethernet подключить к разъему Ethernet ARIS-23xx, другой конец кабеля подключить к ПЭВМ, сетевое соединение ПЭВМ должно быть в одной подсети с ARIS-23xx, т.е. <1Р-адрес ARIS-23xx > должен быть доступен с ПЭВМ. Схема подключений приведена на рисунке 9;
-
- подать питание на ARIS-23xx, дождаться загрузки ПО.

Рисунок 9 - Схема подключений терминала для проверки модулей М1, M3, M4
-
8.6.7.2 Проверка отсутствия самохода.
Проверку отсутствия самохода проводят при значении напряжения, равном 115 % от номинального и отсутствии тока в последовательных цепях. Минимальная продолжительность испытания — 30 мин.
Проверку провести для двух номинальных значений:
-
- Шм = 57,75 В;
-
- аом = 220 В.
Значение накопительного итога перед началом испытания и в процессе его проведения получить из ARIS-23xx с помощью протокола CRQ.
Результаты проверки считают положительными, если за установленное время значение накопленной энергии не изменится.
-
8.6.7.3 Проверка стартового тока. Проверку стартового тока проводят при номинальном напряжении и коэффициенте мощности, равном единице, для каждого из направлений.
Значение силы переменного тока запуска установить равным 0,1 % от номинального тока.
Проверку проводят последовательно для двух диапазонов измерений:
-
- 1||ом = 5,0 А;
— Ъюм = 1,0 А-
Результаты проверки считают положитель|ыми, если при зада||ом токе запуска з|аче|ие |акопитель|ого итога электрической э|ергии соответствующего вида и |аправле|ия, получе||ое по протоколу CRQ, |арастает.
-
8.6.7.4 Определе|ие от|оситель|ой погреш|ости измере|ий актив|ой и реактив|ой э|ергии (опция М)
Определе|ие погреш|ости измере|ия актив|ой и реактив|ой э|ергии прямого и обрат|ого |аправле|ия провести методом |епосредстве||ого сличе|ия с этало||ым счетчиком при з|аче|ии параметров вход|ых сиг|алов, приведе||ых в таблице 54 и таблице 55 в следующей последователь|ости:
-
- испытания для прямого и обратного направления энергии провести последовательно для каждого из |аправле|ий;
-
- испытания с однофазной нагрузкой при симметрии фазных напряжений провести последовательно для каждой из фаз отдельно;
-
- при проведении испытания на терминале и эталонном счетчике фиксировать показания накопленной энергии;
-
- длительность интервала измерения энергии при значениях токов в интервале от 0,5^1ном до 1,5^1ном должна составлять не менее двух полных коротких интервалов учета, в абсолютном выражении не менее 5 мин, для токов менее 0,5^1ном - не менее 10 мин;
-
- фиксировать показания накопленной энергии на терминале и эталонном счетчике;
-
- начальное и конечное значение накопительного итога электрической энергии за заданный интервал времени получить из терминала с помощью протокола CRQ;
-
- рассчитать приращение учтенной электрической энергии на терминале и эталонном счетчике.
-
- рассчитать относительную погрешность измерений активной и реактивной электрической энергии по всем проверяемым точкам в соответствии с формулой (2).
Испытания провести последовательно для двух номинальных значений:
-
- ином = 220 В при 1ном = 5 А;
-
- ином = 57,7 В при 1ном = 1 А-
Результаты считают положительными, если полученные значения погрешностей при всех токах нагрузки не превышают значений пределов допускаемых основных погрешностей, установленных в Таблица 54 и Таблица 55.
Таблица 54 - Значения параметров входного сигнала для симметричной трехфазной нагрузки
|
Параметры входного сигнала |
Пределы допускаемой основной погрешности измерения энергии, % | |||
|
Напряжение, В |
Ток, А |
Коэффициент мощности |
Активной для класса точности 0,2S |
Реактивной для класса точности 0,5 |
|
3x Uном |
3x0,1 •/ном |
1,0 |
±0,2 |
±0,5 |
|
0,5 (инд) |
±0,3 |
±0,5 | ||
|
0,8 (емк) |
±0,3 |
- | ||
|
Параметры входного сигнала |
Пределы допускаемой основной погрешности измерения энергии, % | |||
|
Напряжение, В |
Ток, А |
Коэффициент мощности |
Активной для класса точности 0,2S |
Реактивной для класса точности 0,5 |
|
3х Uном |
3 х1ном |
1,0 |
±0,2 |
±0,5 |
|
0,5 (инд) |
±0,3 |
±0,5 | ||
|
0,8 (емк) |
±0,3 |
- | ||
|
3х Uном |
3 х 1,57ном |
1,0 |
±0,2 |
±0,5 |
|
0,5 (инд) |
±0,3 |
±0,5 | ||
|
0,8 (емк) |
±0,3 |
- | ||
Таблица 55 - Значения параметров входного сигнала для однофазной нагрузки
|
Параметры входного сигнала |
Пределы допускаемой основной погрешности измерения энергии, % | |||
|
Напряжение, В |
Ток, А |
Коэффициент мощности COSф (или коэффициент simp) |
Активной для класса точности 0,2S |
Реактивной для класса точности 0,5 |
|
3х Uном |
0,1 1ном |
1,0 |
±0,3 |
±0,8 |
|
0,5 (инд) |
±0,4 |
±0,8 | ||
|
3х Uном |
1ном |
1,0 |
±0,3 |
±0,8 |
|
0,5 (инд) |
±0,4 |
±0,8 | ||
|
3х Uном |
1,5 1ном |
1,0 |
±0,3 |
±0,8 |
|
0,5 (инд) |
±0,4 |
±0,8 | ||
-
8.6.8 Определение метрологических характеристик при измерении активной и реактивной электрической энергии (опции PМ).
-
8.6.8.1 Перед проверкой необходимо провести предварительную настройку модулей в следующем порядке:
-
- открыть веб-конфигуратор, открыть меню «Система/Настройка модулей», выбрать необходимый измерительный модуль типа P5, либо P8;
-
- для номинального значения напряжения переменного тока 100 В из выпадающего меню «Номинальное напряжение входов U1, U2, U3 вторичное» выбрать значение 100 В;
-
- для номинального значения напряжения переменного тока 57,7 В из выпадающего меню «Номинальное напряжение входов U1, U2, U3 вторичное» выбрать значение 57,7 В;
-
- трансформатор тока измерительный переносной PTS 400.3 к модулю P5, P8 (см.
-
- Рисунок 8);
-
- кабель связи интерфейса Ethernet подключить к разъему Ethernet ARIS-23xx, другой конец кабеля подключить к ПЭВМ, сетевое соединение ПЭВМ должно быть в одной подсети с ARIS-23xx, т.е. <1Р-адрес ARIS-23xx > должен быть доступен с ПЭВМ. Схема подключений приведена на рисунке 8;
-
- подать питание на ARIS-23xx, дождаться загрузки ПО.
-
8.6.8.2 Проверка отсутствия самохода.
Проверку отсутствия самохода провести при значении напряжения, равном 115 % от номинального и отсутствии тока в последовательных цепях. Минимальная продолжительность испытания — 30 мин.
Проверку провести для двух номинальных значений:
-
- Uhom = 57,75 В;
-
- Uhom = 100 В.
Значение накопительного итога перед началом испытания и в процессе его проведения получить из ARIS-23xx с помощью протокола CRQ.
Результаты считают положительными, если за установленное время значение накопленной энергии не изменится.
-
8.6.8.3 Проверка стартового тока. Проверку стартового тока провести при номинальном напряжении и коэффициенте мощности, равном единице, для каждого из направлений.
Значение силы переменного тока запуска установить равным 0,5 А.
Результаты проверки считают положительными, если при заданном токе запуска значение накопительного итога электрической энергии соответствующего вида и направления, полученное по протоколу CRQ, нарастает.
-
8.6.8.4 Определение относительной погрешности измерений активной и реактивной энергии
Определение погрешности измерения активной и реактивной энергии прямого и обратного направления провести методом непосредственного сличения с эталонным счетчиком при значении параметров входных сигналов, приведенных в таблице 56 и таблице 57 в следующей последовательности:
-
- испытания для прямого и обратного направления энергии провести последовательно для каждого из направлений.
-
- испытания с однофазной нагрузкой при симметрии фазных напряжений провести последовательно для каждой из фаз отдельно.
-
- при проведении испытания на терминале и эталонном счетчике фиксируют показания накопленной энергии.
-
- длительность интервала измерения энергии при значениях токов в интервале от 0Д1ном до 1макс должна составлять не менее двух полных коротких интервалов учета, в абсолютном выражении не менее 5 мин, для токов менее 0,5Ч||ом - не менее 10 мин.
-
- фиксируют показания накопленной энергии на терминале и эталонном счетчике.
-
- начальное и конечное значение накопительного итога электрической энергии за заданный интервал времени получить из терминала с помощью протокола CRQ.
-
- рассчитать приращение учтенной электрической энергии на терминале и эталонном счетчике.
-
- рассчиать относительную погрешность измерений активной и реактивной электрической энергии по всем проверяемым точкам в соответствии с формулой (2).
Испытания провести последовательно для двух номинальных значений:
-
- Uhom = 220 В;
-
- Uhom = 57,7 В.
Таблица 56 - Значения параметров входного сигнала для симметричной трехфазной нагрузки
|
Параметры входного сигнала |
Пределы допускаемой основной погрешности измерения энергии, % | |||
|
Напряжение, В |
Ток, А |
Коэффициент мощности |
Активной для класса точности 0,2S |
Реактивной для класса точности 0,5 |
|
3 х Uhom |
3k0,1-I6 |
1,0 |
±0,2 |
±0,5 |
|
0,5 (инд) |
±0,3 |
±0,5 | ||
|
Параметры входного сигнала |
Пределы допускаемой основной погрешности измерения энергии, % | |||
|
Напряжение, В |
Ток, А |
Коэффициент мощности |
Активной для класса точности 0,2S |
Реактивной для класса точности 0,5 |
|
0,8 (емк) |
±0,3 |
- | ||
|
3 х ином |
3х!б |
1,0 |
±0,2 |
±0,5 |
|
0,5 (инд) |
±0,3 |
±0,5 | ||
|
0,8 (емк) |
±0,3 |
- | ||
|
3 х ином |
3 х1макс |
1,0 |
±0,2 |
±0,5 |
|
0,5 (инд) |
±0,3 |
±0,5 | ||
|
0,8 (емк) |
±0,3 |
- | ||
Таблица 57- Значения параметров входного сигнала для однофазной нагрузки
|
Параметры входного сигнала |
Пределы допускаемой основной погрешности измерения энергии, % | |||
|
Напряжение, В |
Ток, А |
Коэффициент мощности COSф (или коэффициент simp) |
Активной для класса точности 0,2S |
Реактивной для класса точности 0,5 |
|
3 х ином |
0,1-!б |
1,0 |
±0,3 |
±0,8 |
|
0,5 (инд) |
±0,4 |
±0,8 | ||
|
3 х ином |
1б |
1,0 |
±0,3 |
±0,8 |
|
0,5 (инд) |
±0,4 |
±0,8 | ||
|
3х Uном |
1макс |
1,0 |
±0,3 |
±0,8 |
|
0,5 (инд) |
±0,4 |
±0,8 | ||
Результаты считают положительными, если полученные значения погрешностей при всех токах нагрузки не превышают значений пределов допускаемых основных погрешностей, установленных в таблицах 56 и 57.
9 Оформление результатов поверки
9.1 По завершении операций поверки оформляют протокол поверки в произвольной форме с указанием следующих сведений:
-
- полное наименование аккредитованной на право поверки организации;
-
- номер и дата протокола поверки;
-
- наименование и обозначение поверенного средства измерений;
-
- заводской (серийный) номер;
-
- обозначение документа, по которому выполнена поверка;
-
- наименования, обозначения и заводские (серийные) номера использованных при поверке средств поверки (со сведениями о поверке последних);
-
- температура и влажность в помещении;
-
- фамилия лица, проводившего поверку;
-
- результаты каждой из операций поверки согласно таблице 1.
Допускается не оформлять протокол поверки отдельным документом, а результаты операций поверки указывать на оборотной стороне свидетельства о поверке.
-
9.2 При положительном результате поверки выдается свидетельство о поверке и наносится знак поверки в соответствии с действующей нормативной документацией.
-
9.3 При отрицательном результате поверки, выявленных при любой из операций поверки, описанных в таблице 1, выдается извещение о непригодности в соответствии с действующей нормативной документацией.

Ю. А. Винокурова
Заместитель начальника отдела испытаний и поверки средств измерений ООО «ИЦРМ»
