Методика поверки «КАЛИБРАТОРЫ ТЕМПЕРАТУРЫ ЖИДКОСТНЫЕ «ЭЛЕМЕР-ТК-М», «ЭЛЕМЕР-Т»» (НКГЖ.065159.001ΜΠ)
УТВЕРЖДАЮ
УТВЕРЖДАЮ
Первый заместитель директора «ЭЛЕМЕР»
Заместитель директора

____А.В. Косотуров
2020 г.

Н.В. Иванникова V? 2020 г.
метрологии
ФГУП «ВНИИМС»
КАЛИБРАТОРЫ ТЕМПЕРАТУРЫ ЖИДКОСТНЫЕ «ЭЛЕМЕР-ТК-М», «ЭЛЕМЕР-Т»
Методика поверки
НКГЖ.065159.001МП г. Москва 2020 г.
СОДЕРЖАНИЕ-
1.1 Настоящая методика поверки распространяется на калибраторы температуры жидкостные «ЭЛЕМЕР-ТК-М», «ЭЛЕМЕР-Т» (далее по тексту - «ЭЛЕМЕР-ТК-М», «ЭЛЕМЕР-Т» или калибраторы) и устанавливает методы и средства их первичной и периодической поверок.
-
1.2 Настоящая методика поверки может быть применена при калибровке «ЭЛЕМЕР-ТК-М», «ЭЛЕМЕР-Т».
-
1.3 Интервал между поверками 1 год; 2 года - для калибраторов с индексом заказа В.
-
2.1 При проведении поверки выполняют операции, указанные в таблице 1.
Таблица 1 - Операции поверки
Наименование операции |
Номер пункта методики поверки |
Проведение операции при | |
первичной поверке |
периодической поверке | ||
1 Внешний осмотр |
8.1 |
Да |
Да |
2 Проверка электрической прочности изоляции |
8.2 |
Да |
Нет |
3 Проверка электрического сопротивления изоляции |
8.3 |
Да |
Нет |
4 Опробование и подтверждение программного обеспечения |
8.4 |
Да |
Да |
5 Определение абсолютной погрешности воспроизведения заданной температуры и нестабильности поддержания температуры |
8.5 |
Да |
Да |
6 Определение нестабильности поддержания температуры в сменном блоке сравнения (для «ЭЛЕМЕР-ТК-М») |
8.6 |
Да |
Да |
7 Определение неравномерности температурного поля в рабочем объеме |
8.7 |
Да |
Нет |
8 Определение неравномерности температурного поля по высоте сменного блока (для «ЭЛЕМЕР-ТК-М») |
8.8 |
Да |
Нет |
9 Определение разности воспроизводимых температур в каналах сменного блока с одинаковыми диаметрами (для «ЭЛЕМЕР-ТК-М») |
8.9 |
Да |
Нет |
10 Определение основной абсолютной погрешности измерения сопротивления постоянному току ИМКТ |
8.10 |
Да |
Да |
11 Определение основной абсолютной погрешности измерения напряжения постоянного тока ИМКТ |
8.11 |
Да |
Да |
12 Определение основной абсолютной погрешности измерения силы постоянного тока ИМКТ |
8.12 |
Да |
Да |
13 Определение дополнительной абсолютной погрешности измерения сигналов преобразователей термоэлектрических при использовании компенсационного кабеля КИ №04 ТП |
8.13 |
Да |
Нет |
14 Определение дополнительной абсолютной погрешности измерения сигналов преобразователей термоэлектрических при использовании компенсационного кабеля |
8.14 |
Да |
Нет |
15 Оформление результатов поверки |
9 |
Да |
Да |
-
3.1 При проведении поверки рекомендуется применять средства поверки, приведенные в таблице 2.
-
3.2 Применяемые средства поверки должны быть исправны, средства измерений - поверены и иметь действующие документы о поверке. Испытательное оборудование должно быть аттестовано.
Таблица 2 - Средства поверки
№ |
Наименование средства поверки |
Номер пункта методики поверки |
Рекомендуемый тип средства поверки и его регистрационный номер в Федеральном информационном фонде или метрологические характеристики |
Эсновные средства поверки | |||
1 |
Термометр сопротивления платиновый эталонный ЭТС-1К |
8.4-8.14 |
№ 73672-18 (Диапазон измерений: от 0,01 до +660,323 °C, доверительные границы абсолютной погрешности при вероятности 0,95 при температуре, °C, не более: 0,01 ±0,002 °C, 29,7646 ±0,002 °C, 156,5985 ±0,005 °C, 231,928 ±0,005 °C, 419,527 ±0,01 °C, 660,323 ±0,01 °C) |
2 |
Термометр сопротивления платиновый эталонный ПТС-10М |
8.4-8.14 |
№ 11804-99 (Диапазон измерений: от -196 до +0,01 °C, доверительные границы абсолютной погрешности при вероятности 0,95 при температуре, °C, не более -196 ±0,01 °C, 0 ±0,002 °C) |
3 |
Термопреобразователи сопротивления ТС-1288/6, ТС-1388/14, ТС-1388 |
8.4-8.14 |
№ 58808-14 |
4 |
Термостат нулевой ТН-1М или сосуд Дьюара с льдо-водяной смесью |
8.13, 8.14 |
Воспроизводимая температура: 0 °C, нестабильность: ±0,01 °C |
5 |
Система поверки термопреобразовалей автоматизированная АСПТ |
8.5-8.14 |
№ 19973-06 (Диапазон измерений: от 0 до 30 Ом. пределы допускаемой основной абсолютной погрешности: ±6-1 О'4 Ом. Диапазон измерений: от 0 до 300 Ом, пределы допускаемой основной абсолютной погрешности: ±(l-10’5 R+l-10’3) Ом) |
6 |
Термометр цифровой эталонный ТЦЭ-005 |
8.4-8.14 |
№ 40719-15 (Диапазон измерений от -200 до 0 °C, основная погрешность: ±0,0015 °C. Диапазон измерений от 0 до 780 °C, основная погрешность: ±(0,0015+0,8-10‘5 |t|) °C) |
7 |
Меры электрического сопротивления однозначные МС-3050М |
8.4, 8.10,8.12 |
№ 46843-11 (Номинальные значения сопротивлений: 15, 50, 750, 1000, 1500 Ом, класс точности 0,001) |
8 |
Меры электрического сопротивления МС 3050Т |
8.4-8.14 |
№ 42649-09 (Номинальные значения сопротивлений, Ом: 10, 25 (30), 100, 150, 250 (300). Класс точности: 0,0005) |
9 |
Компараторы напряжения РЗООЗ |
8.4-8.14 |
№ 7476-91 |
№ |
Наименование средства поверки |
Номер пункта методики поверки |
Рекомендуемый тип средства поверки и его регистрационный номер в Федеральном информационном фонде или метрологические характеристики |
10 |
Вольтметры универсальные В7-78 |
8.4-8.14 |
№ 52147-12 |
11 |
Калибратор-измеритель унифицированных сигналов прецизионный «ЭЛЕМЕР-ИКСУ-2012» |
8.4-8.14 |
№ 56318-14 (Диапазон воспроизведения и измерений тока: от 0 до 25 мА, пределы допускаемой основной абсолютной погрешности: ±(10'41 + 1)мкА) |
Вспомогательные средства поверки (оборудование) | |||
12 |
Установка для проверки электрической безопасности GPI-745A |
8.2 |
№46633-11 |
13 |
Мегаомметр Ф4102/1-1М |
8.3 |
№ 9225-88 |
14 |
Преобразователь давления измерительный АИР-20/М2-Н модель 030 |
6 |
№63044-16 |
15 |
Преобразователи температуры и влажности измерительные РОСА-10 |
6 |
№ 27728-09 |
16 |
Штатив для установки термопреобразователей |
8.4-8.14 |
- |
17 |
Соединительные кабели КИ №01 ТС, КИ №03 ХА, КИ №03 ХК, КИ №04 ТП, КИ №06 U1, КИ №08 12 (из комплекта поставки калибраторов) |
8.4-8.14 |
- |
Компьютер | |||
18 |
ПК |
8.4-8.14 |
Персональный компьютер (интерфейс Ethernet; объем оперативной памяти не менее 1 Гбайт; объем жесткого диска не менее 10 Гбайт; дисковод для чтения CD-ROM; операционная система Windows) с установленным программным обеспечением |
19 |
Программное обеспечение (ПО) |
8.4-8.14 |
KTconfig АРМ ПТП |
|
-
4.1 К проведению поверки допускаются лица, изучившие настоящую методику, руководства по эксплуатации на «ЭЛЕМЕР-ТК-М», «ЭЛЕМЕР-Т» и средства поверки.
-
4.2 К проведению поверки допускаются лица, являющиеся специалистами органа метрологической службы, юридические лица или индивидуальные предпринимателя, аккредитованные на право поверки, непосредственно осуществляющие поверку средств измерений.
-
4.3 Поверитель должен пройти инструктаж по технике безопасности.
-
5.1 При проведении поверки необходимо соблюдать:
-
- требования безопасности, которые предусматривают «Правила технической эксплуатации электроустановок потребителей» и «Правила по охране труда при эксплуатации электроустановок» (ПОТЭУ (2014));
-
- указания по технике безопасности, приведенные в эксплуатационной документации на эталонные средства измерений и средства испытаний;
-
- указания по технике безопасности, приведенные в руководствах по эксплуатации «ЭЛЕМЕР-ТК-М», «ЭЛЕМЕР-Т».
К проведению поверки допускаются лица, аттестованные на право проведения поверки данного вида средств измерений и прошедшие инструктаж по технике безопасности.
6 УСЛОВИЯ ПОВЕРКИ-
6.1 При проведении поверки должны соблюдаться следующие условия:
-
- температура окружающего воздуха, С
-
- относительная влажность воздуха, %
-
- атмосферное давление, кПа (мм рт.ст.)
-
- напряжение питания переменного тока, В
-
- частота переменного тока, Гц
-
от плюс 15 до плюс 25; от 30 до 80;
от 84,0 до 106,7 (от 630 до 800); 230±23;
50 (60);
-
- внешние электрические и магнитные поля должны отсутствовать или находиться в пределах, не влияющих на работу «ЭЛЕМЕР-ТК-М», «ЭЛЕМЕР-Т»;
-
- вибрация, тряска, удары, влияющие на работу «ЭЛЕМЕР-ТК-М», «ЭЛЕМЕР-Т», должны отсутствовать.
-
6.2 Средства поверки должны быть защищены от вибраций и ударов, от внешних магнитных и электрических полей.
-
7.1 Перед проведением поверки выполняют следующие подготовительные работы:
-
- изучают эксплуатационные документы на поверяемые «ЭЛЕМЕР-ТК-М», «ЭЛЕМЕР-Т», а также руководства по эксплуатации на применяемые средства поверки;
-
- выдерживают «ЭЛЕМЕР-ТК-М», «ЭЛЕМЕР-Т» в условиях окружающей среды, указанных в п. 6.1, не менее 4 ч;
-
- подготавливают к работе средства поверки и выдерживают во включенном состоянии в соответствии с указаниями руководств по эксплуатации.
-
8.1 Внешний осмотр
-
8.1.1 При внешнем осмотре проверяют комплектность, устанавливают правильность маркировки, отсутствие механических повреждений, коррозии, нарушений покрытий, надписей и других дефектов, которые могут повлиять на работу «ЭЛЕМЕР-ТК-М», «ЭЛЕМЕР-Т» и на качество поверки.
-
При наличии дефектов покрытий, влияющих на работоспособность «ЭЛЕМЕР-ТК-М», «ЭЛЕМЕР-Т», несоответствия комплектности, маркировки определяют возможность дальнейшего применения «ЭЛЕМЕР-ТК-М», «ЭЛЕМЕР-Т».
-
8.1.2 У каждого «ЭЛЕМЕР-ТК-М», «ЭЛЕМЕР-Т» проверяют наличие паспорта с отметкой ОТК.
Результаты внешнего осмотра считают положительными, если отсутствуют механические повреждения, маркировка и комплектность соответствуют требованиям эксплуатационной документации, в наличии имеется паспорт с отметкой ОТК.
-
8.2 Проверка электрической прочности изоляции
-
8.2.1 Проверку электрической прочности изоляции производят с помощью установки для проверки электрической безопасности GPI-745A (далее - установка), позволяющей поднимать напряжение равномерно ступенями, не превышающими 10 % значения испытательного напряжения, в следующей последовательности:
-
-
1) подключают установку к «ЭЛЕМЕР-ТК-М», «ЭЛЕМЕР-Т» согласно руководствам по эксплуатации.
-
2) Заземляют используемые приборы.
-
3) Подготавливают «ЭЛЕМЕР-ТК-М», «ЭЛЕМЕР-Т» и установку в соответствии с их руководствами по эксплуатации. Включают установку.
-
4) Подают испытательное напряжение практически синусоидальной формы частотой от 45 до 65 Гц при температуре окружающего воздуха (20±5) °C и относительной влажности от 30 до 80 %:
-
- 1500 В между корпусом калибратора и контактами для подсоединения сетевого напряжения;
-
- 120 В между измерительными цепями (ИМКТ) и корпусом.
Испытательное напряжение следует повышать, начиная с нуля или со значения, не превышающего номинальное напряжение цепи, до испытательного в течение не более 30 с.
Погрешность измерения испытательного напряжения не должна превышать ±5 %.
-
5) Изоляцию выдерживают под действием испытательного напряжения в течение 1 мин. Затем напряжение снижают до нуля или значения, не превышающего номинальное, после чего установку отключают.
Результаты считают положительными, если не произошло пробоев и поверхностного перекрытия изоляции.
-
8.3 Проверка электрического сопротивления изоляции
-
8.3.1 Проверку электрического сопротивления изоляции производят с помощью мегаомметра Ф4102/1-1М в следующей последовательности:
-
-
1) подключают мегаомметр к «ЭЛЕМЕР-ТК-М», «ЭЛЕМЕР-Т» согласно их руководствам по эксплуатации.
-
2) Заземляют используемые приборы.
-
3) Подготавливают «ЭЛЕМЕР-ТК-М», «ЭЛЕМЕР-Т» и мегаомметр в соответствии с их руководствами по эксплуатации. Включают мегаомметр.
-
4) Подают испытательное напряжение между корпусом калибратора и контактами для подсоединения сетевого напряжения.
Результаты считают положительными, если электрическое сопротивление изоляции не менее 20 МОм.
-
8.4 Опробование и подтверждение соответствия программного обеспечения
-
8.4.1 Опробование
-
8.4.1.1 Подсоединяют к клеммам заземления калибраторов контур заземления.
-
8.4.1.2 Подключают калибраторы к сети.
-
8.4.1.3 Включают переключатель «СЕТЬ».
-
8.4.1.4 После загрузки ПО калибратор «ЭЛЕМЕР-ТК-М90-К», «ЭЛЕМЕР-ТК-М90-КИ», «ЭЛЕМЕР-ТК-М150-К», «ЭЛЕМЕР-ТК-М150-КИ», «ЭЛЕМЕР-ТК-М250-К», «ЭЛЕМЕР-ТК-М250-КИ» выходит на режим измерения текущей температуры (закладка «Регулирование»).
-
-
Цифровой индикатор калибратора «ЭЛЕМЕР-ТК-М90-Т», «ЭЛЕМЕР-ТК-М150-Т», «ЭЛЕМЕР-ТК-М250-Т», «ЭЛЕМЕР-Т-150», «ЭЛЕМЕР-Т-220» высвечивает служебную информацию, а затем переходит в рабочий режим.
Индицируемая калибратором температура должна быть близкой к комнатной.
-
8.4.1.5 С помощью кнопок управления индикатора или сенсорного экрана задают температуру 50 °C.
У калибраторов «ЭЛЕМЕР-ТК-М90-К», «ЭЛЕМЕР-ТК-М90-КИ», «ЭЛЕМЕР-ТК-М150-К», «ЭЛЕМЕР-ТК-М150-КИ», «ЭЛЕМЕР-ТК-М250-К», «ЭЛЕМЕР-ТК-М250-КИ» на сенсорном экране нажимают кнопку «Включить регулятор».
Показания индикатора должны возрастать.
-
8.4.2 Подтверждение соответствия программного обеспечения
-
8.4.2.1 Подтверждение соответствия внутреннего программного обеспечения проводят в следующей последовательности:
-
-
1) включают калибратор «ЭЛЕМЕР-ТК-М90-К», «ЭЛЕМЕР-ТК-М90-КИ», «ЭЛЕМЕР-ТК-М150-К», «ЭЛЕМЕР-ТК-М150-КИ», «ЭЛЕМЕР-ТК-М250-К», «ЭЛЕМЕР-ТК-М250-КИ», выбирают через главное меню калибратора страницу «Настройки», закладку «Сведения».
-
2) Фиксируют номер версии и идентификационное наименование встроенного ПО.
Результаты считают положительными, если наименование и номер версии встроенного ПО совпадают с данными, представленными в описании типа.
-
8.4.2.2 Подтверждение соответствия внешнего программного обеспечения проводят в следующей последовательности:
-
1) включают персональный компьютер и загружают программное обеспечение.
-
2) В появившемся окне фиксируют номер версии и идентификационное наименование внешнего ПО.
Результаты считают положительными, если наименование и номер версии внешнего ПО совпадают с данными, представленными в описании типа.
-
8.5 Определение абсолютной погрешности воспроизведения заданной температуры и нестабильности поддержания температуры
8.5.1 Измерения проводят в точках, указанных в таблице 3, через 20 минут после выхода калибраторов на рабочий режим.
Таблица 3
Диапазон воспроизводимых температур, °C |
Поверяемая точка, °C |
от -42 до +95 |
от -42 до -40; от +28 до +32; от + 93 до +95 |
от -35 до +150 |
от -35 до -33; от +58 до +62; от + 148 до +150 |
от +28 до +250 |
от +28 до +30; от +138 до +142; от +248 до +250 |
от -30 до +150 |
от -30 до -28; от +58 до +62; от +148 до +150 |
от +30 до +220 |
от +30 до +32, от +138 до +142; от +218 до +220 |
-
8.5.2 Эталонный термометр помещают в ванну калибратора на максимальную глубину. Проводят серию из N=10 измерений температуры эталонном термометром Ток и калибратором Тк с интервалом 3 мин.
-
8.5.3 Определяют минимальное Tomin и максимальное Томах значения температуры, измеренной эталонном термометром.
Погрешность воспроизведения заданной температуры ДТо определяют по формуле
г N (8.1)
ДТ0= — • (Тк — Ток).
к=1
Нестабильность поддержания температуры ДТу определяют по формуле
1 (8.2) ATV — - • (Т0МАх - ToMin)-
-
8.5.4 Результаты считают положительными, если вычисленные значения ДТо и ДТу не превышают предела допускаемой абсолютной погрешности воспроизведения заданной температуры и допускаемого значения нестабильности поддержания температуры соответственно.
-
8.6 Определение нестабильности поддержания температуры в сменном блоке сравнения (для «ЭЛЕМЕР-ТК-М»)
Определение нестабильности поддержания температуры в сменном блоке сравнения проводят согласно п. 8.5, с применением эталонного термометра, помещенного в канал соответствующего диаметра сменного блока сравнения.
Результаты считают положительными, если вычисленные значения нестабильности ДТу не превышают допускаемого значения нестабильности поддержания температуры в сменном блоке сравнения.
страница 12 из 23
-
8.7 Определение неравномерности температурного поля в рабочем объеме
-
8.7.1 Термометр сопротивления (тестовый термометр), используемый для измерения неравномерности температурного поля, должен иметь длину чувствительного элемента не более 5 мм, диаметр 3 мм, глубину погружения не менее 400 мм. Нижний участок термометра сопротивления длиной от 25 до 30 мм должен быть изогнут под углом 90°.
-
8.7.2 Все термометры устанавливают в ванну калибратора с помощью штатива для установки термопреобразователей, имеющего 4 отверстия.
-
8.7.3 Эталонный термометр помещают в отверстие штатива в ванну на максимальную глубину.
-
8.7.4 Тестовый термометр помещают в отверстие штатива, расположенное на диаметрально противоположном конце ванны. Горизонтальный участок тестового термометра должен быть отклонен от диаметра в горизонтальной плоскости на 30-40°.
-
8.7.5 Тестовый термометр устанавливают на глубине, равной 15 мм от поверхности теплоносителя. После установления теплового равновесия проводят серию из N=10 измерений температур эталонным термометром Tor и тестовым термометром Tr.
-
8.7.6 Вычисляют среднее значение величины по формуле
-
N
TA(i5)=^'2(Tk_Tok)- (83)к=1
-
8.7.7 Поворачивают тестовый термометр вокруг его оси так, чтобы горизонтальный участок отклонился на 30-40° от диаметра в противоположную сторону.
-
8.7.8 Повторяют п. 8.7.5 и вычисляют среднее значение величины по формуле
N
Тв(15)=^’2(Тк_т°к)- (8Л)к=1
-
8.7.9 Повторяют п. 8.7.5 - 8.7.8 для глубин 40; 80; 120 и L мм (L - максимальная глубина (глубина ванны)).
-
8.7.10 Неравномерность на глубине от 15 до 40 мм вычисляют по формуле
ДТ1=Г|Тгаах-Тт,п|, (8-5)
где Tmin, Ттах- минимальное и максимальное значения ТА( 15), ТА(40), Тв(15), Тв(40).
-
8.7.11 Неравномерность на глубине от 40 до 80 мм вычисляют по формуле
ДТ2 = Г|Ттах-Тт1п|, (8.6)
где Tmin, Ттах- минимальное и максимальное значения ТА(40), ТА(80), Тв(40), Тв(80).
-
8.7.12 Неравномерность на глубине от 80 до L вычисляют по формуле
AT3=|«|Tmax-Tmin| (8.7)
где Tmin, Tmax-минимальное и максимальное значения ТА(80), ТА(120), ТА(Ь), Тв(80),
‘ Tb(120),Tb(L).
Результаты считают положительными, если измеренные значения неравномерности не превышают допускаемых значений неравномерности температурного поля в рабочем объеме на соответствующей глубине.
-
8.8 Определение неравномерности температурного поля по высоте сменного блока (для «ЭЛЕМЕР-ТК-М»)
-
8.8.1 Термометр сопротивления (тестовый термометр), используемый для измерения, должен иметь длину чувствительного элемента не более 5 мм, диаметр 6 мм, глубину погружения не менее 400 мм.
-
8.8.2 Эталонный и тестовый термометры помещают в каналы соответствующего диаметра так, чтобы они касались дна каналов. Тестовый термометр последовательно устанавливают на высотах h, равных 0; 30 и 60 мм от дна канала. После установления теплового равновесия в каждой точке проводят серию из N=10 измерений температур эталонным Ток и тестовым Тк термометрами.
-
8.8.3 Для каждой из высот вычисляют среднее значение величины по формуле
-
N
T(h)=R’S(Tk_Tolt)- (8'8)к=1
-
8.8.4 Неравномерность вычисляют по формуле
AT = |-|Tmax-Tmin|, (8-9)
где Tmin, Tmax - минимальное и максимальное значения Т(0), Т(30), Т(60).
Результаты считают положительными, если вычисленное значение неравномерности не превышает допускаемого значения неравномерности температурного поля по высоте сменного блока.
-
8.9 Определение разности воспроизводимых температур в каналах сменного блока с одинаковыми диаметрами (для «ЭЛЕМЕР-ТК-М»)
-
8.9.1 Измерения проводят в сменном блоке, имеющем для тестового термометра два канала диаметром 6,5 мм, расположенные на диаметрально противоположных концах сменного блока, и канал соответствующего диаметра для эталонного термометра.
-
8.9.2 Эталонный и тестовый термометры через отверстия в крышке помещают в соответствующие каналы так, чтобы они касались дна каналов. После установления теплового равновесия проводят серию из N=10 измерений температур эталонным Ток и тестовым Тк термометрами и вычисляют среднее значение величины по формуле
-
N
дТ1=^‘2(Тк_т°к)' (810)к=1
-
8.9.3 Переставляют тестовый термометр в канал, находящийся на диаметрально противоположном конце. После установления теплового равновесия проводят серию из N=10 измерений температур эталонным Ток и тестовым Тк термометрами и вычисляют среднее значение величины по формуле
N
ДТ2=^'2(Тк_Ток)- (811)к=1
-
8.9.4 Разность температур в каналах ATr вычисляют по формуле
ДТК = lATi-ATJ. <8Л2>
Результаты считают положительными, если вычисленное значение разности температур в каналах ATr не превышает допускаемого значения разности температур в каналах.
-
8.10 Определение основной абсолютной погрешности измерения сопротивления постоянному току ИМКТ
-
8.10.1 На закладке «Настройки», странице «Общие настройки» нажимают кнопку «Поверка ИМКТ ».
-
8.10.2 В новом окне на подстранице «Настройки» записывают все необходимые для формирования протокола данные. Здесь же выбирают режим измерения «Сопротивление» и задают значения допустимого дрейфа и времени готовности. Рекомендуемые значения: 0,001 %/мин и 5 мин соответственно.
-
8.10.3 Переходят на подстраницу «Измерение».
-
8.10.4 В таблице включают канал 1 и нажимают кнопку «ПУСК». После записи параметров появляется «линейка» с номинальными значениями сопротивлений, при которых проводится поверка. Текущее номинальное значение выделено желтым цветом.
-
8.10.5 К каналу 1 калибратора с помощью кабеля КИ №01 ТС в соответствии с рисун
-
ком А.1 приложения А подключают меру электрического сопротивления номинальным значением 10 Ом по четырехпроводной схеме.
-
8.10.6 В столбце «Эталон. Ом» вводят фактическое значение меры сопротивления.
-
8.10.7 После наступления готовности нажимают кнопку «Принять» для фиксирования результата измерений.
-
8.10.8 Нажимают кнопку «>» и переходят к измерению следующего значения сопротивления. При этом предыдущая ячейка в линейке сопротивлений изменяет цвет на зеленый.
-
8.10.9 Повторяют п. 8.10.5 - 8.10.8 для сопротивлений 25 (30), 100, 250 (300), 750, 1000, 1500 Ом.
-
8.10.10 Повторяют п. 8.10.4 - 8.10.9 для каналов 2, 3, 4.
-
8.10.11 Нажимают кнопку «СТОП».
-
8.10.12 На подстранице «Результаты» нажимают кнопки «Сформировать протокол» и «Сохранить».
Результаты считают положительными, если полученные погрешности измерения сопротивления постоянному току не превышают пределов основных абсолютных погрешностей измерения сопротивления постоянному току ИМКТ.
-
8.11 Определение основной абсолютной погрешности измерения напряжения постоянного тока ИМКТ
-
8.11.1 На закладке «Настройки», странице «Общие настройки» нажимают кнопку «Поверка ИМКТ».
-
8.11.2 В новом окне на подстранице «Настройки» записывают все необходимые для формирования протокола данные. Здесь же выбирают режим измерения «Напряжение» и задают значения допустимого дрейфа и времени готовности. Рекомендуемые значения: 0,001 мВ/мин и 5 мин соответственно.
-
8.11.3 Переходят на подстраницу «Измерение».
-
8.11.4 В таблице включают канал 1 и нажимают кнопку «ПУСК». После записи параметров появляется «линейка» с номинальными значениями напряжений, при которых проводится поверка. Текущее номинальное значение выделено желтым цветом.
-
8.11.5 К каналу 1 калибратора с помощью кабеля КИ №06 U1 в соответствии с рисунком А.5 приложения А подключают выход компаратора напряжений РЗООЗ.
-
8.11.6 Задают значение выходного напряжения минус 100 мВ.
-
8.11.7 В столбце «Эталон, мВ» вводят фактическое значение напряжения.
-
8.11.8 После наступления готовности нажимают кнопку «Принять» для фиксирования результата измерений.
-
8.11.9 Нажимают кнопку «>» и переходят к измерению следующего значения напряжения. При этом предыдущая ячейка в линейке напряжения изменяет цвет на зеленый.
-
8.11.10 Повторяют п. 8.11.6 - 8.11.9 для значений напряжения минус 50,0,25,50,75,100 мВ.
-
8.11.11 Повторяют п. 8.11.4 - 8.11.10 для каналов 2, 3, 4.
-
8.11.12 Нажимают кнопку «СТОП».
-
8.11.13 На подстранице «Результаты» нажимают кнопки «Сформировать протокол» и «Сохранить».
-
Результаты считают положительными, если полученные погрешности измерения напряжения постоянного тока не превышают пределов основных абсолютных погрешностей измерения напряжения постоянного тока ИМКТ.
8.12 Определение основной абсолютной погрешности измерения силы постоянного тока ИМКТ
-
8.12.1 На закладке «Настройки», странице «Общие настройки» нажимают кнопку «Поверка ИМКТ».
-
8.12.2 В новом окне на подстранице «Настройки» записывают все необходимые для формирования протокола данные. Здесь же выбирают режим измерения «Ток» и задают значения допустимого дрейфа и времени готовности. Рекомендуемые значения: 0,001 мА/мин и 5 мин соответственно.
-
8.12.3 Переходят на подстраницу «Измерение».
-
8.12.4 В таблице включают канал 1 и нажимают кнопку «ПУСК». После записи параметров появляется «линейка» с номинальными значениями тока, при которых проводится поверка. Текущее номинальное значение выделено желтым цветом.
-
8.12.5 К каналу 1 калибратора с помощью кабеля КИ №08 12 в соответствии с рисунком А.7 приложения А подключают меру электрического сопротивления МС 3050М номинальным значением 50 Ом, вольтметр В7-78, ИКСУ-2012, настроенный в режиме эмуляции тока.
-
8.12.6 Задают с помощью ИКСУ-2012 эмулируемое значение тока 4 мА.
-
8.12.7 С помощью вольтметра В7-78 измеряют напряжение U на мере электрического сопротивления и рассчитывают значение тока 1к по формуле
1к = ^-. (8.13)
кк
где Rk - действительное значение меры электрического сопротивления МС 3050М.
-
8.12.8 В столбце «Эталон, мА» вводят вычисленное значение тока.
-
8.12.9 После наступления готовности нажимают кнопку «Принять» для фиксирования результата измерений.
-
8.12.10 Нажимают кнопку « >» и переходят к измерению следующего значения тока. При этом предыдущая ячейка в линейке тока изменяет цвет на зеленый.
-
8.12.11 Повторяют п. 8.12.6 - 8.12.10 для значений тока 12, 20 мА.
-
8.12.12 Повторяют п. 8.12.4 - 8.12.11 для каналов 2, 3, 4.
-
8.12.13 Нажимают кнопку «СТОП».
-
8.12.14 На подстранице «Результаты» нажимают кнопки «Сформировать протокол» и «Сохранить».
Результаты считают положительными, если полученные погрешности измерения силы постоянного тока не превышают пределов основных абсолютных погрешностей измерения силы постоянного тока ИМКТ.
8.13 Определение дополнительной абсолютной погрешности измерения сигналов преобразователей термоэлектрических при использовании компенсационного кабеля КИ №04 ТП
-
8.13.1 К каналу 1 калибратора подключают соединительный кабель КИ №04 ТП в соответствии с рисунком А.4 приложения А.
-
8.13.2 На закладке «Параметры поверки», странице «ТП» устанавливают тип выходного сигнала «ТПА-Т», НСХ - «ТХА(К)».
-
8.13.3 На странице «Точки поверки» устанавливают выбор типа точки - «Нет».
-
8.13.4 Замыкают медным проводом электрические клеммы компенсационной колодки кабеля КИ №04 ТП, помещают ее в тонкий полиэтиленовый пакет и погружают в термостат нулевой на глубину не менее 200 мм.
-
8.13.5 Переходят на закладку «Измерения и поверка», страницу «Измерения» и через 20 мин считывают значение измеренной температуры Т.
-
8.13.6 Результаты считают положительными, если измеренные значения температуры Т не превышают пределов допускаемой дополнительной абсолютной погрешности измерений сигналов преобразователей термоэлектрических при использовании компенсационного кабеля КИ №04 ТП.
-
8.14 Определение дополнительной абсолютной погрешности измерения сигналов преобразователей термоэлектрических при использовании компенсационного кабеля КИ №03 ХА, КИ №03 ХК
Определение данной погрешности проводят аналогично п. 8.13 отдельно для соединительного кабеля КИ №03 ХА, КИ №03 ХК с изменением НСХ с ТХА(К) на TXK(L) (п. 8.13.2).
-
8.14.1 Определение дополнительной абсолютной погрешности измерения сигналов преобразователей термоэлектрических при использовании компенсационного кабеля КИ №03 ХА, КИ №03 ХК проводят согласно п. 8.13, но отдельно для соединительного кабеля КИ №03 ХА и КИ №03 ХК, замкнув свободные концы кабелей.
-
8.14.2 Результаты считают положительными, если измеренные значения температуры Т не превышают пределов допускаемой дополнительной абсолютной погрешности измерений сигналов преобразователей термоэлектрических при использовании компенсационного кабеля КИ №03 ХА, КИ №03 ХК.
-
9.1 Положительные результаты поверки калибраторов температуры жидкостных «ЭЛЕМЕР-ТК-М», «ЭЛЕМЕР-Т» оформляют свидетельством о поверке по форме, установленной в документе «Порядок проведения поверки средств измерений, требования к знаку поверки и содержанию свидетельства о поверке», утвержденном приказом Министерства промышленности и торговли Российской Федерации от 2 июля 2015 г. № 1815 и документе «Изменения, которые вносятся в приказ Министерства промышленности и торговли Российской Федерации от 2 июля 2015 г. № 1815», утвержденном приказом Министерства промышленности и торговли Российской Федерации от 28 декабря 2018 года № 5329 и нанесением знака поверки.
-
9.1.1 Знак поверки наносится на свидетельство о поверке.
-
-
9.2 При отрицательных результатах поверки «ЭЛЕМЕР-ТК-М», «ЭЛЕМЕР-Т» не допускаются к применению до выяснения причин неисправностей и их устранения.
После устранения обнаруженных неисправностей проводят повторную поверку, результаты повторной поверки - окончательные.
-
9.3 Отрицательные результаты поверки «ЭЛЕМЕР-ТК-М», «ЭЛЕМЕР-Т» оформляют извещением о непригодности по форме, установленной в документе «Порядок проведения поверки средств измерений, требования к знаку поверки и содержанию свидетельства о поверке», утвержденном приказом Министерства промышленности и торговли Российской Федерации от 2 июля 2015 г. № 1815 и документе «Изменения, которые вносятся в приказ Министерства промышленности и торговли Российской Федерации от 2 июля 2015 г. № 1815», утвержденном приказом Министерства промышленности и торговли Российской Федерации от 28 декабря 2018 года № 5329, свидетельство о предыдущей поверке аннулируют, а «ЭЛЕМЕР-ТК-М», «ЭЛЕМЕР-Т» не допускают к применению.
Разработчики настоящей методики:
Начальник ОС и ТД --/
ООО НПП «ЭЛЕМЕР»
Л.И. Толбина
Начальник отдела 207
ФГУП «ВНИИМС»

ПРИЛОЖЕНИЕ А
Схемы электрических соединений
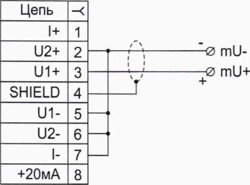
Цепь |
-< |
1+ |
1 |
U2+ |
2 |
U1 + |
3 |
SHIELD |
4 |
U1- |
5 |
U2- |
6 |
I- |
7 |
+20мА |
8 |

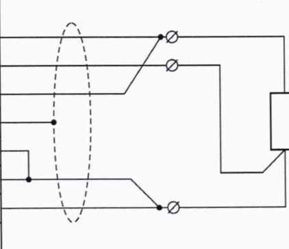
Рисунок А.1 - Соединительный кабель КИ №01 ТС для подключения термопреобразователей сопротивления по четырехпроводной схеме подключения
Цепь |
-< |
I+ |
1 |
U2+ |
2 |
U1 + |
3 |
SHIELD |
4 |
U1- |
ь |
U2- |
6 |
I- |
/ |
+20мА |
8 |

Рисунок А.2 - Соединительный кабель КИ №02 ТС для подключения термопреобразователей сопротивления по трехпроводной схеме подключения
Цепь |
-Ч |
|+ |
1 |
U2+ |
2 |
U1 + |
3 |
SHIELD |
4 |
U1- |
5 |
U2- |
6 |
I- |
/ |
+20мА |
8 |
Продолжение приложения А

Компенсационный кабель
PtlOO ;
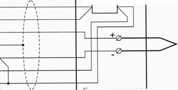
Рисунок А.З - Соединительный кабель КИ №03 ХА. КИ №03 ХК для подключения термопреобразователей термоэлектрических с НСХ ТХА(К) и TXK(L).
Компенсационный кабель с компенсатором холодного спая, установленным в разъеме
Цепь |
-ч |
|+ |
1 |
U2+ |
2 |
U1 + |
3 |
SHIELD |
4 |
U1- |
ь |
U2- |
6 |
I- |
/ |
+20мА |
8 |
PtlOO

Компенсационная колодка
Рисунок А.4 - Соединительный кабель КИ №04 ТП для подключения термопреобразователей термоэлектрических. Компенсатор холодного спая установлен в компенсационной колодке
Продолжение приложения А

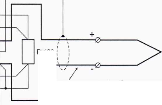
Рисунок А.5 - Соединительный кабель КИ №06 U1 для измерения напряжения от минус 100 до плюс 100 мВ
Цепь |
-< |
1+ |
1 |
U2+ |
2 |
U1 + |
3 |
SHIELD |
4 |
U1- |
5 |
U2- |
6 |
I- |
/ |
+20мА |
8 |
Рисунок А.6 - Соединительный кабель КИ №08 12 для питания термопреобразователей с унифицированным токовым сигналом от 4 до 20 мА и измерения этого сигнала.
ИМКТ
ЦЕПЬ |
-К |
I+ |
1 |
U2+ |
2 |
U1 + |
3 |
SHIELD |
4 |
U1- |
5 |
U2- |
6 |
I- |
7 |
+20 мА |
8 |





Черн

В7-78
У- |
ЦЕПЬ |
1 |
0 |
2 |
U, R |
V Оранж. МС3050М, Кабель КИ №0812 150м
ИКСУ-2012
У- |
ЦЕПЬ |
СОМ | |
lout+ |
Рисунок А.7 - Подключение ИМКТ к ИКСУ-2012 и вольтметру В7-78 при поверке измерения тока от 4 до 20 мА
страница 23 из 23