Методика поверки «Источники питания постоянного тока программируемые серии Genesys+ мощностью 1000-3400 Вт» (ПР-07-2020ΜΠ)
Государственная система обеспечения единства измерений
Акционерное общество «Приборы, Сервис, Торговля» (АО «ПриСТ»)
УТВЕРЖДАЮ
^-А.Н. Новиков
«26» мая 2020 г.
вный метролог
АО «ПриСТ»
ГОСУДАРСТВЕННАЯ СИСТЕМА ОБЕСПЕЧЕНИЯ ЕДИНСТВА ИЗМЕРЕНИЙ
Источники питания постоянного тока программируемые серии Genesys+ мощностью 1000-3400 Вт
МЕТОДИКА ПОВЕРКИ ПР-07-2020МП г. Москва 2020 г.
лист № 2 Всего листов 16 Настоящая методика устанавливает методы и средства первичной и периодических поверок источников питания постоянного тока программируемых серии Genesys+ мощностью 1000-3400 Вт, изготавливаемые TDK-Lambda Ltd., Израиль.
Источники питания постоянного тока программируемые серии Genesys+ мощностью 1000-3400 Вт (далее - источники) предназначены для воспроизведения регулируемых стабилизированных напряжения и силы постоянного тока.
Интервал между поверками 1 год.
1 ОПЕРАЦИИ ПОВЕРКИТаблица 1 - Операции поверки
|
Наименование операции |
Номер пункта методики |
Проведение операции при | |
|
первичной поверке |
периодической поверке | ||
|
1 Подготовка к поверке |
Раздел 6 |
да |
да |
|
2 Внешний осмотр |
7.1 |
да |
да |
|
3 Опробование |
7.2 |
да |
да |
|
4 Проверка идентификационных данных программного обеспечения |
7.3 |
да |
да |
|
5 Определение абсолютной погрешности воспроизведения выходного напряжения постоянного тока |
7.4 |
да |
да |
|
6 Определение нестабильности выходного напряжения при изменении напряжения питания |
7.5 |
да |
нет |
|
7 Определение нестабильности выходного напряжения при изменении силы тока в нагрузке |
7.6 |
да |
да |
|
8 Определение уровня пульсаций выходного напряжения |
7.7 |
да |
да |
|
9 Определение абсолютной погрешности воспроизведения силы постоянного тока на выходе |
7.8 |
да |
да |
|
10 Определение нестабильности силы тока на выходе при изменении напряжения питания |
7.9 |
да |
нет |
|
11 Определение нестабильности силы тока на выходе при изменении напряжения на нагрузке |
7.10 |
да |
да |
|
12 Определение уровня пульсаций силы постоянного тока |
7.11 |
да |
нет |
2 СРЕДСТВА ПОВЕРКИ
-
2.1 При проведении поверки должны применяться средства поверки, указанные в таблицах 2 и 3.
-
2.2 Допускается применять другие средства измерений, обеспечивающие измерение значений соответствующих величин с требуемой точностью.
-
2.3 Все средства поверки должны быть исправны, поверены и иметь свидетельства (отметки в формулярах или паспортах) о поверке.
Таблица 2 - Средства поверки
|
Номер пункта методики поверки |
Тип средства поверки |
|
7.4 - 7.6 |
Мультиметр цифровой 2002. Пределы измерений напряжения постоянного тока от 0,2 до 1000 В. Пределы допускаемой основной абсолютной погрешности ±(0,001 • 10-2/иизм+0,00012^ 10-2^ипред). Дополнительные средства поверки: Лабораторный автотрансформатор «Штиль» TSGC2-30-B. Диапазон напряжения от 0 до 450 В Нагрузка электронная АКИП-1342. Максимальное напряжение 60 В, максимальная сила тока 1000 А, мощность 5 кВт. Нагрузка электронная АКИП-1343. Максимальное напряжение 600 В, максимальная сила тока 40 А, мощность 5 кВт. Мультиметр APPA 505. Пределы измерений напряжения постоянного тока от 0,2 до 1000 В. Пределы допускаемой основной абсолютной погрешности ± (0,015 % + 20 е.м.р.). |
|
7.7 |
Микровольтметр В3-57. Диапазон измеряемых частот от 5 Гц до 5 МГц. Пределы основной приведенной погрешности измерения напряжения ±1,5 % на пределах измерений от 1 до 10 мВ. Дополнительные средства поверки: Дифференциальный пробник TT-SI 9002. Коэффициент деления 1:20, 1:200. Полоса пропускания 25 МГц. Фильтр низких частот 1 МГц. |
|
7.8 - 7.11 |
Шунт токовый PCS-71000. Предел измерения тока встроенным амперметром до 300 А. Пределы допускаемой абсолютной погрешности встроенного амперметра шунта при измерении силы постоянного тока ±(0,000Р1изм+0,00005^1пред). Шунт измерительный постоянного тока 9230A-1000. Предел измерения тока 1000 А. Предел относительной погрешности измерений ±0,025 % Микровольтметр В3-57. Диапазон измеряемых частот от 5 Гц до 5 МГц. Пределы основной приведенной погрешности измерения напряжения ±1,5 % на пределах измерений от 1 до 10 мВ. Дополнительные средства поверки: Лабораторный автотрансформатор «Штиль» TSGC2-30-B. Диапазон напряжения от 0 до 450 В Нагрузка электронная АКИП-1342. Максимальное напряжение 60 В, максимальная сила тока 1000 А, мощность 5 кВт. Нагрузка электронная АКИП-1343. Максимальное напряжение 600 В, максимальная сила тока 40 А, мощность 5 кВт. Мультиметр APPA 505. Пределы измерений напряжения постоянного тока от 0,2 до 1000 В. Пределы допускаемой основной абсолютной погрешности ± (0,015 % + 20 е.м.р.). Дифференциальный пробник TT-SI 9002. Коэффициент деления 1:20, 1:200. Полоса пропускания 25 МГц. Фильтр низких частот 1 МГц. |
|
Примечания иизм - измеренное значение напряжения постоянного тока; ипред - предельное значение измеряемого напряжения; 1изм - измеренное значение силы постоянного тока; 1пред - предельное значение измеряемой силы тока; | |
Таблица 3 - Вспомогательные средства поверки
|
Измеряемая величина |
Диапазон измерений |
Класс точности, погрешность |
Тип средства поверки |
|
Температура |
от 0 до 50 °C. |
±0,25 °С |
Цифровой термометр-гигрометр Fluke 1620A |
|
Давление |
от 30 до 120 кПа |
±300 Па |
Манометр абсолютного давления Testo 511 |
|
Влажность |
от 10 до 100 % |
±2 % |
Цифровой термометр-гигрометр Fluke 1620A |
|
Напряжение питающей сети |
от 50 до 480 В |
±0,2 % |
Прибор измерительный универсальный параметров электрической сети DMG 800 |
К поверке допускаются лица, изучившие эксплуатационную документацию на поверяемые средства измерений, эксплуатационную документацию на средства поверки и соответствующие требованиям к поверителям средств измерений согласно ГОСТ Р 56069-2018.
4 ТРЕБОВАНИЯ БЕЗОПАСНОСТИ-
4.1 При проведении поверки должны быть соблюдены требования ГОСТ 12.27.0-75, ГОСТ 12.3.019-80, ГОСТ 12.27.7-75, требованиями правил по охране труда при эксплуатации электроустановок, утвержденных приказом Министерства труда и социальной защиты Российской Федерации от 24 июля 2013 г № 328Н.
-
4.2 Средства поверки, вспомогательные средства поверки и оборудование должны соответствовать требованиям безопасности, изложенным в руководствах по эксплуатации.
При проведении поверки должны соблюдаться следующие условия:
-
- температура окружающего воздуха (23±5) °С;
-
- относительная влажность от 5 до 80 %;
-
- атмосферное давление от 84 до 106 кПа или от 630 до 795 мм рт. ст.;
-
- напряжение питающей сети (230±4,4) В.
-
6.1 Перед проведением поверки должны быть выполнены следующие подготовительные работы:
-
- проведены технические и организационные мероприятия по обеспечению безопасности проводимых работ в соответствии с действующими положениями ГОСТ 12.27.0-75;
-
- проверить наличие действующих свидетельств поверки на основные и вспомогательные средства поверки.
-
6.2 Средства поверки и поверяемый источник должны быть подготовлены к работе согласно их руководствам по эксплуатации.
-
6.3 Проверено наличие удостоверения у поверителя на право работы на электроустановках с напряжением до 1000 В с группой допуска не ниже III.
-
6.4 Контроль условий проведения поверки по пункту 5 должен быть проведен перед началом поверки.
-
6.5 Включить питание источника и средств поверки.
лист № 5 Всего листов 16
-
6.6 Выдержать поверяемый источник и средства поверки во включенном состоянии в соответствии с указаниями руководств по эксплуатации. Минимальное время прогрева источника 30 минут.
-
6.7 На ПК установить ПО управления источниками питания GENESYS+ Virtual Front Panel. Произвести подключение источника к ПК через порт USB.
-
6.8 Все дальнейшие установки значений тока и напряжения при проведении операций поверки производить с помощью данного ПО.
-
7 ПРОВЕДЕНИЕ ПОВЕРКИ
Перед поверкой должен быть проведен внешний осмотр, при котором должно быть установлено соответствие поверяемого источника следующим требованиям:
-
- не должно быть механических повреждений корпуса. Все надписи должны быть четкими и ясными;
-
- все разъемы, клеммы и измерительные провода не должны иметь повреждений и должны быть чистыми.
При наличии дефектов поверяемый источник бракуется и подлежит ремонту.
7.2 ОпробованиеВключить источник. Проверить работоспособность жидкокристаллического дисплея, регуляторов и функциональных клавиш. Режимы, отображаемые на дисплее, при переключении режимов измерений и нажатии соответствующих клавиш, должны соответствовать требованиям руководства по эксплуатации.
При неверном функционировании источник бракуется и направляется в ремонт.
7.3 Проверка идентификационных данных программного обеспеченияПроверка идентификационных данных программного обеспечения источников осуществляется с помощью ПО на внешнем компьютере. Вывод системной информации осуществляется в соответствии с процедурой:
-
- на ПК запустить ПО управления GENESYS+ Virtual Front Panel;
-
- в главном окне ПО отображаются идентификационные данные, как показано на рисунке 1;
-
- сравнить номер версии ПО с экрана, как показано на рисунке 2, с номером версии приведенным в таблице 4.

Рисунок 1 - Информация о программном обеспечении
лист № 6 Всего листов 16
Результат проверки считать положительным, если номер версии программного обеспечения соответствует данным, приведенным в таблице 4.
Таблица 4 - Характеристики программного обеспечения
|
Идентификационные данные (признаки) |
Значение |
|
Идентификационное наименование ПО |
GENESYS+ Virtual Front Panel |
|
Номер версии (идентификационный номер ПО) |
2.0 и выше |
Определение погрешности проводить в следующем порядке:
-
7.4.1 Собрать измерительную схему, представленную на рисунке 2. Подключить вход сетевого питания поверяемого источника к выходу автотрансформатора (далее - ЛАТР). На ЛАТР установить напряжение, равное номинальному напряжению питания источника (в зависимости от варианта исполнения источника), контролируя его при помощи мультиметра АРРА 505. Подключение производить по однофазной или трехфазной схеме в зависимости от варианта исполнения источника. Мультиметр цифровой 2002 (далее вольтметр 2002) подключить к выходу поверяемого источника.
-
7.4.2 Установить выходное напряжение, соответствующее 10 - 15 % от конечного значения диапазона.
-
7.4.3 Перевести вольтметр 2002 в режим измерения напряжения постоянного тока, включить функцию «FILTER» для усреднения показаний. Произвести измерение выходного напряжения поверяемого источника, фиксируя показания вольтметра 2002.
-
7.4.4 Провести измерения выходного напряжения источника, устанавливая на поверяемом источнике выходное напряжение, соответствующее 40 - 60 % и 90 - 100 % от конечного значения диапазона.

Рисунок 2 - Структурная схема соединения приборов для определения параметров выходного напряжения источников
-
7.4.5 Определить абсолютную погрешность установки выходного напряжения по формуле (1):
Аиуст=иус'1—U2002, (1)
где иуст - установленное значение напряжения на выходе поверяемого источника, В; U2002 - значение напряжения, измеренное вольтметром 2002, В.
Результаты поверки считать положительными, если во всех поверяемых точках значения абсолютной погрешности не превышают допускаемых пределов: ±0,0005^Umax, где Umax - максимальное значение выходного напряжения постоянного тока, мВ.
лист № 7 Всего листов 16
7.5 Определение нестабильности выходного напряжения постоянного тока при изменении напряжения питанияОпределение нестабильности проводить в следующем порядке:
-
7.5.1 Подключить вход сетевого питания поверяемого источника к выходу ЛАТР. На ЛАТР установить напряжение, равное номинальному напряжению питания источника (в зависимости от варианта исполнения источника), контролируя его при помощи мультиметра АРРА 505. Подключение производить по однофазной или трехфазной схеме в зависимости от варианта исполнения источника. Разъемы поверяемого источника соединить при помощи измерительных проводов с соответствующими разъемами нагрузки электронной и вольтметра 2002 в соответствии с рисунком 3.
-
7.5.2 Перевести вольтметр 2002 в режим измерения напряжения постоянного тока, включить функцию «FILTER» для усреднения показаний.
-
7.5.3 На поверяемом источнике установить конечные значения диапазонов измерений напряжения и силы постоянного тока.
-
7.5.4 На электронной нагрузке установить режим стабилизации силы тока «СС», значение тока потребления установить равным 90% значения силы тока, установленного на выходе поверяемого источника.
-
7.5.5 По показаниям вольтметра зафиксировать значения напряжения на выходе источника при номинальном значении напряжения питания.

Рисунок 3 - Структурная схема соединения приборов для определения нестабильности выходного напряжения источников
-
7.5.6 На ЛАТР плавно изменить напряжение питания от номинального (ином) до значения 1,1'ином.
-
7.5.7 Измерения нестабильности выходного напряжения производить через 1 мин после установки напряжения питания по изменению показаний вольтметра 2002 относительно показаний при номинальном напряжении питания ином.
-
7.5.8 Вышеперечисленные операции провести при напряжении питания равном 0,9-ином.
Результаты поверки считать положительными, если во всех поверяемых точках значение нестабильности не превышает допускаемых пределов: ±0,000bUmax,
где Umax - максимальное значение выходного напряжения постоянного тока, мВ.
7.6 Определение нестабильности выходного напряжения при изменении силы тока в нагрузкеОпределение нестабильности проводить в следующем порядке:
-
7.6.1 Разъемы поверяемого источника соединить при помощи измерительных проводов с соответствующими разъемами нагрузки электронной и вольтметра 2002 в соответствии с рисунком 3.
-
7.6.2 Подключить вход сетевого питания поверяемого источника к выходу ЛАТР. На ЛАТР установить напряжение, равное номинальному напряжению питания источника (в зависимости от варианта исполнения источника), контролируя его при помощи мультиметра АРРА 505. Подключение производить по однофазной или трехфазной схеме в зависимости от варианта исполнения источника.
-
7.6.3 На поверяемом источнике установить конечные значения диапазонов измерений напряжения и силы постоянного тока.
-
7.6.4 На электронной нагрузке установить режим стабилизации силы тока «СС», значение тока потребления установить равным 90% значения силы тока, установленного на выходе поверяемого источника.
-
7.6.5 Перевести вольтметр 2002 в режим измерения напряжения постоянного тока, включить функцию «FILTER» для усреднения показаний. По показаниям вольтметра 2002 зафиксировать значения напряжения на выходе поверяемого источника при значении тока нагрузки 90 % от максимального значения.
-
7.6.6 Установить на нагрузке значение тока потребления 10 % от максимального значения, установленного на источнике.
-
7.6.7 Измерения нестабильности выходного напряжения производить через 1 мин по изменению показаний вольтметра 2002 относительно показаний при значении тока нагрузки 90 % от максимального значения.
Результаты поверки считать положительными, если значение нестабильности не превышает допускаемых пределов:
±(0,0001-Umax+2) мВ - для модификаций мощностью 1000, 1500 и 1700 Вт, ±(0,0001-Umax+5) мВ - для модификаций мощностью 2700 и 3400 Вт, где Umax - максимальное значение выходного напряжения постоянного тока, мВ.
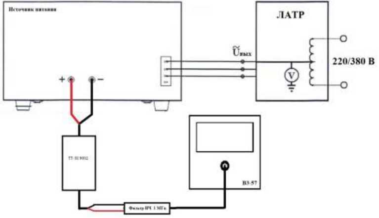
7.7 Определение уровня пульсаций выходного напряженияОпределение пульсаций выходного напряжения источника проводить при максимальном выходном напряжении без нагрузки при помощи вольтметра В3-57 в диапазоне частот от 5 Гц до 1 МГц.
Определение пульсаций проводить в следующем порядке:
-
7.7.1 Собрать измерительную схему, представленную на рисунке 4. На ЛАТР установить напряжение, равное номинальному напряжению питания источника (в зависимости от варианта исполнения источника), контролируя его при помощи мультиметра АРРА 505. Подключение производить по однофазной или трехфазной схеме в зависимости от варианта исполнения источника.

Рисунок 4 - Структурная схема соединения приборов для определения уровня пульсаций выходного напряжения источников
лист № 9
Всего листов 16
-
7.7.2 На поверяемом источнике установить конечное значение диапазона выходного напряжения постоянного тока.
-
7.7.3 При значениях выходного напряжения менее 300 В, измерение уровня пульсаций выходного напряжения поверяемого источника проводить через 1 мин по показаниям вольтметра В3-57. При значениях выходного напряжения более 300 В, измерение уровня пульсаций выходного напряжения поверяемого источника проводить при помощи дифференциального пробника TT-SI 9002 и вольтметра В3-57.
-
7.7.4 Перед подключением поверяемого источника через пробник-делитель необходимо определить действительное значение коэффициента деления делителя. Для этого к выходу делителя подключить вольтметр 2002. На источнике задать напряжение U1, контролируя напряжение мультиметром АРРА 505. Измерить вольтметром напряжение с выхода пробника-делителя U2. Определить коэффициент деления по формуле (2):
(2)
К =U1/U2
где Ui - значение напряжения на входе пробника, В;
Рисунок 5 - Пробник-делитель для определения уровня пульсаций
-
7.7.5 При использовании пробника делителя рассчитать действительное значение уровня пульсаций на выходе поверяемого прибора по формуле (3):
Ипульс=юи изм
где Ипульс - значение пульсаций на выходе поверяемого прибора, В;
(3)
Иизм - значение уровня пульсаций, измеренное вольтметром В3-57 на выходе пробника-делителя, В;
К - значение коэффициента деления пробника-делителя, рассчитанное по формуле (2).
Результаты поверки считать положительными, если значения пульсаций выходного напряжения не превышают допускаемых значений, приведенных в таблице 5.
Таблица 5 - Уровень пульсаций выходного напряжения постоянного тока (среднее квадратическое значение) в диапазоне частот от 5 Гц до 1 МГ ц
|
Наименование характеристики |
Значение | ||||
|
G10-100 |
G20-50 |
G30-34 |
G40-25 |
G60-17 | |
|
Модификации мощностью |
GB10-100 |
GВ20-50 |
GВ30-34 |
GВ40-25 |
GВ60-17 |
|
1000 Вт |
GH10-100 |
GH20-50 |
GH30-34 |
GH40-25 |
GH60-17 |
|
GHB10-100 |
GHB20-50 |
GHB30-34 |
GHB40-25 |
GHB60-17 | |
|
Значение уровня пульсаций, мВ, не более |
5 |
5 |
5 |
6 |
7 |
|
G80-12.5 |
G100-10 |
G150-7 |
G300-3.5 |
G600-1.7 | |
|
Модификации мощностью |
GВ80-12.5 |
GВ100-10 |
GВ150-7 |
GВ3 00-3.5 |
СВ600-1.7 |
|
1000 Вт |
GH80-12.5 |
GH100-10 |
GH150-7 |
GH300-3.5 |
GH600-1.7 |
|
GH380-12.5 |
GH3100-10 |
GH3150-7 |
GH33 00-3.5 |
6ИВ600-1.7 | |
|
Значение уровня пульсаций, мВ, не более |
8 |
12 |
7 |
15 |
90 |
|
Модификации мощностью |
GH10-150 |
GH20-75 |
GH30-50 |
GH40-38 |
GH60-25 |
|
1500 Вт |
GHB10-150 |
GHB20-75 |
GHB30-50 |
GHB40-38 |
GHB60-25 |
|
Значение уровня пульсаций, мВ, не более |
4 |
4 |
4 |
4 |
4 |
|
Модификации мощностью |
GH80-19 |
GH100-15 |
GH150-10 |
GH300-5 |
GH600-2.6 |
|
1500 Вт |
GHB80-19 |
GHB100-15 |
GHB150-10 |
GHB300-5 |
GHB600-2.6 |
|
Значение уровня пульсаций, мВ, не более |
7 |
8 |
8 |
14 |
40 |
|
Модификации мощностью |
G10-170 |
G20-85 |
G30-56 |
G40-42 |
G60-28 |
|
1700 Вт |
GВ10-170 |
GВ20-85 |
GВ30-56 |
GВ40-42 |
GВ60-28 |
|
Значение уровня пульсаций, мВ, не более |
6 |
6 |
6 |
6 |
7 |
|
Модификации мощностью |
G80-21 |
G100-17 |
G150-11.2 |
G300-5.6 |
G600-2.8 |
|
1700 Вт |
GВ80-21 |
GВ10O-17 |
СВ150-11.2 |
GВ300-5.6 |
GВ600-2.8 |
|
Значение уровня пульсаций, мВ, не более |
7 |
12 |
8 |
20 |
60 |
|
G10-265 |
G20-135 |
G30-90 |
G40-68 |
G60-45 | |
|
Модификации мощностью |
GВ10-265 |
GВ20-135 |
GВ30-90 |
GВ40-68 |
GВ60-45 |
|
2700 и 3400 Вт |
G10-340 |
G20-170 |
G30-112 |
G40-85 |
G60-56 |
|
GВ10-340 |
GВ20-170 |
GВ30-112 |
GВ40-85 |
GВ60-56 | |
|
Значение уровня пульсаций, мВ, не более |
8 |
10 |
10 |
12 |
15 |
|
G80-34 |
G100-27 |
G150-18 |
G300-9 |
G600-4.5 | |
|
Модификации мощностью |
GВ80-34 |
GВ100-27 |
GВ150-18 |
GВ300-9 |
GВ600-4.5 |
|
2700 и 3400 Вт |
G80-42 |
G100-34 |
G150-22.5 |
G300-11.5 |
G600-5.6 |
|
GВ80-42 |
GВ100-34 |
GВ150-22.5 |
СВ300-11.5 |
GВ600-5.6 | |
|
Значение уровня пульсаций, мВ, не более |
15 |
15 |
20 |
60 |
100 |
Определение абсолютной погрешности воспроизведения силы постоянного тока до 300 А производить методом прямого измерения по встроенному амперметру шунта токового PCS-71000. Определение абсолютной погрешности установки силы постоянного тока свыше 300 А производить с помощью шунта токового 9230А-1000.
Определение погрешности проводить в следующем порядке:
лист № 11 Всего листов 16
-
7.8.1 Разъемы поверяемого источника соединить при помощи измерительных проводов с соответствующими разъемами шунта токового в соответствие с рисунком 6.
-
7.8.2 Подключить вход сетевого питания поверяемого источника к выходу ЛАТР. На ЛАТР установить напряжение, равное номинальному напряжению питания источника (в зависимости от варианта исполнения источника), контролируя его при помощи мультиметра АРРА 505. Подключение производить по однофазной или трехфазной схеме в зависимости от варианта исполнения источника.
-
7.8.3 Подключение поверяемого источника к шунту производить согласно руководству по эксплуатации и в соответствии с рисунком 6. Выбор предела измерения на шунте осуществлять исходя из максимального значения силы тока на выходе источника. Предел измерения силы тока шунта должен быть больше установленного значения силы тока на источнике.

Рисунок 6 - Структурная схема соединения приборов для измерения
параметров выходного тока источника
-
7.8.4 Установить на выходе источника тока максимальное значение напряжения, значение силы тока на выходе установить равное 10 - 15 % от конечного значения диапазона.
-
7.8.5 Произвести измерение силы тока.
-
7.8.6 Провести измерения по п.п. 7.8.4 - 7.8.5, устанавливая на поверяемом источнике выходной ток, соответствующий 40 - 60 % и 90 - 100 % от конечного значения диапазона.
-
7.8.7 Определить абсолютную погрешность установки выходного тока по формуле (4):
А1уст 1ус| —Illi,
где 1уст - установленное значение силы тока на выходе поверяемого источника, А; Ipcs -значение силы тока, измеренное с помощью шунта, А.
Результаты поверки считать положительными, если во всех поверяемых точках значения абсолютной погрешности не превышают допускаемых пределов: ±(0,001-1вых+0,002 • Imax),
где Imax - максимальное значение силы постоянного тока, мА.
7.9 Определение нестабильности силы постоянного тока на выходе при изменении напряжения питанияОпределение нестабильности проводить в следующем порядке:
-
7.9.1 Разъемы поверяемого источника соединить при помощи измерительных проводов с соответствующими разъемами нагрузки электронной и шунта токового в соответствии с рисунком 7.
-
7.9.2 Подключить вход сетевого питания поверяемого источника к выходу ЛАТР. На ЛАТР установить напряжение, равное номинальному напряжению питания источника (в зависимости от варианта исполнения источника), контролируя его при помощи мультиметра АРРА 505. Подключение производить по однофазной или трехфазной схеме в зависимости от варианта исполнения источника.
-
7.9.3 Установить конечные значения диапазонов измерений напряжения и силы постоянного тока.
-
7.9.4 На электронной нагрузке установить режим стабилизации по напряжению «CV», значение напряжения установить равным 70 - 90 % от установленного значения напряжения на выходе поверяемого источника.

Рисунок 7 - Структурная схема соединения приборов для определения нестабильности силы тока на выходе источников
-
7.9.5 Зафиксировать значение силы тока.
-
7.9.6 На ЛАТР плавно изменить напряжение питания от номинального (ином) до значения 1,1'ином.
-
7.9.7 По прошествии 1 мин зафиксировать значение силы тока.
-
7.9.8 Вышеперечисленные операции провести при напряжении питания равном 0,9^ином.
-
7.9.9 Нестабильность силы постоянного тока на выходе при изменении напряжения питания определить по формуле (5):
1нест Il—Ь, (5)
где I1 - измеренное значение силы тока при номинальном напряжении питания поверяемого источника ином;
I2 - измеренное значение силы тока при отклонении напряжении питания от номинального на ±10 % (1 ,V UlIGU / 0,9-ином).
Результаты поверки считать положительными, если полученные значения не превышают допускаемых пределов:
±0,0002 • Imax - для модификаций мощностью 1000 Вт,
±(0,0001 •Imax+2) мА - для модификаций мощностью 1500 и 1700 Вт,
±0,0005^ Imax - для модификаций мощностью 2700 и 3400 Вт, где Imax - максимальное значение силы постоянного тока, мА.
7.10 Определение нестабильности силы постоянного тока при изменении выходного напряжения на нагрузкеОпределение нестабильности проводить в следующем порядке:
лист № 13 Всего листов 16
-
7.10.1 Разъемы поверяемого источника соединить при помощи измерительных проводов с соответствующими разъемами нагрузки электронной и шунта токового в соответствии с рисунком 7.
-
7.10.2 Подключить вход сетевого питания поверяемого источника к выходу ЛАТР. На ЛАТР установить напряжение, равное номинальному напряжению питания источника (в зависимости от варианта исполнения источника), контролируя его при помощи мультиметра АРРА 505. Подключение производить по однофазной или трехфазной схеме в зависимости от варианта исполнения источника.
-
7.10.3 Установить конечные значения диапазонов напряжения и силы постоянного тока.
-
7.10.4 На электронной нагрузке установить режим стабилизации по напряжению «CV», значение напряжения установить равным 70 - 90 % от установленного значения напряжения на выходе поверяемого источника.
-
7.10.5 Зафиксировать значение силы тока.
-
7.10.6 На нагрузке установить напряжение, равное 10 % от установленного значения напряжения на выходе поверяемого источника.
-
7.10.7 По прошествии 1 мин зафиксировать значение силы тока.
-
7.10.8 Нестабильность силы постоянного тока на выходе при изменении напряжения на нагрузке определить по формуле (6):
1нест I1-12, (6)
где I1 - измеренное значение силы тока при значении напряжения на выходе источника равном 70 - 90 % от максимального значения;
I2 - измеренное значение силы тока при значении напряжения на выходе источника равном 10 % от максимального значения.
Результаты поверки считать положительными, если полученные значения не превышают допускаемых пределов:
±(0,0002 •Imax+5) мА - для модификаций мощностью 1000, 1500 и 1700 Вт,
±0,0008^Imax - для модификаций мощностью 2700 и 3400 Вт, где Imax - максимальное значение силы постоянного тока, мА.
7.11 Определение уровня пульсаций силы постоянного токаОпределение уровня пульсаций силы постоянного тока источника проводить при максимальных выходных значениях напряжения и тока с подключением к нагрузке.
Определение пульсаций проводить в следующем порядке:
-
7.11.1 Собрать измерительную схему, представленную на рисунке 8. Подключить вход сетевого питания поверяемого источника к выходу ЛАТР. На ЛАТР установить напряжение, равное номинальному напряжению питания источника (в зависимости от варианта исполнения источника), контролируя его при помощи мультиметра АРРА 505. Подключение производить по однофазной или трехфазной схеме в зависимости от варианта исполнения источника.
-
7.11.2 На поверяемом источнике при помощи программного обеспечения (ПО) от внешнего компьютера установить конечные значения диапазонов установки напряжения и силы постоянного тока.
-
7.11.3 На электронной нагрузке установить режим стабилизации напряжения «СV», значение тока потребления установить равным 90% значения силы тока, установленного на выходе поверяемого источника. Значение напряжения установить равным установленному на выходе поверяемого источника.
-
7.11.4 Рассчитать сопротивление выходной цепи по формуле (7).
R инагр/1нагр , (7)
гле инагр - значение напряжения, установленное на нагрузке, В
1нагр - значение силы тока, установленное на нагрузке, А
-
7.11.4 Произвести измерения напряжения ипульс с помощью вольтметра В3-57.
-
7.11.5 При значениях выходного напряжения менее 300 В, измерение уровня пульсаций выходного тока поверяемого источника проводить путем прямого подключения вольтметра В3-57. При значениях выходного напряжения более 300 В, измерение уровня пульсаций выходного напряжения поверяемого источника проводить при помощи дифференциального пробника TT-SI 9002 и вольтметра В3-57.
Рисунок 8 - Структурная схема соединения приборов для определения уровня пульсаций силы постоянного тока
-
7.11.6 Перед подключением поверяемого источника через пробник-делитель необходимо определить действительное значение коэффициента деления делителя. Для этого к выходу делителя подключить вольтметр 2002. На калибраторе задать напряжение U1. Измерить вольтметром напряжение с выхода пробника-делителя U2. Определить коэффициент деления по формуле (8)
К =U1/U2 (8)
где U1 - значение напряжения на входе пробника, В;
U2 - значение напряжения на выходе пробника, В.
-
7.11.7 При использовании пробника делителя рассчитать действительное значение уровня пульсаций на выходе поверяемого прибора по формуле (9)
ипульс=юи изм
(9)
где ипульс - значение пульсаций на выходе поверяемого прибора, В;
иизм - значение уровня пульсаций, измеренное вольтметром В3-57 на выходе пробника-делителя, В;
К - значение коэффициента деления пробника-делителя, рассчитанное по формуле (8)
-
7.11.8 Рассчитать значение пульсаций тока по формуле (10)
1пульс ипульс/R
где ипульс - значение пульсаций на выходе поверяемого прибора, В;
R - рассчитанное сопротивление выходной цепи
Результаты поверки считать положительными, если значения пульсаций выходного тока не превышают допускаемых значений, приведенных в таблице 6.
Таблица 6 - Уровень пульсаций выходного тока (среднее квадратическое значение) в диапазоне частот от 5 Гц до 1 МГц
|
Наименование характеристики |
Значение | ||||
|
G10-100 |
G20-50 |
G30-34 |
G40-25 |
G60-17 | |
|
Модификации мощностью |
GB10-100 |
GВ20-50 |
GВ30-34 |
GВ40-25 |
GВ60-17 |
|
1000 Вт |
GH10-100 |
GH20-50 |
GH30-34 |
GH40-25 |
GH60-17 |
|
GHB10-100 |
GHB20-50 |
GHB30-34 |
GHB40-25 |
GHB60-17 | |
|
Значение уровня пульсаций, мА, не более |
230 |
100 |
60 |
55 |
40 |
|
G80-12.5 |
G100-10 |
G150-7 |
G300-3.5 |
G600-1.7 | |
|
Модификации мощностью |
GВ80-12.5 |
GВ100-10 |
GВ150-7 |
GВ3 00-3.5 |
GE600-1.7 |
|
1000 Вт |
GH80-12.5 |
GH100-10 |
GH150-7 |
GH300-3.5 |
GH600-1.7 |
|
GH380-12.5 |
GH3100-10 |
GH3150-7 |
GH33 00-3.5 |
СИВ600-1.7 | |
|
Значение уровня пульсаций, мА, не более |
20 |
20 |
10 |
7 |
4 |
|
Модификации мощностью |
GH10-150 |
GH20-75 |
GH30-50 |
GH40-38 |
GH60-25 |
|
1500 Вт |
GHB10-150 |
GHB20-75 |
GHB30-50 |
GHB40-38 |
GHB60-25 |
|
Значение уровня пульсаций, мА, не более |
225 |
120 |
60 |
30 |
25 |
|
Модификации мощностью |
GH80-19 |
GH100-15 |
GH150-10 |
GH300-5 |
GH600-2.6 |
|
1500 Вт |
GHB80-19 |
GHB100-15 |
GHB150-10 |
GHB300-5 |
GHB600-2.6 |
|
Значение уровня пульсаций, мА, не более |
15 |
15 |
5 |
3 |
2 |
|
Модификации мощностью |
G10-170 |
G20-85 |
G30-56 |
G40-42 |
G60-28 |
|
1700 Вт |
GВ10-170 |
GВ20-85 |
GВ30-56 |
GВ40-42 |
GВ60-28 |
|
Значение уровня пульсаций, мА, не более |
250 |
120 |
70 |
60 |
50 |
|
Модификации мощностью |
G80-21 |
G100-17 |
G150-11.2 |
G300-5.6 |
G600-2.8 |
|
1700 Вт |
GВ80-21 |
GВ100-17 |
СВ150-11.2 |
GВ300-5.6 |
GВ600-2.8 |
|
Значение уровня пульсаций, мА, не более |
25 |
15 |
10 |
8 |
3 |
|
G10-265 |
G20-135 |
G30-90 |
G40-68 |
G60-45 | |
|
Модификации мощностью |
GВ10-265 |
GВ20-135 |
GВ30-90 |
GВ40-68 |
GВ60-45 |
|
2700 и 3400 Вт |
G10-340 |
G20-170 |
G30-112 |
G40-85 |
G60-56 |
|
GВ10-340 |
GВ20-170 |
GВ30-112 |
GВ40-85 |
GВ60-56 | |
|
Значение уровня пульсаций, мА, не более - при трехфазном питании |
300 |
150 |
70 |
70 |
35 |
|
- при однофазном питании |
1200 |
600 |
300 |
300 |
200 |
|
G80-34 |
G100-27 |
G150-18 |
G300-9 |
G600-4.5 | |
|
Модификации мощностью |
GВ80-34 |
GВ100-27 |
GВ150-18 |
GВ300-9 |
GВ600-4.5 |
|
2700 и 3400 Вт |
G80-42 |
G100-34 |
G150-22.5 |
G300-11.5 |
G600-5.6 |
|
GВ80-42 |
GВ100-34 |
GВ150-22.5 |
0В300-11.5 |
GВ600-5.6 | |
|
Значение уровня пульсаций, мА, не более - при трехфазном питании |
25 |
15 |
8 |
5 |
3 |
|
- при однофазном питании |
100 |
60 |
40 |
10 |
8 |
8 ОФОРМЛЕНИЕ РЕЗУЛЬТАТОВ ПОВЕРКИ
8.1 При положительных результатах поверки источников оформляется свидетельство о
поверке в соответствии с приказом Минпромторга России от 02.07.2015 № 1815
"Об утверждении порядка проведения поверки средств измерений, требования к знаку поверки и содержанию свидетельства о поверке".
-
8.2 При отрицательных результатах поверки источник не допускается к дальнейшему применению, свидетельство о поверке аннулируется и выдается извещение о непригодности.
Начальник отдела испытаний и сертификации
. Корнеев

