Методика поверки «ГСИ. Газоанализаторы ГТВ-1101М-А» (МП-242-1089-2010)
УТВЕРЖДАЮ одитель ГЦИ СИ . Менделеева»

Н.И. Ханов
Ноября 2010 г.
Государственная система обеспечения единства измерений Г азоанализаторы ГТВ-1101М-А МЕТОДИКА ПОВЕРКИ МП-242-1089-2010
Руководитель научно-исследовательского отдела государственных эталонов в области физико-химических измерений ГЦИ СИ ФГУП «ВНИИМ им. Д.И. Менделеева»

■fl.A. Конопелько

Разработал
Инженер А.Л. Матвеев
г. Санкт-Петербург 2010 г.
Настоящая методика поверки распространяется на газоанализаторы ГТВ-1101М-А (далее -газоанализаторы) и устанавливает методику их первичной поверки при выпуске из производства, после ремонта и периодической поверки в процессе эксплуатации.
Межповерочный интервал - 1 год.
1 Операции поверки
-
1.1 При проведении поверки выполняют операции, указанные в таблице 1.
Таблица 1 - Операции поверки
Наименование операции |
Номер пункта методики поверки |
Проведение операции при поверке | |
первичной и после ремонта |
периодической | ||
1 Внешний осмотр |
6.1 |
Да |
Да |
2 Опробование |
6.2 | ||
2.1 Проверка работоспособности |
6.2.1 |
Да |
Да |
2.2 Проверка герметичности газового тракта газоанализатора |
6.2.2 |
Да |
Да |
3 Определение метрологических характеристик |
6.3 | ||
3.1 Определение основной погрешности газоанализатора |
6.3.1 |
Да |
Да |
3.2 Определение вариации показаний газоанализатора |
6.3.2 |
Да |
Нет |
3.3 Определение погрешности срабатывания сигнализации |
6.3.3 |
Да |
Да |
3.4 Определение времени установления показаний |
6.3.4 |
Да |
Да |
-
1.2 Если при проведении той или иной операции получен отрицательный результат, дальнейшая поверка прекращается.
2 Средства поверки
-
2.1 При проведении поверки применяют средства, указанные в таблице 2.
Таблица 2 - Средства поверки
Номер пункта методики поверки |
Наименование эталонного средства измерений или вспомогательного средства поверки, номер документа, регламентирующего технические требования к средству, метрологические и технические характеристики |
6 |
Термометр лабораторный ТЛ2-М, ТУ25-2021.003-88, диапазон измерений от 0 до 100 °С, цена деления 1 °С |
6 |
Барометр-анероид контрольный М-67, ТУ 2504-1797-75, диапазон измерений атмосферного давления от 610 до 790 мм рт. ст, погрешность ±0,8 мм рт. ст. |
6 |
Психрометр аспирационный М-34-М, ГРПИ 405132.001 -92 ТУ, диапазон измерений относительной влажности от 10 до 100 % |
6 |
Секундомер механический типа СОПпр, ТУ 25-1894.003-90, класс точности 2 |
6.2.2 |
Манометр образцовый МО-11202, ТУ25-05-1664-74, верхний предел измерения 250 кПа, класс точности 0,4 |
6.2, 6.3 |
ГСО-ПГС в баллонах под давлением по ТУ 6-16-2956-92 (с изм. № 6) (характеристики приведены в Приложении А) |
6.2, 6.3 |
Ротаметр РМ-А-0,063Г УЗ, ГОСТ 13045-81, верхняя граница диапазона измерений объемного расхода 0,063 м3/ч, кл. точности 4 |
Номер пункта методики по верки |
Наименование эталонного средства измерений или вспомогательного средства поверки, номер документа, регламентирующего технические требования к средству, метрологические и технические характеристики |
6.2, 6.3 |
Вентиль точной регулировки ВТР-1 (или ВТР-1-М160), диапазон рабочего давления (0-150) кгс/см2, диаметр условного прохода 3 мм |
6.2.2 |
Редуктор баллонный БКО-25-1, ТУ 3645-032-00220531-97, максимальное входное давление 150 кгс/см2, максимальное выходное давление 3,5 кгс/см2 |
6.3 |
Вольтметр универсальный цифровой В7-38, ХВ2.710.031 ТУ, диапазон измерений силы постоянного тока до 2 А |
6.2; 6.3 |
Трубка поливинилхлоридная (ПВХ) 6х1,5 мм по ТУ 64-2-286-79 |
6.2.2 |
Зажим |
Примечания:
|
3 Требования безопасности
-
3.1 Помещение, в котором проводят поверку, должно быть оборудовано приточновытяжной вентиляцией.
-
3.2 Концентрации вредных компонентов в воздухе рабочей зоны должны соответствовать требованиям ГОСТ 12.1.005-88.
-
3.3 Должны выполняться требования техники безопасности для защиты персонала от поражения электрическим током согласно классу I ГОСТ 12.2.007.0-75.
-
3.4 Требования техники безопасности при эксплуатации баллонов с ГСО-ПГС под давлением должны соответствовать “Правилам устройства и безопасной эксплуатации сосудов, работающих под давлением” (ПБ 03-576-03), утвержденным постановлением № 91 Госгортехнадзора России от 11.06.2003 г.
-
3.5 К поверке допускаются лица, изучившие руководство по эксплуатации газоанализаторов ИБЯЛ.413211.007 РЭ и прошедшие необходимый инструктаж.
-
3.6 Газоанализатор и средства поверки должны быть надежно заземлены.
-
3.7 Газоанализатор должен устанавливаться в невзрывоопасном помещении.
-
3.8 Не допускается сбрасывать ПГС в атмосферу рабочих помещений.
-
4 Условия поверки
- температура окружающей среды, оС 20 ± 5
- относительная влажность окружающей среды, % от 30 до 80
- атмосферное давление , кПа 101,3 ± 4,0
мм рт.ст. 760±30
- расход ГСО-ПГС (если не указано иное), дм3/мин 0,7 ± 0,2
- механические воздействия, наличие пыли, агрессивные примеси, внешние электрические и магнитные поля должны быть исключены.
-
5 Подготовка к поверке
-
5.1 Выполнить мероприятия по обеспечению условий безопасности.
-
5.2 Проверить наличие паспортов и сроки годности ГСО-ПГС в баллонах под давлением.
-
5.3 Баллоны с ГСО-ПГС выдержать при температуре поверки не менее 24 ч.
-
5.4 Выдержать газоанализатор при температуре поверки в течение не менее 2 ч.
-
5.5 Подготовить газоанализатор к работе в соответствии с требованиями руководства по эксплуатации ИБЯЛ.413211.007 РЭ.
-
5.6 Подготовить к работе средства поверки в соответствии с требованиями их эксплуатационной документации.
-
-
6 Проведение поверки
-
6.1 Внешний осмотр
-
6.1.1 При внешнем осмотре устанавливают соответствие газоанализатора следующим требованиям:
-
-
- соответствие комплектности (при первичной поверке) газоанализатора требованиям ру -ководства по эксплуатации ИБЯЛ.413211.007 РЭ;
- соответствие маркировки газоанализатора требованиям п. 1.1.6 руководства по эксплуатации ИБЯЛ.413211.007 РЭ;
- исправность органов управления;
- отсутствие механических повреждений (царапин, вмятин и др.), влияющих на метрологические характеристики газоанализатора;
- наличие пломб .
-
6.1.2 Газоанализатор считается выдержавшим внешний осмотр, если он соответствуют указанным выше требованиям.
-
6.2 Опробование
-
6.2.1 Проверка работоспособности
-
6.2.1.1 Проверку работоспособности газоанализатора проводить согласно п. 2.2 руководства по эксплуатации ИБЯЛ.413211.007 РЭ.
-
6.2.1.2 Результаты проверки работоспособности считают положительными, если:
-
-
- в режиме индикации показаний на цифровом отсчетном устройстве газоанализатора отображается содержание определяемого компонента;
- на аналоговом выходе газоанализатора имеется электрический сигнал в диапазоне от 0 до 5 мА или от 4 до 20 мА ;
- органы управления газоанализатора функционируют.
-
6.2.2 Проверка герметичности газового тракта газоанализатора
-
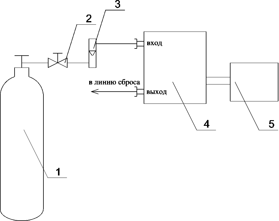
6.2.2.1 Проверку герметичности газового канала проводить при отключенном электрическом питании, ГСО-ПГС № 3, по схеме, приведенной на рисунке Б.1 Приложения Б в следующем порядке:
-
- собрать схему , приведенную на рисунке Б.1 Приложения Б;
- открыть запорный вентиль баллона и при помощи баллонного редуктора создать в газо -вом тракте газоанализатора давление (200 ± 5) кПа ((2,04 ±0,051) кгс/см2). Давление контролировать по манометру;
- закрыть вентиль баллона, пережать зажимом трубку после редуктора, включить секундомер, зафиксировать по манометру первое показание;
- через 30 мин зафиксировать второе показание манометра .
-
6.2.2.2 Газоанализатор считаются выдержавшим проверку герметичности, если падение давления в газовом канале за время проверки не превышает 2 кПа (0,02 кгс/см2).
6.3 Определение метрологических характеристик
-
6.3.1 Определение основной погрешности газоанализатора
-
6.3.1.1 Определение основной погрешности газоанализатора проводят по схеме, приведенной на рисунке В.1 Приложения В, при подаче ГСО-ПГС (таблица А.1 Приложения А, соответственно поверяемому диапазону измерений и определяемому компоненту) в последовательности:
- №№ 1-2-3-2-1-3 при первичной поверке;
- №№ 1-2-3 при периодической поверке ,
в следующем порядке:
-
1) собрать газовую схему, представленную на рисунке В.1;
-
2) подать на вход газоанализатора ГСО-ПГС №1;
-
3) не ранее чем через 3 мин произвести отсчет установившихся показаний газоанализатора по цифровому отсчетному устройству и вторичному прибору, подключенному к токовому выходу газоанализатора;
-
4) повторить операции по пп.2) - 3) для всех ГСО-ПГС (таблицы А.1 и А.2 Приложения А) с соблюдением последовательности №№ 1-2-3-2-1-3 при первичной поверке, №№ 1-2-3 при периодической поверке.
По показаниям вторичного прибора, подключенного к аналоговому выходу газоанализатора, рассчитать объемную долю определяемого компонента на входе газоанализатора по формулам:
-
- для аналогового выходного сигнала в диапазоне от 0 до 5 мА:
—Р = 5 н • Ii, (1)
где Ср - результат измерений объемной доли определяемого компонента в i-ой точке поверки, рассчитанный по значению аналогового выходного сигнала, %;
С в ,— н - значения объемной доли определяемого компонента, соответствующие
верхней и нижней границе диапазона измерений поверяемого газоанализатора, % (таблица Г.1 Приложения Г);
Ii - значение токового выходного сигнала при подаче i-ой ГСО-ПГС, мА.
-
- для аналогового выходного сигнала в диапазоне от 4 до 20 мА:
СР = ' • (Ii -4), (2)
16
-
6.3.1.2 Оценку значения основной приведенной погрешности газоанализатора в i-ой точке поверки , %, находят по формуле:
С - Сд
(3)
- в - - н
где —i - результат измерений объемной доли определяемого компонента в i-ой точке поверки
(по показаниям цифрового отсчетного устройства газоанализатора), %;
Св, Сн - значения объемной доли определяемого компонента, соответствующие верхней и нижней границе диапазона измерений, в котором нормированы пределы допускаемой основной приведенной погрешности, % (таблица Г.1 Приложения Г);
—Д - действительное значение объемной доли определяемого компонента, указанное в
паспорте ГСО-ПГС, %.
-
6.3.1.3 Результат считается положительным, если:
-
- значение основной погрешности газоанализатора в каждой точке поверки не превышает значений, указанных в таблице Г.1 Приложения Г;
-
- разность между показаниями цифрового отсчетного устройства газоанализатора и значением объемной доли определяемого компонента, рассчитанным по значению аналогового выходного сигнала, не превышает 0,2 в долях от пределов допускаемой основной погрешности.
6.3.2 Определение вариации показаний газоанализатора.
-
6.3.2.1 Определение вариации показаний газоанализатора допускается проводить одновременно с определением основной погрешности газоанализатора по п. 6.3.1 при подаче ГСО-ПГС №2.
-
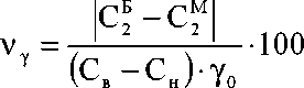
6.3.2.2 Оценку вариации показаний газоанализатора ng, в долях от пределов допускаемой основной приведенной погрешности, рассчитывают по формуле:
БМ
где С 2 , С2

- результат измерений объемной доли определяемого компонента при подаче
ГСО-ПГС №2, при подходе к точке поверки со стороны больших и меньших значений, %; g0 - пределы допускаемой основной приведенной погрешности газоанализатора, % (таблица Г.1 Приложения Г).
-
6.3.2.3 Результат считают положительным, если вариация показаний газоанализатора не превышает 0,5 в долях от пределов допускаемой основной погрешности.
-
6.3.3 Определение погрешности срабатывания сигнализации
-
6.3.3.1 Перед определением погрешности срабатывания сигнализации газоанализатор должен находиться в режиме измерения. Нажать кнопку «+» и не отпускать до тех пор, пока не появится надпись «TEST».
Через 5 с на цифровом отсчетном устройстве высветится начальное значение диапазона измерения.
-
6.3.3.2 Нажатием кнопки «+» увеличить показания на цифровом отсчетном устройстве до значений, при которых срабатывает «СИГНАЛИЗАЦИЯ 2».
-
6.3.3.3 Нажатием кнопки «-» уменьшить показания на цифровом отсчетном устройстве до значений, при которых отключается «СИГНАЛИЗАЦИЯ 2».
-
6.3.3.4 Зафиксировать показания газоанализатора в момент срабатывания (отключения) сигнализации.
-
6.3.3.5 Повторить операции по пп. 6.3.3.2 - 6.3.3.4 для всех порогов срабатывания сигнализации.
-
6.3.3.6 Определить в каждой точке проверки значение погрешности срабатывания сигнализации (дсг, %) по формуле
сг
с сг - C у
—сг—-100 (C в - с н) -Y0
сг
(5)
где Ссг - показания газоанализатора, при которых сработала (отключилась) сигнализация
по проверяемому порогу, объемная доля определяемого компонента, %;
C у - установленное значение уровня срабатывания сигнализации, объемная доля определяемого компонента, %.
-
6.3.3.7 Результат считают положительным, если погрешность срабатывания сигнализации не превышает 0,2 в долях от пределов допускаемой основной погрешности.
6.3.4 Определение времени установления показаний
-
6.3.4.1 Определение времени установления показаний допускается проводить одновременно с определением основной погрешности газоанализатора по п.6.3.1 при подаче ГСО-ПГС №1 и ГСО-ПГС № 3 (таблица А.1 Приложения А) в следующем порядке:
-
1) подать на вход газоанализатора ГСО-ПГС №3, зафиксировать установившееся значение показаний газоанализатора;
-
2) рассчитать значение, равное 0,9 от показаний газоанализатора, полученных в п. 1);
-
3) подать на вход газоанализатора ГСО-ПГС №1, дождаться установления показаний газоанализатора;
-
4) не подавая ГСО-ПГС на вход газоанализатора, продуть газовую линию ГСО-ПГС № 3 в течение 3 мин.
-
5) подать на вход газоанализатора ГСО-ПГС №3, произвести отсчёт показаний времени по секундомеру. Зафиксировать время достижения показаниями газоанализатора значения, рассчитанного в п 2).
-
6.3.4.2 Результат считают положительным, если время установления показаний не превышает 35 с.
-
7 Оформление результатов поверки
-
7.1 При проведении поверки оформляют протокол результатов поверки произвольной формы.
-
7.2 Газоанализаторы, удовлетворяющие требованиям настоящей методики поверки, признают годными к применению и клеймят путем нанесения оттиска поверительного клейма на корпусе газоанализатора или делают соответствующую отметку в руководстве по эксплуатации (при первичной поверке) и/или выдают свидетельство о поверке (при периодической поверке) согласно ПР 50.2.006-94.
-
7.3 При отрицательных результатах поверки клеймо предыдущей поверки гасят и аннулируют свидетельство о поверке, газоанализаторы не допускают к применению и направляют в ремонт. В руководстве по эксплуатации делают отметку о непригодности, выдают извещение установленной формы согласно ПР 50.2.006-94 с указанием причин непригодности.
-
Приложение А
(обязательное)
Перечень газовых смесей, используемых при поверке
Таблица А.1 - Технические характеристики ПГС для определения метрологических характеристик газоанализатора (за исключением ис
полнений ИБЯЛ.413211.007-25, ИБЯЛ.413211.007-26, ИБЯЛ.413211.007-36, ИБЯЛ.413211.007-37)
Определяемый компонент |
Диапазон измерений объемной доли определяемого компонента, % |
Номинальное значение объемной доли определяемого компонента в ПГС, пределы допускаемого отклонения, % |
Погрешность аттестации |
Источник получения ПГС (ГОСТ, номер по реестру ГСО-ПГС) | ||
ПГС №1 |
ПГС №2 |
ПГС №3 | ||||
Водород (H) |
От 0 до 1 |
Азот |
Особой чистоты, сорт 1-й по ГОСТ 9293-74 | |||
0,5± 0,05 |
± (-2,2-X+4,8) % отн. |
3909-87 | ||||
0,95± 0,05 |
± 2 % отн. |
3944-87 | ||||
От 0 до 2 |
Азот |
Особой чистоты, сорт 1-й по ГОСТ 9293-74 | ||||
0,95± 0,05 |
± 2 % отн. |
3944-87 | ||||
1,9±0,1 |
± (-0,6-X+2,7) % отн. |
3913-87 | ||||
От 0 до 3 |
Азот |
Особой чистоты, сорт 1-й по ГОСТ 9293-74 | ||||
1,5±0,1 |
± (-0,6-X+2,7) % отн. |
3913-87 | ||||
2,85±0,15 |
± (-0,6-X+2,7) % отн. |
3913-87 | ||||
От 0 до 5 |
Азот |
Особой чистоты, сорт 1-й по ГОСТ 9293-74 | ||||
2,5±0,2 |
± (-0,4-X+2,6) % отн. |
3915-87 | ||||
4,75±0,25 |
± 0,8 % отн. |
3921-87 | ||||
От 0 до 10 |
Азот |
Особой чистоты, сорт 1-й по ГОСТ 9293-74 | ||||
5,0±0,25 |
± 0,8 % отн. |
3921-87 | ||||
9,75±0,25 |
± (-0,01-X+0,84) % отн. |
3930-87 | ||||
От 0 до 20 |
Азот |
Особой чистоты, сорт 1-й по ГОСТ 9293-74 | ||||
10±0,5 |
± (-0,01-X+0,84) % отн. |
3930-87 | ||||
19,0±1,0 |
± (-0,01-X+0,84) % отн. |
3930-87 | ||||
От 0 до 30 |
Азот |
Особой чистоты, сорт 1-й по ГОСТ 9293-74 | ||||
15,0±0,75 |
± (-0,03X+3,34) % отн. |
3931-87 | ||||
28,5±1,5 |
± (-0,005X+0,6) % отн |
3933-87 |
Определяемый компонент |
Диапазон измерений объемной доли определяемого компонента, % |
Номинальное значение объемной доли определяемого компонента в ПГС, пределы допускаемого отклонения, % |
Погрешность аттестации |
Источник получения ПГС (ГОСТ, номер по реестру ГСО-ПГС) | ||
ПГС №1 |
ПГС №2 |
ПГС №3 | ||||
Водород (H) |
От 90 до 100 |
90,5±0,5 |
± 0,1 % (об.д.) |
3940-87 | ||
95±0,5 |
± 0,1 % (об.д.) |
3940-87 | ||||
99±0,2 |
± 0,08 % (об.д.) |
3942-87 | ||||
Азот (N2) |
От 0 до 60 |
Гелий |
Марки Б по ТУ 0271 135-31323949-2005 | |||
30±3 |
± 1 % отн. |
9206-2008 | ||||
57±3 |
± 1 % отн. |
9206-2008 | ||||
Примечание - изготовители и поставщики ГСО-ПГС:
|
Таблица А.2 - Технические характеристики ПГС для определения метрологических характеристик газоанализатора исполнений ИБЯЛ.413211.007-25, ИБЯЛ.413211.007-26, ИБЯЛ.413211.007-36, ИБЯЛ.413211.007-37
Определяемый компонент |
Диапазон измерений объемной доли определяемого компонента, % |
Номинальное значение объемной доли определяемого компонента в ПГС, пределы допускаемого отклонения, % |
Погрешность аттестации |
Источник получения ПГС (ГОСТ, номер по реестру ГСО-ПГС) | ||
ПГС №1 |
ПГС №2 |
ПГС №3 | ||||
Водород (H) |
От 0 до 1 |
ПНГ-воздух |
Марки Б по ТУ 6-21-5-82 | |||
0,41 ± 0,02 |
± (-10^X+6) % отн. |
4266-88 | ||||
1,02 ± 0,02 |
± (-0,6-X+2,6) % отн. |
3950-87 | ||||
От 0 до 2 |
ПНГ-воздух |
Марки Б по ТУ 6-21-5-82 | ||||
1,1± 0,1 |
± (-0,6-X+2,6) % отн. |
3950-87 | ||||
1,9±0,1 |
± (-0,6-X+2,6) % отн. |
3950-87 | ||||
Примечание - изготовители и поставщики ГСО-ПГС:
|
Приложение Б
(обязательное)
Схема проверки герметичности газового тракта газоанализатора

-
1 - баллон с ГСО-ПГС № 3;
-
2 - редуктор баллонный;
-
3 - манометр образцовый;
-
4 - газоанализатор;
-
5 - зажим.
-
Примечание - газовые линии вести поливинилхлоридной трубкой 6*1,5 мм
Рисунок Б.1 - Схема проверки герметичности газового тракта газоанализатора
Приложение B
(обязательное)
Схема подачи ГСО-ПГС из баллонов под давлением на газоанализатор при проведении поверки

-
1 - баллон с ГСО-ПГС;
-
4 - газоанализатор;
-
5 - вольтметр цифровой.
-
-
2 - вентиль точной регулировки;
-
3 - ротаметр;
Примечание - газовые линии вести поливинилхлоридной трубкой 6*1,5 мм
Рисунок B.1 - Схема подачи ГСО-ПГС из баллонов под давлением на газоанализатор ГТВ-1101 М-А
Приложение Г
(обязательное) Диапазоны измерений и пределы допускаемой основной погрешности газоанализаторов ГТВ-1101М-А
Таблица Г.1 - Диапазоны измерений и пределы допускаемой основной приведенной погрешности газоанализаторов
Обозначение |
Диапазон измерений объемной доли определяемого компонента, % |
Определяемый компонент |
Пределы допускаемой основной приведенной погрешности, % |
ИБЯЛ.413211.007 |
От 0 до 1 | ||
-01 |
От 0 до 2 | ||
-02 |
От 0 до 3 | ||
-03 |
От 0 до 5 | ||
-04 |
От 0 до 20 | ||
-05 |
От 0 до 1 | ||
-06 |
От 0 до 2 | ||
-07 |
От 0 до 3 | ||
-08 |
От 0 до 10 | ||
-09 |
От 90 до 100 | ||
-10 |
От 0 до 1 | ||
-11 |
От 0 до 2 | ||
-12 |
От 0 до 3 | ||
-13 |
От 0 до 5 | ||
-14 |
От 0 до 20 | ||
-15 |
От 0 до 1 | ||
-16 |
От 0 до 2 | ||
-17 |
От 0 до 3 | ||
-18 |
От 0 до 10 | ||
-19 |
От 90 до 100 |
тт | |
-20 |
От 0 до 1 |
н2 |
±4 |
-21 |
От 0 до 2 | ||
-22 |
От 0 до 3 | ||
-23 |
От 0 до 5 | ||
-24 |
От 0 до 20 | ||
-25 |
От 0 до 1 | ||
-26 |
От 0 до 2 | ||
-27 |
От 0 до 3 | ||
-28 |
От 0 до 10 | ||
-29 |
От 90 до 100 | ||
30 |
От 0 до 1 | ||
-31 |
От 0 до 2 | ||
-32 |
От 0 до 3 | ||
-33 |
От 0 до 5 | ||
-34 |
От 0 до 10 | ||
-35 |
От 0 до 20 | ||
-36 |
От 0 до 1 | ||
-37 |
От 0 до 2 | ||
-38 |
От 0 до 3 | ||
-39 |
От 90 до 100 |
Продолжение таблицы Г.1
Обозначение |
Диапазон измерений объемной доли определяемого компонента, % |
Определяемый компонент |
Пределы допускаемой основной приведенной погрешности, % |
-40 |
От 0 до 1 | ||
-41 |
От 0 до 2 | ||
-42 |
От 0 до 3 | ||
-43 |
От 0 до 5 | ||
-44 |
От 0 до 10 | ||
-45 |
От 0 до 20 | ||
-46 |
От 90 до 100 | ||
-50 |
От 0 до 1 | ||
-51 |
От 0 до 2 | ||
-52 |
От 0 до 3 | ||
-53 |
От 0 до 5 |
±4 | |
-54 |
От 0 до 10 | ||
-55 |
От 0 до 20 | ||
-56 |
От 90 до 100 | ||
-60 |
От 0 до 1 | ||
-61 |
От 0 до 2 | ||
-62 |
От 0 до 3 | ||
-63 |
От 0 до 5 | ||
-64 |
От 0 до 10 | ||
-65 |
От 0 до 20 | ||
-66 |
От 90 до 100 | ||
-70 |
От 0 до 3 | ||
-71 |
От 0 до 5 |
н2 | |
-72 |
От 0 до 10 | ||
-73 |
От 0 до 20 | ||
-74 |
От 0 до 3 | ||
-80 |
От 0 до 3 | ||
-81 |
От 0 до 5 | ||
-82 |
От 0 до 10 | ||
-83 |
От 0 до 20 | ||
-84 |
От 0 до 3 |
±2,5 | |
-90 |
От 0 до 3 | ||
-91 |
От 0 до 5 | ||
-92 |
От 0 до 10 | ||
-93 |
От 0 до 20 | ||
-94 |
От 0 до 3 | ||
-100 |
От 0 до 3 | ||
-101 |
От 0 до 5 | ||
-102 |
От 0 до 10 | ||
-103 |
От 0 до 20 | ||
-104 |
От 0 до 3 |
Продолжение таблицы Г.1
Обозначение |
Диапазон измерений объемной доли определяемого компонента, % |
Определяемый компонент |
Пределы допускаемой основной приведенной погрешности, % |
-110 |
От 0 до 30 |
н2 |
±4 |
-111 | |||
-112 | |||
-113 | |||
-114 |
От 0 до 60 |
N2 | |
-115 | |||
-116 | |||
-117 | |||
118 |
От 0 до 30 |
H2 | |
-119 | |||
-120 | |||
-121 | |||
-122 |
От 0 до 60 |
N2 | |
-123 | |||
-124 | |||
-125 |
15