Методика поверки «УСТАНОВКИ ВЫСОКОВОЛЬТНЫЕ «СКАТ-70»» (МП 4227-009-93527556-2012)
УТВЕРЖДАЮ
Заместитель директора ФГУП «ВНИИМС»

j 0
« 29 » марта
УСТАНОВКИ ВЫСОКОВОЛЬТНЫЕ «СКАТ-70»
МЕТОДИКА ПОВЕРКИ
4227-009-93527556-2012 МП
Москва
2012
СОДЕРЖАНИЕНастоящая методика устанавливает методы и средства проведения первичной и периодической поверок на установки высоковольтные «СКАТ-70» (далее по тексту -установки), выпускаемые ООО «Инженерный Центр России Современные технологии» г. Волгоград.
На испытания представляют одну установку, укомплектованную в соответствии с паспортом, и комплект следующей технической и нормативной документации:
- паспорт ПС;
- методика поверки МП.
Межповерочный интервал - 1 год.
1 ОПЕРАЦИИ ПОВЕРКИ-
1.1 При поверке выполняются операции, указанные в таблице 1. Таблица 1 - Операции поверки
Наименование операции
Пункт методики поверки
Первичная поверка
Периодическая поверка
1 Внешний осмотр
7.1
Да
Да
2 Опробование
-
2.1 Проверка электрической прочности изоляции
-
2.2 Проверка автоматического отключения высокого напряжения при превышении предельных значений напряжений
-
2.3 Проверка автоматического отключения высокого напряжения при превышении предельных значений токов
-
2.4 Проверка автоматического отключения высокого напряжения при срабатывании внешнего контакта
-
2.5 Проверка диапазона измерения силы тока;
-
2.6 Проверка диапазона регулирования действующих значений напряжения переменного тока и напряжения постоянного тока
7.2
Да
Да
3 Определение метрологических характеристик
-
3.1 Проверка пределов допускаемой относительной основной погрешности измерения напряжения переменного тока и напряжения постоянного тока
-
3.2 Проверка пределов допускаемой приведенной основной погрешности измерения силы тока.
7.3
Да
Да
-
2.1 При проведении поверки должны применяться средства измерений, перечисленные в таблице 2.
Таблица 2 - Эталонные и вспомогательные средства поверки
Наименование |
Требуемые технические характеристики |
Рекомендуемый тип |
Кол. | |
Диапазон измерения |
Погрешность или класс точности | |||
Киловольтметр спектральный цифровой |
0,2...120 кВ |
±(0,25 + 0,05)% |
КВЦ-120 |
1 |
Трансформатор напряжения измерительный лабораторный не заземляемый |
0,3.10 кВ |
0,1 % |
НЛЛ-10 |
1 |
0,3.35 кВ |
0,1 % |
НЛЛ-35 |
1 | |
Регистратор показателей качества электрической энергии |
31,5.520 В |
0,2 % |
Парма РК3.01 |
1 |
Мультиметр цифровой |
0,01 мкА.. .20 А |
±(0,3 + 30 е.м.р) % |
MTX 3283 |
1 |
Высоковольтная нагрузка: 1 МОм, 1500 Вт |
50 кВ переменного тока, 70 кВ постоянного тока |
±10% |
1 | |
Высоковольтная нагрузка: 6.6 МОм, 800 Вт |
50 кВ переменного тока, 70 кВ постоянного тока |
±10% |
1 | |
Конденсатор высоковольтный 0,25 мкФ |
100 кВ |
ИК-100-0,25 |
1 | |
Термометр ртутный стеклянный лабораторный |
0 - 50 °С |
±0,1 °С |
ТЛ-4 |
1 |
Барометр-анероид метеорологический |
80 - 106 кПа |
± 0,2 кПа |
БАММ-1 |
1 |
Психрометр |
10 - 100 % |
6 % |
М-34М |
1 |
Примечания
-
1. Вместо указанных в таблице 2 эталонных и вспомогательных средств поверки, разрешается применять другие аналогичные измерительные приборы, обеспечивающие измерение соответствующих параметров с требуемой точностью.
-
2. Все средства измерений должны быть исправны, поверены и иметь свидетельства (отметки в формулярах или паспортах) о поверке.
-
3. Все источники питания должны быть аттестованы и иметь действующие аттестаты
-
3 ТРЕБОВАНИЯ К КВАЛИФИКАЦИИ ПОВЕРИТЕЛЕЙ
-
3.1 К проведению поверки допускают лиц, аттестованных в качестве поверителей средств измерений электрических величин.
-
3.2 Поверитель должен пройти инструктаж по технике безопасности и иметь действующее удостоверение на право работы в электроустановках с квалификационной группой по электробезопасности не ниже III.
-
-
3.1 К проведению поверки допускается персонал, прошедший обучение в соответствии с требованиями ГОСТ 12.0.004, изучивший инструкцию по эксплуатации прибора, прошедший проверку знаний правил техники безопасности и эксплуатации электроустановок напряжением свыше 1 кВ и имеющий группу по электробезопасности не ниже III.
-
3.2 При проведении поверки должны быть соблюдены требования безопасности, установленные ГОСТ 12.3.019 и ГОСТ 22261.
-
3.3 Подготовку установки к поверке, сборку и разборку измерительных схем следует выполнять при отсутствии напряжения и остаточного заряда.
-
3.4 Снятие напряжения и остаточного заряда с объекта поверки и предупреждение ошибочного появления на нем напряжения необходимо обеспечивать:
отключением источников питания;
заземлением корпусов приборов, применяемых в испытаниях;
разрядкой заряжающихся элементов фильтров питания; наложением заземлений на высоковольтные выводы генераторов напряжения.
-
3.5 В цепях питания используемых средств поверки должны быть предохранители или автоматические выключатели.
-
3.6 Помещения, предназначенные для поверки, должны удовлетворять требованиям пожарной безопасности по ГОСТ 12.1.004.
-
3.7 Помещение для поверки должно иметь:
шину заземления;
аварийное освещение или переносные светильники с автономным питанием; средства пожаротушения;
средства для оказания первой помощи пострадавшим.
5 УСЛОВИЯ ПРОВЕДЕНИЯ ПОВЕРКИПоверка производится при нормальных условиях по ГОСТ 22261:
-
• температура окружающего воздуха (20 ± 5) °С;
-
• относительная влажность: (30.. .80) %;
-
• атмосферное давление: (84.. .106) кПа или (630.. .795) мм рт. ст.;
-
• частота питающей сети: (50 ± 2) Гц;
-
• напряжение питающей сети: (220 ± 5) В;
-
• коэффициент несинусоидальности формы кривой напряжения:
Перед поверкой должны быть выполнены следующие подготовительные работы:
-
- проверены документы, подтверждающие электрическую безопасность.
-
- проведены технические и организационные мероприятия по обеспечению безопасности проводимых работ в соответствии с действующими положениями ГОСТ 12.2.007.0-75 и ГОСТ 12.2.007.3-75.
-
- выполнены операции по подготовке к работе, предусмотренные руководствами по эксплуатации применяемых средств измерений.
-
7.1 Внешний осмотр.
При проведении внешнего осмотра должно быть установлено соответствие поверяемой установки следующим требованиям:
-
- комплектность должна соответствовать паспорту.
-
- все органы коммутации должны обеспечивать надежность фиксации во всех позициях;
-
- не должно быть механических повреждений корпуса, органов управления. Все надписи должны быть четкими и ясными;
-
- все разъемы, клеммы и измерительные провода не должны иметь повреждений, следов окисления и загрязнений;
При наличии дефектов установка бракуется и направляется в ремонт.
-
7.2 Опробование.
-
7.2.1 Проверка электрической прочности изоляции.
-
Изоляция установки между высоковольтным выводом и клеммой заземления должна выдерживать в течение 1 минуты действие напряжения переменного тока синусоидальной формы действующим значением 50,5 кВ частотой 50 Гц.
Установку считают выдержавшей испытания, если не произошло пробоя или перекрытия изоляции.
При отрицательном результате испытаний, установка бракуется и направляется в ремонт.
-
7.2.2 Проверка автоматического отключения высокого напряжения установкой при превышении предельных значений напряжений.
Блоком измерения А1 по киловольтметру PV1 (см. Приложение А, Рис. 1) плавно доводят напряжение переменного тока на выходе блока высоковольтного Т1 до 51±1 кВ, напряжение постоянного тока на выходе до 71±1 кВ (при испытании на постоянном токе к выходу высоковольтного блока присоединяется конденсатор C1). В обоих случаях наблюдают автоматическое отключение высокого напряжения установкой. Индикатор «Выходное напряжение» на передней панели устанавливается в нулевые показания при безъемкостной нагрузки или отображает значение выходного напряжения при емкостной нагрузке, внешняя сигнальная лампа индикации высокого напряжения, подключенная к разъему «БЛОКИРОВКА» гаснет.
Результаты испытаний считаются удовлетворительными, если автоматическое отключение установкой высокого напряжения переменного тока происходит при значениях 51±1 кВ, напряжения постоянного тока при значениях 71±1 кВ
При отрицательном результате испытаний, установка бракуется и направляется в ремонт.
-
7.2.3 Проверка автоматического отключения высокого напряжения при превышении предельных значений токов.
С помощью высоковольтной нагрузки 1 МОм устанавливают по образцовому миллиамперметру РА1 (см. Приложение А, Рис 2) значение силы тока 36,0±1 мА при переменном напряжении и 16,0±1 при постоянном напряжении в нагрузке (при испытании на постоянном токе к выходу высоковольтного блока присоединяется конденсатор C1).
Наблюдают автоматическое отключение высокого напряжения установкой, индикатор «Выходное напряжение» на передней панели устанавливается в нулевые показания при переменном напряжении или отображает значение напряжения на нагрузке по мере разряда высоковольтной емкости, внешняя сигнальная лампа индикации высокого напряжения, подключенная к разъему «БЛОКИРОВКА» гаснет.
Результаты испытаний считаются удовлетворительными, если автоматическое отключение установкой высокого напряжения происходит при значениях тока нагрузки 36,0±1 мА при переменном напряжении и 16,0±1 при постоянном напряжении.
При отрицательном результате испытаний, установка бракуется и направляется в ремонт.
-
7.2.4 Проверка автоматического отключения высокого напряжения при срабатывании внешнего контакта (при открытой дверце защитного ограждения) подключенного к разъему «БЛОКИРОВКА». Наблюдают автоматическое отключение высокого напряжения установкой при размыкании внешнего контакта (при открытии дверцы защитного ограждения). Индикатор «Выходное напряжение» на передней панели устанавливается в нулевые показания при безъемкостной нагрузки или отображает значение выходного напряжения при емкостной нагрузке.
При отрицательном результате испытаний, установка бракуется и направляется в ремонт.
-
7.2.5 Проверка диапазона измерения силы тока установки. Проверку диапазона измерения силы тока, проводят при помощи схемы, приведенной на Рис. 2 (см. Приложение А). Следует использовать нагрузку 1 МОм.
Включить установку. Плавно регулируя величину тока нагрузки, убедиться, что установка позволяет обеспечивать измерение силы тока, сравнивая показания силы тока установки и эталонного миллиамперметра PA1. Результаты испытания считаются удовлетворительными, если показания установки находятся в диапазоне измерения 0,05... 35,0 мА при переменном напряжении и 0,05.15,0 мА при постоянном напряжении соответственно (при испытании на постоянном токе к выходу высоковольтного блока присоединяется конденсатор C1).
-
7.2.6 Проверка диапазонов регулирования действующих значений напряжения переменного и постоянного токов.
-
7.2.6.1 Проверку диапазона регулирования напряжения переменного тока установки проводят при помощи схемы, приведенной на Рис. 1 (см. Приложение А).
-
Включить установку. Плавно регулируя величину напряжения, убедиться, что установка позволяет обеспечивать измерение напряжения, сравнивая показания напряжения установки и эталонного киловольтметра PV1. Результаты испытания считаются удовлетворительными, если показания установки находятся в диапазоне измерения 0,20. 50,0 кВ.
-
7.2.6.2 Проверку диапазона регулирования напряжения постоянного тока установки проводят при помощи схемы, приведенной на Рис. 1 (см. Приложение А). При этом к выходу высоковольтного блока присоединяется конденсатор C1.
Включить установку. Плавно регулируя величину напряжения, убедиться, что установка позволяет обеспечивать измерение напряжения, сравнивая показания напряжения установки и эталонного киловольтметра PV1. Результаты испытания считаются удовлетворительными, если показания установки находятся в диапазоне измерения 0,20. 70,0 кВ.
7.3. Определение метрологических характеристик.
7.3.1 Проверка пределов основной относительной погрешности измерения напряжения переменного тока и напряжения постоянного тока.
Проверку пределов основной относительной погрешности измерения напряжения переменного и постоянного тока проводят по схеме, приведенной в Приложении А на Рис.1. При испытании на постоянном токе к выходу высоковольтного блока присоединяется конденсатор C1.
По киловольтметру PV1 устанавливают напряжение согласно таблице 3, таблице 4 соответственно. Фиксируют результаты измерений.
Обработку результатов измерений проводят в следующей последовательности:
-
• Определяют в каждой точке относительную погрешность AU по формуле:
(1)
U
где
U70 - показания значения напряжения на дисплее установки СКАТ-70, кВ;
U - показания эталонного измерителя высокого напряжения PV1, кВ.
-
• Сравнивают полученную относительную погрешность с пределом основной относительной погрешности измерения установки, рассчитанной по формуле:
±[ 2,5+0,1( | Xk/x | - 1)] % + 1 е. м. р. (2)
где
Xk - верхнее значение диапазона измерения «СКАТ-70»;
x - значение напряжения в поверяемых точках (Таблицы 3, 4).
-
• Результаты испытаний установки считаются удовлетворительными, если во всех проверяемых точках показания установки AU , рассчитанные по формуле (1) не превышают рассчитанных по формуле (2). При отрицательном результате испытаний, установка бракуется и направляется в ремонт.
-
7.3.2 Проверка пределов основной приведенной погрешности при измерения значений силы тока установки.
Проверку пределов основной относительной погрешности измерения напряжения переменного и постоянного тока проводят по схеме, приведенной в Приложении А на Рис.2. При испытании на постоянном токе к выходу высоковольтного блока присоединяется конденсатор C1.
С помощью высоковольтной нагрузки устанавливают по образцовому миллиамперметру РА1 (см. Приложение А, Рис 2) силу тока в нагрузке, согласно таблице 5. Для токов 0,5-3 мА использовать нагрузку 6,6 МОм, для тока 5 мА и выше использовать нагрузку 1 МОм.
Таблица 5 - Значения силы тока при переменном напряжении
Номер точки |
1 |
2 |
3 |
4 |
5 |
6 |
Значения силы тока , мА |
0.50 |
3 |
10 |
20 |
30 |
35 |
Таблица 5.1 -Значения силы тока при постоянном напряжении
Номер точки |
1 |
2 |
3 |
4 |
5 |
Значения силы тока , мА |
0.5 |
3 |
5 |
10 |
15 |
Определяют приведенную погрешность AI по формуле:

(3)
где
I70 - показания значения силы тока на дисплее установки «СКАТ-70», мА;
1э - показания эталонного миллиамперметра PA1, мА.
In - нормирующее верхнее значение диапазона измерения «СКАТ-70», мА
Сравнивают полученную приведенную погрешность с пределом основной приведенной погрешности измерения установки высоковольтной «СКАТ-70», равной:
± 2,5% + 1 е. м. р.. (4)
Результаты испытаний установки считаются удовлетворительными, если во всех проверяемых точках показания установки AI , рассчитанные по формуле (3) не превышают рассчитанных по формуле (4).
При отрицательном результате испытаний, установка бракуется и направляется в ремонт.
8 ОФОРМЛЕНИЕ РЕЗУЛЬТАТОВ ПОВЕРКИ-
8.1 Положительные результаты поверки оформляются свидетельством о поверке согласно требованиям нормативных документов (НД) Федерального агентства по техническому регулированию и метрологии.
-
8.2 Допускается вместо оформления свидетельства о поверке на корпус устройства наносить оттиск поверительного клейма (пломбы) таким образом, чтобы гарантировалась невозможность вскрытия корпуса без нарушения целостности оттиска, а в паспорте в разделе «Поверка изделия в эксплуатации» наносить подпись поверителя и оттиск поверительного клейма.
-
8.3 При отрицательных результатах свидетельство о поверке не выдается, ранее выданное свидетельство о поверке аннулируется, запись о поверке в паспорте на устройство гасится и выдается извещение о непригодности согласно требованиям НД Федерального агентства по техническому регулированию и метрологии.
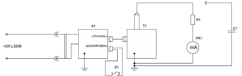
Приложение А (обязательное)
СХЕМА КОНТРОЛЯ ПАРАМЕТРОВ

Рис. 1. Схема для проверки диапазона регулирования и определения пределов допускаемой основной относительной погрешности напряжения переменного и постоянного тока установки.
А1 - блок индикации «СКАТ-70»
T1 - блок высоковольтный «СКАТ-70»
PV1 - киловольтметр эталонный
C1 - высоковольтный конденсатор
S1 - тумблер.

Рис. 2. Схема для проверки диапазона измерения силы тока и определения пределов допускаемой основной приведенной погрешности силы тока установки.
А1 - блок индикаторный «СКАТ-70»
Т1 - блок высоковольтный «СКАТ-70»
R1 - нагрузка активная высоковольтная
PA1 - миллиамперметр эталонный
C1 - высоковольтный конденсатор
S1 - тумблер.
10