Методика поверки «Система измерительная для стендов испытаний главных редукторов вертолетов СИГР-8» (СТ742-019.01 МП)
Федеральное государственное унитарное предприятие Всероссийский научно-исследовательский институт метрологической службы (ФГУП «ВНИИМС»)
УТВЕРЖДАЮ
Заместитель директора
по производственной метрологии НИИМС»
Система измерительная для стендовых испытаний главных редукторов вертолетов СИГР-8 Методика поверки
СТ742-019.01 МП
2019 г.
СОДЕРЖАНИЕ
Стр.
Приложение А - Функциональные схемы поверки измерительных каналов (ИК) ...
1 ВВЕДЕНИЕНастоящая методика поверки (МП) устанавливает порядок проведения и оформления результатов поверки системы измерительной для стендовых испытаний главных редукторов вертолетов СИГР-8 (далее - система) и устанавливает методику ее первичной и периодической поверок.
Система предназначена для измерений крутящего момента силы, частоты вращения, силы, избыточного давления рабочей жидкости, расхода рабочей жидкости, уровня рабочей жидкости, виброускорения, электрической мощности, температуры, напряжения постоянного электрического тока, электрического сопротивления, силы, напряжения и частоты переменного тока и формирования на основе полученных данных сигналов управления сложными технологическими процессами и объектами, а также для регистрации и отображения результатов измерений и расчетных величин.
Производство единичное, заводской № 01.
Состав измерительных каналов (ИК) системы приведен в описании типа средства измерений. Перечень ИК приведен в технической документации на систему.
Система состоит из следующих уровней:
а) первичные измерительные преобразователи (ПИП);
б) вторичной электрической части ИК (ВИК);
Метрологические характеристики (MX) и основные технические характеристики системы и ее измерительных компонентов приведены в описании типа средства измерений.
Система подлежит покомпонентной (поэлементной) поверке:
-
1) каждый ИК системы условно подразделяют на ПИП и ВИК;
-
2) проверяют наличие действующих свидетельств о поверке (или отметок о поверке в эксплуатационной документации) на все ПИП, входящие в состав ИК системы;
-
3) проводят экспериментальную проверку погрешностей ВИК;
-
4) принимают решение о годности каждого отдельного ИК.
Результаты проверки каждого ИК системы считаются положительными, если:
-
- ПИП имеют действующее свидетельство о поверке (либо отметку о поверке в эксплуатационной документации);
-
- погрешность ВИК не превышает допускаемых значений в условиях поверки.
Допускается проведение поверки отдельных ИК в соответствии с письменным заявлением владельца системы с обязательным указанием информации об объёме проведённой поверки в перечне поверенных ИК, являющемся неотъемлемой частью свидетельства о поверке системы.
ИК системы, прошедшие поверку с отрицательным результатом, выводятся из эксплуатации и не включаются в перечень поверенных ИК, являющийся неотъемлемой частью свидетельства о поверке системы.
Периодическую поверку системы выполняют в процессе эксплуатации системы.
После ремонта системы, аварий, если эти события могли повлиять на метрологические характеристики ИК, а также после замены ее измерительных компонентов проводят первичную поверку системы. Допускается проводить поверку только тех ИК, которые подверглись указанным выше воздействиям.
Интервал между поверками системы - 1 год.
2 ОПЕРАЦИИ ПОВЕРКИ2.1 При проведении поверки должны выполнять операции, указанные в таблице 1. Т аб лица 1
|
Наименование операции |
№ пункта МП |
Проведение операции | |
|
первичная поверка (после ремонта) |
периодическая поверка | ||
|
Внешний осмотр |
7.1 |
да |
да |
|
Опробование и проверка системы |
7.2 |
да |
да |
|
Проверка MX ВИК системы |
7.3 |
да |
да |
|
Проверка MX ВИК крутящего момента силы |
7.3.1 |
да |
да |
|
Проверка MX ВИК частоты вращения |
7.3.2 |
да |
да |
|
Проверка MX ВИК силы |
7.3.3 |
да |
да |
|
Проверка MX ВИК расхода рабочей жидкости |
7.3.4 |
да |
да |
|
Проверка MX ВИК избыточного давления рабочей жидкости и воздуха |
7.3.5 |
да |
да |
|
Проверка MX ВИК температуры |
7.3.6 |
да |
да |
|
Проверка ВИК силы и напряжения переменного тока, электрической мощности, виброускорения |
7.3.7 |
да |
да |
|
Проверка MX ВИК напряжения постоянного тока |
7.3.8 |
да |
да |
|
Проверка MX ВИК электрического сопротивления |
7.3.9 |
да |
да |
|
Проверка MX ВИК частоты переменного тока |
7.3.10 |
да |
да |
|
Проверка MX ВИК уровня рабочей жидкости |
7.3.11 |
да |
да |
|
Проверка контрольной суммы исполняемого кода (цифрового идентификатора программного обеспечения (ПО)) |
7.4 |
да |
да |
3.1 Средства поверки приведены в таблице 2. Таблица 2
|
Номер пункта МП |
Наименование рабочих эталонов или вспомогательных средств поверки, номер документа, регламентирующего технические требования к рабочим эталонам или вспомогательным средствам. Разряд по государственной поверочной схеме и (или) метрологические и основные технические характеристики |
|
7.3.5, 7.3.8, 7.3.11 |
Калибратор промышленных процессов универсальный АКИП-7301:
|
|
7.3.1, 7.3.2, 7.3.4, 7.3.10 |
Генератор сигналов специальной формы ГСС-05: диапазон частот от 100 мкГц до 5 МГц, пределы допускаемой абсолютной погрешности установки частоты (F) ± (5 • 10‘6 Гц • F + 1 мкГц) |
|
7.3.3 |
Калибратор КЗ607: диапазон воспроизведения коэффициента преобразования от -10 до +10 мВ/B, класс точности 0,025 |
|
7.3.6, 7.3.9 |
Магазин сопротивлений МСР-60М, класс точности 0,02 |
|
Вспомогательные средства поверки | |
|
5.1 |
Измеритель комбинированный «TESTO 175-Н1»: диапазон измерения температуры от -20 до +55 °C, предел абсолютной погрешности измерения температуры ±0,4 °C; диапазон измерения относительной влажности от 5 до 95 %, предел абсолютной погрешности измерения относительной влажности ±2 %. Барометр-анероид БАММ-1: диапазон измерения атмосферного давления от 80 до 106 кПа, предел основной допускаемой погрешности измерений атмосферного давления: ±200 Па |
|
Вспомогательное оборудование | |
|
Кабель для поверки ИК ДМ СТ742.00.24.000 | |
|
Кабель для поверки ИК оборотов СТ742.00.22.000 | |
|
Кабель для поверки ИК силы СТ742.00.23.000 | |
|
Кабель для поверки ИК расхода СТ742.00.19.000 | |
|
Кабель для поверки ИК ДД ДУ СТ742.00.21.000 | |
|
Кабель для поверки ИК температуры СТ742.00.25.000 | |
|
Кабель для поверки ИК ДЧВ СТ742.00.20.000 | |
-
3.2 При проведении поверки допускается применять другие средства измерений, удовлетворяющие по точности и диапазону измерений требованиям настоящей методики.
-
3.3 При поверке должны использоваться средства измерений утвержденных типов.
-
3.4 Используемые средства поверки должны быть поверены в соответствии с требованиями приказа Минпромторга России № 1815 от 02.07.2015 г. и иметь действующее свидетельство о поверке (знак поверки).
-
3.5 Средства поверки должны быть внесены в рабочее помещение не менее чем за 12 часов до начала поверки.
-
4.1 При проведении поверки необходимо соблюдать требования техники безопасности, предусмотренные «Правилами технической эксплуатации электроустановок потребителей» и «ПОТ Р М-016-2001. РД 153-34.0-03.150-00. Межотраслевыми Правилами по охране труда (Правила безопасности) при эксплуатации электроустановок». ГОСТ 12.2.007.0-75, ГОСТ Р 12.1.019-2009, ГОСТ 12.2.091-2002 и требования безопасности, указанные в технической документации на применяемые эталоны и вспомогательное оборудование.
-
4.2 Любые подключения приборов проводить только при отключенном напряжении питания системы.
ВНИМАНИЕ! На открытых контактах клеммных колодок системы напряжение опасное для жизни - 220 В.
-
4.3 К поверке допускаются лица, изучившие руководство по эксплуатации (РЭ) на систему, знающие принцип действия используемых средств измерений и прошедшие инструктаж по технике безопасности (первичный и на рабочем месте) в установленном в организации порядке.
-
4.4 К поверке допускаются лица, освоившие работу с используемыми средствами поверки, изучившие настоящую МП и имеющие достаточную квалификацию.
-
4.5 Лица, участвующие в поверке системы, должны проходить обучение и аттестацию по технике безопасности и производственной санитарии при работе в условиях её размещения.
-
5.1 При проведении поверки должны соблюдаться следующие условия:
температура окружающего воздуха, °C (К) от 15 до 25 (от 288 до 298);
относительная влажность воздуха при температуре 25 °C, % от 30 до 80;
атмосферное давление, мм рт. ст. (кПа) от 730 до 785 (от 97,3 до 104,6);
напряжение питания однофазной сети переменного тока
при частоте (50±1) Гц, В от 215,6 до 224,4.
6 ПОДГОТОВКА К ПОВЕРКЕ-
6.1 При подготовке к поверке:
-
- проверить наличие свидетельств (знаков поверки) о поверке средств поверки;
-
- проверить целостность электрических цепей измерительного канала (ИК);
-
- включить питание измерительных преобразователей и аппаратуры системы;
-
- перед началом поверки измерить и занести в протокол поверки условия окружающей среды (температура, влажность воздуха и атмосферное давление).
-
7 ПРОВЕДЕНИЕ ПОВЕРКИ
-
7.1.1 При внешнем осмотре проверить:
-
- отсутствие механических повреждений;
-
- исправность органов управления (четкость фиксации положения переключателей и кнопок);
-
- отсутствие нарушений экранировки линий связи;
-
- отсутствие обугливания изоляции на внешних токоведущих частях системы;
-
- отсутствие неудовлетворительного крепления разъемов;
-
- заземление стойки управления системы;
-
- наличие товарного знака изготовителя и заводского номера системы.
-
7.1.2 Результаты осмотра считать положительными, если выполняются вышеперечисленные требования. В противном случае поверка не проводится до устранения выявленных недостатков.
-
7.2.1 При опробовании системы необходимо:
включить систему, подав напряжение питания на все ее компоненты;
запустить ПО Гарис.
-
7.2.2 Результаты опробования считать положительными, если ПО Гарис запускается и в окне «По текущим А и В» отображается информация с действующими значениями измеряемых величин.
-
7.2.3 Для проверки каждого ИК системы выполняют операции в следующей последовательности:
-
1) Проводят проверку наличия действующего свидетельства о поверке (или отметки о поверке в эксплуатационной документации) ПИП.
-
2) Проводят экспериментальную проверку погрешности ВИК системы по соответствующей методике. Методики проверки ВИК, в зависимости от типа ИК, приведены в п. 7.3 настоящего документа.
-
7.2.4 Результаты проверки ИК системы считаются положительными, если ПИП, входящий в состав проверяемого ИК, имеет действующее свидетельство о поверке (либо отметку о поверке в эксплуатационной документации), а ВИК прошел экспериментальную проверку погрешности с положительным результатом.
-
7.2.5 Если в процессе проверки обнаруживают ПИП, имеющий свидетельство о поверке (или отметку о поверке в эксплуатационной документации) с истекшим сроком действия, то ИК системы, в состав которого входит такой ПИП, признают прошедшим поверку с отрицательным результатом.
-
7.3.1 Проверка MX ВИК крутящего момента силы
Проверка MX ВИК крутящего момента силы проводят в изложенной ниже последовательности:
-
7.3.1.1 Собрать функциональную схему для определения проверки MX ВИК частоты переменного тока, согласно рисунку 1 Приложения А.
Генератор ГСС-05 подключить кабелем для поверки ИК ДМ СТ742.00.24.000 из состава ЗИП системы ко входу усилителя MGCplus.
-
7.3.1.2 Включить компьютер с предустановленным ПО: MSOffice, Гарис.
-
7.3.1.3 Запустить ПО Гарис.
-
7.3.1.4 Открыть таблицу датчиков. В строке поверяемого ИК нажать кнопку «Градуировка».
-
7.3.1.5 Для каждой точки измерения j из таблицы 3 (для диапазона измерений от 50 до 1000 Н-м) / из таблицы 4 (для диапазона измерений от 50 до 2000 Н-м):
-
- установить на генераторе ГСС-05 (параметры воспроизводимого сигнала: размах напряжения 5 В, смещение 2,5 В) значение частоты переменного тока Fj, соответствующее значению крутящего момента силы Nj;
-
- измеренное системой значение крутящего момента силы Xj из окна «По текущим А и В» записать в протокол поверки (если показания измеряемого значения не стабильные, то в качестве измеренного значения записывается значение, максимально отклоняющееся от номинального);
-
- рассчитать абсолютную погрешность Aj измерений крутящего момента силы по формуле:
Aj = Xj-Nj (1)
-
- рассчитать приведенную погрешность yj измерений крутящего момента силы по формуле:
Yj = A-’100% (2)
Nmax
Таблица 3
|
Точка измерения, j |
Заданное генератором значение частоты переменного тока Fj, кГц |
Номинальное значение крутящего момента силы Nj, Н-м |
Измеренное системой значение крутящего момента силы Xj, Н-м |
Абсолютная погрешность Aj, Н-м |
Приведенная погрешность Yj> % |
|
1 |
10,25 |
50 | |||
|
2 |
И |
200 | |||
|
3 |
12 |
400 | |||
|
4 |
13 |
600 | |||
|
5 |
14 |
800 | |||
|
6 |
15 |
1000 |
Таблица 4
|
Точка измерения, j |
Заданное генератором значение частоты переменного тока Fj, кГц |
Номинальное значение крутящего момента силы Nj, Н-м |
Измеренное системой значение крутящего момента силы Xj, Н-м |
Абсолютная погрешность Aj, Н-м |
Приведенная погрешность TJ. % |
|
1 |
10,125 |
50 | |||
|
2 |
И |
400 | |||
|
3 |
12 |
800 | |||
|
4 |
13 |
1200 | |||
|
5 |
14 |
1600 | |||
|
6 |
15 |
2000 |
-
7.3.1.6 ВИК считают прошедшим поверку, если в каждой из проверяемых точек выполняется неравенство
-
- для таблицы 3 и точек j=l,2,3 из таблицы 4: |у;-| < | ут|, где ут - пределы допускаемой приведенной погрешности ВИК для диапазона измерений от 0 до 10000 Н-м, нормируемые в технической документации.
-
- для точек j=4,5,6 из таблицы 4: |Д;-| < | Дт|, где Дт - пределы допускаемой абсолютной погрешности ВИК для диапазона измерений св. 10000 до 20000 Н-м, нормируемые в технической документации.
-
7.3.2 Проверка MX ВИК частоты вращения
Проверка MX ВИК частоты вращения проводят в изложенной ниже последовательности:
-
7.3.2.1 Собрать функциональную схему для определения проверки MX ВИК частоты переменного тока, согласно рисунку 1 Приложения А.
Генератор ГСС-05 подключить кабелем для поверки ИК оборотов СТ742.00.22.000 из состава ЗИП системы к разъёму платы МЭД-1/АР17 на задней стенке стойки управления.
-
7.3.2.2 Включить компьютер с предустановленным ПО: MSOffice, Гарис.
-
7.3.2.3 Запустить ПО Гарис.
-
7.3.2.4 Открыть таблицу датчиков. В строке поверяемого ИК нажать кнопку «Градуировка».
-
7.3.2.5 Зубчатое колесо на валу имеет 101 зуб. За один оборот тахометрический датчик МЭД-1 формирует 101 импульсов, соответственно для 10 оборотов частота сигнала на выходе датчика МЭД-1 составит, Гц:
Таблица 5
|
Точка измерения, j |
Заданное генератором значение частоты переменного тока Fj, Гц |
Номинальное значение частоты вращения Cj, об/мин |
Измеренное системой значение частоты вращения Hj, об/мин |
Относительная погрешность 8j, % |
|
1 |
16,833 |
10 | ||
|
2 |
84,167 |
50 | ||
|
3 |
168,333 |
100 | ||
|
4 |
252,500 |
150 | ||
|
5 |
336,667 |
200 | ||
|
6 |
420,833 |
250 | ||
|
7 |
1683,333 |
1000 | ||
|
8 |
3366,667 |
2000 | ||
|
9 |
5050,000 |
3000 | ||
|
10 |
6144,167 |
3650 |
7.3.2.7 ВИК считают прошедшим поверку, если в каждой из проверяемых точек
f = 10 • 101 / 60 = 16,833
7.3.2.6 Для каждой точки измерения] из таблицы 5:
-
- установить на генераторе ГСС-05 (параметры воспроизводимого сигнала: размах напряжения 5 В, смещение 2,5 В) значение частоты переменного тока Fj, соответствующее значению частоты вращения Cj;
-
- измеренное системой значение частоты вращения Hj из окна «По текущим А и В» записать в таблицу 5 (если показания измеряемого значения не стабильные, то в качестве измеренного значения записывается значение, максимально отклоняющееся от номинального);
-
- рассчитать относительную погрешность измерений частоты вращения 8j по формуле:
5j=A^'ioo% (3)
CJ
выполняется неравенство |6;-| < | 6Т|, где бт - пределы допускаемой относительной погрешности ВИК частоты вращения, нормируемые в технической документации.
-
7.3.3 Проверка MX ВИК силы
Проверка MX ВИК силы проводят в изложенной ниже последовательности:
-
7.3.3.1 Собрать функциональную схему для определения относительной погрешности измерений коэффициента преобразования, соответствующего значениям силы, согласно рисунку 2 Приложения А.
Калибратор К3607 кабелем для поверки ИК силы СТ742.00.23.000 из состава ЗИП системы подключить ко входу усилителя MGCplus.
-
7.3.3.2 Включить компьютер с предустановленным ПО: MSOffice, Гарис.
-
7.3.3.3 Запустить ПО Гарис.
-
7.3.3.4 Открыть таблицу датчиков. В строке поверяемого ИК нажать кнопку «Градуировка».
-
7.3.3.5 Для каждой точки измерения] из таблицы 6:
-
- установить на калибраторе КЗ607 значение коэффициента преобразования Kj, что соответствует силе Yj;
-
- измеренное значение Zj из окна «По текущим А и В» записать в таблицу 6 (если показания измеряемого значения не стабильные, то в качестве измеренного значения записывается значение, максимально отклоняющееся от номинального);
-
- рассчитать абсолютную погрешность Aj измерения силы по формуле:
Aj = Zj-Yj (4)
-
- рассчитать приведенную погрешность yj измерений силы по формуле:
‘max
Таблицаб
|
Точка измерения, j |
Заданное калибратором значение коэффициента преобразования Kj, мВ/В |
Номинальное значение силы Yj,H |
Измеренное системой значение силы Zj, Н |
Приведенная погрешность % % |
Абсолютная погрешность Aj.H |
|
1 |
0,2 |
2000 | |||
|
2 |
0,8 |
8000 | |||
|
3 |
1,0 |
10000 | |||
|
4 |
1,2 |
12000 | |||
|
5 |
1,6 |
16000 | |||
|
6 |
2,0 |
20000 |
7.3.3.6 ВИК считают прошедшим поверку, если в каждой из проверяемых точек выполняется неравенство
- для точек j=l,2: |у;-| < | ут|, где ут - пределы допускаемой приведенной погрешности ВИК для диапазона измерений от 10 до 10000 Н, нормируемые в технической документации.
-
- для точек j=3,4,5: |Д;| < | Дт|, где Дт - пределы допускаемой абсолютной погрешности ВИК для диапазона измерений св. 10000 до 20000 Н. нормируемые в технической документации.
-
7.3.4 Проверка MX ВИК расхода рабочей жидкости
Проверка MX ВИК расхода рабочей жидкости проводят в изложенной ниже последовательности:
-
7.3.4.1 Собрать функциональную схему для определения проверки MX ВИК частоты переменного тока, согласно рисунку 3 Приложения А.
Генератор ГСС-05 подключить кабелем для поверки ИК расхода СТ742.00.19.000 из состава ЗИП системы ко входу «Датчики расхода» шкафа измерительного датчиков 4...20 СТ742.70.00.000.
-
7.3.4.2 Включить компьютер с предустановленным ПО: MSOffice, Гарис.
-
7.3.4.3 Запустить ПО Гарис.
-
7.3.4.4 Открыть таблицу датчиков. В строке поверяемого ИК нажать кнопку «Градуировка».
-
7.3.4.5 Для каждой точки измерения j из таблицы 7:
-
- установить на генераторе ГСС-05 (параметры воспроизводимого сигнала: размах напряжения 5 В, смещение 2,5 В) значение частоты переменного тока Fj, соответствующее значению расхода рабочей жидкости Rj;
-
- измеренное системой значение частоты вращения Wj из окна «По текущим А и В» записать в таблицу 7 (если показания измеряемого значения не стабильные, то в качестве измеренного значения записывается значение, максимально отклоняющееся от номинального);
-
- рассчитать относительную погрешность измерений частоты вращения 8j по формуле:
wrRj
rj
100%
(6)
Таблица 7
|
Точка измерения, j |
Заданное генератором значение частоты переменного тока Fj, Гц |
Номинальное значение расхода рабочей жидкости Rj, л/мин |
Измеренное системой значение расхода рабочей ЖИДКОСТИ Wj, л/мин |
Относительная погрешность 5j, % |
|
Диапазон измерений от 12 до 60 л/мин | ||||
|
1 |
100 |
12 | ||
|
2 |
200 |
24 | ||
|
3 |
300 |
36 | ||
|
4 |
400 |
48 | ||
|
5 |
500 |
60 | ||
|
Диапазон измерений от 50 до 150 л/мин | ||||
|
1 |
69,444 |
50 | ||
|
2 |
104,167 |
75 | ||
|
3 |
138,889 |
100 | ||
|
4 |
173,611 |
125 | ||
|
5 |
208,333 |
150 | ||
7.3.4.6 ВИК считают прошедшим поверку, если в каждой из проверяемых точек выполняется неравенство |6;-| < | 6Т|, где 6Т - пределы допускаемой относительной погрешности ВИК частоты вращения, нормируемые в технической документации.
-
7.3.5 Проверка MX ВИК давления
Проверка MX ВИК давления проводят в изложенной ниже последовательности:
-
7.3.5.1 Собрать функциональную схему для проверки MX ВИК силы постоянного тока, согласно рисунку 3 Приложения А.
Подключить калибратор АКИП-7301 кабелем для поверки ИК ДД ДУ СТ742.00.21.000 из состава ЗИП системы ко входу «Датчики давления» шкафа измерительного датчиков 4...20 СТ742.70.00.000.
-
7.3.5.2 Включить компьютер с предустановленным ПО: MSOffice, Гарис.
-
7.3.5.3 Запустить ПО Гарис.
-
7.3.5.4 Открыть таблицу датчиков. В строке поверяемого ИК нажать кнопку «Градуировка».
-
7.3.5.5 Для каждой точки измерения] из таблицы 8:
-
- установить на калибраторе АКИП-7301 значение генерируемой силы постоянного тока Ij, соответствующее значению давления Pj;
-
- измеренное системой значение давления Yj из окна «По текущим А и В» записать в таблицу 8 (если показания измеряемого значения не стабильные, то в качестве измеренного значения записывается значение, максимально отклоняющееся от номинального);
-
- рассчитать приведенную погрешность yj измерений давления по формуле:
Yj = ^-100% (7)
Апах
Таблица 8
|
Точка измерения, j |
Заданное калибратором значение силы постоянного электрического тока Ij, мА |
Номинальное значение давления Pj |
Измеренное системой значение давления Yj |
Приведенная погрешность yj, % |
|
Диапазон измерений от 0 до 3 кПа | ||||
|
1 |
4 |
0 кПа | ||
|
2 |
6 |
750 кПа | ||
|
3 |
8 |
1500 кПа | ||
|
4 |
10 |
2250 кПа | ||
|
5 |
12 |
3000 кПа | ||
|
Диапазон измерений от 0 до 0,16 МПа | ||||
|
1 |
4 |
ОМПа | ||
|
2 |
8 |
0,04 МПа | ||
|
3 |
12 |
0,08 МПа | ||
|
4 |
16 |
0,12 МПа | ||
|
5 |
20 |
0,16 МПа | ||
|
Диапазон измерений от 0 до 1,0 МПа | ||||
|
1 |
4 |
ОМПа | ||
|
2 |
8 |
0,25 МПа | ||
|
3 |
12 |
0,5 МПа | ||
|
4 |
16 |
0,75 МПа | ||
|
5 |
20 |
1 МПа | ||
|
Диапазон измерений от 0 до 16,0 МПа | ||||
|
1 |
4 |
ОМПа | ||
|
2 |
8 |
4 МПа | ||
|
3 |
12 |
8 МПа | ||
|
4 |
16 |
12 МПа | ||
|
5 |
20 |
16 МПа | ||
7.3.5.6 ВИК считают прошедшим поверку, если в каждой из проверяемых точек
выполняется неравенство |у;-| < | Ут|, где ут - пределы допускаемой приведенной погрешности ВИК, нормируемые в технической документации.
-
7.3.6 Проверка MX ВИК температуры
Проверка MX ВИК температуры проводят в изложенной ниже последовательности:
-
7.3.6.1 Собрать функциональную схему для проверки MX ВИК электрического сопротивления, согласно рисунку 4 Приложения А.
Подключить магазин сопротивления кабелем для поверки ИК температуры СТ742.00.25.000 из состава ЗИП системы ко входу «Датчики температуры 1 - 26» шкафа измерительного температуры СТ742.00.25.000.
-
7.3.6.2 Включить компьютер с предустановленным ПО: MSOffice, Гарис.
-
7.3.6.3 Запустить ПО Гарис.
-
7.3.6.4 Открыть таблицу датчиков. В строке поверяемого ИК нажать кнопку «Градуировка».
-
7.3.6.5 Для каждой точки измерения] из таблицы 9:
- установить на магазине сопротивления значение сопротивления Mj, соответствующее значению температуры Тр
-
- измеренное системой значение температуры Qj из окна «По текущим А и В» записать в таблицу 9 (если показания измеряемого значения не стабильные, то в качестве измеренного значения записывается значение, максимально отклоняющееся от номинального);
-
- рассчитать абсолютную погрешность Aj измерения температуры по формуле:
Aj-Qj-Tj (8)
Таблица 9
|
Точка измерения, j |
Заданное калибратором значение электрического сопротивления Mj, Ом |
Номинальное значение температуры Tj, °C |
Измеренное системой значение температуры Qj, °C |
Абсолютная погрешность Aj, °C |
|
Диапазон измерений от 0 до 150 °C (50М (а428)) | ||||
|
1 |
50,00 |
0 | ||
|
2 |
56,42 |
30 | ||
|
3 |
62,84 |
60 | ||
|
4 |
69,26 |
90 | ||
|
5 |
75,68 |
120 | ||
|
6 |
82,10 |
150 | ||
|
Диапазон измерений от 0 до 150 °C (PtlOO (а385)) | ||||
|
1 |
100,00 |
0 | ||
|
2 |
111,67 |
30 | ||
|
3 |
123,24 |
60 | ||
|
4 |
134,71 |
90 | ||
|
5 |
146,07 |
120 | ||
|
6 |
157,33 |
150 | ||
7.3.6.6 ВИК считают прошедшим поверку, если в каждой из проверяемых точек выполняется неравенство |Д;-| < | Дт|, где Дт - пределы допускаемой абсолютной погрешности ВИК, нормируемые в технической документации.
-
7.5.7 Проверка ВИК силы и напряжения переменного тока, электрической мощности, виброускорения
Проверка ВИК силы и напряжения переменного тока, электрической мощности, виброускорения проводят путём опробования системы и первичных преобразователей силы и напряжения переменного тока, электрической мощности, виброускорения.
Проверка ВИК считается положительной, если результаты опробования по п.7.2 настоящей методики поверки, положительные.
-
7.3.8 Проверка MX ВИК напряжения постоянного электрического тока
Проверка MX ВИК напряжения постоянного электрического тока проводят в изложенной ниже последовательности:
-
7.3.8.1 Собрать функциональную схему для проверки MX ВИК напряжения постоянного электрического тока, согласно рисунку 3 Приложения А.
Подключить калибратор АКИП-7301 кабелем для поверки ИК ДД ДУ СТ742.00.21.000 из состава ЗИП системы ко входу «РАПРИЗ» шкафа измерительного датчиков 4...20 СТ742.70.00.000 (для ИК с диапазоном измерений от 0 до 5 В) и к разъему «Gill» платы RCV-8 на задней стенке стойки управления (для ИК с диапазоном измерений от 0 до 10 В).
-
7.3.8.2 Включить компьютер с предустановленным ПО: MSOffice, Гарис.
-
7.3.8.3 Запустить ПО Гарис.
-
7.3.8.4 Открыть таблицу датчиков. В строке поверяемого ИК нажать кнопку «Градуировка».
-
7.3.8.5 Для каждой точки измерения) из таблицы 10:
Таблица 10
|
Точка измерения, j |
Заданное калибратором значение напряжения постоянного электрического тока Uj, В |
Измеренное системой значение напряжения постоянного электрического тока Vj, В |
Приведенная погрешность YJ, % |
|
Диапазон измерений от 0 до 5 В | |||
|
1 |
0,00 | ||
|
2 |
1,25 | ||
|
3 |
2,50 | ||
|
4 |
3,75 | ||
|
5 |
5,00 | ||
|
Диапазон измерений от 0 до 10 В | |||
|
1 |
0,0 | ||
|
2 |
2,5 | ||
|
3 |
5,0 | ||
|
4 |
7,5 | ||
|
5 |
10 | ||
-
- установить на калибраторе АКИП-7301 значение генерируемого напряжения постоянного тока Uj;
-
- измеренное системой значение напряжения постоянного тока Vj из окна «По текущим А и В» записать в таблицу 10 (если показания измеряемого значения не стабильные, то в качестве измеренного значения записывается значение, максимально отклоняющееся от номинального);
-
- рассчитать приведенную погрешность yj измерений напряжения постоянного тока по формуле:
Yj=J^i-100% (7)
итах
-
7.3.8.6 ВИК считают прошедшим поверку, если в каждой из проверяемых точек выполняется неравенство |у7-| < | ут|, где ут - пределы допускаемой приведенной погрешности ВИК, нормируемые в технической документации.
-
7.3.9 Проверка MX ВИК электрического сопротивления
Проверка MX ВИК электрического сопротивления проводят в изложенной ниже последовательности:
-
7.3.9.1 Собрать функциональную схему для проверки MX ВИК электрического сопротивления, согласно рисунку 4 Приложения А.
Подключить магазин сопротивления кабелем для поверки ИК температуры СТ742.00.25.000 из состава ЗИП системы ко входу «Датчики температуры 27 - 30» шкафа измерительного температуры СТ742.00.25.000.
-
7.3.9.2 Включить компьютер с предустановленным ПО: MSOffice, Гарис.
-
7.3.9.3 Запустить ПО Гарис.
-
7.3.9.4 Открыть таблицу датчиков. В строке поверяемого ИК нажать кнопку «Градуировка».
-
7.3.9.5 Для каждой точки измерения) из таблицы 11:
-
- установить на магазине сопротивления значение сопротивления Kj;
-
- измеренное системой значение сопротивления Bj из окна «По текущим А и В» записать в таблицу 10 (если показания измеряемого значения не стабильные, то в качестве измеренного значения записывается значение, максимально отклоняющееся от номинального);
- рассчитать приведенную погрешность yj измерений электрического сопротивления по
|
формуле: |
Yj = J^-100% (11) |
Таблица 11
|
Точка измерения, j |
Заданное калибратором значение электрического сопротивления Kj, Ом |
Измеренное системой значение электрического сопротивления Bj, Ом |
Приведенная погрешность YJ, % |
|
1 |
100 | ||
|
2 |
115 | ||
|
3 |
130 | ||
|
4 |
145 | ||
|
5 |
160 |
7.3.9.6 ВИК считают прошедшим поверку, если в каждой из проверяемых точек выполняется неравенство |у;-| < | ут|, где ут - пределы допускаемой приведенной погрешности ВИК, нормируемые в технической документации.
-
7.3.10 Проверка MX ВИК частоты переменного тока
Проверка MX ВИК частоты переменного тока проводят в изложенной ниже последовательности:
-
7.3.10.1 Собрать функциональную схему для определения проверки MX ВИК частоты переменного тока, согласно рисунку 3 Приложения А.
Генератор ГСС-05 кабелем для поверки ИК ДЧВ СТ742.00.20.000 из состава ЗИП системы ко входу «ДЧВ-7» шкафа измерительного датчиков 4...20 СТ742.70.00.000.
-
7.3.10.2 Включить компьютер с предустановленным ПО: MSOffice, Гарис.
-
7.3.10.3 Запустить ПО Гарис.
-
7.3.10.4 Открыть таблицу датчиков. В строке поверяемого ИК нажать кнопку «Градуировка».
-
7.3.10.5 Для каждой точки измерения j из таблицы 12:
-
- установить на генераторе ГСС-05 (параметры воспроизводимого сигнала: размах напряжения 5 В, смещение 2,5 В) значение частоты переменного тока Gj;
-
- измеренное системой значение частоты переменного тока Jj из окна «По текущим А и В» записать в таблицу 12 (если показания измеряемого значения не стабильные, то в качестве измеренного значения записывается значение, максимально отклоняющееся от номинального);
-
- рассчитать приведенную погрешность yj измерений частоты переменного тока по формуле:
Yj = ^i-100% (12)
'-’max
Таблица 12
|
Точка измерения, j |
Заданное генератором значение частоты переменного тока Gj, Гц |
Измеренное системой значение частоты переменного тока ф, Гц |
Приведенная погрешность yj, % |
|
1 |
100 | ||
|
2 |
§00 | ||
|
3 |
1000 | ||
|
4 |
1500 | ||
|
5 |
2100 |
7.3.10.6 ВИК считают прошедшим поверку, если в каждой из проверяемых точек выполняется неравенство |у7| < |ут|, где ут - пределы допускаемой приведенной погрешности ВИК, нормируемые в технической документации.
-
7.3.11 Проверка MX ВИК уровня рабочей жидкости
Проверка MX ВИК уровня рабочей жидкости проводят в изложенной ниже последовательности:
-
7.3.11.1 Собрать функциональную схему для проверки MX ВИК силы постоянного тока, согласно рисунку 3 Приложения А.
Подключить калибратор АКИП-7301 кабелем для поверки ИК ДД ДУ СТ742.00.21.000 из состава ЗИП системы ко входу «Датчики уровня» шкафа измерительного датчиков 4...20 СТ742.70.00.000.
-
7.3.11.2 Включить компьютер с предустановленным ПО: MSOffice, Тарис.
-
7.3.11.3 Запустить ПО Гарис.
-
7.3.11.4 Открыть таблицу датчиков. В строке поверяемого ИК нажать кнопку «Градуировка».
-
7.3.11.5 Для каждой точки измерения] из таблицы 13:
-
- установить на калибраторе АКИП-7301 значение генерируемой силы постоянного тока Ij, соответствующее значению уровня рабочей жидкости Ljj
-
- измеренное системой значение уровня Oj из окна «По текущим А и В» записать в таблицу 13 (если показания измеряемого значения не стабильные, то в качестве измеренного значения записывается значение, максимально отклоняющееся от номинального);
-
- рассчитать приведенную погрешность yj измерений уровня рабочей жидкости по формуле:
Yj = ^-100% (13)
Lmax
Таблица 13
|
Точка измерения, j |
Заданное калибратором значение силы постоянного электрического тока Ij, мА |
Номинальное значение уровня рабочей ЖИДКОСТИ Lj, мм |
Измеренное системой значение уровня рабочей ЖИДКОСТИ Oj, мм |
Приведенная погрешность ?j> % |
|
Диапазон измерений от 0 до 840 мм | ||||
|
1 |
4 |
0 | ||
|
2 |
8 |
210 | ||
|
3 |
12 |
420 | ||
|
4 |
16 |
630 | ||
|
5 |
20 |
840 | ||
|
Диапазон измерений от 0 до 440 мм | ||||
|
1 |
4 |
0 | ||
|
2 |
8 |
110 | ||
|
3 |
12 |
220 | ||
|
4 |
16 |
330 | ||
|
5 |
20 |
440 | ||
|
7.3.1 |
.6 ВИК считают прошедшим поверку, если |
в каждой из проверяемых точек | ||
выполняется неравенство |у;| < | ут|, где ут - пределы допускаемой приведенной погрешности ВИК, нормируемые в технической документации.
-
7.4 Проверка контрольной суммы исполняемого кода (цифрового идентификатора ПО)
На ПЭВМ системы запустить файл Garis.exe и открыть окно S* «О программе» (меню Справка -> О программе Гарис). Идентификационные наименования отображаются в верхней части окна «О программе».
Метрологически значимая часть ПО системы представляет собой:
-
- модуль GarisGrad.dll - фильтрация, градуировочные расчеты;
-
- модуль GarisAspf.dll - вычисление амплитуды, статики, фазы, частоты и других интегральных параметров сигнала;
-
- модуль Garislnterpreter.dll - интерпретатор формул для вычисляемых каналов.
Идентификационные данные (признаки) метрологически значимой части ПО указаны в разделе 17 формуляра.
Для вычисления цифрового идентификатора (хеш-суммы) файла метрологически значимого программного компонента использовать данные ПО Гарис, которое само вычисляет хеш-суммы по алгоритму md5.
8 ОФОРМЛЕНИЕ РЕЗУЛЬТАТОВ ПОВЕРКИ-
8.1 Результаты поверки заносятся в протокол поверки.
-
8.2 По окончанию работ по поверке выписывают свидетельство о поверке системы, оформленное в соответствии с приказом № 1815 от 02.07.2015 г. «Об утверждении Порядка проведения поверки средств измерений, требования к знаку поверки и содержанию свидетельства о поверке», с приложением, содержащим список ПК, прошедших проверку с положительным результатом.
-
8.3 При отрицательных результатах проверки отдельных ПК, в случае невозможности их ремонта, эти ПК не допускают к применению, выписывают на них извещение о непригодности, оформленное в соответствии с приказом № 1815 от 02.07.2015 г. «Об утверждении Порядка проведения поверки средств измерений, требования к знаку поверки и содержанию свидетельства о поверке».
Разработали:
Начальник отдела 201 ФГУП «ВНИИМС»
Инженер 3 кат. отдела 201 ФГУП «ВНИИМС»
Каширкина
Смирнов
Приложение А
Функциональные схемы проверки MX ВИК системы
Кабель для поверки ИК оборотов
СТ742.00.22.000

-
1 - генератор ГСС-05;
-
2 - многоканальный измерительный усилитель MGCplus;
-
3 - ПЭВМ;
-
4 - плата МЭД-1/АР17
-
5 - рабочее место оператора

Рисунок 1 - Функциональная схема для проверки MX ВИК крутящего момента силы и частоты вращения

-
1 - калибратор КЗ 607;
-
2 - многоканальный измерительный усилитель MGCplus;
-
3 - ПЭВМ;
-
4 - рабочее место оператора
Рисунок 2 - Функциональная схема для проверки MX ВИК силы



-
1 - генератор ГСС-05;
-
2 - калибраторе АКИП-7301;
-
3 - шкаф измерительный датчиков 4...20 СТ742.70.00.000;
-
4 - стойка управления;
-
5 - рабочее место оператора
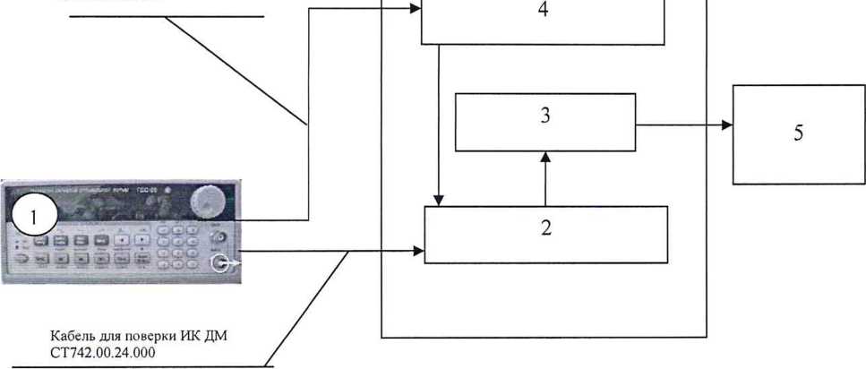
Рисунок 3 - Функциональная схема для проверки MX ВИК давления, расхода, уровня, напряжения постоянного тока, частоты переменного тока
Кабель для поверки ИК температуры CT742.00.25.000


-
1 - магазин сопротивлений Р4831;
-
2 - шкаф измерительный температуры СТ742.00.25.000;
-
3 - конвертер USB/RS485 - АС4;
-
4 - ПЭВМ;
-
5 - рабочее место оператора
Рисунок 4 - Функциональная схема для проверки MX ВИК температуры и электрического сопротивления
