Методика поверки «ИЗМЕРИТЕЛИ УДЕЛЬНОГО ЭЛЕКТРИЧЕСКОГО СОПРОТИВЛЕНИЯ УГЛЕГРАФИТОВЫХ ИЗДЕЛИЙ ИУС-4п, ИУС-4с » (ПТРМ.411222.025 МП)
СОГЛАСОВАНО
УТВЕРЖДАЮ
Директор
ООО «Челэнергоприбор»

Заместитель директора по

ИЗМЕРИТЕЛИ УДЕЛЬНОГО ЭЛЕКТРИЧЕСКОГО СОПРОТИВЛЕНИЯ УГЛЕГРАФИТОВЫХ ИЗДЕЛИЙ ИУС-4п, ИУС-4с
Методика поверки
ПТМР.411222.025 МП
Настоящая методика поверки предназначена для проведения первичной и периодической поверки и распространяется на измерители удельного электрического сопротивления углеграфитовых изделий ИУС-4п, ИУС-4с (далее по тексту - измерители), выпускаемые ООО «Челэнергоприбор», г.Челябинск и предназначенные для оперативного измерения удельного электрического сопротивления (УЭС) обожженных и графитированных углеродных изделий с круглым и прямоугольным сечением в цеховых условиях или в составе контролирующего стенда в соответствии с ГОСТ 23776-79.
Методика устанавливает объем, условия испытаний, методы и средства экспериментального исследования метрологических характеристик измерителей и порядок оформления результатов поверки.
Межповерочный интервал - 4 года.
1 Операции и средства поверки-
1.1 Выполняемые при поверке операции, а также применяемые при этом средства измерений (в дальнейшем - СИ) и вспомогательные средства поверки и испытаний указаны в таблице 1.
Таблица 1
|
Наименование операции |
№ пункта настоящей методики |
Наименование эталонных СИ и вспомогательных средств поверки и испытаний |
|
1. Внешний осмотр |
4.1 |
Визуально |
|
2. Опробование |
4.2 |
Визуально |
|
3. Проверка электрической прочности изоляции |
4.3 |
Установка для проверки параметров электрической безопасности GPI-826, выходное напряжение от 0 до 5 кВ, (1-1999) МОм, погрешность ±(0,03ииНд+30В), измеряемое сопротивление (1-1999) МОм, погрешность 5% (Рег.№27141-04); |
|
4. Время установления рабочего режима |
4.4 |
Визуально |
|
5. Определение диапазона измерений и основной погрешности |
4.5 |
Катушка электрического сопротивления измерительная Р310 номиналом 0,001 Ом, кл.т. 0,01 (Рег.№ 1162-58); Катушка электрического сопротивления измерительная РЗЗ1 номиналом 100 Ом, кл.т.0,01 (Рег.№ 1162-58); Катушка сопротивления электрическая Р323 номиналом 0,0001 Ом, кл.т. 0,05 (Рег.№ 1683-62); |
|
Магазин сопротивления Р4834 кл.т. 0,02 (Рег.№ 11326-90); Линейка измерительная металлическая, диапазон от 0 до 1000 мм, ц.д. 1 мм, погрешность ±0,1 мм (Рег.№66266-16) (только для ИУС-4п) | ||
|
6. Оформление результатов поверки |
5 |
- |
Допускается проведение поверки измерителей с применением средств измерений и вспомогательных средств поверки, не указанных в таблице 1, но обеспечивающих определение и контроль метрологических характеристик поверяемых изделий с требуемой точностью.
2 Требования безопасности-
2.1 При проведении поверки должны быть соблюдены требования ГОСТ 12.2.007.0-75, ГОСТ 12.3.019-80, «Правил охраны труда при эксплуатации электроустановок потребителей», «Правил эксплуатации электроустановок потребителей», утвержденных Главгосэнергонадзором.
-
2.2 К проведению поверки допускают лиц, аттестованных в качестве поверителей средств измерений электрических величин.
-
2.3 Поверитель должен пройти инструктаж по технике безопасности и иметь действующее удостоверение на право работы в электроустановках с квалификационной группой по электробезопасности не ниже III.
-
2.4 Помещение для проведения поверки должно соответствовать правилам техники безопасности.
-
3.1 При проведении поверки должны соблюдаться нормальные условия применения:
-
- температура окружающего воздуха (20±5) °C;
-
- относительная влажность воздуха от 30 до 80 %;
-
- атмосферное давление от 84,0 до 106,7 кПа.
-
3.2 Подготовку к проведению поверки измерителя, представленного на поверку, производят в соответствии с требованиями, изложенными в соответствующих эксплуатационных документах.
-
3.3 Для контроля нормальных условий следует применять термометры с ценой деления не более ±0,2°С, диапазон измерения не менее 20-30 °C; психрометр для измерения влажности в диапазоне 30-80% с погрешностью не более ±5%.
-
4 Проведение поверки
При проведении внешнего осмотра должно быть установлено соответствие поверяемого измерителя следующим требованиям:
-
- комплектность должна соответствовать данным, приведенным в паспорте;
-
- все органы коммутации должны обеспечивать надежность фиксации во всех позициях;
-
- все разъемы, клеммы, функциональные кнопки и соединительные провода не должны иметь повреждений, следов окисления и загрязнений;
-
- маркировка и функциональные надписи должны читаться и восприниматься однозначно;
-
- наружные поверхности корпуса, лицевая панель, разъемы, клеммы, функциональные кнопки, соединительные провода и органы управления не должны иметь механических повреждений и деформаций, могущих повлиять на работоспособность измерителя;
-
- серийный номер измерителя, указанный на лицевой панели измерителя, должен соответствовать номеру, указанному в паспорте.
Результат внешнего осмотра считают положительным, если комплектность и серийный номер соответствуют указанным в паспорте, маркировка и надписи на наружных панелях соответствуют эксплуатационной документации, а также отсутствуют механические повреждения.
При несоответствии измерителя по вышеперечисленным позициям, поверку прекращают и устройство бракуют.
4.2 ОпробованиеОпробование поверяемого измерителя состоит в проверке его работоспособности. Включить прибор. Убедиться, что на индикаторе высвечивается значение диаметра. С помощью кнопок «Ввод» и «Цифра» установить значение диаметра равным 276 мм. Для измерителя ИУС-4с установить расстояние между потенциальными зондами подключаемого стенда равным 600 мм (в соответствии с п.4.5 ПТМР.411222.025 МП).
Подключить измеритель к однозначной мере электрического сопротивления номиналом 0,001 Ом таким образом, чтобы токовые зонды прибора соединить с токовыми зажимами меры, а потенциальные - с потенциальными, и произвести измерение сопротивления.
Результаты опробования считаются удовлетворительными, если на индикаторе высвечивается результат измерения.
4.3 Проверка электрической прочности и сопротивления изоляцииПроверку электрической прочности и сопротивления изоляции измерителя ИУС-4п проводят между корпусом и штекерами вилки зарядного устройства измерителя.
Изоляция штекеров вилки зарядного устройства относительно корпуса измерителя должна выдерживать воздействие испытательного напряжения
-
1,5 кВ в течение 1 минуты.
Проверку электрической прочности и сопротивления изоляции измерителя ИУС-4с проводят между корпусом и штекерами вилки сетевого провода измерителя.
Изоляция штекеров вилки сетевого провода относительно корпуса измерителя должна выдерживать воздействие испытательного напряжения
-
1,5 кВ в течение 1 минуты.
Измеритель считают выдержавшим проверку, если не произошло пробоя или перекрытия изоляции и измеритель после испытания функционирует нормально.
Сопротивление изоляции электрических цепей измерителей между корпусом и изолированными по постоянному току электрическими цепями (штекерами вилки зарядного устройства для ИУС-4п или штекерами вилки сетевого шнура для ИУС-4с) проверяют при напряжении постоянного тока 500 В. Отсчет значения сопротивления изоляции следует проводить через 1 минуту после приложения напряжения.
Сопротивление изоляции должно быть не менее 20 МОм между корпусом и штекерами вилки.
4.4 Проверка времени установления рабочего режимаВремя установления рабочего режима измерителя к работе определяют опытным путем. Измеритель подключают к катушке сопротивления так, что токовые зонды прибора соединяются с токовыми зажимами катушки, а потенциальные - с потенциальными, и производят измерение сопротивления однозначной меры сопротивления.
Результаты проверки считаются удовлетворительными, если время установления рабочего режима ИУС-4п не превышает 5 секунд, а ИУС-4с - 10 секунд.
4.5 Определение диапазона измерений и основной погрешностиДиапазон измерений и основную погрешность определяют методом измерения сопротивления однозначной меры электрического сопротивления и магазином сопротивления испытываемым измерителем при нормальных условиях применения.
Перед проведением поверки измеряют диагональ сечения контролируемого электрода металлической линейкой. Диагональ сечения должна быть не менее 75 мм и не более 1600 мм.
Перед проведением поверки расстояние между потенциальными зондами измерителя ИУС-4п измеряют металлической линейкой. Это расстояние должно составлять 600±2 мм. Если результат не укладывается в указанные пределы, следует, ослабив винты крепления одного из потенциальных зондов, установить необходимое расстояние, а затем снова подтянуть винты и повторить измерение расстояния.
Для измерителя ИУС-4с установить расстояние между потенциальными зондами подключаемого стенда равным 600 мм (в соответствии с п.5.2 руководства по эксплуатации ПТМР.411222.026 РЭ).
Для запуска процедуры установки расстояния между потенциальными зондами необходимо включить измеритель, на индикаторе «Диаметр» установить значение 8888 и запустить процесс измерения (не подключая токовые и потенциальные зонды). Дождаться окончания замера и выключить измеритель.
Включить измеритель, дождаться отображения нижних «малых» нолей во всех разрядах обоих индикаторов._____________
оооо оооо
После чего четыре раза нажать кнопку «Пуск», четвертый раз удержать. На индикаторах при этом отобразится надпись «L SEt».
SEtПосле появления верхнего малого ноля в младшем разряде индикатора «УЭС» кнопку пуск следует отпустить.
I ° 5ЕЬНа индикаторе «Диаметр» отобразится текущее расстояние между потенциальными зондами, младший разряд будет мигать.
С помощью кнопок «Ввод» и «Цифра» следует ввести требуемое значение расстояния в мм. По завершению процедуры нажать кнопку «Пуск».
Значение сохранится и на индикаторе «Диаметр» отобразится значение «8888». Для завершения процедуры необходимо ввести реальное значение диаметра (менее 8888) и нажать кнопку «Пуск». По окончании измерения выключить прибор.
Для определения погрешности провести подготовку измерителя ИУС-4п к измерению согласно руководствам по эксплуатации ПТМР.411222.025, ИУС-4с согласно ПТМР.411222.026 РЭ, за исключением того, что вместо присоединения измерительного прибора к электроду, его подключают к катушке сопротивления так, что токовые зонды прибора соединяются с токовыми зажимами катушки, а потенциальные - с потенциальными, и производят измерение сопротивления катушки сопротивления.
Провести серии по пять замеров, подключая к прибору катушки сопротивления из таблицы 2 в соответствии с ГОСТ 8.366. При этом необходимо устанавливать с помощью кнопок прибора диаметр электрода, соответствующий расчетному значению УЭС.
Ниже приведена таблица 2 расчетных показаний прибора на средствах измерения - катушках, для имитации определения УЭС электродов соответствующего диаметра в диапазоне шкалы измерения сопротивления 0,6 мкОм до 13,58 мОм. Нижний предел 0,6 мкОм соответствует УЭС р = 2 мкОмм, при диаметре электрода 1600 мм, верхний предел 13,58 мОм соответствует УЭС р = 100 мкОмм, при диаметре электрода 75 мм. Расчетные показания равны _р S
Р расч ^ЭТ 1
I , [мкОм-м] (1)
где 7?эт - сопротивление эталонного резистора, мкОм, Z = 0,6 м - расстояние между потенциальными зондами, S - площадь сечения контролируемого электрода.
Для круглого сечения контролируемого электрода площадь сечения равна:
S = ^, [м2] (2)
где d - диаметр контролируемого электрода.
Таблица 2
|
Мера сопротивления, мкОм |
10 |
100 |
1000 |
|
Диаметр, мм |
391 |
479 |
276 |
|
Расчетное показание прибора Р/.расч, мкОмм |
2 |
30,03 |
99,7 |
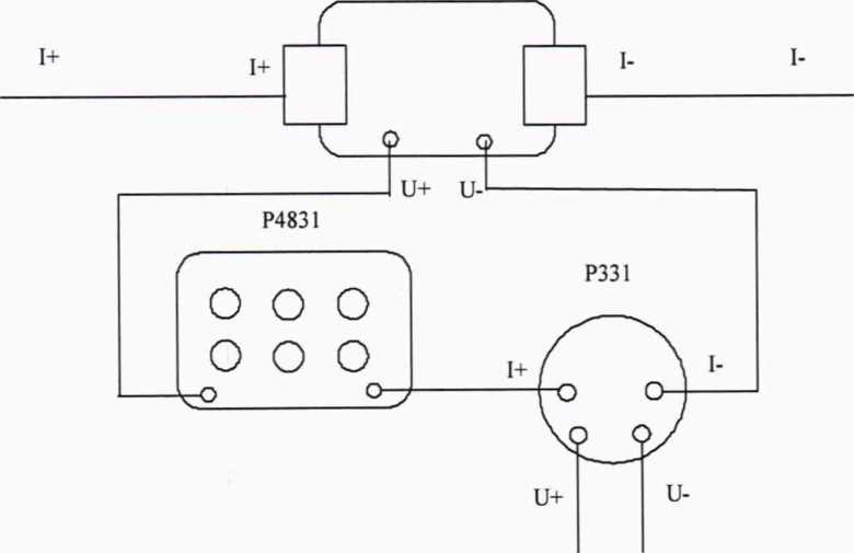
Значение 10 мкОм устанавливают при помощи схемы приведенной на рисунке 1, где значение, выставляемое на магазине сопротивления, выбирают исходя из таблицы 3.
Р323
Рисунок 1 - Схема измерения малых сопротивлений.
Таблица 3 - Параметры схемы замещения
|
Эквивалентное сопротивление, мкОм |
Номинал выставленный на многозначной мере электрического сопротивления Р4831,Ом |
Номинальное значение однозначной меры электрического сопротивления Р323, Ом |
Номинальное значение однозначной меры электрического сопротивления Р331,Ом |
|
10 |
900 |
0,0001 |
100 |
Для каждой образцовой меры или катушки сопротивления провести 5 последовательных измерений, руководствуясь РЭ. Записать показания прибора Ру в у-ой точке диапазона, имеющие наибольшее по абсолютному значению отклонение от соответствующего расчетного значения УЭС ру.расч из таблицы 2.
Рассчитать основные абсолютные погрешности Ду по формуле
А/= IР/ “ Рлрасч -| О )
Измерители ИУС-4п, ИУС-4с считаются выдержавшими испытание, если основная абсолютная погрешность не превышает 0,1 мкОм-м.
5 Оформление результатов поверки-
5.1 Оформление результатов поверки производится в соответствии с требованиями Приказа Минпромторга России от 02.07.2015 г. №1815.
-
5.2 Результаты поверки отражаются в протоколе поверки.
-
5.3 Положительные результаты поверки оформляют записью в соответствующем разделе паспорта или свидетельстве о поверке, заверенной оттиском поверительного клейма. Голографическая наклейка о поверке наклеивается на лицевую панель прибора.
-
5.4 При отрицательных результатах свидетельство о поверке не выдается, ранее выданное свидетельство о поверке аннулируется, запись о поверке в паспорте на измеритель гасится и выдается извещение о непригодности согласно требованиям НД Федерального агентства по техническому регулированию и метрологии.
С.Ю. Рогожин

Е.Н. Мартынова

О.П. Хусаинова
Начальник отд.206.1 ФГУП «ВНИИМС»
Ведущий инженер отд.206.1
ФГУП «ВНИИМС»
Инженер-метролог
ООО «Челэнергоприбор»
