Методика поверки «МЕГАОММЕТРЫ ЦИФРОВЫЕ ЦМ1628.1» (ЗПА.399.160 РЭ)
‘ ОКП42 2139
«В

леева»
Санов
2015
МЕГАОММЕТРЫ ЦИФРОВЫЕ
ЦМ1628.1Руководство по эксплуатации
ЗПА.399.160 РЭ
га н га Ct

ОАО «Приборостроительный завод «ВИБРАТОР» 194292, Санкт-Петербург, 2-й Верхний пер. д. 5, лит А
I
с
m
X lx
СОДЕРЖАНИЕ
*
I Ф
S Q.
С
CD Q. Ф С
Лист
Введение
1.
2.
Описание и работа.................
Использование по назначению
17
3.
4.
5.
6.
Порядок установки......................................
Методика поверки.......................................
Техническое обслуживание и текущий ремонт Правила хранения и транспортирования........
25
31
39
45
О1
2:
CD CD Cl с О
(D Н-CD Ct
S
с
5 с
5
>ч Ct
О1
2 со
X
О1
2
со
X
S г
CD сэ СП
(О н-
ч:
S
с § с
с: Ct о с
О1 2
CD X
Изм |
Лист |
№ докум. |
Подп. |
Дата |
Разраб. |
Зубенко | |||
Провер. |
Попов | |||
Н. контр. |
Ефимова | |||
Утверд. |
Симхович |
ЗПА-399.160 РЭ
Мегаомметры цифровые ЦМ1628.1 Руководство по эксплуатации
Литера |
Лист |
Листов |
А |
2 |
46 |
ВВЕДЕНИЕ
Настоящее руководство по эксплуатации (в дальнейшем - РЭ) предназначено для ознакомления обслуживающего персонала с устройством и правилами работы с мегаомметром цифровым ЦМ1628.1 (в дальнейшем - мегаомметр).
РЭ содержит указания по порядку эксплуатации, хранения и транспортирования мегаомметров, указание мер безопасности при работе.
К работе с мегаомметром допускаются лица, ознакомившиеся с руководством по эксплуатации и прошедшие инструктаж по технике безопасности.
-
1 ОПИСАНИЕ И РАБОТА
1.1 Описание и работа мегаомметра
-
1.1.1 Назначение изделия
03 н 03 Ct
S
п: о с:
q Ю
>ч
Ct
О1
2
ш I
О1 -Z.
m
I
S
г
03
со со
-
1.1.1.1 Мегаомметр предназначен для измерения величины сопротивления изоляции сетей переменного тока, как обесточенных, так и находящихся под рабочим напряжением, а также для сигнализации о выходе измеряемой величины за установленные параметры.
-
Область применения - контроль параметров электрических сетей на щитах и пультах управления кораблей.
-
1.1.1.2 Мегаомметр предназначен для эксплуатации в условиях групп 2.1.1, 2.1.2, 2.3.1, 2.3.3 и имеет климатическое исполнение «ОМ» категории «4», тип атмосферы - III по ГОСТ 15150.
-
1.1.1.3 Мегаомметры выпускаются в следующих исполнениях:
-
- «ОП» - изделия, поставляемые на общепромышленные объекты (с приемкой ОТК);
-
1.1.2 Основные технические характеристики
-
1.1.2.1 Основные параметры и функциональные возможности мегаомметра.
-
1.1.2.1.1 Объекты контроля:
-
-
-
- сети потребления электроэнергии (силовые и освещения), а именно, однофазные и трехфазные сети переменного тока с изолированной нейтралью напряжением 220, 380 В частотой 50 Гц или 400 Гц;
03 н 03 CI
d Ct О [=
с; Ct о
С
О1 2
ш
I
Изм
Лист
№ докум.
Подп.
Дата
- сети аварийного питания постоянного тока напряжением от 110 до 320 В (в том числе с изменяющейся полярностью):
-
1.1.2.1.2 Количество контролируемых мегаомметром точек (сетей) - одна.
-
1.1.2.1.3 Информация о значении сопротивления изоляции выводится на цифровой индикатор блока ЦМ 1628.1-У, кроме этого передается на посты дистанционного управления (посты отображения информации) в цифровом виде по каналу связи RS-485.
-
1.1.2.1.4 Информация о текущем состоянии мегаомметра в каждый момент времени (измерение при прикладываемом положительном напряжении, при отрицательном напряжении, пауза между измерениями) отображается на светодиодах блока ЦМ 1628.1-У.
-
1.1.2.1.5 Длительность цикла измерений не более 24 с.
-
1.1.2.1.6 Мегаомметр имеет предупредительную и аварийную сигнализацию:
а) предупредительную уставку «П1» и аварийную уставку «А1» - под рабочим
го н
Ct
Ct о С
с: ю
>^ Ct
О1 Z
ш I S
О1 Z
ш I X
г го т 0Q
со I-со сс
с сС О с
q Ct О с
О| Z
ГО X
напряжением:
б) предупредительную уставку «П2» и аварийную уставку «А2» - при снятом рабочем напряжении.
Сигнализация о снижении сопротивления изоляции ниже уставок осуществляется включением светодиодных индикаторов, расположенных на передней панели блока ЦМ1628.1-У.
Кроме этого имеются один релейный выход предупредительной и один релейный выход аварийной сигнализации типа переключающий «сухой» контакт.
-
1.1.2.1.7 Релейные выходы предупредительной и аварийной сигнализации мегаомметра могут коммутировать каждый:
-
- постоянное напряжение 27 В при силе тока до 3 А (амплитуда импульса тока до 15 А при длительности импульса до 1,0 с);
-
- переменное напряжение 220 В и 380 В при силе тока до 3 А.
Нагрузкой релейных выходов предупредительной и аварийной сигнализации могут быть электромагниты включения/отключения автоматических выключателей, устройства индикации, промежуточные реле. Минимальный коммутируемый ток - 0,01 А при минимальном напряжении 10 В.
Ресурс контактов реле при безындуктивной нагрузке (созф = 1) не менее 10^, а при индуктивной нагрузке (coscp = 0,2) не менее 0,35 -Ю^.
-
1.1.2.1.8 Аварийная сигнализация имеет следующие фиксированные значения
уставок:
Изм |
Лист |
№ докум. |
Подп. |
Дата |

-
- 10 кОм под рабочим напряжением («А1»);
-
- 100 кОм при снятом рабочем напряжении («А2»).
-
1.1.2.1.9 Изменение значений уставок предупредительной сигнализации может выполняться потребителем на объекте и выбираться из диапазона от 10 до 500 кОм.
со I-(0 ст
X
с сс о с=
q Ю
>> d
О1
cd
X
О1 Н
cd
X
х
пз (О 00
-
1.1.2.1.10 Значения уставок предупредительной сигнализации можно просмотреть на цифровом индикаторе, а также их можно изменить, для этого используются кнопки, расположенные на передней панели блока ЦМ1628.1-У. Кроме этого, значения уставок передаются на посты дистанционного управления (посты отображения информации) в цифровом виде по каналу связи RS-485.
-
1.1.2.1.11 Значения уставок сохраняются в памяти мегаомметра при отсутствии питания устройства.
-
1.1.2.1.12 Мегаомметр имеет два независимых входа блокировки. К любому из них подключается канал дистанционного управления, с помощью которого обеспечена возможность дистанционного отключения мегаомметра от контролируемой сети. Кроме того, сигнал на вход блокировки мегаомметра может поступать от «сухого» блок-контакта автоматического секционного выключателя комплектного устройства или промежуточного реле. Вход блокировки мегаомметра необходим при организации одновременной работы нескольких мегаомметров в составе комплектного устройства, имеющего две или более секции сборных шин. При получении сигнала о срабатывании секционного выключателя комплектного устройства на вход блокировки, мегаомметр отключается во избежание ошибочной работы при параллельной работе двух или более мегаомметров.
-
1.1.2.1.13 Мегаомметр сохраняет работоспособность и характеристики при коэффициенте искажения синусоидальности кривой фазного напряжения контролируемой сети переменного тока KU <12 %.
-
1.1.2.1.14 Для связи с компьютером поста дистанционного управления мегаомметры имеет последовательный интерфейс типа RS-485, предназначенный для передачи информации (по запросу):
- о значении сопротивления изоляции;
га I-га CI
-
- О значениях уставок;
-
- о срабатывании сигнализации по уставкам;
-
- о блокировке мегаомметра;
ч О с=
с; СС О с
О1 г cd X
- о результате самодиагностики,
а так же для задания адреса мегаомметра в сети.
Изм
Лист
№ докум.
Подп.
Дата
-
1.1.2.1.15 Мегаомметр сохраняет работоспособность и метрологические характеристики при изменении эквивалентной емкости контролируемой сети относительно земли в диапазоне от 2-1Ф до 1 -1 О '* Ф.
-
1.1.2.1.16 Питание мегаомметра осуществляется от источника постоянного тока напряжением от 18 до 36 В. Номинальное значение напряжения питания - 27 В посте-
янного тока.
1.1.2.2 Метрологические характеристики.
-
1.1.2.2.1 Мегаомметры имеет следующие диапазоны измерений эквивалентного сопротивления изоляции:
-
- под рабочим напряжением; от 0 до 200 кОм;
-
- при снятом рабочем напряжении: от 0 до 2,0 МОм.
-
1.1.2.2.2 Пределы допускаемой основной приведенной погрешности измерений и срабатывания электрической сигнализации в поддиапазоне от 0 до 15 кОм равны ± 10 % от конечного значения поддиапазона измерений.
Пределы допускаемой основной относительной погрешности измерения и срабатывания электрической сигнализации в поддиапазоне от 15 кОм до конечного значения диапазона измерений равны ± 10 % от величины измеряемого сопротивления или
величины уставки.
-
1.1.2.2.3 Диапазон показаний эквивалентного сопротивления изоляции равен от О до 9,999 МОм.
га
5 Ct
S
с
5
с.
С ю
Ct
га X
Погрешность измерения в диапазоне показаний за пределом диапазона измерений не нормируется.
-
1.1.2.2.4 По электромагнитной совместимости мегаомметры соответствуют требованиям ГОСТ Р 51317.4.3 в полосе частот от 80 до 1000 МГц, по группе жёсткости 4 при функционировании по «типу В», т.е.:
-
- отсутствуют ложные включения или отключения мегаомметра во время и после воздействия электромагнитных помех;
со X
S
S га га 1П
-
- отсутствуют самопроизвольные срабатывания и дребезги выходных контактов
реле мегаомметра;
-
- сохраняются в памяти мегаомметра значения уставок аварийной и предупредительной сигнализации;
га S сс
S
с Ct о С
с: Ct о
С
О1 Z
ш
X
-
- отсутствуют сбои в работе (в том числе - по каналу связи RS-485);
-
- погрешность измерений мегаомметра не превышает значений, допустимых для данных климатических условий.
Изм
Лист
№ докум.
Подп.
Дата
со I-(0 Ct
ч о с
с; ю
>ч ч
О1 2
ш I
О1 Z
СП
X
S г со со СП
(О I-со CI
S
5 с
с; ч о
IZ
О|
2
СП
Допускаются во время воздействия электромагнитных помех на мегаомметр сбои показаний индикатора, не приводящие к нарушению в работе мегаомметра и не требующие вмешательства оператора для восстановления его работоспособности после снятия воздействия.
1.1.2.4 Мегаомметры устойчивы (те. надежно функционируют, не допускают ложных срабатываний и сохраняют технические характеристики):
- в соответствии с требованиями ГОСТ 13109 к воздействию на измерительные входы следующих временных перенапряжений:
560 В в течение 1 с;
500 В в течение 20 с;
440 В в течение 1 мин.
1.1.2.5 Характеристики стойкости к внешним воздействиям
-
1.1.2.5.2 Мегаомметры тепло-, холодоустойчивы.
Пределы допускаемой дополнительной погрешности, вызванной изменением температуры окружающего воздуха на каждые 10 °C от нормальной до любой температуры во всем диапазоне рабочих температур от минус 10 до плюс 60 °C равны:
± 2,5 % от конечного значения поддиапазона измерений от нуля до 15 кОм;
± 2,5 % от величины измеряемого сопротивления или уставки в поддиапазоне от 15 кОм до конечного значения диапазона измерений.
-
1.1.2.5.3 Мегаомметры устойчивы и прочны к воздействию механических ударов многократного действия в соответствии с ГОСТ 22261-94 и прочны к воздействию механических ударов одиночного действия 980 м/с^ (100 д) и длительностью от 0,5 до 2 мс.
-
1.1.2.5.4 Мегаомметры сохраняют работоспособность и свои параметры после воздействия на них в период электромагнитной обработки заказа знакопеременного убывающего импульсного магнитного поля с параметрами:
а) форма импульса - трапецеидальная;
б) амплитуда первого импульса - 12x103 А/м;
в) время действия импульса - от 5 до 9 с;
г) длительность фронта импульса - не более 1 с;
д) число импульсов - 220.
-
1.1.2.5.5 Мегаомметры стойки к воздействию морского тумана.
ускорением
Изм |
Лист |
№ докум. |
Подп. |
Дата |

-
1.1.2.5.6 Мегаомметры в транспортной таре тепло-, холодо- и влагопрочны и выдерживают воздействие температуры окружающего воздуха от минус 50 до плюс 70 ° С и относительной влажности до 98 % при 50 °C.
-
1.1.2.5.7 Мегаомметры в транспортной таре прочны к воздействию механических факторов в условиях транспортирования по ГОСТ 22261-94:
- вертикальные нагрузки:
750 м/с^ (75 д) - длительность удара от 1 до 5 мс;
150 м/с^ (15 д) - длительность удара от 5 до 10
мс;
100 м/с^ (10 д) - длительность удара от 5 до 10
мс;
- горизонтальные продольные нагрузки:
120 м/с^ (12 д) - длительность удара от 2 до 15
мс;
го н го Ct
X
с Ct о 1=
с; ю
>ч Ct
О1 Z
m I
- горизонтальные поперечные нагрузки:
120 м/с^ (12 д)— длительность удара от 2 до 15
мс.
-
1.1.2.5.8 Мегаомметры устойчиво работают при изменении атмосферного давления от 80 кПа (600 мм рт.ст) до 200 кПа (1520 мм рт.ст).
-
1.1.2.5.9 Степень защиты блока ЦМ1628.1-У по передней панели должна быть IP42, остальное - IP20 по ГОСТ 14254. Степень защиты блока ЦМ1628.1-П - IP42.
-
1.1.2.5.10 Мегаомметры не имеют дополнительных погрешностей от наклона, от качки, от близости других аналогичных приборов или ферромагнитных щитов, от воздействия однокомпонентной вибрации, от времени работы. Мегаомметры не имеют дополнительной погрешности от воздействия постоянных магнитных полей напряженностью до 5 Э (398 А/м) и переменных магнитных полей до 1 Э (79 А/м) на частоте 50 Гц и на кратных гармониках со спадом 20 дБ на декаду до частоты 20 кГц.
-
1.1.2.6 Характеристики надежности
1.1.2.6.1 Средний срок службы мегаомметра не менее 15 лет.
1.1.2.6.2.Средняя наработка на отказ не менее 160000 ч. Параметром, по которому определяется отказ, является основная погрешность и потеря функционирова-
О1 г
m
I
S
го
со 00
НИЯ.
го н го СС
§ [=
с;
Ct о с
О1 2
m X
-
1.1.2.6.3 Средняя наработка на отказ в условиях 4.3 не менее 92000 ч. Параметрами, по которым определяется отказ, являются основная погрешность и исправное функционирование.
-
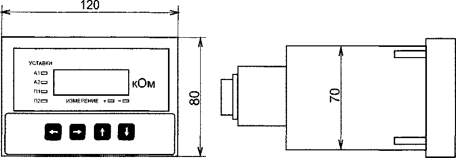
1.1.2.7 Габаритные размеры мегаомметров(см. рисунки 1 и 2):
-
- для блока ЦМ 1628.1-У - 120 х 80 х 163 мм;
-
- для блока ЦМ1628.1-П - 224 х 234 х 110 мм;
-
- для соединительного кабеля - (3±0,05) м.
Изм
Лист
№ докум.
Подп.
Дата
-
1.1.2.8 Масса мегаомметров не более;
-
- для блока ЦМ 1628.1-У - 1,1 кг;
-
- для блока ЦМ1628.1-П - 3,1 кг;
-
- для соединительного кабеля - 0,7 кг;
-
1.1.2.9 Мощность, потребляемая мегаомметрами, не превышает 12 Вт.
-
1.1.2.10 Испытательное напряжение и сопротивление изоляции.
1.1.2.10.1 Сопротивление изоляции токоведущих цепей мегаомметров (блоки ЦМ1628.1-У, ЦМ1628.1-П и межблочный кабель) относительно корпуса, а также сопротивление измерительной цепи относительно остальных цепей, соединенных вместе, и цепи сигнализации относительно остальных цепей, соединенных вместе
не менее:
-
1) 60 МОм - при температуре (20 ± 5) °C и относительной влажности до 80 %;
-
2) 15 МОм - при температуре 60 °C и относительной влажности до 80 %;
-
3) 3 МОм - при относительной влажности 98% и температуре (50 ± 2) °C.
1.1.2.10.2 Изоляция разобщенных токоведущих цепей мегаомметров (измерительные цепи, цепь питания, цепь сигнализации) относительно корпуса и между собой выдерживает в течение одной минуты воздействие испытательного напряжения практически синусоидальной формы частотой (50 ’^25) Гц, среднеквадратическое значе-
ние которого равно:
а)2 кВ - при температуре (25 ± 10) °C относительной влажности воздуха до 80 %;
а)0,5 кВ - при температуре (25 ± 10) °C относительной влажности воздуха до 80 %;
1.1.2.10.3 Сопротивление между винтом заземления и корпусом для каждого блока мегаомметра не более 2 мОм.
б) 0,3 кВ - при относительной влажности 98% и температуре (50 ± 2) °C.
б) 1,5 кВ - при относительной влажности 98^| % и температуре (50 ± 2) °C;
а изоляция цепи канала связи с RS-485 относительно корпуса выдерживает:

Изм |
Лист |
№ докум. |
Подп. |
Дата |


Рисунок 1- Внешний вид и габаритные размеры блока ЦМ1628.1-У
115+0,9


Изм |
Лист |
№ докум. |
Подл. |
Дата |

CD
(Й Ct
С Ct о с
с: ю
>.
Ct
О1 2:
со
I
О1 г
со I
S
г (D (О 00
СП н сп Ct
S
cz
5 с:
с Ct о С
(О I S

Рисунок 2- Внешний вид и габаритные размеры блока ЦМ1628.1-П
Изм |
Лист |
№ докум. |
Подп. |
Дата |

1.1.3 Состав изделия
1.1.3.1 В комплект поставки ЦМ1628 входит:
блок ЦМ 1628.1-У
блок ЦМ1628.1-П
кабель соединительный 5ПА.500.103
комплект монтажных частей ОПА.402.428 в составе:
1)
2)
-
3)
-
4)
шт.;
шт.;
шт.;
го н го
-
4
-
5
с ч о 1Z
с: (О
>. ч
О1 Z
ш X
О1
m
X
S г со со CD
го I-го Ч
с Ч О с
с; ч о с
О| Z
ш
соединитель 2РМТ14КПЭ4Г1В1В
соединитель 2РМТ18КПЭ7Г1В1В
соединитель 2РМТ22КПЭ4ГЗВ1В
соединитель 2РМТ14КПЭ4Ш1В1В
соединитель 2РМТ18КПЭ7Ш1В1В
руководство по эксплуатации (РЭ)
паспорт (ПС)
комплект кабелей поверочных (КП 1...КПЗ) ОПА.402.430
CD-диск с программой интерфейса
5}
6)
-
7)
-
8)
шт.;
шт.;
шт.;
шт;
шт.;
экз.*;
экз.
комп.*
экз.*
Примечание - * При поставке мегаомметров в один адрес допускается поставлять один комплект кабелей поверочных и один CD-диск на пять мегаомметров, но не более двух комплектов кабелей поверочных и двух CD-дисков на партию, и один экземпляр РЭ на пять мегаомметров, если иное количество не оговорено в договоре на поставку
1.1.4 Устройство и работа
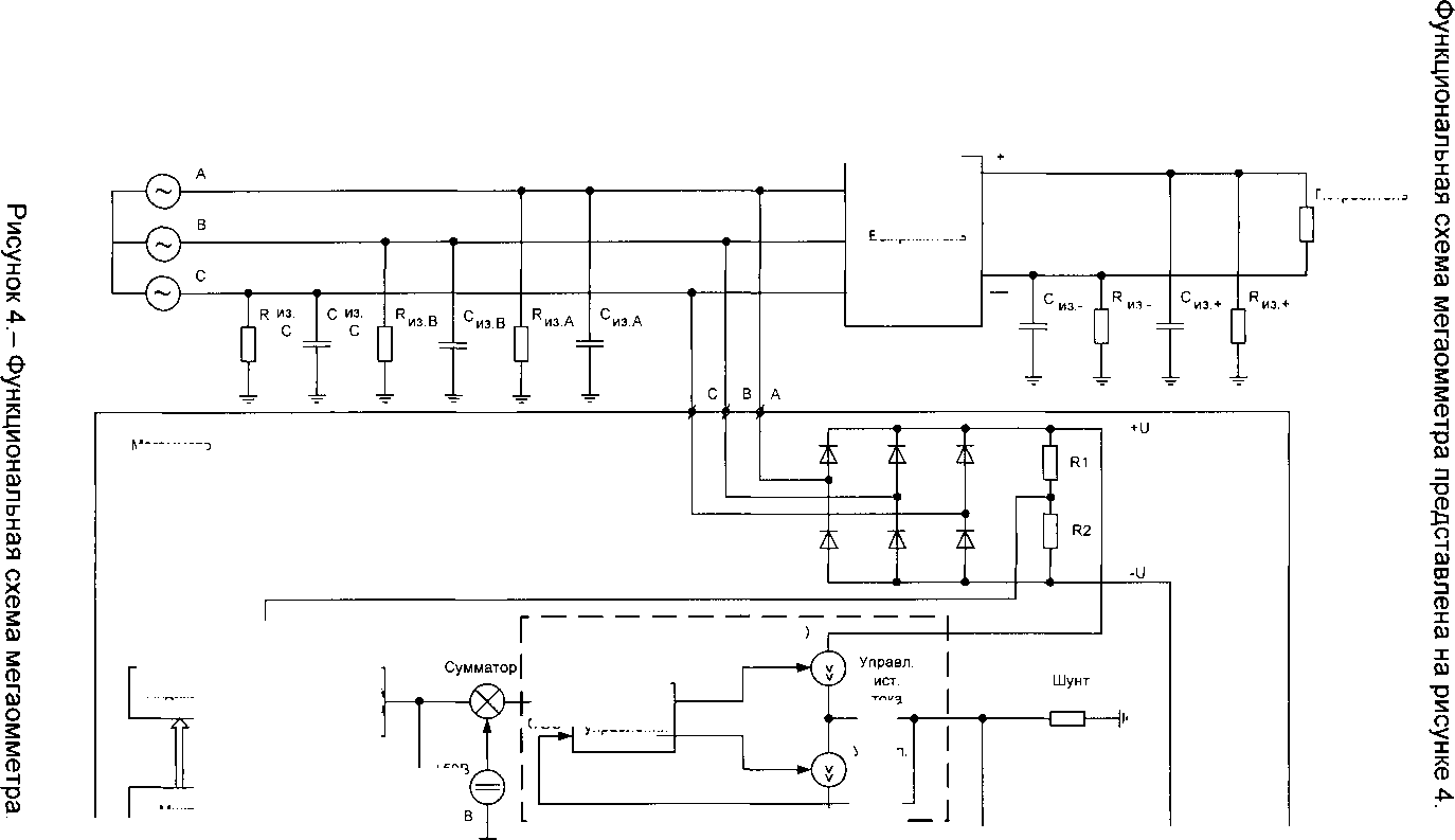
Принцип действия основан на том, что к контролируемой сети прикладывается измерительное напряжение относительно земли и измеряется ток, текущий через источник измерительного напряжения и сопротивления изоляции. В качестве источника измерительного напряжения используется схема, содержащая управляемый источник тока и цепь обратной связи. Работает такая схема следующим образом. В первый момент, для того чтобы зарядить емкости сети, источник тока выдает максимальный и стабильный по величине ток. Затем, когда постоянная составляющая напряжения сети относительно земли достигает требуемой величины (50 В), управляемый источник тока, под воздействием сигнала обратной связи, уменьшает величину тока. Причем автоматически устанавливается такая величина тока, при которой к сети прикладывается определенное напряжение (50 В). Затем производится измерение напряжения, приложенного к сети и ток, протекающий через сопротивления изоляции.
Изм |
Лист |
№ докум. |
Подп. |
Дата |

го I-ro Ct
Ct о С
q Ю
>< Ct
О1 Z
m I
О1 Н
ш
X S
S CD <9 0Q
ГО I-ro Ct
Ct о С
q Ct О
С
О1
2
со X <1
В сетях двойного рода тока необходимо производить измерения в два этапа, сначала прикладывать к сети напряжение одной полярности, затем другой полярности. Для этого необходимы два источника тока, рисунок 3.
♦

Схема
управления
VD1

-*
VD4

1 | |||
I |
1 1 1 | ||
I
Рисунок 3 - Упрощенная схема с двумя источниками тока.
Ток, текущий через сопротивления изоляции протекает через резистор Rfl. Для определения этого тока измеряется напряжение на этом резисторе Орд. За счет того, что в сети могут присутствовать перекосы по постоянному току, на величину тока, текущего через Кд влияет не только величина сопротивления изоляции, но и степень несимметрии по постоянному току. Поэтому поступают следующим образом. Сначала источником И создают положительное напряжение в сети, измеряют это напряжение и определяют ток (т.е. Срд). В результате будет получено два значения U1 и И. Затем источником 12 создают отрицательное напряжение, измеряют напряжение U2 и ток 12. Сопротивление изоляции вычисляется по формуле:
(1)
Изм |
Лист |
№ докум. |
Подп. |
Дата |

Инв.№ подл. |
Подп. и дата |
Взам.инв. № |
Инв.№ дубл. |
Подп. и дата |

Потребитель
Выпрямитель

тока
+50В
Режекторный фильтр 50 Гь
Управл. ист. тока
Микроконтроллер
Мегомметр
Индикатор
Сигнал "Напряжение"
-
Сигнал "Ток"
---------------------------------------1
Р Усилитель мощности (по напряжению)
Вх.
--►
оос
Схема управления
Подключение к контролируемой сети осуществляется через мост Ларионова, что эквивалентно схеме рисунка 3. Сигнал обратной связи берется с точки соединения R1 и R2, постоянная составляющая напряжения в этой точке равна постоянной составляющей напряжений фаз относительно земли. В этом смысле сигнал обратной связи берется так же, как и на рисунке 3.
Режекторный фильтр 50 Гц предназначен для подавления пульсаций частотой 50 Гц, которые могут присутствовать в сигнале обратной связи. Использование именно режекторного фильтра вместо фильтра низких частот позволяет повысить быстродействие системы. Режекторный фильтр имеет глубину подавления на частоте 50 Гц порядка 40 дБ, в то же самое время на частотах до 30 Гц он не оказывает существенного влияния на систему.
го н го сс
Цикл измерения состоит из двух тактов. В первом такте к сети прикладывается напряжение плюс 50 В, во втором такте прикладывается напряжение минус 50 В. В первом такте на сумматор подается заданное значение напряжения минус 50 В, во втором - плюс 50 В. Рассмотрим более подробно принцип работы на примере первого такта. На сумматор подается заданное значение минус 50 В, сигнал обратной связи в установившемся режиме близок к плюс 50 В. Разница этих напряжений подается на схему управления усилителя мощности. По существу, схема управления представляет собой усилитель напряжения. Разница задаваемого напряжения и напряжения обратной связи усиливается и подается на управляемые источники тока. Причем, если к сети прикладывается плюс 50 В, работает нижний по схеме управляемый источник тока, а если минус 50 В, то верхний.
Ct О С
q Ю
>ч Ct
О1 и
CD
I
существует
управления
Так как схема управляемого источника тока имеет некоторую нелинейность, местная отрицательная обратная связь, которая охватывает схему и управляемый источник тока. Действие этой местной обратной связи на то, чтобы напряжение на шунте было равно входному напряжению
направлено
усилителя мощности. Местная обратная связь линеаризует управляемый источник тока и, тем самым, приближает схему к идеальному источнику тока. При любом значении напряжения в точке «-U», величина тока, протекающего через шунт, нижний по схеме управляемый источник тока и три нижних по схеме диода моста Ларионова будет одинаковой, так как поддерживается постоянство падения напряжения на шунте. Таким образом, схема усилителя мощности имеет обратную связь по напряжению, но в результате достигается стабилизация тока в точках подключения «+U» и «-U».
О| Z
ш
X
X г го
со Ш
го (-го Ct
9
с
q Ct О с
О| Z
ш I
Изм |
Лист |
№ докум. |
Подп. |
Дата |

Управляет работой всей схемы микроконтроллер. Он осуществляет переключение задаваемого напряжения, измерение тока, напряжения и вывод результата измерения на цифровой индикатор.
1.1.5 Маркировка
1.1.5.1 На мегаомметрах должно быть нанесено:
-
1) обозначение мегаомметра;
-
2) наименование измеряемой величины;
-
3) класс точности;
-
4) обозначение испытательного напряжения изоляции;
-
5) порядковый номер мегаомметра по системе нумерации предприятия-изготовителя;
-
6) год изготовления;
-
7) товарный знак предприятия-изготовителя;
-
8) символ F-33 по ГОСТ 23217 (
-
9) Т-для приборов, поставляемых по «Условиям поставки № 01-1874-62».
Кроме того, на приборе могут быть нанесены другие надписи и обозначения, необходимые для эксплуатации.
Маркировка транспортной тары.
На упаковочных ящиках должны быть приклеены этикетки, содержащие:
- наименование предприятия-изготовителя;
ГО I-го
СЕ
-условное наименование изделия;
- заводской номер;
с ст О 1=
с; ю
>< ч
О1 Z
ш I
-дата упаковки: год изготовления.
1.1.6 Упаковка
О1 -z.
ш
I
го со CQ
-
1.1.6.1 Упаковка мегаомметра соответствует ГОСТ 23216 по категории КУ-2.
-
1.1.6.2 Мегаомметр поставляется в упаковке. Он помещается в упаковочный полиэтиленовый чехол и закрепляется в упаковочном ящике.
В ящик также укладывается паспорт, упаковочный лист, подписанный упаковщиком и представителем ОТК.
Ящик с упакованным мегаомметром пломбируется представителем ОТК.
Качество упаковки мегаомметра обеспечивает его полную сохранность при всех
го н го СЕ
условиях хранения и транспортирования, предусмотренных руководством по экс-
ч о 1=
q Ч О tz
О| Z
m X
плуатации.
Порядок распломбирования определяется правилами, действующими на предприятии-потребителе.
Изм |
Лист |
№ докум. |
Подп. |
Дата |

Расконсервация и переконсервация (1 раз в 3 года) производятся
по
за-
ГОСТ 9.014 -78 для варианта внутренней упаковки ВУ-5 и варианта временной щиты ВЗ-10 или ВЗ-15.
2 ИСПОЛЬЗОВАНИЕ ПО НАЗНАЧЕНИЮ
Эксплуатационные ограничения:
пе
-
- запрещается подключать мегаомметр к контролируемой сети, в которой ренапряжения могут превышать требования, предусмотренные ГОСТ 13109.
-
- запрещается подключать мегаомметр к контролируемой сети постоянного тока, напряжение которой более 500 В.
-
- запрещается подключать питающее напряжение мегаомметра более 36 В.
-
- запрещается эксплуатировать или хранить мегаомметр при температуре выше плюс 60 °C.
го I-со Ct
ст О IZ
с: ID
>>
Ct
О|
Z
m I
О1 Z
CD
I
03
<0 CQ
03 н
03 Ct
Ct о С
с: Ct о с
О| Н
CQ I
-
2.1 Подготовка изделия к использованию.
-
2.1.1 Меры безопасности при подготовке изделия к работе.
К работе с мегаомметром допускаются лица, прошедшие инструктаж по технике безопасности на право работы с электрооборудованием с напряжением до 1000 В и ознакомленные с настоящим РЭ, эксплуатационными документами на контрольноизмерительные и испытательные приборы, применяемые при работе с мегаомметром.
-
2.1.2 Правила и порядок осмотра и проверки готовности мегаомметра к использованию при поступлении к потребителю.
Проверка готовности мегаомметра к использованию проводится в нормальных климатических условиях перед установкой его на изделие.
2.1.2.1 Перед работой с мегаомметром проверить отсутствие механических повреждений на упаковке и целостность пломб на ней.
-
2.1.2.1 Вскрыть упаковочный ящик.
-
2.1.2.2 Провести проверку комплектности, сличение сопроводительной доку-
ментации в соответствии с упаковочным листом, изъять мегаомметр из упаковки, снять упаковочный чехол, проверить целостность корпуса мегаомметра. Сличить сопроводительную документацию, паспорт мегаомметра с информацией, нанесенной на этикетке (обозначение и номер).
2.1.2.3 Убедиться в отсутствии солевых пятен и загрязнений на внешних разъемах блока ЦМ1628.1-У и блока ЦМ1628.1-П.
2.2 Использование изделия.
Изм
Лист
№ докум.
Подп.
Дата
-
Подключение мегаомметра необходимо производить согласно схемам, изображённым на рисунках 5, 6 и 7.
Включить мегаомметр. Самодиагностика должна запуститься автоматически. В процессе самодиагностики на цифровом светодиодном индикаторе поочередно высвечиваются цифры от О до 9 во всех разрядах индицируемого числа. Одновременно поочередно высвечиваются светодиоды индикации режима, аварийной и предупредительной сигнализации.
на ин-
В случае, если в процессе самодиагностики обнаружены неисправности, дикатор выводятся символы «FFFF», а информация об этом передается по фейсу. Это указывает на необходимость ремонта.
интер-
задач
2.2.1 Порядок действий обслуживающего персонала при выполнении
применения мегаомметра.
произ-
В процессе работы, если не нажимать кнопки управления, мегаомметр водит периодические измерения сопротивления изоляции, значения выводятся на индикатор, отрабатывается контроль аварийной и предупредительной сигнализации.
Пользователь имеет возможность просмотреть и изменить настроечные параметры с помощью 4-х кнопок, расположенных на передней панели блока ЦМ1628/1. Нажимая кнопки «■►», «■^», «^», «"Ik» можно "передвигаться" по меню пользователя И изменять настроечные параметры.
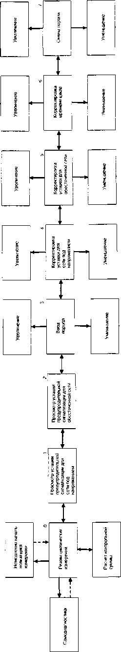
Структура меню представлена на рисунке 8.
<0 н го CI
ч о с:
с: ю
>S ч
О1 н
го X
О|
Z
ш I
го
<п m
го I-го ч
ч о [Z
q ч о
IZ
О1 Z
m
Изм |
Лист |
№ докум. |
Подп. |
Дата |

Сеть питания 27 В постоянного тока
ЦМ1628.1—П
2РМГ14КПЭ4Г1В1В
>- | ||
Конт |
Цепь |
Конт, |
1 |
-7J В |
1 |
2 |
+27 В |
2 |
2РМТ14Б4Ш1В1В
Х6
2РТ18Б7Г1В1В
2РМТ18КПЭ7Ш1В1В
Блокировка
Сигнализация ------------------
2РМТ18КПЭ7Г1В1В
Х2
2РМГ18Б7Ш1В1В
Х5
2РМТ22Б10Г1В1В
Кабель
5ПА.500.103
ЦМ1628.1-У
XI
2РИТ22Б10Ш1В1В

2РМТ22КПЭ4ГЗВ1В
Конт. |
Цепь |
Конт. |
1 |
А |
1 |
2 |
В |
2 |
3 |
С |
3 |
4 |
Зем. |
4 |
ХЗ
2РМТ22Б4ШЗВ1В
Х4
2РМТ14Б4Г1В1В
2РМГ14КПЭ4Ш1В1В
RS-485
Контролируемая сеть 380 В 50 Гц




Рисунок 5 - Схема подключения для измерения сопротивления изоляции
трехфазной сети с изолированной нейтралью



Изм |
Лист |
№ докум. |
Подп. |
Дата |

Сеть питания 21 В постоянного тока
ЦМ1628.1—П
2РМТ14КПЭ4Г1В1В
Конт |
Цепь |
Конт, |
1 |
-21 В |
1 |
2 |
+27 В |
2 |
XI
2РМТ14Б4Ш1В1В
Х6
2РТ18Б7Г1В1В

► Блокировка
2Р1ЛГ18КПЭ7Ш1В1В
Сигнализация -----------------
2Р1ЛТ18КПЭ7Г1В1В
Х5
2РМТ22Б10Г1В1В

2РМТ14КПЭ4Ш1В1В
2РМТ14Б4Г1В1В
2РМТ18Б7Ш1В1В
Конт |
Цепь |
Конт. |
1 |
А |
1 |
2 |
В |
2 |
3 |
С |
3 |
4 |
Зем. |
4 |
2РМГ22Б4ШЗВ1В
Контролируемая сеть переменного тока 220 В 50 Гц или постоянного тока от 110 В до 320 В
ЦМ1628.1—У

XI
2Р^ГГ22Б10Ш1В1В
RS-485



Рисунок 6 - Схема подключения для измерения сопротивления изоляции од
нофазной сети

Изм |
Лист |
№ докум. |
Подп. |
Дата |

Питание =27 В
ЦМ1628.1—П
Х6
о; s
о
§

Конт. |
Цепь |
Конт. |
1 |
А |
1 |
2 |
В |
2 |
3 |
G485 |
3 |
4 |
W |
4 |
2РМТ18КПЭ7Ш1В1В
XI
2РМТ18КПЭ7Г1В1В
хз
Х2
Х5
Х4
2P^4Г14KПЭ4Ш1B1B
Контролируемая сеть

ЦМ1628.1—У
Кабель RS-232
I
Кокт |
Цепь |
Конт. |
1 |
АНР |
1 |
2 |
А Общ |
2 |
3 |
АНЗ |
3 |
4 |
Пр HP |
4 |
5 |
Пр Общ |
5 |
6 |
Пр НЗ |
6 |
5ПА.500.103
RS- |
ПИ 485 |
TXD | |
RXD | |
GND | |
RS-232 |
Конт. |
Цепь |
Конт. |
1 |
А |
1 |
2 |
В |
2 |
3 |
0485 |
3 |
4 |
W |
4 |

Рисунок 7- Схема подключения мегаомметра к компьютеру.
Изм |
Лист |
№ докум. |
Подп. |
Дата |

CD I-ГО ч
Ct о с
q ID
>» Ct
О1 и
ГО X
О| Z
ш
X х
г го т QQ


п: q g пз ш о CQ X с; о с
2 I ф
I со
о
X >. о
о.
ГО н го се s
с Ct о
Ct О С
О1 и го X
После включения устройства автоматически начинает выполняться пункт меню
«О», «Режим циклических измерений». В этом режиме происходит циклическое измерение эквивалентного сопротивления изоляции, вывод полученного значения на индикатор, отработка алгоритмов аварийной и предупредительной сигнализации. Цикл измерений состоит из непосредственно измерения и некоторой паузы. Если сопротивление изоляции сети не изменяется, то выдерживается пауза между измерениями, для того чтобы не оказывать слишком частого и интенсивного воздействия на сеть. Время цикла, т.е. суммарное время измерения и паузы, может задаваться пользователем в диапазоне от 3 с до 127 с (около 2 мин). Причем, если емкость сети большая, автоматически осуществляется увеличение времени цикла. Например, если задано время цикла 4 с, а для измерения требуется 10 с, то время цикла будет 10 с, пауза будет равна нулю.
Изм |
Лист |
№ докум. |
Подп. |
Дата |
ЗПА.399.160 РЭ

Если нажать кнопку «4», то происходит немедленное начало нового цикла измерения и вывод значения на индикатор. Затем происходит автоматический возврат в пункт меню «0», «Режим циклических измерений».
Если нажать кнопку «■^», то происходит запуск самодиагностики. По окончании самодиагностики осуществляется автоматический возврат в пункт меню «0».
Если нажать кнопку «^», то происходит переход в пункт меню «1», «Просмотр уставки предупредительной сигнализации для сети под напряжением». В этом пункте меню можно только увидеть величину уставки, изменить ее нельзя.
Находясь в пункте меню «1», можно вернуться в пункт меню «О» нажав кнопку «■^».
га н га CI
Если нажать кнопку то происходит переход в пункт меню «2», «Просмотр уставки предупредительной сигнализации для обесточенной сети». Также как и в пункте «1», изменить уставку в пункте «2» нельзя.
Находясь в пункте меню «2», можно вернуться в пункт меню «1» нажав
Ct о с
с: ю
>> с[
О| Z cd
О1 н
ш
5 га со со
га I-га
CI
с Ч о [=
с;
Ч О с
О1 2 cd I
кнопку«'^».
Если нажать кнопку «^», то происходит переход в пункт меню «3», «Ввод пароля». Для ввода пароля необходимо нажимать кнопки «1Ь» и «^», соответственно «увеличение» и «уменьшение». Пароль представляет собой целое число, которое может находиться в диапазоне от О до 255. Однократное нажатие кнопки изменяет вводимый пароль на 1. Если набранное число «О» и нажать кнопку «^», то образуется число 255. После того, как набран правильный пароль, можно нажать кнопку «^» При этом произойдет переход в пункт меню «4». Если набран не правильный пароль, переход в пункт меню «4» не произойдет. Следует отметить, что при изготовлении нового мегаомметра, после стирания памяти микроконтроллера и записи в него программы, значение пароля устанавливается 255 автоматически. Это значение хранится в EEPROM памяти данных микроконтроллера «■►».
Изм |
Лист |
№ докум. |
Подп. |
Дата |

Пункты меню «4» и «5» аналогичны пунктам «1» и «2», но с тем отличием, что значения уставок можно изменять нажатием кнопок «^» и «1к».
Из пункта меню «5» можно перейти в пункт «6», «Корректировка времени цикла». Имеется в виду суммарное время измерения и паузы. Как уже указывалось выше, это значение может находиться в пределах от 3 с до 128 с.
Из пункта «6» можно перейти в пункт «7». «Смена пароля». При изменении пароля, новое значение автоматически записывается в EEPROM память данных.
В мегаомметре предусмотрен режим автоматического выключения отсчетного устройства (при этом процесс измерения и передача его результатов по интерфейсу продолжается с заданной периодичностью). Отключение отсчетного устройства происходит через 4-5 мин последнего нажатия любой из кнопок управления . Повторное включение отсчетного устройства происходит после нажатия любой из кно-
ПОКуправления.
-
2.2.2 Порядок контроля работоспособности изделия в целом.
co н CD Ct
с: Ct О С
q (О
>< CI
О1 Z
m I
В случае возникновения необходимости проконтролировать работоспособность изделия в целом в процессе использования изделия, следует запустить выполнение самодиагностики. Запуск может осуществляться двумя способами. Первый способ -при включении питания мегаомметра автоматически запускается самодиагностика. Второй способ - находясь в пункте меню "О" необходимо нажать кнопку «^», происходит запуск самодиагностики. По окончании самодиагностики осуществляется автоматический возврат в пункт меню «О».
Выключение питания мегаомметра можно производить как при отключенной, так и при подключенной контролируемой сети.
oi Z
oi
I s
5 CD
P) Ш
(D Н (D СС
S d
Ct О CZ
с; Ct о с
О1 Z
ш I
Изм |
Лист |
№ докум. |
Подп. |
Дата |

3 ПОРЯДОК УСТАНОВКИ
СП I-(D
СС
С Ct о С
с: ю
Ct
О1 Z
m I
-
3.1 Разметку щитов для установки блоков следует производить тщательно, без перекосов, в соответствии с рисунками 1 и 2.
Корпуса блоков прибора должны быть заземлены. Заземляющие провода с кольцевыми наконечниками присоединяются к винту с резьбой Мб на корпусе каждого блока с условным обозначением заземления.
-
3.2 Между собой блоки ЦМ1628.1-У и ЦМ1628.1-П должны быть соединены при помощи кабеля 5ПА.500.103, входящего в комплект поставки.
-
3.3 Внешние цепи подключаются к блоку ЦМ1628/2 через соединители типа 2РМТ, кабельные части которых входят в комплект поставки.
Незадействованные соединители должны быть закрыты заглушками.
-
3.3.1 Перед проведением электрического монтажа соединителей разберите их корпуса, насколько это необходимо для монтажа, и удалите с резьбы и трущихся поверхностей консервирующую смазку. Соединители должны быть загравированы, а в патрубках, идущих под заливку монтажного пространства герметиком, просверлены два отверстия: диаметром 4*°’^ — технологическое и диаметром — контрольное. Допускается сверление двух контрольных отверстий.
-
3.3.2 Электрический монтаж и технология его выполнения должны обеспечивать безотказную работу соединителей в заданных условиях эксплуатации.
При монтаже не допускается:
-
— затекание припоя и флюса на изоляторы и внутрь пакета изолятора;
-
— подпайку проводов к розеткам производить в состыкованном состоянии;
производить заделку проводов в жгут, заливку монтажного пространства в
О1
Z
го
г го го со
го н го Ct
расстыкованном состоянии.
-
3.3.3 Провода и кабели подсоединять к хвостовикам контактов методом пайки мягкими или твердыми припоями, с применением антикоррозионного флюса. Марки припоев и флюсов выбирать в зависимости от температурных условий работы соединителей.
-
3.3.4 Пайку проводов производить за счет местного разогрева хвостовиков контактов с помощью паяльника с плоским жалом от 3 до 3,5 мм с температурой, превышающей температуру плавления припоя на величину от 30 до 65 °C.
Ct О [=
с:
Ct о
С
О1 z
CD X
Изм
Лист
№ докум.
Подп.
Дата
Время пайки - не более 8 с для контактов диаметром 1 и 1,5 мм, не более 40 с для контактов диаметром 2 и 3 мм, а для штырей диаметром 1 и 1,5 мм с пазом на хвостовиках - не более 15 с.
Места пайки протереть марлевым тампоном, смоченным спиртом или спиртобензиновой смесью.
-
3.3.5 После проверки качества пайки для соединителей, не подлежащих заливке герметиком, на хвостовик до упора в изолятор надеть трубку длиной от 10 до 12 мм из фторопласта или из другого изоляционного материала, удовлетворяющего условиям эксплуатации.
-
3.3.6 На участке пайка — бандаж сделайте предварительный изгиб проводов, исключающий их натяг при бандажировании и обеспечивающий свободное перемещение контактов.
-
3.3.7 Соберите соединитель, предварительно смазав резьбу и трущиеся части соединительной гайки смазкой ЦИАТИМ-201 ГОСТ 6267-74, не допуская попадания смазки на резиновое кольцо.
Допускается замена указанной смазки на равноценные, удовлетворяющие условиям эксплуатации.
Последовательность сборки:
-
— два выступа патрубка вставьте в пазы корпуса;
-
— навинтите гайку патрубка на корпус;
<0 I-га Ct
S
с Ct о с:
с: ID
>< Ct
О| Z
m X S
О1 Z
m X
-
— навинтите экранированную гайку на патрубок.
В целях повышенной стабильности переходного сопротивления по корпусным деталям и надежности экранировки рекомендуется;
-
— перед монтажом тщательно очистить и промыть сопрягаемые поверхности спиртом или спирто-бензиновой смесью;
-
— при сборке и сочленении произвести дотяжку гаек ключом.
-
3.3.8 После окончательной сборки гайки законтрить проволокой или другим контровочным материалом (краска, смола и т.п.).
-
3.3.9 Заливка монтажного пространства соединителей герметиками обязательна при их эксплуатации в условиях инея и росы, всеклиматических условиях, а также при повышенных требованиях к механической прочности монтажа.
<0 со CQ
со I-<0 Ct
Для заливки рекомендуется применять герметики:
Изм |
Лист |
№ докум. |
Подп. |
Дата |

га I-га Ct
Ct о С
с; ю
Ct
О1 Z
m
X
О|
Z
га
X
S
га
РЭ
га I-га CI
tz Ct о [=
с; Ct о [Z
О| Z
m X
-
— замазку уплотнительную ТГ-18 ТУ 38-10555-75;
-
— виксинт У1-8 ТУ 38-103420-78;
-
— виксинт У2-28 ТУ 38-003-408-75;
-
— пеногерметик;
-
— другие герметики, обеспечивающие свободное перемещение контактов и надежную работу соединителей в заданных условиях эксплуатации.
Заливку производите согласно технологических инструкций.
3.3.10 Контроль качества монтажа проводите в соответствии с таблицей 1.
Таблица 1
Подлежит проверке |
Что проверяется |
Чем проверяется |
Когда проверяется |
|
Электрическая цепь в вилке и розетке Электрическая цепь в вилке и розетке |
Измерительным прибором с контрольной вилкой (розеткой) Измерительным прибором с контрольной вилкой (розеткой) |
После монтажа и периодически в процессе эксплуатации После электрического монтажа |
3 Состояние изоляции |
Изоляторы |
Внешним осмотром на отсутствие пыли и трещин на изоляторах от многократного сочленения и расчленения |
После монтажа и периодически в процессе эксплуатации |
4 Наличие смазки на соединительной гайке |
Резьба и трущиеся части соединительной гайки |
Внешним осмотром |
Возобновление смазки после монтажа и через каждые 60 — 100 сочленений |
Изм |
Лист |
№ докум. |
Подп. |
Дата |

Продолжение таблицы 1
Подлежит проверке |
Что проверяется |
Чем проверяется |
Когда проверяется |
5 Общее состояние частей соединителя, отсутствие механических повреждений, грязи, ослабления крепления всех элементов, деформации |
Все доступные осмотру детали и узлы |
Внешним осмотром с применением соответствующего инструмента |
Периодически в процессе эксплуатации |
-
3.3.11 При возникновении вопросов по монтажу и эксплуатации соединителей следует руководствоваться документом ГЕО.364.126 ТО «СОЕДИНИТЕЛИ СЕРИИ 2РМ. Техническое описание и инструкция по эксплуатации», который высылается по запросу ОАО «Завод Элекон», г. Казань.
-
3.3.12 Подключение мегаомметра производить в соответствии со схемами рисунков 5- 7 с помощью соединителей 2РМТ, входящих в комплект поставки.
CD l-(D Ct
с Ct о с:
с; ю
>> сс
О| Z
m X
Электрический монтаж соединителей должен выполнять квалифицированный специалист в соответствии с указаниями по монтажу соединителей серии 2РМ ГЕО.364.126 ТО
-
3.3.13 Через соединитель 2РМТ14КПЭ4Г1В1В подвести питание (27 В) двухжильным экранированным кабелем с сечением не менее 0,35 мм к соединителю XI блока ЦМ1628.1-П (таблица 2).
Таблица 2
oi Z
m
X X
S CD co QQ
CD l-(D Ct
с Ct о [Z
с;
Ct о с
О1 Z
ш X .±1
№ КОНТ. |
Цепь |
Сечение провода, мм^ |
Длина зачистки, мм | |
1 |
- |
Питание |
0,35-0,5 | |
2 |
+ |
27 В |
6-7 | |
3,4 |
— |
— |
Изм |
Лист |
№ докум. |
Подп. |
Дата |

.....3.3.2 Через соединитель 2РМТ18КПЭ7Г1В1В подсоединить устройства сигнализации срабатывания предупредительной и аварийной уставок к соединителю Х2 блока ЦМ1628.1-П (таблица 3). Провода должны быть в общей экранирующей оплетке, подсоединенной к корпусу соединителя.
Таблица 3 | ||||
№ контакта |
Цепь |
Сечение провода, мм^ |
Длина зачистки, мм | |
1 |
Нормально разомкнутый |
Аварийная сигнализация |
0,35-0,5 |
6-7 |
2 |
Общий | |||
3 |
Нормально замкнутый | |||
4 |
Нормально разомкнутый |
Предупредительная сигнализация | ||
5 |
Общий | |||
6 |
Нормально замкнутый | |||
7 |
— |
— |
-
3.3.3 Через соединитель 2РМТ22КПН4ГЗВ1В подсоединить в контролируемую сеть к соединителю ХЗ блока ЦМ1628.1-П (таблица 4).
Таблица 4
ГО Н CD Ct
s
Длина зачистки

№ контакта |
Цепь | |
1 |
А |
-380 В |
2 |
В | |
3 |
С | |
4 |
Земля |
Сечение провода,
Изм |
Лист |
№ докум. |
Подп. |
Дата |
3.3.4 Через соединитель 2РМТ18КПЭ7Ш1В1В подсоединить провода для дистанционного отключения прибора к соединителю Х6 Блока ЦМ1628.1-П в соответствии с таблицей 5.
Таблица 5
N° контакта |
Цепь |
Сечение провода, мм^ |
Длина зачистки, мм | |
1 |
+ |
Блокировка | ||
2 |
— |
1 |
0,35-0,5 | |
3 |
+ |
Блокировка |
6-7 | |
4 |
- |
2 | ||
5...7 |
— |
— |
Напряжение между разомкнутыми контактами 1 и 2 (3 и 4) должно быть от 15 до 20 В. Сила тока при замыкании этих контактов от 20 до 40 мА. Провода должны быть проложены в общей экранирующей оплетке
3.3.5 Подключение мегаомметра к компьютеру (ПК).
ГО I-ГО
Ct
s
-
3.3.5.1 Выход мегаомметра (Х4) имеет интерфейс RS-485, рассчитанный на подключение длинной линии связи. Вход ПК (СОМ-порт) работает в интерфейсе RS-232. Поэтому для подключения мегаомметра к ПК необходимо иметь преобразователь интерфейсов RS-485 - RS-232.
ч о с
с: ю
>< ч
О| Z
ш I
-
3.3.5.2 Пример такого подключения мегаомметра к ПК с использованием преобразователя интерфейса Transio А52 представлен на рисунке 7.
-
3.3.5.3 Преобразователь интерфейсов RS-485 - RS-232 выбирается потребителем и в зависимости от исполнения устанавливается непосредственно в ПК или
рядом C НИМ.
О1 Z
tn
I
s:
5 ro <*> 00
3.3.5.4 Линия связи от выхода мегаомметра (Х4) до входа преобразователя должна быть выполнена витой экранированной парой с волновым сопротивлением 120 Ом. Сечение проводников от 0,35 до 0,5 мм^ . Длина линии связи не более 1200 м.
(О I-(D Ct
Ct о
c; Ct о c
Ol
tn I
Изм |
Лист |
№ докум. |
Подп. |
Дата |

Настоящая методика поверки распространяется на мегаомметры цифровые ЦМ1628.1 (в дальнейшем - мегаомметры) и устанавливает методику их первичной и периодической поверки.
Интервал между поверками - 2 года.
4.1 Операции поверки
Таблица 6
CD Н CD Ct
Наименование операции поверки |
№ пункта |
Проведение операции | |
при первичной поверке и после ремонта |
при периодической поверке | ||
Внешний осмотр |
4.5.1 |
да |
да |
Проверка сопротивления изоляции |
4.5.2 |
да |
нет |
Опробование |
4.5.3 |
да |
да |
Определение метрологических характеристик |
4.5.4 |
да |
да |
Ct о с
q Ю
>. Ct
О| Z
ш X
О1 z:
X
X
г
CD
(О 00
CD Н CD Ct
С
5 с
с: Ct о с
СО I
№ пункта поверки |
Наименование и тип основного и вспомогательного средства поверки, обозначение нормативного документа или основные характеристики и средства поверки |
4.5.2 |
Мегаомметр Ф4101, 500 В, 0-40-10 2 МОм, КТ 2,5 |
|
Магазины сопротивлений Р40102, l-IO**— 1-10® Ом, КТ 0,02; Р4831, 1-10’^ - 1-10® Ом, КТ 0,02; Трансформатор ТА-249; |
Изм |
Лист |
№ докум. |
Подп. |
Дата |

Продолжение таблицы 7
пункта
поверки
Наименование и тип основного и вспомогательного средства поверки, обозначение нормативного документа или ос-
новные характеристики и средства поверки
Преобразователь Transio А52, RS232/RS485 в составе:
-
- адаптер AC/DC (220 В, 50 Гц/=9 В, 350 мА)
-
- преобразователь Transio А52 (RS232-RS422/485) (ф. МОХА) с кабелем CN20070
ПК в составе:
-
- ноутбук 8050Q (с СОМ-порт);
-
- манипулятор OP-005D («мышь») USB, PS/2:
-
- преобразователь GEMBIRD (USB/RS232),
Клавиатура, 16"TFT/Celeron 1,4 GHz/RAM 512 Mb/HDD 40 Gb/i915 (3XUSB)/DVD/CDRW, программное обеспечение: Windows XP Professional SP2, ser2pl.sys: serenum.sys-драйверы преобразователя GEMBIRD (USB/RS232): Ukesi_01.exe, Ukesi_a.exe
Источник питания постоянного тока Б5-47, 30 В, 3 А
Примечания
-
1 Приборы и оборудование, перечисленные в перечне, могут быть заменены аналогичными, обеспечивающими требуемые характеристики.
со н со Ct
X
с Ct о
с; ю
>1 Ct
О1 н
CD X
-
2 Подготовка приборов и оборудования, используемых при поверке, осуществляется в соответствии с их руководствами по эксплуатации.
4.3 Условия поверки
При проведении поверки должны соблюдаться следующие условия:
-
- температура окружающего воздуха (20 ± 5) °C:
О1 2:
со
X
S г со (О CQ
-
- относительная влажность от 30 до 80 %;
-
- атмосферное давление 84 от до 106,7 кПа;
-
- напряжение питания - 27 В ±10 %;
-
- положение прибора - любое.
(О I-пз Ct
Ct О С
с;
Ct о с
О1 Z
m X
Изм
Лист
№ докум.
Подп.
Дата
4.4 Требования безопасности при поверке
Требования безопасности по ГОСТ 12.3.019-80.
4.5 Проведение поверки
-
4.5.1 Внешний осмотр.
Внешний осмотр производится путём осмотра поверяемого мегаомметра без включения питания. При этом должно быть установлено соответствие мегаомметров следующим требованиям:
-
- комплектность должна соответствовать указанной в паспорте;
-
- маркировка должна быть чётко обозначена;
-
- наружные части мегаомметров не должны иметь механических повреждений, влияющих на работу мегаомметров;
-
- покрытие корпусов мегаомметров должно быть без дефектов;
-
4.5.2 Проверка сопротивления изоляции.
Проверку производят при нормальных условиях применения мегаомметром Ф4101 при напряжении 500 В, контакты соединителей закорачивают при помощи поверочных кабелей.
4.5.2.1 Проверка сопротивления изоляции блока ЦМ1628.1-П.
-
1) Подключить кабель поверочный КП1 к соединителю XI «-27В» блока ЦМ1628/2. Соединить концы всех жил этого кабеля между собой и измерить сопротивление изоляции между этим соединением и корпусом блока ЦМ1628.1-П.
ГО Н го
Ct
S
с: Ct
О С
с; ю
>» Ct
О1 2
ш
-
1 S
О1
-
2
m X х
го со со
-
-
2) Подключить кабель поверочный КП2 к соединителю Х2 «СИГНАЛИЗАЦИЯ» блока ЦМ1628.1-П. Соединить концы всех жил этого кабеля между собой и измерить сопротивление изоляции между этим соединением и корпусом блока ЦМ1628.1-П.
-
3) Подключить кабель поверочный КПЗ к соединителю ХЗ «КОНТРОЛЬ СЕТИ» блока ЦМ1628.1-П. Соединить концы всех жил этого кабеля между собой и измерить сопротивление изоляции между этим соединением и корпусом блока ЦМ1628.1-П.
-
4) Подключить кабель поверочный КП4 к соединителю Х4 «RS-485» блока ЦМ1628.1-П. Соединить концы всех жил этого кабеля между собой и измерить сопротивление изоляции между этим соединением и корпусом блока ЦМ1628.1-П.
го н го Ct
S
-
5) Подключить кабель поверочный КП5 к соединителю Х5 «ЦМ1628.1-У»блока ЦМ1628.1-П. Соединить концы всех жил этого кабеля между собой и измерить сопротивление изоляции между этим соединением и корпусом блока ЦМ1628.1-П.
Ct о
с;
Ct о С
О1 2
CQ
-
6) Подключить кабель поверочный КП6 к соединителю Х6 «БЛОКИРОВКА» блока ЦМ1628.1-П. Соединить концы всех жил этого кабеля между собой и измерить сопротивление изоляции между этим соединением и корпусом блока ЦМ1628.1-П
Изм
Лист
№ докум.
Подп.
Дата
-
7) Измерить сопротивление изоляции между соединенными вместе концами всех жил кабеля КП2 и соединенными вместе концами жил остальных кабелей.
-
8) Измерить сопротивление изоляции между соединенными вместе концами всех жил кабеля КПЗ и соединенными вместе концами жил остальных кабелей.
-
9) Проверка считается успешной, если сопротивление изоляции не менее 60 МОм.
-
4.5.2.2 Проверка сопротивления изоляции блока ЦМ1628.1-У и межблочного кабеля.
-
1) Подключить кабель поверочный КП7 к соединителю XI блока ЦМ1628.1-У. Измерить сопротивление изоляции между кабелем КП7 и корпусом блока ЦМ 1628.1-У.
-
2) Подключить кабель поверочный КП8 к соединителю кабеля 5ПА.500.103. Измерить сопротивление изоляции между кабелем КП8 и экраном кабеля 5ПА.500.103.
-
3) Проверка считается успешной, если сопротивление изоляции — не менее 60 МОм.
го н го ч
X
с: Ч О [=
с; ю
>.
ч
О1 Z
ш X
О1 Z
го
X
S г го р) 0Q
го н го ч
С Ч О IZ
с; ч о [Z
О| Z
ш
X
-
4.5.2.3 Допускается проводить проверку сопротивления изоляции мегаомметра в целом. При этом проверка по 4.5.2.1.5) и 4.5.2.2 не проводится. Проверка считается успешной, если сопротивление изоляции не менее 20 МОм.
-
4.5.3 Опробование проводят следующим образом;
-
4.5.3.1 Включают питание мегаомметра. При включении мегаомметра автоматически запускается самодиагностика в соответствии с 2.2.
Если в процессе самодиагностики неисправностей не обнаружено, после цифры 9 индикатор погаснет и начинается цикл измерения.
Если в процессе самодиагностики обнаружены неисправности, то на индикатор выводятся символы "FFFF", а по интерфейсу передает сообщение о неисправности. После чего мегаомметр блокируется до устранения неисправностей. Неисправный мегаомметр бракуют.
-
4.5.3.2 Проверяют передачу информации по каналу связи RS-485.
-
1) Собирают схему, приведенную на рисунке 9;
-
2) Включить питание компьютера, конвертора, мегаомметра. Запустить программу Ukesi_a.exe. Программа Ukesi_a.exe автоматически определяет, к какому из СОМ-портов подключен мегаомметр и какой он имеет адрес. Найденный адрес по
является на экране компьютера.
3) Запускают на компьютере программу Ukesi_01.exe.
После запуска программы появляется сообщение:
Изм
Лист
№ докум.
Подп.
Дата
-
«Введите адрес первого мегаомметра».
Вводят адрес поверяемого мегаомметра.
Появляется сообщение:
«Введите адрес второго мегаомметра».
Вводят любой адрес.
После этого программа Ukesi_01.exe выводит информацию на экран.
-
4) Устанавливают сопротивление магазина R1=551 кОм
-
5) Убеждаются в том, что мегаомметр производит измерения и на цифровом табло блока ЦМ1628.1-У отображается величина сопротивления изоляции.
-
6) С помощью меню мегаомметра определяют установленные пороги предупредительной сигнализации.
-
7) На экране монитора ПК появляется информация, отражающая работу мегаомметра, в виде таблицы 8.
-
8) Устанавливают сопротивление магазина П1на 10 % ниже значения порога предупредительной сигнализации для сети под напряжением. Убеждаются, что включилась сигнализация ПР1 и в таблице 8 появилось сообщение «ПР1=1».
-
9) Отключают напряжение контролируемой сети. Устанавливают сопротивление магазина Rina 10 % ниже значения порога предупредительной сигнализации для обесточенной сети. Убеждаются, что вместо ПР1 включилась сигнализация ПР2 и в таблице 8 появились сообщения «ПР1=0» и «ПР2=1».
(О Н CO сс
s
-
10) Устанавливают R1=90 кОм. Убеждаются, что включилась сигнализация А2 и на мониторе появилось сообщение «Ав.2=1».
Ct О с
с; о
>< Ct
О|
Z cd
X
-
11) Подключают к соединителю Х6 блока ЦМ1628.1-П кабель КП6 и закорачивают провода с маркировкой «Бл1»(включают блокировку мегаомметра). Убеждаются в том, что на экране монитора появилось сообщение «ГТ = 0 Мегаомметр заблокирован». При этом с экрана исчезает значение сопротивления изоляции.
О1 Z
CD
I
CD
CO co
-
12) Размыкают провода с маркировкой «Бл1» (разблокируют мегаомметр). Убеждаются в том, что вновь появляется сообщение «ГТ = 1 Мегаомметр готов».
-
13) Повторяют операции 11) и 12) для проводов с маркировкой «Бл2».
га н га сг
S
IZ сс
О С
с: Ct о с
О1 Z
m X
-
14) Мегаомметр считают выдержавшим операцию поверки, если происходит правильная передача данных о величине измеряемого сопротивления, величинах предупредительных уставок, срабатывании сигнализации, а также сообщений об исправности, блокировке, соответствующих действительному состоянию мегаомметра.
Изм
Лист
№ докум.
Подп.
Дата
Таблица 8
Сопротивление изоляции = 551 кОм | |
ГТ = 1 |
Мегаомметр готов (не заблокирован) |
ош = о |
Мегаомметр исправен |
Ав 2 = 0 |
Нет аварийной сигнализации для обесточенной сети |
Ав. 1 = 0 |
Нет аварийной сигнализации под напряжением |
Пр2 = 0 |
Нет предупредительной сигнализации для обесточенной сети |
Пр1 = 0 |
Нет предупредительной сигнализации под напряжением |
Порог предупредительной сигнализации для сети под напряжением равен 50 кОм | |
Порог предупредительной сигнализации для обесточенной сети равен 250 кОм | |
Примечания.
|
ГО
Н
ГО CI
Ct О С
q Ю
>»
Ct
О1 Н
со
I
О1
oi
I S
ГО (О СП
ГО н го Ct
с Ct о [Z
с; сс О с:
О1 Н ai
X
Изм |
Лист |
№ докум. |
Подп. |
Дата |


(О со
CI S
с § с
с; ю
Ct
О1 2: cd X
О1
2
cd
X S
5 со со СП
БП - источник напряжения постоянного тока;
R1 - магазин сопротивлений,
ПИ - преобразователь интерфейсов RS-232/ RS -485;
ПК - персональный компьютер;
Т1 - трансформатор ТА-249.
Сечение соединительных проводов не менее 0,5 мм2.
со
сс
X
с: Ct О С
с;
Ct о С
О1 2 cd X
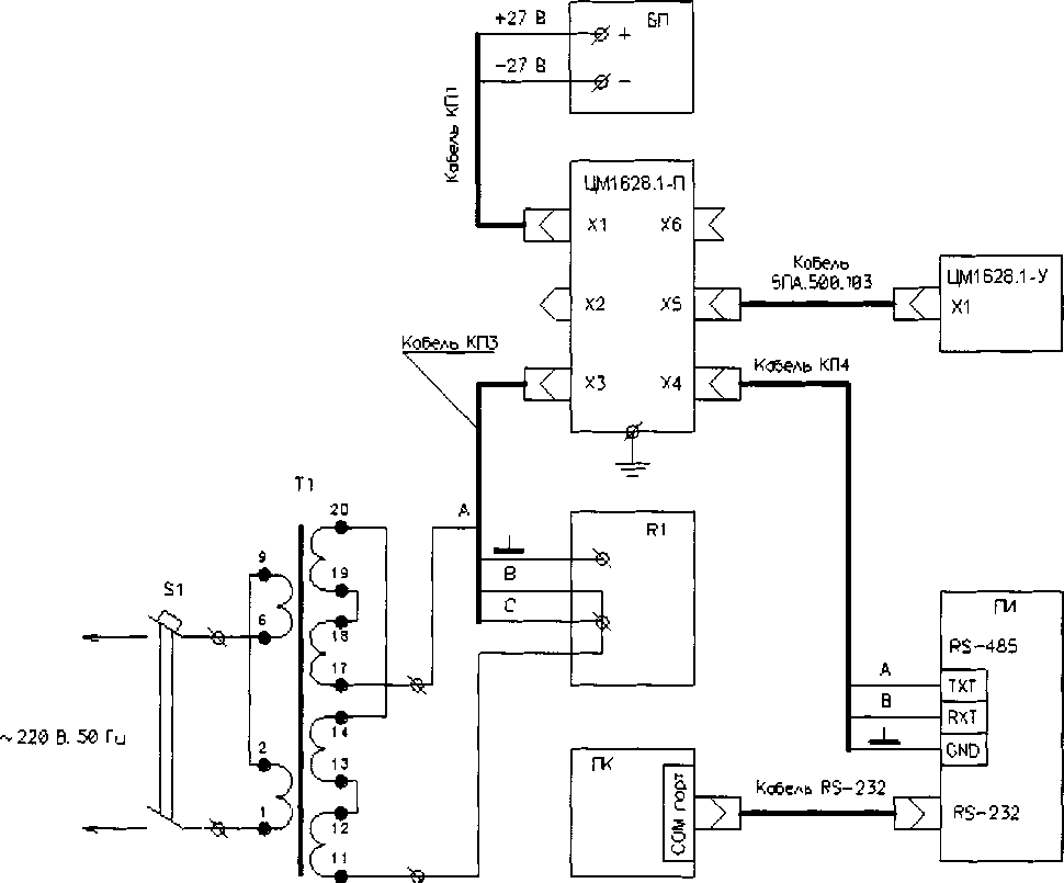
Рисунок 9 - Схема проведения поверки
Изм |
Лист |
№ докум. |
Подп. |
Дата |

4.5.4. Определение основной погрешности измерения сопротивления изоляции обесточенной сети производят следующим образом:
-
1) Собрать схему, приведённую на рисунке 9, включить питание мегаомметра. Напряжение ~220 В на измерительный вход ХЗ не подавать.
-
2) Сопротивление магазина R1 изменять до появления на цифровом индикаторе показания R = 10 кОм;
-
3) Увеличивая (уменьшая) сопротивление магазина до тех пор, пока не начнёт происходить изменение показаний мегаомметра на ближайшее большее (меньшее), определить эти значения по магазину сопротивлений, как Рд1 и Рдг. За действительное значение сопротивления Рд принять то из значений Рд1 и Рд2, при котором абсолютная величина разности R - Рд1 и R - Рдг будет наибольшей;
-
4) Установить на магазине сопротивление Рд = 50 кОм. Определить по цифровому индикатору результаты пяти измерений и выбрать из них значение R, для которого I Р-Рд I максимально;
-
5) Повторить операцию 4) для 200 кОм и 2 МОм;
-
6) Определить основную погрешность измерения у для каждого значения измеряемого сопротивления по формуле:
”1.^ . 100%.
(1)
Rh
где R - показание мегаомметра;
со I-со Ct
S
с Ct о
с; ю
>ч
Ct
01 2 txi
X
Rfl - действительное значение сопротивления, определяемое по магазину сопротивлений;
Rh- 15 кОм для поддиапазона от О до 15 кОм или значение измеряемого сопротивления для поддиапазона от 15 кОм до конечного значения диапазона измерений;
7) Мегаомметр считают прошедшим операцию поверки, если значение основной погрешности измерения не превышает пределов, указанных в 1.2.2.2.
Ol
2:
Ш I
ra co co
4.6 Оформление результатов поверки
Результаты поверки оформляют в соответствии с ГОСТ РВ 8.576 с нанесением поверительного клейма в паспорт и на табличку, расположенную на крышке блока ЦМ1628.1-П мегаомметр. Отрицательный результат оформляется в соответствии с ГОСТ РВ 8.576.
га I-ra
Ct
сс О 1=
сС О с
О1 2
ш X
Изм |
Лист |
№ докум. |
Подп. |
Дата |

-
5.1 Техническое обслуживание мегаомметра заключается в проведении проверки готовности к использованию в соответствии с требованиями 2.2.2 настоящего РЭ.
-
5.2 Перечень возможных проявлений дефектов функционирования мегаомметра в таблице 9.
Таблица 9
Наименование неис- |
Вероятная |
Способ |
правности, внешнее |
причина |
устранения |
проявление и дополни- | ||
тельные признаки |
Не поступает на
Нет индикации связи по каналу RS -485;
пряжение питания
Отстыковать кабельную часть блока ЦМ1628.1-П и
проверить наличие напря
жения питания на ее контак
тах 1 и 2, которое должно
ГО I-го сС
ю Ct
О1
2
Ш
X
О1
£П X
го со
ГО н го
Ct
S
с Ct о с
с;
Ct о с
О1 Н
DQ X
Изм |
Лист |
№ докум. |
Подп. |
Дата |
находиться в диапазоне от 18 до 36 В. При отсутствии напряжения найти причину и восстановить питание. В
противном случае отправить на ремонт блок ЦМ1628.1-П.

Лист

Наименование неис-
правности, внешнее
Вероятная
Способ
проявление и дополни
тельные признаки
Нет индикации. Связь по каналу RS -485 присутствует.
Нарушена связь между блоками ЦМ1628.1-П и ЦМ1628.1-У
Проверить стыковку соединителей Х5 блока
ЦМ1628.1-П и XI блока
ЦМ1628.1-У. При необходи-
мости подтянуть соединительные гайки. Проверить межблочный кабель на наличие внутренних обрывов и замыканий проводов. Неисправный кабель отремон-
тировать и заменить.
Не поступает на-
пряжение питания на блок ЦМ1628.1-У
Отстыковать кабельную часть соединителя XI блока ЦМ1628.1-У и проверить
го н го С[
S
с Ct о с
наличие напряжения питания на ее контактах 4 и 5,
q ID
>» Ct
Ol 2
m I S
Ol Z
m I
которое должно находиться в диапазоне от 18 до 36 В. При отсутствии напряжения найти причину и восстановить питание.В противном
го го CD
случае отправить на ремонт блок ЦМ1628.1-У.
03 н 03 Ct
S
с Ct о tz
с;
Ct о с
О1
m I
Изм |
Лист |
№ докум. |
Подп. |
Дата |

Наименование неис-
правности, внешнее
проявление и дополни
Нет связи по каналу
RS -485. Индикация в по
рядке.
Вероятная
Нарушена связь между блоком ЦМ1628.1-П и преобразователем интерфейсов.
Способ
Проверить стыковку соединителя Х4 блока
ЦМ1628.1-П и правильность подключения кабеля RS -485 к преобразователю интерфейсов. Проверить кабель на наличие обрывов и замыканий. Неисправный кабель отремонтировать и заменить. Если линия связи
05 I-05 Ct
S
С СС
О tz
с; ю
>ч Ct
О1
со I
Не включается режим блокировки.
Нарушены внешние цепи блокировки.
RS -485 несправна - отправить на ремонт блок ЦМ1628.1-П.
Проверить стыковку соединителя Х6 блока
ЦМ1628.1-П. При необхо-
О1
m
5
05
СО CD
ди мости подтянуть соединительную гайку. Отстыковать кабельную часть соединителя Х6 и проверить наличие команды блокировки на ее контактах 1,2 или 3,4 (замыкание контактов). При отсутствии такой команды найти и устранить дефект.
05 Н 05 Ct
с; с: о с
О1 2
со X
Изм |
Лист |
№ докум. |
Подп. |
Дата |

Наименование неисправности, внешнее проявление и дополнительные признаки |
Вероятная причина |
Способ устранения |
Не включается режим блокировки. |
Неисправны цепи блокировки блока ЦМ1628.1-П |
Проверить наличие напряжения от15 до 20 В на контактах 1,2 и 3,4 блочной части соединителя Х6. При отсутствии напряжения найти и устранить дефект или отправить на ремонт блок ЦМ1628.1-П. |
Нет электрической сигнализации |
Нарушены внешние цепи сигнализации |
Проверить стыковку соединителя Х2 блока |
ЦМ1628.1-П. При необхо
димости подтянуть соединительную гайку. Проверить исправность внешних цепей
сигнализации, для чего отстыковать кабельную часть соединителя Х2 и включить
случае отправить на ремонт блок ЦМ1628.1-П.

сигнализацию, замкнув ее контакты 1,2 (аварийная) или 3,4 (предупредительная). При обнаружении неисправности найти и устранить дефект, в противном
Изм |
Лист |
№ докум. |
Подп. |
Дата |
CD ICD сс
Ct О 1=
q ю
Ct
О1 Z
m X
О1 Z
ш X
(D
со Сй
(D ICD п:
tz Ct о С
q Ct О с
О1 Z
ш I
Наименование неисправности, внешнее проявление и дополнительные признаки |
Вероятная причина |
Способ устранения |
Погрешность измерения при включении сигнализации выше допускаемого значения. |
Неисправность блока ЦМ1628.1-П |
Отправить блок ЦМ1628.1-П на ремонт. |
При самодиагностики не светятся произвольные сегменты индикаторов или светодиоды. |
Неисправны цифровые индикаторы или светодиоды. |
Заменить отказавшие элементы или отправить блок ЦМ1628.1-У на ремонт. |
При самодиагностики не светятся одинаковые сегменты всех цифровых индикаторах или цифры целиком, не отображается нажатие кнопок. |
Неисправны токовые ключи устройства индикации |
Отправить отказавшие элементы и заменить их или отправить блок ЦМ1628.1-У. на ремонт. |
Для удобства прозвонки межблочного кабеля 5ПА.500.103 контакты его соединителя следует закоротить с помощью поверочного кабеля КП8. Схема кабеля 5ПА.500.103 приведена на рисунке 10.
Если перечисленные дефекты указанными способами не устраняются, или присутствуют иные дефекты, то мегаомметр подлежит ремонту на предприятии-
изготовителе или в специализированных организациях.
После проведения ремонта прибор должен быть подвергнут поверке.
ИЗм |
Лист |
№ докум. |
Подп. |
Дата |

Цепь |
Конт. |
RXD |
1 |
TXD |
2 |
GND |
3 |
+27 В |
4 |
-21 В |
5 |
ЭКР. |
L |

Конт. |
Цепь |
1 |
RXD |
2 |
TXD |
3 |
GND |
4 |
+27 В |
5 |
-27 В |
L |
ЭКР. |
2РМТ22КПЭ10Г1В1В
2РМТ22КПЭ10Ш1В1В
Рисунок 10 - Схема электрическая принципиальная кабеля 5ПА.500.103

Изм |
Лист |
№ докум. |
Подп. |
Дата |
6 ПРАВИЛА ХРАНЕНИЯ И ТРАНСПОРТИРОВАНИЯ
6.1 Хранение приборов производится в складских помещениях в упаковке предприятия-изготовителя при следующих условиях:
- температура окружающего воздуха должна быть в пределах от минус 50 до плюс 40 °C:
- относительная влажность воздуха до 98 % при 25 °C:
6.2 Транспортирование приборов производится в упаковке для транспортирования всеми видами транспорта на любые расстояния при температуре окружающего воздуха от минус 50 до плюс 70 °C и относительной влажности до 98 % при температуре 50 °C.
(О н CD Ct
Ct о EZ
q ю
Ct
О1 Z
ш
Ol и
CQ
X s
2 CD
CO CD
CD I-CD Ct
Ct о [=
с;
Ct о с:
ot Z
СО
Изм |
Лист |
№ докум. |
Подп. |
Дата |

