Методика поверки «Сигнализаторы газа СГ-1, СГБ-1» (5В2.840.403 ДЛ)
ОБЩЕСТВО С ДОПОЛНИТЕЛЬНОЙ ОТВЕТСТВЕННОСТЬЮ «РОСС»

Инструкция по поверке
5В2.840.403 ДЛ
л.Ь2015г

5В2.840.403 ДЛ
Настоящая инструкция распространяется на сигнализаторы газа бытовые СГБ-1, сигнализаторы газа СГ-1 и устанавливает методику их первичной и периодической поверки и испытаний.
Межповерочный интервал -12 месяцев.
Основные технические характеристики сигнализаторов приведены в приложении А.
1 ОПЕРАЦИИ ПОВЕРКИ-
1.1 При проведении поверки должны выполняться операции, указанные
в таблице 1.
Таблица 1
Наименование операции |
Номер пункта настоящей инструкции по поверке |
Примечание |
1 Внешний осмотр |
5.1 | |
2 Проверка электрического сопротивления изоляции |
5.2 | |
3 Опробование |
5.3, 5.6 | |
4 Определение метрологических характеристик | ||
4.1 Контроль основной абсолютной погрешности |
5.4, 5.7, | |
4.2 Проверка времени срабатывания сигнализатора |
5.5, 5.8 | |
Примечание 1 Проверка электрического сопротивления изоляции производится при выпуске из производства сигнализаторов, питание которых осуществляется от сети переменного тока напряжением (220+22 ) в. | ||
Примечание 2 Операции поверки по 5.6, 5.7, 5.8 производятся для сигнализаторое исполнений СГБ-1-8, СГБ-1-9, СГБ-1-10, СГБ-1-11, СГБ-1-12, СГ-1-1, СГ-1-2, СГ-1-3, по 5.3, 5.4, 5.5-для сигнализаторов остальных исполнений. |
-
1.2 При отрицательных результатах любой из операций дальнейшая поверка прекращается, сигнализатор бракуется.
-
2.1 Рабочие эталоны и вспомогательные средства поверки приведены в таблице 2.
Вместо указанных средств поверки допускается применять другие средства измерительной техники и вспомогательные средства поверки (кроме ПГС), обеспечивающие измерение параметров с требуемой точностью.
-
2.2 Средства измерительной техники должны быть исправны, поверены или аттестованы и иметь соответствующие свидетельства.
-
2.3 Насадки 5В6.451.605, 5В6.451.607, камеры 5В5.887.610-02,
5В5.887.610-04 поставляются ОДО "РОСС" по отдельному заказу.
Таблица 2
Номер пункта настоящее инструкци |
Наименование рабочего эталона или 1 вспомогательного средства поверки |
Документ, регламентирующий технические требования к средству, и (или) основные метрологические и технические характеристик |
Примечание 1 |
1 |
2 |
3 |
4 |
5.4 |
Поверочная смесь "СНд-воздух" |
Номинальное значение объемной доли метана и пределы допускаемого отклонения - (0,065 ± 0,005) %; абсолютная погрешность аттестации - ± 0,002 % |
ПГС № 1 для СГБ-1-1, СГБ-1-1А... СГБ-1-1Г, СГБ-1-1Е, СГБ-1-1/12, СГБ-1-1А/12, СГБ-1-1Б/12, С ГБ-1-2, СГБ-1-2А... СГБ-1-2Г, СГБ-1-2Е, СГБ-1-2/12, СГБ-1-2А/12, СГБ-1-2Б/12 |
5.4 |
Поверочная смесь "СН4-воздух” |
Номинальное значение объемной доли метана и пределы допускаемого отклонения - (0,135 ± 0,005) %; абсолютная погрешность аттестации - ± 0,002 % |
ПГС №2 для СГБ-1-1, СГБ-1-1А... СГБ-1-1 Г, СГБ-1-1Е, СГБ-1-1/12, СГБ-1-1 А/12, СГБ-1-1 Б/12, СГБ-1-2, СГБ-1-2А... СГБ-1-2Г, СГБ-1-2Е, СГБ-1-2/12, СГБ-1-2А/12, СГБ-1-2Б/12 |
5.5 |
Поверочная смесь "СН4-воздух” |
ТУ У 24.1-02568182-001:2005 или ТУ6-16-2956-92 ТУ 2114-014-20810646-2014 ГСО 4446-88, ГСО 10531-2014 Номинальное значение объемной доли метана и пределы допускаемого отклонения - (0,160 ± 0,020) %; абсолютная погрешность аттестации - ± 0,004 % |
ПГС №3 для СГБ-1-1, СГБ-1-1А... СГБ-1-1 Г, СГБ-1-1Е, СГБ-1-1/12, СГБ-1-1А/12, СГБ-1-1Б/12, СГБ-1-2, СГБ-1-2А... СГБ-1-2Г, СГБ-1-2Е, СГБ-1-2/12, СГБ-1-2А/12, |
5B2.840.403 ДЛ
1 |
2 |
3 |
4 |
5.4 |
Поверочная смесь "СНд-воздух" |
ТУ У 24.1-02568182-001:2005, ТУ 2114-014-20810646-2014 или ТУ6-16-2956-92 ГСО 3904-87, ГСО 10532-2014 . Номинальное значение объемной доли метана и пределы допускаемого отклонения - (0,65 ± 0,04) %; абсолютная погрешность аттестации - ± 0,02 % |
ПГС № 1 для СГБ-1-5, СГБ-1-5А...СГБ-1-5Г, СГБ-1-5Е, СГБ-1-5/12, СГБ-1-5А/12, СГБ-1-5Б/12 С ГБ-1-13, СГБ-1-13Б |
5.4 |
Поверочная смесь "СН4-воздух" |
ТУ У 24.1-02568182-001:2005 ТУ 2114-O14-2O81O646-2014ИЛИ ТУ6-16-2956-92 ГСО 3905-87 ГСО 10530-2014,. Номинальное значение объемной доли метана и пределы допускаемого отклонения - (1,35 ± 0,06) %; абсолютная погрешность аттестации - ± 0.04 % |
ПГС №2 для СГБ-1-5, СГБ-1-5А...СГБ-1-5Г, СГБ-1-5Е, СГБ-1-5/12, СГБ-1-5А/12, СГБ-1-5Б/12 |
5.5 |
Поверочная смесь "СН4-воздух" |
ТУ У 24.1-02568182-001:2005 или ТУ6-16-2956-92 ТУ 2114-014-20810646-2014 ГСО 4272-88. ГСО 10530-2014 Номинальное значение объемной доли метана и пределы допускаемого отклонения - (1,60 ± 0,06) %; абсолютная погрешность аттестации - ± П ПО О/. |
ПГС №3для СГБ-1-5, СГБ-1-5А...СГБ-1-5Г, СГБ-1-5Е, СГБ-1-5/12, СГБ-1-5А/12, СГБ-1-5Б/12, СГБ-1-13, СГБ-1-13Б |
5.4 |
Поверочная смесь "СзН8-воздух" |
ТУ У 24.1-02568182-001:2005 или ТУ6-16-2956-92 ту 2114-014-20810646-2014 ГСО 3968-87 ГСО 10544- 2014. Номинальное значение объемной доли пропана и пределы допускаемого отклонения -(0,300 ± 0,030) %; абсолютная погрешность |
ПГС № 1 для СГБ-1-6, СГБ-1-6А...СГБ-1-6Г, СГБ-1-6Е, СГБ-1-6/12, СГБ-1-6А/12, СГБ-1-6Б/12 |
5.4 |
Поверочная смесь "С3Н8-воздух" |
ТУ У 24.1-02568182-001:2005 или ТУ6-16-2956-92 ГСО 5323-90. Номинальное значение объемной доли пропана и пределы допускаемого отклонения - (0,620 ± 0,030) %; абсолютная погрешность аттестации - ± 0,030 % |
ПГС №2 для СГБ-1-6, СГБ-1-6А...СГБ-1-6Г, СГБ-1-6Е, СГБ-1-6/12, СГБ-1-6А/12, СГБ-1-6Б/12 |
5.5 |
Поверочная смесь "С3Н8-воздух" |
ТУ У 24.1-02568182-001:2005 или ТУ6-16-2956-92 ГСО 5323-90. Номинальное значение объемной доли пропана и пределы допускаемого отклонения - (0,736 ± 0,030) %; абсолютная погрешность аттестации - ± 0,030 % |
ПГС №3 для СГБ-1-6, СГБ-1-6А...СГБ-1-6Г, СГБ-1-6Е, СГБ-1-6/12, СГБ-1-6А/12, СГБ-1-6Б/12 |
Os
1 |
2 |
3 |
4 |
5.5 |
Поверочная смесь "СО-воздух" |
Номинальное значение объемной доли окиси углерода и пределы допускаемого отклонения -(0,0160 ± 0,0007) %; абсолютная погрешность аттестации - ± 0.0003 % |
ПГС №3для СГБ-1-4.01, СГБ-1-4.01А...СГБ-1-4.01 Г, СГБ-1-4.01Е, СГБ-1-4.01/12, СГБ-1-4.01А/12. |
5.4 |
Поверочная смесь "СО-воздух" |
ТУ У 24.1-02568182-001:2005 или ТУ6-16-2956-92 ту 2114-014-208Ю646-2014 ГСО 3844-87 , ГСО 10530- 2014. Номинальное значение объемной доли окиси углерода и пределы допускаемого отклонения -(0,0034 ± 0,0004) %; абсолютная погрешность аттестации -±0,00015% |
ПГС № 1 для СГБ-1-4.02, СГБ-1 -4.02А... СГБ-1 -4.02Г, СГБ-1-4.02Е, СГБ-1-4.02/12, СГБ-1-4.02А/12, СГБ-1-4.02Б/12, СГБ-1-7, СГБ-1-7Б, СГБ-1-7К.. .СГБ-1-7С |
5.4 |
Поверочная смесь "СО-воздух" |
ТУ У 24.1-02568182-001:2005 или ТУ6-16-2956-92 ту 2114-014-208Ю646-2014 ГСО 3844-87. ГСО 10530- 2014 Номинальное значение объемной доли окиси углерода и пределы допускаемого отклонения - (0,0065 ± 0,00040) %; абсолютная погрешность аттестации - ± 0,00015 % |
ПГС №2 для СГБ-1-4.02, СГБ-1-4.02А... СГБ-1-4.02Г, СГБ-1-4.02Е, СГБ-1-4.02/12, СГБ-1-4.02А/12, СГБ-1-4.02Б/12, СГБ-1-7, СГБ-1-7Б, СГБ-1-7К.. .СГБ-1-7С |
5.5 |
Поверочная смесь "СО-воздух" |
ТУ У 24.1-02568182-001:2005 или ТУ6-16-2956-92 ту 2114-014-208Ю646-2014 ГСО 3847-87. ГСО 10530- 2014 Номинальное значение объемной доли окиси углерода и пределы допускаемого отклонения - (0,0080 ± 0,0007) %; абсолютная погрешность аттестации - ± 0,0003 % |
ПГС №3для СГБ-1-4.02, СГБ-1 -4.02А... СГБ-1 -4.02Г, СГБ-1-4.02Е, СГБ-1-4.02/12, СГБ-1-4.02А/12, СГБ-1-4.02Б/12, СГБ-1-7, СГБ-1-7Б, СГБ-1-7К.. .СГБ-1-7С |
5B2.840.403 ДЛ
5.4 |
Поверочная смесь "СН4-воздух" |
ТУ У 24.1-02568182-001:2005 или ТУ6-16-2956-92 ТУ 2114-014-208Ю646-2014 ГСО 3904-87 ГСО 10532- 2014. Номинальное значение объемной доли метана и пределы допускаемого отклонения - (0,65 ± 0,04) %; абсолютная погрешность аттестации - ± |
ПГС № 1 для СГБ-1-5, СГБ-1-5А...СГБ-1-5Г, СГБ-1-5Е, СГБ-1-5/12, СГБ-1-5А/12, СГБ-1-5Б/12 СГБ-1-13, СГБ-1-13Б |
5.4 |
Поверочная смесь "СН4-воздух" |
ТУ У 24.1-02568182-001:2005 или ТУ6-16-2956-92 ту 2114-014-20810646-2014 ГСО 3905-87 ГСО 10532- 2014. Номинальное значение объемной доли метана и пределы допускаемого отклонения - (1,35 ± 0,06) %; абсолютная погрешность аттестации - ± |
ПГС №2 для СГБ-1-5, СГБ-1-5А...СГБ-1-5Г, СГБ-1-5Е, СГБ-1-5/12, СГБ-1-5А/12, СГБ-1-5Б/12 |
5.5 |
Поверочная смесь ”СН4-воздух” |
ТУ У 24.1-02568182-001:2005 или ТУ6-16-2956-92 ТУ 2114-014-20810646-2014 ГСО 4272-88. ГСО 10530-2014 Номинальное значение объемной доли метана и пределы допускаемого отклонения - (1,60 ± 0,06) %; абсолютная погрешность аттестации - ± |
ПГС №3 для СГБ-1-5, СГБ-1-5А...СГБ-1-5Г, СГБ-1-5Е, СГБ-1-5/12, СГБ-1-5А/12, СГБ-1-5Б/12, СГБ-1-13, СГБ-1-13Б |
5.4 |
Поверочная смесь "С3Н8-воздух" |
ТУ У 24.1-02568182-001:2005 или ТУ6-16-2956-92 ТУ2114-014-208Ю646-2014 ГСО 3968-87. ГСО 10544- 2014 Номинальное значение объемной доли пропана и пределы допускаемого отклонения -(0,300 ± 0,030) %; абсолютная погрешность яттяг.тянии - + 0 020 % |
ПГС № 1 дляСГБ-1-6, СГБ-1-6А...СГБ-1-6Г, СГБ-1-6Е, СГБ-1-6/12, СГБ-1-6А/12, СГБ-1-6Б/12 |
5.4 |
Поверочная смесь "СзНв-воздух” |
ТУ У 24.1-02568182-001:2005 или ТУ6-16-2956-92 ГСО 5323-90. Номинальное значение объемной доли пропана и пределы допускаемого отклонения - (0,620 ± 0,030) %; абсолютная погрешность аттестации - ± 0,030 % |
ПГС №2 дляСГБ-1-6, СГБ-1-6А...СГБ-1-6Г, СГБ-1-6Е, СГБ-1-6/12, СГБ-1-6А/12, СГБ-1-6Б/12 |
5.5 |
Поверочная смесь "СзНв-воздух" |
ТУ У 24.1-02568182-001:2005 или ТУ6-16-2956-92 ГСО 5323-90. Номинальное значение объемной доли пропана и пределы допускаемого отклонения - (0,736 ± 0,030) %; абсолютная погрешность аттестации - ± 0,030 % |
ПГС № 3 для СГБ-1-6, СГБ-1-6А...СГБ-1-6Г, СГБ-1-6Е, СГБ-1-6/12, СГБ-1-6А/12, СГБ-1-6Б/12 |
00
5.4 |
Поверочная смесь "СНд-воздух" |
ТУ У 24.1-02568182-001:2005 или ТУ6-16-2956-92 ТУ 2114-014-208Ю646-2014 ГСО 3904-87 ГСО 10532-2014 Номинальное значение объемной доли метана и пределы допускаемого отклонения ■ (0,65 ± 0,04) %; |
ПГС № 1а для СГБ-1-7, СГБ-1-7Б, СГБ-1-7К... СГБ-1-7С |
5.4 |
Поверочная смесь "СН4-воздух" |
ГУ У 24.1-02568182-001:2005 или ТУ6-16-2956-92 ту 2114-014-208Ю646-2014 ГСО 3905-87. ГСО 10532- 2014Номинальное значение объемной доли метана и пределы допускаемого отклонения -(1,35 ±0,06) %; |
ПГС № 2а для СГБ-1-7, СГБ-1-7Б, СГБ-1-7К... СГБ-1-7С |
5.5 |
Поверочная смесь "СНд-воздух" |
ГУ У 24.1-02568182-001:2005 или ТУ6-16-2956-92 ТУ 2114-014-20810646-2014 ГСО 4272-88. ГСО 10530-2014Номинальное значение объемной доли метана и пределы допускаемого отклонения -(1,60 ±0,06)%; |
ПГС № За для СГБ-1-7, СГБ-1-7Б, СГБ-1-7К... СГБ-1-7С |
5.3 |
Воздух марки Б |
ТУ6-21-5-82 | |
Примечания к 5.4.1,5.5.1 |
Побудитель расхода ПМВ-1-0406 |
ТУ6-84 5В2.960.014ТУ |
Применяется на предприятии-изготовителе при |
Примечания к 5.4.1,5.5.1 |
Кран одноходовой К1Х 1-28-2,5 |
ГОСТ 7995-80 |
То же |
Примечания к 5.4.1,5.5.1 |
Трубка соединительная ТС-Т-6 |
ГОСТ 25336-82 |
tt |
5.3-5.5 |
Насадка |
5В6.451.607 |
Для сигнализаторов СГБ-1-7, СГБ-1-7Б, СГБ-1-7К... СГБ-1-7С |
5.3-5.5 |
Насадка |
5В6.451.605 |
Для остальных исполнений |
5В2.840.403 ДЛ
ко
1 |
2 |
3 |
4 |
5.7, 5.8 |
Поверочная нулевой газ - воздух марки Б |
ТУ6-21-5-82 |
ПГС № 1 для СГБ-1-8, СГБ-1-9, СГБ-1 -10,СГБ-1 -11, СГБ-1 -12, СГ-1-1, СГ-1-2, СГ-1-3 |
5.7, 5.8 |
Поверочная смесь "СНд-воздух" |
ТУ У 24.1-02568182-001:2005 или ТУ6-16-2956-92 ТУ 2114-014-20810646-2014 ГСО 4272-88. ГСО 10530-2014 Номинальное значение объемной доли метана и пределы допускаемого отклонения -(2,31 ±0,06)%; |
ПГС № 3 для СГБ-1-8, СГБ-1-9, СГ-1-1, ПГС № За для СГБ-1-12 (КАНАЛ 1), СГ-1-3 (КАНАЛ 1) |
5.7, 5.8 |
Поверочная смесь "СО-воздух" |
ТУ У 24.1-02568182-001:2005 или ТУ6-16-2956-92 ТУ 2114-014-20810646-2014 ГСО 3847-87. ГСО 10530-2014 Номинальное значение объемной доли окиси углерода и пределы допускаемого отклонения - (0,0107 ± 0,0007) %; абсолютная погрешность аттестации - ± 0,0003 % |
ПГС № 3 для СГБ-1-10, СГБ-1-11, СГБ-1-12 (КАНАЛ 2), СГ-1-2, СГ-1-3 (КАНАЛ 2) |
5.7, 5.8 |
Камера |
5В5.887.610-02 |
Для СГБ-1-8, СГБ-1-9, СГБ-1-12 (КАНАЛ 1), СГ-1-1, СГ-1-3 (КАНАЛ 1) |
5.7, 5.8 |
Камера |
5В5.887.610-04 |
Для СГБ-1-10, СГБ-1-11, СГБ-1-12 (КАНАЛ 2), |
5.7, 5.8 |
Пульт |
5В5.170.328-01 | |
5.7, 5.8 |
Имитатор датчика |
5В5.189.008 | |
Шнур армированный ШВВП-ВП-2хО,5-250-6- |
ГОСТ 28244-96 | ||
Счетчик газовый барабанный РГ 7000 |
ТУ 25-7550.0039-88 | ||
Амперметр М1104 |
Шкала измерения постоянного тока до 30 А, класс точности 0,2 |
5B2.840.403 ДЛ
Окончание таблицы 2
о
1 |
2 |
3 |
4 |
5.3-5.5, 5.7,5.8 |
Секундомер СОСпр-26-2-000 |
ТУ25-1894.003-90 | |
5.3-5.5, 5.7, 5.8 |
Редуктор БВО-80-2 |
ГОСТ 13861-89 | |
5.3-5.5 |
Ротаметр РМ-А-0.063Г УЗ |
ТУ25-02.070213-82 | |
5.2 |
Мегомметр Ф4102/1-1М |
ТУ25-7534.0005-87 | |
5.3-5.5, 5.7, 5.8 |
Трубка медицинская резиновая типа 6 диаметр 6,0 мм х 1,5 мм |
ГОСТ 3399-76 |
Длина 2 м |
Примечание 1 ПГС №№ 1, 2 сигнализаторов СГБ-1-1, СГБ-1-1А...СГБ-1-1Г, СГБ-1-1Е, СГБ-1-1/12, СГБ-1-1А/12, СГБ-1-1Б/12, СГБ-1-2, СГБ-1-2А...СГБ-1-2Г, СГБ-1-2Е, СГБ-1-2/12, СГБ-1-2А/12, СГБ-1-2Б/12, и ПГС №№ 1, 2, 3 сигнализаторов СГБ-1-3, СГБ-1-ЗА ... СГБ-1-ЗГ, СГБ-1-ЗЕ, СГБ-1-3/12, СГБ-1-ЗА/12, СГБ-1-ЗБ/12 - изготавливаются и аттестуются Укрметртестстандарт. Примечание 2 Изготовление и поставку ПГС осуществляют:
Примечание 3 Допускается применение ПГС №№ 1,2, 3 сигнализаторов СГБ-1-3, СГБ-1-ЗА, СГБ-1-ЗБ, СГБ-1-ЗВ, СГБ-1-ЗГ, СГБ-1-ЗЕ, СГБ-1-3/12, СГБ-1-ЗА/12, СГБ-1-ЗБ/12, приготовленных и аттестованных по инструкции 5В0.045.304. Примечание4 Допускается для сигнализаторов всех исполнений, кроме СГБ-1-2, СГБ-1-2А...СГБ-1-2Г, СГБ-1-2Е, СГБ-1-2/12, СГБ-1-2А/12, СГБ-1-2Б/12, СГБ-1-4.01, СГБ-1-4.01А... СГБ-1-4.01Г, СГБ-1-4.01Е, СГБ-1-4.01/12, СГБ-1-4.01А/12, СГБ-1-4.01 Б/12, СГБ-1-4.02, СГБ-1-4.02А... СГБ-1-4.02Г, СГБ-1-4.02Е, СГБ-1-4.02/12, СГБ-1-4.02А/12, СГБ-1-4.02Б/12, СГБ-1-7, СГБ-1-7Б, СГБ-1-7К... СГБ-1-7С, СГБ-1-10, СГБ-1-11, СГБ-1-12 (КАНАЛ 2), СГ-1-2, СГ-1-3 (КАНАЛ 2) применять атмосферный воздух, содержание посторонних примесей в котором не более установленного ГОСТ 17433-80 для воздуха класса 0. Примечание 5 При проведении операций поверки сигнализаторов СГБ-1-1 ...СГБ-1-7С, СГБ-1-13, СГБ-1-1 ЗБ допускается подача ПГС из баллона в датчик без насадки и снятия крышки сигнализатора. Для этого следует выходное отверстие соединительной трубки прижать к центру решетки, под которой установлен датчик, со стороны лицевой панели. |
5B2.840.403 ДЛ
-
3.1 При проведении поверки с использованием поверочных смесей в баллонах должны соблюдаться "Правила устройства и безопасной эксплуатации сосудов, работающих под давлением".
-
3.2 При проведении поверки сигнализаторов все работы с применением поверочных смесей метана, пропана и окиси углерода должны производиться в помещениях, оборудованных приточно-вытяжной вентиляцией. Сброс смесей в атмосферу помещений не допускается.
-
3.3 При проведении поверки должны соблюдаться "Правила техники безопасности при эксплуатации электроустановок потребителей" (ПТБ).
-
4.1 При проведении поверки должны соблюдаться следующие условия:
-
- температура окружающей среды (20 ± 5) °C;
-
- относительная влажность до 80 % при температуре 25 °C;
-
- атмосферное давление от 84,0 кПа до 106,7 кПа (от 630 мм рт.ст. до 800 мм рт.ст.);
-
- напряжение питания сигнализаторов исполнений СГБ-1-1/12, СГБ-1-1А/12, СГБ-1-1Б/12, СГБ-1-2/12, СГБ-1-2А/12, СГБ-1-2Б/12, СГБ-1-3/12, СГБ-1-ЗА/12, СГБ-1-ЗБ/12, СГБ-1-4.01/12, СГБ-1-4.01А/12, СГБ-1-4.01Б/12, СГБ-1-4.02/12, СГБ-1-4.02А/12, СГБ-1-4.02Б/12, СГБ-1-5/12, СГБ-1-5А/12, СГБ-1-5Б/12, СГБ-1-6/12, СГБ-1-6А/12, СГБ-1-6Б/12,СГБ-1-7Н, СГБ-1-7П, СГБ-1-7С-(12,0 ± 1,2) В, сигнализаторов остальных исполнений - (220 ± 4) В, частотой (50 ± 1) Гц;
-
- содержание механических примесей (пыли, смол, масел) и агрессивных веществ (серы, фосфора, фтора, мышьяка, сурьмы и их производных) не должно превышать ПДК по действующим санитарным нормам;
-
- механические воздействия должны отсутствовать.
-
4.2 Перед выполнением операций поверки необходимо выполнить следующие подготовительные работы:
-
- сигнализаторы и средства поверки подготовить к работе согласно эксплуатационной документации;
-
- баллоны с ПГС выдержать в помещении, где проводится поверка, до выравнивания их температуры с температурой помещения.
-
5 ПРОВЕДЕНИЕ ПОВЕРКИ
-
5.1.1 Внешний осмотр производить при отключенном от электропитания приборе.
При проведении внешнего осмотра должно быть установлено отсутствие повреждений и других дефектов сигнализатора, препятствующих нормальному функционированию или приводящих к нарушению требований безопасной эксплуатации, санитарии и охраны окружающей среды.
5.2 Проверка электрического сопротивления изоляции-
5.2.1 Перед проверкой сопротивления изоляции покрыть сигнализатор сплошной плотно прилегающей к поверхности металлической фольгой таким образом, чтобы расстояние от нее до зажимов испытуемой цепи было не менее 20 мм.
-
5.2.2 Проверка электрического сопротивления изоляции должна производиться с помощью мегомметра с рабочим напряжением 100 В и
500 В.
Измерение сопротивления изоляции производить через 1 мин. после подачи напряжения или через меньшее время, за которое показание мегомметра можно считать установившимся.
Измерение сопротивления изоляции должно производиться:
а) между штырями вилки и корпусом - для всех сигнализаторов;
Примечание - Для сигнализаторов СГ-1 к контактам 1 и 2 клеммника винтового XS10 должен быть подсоединен шнур ШВВП-ВП-2хО,5-250-6-1,6.
б) между штырями вилки и контактами соединительной колодки - для сигнализаторов, имеющих соединительную колодку;
в) между контактами соединительной колодки и корпусом - для сигнализаторов, имеющих соединительную колодку.
Измерить сопротивление изоляции датчиков ДТХ-165 и ДЭХ-15 согласно таблице 3.
Таблица 3
Разъем: контакт |
Проверяемая цепь (разъем: контакт) |
Испытательное напряжение, В |
Корпус |
ХР2: 1,2, 3,4 |
100 |
-
5.2.3 Результат проверки считать положительным, если измеренное значение сопротивления изоляции составляет не менее 20 МОм.
-
5.3.1 Снять крышку сигнализатора, нажав на защелки. Подключить сигнализатор к источнику питания.
-
5.3.2 Собрать рабочее место согласно приложению Б, установив баллон с воздухом.
-
5.3.3 Открыть вентиль баллона и установить расход воздуха через насадку равным (30 ± 5) дм3/ч.
-
5.3.4 Установить насадку на датчик и продуть его воздухом не менее
3 мин.
Снять насадку с датчика. Закрыть баллон с воздухом.
После истечения времени прогрева сигнализатор должен выдать сигнал об отсутствии загазованности.
Примечание - Если при включении сигнализатор выдает сигнал о неисправности, то сигнализатор к дальнейшим операциям поверки не допускается и должен быть направлен в ремонт.
-
5.4 Контроль основной абсолютной погрешности при срабатывании сигнализации.
-
5.4.1 Собрать рабочее место согласно приложению Б, установив баллон с ПГС№1.
-
Примечание - Для проведения поверки с использованием ПГС "С3Н 8-воздух", приготовленной по инструкции 5В0.045.304, собирается рабочее место согласно приложению В.
-
5.4.2 Открыть баллон с ПГС и установить расход ПГС через насадку равным (30 ± 5) дм3/ч.
-
5.4.3 Установить насадку на датчик и подавать ПГС в течение 1-2 мин. Сигнализатор должен выдать сигнал об отсутствии загазованности.
-
5.4.4 Снять насадку, закрыть баллон.
-
5.4.5 Установить в схему рабочего места по приложению Б, баллон с ПГС № 2. Выполнить операции 5.4.2.
-
5.4.6 Установить насадку на датчик и подавать ПГС в течение 1-2 мин. Сигнализатор должен выдать сигнал о загазованности.
Примечание - Сигнализаторы исполнений СГБ-1-7, СГБ-1-7Б, СГБ-1-7К...СГБ-1-7С должны выдавать сигнал о загазованности по каналу измерения окиси углерода.
-
5.4.7 Снять насадку, закрыть баллон.
-
5.4.8 Выполнить для сигнализаторов исполнений СГБ-1-7, СГБ-1-7Б, СГБ-1-7К...СГБ-1-7С контроль основной абсолютной погрешности по каналу измерения природного газа в следующей последовательности:
-
- установить в схему рабочего места по приложению Б баллон с ПГС № 1а. Выполнить операции 5.4.2;
-
- установить насадку на датчик и подавать ПГС в течение 1-2 мин. Сигнализатор должен выдать сигнал об отсутствии загазованности;
-
- установить в схему рабочего места по приложению Б баллон с ПГС № 2а. Выполнить операции 5.4.2;
-
- установить насадку на датчик и подавать ПГС в течение 1-2 мин. Сигнализатор должен выдать сигнал о загазованности по каналу измерения природного газа;
-
- снять насадку, закрыть баллон.
-
5.4.9 Результаты поверки считать положительными, если:
а) сигнализаторы исполнений СГБ-1-7, СГБ-1-7Б, СГБ-1-7К...СГБ-1-7С выдают сигнал об отсутствии загазованности при подаче ПГС № 1 и № 1а и сигнал о загазованности при подаче ПГС № 2 и № 2а по каналу измерения окиси углерода и каналу измерения природного газа соответственно;
б) сигнализаторы остальных исполнений выдают сигнал об отсутствии загазованности при подаче ПГС № 1 и сигнал о загазованности при подаче ПГС № 2.
5.5 Проверка времени срабатывания сигнализатора-
5.5.1 Установить в схему рабочего места по приложению Б баллон с ПГС № 3, характеристики которой для каждого исполнения сигнализатора приведены в таблице 2.
Примечание - Для проведения поверки с использованием ПГС "С3Н 8-воздух", приготовленной по инструкции 5В0.045.304, собирается рабочее место согласно приложению В.
-
5.5.2 Открыть баллон с ПГС и установить расход ПГС через насадку равным (30 ± 5) дм3/ч. Продуть насадку 1-2 мин.
-
5.5.3 Установить насадку на датчик и одновременно включить секундомер. Зафиксировать по секундомеру время от момента подачи ПГС до момента выдачи сигнала о загазованности.
Примечание-Сигнализаторы исполнений СГБ-1-7, СГБ-1-7Б, СГБ-1-7К... СГБ-1-7С должны выдавать сигнал о загазованности по каналу измерения окиси углерода.
-
5.5.4 Снять насадку, закрыть баллон.
-
5.5.5 Выполнить для сигнализаторов исполнений СГБ-1-7, СГБ-1-7Б, СГБ-1-7К...СГБ-1-7С проверку времени срабатывания по каналу измерения природного газа в следующей последовательности:
-
- установить в схему рабочего места по приложению Б баллон с ПГС № За. Выполнить операции 5.4.2. Продуть насадку 1-2 мин.;
-
- установить насадку на датчик и одновременно включить секундомер. Зафиксировать по секундомеру время от момента подачи ПГС до момента выдачи сигнала о загазованности по каналу измерения природного газа;
-
- снять насадку, закрыть баллон.
-
5.5.6 Выключить сигнализатор. Установить крышку на сигнализатор.
-
5.5.7 Результаты поверки считать положительными, если время срабатывания сигнализаторов исполнений СГБ-1-2, СГБ-1-2А...СГБ-1-2Г, СГБ-1-2Е, СГБ-1-2/12, СГБ-1-2А/12, СГБ-1-2Б/12, СГБ-1-4.01, СГБ-1-4.01А...СГБ-1-4.01 Г, СГБ-1-4.01Е, СГБ-1-4.01/12, СГБ-1-4.01А/12, СГБ-1-4.01Б/12, СГБ-1-4.02, СГБ-1-4.02А...СГБ-1-4.02Г, СГБ-1-4.02Е, СГБ-1-4.02/12, СГБ-1-4.02А/12, СГБ-1-4.02Б/12, СГБ-1-7, СГБ-1-7Б, СГБ-1-7К... СГБ-1-7С не превышает 60 с, сигнализаторов остальных исполнений - 20 с.
5.6 Опробование сигнализаторов исполнений СГБ-1-8, СГБ-1-9, СГБ-1-10, СГБ-1-11, СГБ-1-12, СГ-1-1, СГ-1-2, СГ-1-3
-
5.6.1 Включить сигнализатор, установив переключатель клавишный "ВКЛ" в верхнее положение. Должен включиться кратковременный звуковой сигнал и единичный индикатор 220 В" зеленого цвета на блоке БПС, свечение -прерывистое.
Должны включиться единичные индикаторы зеленого цвета (свечение -непрерывное) на датчике и на крышке блока БПС:
-
- "СН4" в канале 1 для сигнализаторов СГБ-1-9, СГБ-1-12, СГ-1-3 и в каналах 1 и 2 для сигнализаторов СГБ-1-8, СГ-1-1;
- "СО" в канале 1 для сигнализатора СГБ-1-11, в каналах 1 и 2 для сигнализаторов СГБ-1-10, СГ-1-2, в канале 2 для сигнализаторов СГБ-1-12, СГ-1-3.
Примечание - Единичные индикаторы "СН4" или "СО" в зависимости от исполнения сигнализатора должны быть включены во всех режимах работы.
По окончании времени прогрева (не более 5 мин) свечение единичного индикатора 220 В" должно стать непрерывным, должен кратковременно включиться звуковой сигнал и должен выключиться единичный индикатор на датчике.
-
5.6.2 Нажать и удерживать кнопку "СБРОС", при этом должен кратковременно включиться звуковой сигнал и должны включиться единичные индикаторы "П1", "П2" в каждом подключенном канале.
-
5.6.3 Отпустить кнопку "СБРОС", единичные индикаторы "П1", "П2" должны выключиться.
-
5.6.4 Выключить сигнализатор, установив клавишный переключатель "ВКЛ" в нижнее положение.
Результат проверки считать положительным, если после истечения времени прогрева сигнализатор выдает сигналы согласно 5.6.1, 5.6.2.
Примечание - Если сигнализатор выдает сигнал о неисправности, то сигнализатор к дальнейшим операциям поверки не допускается и должен быть направлен в ремонт.
-
5.7 Контроль основной абсолютной погрешности сигнализаторов исполнений СГБ-1-8, СГБ-1-9, СГБ-1-10, СГБ-1-11, СГБ-1-12, СГ-1-1, СГ-1-2, СГ-1-3
-
5.7.1 Подготовить к работе ПГС № 1, ПГС № 3 для исполнений сигнализатора, характеристики которых приведены в таблице 2. При проверке сигнализаторов исполнений СГБ-1-12, СГ-1-3 также подготовить ПГС N2 За.
-
5.7.2 Собрать рабочее место согласно приложению Д.
Для этого необходимо нажать на рифления нижней крышки блока БПС и, двигая крышку вниз, отсоединить ее от корпуса. Для БПС-170-1, БПС-170-2, БПС-170-3 предварительно открутить винт крепления крышки.
Подключить шнур ШВВП-ВП к контактам 1, 2 клеммника винтового "XS10" "220 В".Отпустить гайку кабельного ввода подключения датчиков. Отсоединить жилы кабеля датчика первого канала от клеммников винтовых "XS14", "XS15" и вывести кабель из сальника блока БПС. Датчик второго канала не отключать. Подсоединить жилы 1, 2, 3 кабеля датчика первого канала к контактам "1", 2, 3 клеммника винтового пульта 5В5.170.328-01 (далее - пульт) соответственно.
Подключить выводы "1", "2", "3" пульта к контакту 2 клеммника винтового "XS14" "КАНАЛ 1" и контактам "1" и 2 клеммника винтового "XS15" "КАНАЛ 1" соответственно.
Подключить выводы "+" и амперметра РА к гнездам "+" и "ТОК1 пульта, соблюдая полярность.
Установить нижнюю крышку блока БПС в пазы корпуса и, двигая ее вверх, ввести в зацепление защелку. В блоках БПС-170-1, БПС-170-2, БПС-170-3 крышку зафиксировать винтом.
-
5.7.3 Выполнить операции по 5.6.1.
-
5.7.4 Зафиксировать показания амперметра РА, которые должны быть (2,0 ± 0,5) мА.
Примечание - Допускается при включении сигнализатора кратковременное (длительностью до 30 с) увеличение тока до (10,0 ±0,1) мА.
-
5.7.5 Собрать рабочее место согласно приложению Г, установив баллон с ПГС№1.
-
5.7.6 Заполнить камеру 5В5.887.610-02 или 5В5.887.610-04 в зависимости от исполнения сигнализатора (далее - камеру) ПГС в следующей последовательности:
-
- заглушить вход камеры заглушкой;
-
- открыть краны 3;
-
- открыть вентиль баллона 1 и редуктор 2;
-
- продуть камеру ПГС (объем ПГС - не менее 2 дм3);
-
- закрыть краны 3;
-
- закрыть редуктор 2, закрыть вентиль баллона 1.
-
5.7.7 Снять заглушку с камеры. Установить камеру на датчик.
-
5.7.8 Зафиксировать установившееся показание амперметра РА.
-
5.7.9 Снять камеру с датчика. Установить заглушку.
-
5.7.10 Установить в схему рабочего места приложения Г баллон с ПГС № 3.
-
5.7.11 Заполнить камеру ПГС № 3 согласно 5.7.6.
Выполнить операции по 5.7.7.
-
5.7.12 Сигнализатор должен выдать сигнал о загазованности "Порог 2" -непрерывный световой сигнал красного цвета (единичный индикатор "П2” в подключенном канале измерения) и непрерывный звуковой сигнал.
-
5.7.13 Зафиксировать установившееся показание амперметра РА.
-
5.7.14 Снять камеру с датчика. Установить заглушку.
-
5.7.15 Выполнить для сигнализаторов исполнений СГБ-1-12, СГ-1-3 следующие операции:
а) установить в схему рабочего места приложения Г баллон с ПГС № За;
б) выполнить операции по 5.7.6, 5.7.7, 5.7.12 - 5.7.14.
-
5.7.16 Выключить сигнализатор, установив переключатель клавишный "ВКП" в нижнее положение. Разобрать рабочее место. Восстановить монтаж датчика на клеммниках винтовых блока БПС.
-
5.7.17 Для сигнализаторов СГБ-1-8, СГБ-1-10, СГБ-1-12, СГ-1-1, СГ-1-2, СГ-1-3 отсоединить жилы кабеля датчика второго канала от клеммников винтовых "XS12", "XS13" в порядке, указанном в 5.7.2. Датчик первого канала не отключать.
Подсоединить жилы 1, 2, 3 кабеля датчика второго канала к контактам "1", 2, 3 клеммника винтового пульта соответственно.
Подключить выводы "1", "2", "3" пульта к контакту 2 клеммника винтового "XS12" "КАНАЛ 2" и контактам 2, "1" клеммника винтового "XS13" "КАНАЛ 2" соответственно.
Подключить амперметр РА к гнездам пульта и установить нижнюю крышку блока БПС в порядке, указанном в 5.7.2.
-
5.7.18 Выполнить операции по 5.6.1, 5.7.4 - 5.7.16. Наблюдать выдачу сигналов в канале 2.
-
5.7.19 Определить по номинальной функции преобразования метана (А.12 приложения А) или окиси углерода (А.13 приложения А) значения концентраций, соответствующие значениям сигнала, полученным при выполнении операций по 5.7.8, 5.7.13.
-
5.7.20 Вычислить разность между полученными значениями концентраций и значениями концентраций, указанными в паспортах на ПГС.
За основную абсолютную погрешность принимают наибольшую разность между значениями концентраций.
-
5.7.21 Результаты поверки считать положительными, если:
-
- основная абсолютная погрешность не выходит за установленные пределы;
-
- при подаче ПГС № 1 сигнализатор выдает сигнал об отсутствии загазованности;
-
- при подаче ПГС № 3 сигнализатор выдает сигнал о загазованности "Порог 2".
-
5.8 Проверка времени срабатывания сигнализаторов исполнений СГБ-1-8, СГБ-1-9, СГБ-1-10, СГБ-1-11, СГБ-1-12, СГ-1-1, СГ-1-2, СГ-1-3
-
5.8.1 Подготовить к работе ПГС № 3, характеристики которой для различных исполнений сигнализатора приведены в таблице 2. При проверке сигнализаторов исполнений СГБ-1-12, СГ-1-3 подготовить также ПГС № За.
-
5.8.2 Собрать рабочее место согласно приложению Г, установив баллон с ПГС № 3.
-
5.8.3 Заполнить камеру ПГС согласно 5.7.6.
-
5.8.4 Выполнить операции 5.7.2, 5.7.3, 5.7.4.
-
5.8.5 Снять заглушку с камеры. Установить камеру на датчик и одновременно включить секундомер. Зафиксировать по секундомеру время от момента подачи ПГС до момента выдачи сигнала о загазованности "Порог 2".
-
5.8.6 Снять камеру с датчика. Установить заглушку.
-
5.8.7 Выключить сигнализатор и выполнить операции по 5.7.16.
5.8.8. Выполнить для сигнализаторов исполнений СГБ-1-12, СГ-1-3 проверку времени срабатывания сигнализатора по каналу измерения природного газа в следующей последовательности:
-
- установить в схему рабочего места приложения Г баллон с ПГС № За;
-
- выполнить операции по 5.8.3 - 5.8.7. Сигнализатор должен выдать сигнал "Порог 2" по каналу измерения природного газа (КАНАЛ 1).
-
5.8.9 Для сигнализаторов СГБ-1-8, СГБ-1-10, СГБ-1-12, СГ-1-1, СГ-1-2, СГ-1-3 выполнить операции по 5.7.17, 5.7.3,5.7.4, 5.8.3, 5.8.5, 5.8.6, 5.8.7. Наблюдать выдачу сигналов в канале 2.
-
5.8.10 Результаты поверки считать положительными, если время срабатывания ситализаторов исполнений СГБ-1-10, СГБ-1-11, СГ-1-2 и СГБ-1-12, СГ-1-3 по каналу измерения окиси углерода не превышает 45 с, сигнализаторов остальных исполнений -10 с.
ВНИМАНИЕ! При проведении поверки по 5.7, 5.8 демонтированных сигнализаторов СГБ-1-8, СГБ-1-9, СГБ-1-10, СГБ-1-11, СГБ-1-12, СГ-1-1, СГ-1-2, СГ-1-3 следует датчик подсоединить к пульту 5В5.170.328-01, используя разъем 2РМ14КПН4Г1В1 (вместо клеммника винтового).
В двухканальных сигнализаторах СГБ-1-8, СГБ-1-10, СГБ-1-12, СГ-1-1, СГ-1-2, СГ-1-3 к незадействованному каналу подсоединяется имитатор датчика 5В5.189.008. При проверке первого канала выводы "1", "2" имитатора датчика подключаются к контакту 2 клеммника винтового "XS12" "КАНАЛ 2" и к контакту 2 клеммника винтового "XS13" "КАНАЛ 2" блока БПС соответственно. При проверке второго канала выводы "1", "2" имитатора датчика подключаются к контакту 2 клеммника винтового "XS14" "КАНАЛ 1" и к контакту "1" клеммника винтового "XS15" "КАНАЛ 1" блока БПС соответственно.
6 ОФОРМЛЕНИЕ РЕЗУЛЬТАТОВ ПОВЕРКИ-
6.1 Положительные результаты поверки при выпуске из производства должны оформляться записью в паспорте или руководстве по эксплуатации результатов с указанием даты поверки, заверенной подписью поверителя и оттиском поверительного клейма, в эксплуатации и при выпуске из ремонта -свидетельством о поверке установленной формы.
-
6.2 При отрицательных результатах поверки сигнализатор к эксплуатации не допускается. Свидетельство аннулируется и производится запись в паспорте или руководстве по эксплуатации о непригодности сигнализатора. Выдается извещение о непригодности к применению и изъятии из обращения с указанием причин.
-
6.3 После ремонта сигнализатор должен быть представлен на повторную поверку.
Приложение А
(справочное)
Основные технические характеристики сигнализаторов
А.1 Пределы допускаемой основной абсолютной погрешности при срабатывании сигнализации, номинальные значения сигнальной объемной доли, время срабатывания сигнализаторов исполнений СГБ-1-1...СГБ-1-7С, СГБ-1-13, СГБ-1-13Б пределы допускаемой абсолютной погрешности при срабатывании сигнализации в реальных условиях эксплуатации и поверочные компоненты приведены в таблице А.1.
Примечание - Метрологические характеристики сигнализаторов, кроме оговоренных особо, нормированы применительно к поверочному компоненту.
А.2 Сигнализаторы исполнений СГБ-1-1, СГБ-1-1А...СГБ-1-1Г, СГБ-1-1Е, СГБ-1-1/12, СГБ-1-1А/12, СГБ-1-1 Б/12, СГБ-1-2, СГБ-1-2А...СГБ-1-2Г, СГБ-1 -2Е, СГБ-1-2/12, СГБ-1-2А/12, СГБ-1-2Б/12, СГБ-1-3, СГБ-1-ЗА...СГБ-1-ЗГ, СГБ-1-ЗЕ, СГБ-1-3/12, СГБ-1-ЗА/12, СГБ-1-ЗБ/12, СГБ-1-4.01, СГБ-1 -4.01 А... СГБ-1 -4.01Г, СГБ-1 -4.01 Е, СГБ-1-4.01/12, СГБ-1 -4.01 А/12, СГБ-1 -4.01 Б/12, СГБ-1-4.02, СГБ-1-4.02А...СГБ-1 -4.02Г, СГБ-1 Л.02Е, СГБ-1 -4.02/12, СГБ-1 -4.02А/12, СГБ-1-4.02Б/12, СГБ-1-5, СГБ-1-5А... СГБ-1-5Г, СГБ-1-5Е, СГБ-1-5/12, СГБ-1-5А/12, СГБ-1-5Б/12, СГБ-1-6, СГБ-1-6А...СГБ-1-6Г, СГБ-1-6Е,
СГБ-1-6/12, СГБ-1-6А/12, СГБ-1-6Б/12 СГБ-1-13, СГБ-1-1 ЗБ
выдают следующие сигналы:
а) краткий звуковой сигнал после включения и после окончания прогрева;
б) прерывистый световой сигнал зеленого цвета при прогреве сигнализатора;
в) непрерывный световой сигнал зеленого цвета при отсутствии в контролируемой среде объемной доли компонентов порогового уровня (сигнал об отсутствии загазованности);
Примечание - Сигнализаторы исполнений СГБ-1-1В, СГБ-1-1Г, СГБ-1-1Е, СГБ-1-2В, СГБ-1-2Г, СГБ-1-2Е, СГБ-1-ЗВ, СГБ-1-ЗГ, СГБ-1-ЗЕ, СГБ-1-4.01 В, СГБ-1-4.01Г, СГБ-1-4.01Е, СГБ-1-4.02В, СГБ-1-4.02Г, СГБ-1-4.02Е, СГБ-1-5В, СГБ-1-5Г, СГБ-1-5Е, СГБ-1-6В, СГБ-1-6Г, СГБ-1-6Е при переходе на питание от встроенного резервного аккумуляторного источника меняют вид сигнала об отсутствии загазованности - сигнал становится прерывистым красно-зеленого цвета.
Таблица А.1
Наименование характеристики |
Значение характеристики для сигнализаторов исполнения | |||
С ГБ-1-1, СГБ-1-1А... СГБ-1-1Г, СГБ-1-1Е, СГБ-1-1/12, СГБ-1-1А/12, СГБ-1-1Б/12 |
СГБ-1-2, СГБ-1-2А... СГБ-1-2Г, СГБ-1-2Е, СГБ-1-2/12, СГБ-1-2А/12, СГБ-1-2Б/12 |
СГБ-1-3, СГБ-1-ЗА... СГБ-1-ЗГ, СГБ-1-ЗЕ, С ГБ-1-3/12, СГБ-1-ЗА/12, СГБ-1-ЗБ/12 |
СГБ-1-4.01, СГБ-1-4.01 А... СГБ-1-4.01 Г, СГБ-1-4.01 Е, СГБ-1-4.01/12, СГБ-1-4.01 А/12, СГБ-1-4.01 Б/12 | |
Контролируемые компоненты |
Природный газ ГОСТ 5542-87 |
Совокупность природного газа по ГОСТ 5542-87 и окиси углерода |
Углеводородные сжиженные топливные газы ДСТУ 4047-2001 |
Окись углерода |
Поверочный компонент |
Метан |
Метан |
Пропан |
Окись углерода |
Пределы допускаемой основной абсолютной погрешности при |
± 0,035 |
± 0,035 (метан) ± 0,0035 (окись углерода) |
±0,0175 |
± 0,0035 |
Номинальное значение сигнальной объемной доли, % |
0,1 |
0,1 (метан) 0,01 (окись |
0,05 |
0,01 |
Время срабатывания сигнализаторов, с, |
20 |
600 |
20 |
60 |
Пределы допускаемой абсолютной погрешности при срабатывании сигнализации в |
±0,05 |
±0,05 |
± 0,025 |
± 0,005 |
Продолжение таблицы А. 1
Наименование характеристики |
Значение характеристики для сигнализаторов исполнения | |||
СГБ-1-4.02, СГБ-1-4.02А... СГБ-1-4.02Г, СГБ-1-4.02Е, СГБ-1-4.02/12, СГБ-1-4.02А/12, СГБ-1-4.02Б/12 |
СГБ-1-5, СГБ-1-5А... СГБ-1-5Г, СГБ-1-5Е, СГБ-1-5/12, СГБ-1-5А/12, СГБ-1-5Б/12 СГБ-1-13 ГГС Л -1ОС |
СГБ-1-6, СГБ-1-6А... СГБ-1-6Г, СГБ-1-6Е, СГБ-1-6/12, СГБ-1-6А/12, СГБ-1-6Б/12 |
СГБ-1-7, СГБ-1-7Б, СГБ-1-7К... СГБ-1-7С | |
Контролируемые компоненты |
Окись углерода |
Природный газ ГОСТ 5542-87 |
Углеводородные сжиженные топливные газы ДСТУ 4047-2001 |
Природный газ ГОСТ 5542-87 и окись углерода |
Поверочный компонент |
Окись углерода |
Метан |
Пропан |
Метан Окись углерода |
Пределы допускаемой основной абсолютной погрешности при |
±0,00175 |
±0,35 |
±0,161 |
± 0,35 (метан) ±0,00175 (окись углерода) |
Номинальное значение сигнальной объемной доли, % |
0,005 |
1,0 |
0,46 |
1,0 (метан) 0,005 (окись углерода) |
Время срабатывания сигнализаторов, с, |
60 |
20 |
60 |
60 |
Пределы допускаемой абсолютной погрешности при срабатывании сигнализации в |
± 0,0025 |
±0,5 |
±0,23 |
± 0,5 (метан) ±0,0025 (окись углерода) |
г) прерывистый световой сигнал красного цвета и прерывистый звуковой сигнал при достижении и превышении в контролируемой точке установленного порогового значения объемной доли компонента (сигнал о загазованности);
д) непрерывный световой сигнал красного цвета и непрерывный звуковой сигнал при обрыве или перегорании чувствительного элемента (сигнал о неисправности);
е) прерывистый световой сигнал красного цвета о разряде аккумуляторного источника питания до (2,00 ± 0,05) В (сигнал о разряде -для сигнализаторов исполнений СГБ-1-1В, СГБ-1-1Г, СГБ-1-1Е, СГБ-1-2В, СГБ-1-2Г, СГБ-1-2Е, СГБ-1-ЗВ, СГБ-1-ЗГ, СГБ-1-ЗЕ, СГБ-1-4.01 В, СГБ-1-4.01Г, СГБ-1-4.01 Е, СГБ-1 -4.02В, СГБ-1-4.02Г, СГБ-1-4.02Е, СГБ-1-5В, СГБ-1-5Г, СГБ-1-5Е, СГБ-1-6В, СГБ-1-6Г, СГБ-1-6Е).
А.З Сигнализаторы исполнений СГБ-1-7, СГБ-1-7Б, СГБ-1 -7К...СГБ-1 -7С выдают следующие сигналы;
а) непрерывный световой сигнал зеленого цвета (по каждому каналу измерения) при отсутствии в контролируемой среде объемной доли компонентов порогового уровня (сигнал об отсутствии загазованности);
б) прерывистый световой сигнал красного цвета (по каждому каналу измерения) и прерывистый звуковой сигнал при достижении и превышении в контролируемой точке установленного порогового значения объемной доли компонента (сигнал о загазованности);
в) непрерывный световой сигнал красного цвета (по каждому каналу измерения) и непрерывный звуковой сигнал при обрыве или перегорании чувствительного элемента (сигнал о неисправности);
г) прерывистый (единичный индикатор ВКЛ) и непрерывный (по каждому каналу измерения) световой сигнал зеленого цвета при прогреве;
д) звуковой сигнал после окончания прогрева.
А.4 Время прогрева сигнализаторов - не более 5 мин.
А. 5 Средняя наработка на отказ - не менее 50 000 ч.
А.6 Полный средний срок службы - не менее 10 лет.
А.7 Габаритные размеры сигнализаторов исполнений СГБ-1-1 ...СГБ-1-7С, СГБ-1 -13, СГБ-1 -1 ЗБ - не более диаметр 135 мм х 50 мм.
А.8 Масса сигнализаторов исполнений СГБ-1-1...СГБ-1-7С, СГБ-1-13, СГБ-1-1 ЗБ:
-
- не более 0,5 кг для сигнализаторов без встроенного источника резервного питания;
-
- не более 0,75 кг для сигнализаторов со встроенным источником резервного питания.
А.9 Потребляемая мощность сигнализаторов исполнений СГБ-1-1... СГБ-1-7С, СГБ-1-13, СГБ-1-13Б:
-
- не более 6,0 ВАдля сигнализаторов СГБ-1-7К...СГБ-1-7М, СГБ-1-7Р;
-
- не более 7,0 ВА для сигнализаторов со встроенным источником резервного питания;
-
- не более 6,5 ВАдля сигнализаторов остальных исполнений.
А. 10 Электрическое питание сигнализаторов исполнений СГБ-1-1/12, СГБ-1-1А/12, СГБ-1-1Б/12, СГБ-1-2/12, СГБ-1-2А/12, СГБ-1-2Б/12, СГБ-1-3/12, СГБ-1-ЗА/12, СГБ-1-ЗБ/12, СГБ-1 -4.01/12, СГБ-14.01А/12, СГБ-14.01Б/12, СГБ-14.02/12, СГБ-14.02А/12, СГБ-14.02Б/12, СГБ-1-5/12, СГБ-1-5А/12, СГБ-1-5Б/12, СГБ-1-6/12, СГБ-1-6А/12, СГБ-1-6Б/12, СГБ-1-7Н, СГБ-1-7П, СГБ-1-7С осуществляется от источника постоянного тока напряжением (12,0 ± 1,2) В, сигнализаторов остальных исполнений - от сети переменного тока напряжением (220 Jg2) в, частотой (50+1) Гц.
Сигнализаторы исполнений СГБ-1-1 В, СГБ-1-1 Г, СГБ-1-1Е, СГБ-1-2В, СГБ-1-2Г, СГБ-1-2Е, СГБ-1-ЗВ, СГБ-1-ЗГ, СГБ-1-ЗЕ, СГБ-14.01В, СГБ-14.01Г, СГБ-14.01Е, СГБ-14.02В, СГБ-14.02Г, СГБ-14.02Е, СГБ-1-5В, СГБ-1-5Г, СГБ-1-5Е, СГБ-1-6В, СГБ-1-6Г, СГБ-1-6Е имеют встроенный источник резервного питания напряжением от 2,2 В до 2,8 В на аккумуляторах типа НКГЦ-1,8-1 (2 шт.).
Резервное питание сигнализаторов всех исполнений (кроме СГБ-1-5.01Б) осуществляется от внешнего источника питания напряжением (12,0 ± 2,0) В.
Переход на резервное питание осуществляется автоматически.
А.11 Пределы допускаемой основной абсолютной погрешности, номинальные значения сигнальной объемной доли, время срабатывания и поверочные компоненты сигнализаторов исполнений СГБ-1-8...СГБ-1-12, СГ-1-1, СГ-1-2, СГ-1-3 приведены в таблице А.2.
Примечание - Метрологические характеристики сигнализаторов, кроме оговоренных особо, нормированы применительно к поверочному компоненту.
А. 12 Номинальная функция преобразования сигнализаторов исполнений СГБ-1-8, СГБ-1-9, СГ-1-1 и СГБ-1-12, СГ-1-3 по каналу измерения природного газа имеет вид
1вых=К1С + 1о , (1)
где 1вых - значение выходного сигнала, мА;
Ki - коэффициент преобразования, Кч = 3,2 мА/% (0,16 мА/%НКПР);
С - концентрация поверочного компонента в контролируемой среде в диапазоне измерения концентрации, % (%НКПР);
10- начальный уровень выходного сигнала, мА lo= 2 мА.
А. 13 Номинальная функция преобразования сигнализаторов исполнений СГБ-1-10, СГБ-1-11, СГ-1-2 и СГБ-1-12, СГ-1-3 по каналу измерения окиси углерода имеет вид
1вых =K2 -C + lo , (2)
где 1ВЫх - значение выходного сигнала, мА;
К2 - коэффициент преобразования, К2 = 745,6 мА/% (0,064 мА/мг/м3);
С - концентрация поверочного компонента в контролируемой среде в диапазоне измерения концентрации, % (мг/м3);
10- начальный уровень выходного сигнала, мА, 10 = 2 мА.
Таблица А.2
Наименование характеристики |
Значение характеристики для сигнализаторов исполнения | ||
СГБ-1-8, С ГБ-1 -9, СГБ-1-12 (КАНАЛ 1), СГ-1-1, СГ-1-3 (КАНАЛ 1) |
СГБ-1-10, СГБ-1-11, СГБ-1-12 (КАНАЛ 2), СГ-1-2, СГ-1-3 (КАНАЛ 2) | ||
Контролируемые компоненты |
Природный газ ГОСТ 5542-87 |
Окись углерода | |
Поверочный компонент |
Метан |
Окись углерода | |
Пределы допускаемой основной абсолютной погрешности, объемная доля, % |
±0,25 |
± 0,00085 | |
Номинальное значение сигнальной объемной доли, %, при выдаче сигналов |
"Порог 1" |
1,0 |
0,0017 |
"Порог 2" |
2,0 |
0,0086 | |
Время срабатывания сигнализаторов, с, не более |
10 |
45 |
А.14 Сигнализаторы исполнений СГБ-1-8...СГБ-1-12, СГ-1-1, СГ-1-2, СГ-1-3 выдают следующие сигналы:
а) при включении краткий звуковой сигнал;
б) при прогреве:
- прерывистый световой сигнал зеленого цвета (единичные индикаторы
220 В" или "—12 В");
-
- непрерывный световой сигнал зеленого цвета (единичный индикатор на датчике);
-
- непрерывный световой сигнал зеленого цвета (единичный индикатор "СН4" или "СО" согласно исполнению сигнализатора в каждом подключенном канале измерения на блоке БПС);
Примечание - Непрерывный (единичный индикатор "СН4” или "СО" согласно исполнению сигнализатора в каждом подключенном канале измерения) световой сигнал зеленого цвета должен быть включен во всех режимах работы.
в) по окончании прогрева:
-
- непрерывный световой сигнал зеленого цвета (единичные индикаторы "~220 В" или "-12 В");
-
- краткий звуковой сигнал;
Примечание - Единичный индикатор на датчике должен выключиться.
г) непрерывный световой сигнал зеленого цвета (единичный индикатор "СН4" или "СО" в каждом подключенном канале измерения) при отсутствии в контролируемой среде контролируемого компонента порогового уровня (сигнал об отсутствии загазованности);
д) прерывистый световой сигнал красного цвета (единичный индикатор "П1" в каждом подключенном канале измерения) и прерывистый звуковой сигнал при достижении и превышении в контролируемой среде установленного порогового значения концентрации компонента (сигнал о загазованности "Порог 1");
е) непрерывный световой сигнал красного цвета (единичный индикатор "П2" в каждом подключенном канапе измерения) и непрерывный звуковой сигнал при достижении и превышении в контролируемой среде установленного порогового значения концентрации компонента (сигнал о загазованности "Порог 2");
ж) непрерывный световой сигнал желтого цвета (единичный индикатор "ОТКАЗ" в каждом подключенном канале измерения) и непрерывный звуковой сигнал при обрыве, перегорании чувствительного элемента или обрыве линии связи между датчиком и БПС (сигнал о неисправности "Отказ").
А. 15 Габаритные размеры и масса составных частей сигнализаторов исполнений СГБ-1-8...СГБ-1-12, СГ-1-1, СГ-1-2, СГ-1-3 приведены в таблице А.З.
Таблица А.З
Наименование составной части |
Габаритные размеры, мм, не более |
Масса, кг, не более |
Датчик ДТХ-165 |
85 х 85 х 90 |
0,28 |
Датчик ДЭХ-15 |
85 х 115x90 |
0,25 |
Блок БПС-165-1 |
155 х 140x65 |
0,65 |
Блок БПС-165-2 |
155x140x65 |
0,65 |
Блок БПС-165-3 |
155 х 140x65 |
0,65 |
Блок БПС-166-1 |
155x140x65 |
0,60 |
Блок БПС-166-2 |
155x140x65 |
0,60 |
Блок БПС-170-1 |
155x140x65 |
0,65 |
Блок БПС-170-2 |
155 х 140x65 |
0,65 |
Блок БПС-170-3 |
155 х 140x65 |
0,65 |
А.16 Потребляемая мощность сигнализаторами исполнений СГБ-1-8...СГБ-1-12, СГ-1-1, СГ-1-2, СГ-1-З-не более 7,5 ВА.
А. 17 Электрическое питание сигнализаторов исполнений СГБ-1-8...СГБ-1-12, СГ-1-1, СГ-1-2, СГ-1-3 осуществляется от сети переменного тока напряжением (220 + 22 ) В, частотой (50 ± 1) Гц.
Резервное питание сигнализаторов осуществляется от внешнего источника постоянного тока напряжением (12,0 ± 1,2) В.
Переход на резервное питание осуществляется автоматически.
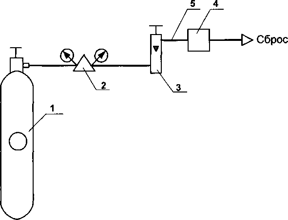
Приложение Б
(обязательное)
Схема рабочего места для подачи ПГС в датчик сигнализатора

-
1 - баллон с ПГС;
-
2 - редуктор БВО-80-2;
-
3 - ротаметр РМ-А-0.063Г УЗ;
-
4 - насадка;
-
5 - трубка медицинская резиновая типа 3 диаметр 6,0 х 1,5
Приложение В (обязательное)
Схема рабочего места для подачи ПГС, приготовленной в бутыли, в датчик сигнализатора

-
1 - трубка ТС-Т-6;
-
2 - кран одноходовой;
-
3 - насадка;
-
4 - ротаметр РМ-А-0.063Г УЗ;
-
5 - трубка медицинская резиновая типа 3 диаметр 6,0 х 1,5;
-
6 - бутыль с ПГС;
-
7 - побудитель расхода.
Приложение Г
(обязательное)
Схема рабочего места для заполнения камеры
5В5.887.610-02 (5В5.887.610-04) поверочной газовой смесью
-
1 - баллон с ПГС;
-
2 - редуктор БВО-80-2;
-
3 - кран одноходовой;
-
4 - камера 5В5.887.610-02 (5В5.887.610-04);
-
5 - заглушка;
-
6 - трубка медицинская резиновая типа 3 диаметр 6,0 х 1,5 или трубка
ПВХ6,0х1,5;
-
7 - счетчик газовый барабанный РГ 7000.
Приложение Д
(обязательное)
Схема рабочего места для проверки сигнализаторов СГБ-1-8, СГБ-1-9, СГБ-1-10, СГБ-1-11, СГБ-1-12

-
1 - сигнализатор (БПС);
-
2 - датчик;
3-пульт 5В5.170.328-01;
-
4 - амперметр М1104;
-
5 - разъем 2РМ14КПН4Г1В1
Примечание - Пример рабочего места для проверки сигнализаторов СГБ-1-12
Продолжение приложения Д (обязательное)
Схема рабочего места для проверки сигнализаторов СГ-1-1, СГ-1-2, СГ-1-3

-
1 - сигнализатор (БПС);
-
2 - датчик;
3-пульт 5В5.170.328-01;
-
4 - амперметр М1104;
-
5 - разъем 2РМ14КПН4Г1В1
-
6 - шнур ШВВП-ВП-2 х 0,5-250-6-1,6
Примечание - Пример рабочего места для проверки сигнализаторов СГ-1-3
изм № 8 2014
32