Методика поверки «ГСИ. Счетчики вoды» (MИ 1592-99)
ГОСУДАРСТВЕННЫЙ НАУЧНЫЙ МЕТРОЛОГИЧЕСКИЙ ЦЕНТР ВСЕРОССИЙСКИЙ НАУЧНО-ИССЛЕДОВАТЕЛЬСКИЙ ИНСТИТУТ РАСХОДОМЕТРИИ СГНМЦ-ВНИИРЗ ГОССТАНДАРТА РОССИИ
Заяест по аа.1
«л

М. с. Неиироа
ГНМЦ ЕНИИР
1939 г.
Государственная система обеспечения единства измерений
СЧЕТЧИКИ ВОДЫ
МЕТОДИКА ПОВЕРКИ,
МИ 1592-99
Казань 1999
РАЗРАБОТАНЫ
ГНЦ РФ “НИИТеплоприбор”
ИСПОЛНИТЕЛИ
Шонин Л.Н., Подольский З.Л., Федоров В.А., Елисеев А. Е., Вербицкий А.С.
РАЗРАБОТАНЫ
Всероссийским научно-исследовательским институтом Расходометрии (ВНИИР)
ИСПОЛНИТЕЛИ
Мусин И.А. , Сафин А.Г.,
Куликов В.Д., Макаров Ю.М.
УТВЕРЖДЕНЫ
Всероссийским научно-исследовательским инстйтутом Расходометрии (ВНИИР) 12 мая 1999 г.
ЗАРЕГИСТРИРОВАНЫ
Всероссийским наунно-исследовательским институтом метрологической службы ВНИИМС2 ИЮНЯ 1999Г.
ВЗАМЕН МИ 1592-86
Настоящая рекомендация распространяется на счетчики холодной и горячей воды, крыльчатые, турбинные, индукционные, ультразвуковые, вихревые и др. (далее счетчики) с диаметром условного прохода (Ду) от 10 до 250 мм, утвержденных и допущенных к применению в России, (в т. ч. соответствующих требованиям ГОСТ Р 50601 - 93), применяемых в системах коммунального водоснабжения, и устанавливает методики их поверок при выпуске из производства, после ремонта и в эксплуатации.
Поверку счетчиков осуществляют при помощи:
- поверочных водомерных установок: поверочных установок с оптоэлектронными узлами съема сигналов; поверочных установок с измерителями объема типа “ПРОЛИВ” (“ПРОЛИВ-50” с эталонным счетчиком типа РСТЭ-40 - для поверки счетчиков с Ду от 15 до 50 мм и “ПРОЛИВ-80” с эталонным счетчиком типа РСТО-80 - для поверки счетчиков с Ду от 65 до 250 мм); поверочных установок без оптоэлектронных узлов съема сигналов - методика поверки “St”; - переносных поверочных установок типа “ПРОЛИВ - М” (“ПРОЛИВ- М10”, оснащенных подсоединительным рукавом (шлангом) с Ду не менее 3/4” и “ПРОЛИВ- М50” со штуцером 3/2”) - методика поверки “Рг”.
-
1. МЕТОДИКА ПОВЕРКИ “St” (ПРИ ВЫПУСКЕ ИЗ ПРОИЗВОДСТВА И ПОСЛЕ РЕМОНТА)
-
1.1. Операции поверки
-
При проведении поверки выполняют следующие операции:
-
1.1.1. Внешний осмотр (п. 1.5.1).
-
1.1.2. Проверка герметичности (п. 1.5.2).
-
1.1.3. Определение погрешности счетчика:
1.1.3f1. Определение среднеинтегральной относительной погрешности (п. 1.5.4.1)
-
1.1.3.2. Определение относительной погрешности при однократном измерении (1.5.4.2)
Примечание: 1. Для счетчиков, предназначенных для нужд народного хозяйства , способ определения погрешности счетчиков при выпуске из производства по п. 1.1.3.1 или п. 1.1.3.2 настоящей рекомендации устанавливают для всех видов испытаний счетчиков распоряжением главного инженера предприятия - изготовителя по согласованию с органом ГМС Госстандарта России.
-
2. Для экспортируемых счетчиков определение их погрешности при выпуске из производства проводят по п. 1.1.3.2.
-
3. После ремонта определение погрешности счетчиков проводят по п.1.1.3.1., или п.1.1.3.2.
-
1.2. Основные и вспомогательные средства поверки
При проведении поверки применяют;
-
1.2.1. Установку поверочную водомерную ( принципиальные схемы и основные требования к установкам приведены в приложениях А, Б и В).
-
1.2.2. Показывающий манометр класса точности 1 с диапазоном измерений давления 0-2,5 МПа (0-25 кгс/см^) по ГОСТ 2405 .
-
1.2.3. Термометр с ценой деления 1 °C и с диапазоном измерений температур 0-100°С .
-
1.2.4. Аспирационный психрометр типа М54 .
-
1.2.5. Гидравлический пресс со статическим давлением до 2 МПа (20кгс/см2). •
-
1.2.6. Мембранный метеорологический барометр .
-
1.2.7. Допускается по п.п. 1.2.2, 1.2.3, 1.2.4 и 1.2.6 применять другие средства, обеспечивающие необходимые точность и диапазон измерений.
-
1.3. Условия поверки »
При проведении поверки соблюдают следующие условия:
-
1.3.1. Температура воды: + 5 ... + 40°С.
-
1.3.2. Температура окружающего воздуха : +5 ...+50°С.
-
1.3.3. Относительная влажность воздуха: 30 ... 80%.
-
1.3.4. Атмосферное давление: 84 ... 106,7 кПа (0,84 ... 1,07 KrcW).
-
1.3.5. Отсутствие вибрации, тряски и ударов, влияющих на работу счетчиков.
-
1.3.6. Изменение температуры воды за время поверки: не более ±5°С.
Температуру воды измеряют в начале и в конце поверки непосредственно за счетчиком или в мерниках поверочной установки.
-
1.4. Подготовка к поверке
Перед проведением поверки выполняют следующие подготовительные работы:
-
1.4.1. Проверяют наличие действующих свидетельств о поверке средств поверки, оттисков поверительных клейм.
-
1.4.2. Проверяют герметичность соединений счетчиков с трубопроводом и между собой. Проверку проводят давлением воды в системе при открытом запорном устройстве перед счетчиком и закрытом после него.
-
1.4.3. Пропускают воду через счетчики при максимальном возможном расходе установки с целью удаления воздуха из системы.
-
1.4.4. Счетчики устанавливают на поверочной установке по одному или последовательно по несколько штук. Число счетчиков в группе должно обеспечивать возможность их поверки при наибольшем значении поверочного расхода. Счетчики должны иметь одинаковый Ду. Счетчики присоединяют к трубопроводу поверочной установки через переходные или промежуточные патрубки, длина которых должна быть не менее 2 Ду счетчика. Во время поверки не должно происходить переброса роликовых барабанчиков счетчиков.
Стрелки на корпусе счетчика устанавливают по направлению потока воды.
-
1.5. Проведение поверки и обработка результатов измерений при поверке
-
1.5.1. Внешний осмотр
При внешнем осмотре счетчиков установливают соответствие их внешнего вида требованиям технических условий на прибор.
-
1.5.2. Проверка герметичности
Герметичность счетчиков проверяют созданием давления 1,6 МПа (16 кгс/см^) гидравлическим прессом в рабочей полости счетчиков. Результаты проверки считают удовлетворительными, если после выдержки в течение 15 минут в местах соединений и на корпусах не наблюдается каплепадений или течи воды. Падение давления по манометру не допускается.
Примечание. Допускается подтверждение герметичности актом предприятия-изготовителя или предприятия, проводившего ремонт.
-
1.5.3. В случае несоответствия счетчиков какому-либо требованию п.п. 1.5.1. и 1.5.2. счетчики считаются непригодными к эксплуатации и дальнейшей поверке не подлежат.
-
1.5.4. Определение погрешности счетчика
-
1.5.4.1. Определение среднеинтегральной относительной погрешности
-
1.5.4.1.1. Перед определением погрешности проводят проверку порога чувствительности счетчиков. При этом визуально определяют вращение сигнальной звездочки го выходного сигнала при значении минального значения.
счетчика или наличие частотно-расхода, не более 0,01 от но-
относительную погрешность
1.5.4.1.1.2. Среднеинтегральную счетчиков определяют по результатам измерений на пяти значениях поверочных расходов. Значения поверочных расходов для каждого типоразмера счетчика приведены в табл. 1.
-
1.5.4.1.3. Значения объемов воды за пропуск на каждом значении поверочного расхода и суммарный объем за время поверки приведены в табл. 2 при поверке на водомерной установке с оптоэлектронными узлами съема сигналов (вместо оптоэлектронных узлов съема сигналов допускается частотный выход поверяемых счетчиков), в табл. 3 - без оптоэлектронных узлов съема сигналов.
-
1.5.4.1.4. Значения минимальных объемов воды за пропуск на каждом значении поверочного расхода Vi определяют по формуле
Vi Pj • V общ I
где Pi - значения весовых коэффициентов по табл. 4.
-
1.5.4.1.5. При проведении поверки на водомерной установке с оптоэлектронными узлами съема сигналов суммарные последовательно измеренные значения объемов после каждого пропуска на значениях поверочных расходов приведены в табл. 5, а при поверке на водомерной установке без оптоэлектронных узлов съема сигналов - в табл. 6.
Таблица 1
Диаметр условного прохода, мм |
Значение поверочного расхода , м^/ч | |||||||||
1-е |
2-е |
3-е |
4-е |
5-е | ||||||
Qhom |
Предельное отклонение |
0,5Qhom |
Предельное отклонение |
0,2Qhom |
Предельное отклонение |
Опер |
Предельное отклонение |
Qmin |
Предельное отклонение | |
10 |
1,0 |
±0,10 |
0,50 |
±0,050 |
0,2 |
±0,02 |
0,08 |
+0,008 |
0,02 |
+0,002 |
15 |
1,5 |
±0,15 |
0,75 |
±0,075 |
0,3 |
±0,03 |
0,12 |
+0,012 |
0,03 |
+0,003 |
20 |
2,5 |
±0,25 |
1,25 |
±0,125 |
0,5 |
±0,05 |
0,08 |
+0,020 |
0,05 |
+0,005 |
25 |
3,5 |
±0,35 |
1,75 |
±0,175 |
0,7 |
±0,07 |
0,58 |
+0,028 |
0,07 |
+0,007 |
32 |
5,0 |
±0,50 |
2,50 |
±0,250 |
1,0 |
±0,10 |
0,40 |
+0,040 |
0,10 |
+0,010 |
40 |
8,0 |
±0,80 |
4,00 |
±0,400 |
1,6 |
±0,16 |
0,64 |
+0,064 |
0,16 |
+0,016 |
50К |
15 |
±0,10 |
7,50 |
±0,750 |
3,0 |
±0,30 |
0,80 |
+0,008 |
0,16 |
+0,016 |
65; 50Т |
50 |
±5,0 |
25,0 |
±2,500 |
10,0 |
±1,00 |
3,00 |
+0,30 |
0,55 |
+0,055 |
80 |
90 |
±9,0 |
45,0 |
±4,500 ’ |
18,0 |
±1,80 |
3,00 |
+0,30 |
0,60 |
+0,060 |
100 |
125 |
±12,5 |
62,0 |
±6,250 |
25,0 |
±2,50 |
3,00 |
+0,30 |
1,20 |
+0,120 |
150 |
250 |
±25,0 |
125 |
±12,50 |
50,0 |
±5,00 |
12,0 |
+1,20 |
2,50 |
+0,250 |
200 |
350 |
±35,0 |
175 |
±17,50 |
70,0 |
±7,00 |
12,0 |
+1,20 |
4,00 |
+0,400 |
250 |
600 |
±60,00 |
300 |
±30,00 |
120,0 |
±12,00 |
15,0 |
+1,50 |
10,00 |
+1,00 |
Таблица 2
Диаметр условного прохода, мм |
Значение минимального суммарного объема воды за время поверки, VO6UL м^10■^ |
Значение минимального объема воды за пропуск на каждом значении поверочного расхода, Vi (не менее), м^Ю'^ | ||||
1 |
2 |
3 |
4 |
5 | ||
10 15 |
20 |
13,0 |
4,8 |
1.6 |
0,4 |
0.4 |
20 25 |
50 |
32,5 |
11,5 |
4.0 |
1.0 |
1.0 |
32 40 50К 65; 50Т |
100 |
65,0 |
23,0 |
8,0 |
2.0 |
2,0 |
80 100 |
200 |
130 |
46,0 |
16,0 |
4.0 |
4,0 |
150 |
500 |
325 |
115 |
40,0 |
10,0 |
10,0 |
200 |
1000 |
750 |
230 |
80,0 |
20,0 |
20,0 |
250 |
2000 |
1300 |
460 |
160,0 |
40,0 |
40,0 |
Таблица 3
ft
Диаметр условного прохода, мм |
Значение минимального суммарного объема воды за время поверки, 7общ, м^Ю'З |
Значение минимального объема воды за пропуск на каждом значении поверочного расхода, Vi (не менее), м^Ю’^ | ||||
1 |
2 |
3 |
4 |
5 | ||
10 15 20 25 32 |
100 |
65,0 |
23,0 |
8.0 |
2,0 |
2,0 |
40 50К 65; 50Т |
200 |
130,0 |
46,0 |
16,0 |
4,0 |
4,0 |
80 100 |
1000 |
650,0 |
230,0 |
80,0 |
20,0 |
20,0 |
150 200 250 |
5000 |
3250 |
1150 |
400 |
100 |
100 |
Таблица 4
Значение поверочного расхода |
1 |
2 |
3 |
4 |
5 |
Qhom |
0)5 Qhom |
0,2 Qhom |
0,1 Qhom |
0,02 Qhom | |
Pi |
0,65 |
0,23 |
0,08 |
0,02 |
0,02 |
Таблица 5
Диаметр условного прохода, мм |
Значения суммарного объема воды после каждого пропуска на значении поверочного расхода, (не менее), м’Ю'® | |||||||||
1 |
2 |
3 |
4 |
5 | ||||||
VI |
Пред, откл. |
V1+V2 |
Пред, откл. |
V1+V2+V3 |
Пред, откл. |
V1+V2+V3+V4 |
Пред, откл. |
V1+V2+V3+V4+V5 |
Пред, откл. | |
10 15 |
13,0 |
±0,08 |
17,6 |
±0,08 |
19,2 |
±0,06 |
19,6 |
±0,04 |
20 |
±0,04 |
20 25 |
32,5 |
±0,2 |
44 |
±0,2 |
48 |
±0,15 |
49 |
±0,10 |
50,0 |
±0,10 |
32 40 50К 65:50Т |
65 |
±0,40 |
88 |
±0,40 |
96 |
±0,30 |
98 |
±0,20 |
100,0 |
±0,20 |
80 100 |
130,0 |
±0,80 |
176,0 |
±0,80 |
192,0 |
±0,60 |
196,0 |
±0,40 |
200,0 |
±0,40 |
150 |
325,0 |
±2.0 |
440,0 |
±2,0 |
480,0 |
+ 1.5 |
490,0 |
±1,0 |
500,0 |
±1,0 |
200 |
650 |
±4,0 |
880 |
±4,0 |
960,0 •• |
±3,0 |
980,0 |
±2,0 |
1000,0 |
±2,0 |
250 |
1300,0 |
±8,0 |
1760,0 |
±8,0 |
1920,0 |
±6,0 |
1960,0 |
±4,0 |
2000,0 |
±4.0 |
Примечание. Значение объема воды определяют по эталонному счетчику или мерам вместимости, имеющим разметку шкалы, обеспечивающей отсчет указанных значений объемов
Таблица 6
Диаметр условного прохода, мм |
Значения суммарного объема воды после каждого пропуска на значении поверочного расходе, (не менее), м^Ю-з | |||||||||
1 |
2 |
3 |
4 |
5 | ||||||
VI |
Пред, откл. |
V1+V2 |
Пред, откл. |
V1+V2+V3 |
Пред, откл. |
V1+V2+V3+V4 |
Пред, откл. |
V1+V2+V3+V4+V5 |
Пред, откл. | |
10 15 20 25 32 |
65,0 |
±0,40 |
88,0 |
±0,40 |
96,0 |
±0,40 |
98,0 |
±0,40 |
100,0 |
±0,40 |
40 50К 65:50Т |
130,0 |
±0,80 |
176,0 |
±0,80 |
192,0 |
±0,80 |
196,0 |
±0,80 |
200,0 |
±0,80 |
80 100 150 |
650,0 |
±4,0 |
880,0 |
±4,0 |
96D,0 |
±3,0 |
980,0 |
±2,0 |
1000,0 |
±2,0 |
200 250 |
3250,0 |
±20,0 |
4400,0 |
±20,0 |
4800,0 |
±15,0 |
4900,0 |
±10,0 |
5000,0 |
±10,0 |
Примечание. Значение объема воды определяют по эталонному счетчику или мерам вместимости, имеющим разметку шкалы, обеспечивающей отсчет указанных значений объемов
-
1.5.4.1.6. Среднеинтегральную относительную погрешность определяют сравнением результатов измерений одного и того же значения объема воды поверяемым счетчиком и мерой вместимости поверочной установки. Значение объема воды, измеренное счетчиком, определяют как сумму значений объемов при пропусках на пяти значениях поверочных расходов по стрелочным указателям счетчика или по суммарному числу импульсов, сосчитанных оптоэлектронным узлом съема импульсов.
сигналов и зарегистрированных счетчиком
А ди в процентах определяют по формуле
Погрешность счетчика
Vc - Vot
А ди
. 100%,
V эт
по счетчику, м^;
где Vc - объем воды 7эт - объем воды по мере вместимости.
При использовании оптоэлектронного узла съема сигналов
5
Vc = Кс Е N ,
1
где Кс - передаточный коэффициент счетчика;
5
Е N - суммарное число импульсов, зарегистрированное счетчиком
1
импульсов после пропуска на пяти поверочных расходах; При использовании вместо меры вместимости эталонного счетчика
5
V эт = Е К эт • N.
1
где, V эт - объем воды по эталонному счетчику, м^,
Значения передаточного коэффициента “Кс” указывают на шкале счетного механизма конкретного счетчика.
Значения передаточного коэффициента Кэт определяют для каждого конкретного эталонного счетчика при заданных значениях поверочных расходов.
-
1.5.4.1.7. Среднеинтегральную относительную погрешность допускается определять на установках согласно приложению Г.
Таблица 7
Диаметр условного прохода, мм |
Значения поверочных расходов, м^/ч | |||||
1 (номинальный) |
2 (переходный) |
3 (минимальный) | ||||
Qhom |
Пред. откл. |
Q~Qnep |
Пред. откл. |
Q-Qmhh |
Пред. откл. | |
10 |
1,0 |
±0,10 |
0,08 |
+0,008 |
0,02 |
+0,002 |
15 |
1,5 |
±0,15 |
0,12 |
+0,012 |
0,03 |
+0,003 |
20 |
2,5 |
±0,25 |
0,20 |
+0,020 |
0,05 |
+0,005 |
25 |
3,5 |
±0,35 |
0,28 |
+0,028 |
0,07 |
+0,007 |
32 |
5,0 |
±0,50 |
0,40 |
+0,040 |
0,10 |
+0,010 |
40 |
8,0 |
± 0,80 |
0,64 |
+0,064 |
0,16 |
+0,016 |
50К |
15,0 |
±1,50 |
0,80 |
+0,080 |
0,16 |
+0,016 |
65; 50Т |
50,0 |
±5,00 |
3,00 |
+0,300 |
0,55 |
+0,055 |
80 |
90,0 |
±9,00 |
3,00 |
+0,300 |
0,60 |
+0,060 |
100 |
125 |
±12,5 |
3,00 |
+0,300 |
1,20 |
+0,120 |
150 |
250 |
±25,0 |
12,0 |
+1,200 |
2,50 |
+0,250 |
200 |
350 |
±35,0 |
12,0 |
+1,200 |
4,00 |
+0,400 |
250 |
600 |
±60,0 /------------------------------------------------’----------------------------------- |
15,0 |
+1,500 |
10,00 |
1,000 |
Примечание. Номинальные значения переходного (2) и минимального (3) расходов допускается изме-в сторону их уменьшения и устанавливать в технических условиях ( с указанием
нять
этих значений в паспорте прибора ).
Таблица 8
Диаметр условного прохода, мм |
Минимальный объем воды, пропущенный за время поверки м’Ю-’ |
Минимальный объем воды за пропуск при расходе, м^10’2 (не менее) | ||
1 |
2 |
3 | ||
10 15 |
35,0 |
20,0 |
10,0 |
5,0 |
20 25 |
80 |
50,0 |
20,0 |
10,0 |
32 |
175,0 |
100,0 |
50,0 |
25,0 |
40 50К 65; 50Т |
350,0 |
200,0 |
100,0 |
50,0 |
80 100 150 |
1750 |
1000 |
500 |
250 |
200 250 |
6500 |
5000 |
1000 |
500 |
-
1.5.4.1.8. При выпуске из производства или после ремонта предел допускаемой среднеинтегральной относительной погрешности Дди не должен превышать 1,8%.
-
1.5.4.2. Определение относительной погрешности при однократном измерении
-
1.5.4.2.1. Относительную погрешность счетчика определяют при трех значениях поверочных расходов (номинальном, переходном и минимальном). На каждом значении расхода выполняют одно измерение. Значения поверочных расходов для каждого типоразмера счетчика приведены в табл. 7.
-
1.5.4.2.2. Значения минимальных объемов воды за пропуск на каждом значении поверочного расхода приведены в табл. 8.
-
1.5.4.2.3. Относительную погрешность счетчиков определяют сравнением результатов измерений одного и того же значения объема воды поверяемым счетчиком и эталонным счетчиком или мерой вместимости поверочной установки. Значение объема воды, измеренное счетчиком, определяют за каждый пропуск лу импульсов, сосчитанных узлом съема сигналов и ванных счетчиком импульсов.
воды по чис-зарегистриро-
вычисляют по
Относительную погрешность счетчика в процентах формуле
Д1
Vc - 7эт ------------ . 100% ,
7эт
где Vc - объем воды по счетчику, м^,
Vc =KcNe,
где N - число импульсов, зарегистрированных счетчиком импульсов;
Кс - передаточный коэффициент счетчика, указанный на шкале;
Уэт - объем воды по эталонному счетчику, V эт= К эт Ngj или объем меры вместимости.
-
1.5.4.2.4. Предел допускаемой относительной погрешности счетчика при 1 и 2 - ом (номинальном и переходном) значениях поверочных расходов на холодной воде не должен превышать 2%, на горячей воде - 3% (если в документации не указаны другие значения), на 3-м (минимальном) значении поверочного расхода - 5%.
1.6. Оформление результатов поверки
-
1.6.1. При положительных результатах пломбы с оттиском пове-рительного клейма по ПР 50.2.007 навешивают в местах, препятствующих доступу к механизму указателя суммарного учета и регулирующему устройству счетчика.
Результаты поверки заносят в паспорт (приложение Д) и удостоверяют подписью поверителя и оттиском поверительного клейма по ПР 50.2.007.
-
1.6.2. Результаты измерений при поверке счетчика заносят в протоколы, форма которых приведена в приложении Е (для методики поверки с п. 1.5.4.1), приложении Ж (для методики поверки с п. 1.5.4.2), приложении И (для методики поверки по приложению Г).
-
1.6.3. Счетчики, не удовлетворяющие требованиям настоящей рекомендации, к выпуску и применению не допускают. Пломбы с оттиском клейма снимают, а запись в паспорте гасят.
2. МЕТОДИКА ПОВЕРКИ “Рг” (ПОСЛЕ РЕМОНТА И В ЭКСПЛУАТАЦИИ).
-
2.1. Операции поверки
При проведении поверки выполняют следующие операции;
-
2.1.1. Внешний осмотр (п.п. 2.5.1 и 2.5.2).
-
2.1.2. Определение среднеинтегральной относительной погрешности (п.п. 2.5.3 и 2.5.4).
-
2.2. Средства поверки
-
При проведении поверки применяют:
-
2.2.1. Переносную поверочную установку типа “ПРОЛИВ - М” (приложение К).
-
2.3. Условия поверки
При проведении поверки соблюдают следующие условия:
-
2.3.1. Температура воды: +5 ... +40°С.
-
2.3.2. Температура окружающего воздуха: +5... + 50°С.
-
2.3.3. Отсутствие вибрации, тряски и ударов, влияющих на работу счетчика.
-
2.4. Подготовка к поверке.
Перед проведением поверки выполняют следующие подготовительные работы:
-
2.4.1. Проверяют наличие действующих свидетельств о поверке средств поверки, оттисков поверительных клейм.
-
2.4.2. Проверяют герметичность соединений поверяемого счетчика с эталонным счетчиком переносной поверочной установки
“ ПРОЛИВ - М” и трубопроводом.
Проверку проводят давлением воды в системе при открытом запорном устройстве перед счетчиком и закрытом после него.
-
2.4.3. Пропускают воду через счетчики при максимально возможном расходе с целью удаления воздуха из системы.
-
2.4.4. Стрелку на корпусе устанавливают по направлению потока воды.
2.5. Проведение поверки
-
2.5.1. Внешний осмотр
При внешнем осмотре визуально определяют маркировку счетчика, возможность считывания показаний, целостность счетного механизма, наличие поверительных клейм.
-
2.5.2. В случае несоответствия счетчика требованиям п.2.5.1 счетчик считают непригодным к дальнейшей эксплуатации.
Поверку прекращают.
-
2.5.3. Определение среднеинтегральной относительной погрешности
Последовательность действий при поверке приведена в приложении Л.
Среднеинтегральную относительную погрешность счетчиков определяют с помощью переносных поверочных установок типа “ПРОЛИВ-М” в соответствии с табл.9.
Последовательно устанавливают с помощью установки “ПРОЛИВ-М” пять значений поверочных расходов. Значения поверочных расходов и значения весовых коэффициентов Р1э при поверке после ремонта или в эксплуатации на установках “ПРОЛИВ-М” приведены в табл. 10.
По окончании поверки по табло электронного блока поверочной установки определяют действительное значение и знак погрешности поверяемого счетчика.
Значения минимальных суммарных объемов воды за время поверки на пяти значениях поверочных расходов при поверке счетчиков, имеющих сигнальную звездочку или частотный выходной сигнал, приве-
дены в табл. 11, а при поверке счетчиков, не имеющих этих параметров - в табл. 12.
2.5.4. Предел допускаемой среднеинтегральной относительной погрешности счетчика, находящегося в эксплуатации или после ремонта, определяют по формуле
где А ди - допустимая среднеинтегральная погрешность счетчика при выпуске из производства и после ремонта;
А ди - 118%,
t -время эксплуатации, в тыс.
часов.
Счетчик считают поверенным,
если а^ди<2Ади.
2.6. Оформление результатов
поверки
2.6.1. При положительных результатах вносят запись в паспорт счетчика (приложение Д), которую удостоверяют подписью поверителя с оттиском поверительного клейма по ПР 50.2.007.
2.6.2. Результаты измерений при поверке счетчика заносят в протокол, форма которого приведена в приложении М.
Таблица 9
Диаметр условного прохода, мм |
10,15,20,25,32,40,50К |
507,65,80,100,150,200, 250 |
Поверочная установка |
ПРОЛИВ-М10 |
ПРОЛИВ - М50 |
Таблица 10
Ду- мм |
Значения поверочных расходов, м^/ч | ||||
1 |
2 |
3 |
4 |
5 | |
10 |
0,12 |
0,10 |
0,06 |
0,04 |
0,02 |
15 |
0,18 |
0,15 |
0,09 |
0,06 |
0,03 |
20 |
0,30 |
0,25 |
0,15 |
0,10 |
0,05 |
25 |
0,42 |
0,35 |
0,21 |
0,14 |
0,07 |
32 |
0,60 |
0,50 |
0,30 |
0,20 |
0,10 |
40 |
0,96 |
0,80 |
0,48 |
0,32 |
0,16 |
50К |
1,80 |
1,50 |
0,90 |
0,60 |
0,30 |
65,50Т |
3,60 |
3,00 |
1,65 |
1,10 |
0,55 |
80 |
3,60 |
3,00 |
1,80 |
1,20 |
0,60 |
100 |
14,4 |
12,0 |
3,60 |
2,40 |
1,20 |
150 |
14,4 |
12,0 |
7,50 |
5,00 |
2,50 |
200 |
14,4 |
12,0 |
10,0 |
8,00 |
4,00 |
250 |
18,0 |
15,0 |
14,0 |
12,0 |
10,0 |
Весовой коэффициент Pia |
0,65 |
0,27 |
0,04 |
0,02 |
0,02 |
Таблица 11
Диаметр условного
Значение минимального сум-
прохода, мм |
марного объема воды за время поверки, Уобщ, М^Ю'^ |
(не менее), м®10-5 | ||||
1 |
2 |
3 |
4 |
5 | ||
10 15 |
20 |
13,0 |
5.4 |
0,8 |
0.4 |
0,4 |
20 25 |
50 |
32,5 |
13,5 |
2,0 |
1,0 |
1,0 |
32 40 50К 65;50Т |
100 |
65,0 |
27,0 |
4,0 |
2.0 |
2.0 |
80 100 |
200 |
130,0 |
54,0 |
8.0 |
4,0 |
4.0 |
150 |
500 |
325 |
135 |
20 |
10 |
10 |
200 |
1000 |
650 |
270 |
40 |
20 |
20 |
250 |
2000 |
1300 |
540 |
80 |
40 |
40 |
Таблица 12
Диаметр условного прохода мм |
Значение мин-мимального суммарного объема воды за время поверки, Уобш, м’КГ’ |
Значение минимального объема воды за пропуск на каждом значении поверочного расхода Vi (не менее), м^Ю-з | ||||
1 |
2 |
3 |
4 |
5 | ||
10 15 20 25 32 |
100 |
65 |
27 |
4 |
2 |
2 |
40 50К 65,50Т |
200 |
130 |
54 |
8 |
4 |
4 |
80 100 |
1000 |
650 |
270 |
40 |
20 |
20 |
150 200 250 |
5000 |
3250 |
1350 |
200 |
100 |
100 |
Весовой коэффициент Pia - |
0,65 |
0,27 |
0,04 |
0,02 |
0,02 |
-
2.6.3. Счетчики, не удовлетворяющие требованиям настоящей рекомендации , к применению не допускают. Счетчики демонтируют, пломбы с оттиском клейма снимают, а запись в паспорте гасят.
ПРИЛОЖЕНИЕ А
ПРИНЦИПИАЛЬНЫЕ СХЕМЫ И ОСНОВНЫЕ ТРЕБОВАНИЯ К ПОВЕРОЧНЫМ УСТАНОВКАМ С ОПТОЭЛЕКТРОННЫМИ УЗЛАМИ СЪЕМА СИГНАЛОВ
Поверочные установки состоят из измерительной части, включающей систему эталонных (образцовых) средств измерений объемов воды, системы задания и измерений значений поверочных расходов, испытательного участка (стенда и системы измерений показаний поверяемых счетчиков), а также систем заправки, хранения и стабилизации расхода воды.
Принципиальные схемы измерительных частей установок приведены на рис. А. 1 и А.2.
Принципиальные схемы систем заправки, хранения и стабилизации расхода воды приведены на рис. А.З и А.4.
Примечания:
-
1. Допускается в составе поверочной установки применять автоматизированные системы управления работой установки, измерений, регистрации и обработки результатов измерений при поверке.
-
2. Система средств измерений значений объема жидкости состоит из эталонного счетчика (рис. А.1 ) или двух мер вместимости, оснащенными переключателем потока жидкости ( рис. А.2). В случае оснащения установки двумя мерами вместимости каждая из них может выполнять функции пролетной вместимости в зависимости от значения расхода, при котором поверяют счетчики. .
-
3. Мера вместимости поверочной установки представляет собой метал-пический резервуар, оборудованный спускным клапаном, стеклянной трубкой и рейкой со шкалой, отвесом или уровнем. Она может быть ци-пиндрической или прямоугольной ( для небольших мер цилиндрическая форма является предпочтительной). Меру вместимости изготовляют из этальных листов или стальной трубы соответствующего циаметра. Стенки и дно ее имеют необходимую толщину или силовой каркас, предохраняющий их от деформаций при наполнении меры водой. Внутреннюю и наружную поверхности стенок и дна покрывают водостойкой краской (при изготовлении меры из нержавеющей стали покрывать стенки краской необязательно). Поперечное сечение меры - постоянное по высоте. Ее дно для сокращения времени слива выполняют в виде усеченного конуса или пирамиды и оборудуют сливным патрубком, установленным под клапаном. В мерах с плоским дном предусматривают отверстие, обеспечивающее полное удаление воды из бака при его очистке и промывке.
Водомерная трубка -толстостенная, внутренним диаметром не менее 20 мм и длиной не менее высоты эталонной (образцовой) меры вместимости. Трубку устанавливают в колонке, соединенной изогнутым патрубком с дном меры, и уплотняют в колонке так, чтобы имелась возможность про водить очистку или смену трубки без нарушения рейки шкалы. Патрубок или колонку снабжают пробкой или краном, обеспечивающим возможность промывания патрубка и стекла и удаления осадков.
-
4. Номинальные значения вместимости мер в зависимости от диаметра условного прохода счетчиков должны быть не менее пропускаемых через поверяемые счетчики значений объемов воды, указанных в табл.2 настоящей рекомендации.
-
5. Разметку шкал выполняют по всей высоте. Она имеет нулевую отметку и отметки в пределах значений объемов, измеряемых мерой вместимости и указанных в табл. 5 настоящей рекомендации.
-
6. Рейки шкалы - цельные, изготовлены из коррозионностойкого материала и имеют жесткую конструкцию.Поверхность шкалы - гладкая и имеет четкие отметки и цифры. Погрешность меры вместимости на числовых отметках шкалы не должна быть более 0,2% номинальной вместимости меры. Рейки располагают с одной или двух сторон водомерной трубки и крепят к кронштейнам меры посредством винтов с потайной головкой. В верхней части рейки (в торец крепежного винта и рейки) заподлицо укреплеяют пробку из меди или ее сплавов для нанесения на нее оттиска поверительного клейма. Рейки для удобства и увеличения точности отсчета могут быть снабжены указателем (визиром, произвольно переставляемым по длине).
-
7. Меру вместимости оборудуют сливным клапаном, позволяющим осуществлять быстрое или постепенное ее опорожнение. Сливной клапан располагают так, чтобы при опорожнении меры уровень оставшейся в ней воды автоматически устанавливался на нулевой отметке шкалы рейки. Управление работой клапана осуществляют ручным, гидравлическим, пневматическим или электрическим приводом.
-
8. Меру вместимости снабжают отвесом с нитью длиной не менее 1000 мм или двумя уровнями, расположенными взаимно перпендикулярно к верхней кромке меры. Меру устанавливают на прочном, не изменяющем своего положения основании, устроенном так, чтобы под мерой оставалось свободное пространство, обеспечивающее возможность наблюдения за герметичностью сливных клапанов.
-
9. Система задания и измерений значений поверочных расходов обеспечивает пропуск контрольного объема воды через поверяемые счетчики при значениях поверочных расходов, указанных в табл. 1 или 6 настоящей рекомендации, погрешность поддержания которых должна быть не более 2%.
-
10. В качестве задатчика поверочных расходов можно применять набор параллельно соединенных сужающих устройств (диафрагм, сопел или пробковых кранов), как показано на рис. А.2. Количество сужающих устройств в наборе обеспечивает поверку счетчиков в соответствии с п. 1.5.4.1 и 1.5.4.2 настоящей рекомендации.
-
11. Для измерений значений поверочных расходов применяют измерительные устройства, позволяющие контролировать расход с погрешностью не более 2%.
-
12. Испытательный участок - стенд оборудуют зажимным или иными устройствами для крепления счетчиков к трубопроводам установки. Счетчики при поверке устанавливают на стенде горизонтально в соответствии с требованиями п.1. 4.4 настоящей рекомендации.
-
13. Трубопроводы, подводящие воду к счетчикам и отводящие ее в меру вместимости, располагают так, чтобы счетчики находились все время под заливом. Подводящий трубопровод имеет диаметр не менее Ду счетчиков.
-
14. Система передачи показаний поверяемых счетчиков воды обеспечивает измерения числа импульсов, считываемых с “сигнальной” звездочки счетчика воды узлом счетчиком импульсов пульса.
съема сигналов и регистрируемых электронным с погрешностью, не превышающей одного им-
хранения и стабилизации расхода воды состоит
Система заправки, из резервуара с необходимым запасом воды, оснащенного указателем уровня воды, арматурой для заправки и слива воды, ресивера или напорного бака, сглаживающих пульсации ( рис. А.З и А.4).
ПРИНЦИПИАЛЬНАЯ СХЕМА ИЗМЕРИТЕЛЬНОЙ ЧАСТИ УСТАНОВКИ С ЭТАЛОННЫМ СЧЕТЧИКОМ И ОПТОЭЛЕКТРОННЫМИ УЗЛАМИ СЪЕМА СИГНАЛОВ.

Принципиальная схема измерительной установки с оптоэлектронными узлами съема сигналов

1,7 - рейка шкалы; 2,6 - указатель уровня; 3,5 - мера вместимости; 4 - переключатель потока;
8,10,12,14,16 - диафрагма; 9,11,13,15,17,27 - манометр; 18...22,31,34 - вентиль; 23,24 - счетчик импульсов; 25,26 - узел съема сигналов; 28,29 - сливной клапан; 30 - указатель расхода; 32,33 - счетчик поверяемый Рис. А.2
Принципиальная схема системы заправки, хранения и стабилизации расхода воды.

в установку
1,3,5,8,9,12 - вентиль; 2 - резервуар; 4 - фильтр; 6 - манометр;
7 - указатель уровня; 10 - насос; 11 - ресивер
Рис. А.З

1,5,6,7 - вентиль; 2 - резервуар; 3 - напорный бак; 4 - указатель уровня;
8 - фильтр; 9 - насос; 10 - обратный клапан
Рис. А.4
Приложение Б
ПРИНЦИПИАЛЬНАЯ СХЕМА И ОСНОВНЫЕ ТРЕБОВАНИЯ К ПОВЕРОЧНОЙ УСТАНОВКЕ С ИЗМЕРИТЕЛЕМ ОБЪЕМА ТИПА “ПРОЛИВ”
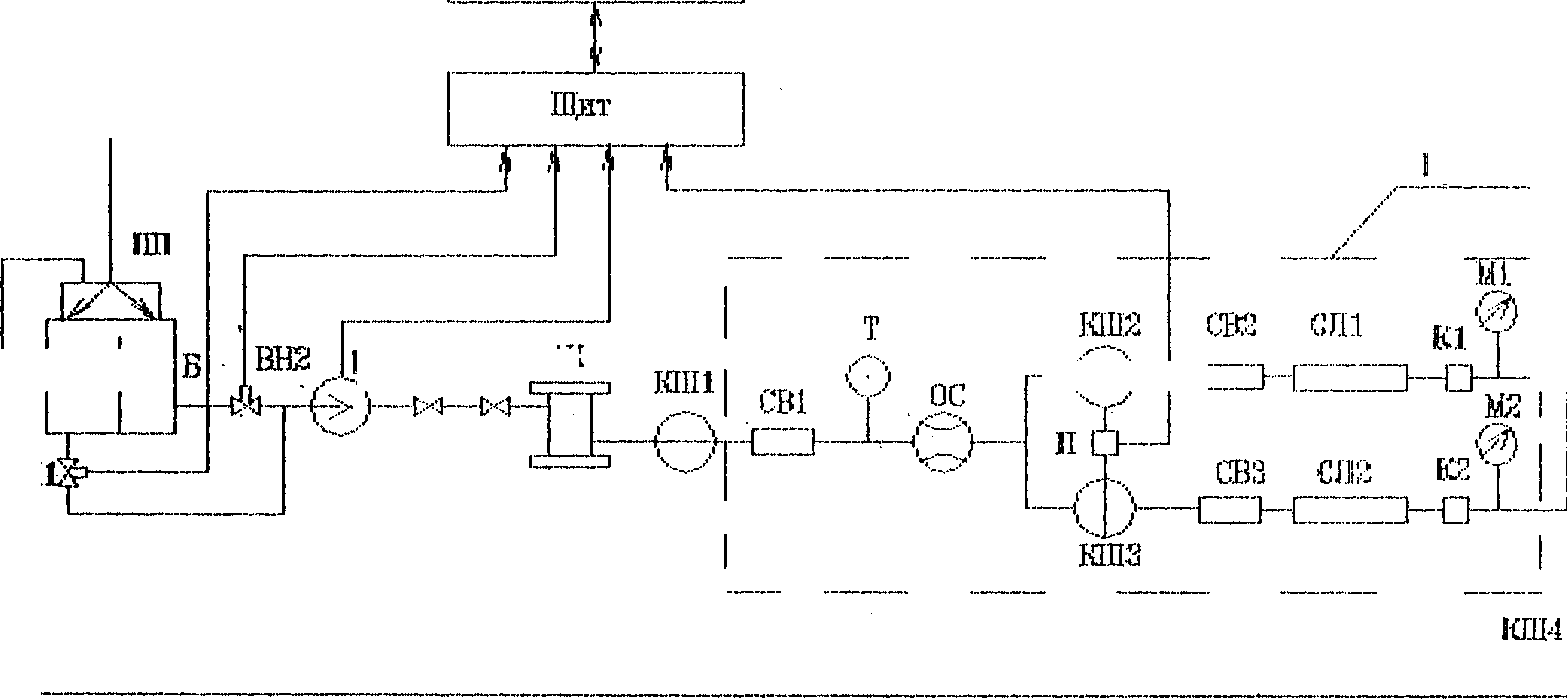
Б.1. Установка для поверки водосчетчиков состоит из измерительного узла, блока управления переключателем потока, насоса, щита, пульта управления, фильтра-аккумулятора, измерителя объема “ПРОЛИВ”, содержащего рабочий эталон - эталонный счетчик, частотомер, шаровых кранов, трубной обвязки и мерного бака.
Принципиальная схема установки приведена на рис. Б.1.
Б. 1.1. Измерительный узел представляет собой металлический резервуар сложной конфигурации, разделенный металлической перегородкой на измерительную и пролетную емкости вместимостью 1,5 м^ каждая. Площади сечений верхней и нижней частей измерительной емкости уменьшают, что позволяет измерять значения вместимости с погрешностью не более 0,15%. На резервуаре укрепляют на металлической раме переключатель потока. Измерительную емкость снабжают герметически установленной стеклянной трубкой и измерительной линейкой.
Б. 1.2. Фильтр-аккумулятор представляет собой герметичную емкость, внутри которой устанавливают фильтр в виде емкости со стенками из металлической сетки. ■,
Б. 1.3. Измеритель объема “ПРОЛИВ-80” представляет собой трубопровод Ду=80, в котором последовательно монтируют струевыпрямитель, рабочиц эталон - эталонный счетчик (расходомер - счетчик турбинный эталонный типа РСТО-80). После эталонного счетчика трубопровод разветвляется на две параллельные измерительные линии I и11, в каждой из которых последовательно монтируют специально доработанный шаровой кран, стол с лотком для монтажа поверяемых счетчиков, компенсатор длины трубопровода. Поверяемые счетчики с Ду от 65 до 250 мм монтируют на столе с лотком с соответствующими переходниками, струевыпрямителями и прямыми участками. В линии монтируют термометр и манометры на входе и выходе из измерительной линии. Шаровые краны в параллельных измерительных линиях подсоединяют к приводу. Пробковые части шаровых кранов смещают относительно друг друга на 90° и приводят в движение приводом. В результате этого значения расхода в измерительных линиях изменяются от нуля до верхнего диапазона значений поверочных расходов.
Б. 1.4. Измеритель объема “ПРОЛИВ - 50” отличается от измерителя объема “ПРОЛИВ-80” тем, что содержит эталонный счетчик типа РСТЭ-40, лотки для механизированного монтажа счетчиков со штуцерным соединением, трубную обвязку Ду 50мм.
Б. 1.5. Диапазоны поверочных расходов : от 0 до номинального - Оном - для счетчиков с Ду от 15 до 100 мм; от 0 до 0,5 Оном - для счетчиков с Ду 150мм; от 0 до 0,2 Оном - для счетчиков с Ду 200, 250 мм.
Б. 1.6.Допускается применять в составе поверочной установки автоматизированные системы управления работой установки, измерений, регистрации и обработки результатов измерений при поверке.
СХЕМА ГИДРАВЛИЧЕСКАЯ ПРИНЦИПИАЛЬНАЯ УСТАНОВОК ТИПОВ “ПРОЛИВ-50”, “ПРОЛИВ-80”

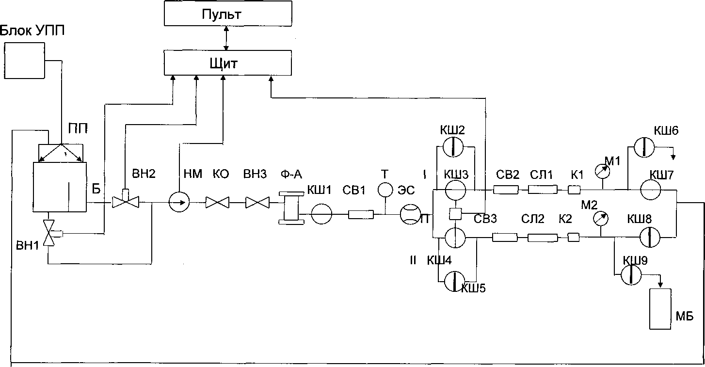
Б - измерительный узел; Блок УПП - блок управления переключателем потока; ПП- переключатель потока; НМ - насос; ВН1,ВН2 - задвижки; КО - клапан обратный; Ф-А - фильтр аккумулятор; КШ1...КШ9 - краны шаровые; СВ1...СВЗ - струевыпрямители ; Т - термометр; ЭС -эталонный счетчик; П - привод; СЛ1,СЛ2 - лотки с монтируемыми на них поверяемыми счетчиками; К1,К2 -компесатор длины трубопровода; М1 ,М2 - манометры; МБ - мерный бак
Приложение В
ПРИНЦИПИАЛЬНАЯ СХЕМА И ОСНОВНЫЕ ТРЕБОВАНИЯ К ПОВЕРОЧНОЙ УСТАНОВКЕ БЕЗ ОПТОЭЛЕКТРОННЫХ УЗЛОВ СЪЕМА СИГНАЛОВ
Измерительная часть поверочной установки состоит из средств измерений объема воды(эталонного счетчика или меры вместимости), испытательного стенда, устройств и приборов для регулирования поверочных расходов, системы заправки, хранения и стабилизации расхода воды.
Принципиальная схема измерительной части поверочных установок приведена на рис.В.1.
Принципиальные схемы заправки, хранения и стабилизации расхода воды приведены на рис.А.З и А.4.
Примечания;
-
1. Требования к эталонным счетчикам и мерам вместимости приведены в приложении А . Номинальные значения мер вместимости и разметки их шкал соответствуют с табл. 3 и 6 настоящей рекомендации.
-
2. Для измерений расхода могут быть применены измерительные устройства, состоящие из комплекта сужающих устройств (сопел или насадок) и указателя расхода. Сопла и насадки изготавливают из нержавеющей стали или сплавов меди.
Диаметры отверстий сопла и насадок в миллиметрах ориентировочно определяют по формуле
d
U= V 0,01252 а Р!р
где Q - расход, м^/ч;
а - коэффициент расхода (для сопел а - 0,9; для насадок а =0,8);
Р - давление, Мпа (при пересчете для установки с пружинным манометром Р = 0,1... 0,15 мПа (10... 15 кгс/см^);
р- плотность воды, кг/м^.
Окончательную подгонку отверстий сопел и насадок к шкалам указателей расхода проводят на поверочной установке в рабочих условиях. Диапазон измерений сопел и насадок в комплекте с указателем расхода (манометром) устанавливают от 40 до 100%. При этом максимальному значению расхода в выбранном пределе соответствовует давление, равное 90-100% верхнего предела измерений манометра.
Погрешность измерений расхода не должна превышать 2% от наибольшего значения расхода,измеряемого данным комплектом.
Испытательный стенд поверочной установки оборудуют поддоном для сбора и удаления воды, поступившей в него при разборке поверяемых счетчиков или иных причинах.
Стенд в зависимости от Ду и конструкции счетчиков оборудуют зажимным или иными устройствами для крепления счетчиков к трубопроводам поверочных установок, а также набором деталей, необходимых для соединения счетчиков между собой и с трубопроводом поверочной установки. В состав деталей входят присоединительные патрубки, переходники и подъемные устройства.
Принципиальная схема измерительной установки без оптоэлектронных узлов съема сигналов с одной мерой вместимости

1 - рейка шкалы; 2- указатель уровня; 3 - мера вместимости; 4,6,8,10,12- насадка;
5,7.9,11,13,23 - манометр; 14... 18,20,24 - вентиль; 19 - сливной клапан; 21,22 - счетчик поверяемый Рис.В.1

Приложение Г
Г.1. Внешний осмотр
Внешний осмотр счетчиков проводят согласно п. 1.5.1 настоящей рекомендации.
Г.2. Проверка герметичности
Проверку герметичности счетчиков проводят согласно п.1.5.2 настоящей рекомендации.
Г.З. В случае несоответствия счетчиков какому - либо требованию п.п. 1.5.1 и 1.5.2 настоящей рекомендации счетчики считаются непригодными к эксплуатации и дальнейшей поверке не подлежат.
Г.4. Проверка порога чувствительности счетчиков
Г.4.1. С помощью шаровых кранов КШ2 и КШ6 (рис. Б.1) при закрытых шаровых кранах КШЗ и КШ7 устанавливают в измерительной линии I значение расхода, при котором начинается непрерывное вращение сигнальной звездочки счетчика. Расход определяют по времени заполнения мерного бака.
Счетчики считают годными, если расход не превышает 0.01 Оном.
Счетчики, несоответствующие этому требованию, к дальнейшей поверке не допускают.
Г.4.2. Порог чуствительности счетчиков, установленных в измерительной линии II , определяют аналогично, устанавливая расход с помощью шаровых кранов КШ5 и КШ9 при закрытых шаровых кранах КШЗ и КШЗ.
Г.5. Определение среднеинтегральной относительной погрешности
Г.5.1. Среднеинтегральную относительную погрешность счетчиков определяют по результатам измерений в диапазоне значений расходов от о до Оном - для счетчиков с Ду от 15 до 100 мм; от 0 до О,50ном - для счетчиков с Ду 150 мм и от о до О,20ном для счетчиков с Ду 200, 250 мм. Время измерений -10 минут.
Г.5.2. Среднеинтегральную относительную погрешность определяют сравнением результатов измерений одного и того же объема воды поверяемым и эталонным счетчиками (в процентах) по формуле
А и I (II)
Vac I (II)
где Vc4 I (II) - объем, измеренный поверяемым счетчиком, установленным в I (II) измерительной линии установки, м^, определенный как разность между конечным Vk и начальным Vh значениями по отсчетному устройству или
Vc41 (II) = к N I (II),
где N I (II) - число импульсов, зарегистрированное счетчиком импульсов с узла съема сигналов за время измерений;
К - передаточный коэффициент счетчика (значения коэффициентов (м^/имп) приведены в паспорте на прибор);
Vac I (II) - действительное значение объема воды, прошедшей по I (II) измерительной линии установки, м^,
Vac 1(11) = А 1(11) Vac;
А I (II) - коэффициент соотношения расходов для 1(11) измерительной линии установки
f 1(11) f I + f(ii)
f 1(11) - среднее значение частоты для 1(11) измерительной линии, определяется как среднее значение для двух измерений частоты в измерительной линии 1(11);
Vac - действительное значение объема воды, прошедшей через эталонный счетчик, м^,
Ni
Vac
Kj
Ni - число импульсов, показанное за время измерений с эталонного счетчика;
Kj - коэффициент преобразования эталонного счетчика для j-ro расхода, имп/м^.
Г.5.3. Предел допускаемой среднеинтегральной относительной погрешности счетчика не должен превышать 1,8%.
Приложение Д
ПРИМЕРНАЯ ФОРМА ЗАПИСИ В ПАСПОРТЕ НА СЧЕТЧИК
Счетчик удовлетворяет ( не удовлетворяет) требованиям обозначение стандарта или технической документации предприятия-изготовителя и пригоден (не пригоден) к эксплуатации
Поверитель
подпись
И. О. Фамилия
Дата поверки
Приложение Е
ПРОТОКОЛ |
ПОВЕРКИ СЧЕТЧИКОВ | |
Номер по порядку | ||
Дата поверки | ||
Наименование предприятия-изготовителя или ремонтной базы | ||
Тип и порядковый номер счетчика по системе нумерации предприятия-изготовителя | ||
Диаметр условного прохода,мм | ||
Число импульсов N |
s ы О1 2 Л Ф о -о ■о ® 0) i S » ь о 01 g ф | |
Показания по мере вместимости, V эт, м^Ю'^ | ||
Показания счетчика Vc = k*N или разность показаний счетчика до и после пропуска вода | ||
Среднеинтегральная относительная погрешность, % | ||
Заключение (пригоден или нет) |
Поверитель
подпись
И. О. Фамилия
Дата поверки
Приложение Ж ПРОТОКОЛ ПОВЕРКИ СЧЕТЧИКОВ
Номер по порядку | ||
Дата поверки | ||
Наименование предприятия-изготовителя | ||
Тип и порядковый номер счетчика по системе нумерации предприятия-изготовителя | ||
Диаметр условного прохо^ |
ца, мм | |
Поверочный расход, м7ч |
S к W о ]э о Ф -о | |
Число импульсов, N | ||
Показания счетчика, м^ | ||
Показания по мере вме-стимости, м^ | ||
Относительная погрешность, % | ||
Поверочный расход, м^/ч |
S КЗ W 2 ф m ф о 5 X S л Ф "О S | |
Число импульсов, N | ||
Показания счетчика, м^ | ||
Показания по мере вместимости, м^ | ||
Относительная погрешность, % | ||
Поверочный расход, м^/ч |
S CJ W 2 ф m Ф О 5 X S о » Ф "О | |
Число импульсов, N | ||
Показания счетчика, м^‘ | ||
Показания по мере вместимости, м^ | ||
Относительная погрешность, % | ||
Заключение (пригоден или нет) |
Поверитель
подпись
И. О. Фамилия
Дата поверки
Приложение И ПРОТОКОЛ ПОВЕРКИ СЧЕТЧИКА
Номер по порядку | |
Номер линии, в которой установлен счетчик | |
Наименование предприятия-изготовителя | |
Тип и порядковый номер счетчика по системе нумерации предприятия - изготовителя | |
Диаметр условного прохода счетчика , мм | |
Поверочный расход Qj, м^/ч | |
Среднее значение частоты для линии 1, Гц, f| | |
Среднее значение частоты для линии II, Гц, Гц | |
Коэффициент соотношения расходов для линии 1(11), А|(||) А|(||) fi +fii | |
Показания счетчика до поверки , м^, Vh | |
Показания счетчика после поверки , м^, Vk | |
Значение объема, показанное счетчиком, м^, Vc4 Vc4 = Vk - Vh | |
Число импульсов с эталонного расходомера-счетчика, N1, имп. | |
Значение объема по эталонному расходомеру-счетчику, м^, Уэс. N1 7эт- : К] - Kj |
• |
Относительная среднеинтегральная погрешность, %, Д и Vc4 - А|(||)7эт Ди 1(11) = • 100% А|(||)7эт | |
Заключение (пригоден или нет к эксплуатации) |
Поверитель
подпись
И. О. Фамилия
Дата поверки
Приложение К
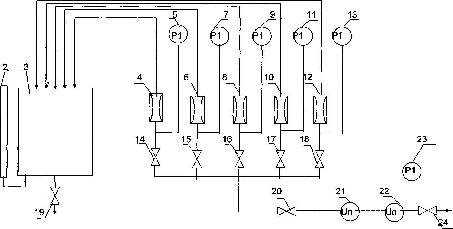
ПРИНЦИПИАЛЬНАЯ СХЕМА И ОСНОВНЫЕ ТРЕБОВАНИЯ К УСТАНОВКЕ ТИПА “ПРОЛИВ-М”
Принципиальная схема установки типа “ПРОЛИВ-М” приведена на рис. К.1.
Примечания:
-
1. Значение объемов воды, измеряемые эталонным счетчиком на каждом из значений поверочных расходов в зависимости от Ду поверяемого счетчика, должны быть не менее значений, приведенных в табл. 11 или 12 настоящей рекомендации.
-
2. Установки оснащают подсоединительными рукавами (шлангами) с диаметрами условного прохода не менее 3/4” для “ПРОЛИВ-М 10” и штуцерами 3/2” для “ПРОЛИВ-М50”.

1- блок электронный; 2- счетчик импульсов (объема); 3- счетчик импульсов (объема) с предустановкой;
4-частотомер (расходомер); 5- усилитель-преобразователь; 6- блок питания; 7,8- кабель; 9,10- узел съема сигналов; 11- блок гидравлический; 13- манометр; 14,15,20,22- вентили; 16- счетчик эталонный; 17,18- рукав; 19-счетчик поверяемый; 21-заглушка; 23- головка оптоэлектронная
Рис. К.1.
Приложение Л
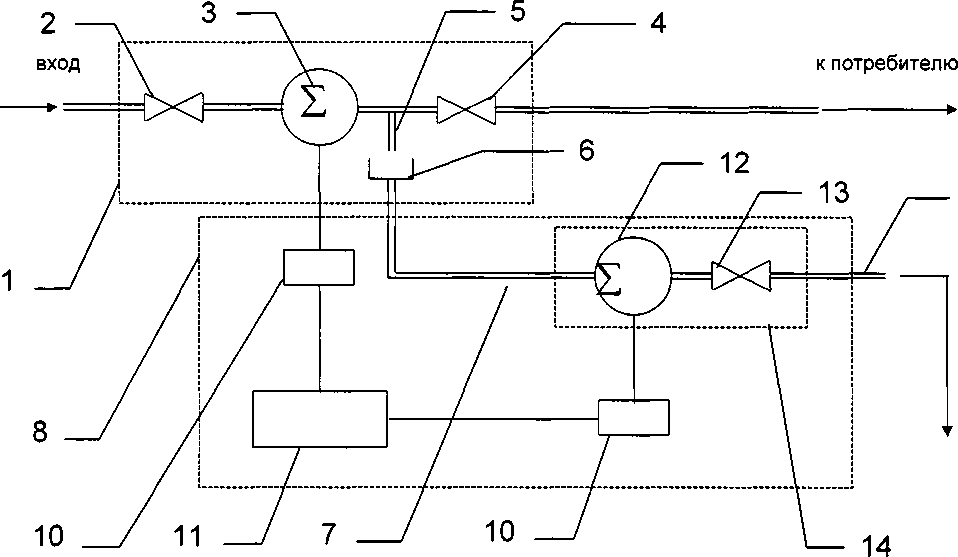
Поверку проводят на месте эксплуатации счетчиков без их снятия с магистрали, путем последовательного подсоединения установки “ПРОЛИВ-М” к поверяемому счетчику. С этой целью узел установки счетчика воды дополняют патрубком отбора расхода на установку “ПРОЛИВ-М” в соответствии с рис. Л.1, либо, при поверке счетчиков с Ду 10мм или 15 мм в квартире собирают схему в соответствии с рис.Л. 2.
При поверке счетчиков воды в узле установки счетчика (рис. Л.1) закрывают входной и выходной вентили 2 и 4, снимают заглушку 6 и к патрубку отбора подсоединяют входной гибкий шланг 7 установки “ПРОЛИВ-М”. На поверяемый счетчик 3 и эталонный счетчик установки 12 надевают оптоэлектронные узлы съема сигналов 10, которые соединяют кабелями с электронным блоком 11. С помощью вентиля регулирования расхода установки 13 (при полностью открытом вентиле 2 и полностью закрытом вентиле 4) по показаниям электронного блока устанавливают последовательно пять значений поверочных расходов, указанных в таблице 10 настоящей рекомендации и на каждом значении поверочного расхода по показаниям электронного блока пропускают объем, указанный в таблице 11 или 12 настоящей рекомендации. ;
После поверки ставят заглушку и открывают вентили 2 и 4.
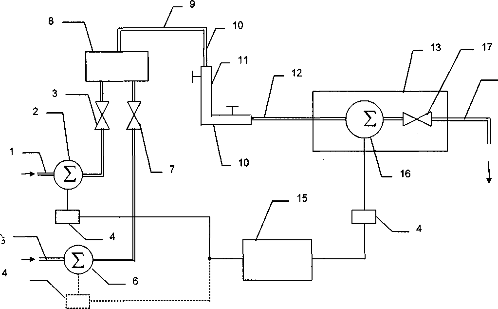
При поверке квартирных счетчиков гидравлическую схему собирают в соответствии с рис. Л.2 .
При поверке счетчиков холодной воды кран горячей воды 7 полностью закрывают, а кран холодной воды 3 полностью открывают. При поверке счетчика горячей воды кран холодной воды закрывают, а кран горячей воды полностью открывают. Поверку счетчиков проводят так же, как и на узле установки счетчиков.
Принципиальная гидросистема узла установки счетчика воды для
подключения поверочной установки “ ПРОЛИВ-М”


-
1. Узел установки счетчика воды.
-
2. Входной вентиль.
-
3. Поверяемый счетчик.
-
4. Выходной вентиль.
-
5. Патрубок отбора воды на установку типа “П[^’ОЛИВ-М”
-для “ПРОЛИВ-М 10”: резьба 3/4” -для “ПРОЛИВ-М50”: резьба 3/2”.
-
6. Резьбовая заглушка с уплотнением.
-
7. Входной гибкий шланг.
-
8. Установка “ПРОЛИВ-М”.
-
9. Выходной гибкий шланг.
-
10. Оптоэлектронный узел съема сигналов.
-
11. Электронный блок.
-
12. Эталонный счетчик установки.
-
13. Вентиль регулирования расхода установки.
-
14. Блок гидравлический.
Рис.Л.1
Принципиальная гидросхема подключения установки “ПРОЛИВ-М10” для поверки счетчиков воды Ду=1О или 15 мм в квартирах


-
1. Вход холодной воды.
-
2. Счетчик холодной воды.
-
3. Кран холодной воды.
-
4. Оптоэлектронный узел съема сигналов.
-
6. Вход горячей воды.
-
7. Кран горячей воды.
-
8. Смеситель квартирной мойки.
-
9. Поворотный патрубок мойки.
-
10. Хомуты обжатия шлангов.
-
11. Гибкий шланг подключения к поворотному патрубку мойки.
-
12. Гибкий входной шланг шланг установки “ПРОЛИВ-М10”.
-
13. Установка “ПРОЛИВ-М10” (гидравлический блок).
-
14. Выходной гибкий шланг установки “ПРОЛИВ-М10”.
-
15. Электронный блок.
-
16. Эталонный счетчик установки.
-
17. Вентиль регулирования расхода установки.
Примечание: узел съема сигналов устанавливают либо на счетчик холодной воды, либо - горячей.
Рис.Л.2
Приложение М
Протокол поверки счетчика на поверочной установке ПРОЛИВ-М
Номер по порядку | |
Дата поверки | |
Наименование предприятия, проводившего поверку | |
Тип и порядковый номер счетчика по системе нумерации предприятия-изготовителя | |
Среднеинтегральная относительная погрешность, % | |
Заключение (пригоден или нет) |
Поверитель
подпись
И. О. Фамилия
Дата поверки
Приложение Н
ПЕРЕЧЕНЬ
стандартов и документов, использованных при разработке настоящей рекомендации
1. ГОСТ 8.156-83
геи. Счетчики холодной воды. Методы и средства поверки.
2. ГОСТ 14167-83
Счетчики холодной воды турбинные. Технические условия.
3. ГОСТ 28723-90Е
Расходомеры скоростные, электромагнитные и вихревые.
Общие технические требования и методы испытаний.
4. ГОСТ Р 50193.1-92
(ИСО 4064/1-77)
Измерение расхода воды в закрытых каналах Счетчики для холодной питьевой воды. Часть1. Технические требования
5. ГОСТ Р 50193.2-92
(ИСО 4064/2-78)
Измерение расхода воды в закрытых каналах Счетчики для холодной питьевой воды. Часть2. Требования к установке.
6. ГОСТ Р 50193.3-92 (ИСО 4064/3-83)
Измерение расхода воды в закрытых каналах Счетчики для холодной питьевой воды. ЧастьЗ. Методы испыз-аний и оборудование.
7.ГОСТ Р 50601-93
(ГОСТ 6019-83)
Счетчики питьевой воды крыльчатые. Общие технические условия.
8. СН и П2.04.01-85
Внутренний водопровод и канализация зданий.
9. Сборник научных трудов АКХ им. К.Х. Панфилова ОНТИ, Москва, 1989г.
Вопросы рационального использования воды и повышения эффективности работы систем коммунального водоснабжения.
МИ 1592-96 стр.25 ПРИЛОЖЕНИЕ 2 Обязательное
ОСНОВНЫЕ ТРЕБОВАНИЯ И ХАРАКТЕРИСТИКИ УСТАНОВКИ С ОБРАЗЦОВЫМ СРЕДСТВОМ «ПРОЛИВ-80». «ПРОЛИВ-50» И МЕТОДИКА ПОВЕРКИ
1.Установка для узла, блока управления фильтра- аккумулятора,
поверки водосчетчиков
переключателя потока образцового средства
должна состоять из измерительного
, насоса, щита, пульта управления, «ПРОЛИВ-80», «ПРОЛИВ-50» трех
вентилей, двух шаровых кранов, трубной обвязки.
Принципиальная схема установки приведена на рис.1.
Примечания:
-
1.1. измерительный узел должен представлять собой металлический резервуар сложной конфигурации, разделенный металлической перегородкой на измерительную и пролетную емкости, вместимостью1,5 м^’ каждая. Площадь сечения верхней и нижней частей измерительной емкости должна быть уменьшена, что позволяет измерять объём воды с погрешностью до ± 0,15 %. На резервуаре должен быть укреплен на металлической раме переключатель потока. Измерительная емкость должна быть снабжена герметически установленной стеклянной трубкой и измерительной линейкой.
-
1.2. Фильтр -аккумулятор должен представлять собой герметичную емкость, внутри которой должен быть установлен фильтр в виде емкости со стенками из металлической сетки.
-
1.3. Образцовое средство «ПРОЛИВ-80», «ПРОЛИ^В-50» представляет собой трубопровод Ду = 80, в котором последовательно монтируются струевыпрямитель, термометр образцовый турбинный расходомер - счетчик РСТО-80. После образцового счетчика трубопровод разветвляется на две параллельные линии 1 и 2, в каждой из которых последовательно монтируются специально доработанный шаровый кран, струевыпрямитель и стол с лотком для монтажа поверяемых водосчетчиков, компенсатор длины трубопровода, манометр. Шаровые краны в параллельных линиях трубопровода подсоединены к приводу. Пробковые части шаровых кранов смещены относительно друг друга на 90 ° и приводятся в движение приводом, так что когда один шаровой кран полностью открыт, другой полностью закрыт.
-
1.4. Поверочный расход (Он, О,50н, О,20н) должен устанавливаться по частоте следования импульсов с образцового расходомера-счетчика.
-
1.5. Допускается в составе поверочной установки применять автоматизированные системы управления работой установки, измерения, регистрации и обработки результатов поверки.
пй 1592-96 стр. 26
2. Определение относительной среднеинтегральной погрешности турбинных счетчиков на установке с образцовый средствоя "ПРОЛйВ-бО"
-
2.1. Измерение проводить в течение 10 кинут на нокинальнок расходе.
Результаты изнерения записать в таблицу 1.
-
2.1.1. Среднеинтегральная относительная погрешность счетчика определяется в процентах по Форяуле
Д и 1(2)
VoSpl(2)
где Усч1(2) - объем показанный поверяемым счетчиком, находяцинся в 1(2) измерительной установки, к , определяемый как разность мекду конечным по отсчетному устройству, или
тельной установки,
Ук и начальник Ун вкаченияки
где N1(2) - число импульсов, сов с узла съема
- передаточный коз' ента
игнерения.: еначения ко5|?ици“ (л/'инп.) приведенн в паспорте на прибор прошедшее по 1(2)
действительное значение объема воды, тельной линии установки, м-'^;
Vot.nl(2) = И(2) Уобр
в1{2} - коэффициент соотношения расходов по 1 и 2 измерительных линиям установки для 1(2) измерительной линии;
А1(2| =
fl + f2
fl(2) - среднее значение частоты для 1(2) изнерительной линии^ определяется как среднее значение для двух изкерений частоты в йзнерительной линии 1{2};
Уобр - действительное значение обьена воды, прошедшей через образцовое средство установки,
Ni
Kj
J8 1592-56 стр. 27
Ni - число инпульсоБ,
__ чика за Бремя изаерения;
Kj - коэффициент преобразования образцового счетчика для j-r расхода, и.чп./л
показанное частотонерон о&рззцоБого ече
2.1i2, Отноойтельна.ч среднекнтегральная погрешность поБер.ченого счетчика so^ ;*;на находиться б пределах ;
для счетчикоБ холодной и гор.ячей бодк
•■7-
1,8 л
Влюк. ЯШ
1
rij,’3ii.T

Проянв-80
0Н
ЕШ КО ВГО
ч
В-измфнте/гьный j'aen, Блок КШ-блон уцрэметня !11ерЕ!»;?гвл«з.те?1-Н!| ncittwia, nK-nejx!:Mc>4<*Tej]j ногоел НМ-иаеос, ВН1...ВВ?3-~за|,и|рв:1аш, НО-жтилав •С'братш.ш, АК~ ор, НП1£..М114-Ераны шй-
ровые, <ЗВ1.,,1Ж“СТру+звыпрямитеш1, Т-^ермометр. ОС-ойрад-цовий счетчик, П-лрквод, СЛи'Ж-лсукн с м»нтир|уемь1м на них ллверяж^мымн счегчиЕаки, ECl.^-H'XXMirieBflcaT-Dp лдлнхгх ipyfionpoBO^as. )1!1,М2--и.ана--ыетры.
Рл;с» 1