Методика поверки «СЧЕТЧИК ЭЛЕКТРИЧЕСКОЙ ЭНЕРГИИ ТРЕХФАЗНЫЙ СТАТИЧЕСКИЙ МАЯК 302АРТД» (МП МНЯК.411152.022)
УТВЕРЖДАЮ
/
Директор
ФБУ «Нижегородский ЦСМ»

Инв № лодп Подл и дата Взам инв N9 I Инв N9 дубл | Подл и дата
СЧЕТЧИК ЭЛЕКТРИЧЕСКОЙ ЭНЕРГИИ ТРЕХФАЗНЫЙ СТАТИЧЕСКИЙ МАЯК 302АРТД
Пр иложениеВ
Методика поверки
МНЯК.411152.022
/Vр СЪ'эЗСодержание
-
1 Вводная часть
Приложение А Блок-схемы подключения счетчика к IBM PC
16
Подп. и дата | |
С ю > OI И cd I S | |
Взам инв № | |
I Подп. и дата | |
I Инв. № подп. |
Изм |
Лист |
№ докум. |
Подл. |
Дата |
Разраб. |
Дорошенко | |||
Проверил |
Шагин | |||
Мет Н.к |
р. экс | |||
энтр. | ||||
Утвер- |
Налькин 4 |
Счетчик электрической энергии трехфазный статический'
МАЯК 302АРТД
Руководство по эксплуатации Ппипожение. R Метопикя плиепки
Лит. оГГ'
Лист Листов
1 Вводная часть
-
1.1 Настоящая методика составлена с учетом требований Приказа Минпром-торга№ 1815 от 02.07.15, РМГ-51-2002, ГОСТ 8.584-2004, ГОСТ 31818.11-2012, ГОСТ 31819.22-2012, ГОСТ 31819.21-2012, ГОСТ 31819.23-2012 и устанавливает методику первичной, периодической и внеочередной поверки счетчиков, а также объем, условия поверки и подготовку к ней.
Настоящая методика распространяется на счетчики электрической энергии трёхфазные статические МАЯК 302АРТД (далее счетчики).
При выпуске счетчиков на заводе-изготовителе и после ремонта проводят первичную поверку.
Первичной поверке подлежит каждый счетчик.
Интервал между поверками 16 лет.
Периодической поверке подлежат счетчики, находящиеся в эксплуатации или на хранении по истечении интервала между поверками.
Внеочередную поверку проводят при эксплуатации счетчиков в случае:
-
- повреждения знака поверительного клейма (пломбы) и в случае утраты паспорта;
-
- ввода в эксплуатацию счетчика после длительного хранения (более одного интервала между поверками );
-
- при известном или предполагаемом ударном воздействии на счетчик или неудовлетворительной его работе;
-
- продажи (отправки) потребителю счетчика, не реализованного по истечении срока, равного одному интервалу между поверками
Инв. № подп. Подп. и дата Взам. инв. № Инв. №nv6n. I Подп. и дата
Изм |
Лист |
No докум. |
Подп. |
Дата |
Лист
2 Операции и средства поверки
-
2.1 Операции поверки
-
2.1.1 При проведении поверки должны быть выполнены операции, перечисленные в таблице 1.
Последовательность операций проведения поверки обязательна.
Инв. № подп. Подп. и дата Взам. инв. № Инв. № дубл. Подл, и дата
Таблица 1
Наименование операции |
Номер пункта настоящей методики |
Необходимость проведения операции при | |
первичной поверке |
периодической поверке | ||
Внешний осмотр |
5.1 |
да |
да |
Подтверждение соответствия программного обеспечения (ПО) |
5.2 |
да |
да |
Проверка электрической прочности изоляции |
5.3 |
да |
да |
Проверка стартового тока |
5.4 |
да |
да |
Проверка отсутствия самохода |
5.5 |
да |
да |
Проверка функционирования счетчика Определение погрешности измерения активной и реактивной энергии, мощности прямого и обратного направления, тока, напряжения и частоты, точности хода часов внутреннего таймера |
5.6 |
да |
да |
Оформление результатов поверки |
6 |
да |
да |
2.2 Средства поверки
2.2.1 Для проведения поверки должно быть организовано рабочее место, оснащенное средствами поверки в т. ч вспомогательными устройствами в соответствии с таблицей 2.
Таблица 2
Номер пункта методики поверки |
Наименование и тип основного или вспомогательного средства поверки; метрологические и основные технические характеристики средства поверки |
5.1 |
Требования ГОСТ 31818.11-2012 |
5.2 |
Тестовое программное обеспечение на магнитных носителях «mayak_meter.exe» и «ChannelDriver_rf+plc»*. Персональный компьютер IBM PC. Устройство сопряжения оптическое УСО-2 Скорость передачи данных 9600 бит/с |
5.3 |
Прибор для испытания электрической прочности УПУ-10. Испытательное напряжение до 4 кВ, погрешность установки напряжения ± 5 % |
Изм |
Лист |
№ докум. |
Подп. |
Дата |
Лист
Инв. № поди. Подп. и дата Взам. инв. № Инв. № дубл. Подп. и дата
Продолжение таблицы 2
Номер пункта методики поверки |
Наименование и тип основного или вспомогательного средства поверки; метрологические и основные технические характеристики средства поверки |
5.4 |
Установка для поверки счетчиков электрической энергии автоматизированная УАПС-1М: номинальное напряжение 3x57,7 В, 3x230 В, ток (0,001-100) А, погрешность измерения активной энергии ±0,15 %, реактивной энергии ± 0,3 %. |
5.5 |
Источник питания Б5-50: постоянное напряжение от 1 до 300 В, ток до 300 мА, погрешность установки: напряжения ±(0,5%11уст+ 0,1%имакс) В, тока ±(1%1уст± 0,2%1макс) А. Секундомер СОСпр-2б-2. Диапазон измерения (0-60) мин. ПГ ± 1,8 с за 60 мин. Установка для поверки счетчиков электрической энергии автоматизированная УАПС-1М: номинальное напряжение 3x57,7 В, 3x230 В, ток (0,001-100) А, погрешность измерения активной энергии ±0,15%, реактивной энергии ± 0,3 %. |
5.6 |
Источник питания Б5-50: постоянное напряжение от 1 до 300 В, ток до 300 мА, погрешность установки: напряжения ±(0,5%UycT± 0,1%имакс) В, тока ±( 1 %1уст± 0,2%1макс) А. Персональный компьютер IBM PC. Тестовое программное обеспечение на магнитных носителях «mayak_meter.exe» и «ChannelDriver_rf±plc»*. Установка для поверки счетчиков электрической энергии автоматизированная УАПС-1М: номинальное напряжение 3x57,7 В, 3x230 В, ток (0,001-100) А, погрешность измерения активной энергии ±0,15%, реактивной энергии ± 0,3 %. Устройство сопряжения оптическое УСО-2 Скорость передачи данных 9600 бит/с. Модем PLC М-2.02. Радиомодем ISM М-4.03. GSM-коммуникатор. Частотомер электронно-счетный 43-63: диапазон измеряемых частот 0,1 Гц - 100 МГц; погрешность измерения 1 10~6 |
Примечание-Допускается проведение поверки счетчиков с применением средств поверки, не указанных в таблице 3, но обеспечивающих определение и контроль метрологических характеристик поверяемых счетчиков с требуемой точностью.
3 Требования безопасности
-
3.1 При проведении поверки должны быть соблюдены требования «Правил технической эксплуатации электроустановок потребителей» и «Правил техники безопасности при эксплуатации электроустановок потребителей», а так же требования раздела 1 руководства по эксплуатации МНЯК.411152.022РЭ и соответствующих разделов из документации на применяемые средства измерений и испытательное оборудование.
-
3.2 К работе на поверочной установке допускаются лица, прошедшие инструктаж по технике безопасности.
Изм |
Лист |
N2 докум. |
Подп. |
Дата |
Лист
4 Условия поверки и подготовка к ней
-
4.1 Порядок представления счётчиков на поверку должен соответствовать требованиям Приказа Минпромторга № 1815 от 02.07.15.
-
4.2 При проведении поверки должны соблюдаться условия:
-
- температура окружающего воздуха, °C........................................23 ± 2
-
- относительная влажность воздуха, %.....................................от 30 до 80
-
- атмосферное давление, мм. рт. ст......................................от 630 до 795
-
- внешнее магнитное поле................................................по ГОСТ 31818.11
-
- напряжение источника переменного тока, В...............................230 ± 2,3
-
- частота измерительной сети, Гц...............................................50 ± 0,15
-
- форма кривой напряжения и тока измеряемой сети синусоидальная с коэффициентом искажения, % :
для класса точности 0,5S, 1............................................не более 2
-
4.3 Перед проведением поверки необходимо изучить МНЯК.411152.022РЭ «Руководство по эксплуатации».
-
4.4 Поверка должна производиться на аттестованном оборудовании и с применением средств поверки, имеющих действующее клеймо или свидетельство о поверке.
Инв. № подп. Подп. и дата Взам. инв. № Инв. №дубл. Поди, и дата
Изм
Лист
№ докум.
Подп.
Дата
Инв. № подп. Подп. идата Взам. инв. № Инв. №nv6n. Подп. и дата
5 Проведение поверки
-
5.1 Внешний осмотр
-
5.1.1 При внешнем осмотре должно быть установлено соответствие счетчика следующим требованиям:
-
- лицевая панель счетчика должна быть чистой и иметь четкую маркировку в соответствии требованиям ГОСТ 31818.11-2012;
-
- во все резьбовые отверстия токоотводов должны быть ввернуты до упора винты с исправной резьбой;
-на клеммной крышке счетчика должна быть нанесена схема подключения счетчика к электрической сети;
-
- в комплекте поставки счетчика должен быть формуляр МНЯК.411152.022 ФО и руководство по эксплуатации МНЯК.411152.022 РЭ.
-
5.2 Подтверждение соответствия программного обеспечения (ПО)
-
5.2.1 Метрологически значимая часть встроенного программного обеспечения имеет следующие идентификационные признаки:
-
- название программного обеспечения - ПО_МАЯК 302АРТД;
-
- версия программного обеспечения - 00.00.27;
-
- значение контрольной суммы программного обеспечения - 0x5C2D.
Для проверки соответствия ПО предусмотрена идентификация метрологически значимой части ПО. Идентификация проводится посредством оптопорта. Проверка может быть выполнена следующим способом. Подключите счётчик к компьютеру в соответствии со схемой А.1 Приложения А. Включите питание персонального компьютера. Запустите программу конфигурирования приборов учета МАЯК «mayak_meter.exe».
В разделе меню «Общие данные» в поле «Идентификатор ПО» появится номер версии программного обеспечения и контрольная сумма.
Вывод об аутентичности метрологически значимой части программного обеспечения принимается по результатам сравнения вычисленной контрольной суммы встроенного ПО со значением вышеприведенной контрольной суммы.
-
5.3 Проверка электрической прочности изоляции
-
5.2.1 При проверке электрической прочности изоляции испытательное напряжение подают, начиная с минимального или со значения рабочего напряжения. Увеличение напряжения до испытательного значения следует производить плавно или равномерно ступенями за время (10 - 15) с.
-
5.2.2 При достижении испытательного напряжения, счетчик выдержать под его воздействием в течение 1 мин, при этом контролировать отсутствие пробоя, затем плавно уменьшить испытательное напряжение. Точки приложения испытательного напряжения и величина испытательного напряжения приведены в таблице 3.
Изм
Лист
Ns докум.
Подп.
Дата
МНЯК.41 И 52.022РЭ1
Лист
Таблица 3
Номера контактов счетчика, между которыми прикладывается испытательное напряжение |
Величина напряжения, кВ | |
1 -8, ХТ1-ХТЗ |
«земля»; ХТ4-ХТ5 |
4 |
ХТ6 |
ХТ4, ХТ5 |
2 |
ХТ4 |
ХТ5 |
2 |
Инв. № подо. Подп. и дата Взам. инв. № Инв. № дубл. Подп. и дата
Результат проверки считается положительным, если электрическая изоляция счётчика, при закрытом корпусе и закрытой крышке зажимов, выдерживает испытательное напряжение переменного тока частотой 50 Гц в течение 1 минуты.
Во время испытаний не должно быть искрения, пробивного разряда или пробоя.
-
5.3 Проверка функционирования счетчиков
-
5.3.1 Опробование функционирования проверяемого счетчика проводят на измерительной установке УАПС-1М при номинальном значении напряжения (3><230 В или
В), базовом или номинальном значении тока в каждой фазе и коэффициенте мощности, равном единице.
Обмен информацией со счетчиком производится с помощью персонального компьютера (IBM PC) и программы конфигурирования приборов учета МАЯК « may akjneter. exe ».
Подключение к последовательному порту компьютера осуществляется через устройство сопряжения оптическое (УСО-2) в соответствии с блок-схемой, приведенной на рисунке приложения А.
После подачи питания на счетчик начинают светиться все сегменты ЖКИ индикатора. После этого счетчик переходит в автоматический режим индикации накопленной энергии по тарифам.
На восьмиразрядном табло циклически в автоматическом режиме и посредством нажатия кнопок отображаются:
-
- накопленная активная и реактивная энергия прямого и обратного направления по тарифам и по сумме;
-
- накопленная активная и реактивная энергия по модулю независимо от направления по тарифам и по сумме;
-
- дата и время;
-
- действующее значение текущего напряжения по каждой из трех фаз;
-
- действующее значение текущего тока по каждой из трех фаз;
-
- частота;
-
- текущая температура (справочно);
-
- текущая активная мощность прямого и обратного направления по каждой из трех фаз и по сумме;
-
- текущая реактивная мощность прямого и обратного направления по каждой из трех фаз и по сумме;
-
- текущая полная мощность прямого и обратного направления по каждой из трех фаз и по сумме;
-
- косинус ф (справочно);
-
- тангенс ср (справочно);
-
- действующий тари;.
-
- состояние встроенной батареи;
Изм
Лист
№ докум.
Подп.
Дата
МНЯК.411152.022РЭ1
Лист
Инв. № подп. Подп. и дата Взам. инв. № Инв. № дубл. Подп. и дата
-
- состояние встроенных модемов;
-
- состояние реле управления нагрузкой.
Индицируемая цифра рядом с буквой Т в верхнем правом углу индикатора указывает на действующий в данное время тариф.
Перевод в режим измерения энергии осуществляется длительным нажатием кнопки на лицевой панели счетчика.
Свечение индикатора возле надписи «кВт-ч» обозначает, что измеряется активная энергия. Свечение индикатора возле надписи «кВар-ч» обозначает, что измеряется реактивная энергия.
Включите питание персонального компьютера. Запустите программу конфигурирования приборов учета МАЯК «mayak_meter.exe». В разделе меню «Настройки» выберите пункт «Порт». В появившемся окне выберите номер порта, к которому подключен счетчик, и нажмите «Открыть». Затем перейти к разделу меню «Приемка», где выбрать «Функционирование». При нажатии кнопки «Добавить» происходит автоматическое добавление номера счетчика.
После нажатия кнопки «Тест» производится тестирование счетчика, подключенного к компьютеру. В появившемся окне должна появиться надпись «Годен».
При данной проверке проверяется и функционирование оптопорта. При получении соответствующих ответов об установлении тарифного расписания, адреса потребителя, лимитов мощности и электроэнергии функционирование интерфейса связи считается правильным.
Проверка интерфейсов связи:
а) для проверки интерфейса PLC и радиоинтерфейса подключите счетчики как указано на приведенных в приложении А схемах на рисунках А.З и А.4.
б) запустите программу «ChannelDriver_rf+plc.exe», окно которой имеет вид, представленный на рисунке 1.
iOchannelDriver vO.O.l
Время
1 Описание события
Старт
Cron |. - П Цистры |
Рисунок 1 - Внешний вид окна программы «ChannelDriver_rf+plc.exe»
Изм |
Лист |
N2 докум. |
Подп. |
Дата |
в) выберите порт концентратора и программы посредством нажатия на кнопку «Параметры» в появившемся окне, внешний вид которого представлен на рисунке 2.
■ I.C1 х.(
Описание события
Параметры
пс^£ДМко^а<ратира "7[ 1152(Ю-8-п4
порт СОМ программы Р у] 96КМИ4
|СМ |
серийный номер модема |...................................
I rf plc ". ■ ■ г ..: WMifil
-.......................C-Jуууу||||||||||<: ; у -
Старт
Параметры
Вьйод
Рисунок 2 - Внешний вид окна выбора СОМ портов
Инв. № подп. Подп. и дата Взам. инв. № Инв. №дубл. Подп. и дата
г) укажите в этом же окне серийный номер радиомодема, который находится в разделе 2 формуляра счетчика МНЯК.411152.022ФО.
д) выберите объект проверки (RF - радиомодем, PLC - PLC-модем)
е) нажмите последовательно кнопки «Применить» и «Старт».
ж) запустите программу «mayak_meter.exe».
з) дальше действуйте согласно проверке функционирования счетчика.
Проверка GSM интерфейса производится после включения счетчика по схеме, указанной на рисунке приложения А.5 и запуска программы конфигурирования приборов учета МАЯК 302АРТД «mayak_meter.exe». Счетчик передает по GSM-каналу запрашиваемую информацию.
При получении соответствующих ответов об установлении тарифного расписания, адреса потребителя, лимитов мощности и электроэнергии функционирование интерфейса связи считается правильным.
-
5.3.2 Для проверки правильности работы счетного механизма счетчик необходимо подключить к персональному компьютеру и к измерительной установке УАПС-1М, и установить:
-
- номинальное напряжение в параллельных цепях счетчика;
-
- ток 7,5 А в каждой фазе;
-
- коэффициент мощности, равный 0,5 инд.
Через 180 с после включения по данным, считанным с персонального компьютера, необходимо убедиться, что:
Изм |
Лист |
№ докум. |
Подп. |
Дата |
МНЯК.41 И 52.022РЭ1
-
- в счетчике с номинальным напряжением 230 В приращение активной энергии увеличилось на (0,129±0,012) кВт-ч, а реактивной энергии на (0,222±0,022) квар-ч;
-
- в счетчике с номинальным напряжением 57,7 В приращение активной энергии увеличилось на (0,0324±0,003) кВт-ч, а реактивной энергии на (0,0558±0,005) квар-ч.
-
5.4 Проверка стартового тока (чувствительности)
-
5.4.1 Проверка стартового тока (чувствительности) производится на установке УАПС-1М методом непосредственного сличения при номинальном напряжении, при коэффициенте мощности, равном единице, и значении тока в каждой фазе, приведенном в таблице 4.
Проверка проводится для прямого и обратного направления.
Таблица 4
Инв. № подл. Подл, и дата Взам. инв. № Инв. №дубл. Подл, и дата
Перед началом проверки необходимо перевести импульсные выходы счетчика в режим поверки.
Результаты поверки считаются положительными, если погрешность измерения активной и реактивной энергии находится в пределах ± 30 %.
5.5 Проверка отсутствия самохода
5.5.1 При поверке отсутствия самохода установите в параллельной цепи счетчика напряжение 1,15 Uhom.
Ток в последовательной цепи должен отсутствовать. Перед началом проверки необходимо перевести импульсные выходы счетчика в режим поверки.
При поверке самохода можно использовать схему, приведенную на рисунке 3.
АЛ307БМ

Рисунок 3 - Схема подключения светодиодного индикатора к импульсным выходам счетчика
Изм |
Лист |
Ns докум. |
Подп. |
Дата |
Лист
Базовый или номинальный (максимальный) ток, А |
Стартовый ток, А | ||
При измерении активной энергии |
При измерении реактивной энергии | ||
Класс точности 0,5S |
Класс точности 1 | ||
5(100) |
- |
0,02 |
0,02 |
5(Ю) |
0,005 |
- |
0,01 |
С помощью секундомера необходимо убедится, что период мигания светового индикатора (АЛ307БМ) в режиме поверки не более указанного в таблице 5:
Таблица 5
Базовый или номинальный (максимальный) ток, А |
Постоянная счетчика,* имп./(кВт-ч) [имп./(квар-ч)] |
Время, в секундах | ||
Счетчики непосредственного включения Ином = Зх(120-230) В |
Счетчики, включаемые через трансформатор | |||
инОм=Зх(120-230) В |
Ином = 3x57,7 В | |||
5(100) |
16000 |
33 |
- |
- |
5(Ю) |
160000 |
- |
33 |
130 |
Инв. № подл. Подл, и дата Взам. инв. № Инв. № дубл. Подл, и дата
Примечание - Для поверки по п.5.4 и п.5.5 допускается использовать аттестованный стенд.
5.6 Определение метрологических характеристик
-
5.6.1 Погрешность счетчика при измерении активной и реактивной энергии и мощности прямого и обратного направления, фазного напряжения, тока и частоты определяют методом непосредственного сличения на установке УАПС-1М.
Перед началом поверки прогрейте счетчик в течение 20 минут.
-
5.6.2 Последовательность испытаний, информативные параметры входного сигнала и пределы допускаемого значения основной погрешности при измерении активной и реактивной энергии и мощности прямого и обратного направления приведены в таблицах 6-9.
При измерении активной энергии и мощности прямого и обратного направления поверка счетчика:
-
- класса точности 1 непосредственного включения проводится при значениях информативных параметров входного сигнала, указанных в таблице 6;
-
- класса точности 0,5 S, включаемых через трансформатор, проводится при значениях информативных параметров входного сигнала, указанных в таблице 7.
Таблица 6 - Информативные параметры при измерении активной энергии и мощности для счетчиков непосредственного включения класса точности 1
Номер испы-тания
Информативные параметры входного сигнала
Пределы допускаемой погрешности, %
Время измерения, с
напряжение, В
ток, A
COS ф
основной режим
режим поверки
1*
3xUH0M
Зх1б
1
±1,0
-
10
2**
3xUH0M
Зх1б
0,5 инд.
±1,0
-
10
з**
3xUH0M
Зх1б
0,8 емк.
±1,0
-
10
4*
3xUHOm
1х1б
1
±2,0
-
10
I * испытания проводить только по мощности;
j * Испытания проводить по импульсам и по мощности.
МНЯК.411152.022РЭ1
Изм
Лист
№ докум.
Подп.
Дата
Лист
Таблица 7 - Информативные параметры при измерении активной энергии и мощности для
счетчиков класса точности 0,5S, включаемых через трансформатор | ||||||
Номер испы- |
Информативные параметры входного сигнала |
Пределы допускаемой по- |
Время измерения, с | |||
тания |
напряжен и е, В |
ток, A |
COS ф |
грешности,% |
основной режим |
режим поверки |
1* |
3xUH0M |
3xIH0M |
1 |
±0,5 |
- |
10 |
2** |
3xUH0M |
3xIHom |
0,5 инд. |
±0,6 |
- |
10 |
з** |
3xUH0M |
3xIHom |
0,8 емк. |
±0,6 |
- |
10 |
4* |
3xUHom |
1 xIH0M |
1 |
±0,6 |
- |
10 |
*испытания проводить только по мощности;
**испытания проводить по импульсам и по мощности.
При измерении реактивной энергии и мощности прямого и обратного направления поверка счетчика:
-
- класса точности 1 непосредственного включения проводится при значениях информативных параметров входного сигнала, указанных в таблице 8;
-
- класса точности 1, включаемых через трансформатор, проводится при значениях информативных параметров входного сигнала, указанных в таблице 9.
Инв. № подп. Подп. и дата Взам. инв. № Инв. №nv6n. Подп. и дата
Таблица 8 - Информативные параметры при измерении реактивной энергии и мощности для счетчиков непосредственного включения класса точности 1
Номер испытания
Информативные параметры входного
сигнала
Пределы допускаемой погрешности, %
Время измерения, с
напряжение, В
ток, А
sin ф
основной
режим
режим поверки
1*
3xUH0M
Зх1б
1
±1,0
10
2**
3xUH0M
Зх1б
0,5 инд.
±1,0
10
2**
ЗхИном
Зх1б
0,5 емк.
±1,0
10
4*
ЗхИном
Зх1б
0,25 инд.
±1,5
10
5*
3xUH0M
Зх1б
0,25 емк.
±1,5
10
6*
3xUH0M
1х1б
1
±1,5
1
-
10
*испытания проводить только по мощности;
* * и с п ытания проводить по импульсам и по мощности.___'
Таблица 9 - Информативные параметры при измерении реактивной энергии и мощности для счетчиков, включаемых через трансформатор, класса точности 1
Номер испытания
Информативные параметры входного сигнала
Пределы допускаемой погрешности, %
Время измерения, с
напряжение, В
ток, A
sin ф
основной
режим
режим поверки
1*
3xUHom
3xIH0M
1
±1,0
-
10
2**
ЗхИном
Зх1Ном
0,5 инд.
±1,0
10
з**
3xUH0M
3x Ihom
0,5 емк.
±1,0
10
4*
3xUH0M
3x Ihom
0,25 инд.
±1,5
10
5*
3xUHOm
3x Ihom
0,25 емк.
±1,5
10
6*
JXUhom
1 xIhom
1
±1,5
: 10
^испытания проводить только по мощности;
* * и с п ытания про водить по и мпульсам и по мощности.
Изм
Лист
Ns докум.
Подп.
Дата
Лист
Инв. № подп. Подп. и дата Взам. инв. № Инв. № nv6n. Подл, и дата
Результаты поверки считаются положительными, если счетчик соответствует заданному классу точности, и если при всех измерениях погрешность находится в пределах допускаемого значения погрешности, приведенных в таблицах 6 - 9, а разность погрешностей при симметричной и несимметричной нагрузке не превышает значений:
-
- при измерении активной нагрузки 1,5 % или 1,0 % для счетчиков класса точности 1 или 0,5S соответственно;
-
- при измерении реактивной нагрузки 2,5 %.
-
5.6.3 Определение основной погрешности измерения фазных напряжений производится методом сравнения со значениями напряжений, измеренными эталонным счетчиком установки УАПС-1М. Измерения производятся для каждой фазы сети для трех значений напряжений: Ином, 0,8 Ином, 1,15 Ином.
Для счетчиков с инОм=57,7 В измерения проводятся для значений напряжений 46 В, 57,7 В, 66 В. Для счетчиков с UH0M= (120-230) В измерения проводятся для значений напряжений 96 В, 120 В, 230 В, 265 В.
Погрешность измерения фазных напряжений рассчитывается по формуле
8и = [(иизм - Uo)/ ином] х 100 ,% , (1)
где 5и - приведенная к UH0M погрешность измерения фазных напряжений; иизм - значения фазных напряжений, измеренные проверяемым счетчиком; Uo - значения фазных напряжений, измеренные эталонным счетчиком.
Результаты поверки считаются положительными, если вычисленные погрешности измерения фазных напряжений находятся в пределах ± 0,9 %.
-
5.6.4 Определение основной погрешности измерения фазных токов производится методом сравнения со значениями токов, измеренными эталонным счетчиком установки УАПС-1М.
Измерения проводятся в каждой фазе при трех значениях тока: 1макс, 1ном (1б), 0,011ном (0,01 Н).
Погрешности измерения токов рассчитываются по формуле:
51 =[(1ИЗМ - Io)/ 1о] х 100 ,% (2)
где 1ИЗМ - значения токов, измеренные счетчиком;
1о - значения токов, измеренные эталонным счетчиком установки.
Результаты поверки считаются положительными, если вычисленные погрешности
измерения токов находятся в пределах значений, приведенных в таблице 10. Таблица 10
Значения номинального или базового тока, А |
Пределы допускаемой погрешности при значениях тока, % | ||
0,0 Ином (0,0 Пб) |
1ном (1б) |
1макс | |
5 (трансформаторного включения) |
±21,8 |
±2 |
±2 |
5 (непосредственного включения) |
±24,8 |
± 5 |
±5 |
Изм |
Лист |
№ докум. |
Подп. |
Дата |
МНЯК.411152.022РЭ1
-
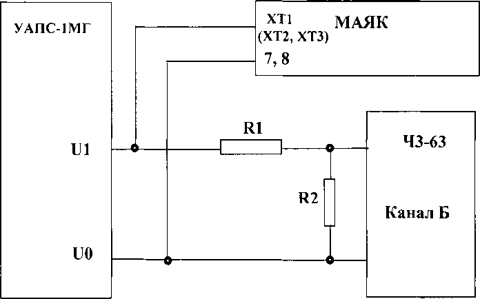
5.6.5 Определение основной погрешности измерения частоты проводится методом сравнения со значением частоты сети, измеренной частотомером 43-63 для трех значений частоты: 50 Гц, 47,5 Гц, 52,5 Гц.
Подключите частотомер к измеряемой сети в соответствии с рисунком 4.

Инв. № поди. Подп. и дата Взам. инв. № Инв. №дубл. Подп. и дата
R1 - С2-ЗЗН-1- 68 кОм ±5%
R2 - С2-ЗЗН-1- 2,2 кОм ±5%
Рисунок 4 - Подключение частотомера к установке УАПС-1М и счетчику
Для измерения периода фазного напряжения То необходимо органы управления частотомера установить в следующие положения:
-
- МЕТКИ ВРЕМЕНИ в состояние «10’6»;
-
- МНОЖИТЕЛЬ ПЕРИОДОВ в состояние «102 ».
Расчет частоты сети производится по формуле
Fo=103/To, Гц (3)
где То - период фазного напряжения, измеренный частотомером, мс.
Вычисление погрешности измерения частоты сети производится по формуле
5f = [( Ьизм -Fo) /Fo] x 100, % ( 4 )
где Fh3m - значение частоты, измеренное счетчиком, Гц;
Fo - значение частоты, измеренное частотомером, Гц.
Результаты поверки считаются положительными, если вычисленное значение погрешности измерения частоты находится в пределах ± 0,15%.
-
5.6.6 Определение точности хода часов внутреннего таймера
Точность хода часов обеспечивается программно-аппаратным комплексом счетчика и устанавливается при его калибровке. Контроль точности хода часов внутреннего таймера за сутки производить следующим образом. ПО МАЯК 302АРТД «mayak_meter.exe» считывает из счетчика дату последней установки времени (Т1), текущее время счетчика (Т2), текущее время на компьютере (ТО). Уход секунд за сутки (ДТ) вычисляется по формуле:
Г0-Т2
Изм |
Лист |
№ докум. |
Подп. |
Дата |
МНЯК.411152.022РЭ1
Системное время компьютера должно быть синхронизировано с интернет сервером точного времени (ntpl.stratum2.ru). Для считывания значений ТО, Tl, Т2 подключите оптопорт к последовательному порту компьютера в соответствии со схемой, приведенной на рисунке А.2 приложения А. Подключите питание к счетчику, запустите программу конфигурирования приборов учета МАЯК «mayak_meter.exe».
В разделе меню «Настройки» выберите пункт «Порт». В появившемся окне выберите номер порта, к которому подключен счетчик, и нажмите «Открыть».
В разделе меню «Конфигурирование» выберите пункт «Эксплуатация», а в нем пункт «Установка режимов работы импульсного выхода». Нажатием кнопки «Установить» выберите режим "Калибровка часов".
Уход секунд за сутки смотреть в меню «Общие».
6 Оформление результатов поверки
-
6.1 Положительные результаты поверки удостоверяются знаком поверки и записью в формуляре, заверяемой подписью поверителя и знаком поверки, в соответствии с Приказом Минпромторга № 1815 от 02.07.15.
-
6.2 Счётчики, прошедшие поверку с отрицательным результатом, бракуются, клеймо предыдущей поверки гасят, а счётчик изымают из обращения. Свидетельство о поверке аннулируется и выписывается извещение о непригодности к применению.
-
6.3 Результаты поверки заносят в протокол.
Инв. № подл. Подл, и дата Взам. инв. № Инв. №дубл. Подл, и дата
Изм |
Лист |
№ докум. |
Подп. |
Дата |
Лист
Приложение А
(обязательное)
Блок - схемы подключения счетчиков к IBM PC

Питающая сеть
Рисунок А.1 - Блок-схема подключения счетчиков с оптическим портом к IBM PC
Инв. № подп. Подп. и дата Взам. инв. № Инв. №дубл. Подп. и дата

Питающая сеть
Рисунок А.2 - Схема подключения счетчиков с RS-485 к IBM PC


Модем PLC М-2.02 |
Персональный | ||
ЮЗ |
компьютер | ||
Ю4 |
TxD 9 О- | ||
Ю5 |
RxD 10 О- |
RS-232 | |
Ю2 |
GND 14 О- | ||
15- 16+ | |||
9 9 |
Источник питания 3.3В
Рисунок А.З - Схема подключения счётчиков к компьютеру через PLC-модем
Изм |
Лист |
№ докум. |
Подп. |
Дата |
Лист

Питающая сеть
Рисунок А.4 - Схема подключения счётчиков к компьютеру через радиомодем

Питающая сеть
Инв. № подп. Подп. и дата Взам. инв. № Инв. №дубл. Подп. и дата
Рисунок А.5 - Схема подключения счётчиков к компьютеру через GSM модем
Изм |
Лист |
№ докум. |
Подп. |
Дата |
Лист
Инв. № подп. Подп. и дата Взам. инв. № I Инв. Ng дубл. |Подл, и дата
Лист регистрации изменений
Изм. |
Номера листов (страниц) |
Всего листов (страниц) в докум. |
№ докум. |
Входящий № сопроводительного докум.и дата |
Подп. |
Дата | |||
измененных |
заменённых |
новых |
анну-лиро-ванных | ||||||
Изм |
Лист |
№ докум. |
Подп. |
Дата |
Лист
19
Копировал:
Формат А4