Методика поверки «УСТРОЙСТВА ИЗМЕРИТЕЛЬНЫЕ ПАРАМЕТРОВ РЕЛЕЙНОЙ ЗАЩИТЫ РЕТОМ-25» (МП БРГА.441322.068 )
СОГЛАСОВАНО
директор «Динамика»
А. Герасимов
2016 г.

УТВЕРЖДАЮ
Генеральный директор

УСТРОЙСТВА ИЗМЕРИТЕЛЬНЫЕ ПАРАМЕТРОВ РЕЛЕЙНОЙ ЗАЩИТЫ РЕТОМ-25
Методика поверки
БРГА.441322.068 МП
4.P.G39S5-Uг. Видное 2016 г.
1 Вводная часть-
1.1 Настоящая методика поверки распространяется на устройства измерительные параметров релейной защиты РЕТОМ-25 производства ООО «НПП «Динамика» (далее -устройства) и устанавливает методы и средства их первичной и периодической поверки.
-
1.2 Устройства предназначены для наладки электрооборудования в схемах релейной защиты.
Устройства предназначены для следующих целей:
-
- воспроизведения в заданных диапазонах однофазного переменного тока или напряжения сетевой частоты; однофазного переменного тока или напряжения автономной регулируемой частоты, в том числе с возможностью регулирования фазы относительно опорного сигнала; постоянного напряжения или тока;
-
- измерения с помощью встроенного цифрового мультиметра воспроизводимых устройством токов и напряжений, угла фазового сдвига и частоты, а также внешних сигналов напряжения, тока, угла фазового сдвига и частоты;
-
- измерения временных характеристик различных реле и коммутационных аппаратов с помощью встроенного цифрового секундомера.
-
1.3 Перечень рекомендуемых эталонных средств измерения и вспомогательного оборудования приведен в разделе 2. Форма протокола поверки устройств приведена в приложении Б.
-
1.4 Далее в тексте применяется только термин «поверка», под которым подразумевается поверка или калибровка.
-
1.5 Межповерочный интервал - 4 года.
Поверка устройств должна проводиться в объеме и последовательности, указанных в таблице 1.
Таблица 1
|
Наименование операции |
Обязательность проведения при поверке |
Номера пунктов методов поверки | |
|
первичной* |
периодической | ||
|
Внешний осмотр |
+ |
+ |
8.1 |
|
Проверка сопротивления защитного соединения |
+ |
+ |
8.2 |
|
Проверка электрического сопротивления изоляции |
+ |
+ |
8.3 |
|
Проверка электрической прочности изоляции |
+ |
- |
8.4 |
|
Опробование |
+ |
+ |
8.5 |
|
Подтверждение соответствия программного обеспечения |
+ |
+ |
8.6 |
|
Проверка метрологических характеристик: - проверка допускаемой основной абсолютной погрешности измерения напряжения постоянного тока |
+ |
+ |
8.7 8.7.2 |
|
- проверка допускаемой основной абсолютной погрешности измерения напряжения переменного тока и проверка смещения угла фазового сдвига по напряжению |
+ |
+ |
8.7.3 |
|
- проверка допускаемой основной погрешности измерения силы постоянного тока |
+ |
+ |
8.7.4 |
|
- проверка допускаемой основной погрешности измерения силы переменного тока |
+ |
+ |
8.7.5 |
|
- проверка допускаемых абсолютных погрешностей измерения и воспроизведения частоты |
+ |
+ |
8.7.6 |
Продолжение таблицы 1
|
Наименование операции |
Обязательность проведения при поверке |
Номера пунктов методов поверки | |
|
первичной* |
периодической | ||
|
+ + |
+ + |
|
|
Примечание: * - При выпуске из производства и после ремонта. | |||
3 Средства поверки
-
3.1 При проведении поверки устройств выполняют следующие операции, указан ные в таблице 2.
Таблица 2
|
№ п/п |
Наименование операции поверки |
Номер пункта методики поверки |
Наименование эталонных средств измерений и вспомогательного оборудования |
|
1 |
Внешний осмотр |
8.1 |
Визуально |
|
2 |
Проверка сопротивления защитного соединения |
8.2 |
Миллиомметр Е6-25. Предел измерения сопротивления 200 мОм, погрешность ± (0,0003 ХИзм+ 0,015 мОм) |
|
3 |
Проверка электрического сопротивления изоляции |
8.3 |
Устройство измерительное электрической прочности и сопротивления изоляции РЕ-ТОМ-бООО. Предел измерения сопротивления 400 МОм, погрешность ± 5 % |
|
4 |
Проверка электрической прочности изоляции |
8.4 |
Устройство измерительное электрической прочности и сопротивления изоляции РЕТОМ-6000. Испытательное напряжение до 1,5 кВ, 50 Гц, 0,25 кВА, погрешность ± 2 % |
|
5 |
Опробование |
8.5 |
Вольтметр универсальный В7-78/1. Пределы измерения напряжения постоянного тока 0,1; 1; 10; 100; 1000 В, погрешность ± (0,000045 Хизм + 0,0003 Хпред). Пределы измерения напряжения переменного тока 0,1; 1; 10; 100; 750 В, диапазон частоты от 10 Гц до 100 кГц, погрешность ± (0,0006 Хизм+ 0,00001 -Хпред)-Амперметр переменного тока ЦА8500/2. Пределы измерения силы переменного тока 2,5; 5; 10; 20; 50 А, класс точности 0,1. |
|
6 |
Подтверждение соответствия программного обеспечения |
8.6 |
Визуально |
|
№ п/п |
Наименование операции поверки |
Номер пункта методики поверки |
Наименование эталонных средств измерений и вспомогательного оборудования |
|
7 |
Проверка метрологических характеристик |
8.7 | |
|
7.1 |
Проверка допускаемой основной абсолютной погрешности измерения напряжения постоянного тока |
8.7.2 |
Калибратор универсальный Н4-11. Диапазон воспроизведения напряжения постоянного тока от 0,1 мВ до 600 В, погрешность ± (0,001 Хизм+0,0003 Хпред) |
|
7.2 |
Проверка допускаемой основной абсолютной погрешности измерения напряжения переменного тока и проверка смещения угла фазового сдвига по напряжению |
8.7.3 |
Вольтметр универсальный В7-78/1. Пределы измерения напряжения переменного тока 0,1; 1; 10; 100; 750 В, диапазон частоты от 10 Гц до 100 кГц, погрешность ± (0,0006 Хизм+400 е.м.р.) Калибратор универсальный Н4-11. Диапазон воспроизведения напряжения переменного тока от 1 мВ до 600 В, диапазон частоты от 20 Гц до 10 кГц, погрешность ± (0,003 Хизм+0,001 Хпред) |
|
7.3 |
Проверка допускаемой основной абсолютной погрешности измерения силы постоянного тока |
8.7.4 |
Амперметр цифровой САЗ 010/2. Пределы измерения силы постоянного тока 0,05; 0,1; 0,2; 0,5 А, класс точности 0,1. Амперметр цифровой САЗ 010/3. Пределы измерения силы постоянного тока 1,0; 2,5; 5,0; 10 А, класс точности 0,1 |
|
7.4 |
Проверка допускаемой основной абсолютной погрешности измерения силы переменного тока |
8.7.5 |
Амперметр цифровой САЗ 010/2. Пределы измерения силы переменного тока 0,05; 0,1; 0,2; 0,5 А, класс точности 0,1. Амперметр цифровой САЗ 010/3. Пределы измерения силы переменного тока 1,0; 2,5; 5,0; 10 А, класс точности 0,1. Амперметр переменного тока ЦА8500/2. Пределы измерения силы переменного тока 2,5; 5; 10; 20; 50 А, класс точности 0,1. Трансформатор тока измерительный лабораторный ТТИ-200. Диапазон первичного тока от 20 до 36000 А, Ктном = 200, погрешность ±0,01 %. Калибратор универсальный Н4-11. Диапазон воспроизведения силы переменного тока от 0,1 мА до 2 А, на частоте 20 Гц - 1 кГц, погрешность ± (0,002 ХИЗм+0,0003 Хпред) |
|
7.5 |
Проверка допускаемой абсолютной погрешности измерения и воспроизведения частоты |
8.7.6 |
Частотомер универсальный GFC-8010H. Диапазон измерения частоты от 0,1 Гц до 120 МГц, погрешность ±(5-10’6 FH3M+ е.м.р.) |
|
№ п/п |
Наименование операции поверки |
Номер пункта методики поверки |
Наименование эталонных средств измерений и вспомогательного оборудования |
|
7.6 |
Проверка допускаемой абсолютной погрешности измерения угла фазового сдвига синусоидального сигнала и проверка смещения угла фазового сдвига между напряжением и током |
8.7.7 |
Комплекс программно-технической измерительный РЕТОМ-51. Госреестр № 58259-14. Прибор электроизмерительный эталонный многофункциональный «Энергомонитор 3.1 КМ». Диапазон измерения углов фазового сдвига сигналов от 0 до 360°, погрешность ±0,01° |
|
7.7 |
Проверка допускаемой абсолютной погрешности измерения интервалов времени |
8.7.8 |
Измеритель параметров реле цифровой Ф291. Пределы измерения интервалов времени 10000; 1000000 мс, погрешность ± [0,005+0,004(Хпред/Хизм-1)] |
-
3.2 В случае отрицательного результата проверки хотя бы по одному пункту поверку прекращают, а устройства считается непригодными к применению. Поверка не производится до устранения выявленных замечаний.
-
3.3 Допускается проведение поверки устройств с применением эталонных средств измерений и вспомогательного оборудования, не указанных в таблице 2, но обеспечивающих определение и контроль метрологических характеристик поверяемых изделий с требуемой точностью.
Допускается проводить проверку электрической прочности изоляции устройств до поверки. В этом случае повторные испытания по этой позиции не проводят.
-
3.4 Допускается проведение поверки отдельных измерительных каналов устройства, в соответствии с заявлением владельца СИ, с обязательным указанием в свидетельстве о поверке информации об объеме проведенной поверки.
-
3.5 Допускается проведение периодической поверки нескольких диапазонов и поддиапазонов измерений (воспроизведения) устройства на основе письменного заявления владельца СИ, с обязательным указанием в свидетельстве о поверке соответствующей информации.
-
3.6 Применяемые при поверке устройств средства измерения и испытательное оборудование должны иметь действующие свидетельства о поверке (аттестации).
-
4.1 К проведению поверки допускают лица, аттестованные в качестве поверителей средств измерений электрических величин.
-
4.2 Поверитель должен пройти инструктаж по технике безопасности и иметь действующее удостоверение на право работы в электроустановках с напряжением до и выше 1000 В с квалификационной группой по электробезопасности не ниже III.
-
4.3 Перед проведением операций поверки поверителю необходимо изучить руководство по эксплуатации на данные устройства.
-
5.1 При проведении поверки необходимо соблюдать требования безопасности, предусмотренные "Правилами технической эксплуатации электроустановок потребителей", "Правилами техники безопасности при эксплуатации электроустановок потребителей", ГОСТ 12.2.007.0-75, ГОСТ Р 12.1.019-2009, ГОСТ 22261-94, указаниями по безопасности, изложенными в руководстве по эксплуатации устройств и технической документации на применяемые эталонные средства измерения и вспомогательное оборудование.
-
5.2 Средства поверки, которые подлежат заземлению, должны быть надежно заземлены. Подсоединение зажимов защитного заземления к контуру заземления должно производиться ранее других соединений, а отсоединение - после всех отсоединений.
-
5.3 Внешние подключения следует производить согласно схеме подключения устройств при отключенных источниках тока и напряжения.
Поверку устройств следует проводить в нормальных условиях:
20 ±5
40 - 80 (без конденсации влаги)
84- 106,7 (630-800)
220 ± 4,4
50 ± 0,5
температура окружающего воздуха, °C относительная влажность воздуха, % атмосферное давление, кПа (мм. рт. ст.) напряжение питающей сети ипит, В частота сети, Гц
-
- отсутствие вибрации, тряски, ударов, влияющих на работу устройств;
-
- отсутствие внешних электрических и магнитных полей, превышающих установленные нормы по электрооборудованию для измерения, управления и лабораторного применения;
-
- рабочее положение - лицевая панель вертикальна или горизонтальна.
-
7.1 Перед проведением поверки необходимо выполнить следующие подготовительные работы:
-
- провести технические и организационные мероприятия по обеспечению безопасности проводимых работ в соответствии с действующими положениями ГОСТ 12.2.007.0-75;
-
- выдержать устройства в условиях окружающей среды, указанных в п.6, не менее 2 ч, если они находились в климатических условиях, отличающихся от указанных в п.6;
-
- подготовить к работе средства измерений, используемые при поверке, в соответствии с руководствами по их эксплуатации (все средства измерений должны быть исправны и поверены).
-
8.1 Внешний осмотр
При внешнем осмотре должно быть установлено:
-
- наличие руководства по эксплуатации и паспорта на поверяемые устройства;
-
- соответствие комплектности устройств эксплуатационной документации;
-
- отсутствие повреждений, влияющих на работу устройств:
-
- проверить вращение ручек управления источников 1, 2 и 3, а также ручку вращения меню кодера - должна быть плавность и легкость вращения без затруднения (не должно быть заедания или рывков при вращении);
-
- проверить кнопки выключателей и кнопки кодеров на возможность их нажатия (кнопки выключателей и кодеров должны иметь ход);
-
- проверить клеммы устройств на отсутствие заеданий при их откручива-нии/з акручивании;
-
- отсутствие внутри корпуса устройств посторонних предметов или незакреплённых деталей (не должно быть постороннего шума при манипуляциях с устройствами (поступательные, вращательные движения)).
Результаты испытаний считаются удовлетворительными, если выполнены все вышеуказанные требования.
-
8.2 Проверка сопротивления защитного соединения
Сопротивление защитного соединения следует проверять между клеммой заземления и третьим проводом вилки сетевого кабеля.
Измерение проводить с помощью миллиомметра Е6-25.
Результаты испытаний считаются удовлетворительными, если сопротивление защитного соединения не превышает 0,1 Ом.
-
8.3 Проверка электрического сопротивления изоляции
Измерение сопротивления изоляции устройств проводить при выключенном питании по ГОСТ 22261-94 с помощью устройства измерительного электрической прочности и сопротивления изоляции РЕТОМ-6000 (далее по тексту - РЕТОМ-6000). Проверяемые цепи и значение испытательного напряжения приведены в таблице 3.
При проведении испытаний следует закоротить контакты внутри группы между собой:
-
- штекеры вилки сетевого шнура;
-
- входы/выходы (клеммы) в каждой группе проверяемых цепей устройств.
Результаты испытаний считаются удовлетворительными, если сопротивление изо
ляции не менее 40 МОм.
Таблица 3
|
Электрическая цепь устройства |
Испытательное напряжение, В | |||
|
для измерения электрической прочности изоляции |
для измерения сопротивле-ния изоляции относительно корпуса | |||
|
относительно корпуса |
относительно сетевого шнура |
относительно друг друга (между собой) | ||
|
Сетевой шнур |
1500 |
— |
- |
1000 |
|
Выходы источника 1 и 2 |
1500 |
1500 |
1500 |
1000 |
|
Выходы источника 3: «~из», «U4»,«~U5» «~U6» |
1500 1500 1500 |
1500 1500 |
- |
1000 1000 1000 |
|
Входы измерителей «PV1» и «PV2» |
1500 |
1500 |
1500 |
1000 |
|
Клеммы запуска и останова секундомера («К1», «К2») |
1500 |
1500 |
1500 |
1000 |
|
Клеммы дискретного выхода секундомера («КЗ») |
1500 |
1500 |
- |
1000 |
-
8.4 Проверка электрической прочности изоляции
Проверку электрической прочности изоляции проводить при выключенном питании по ГОСТ 12.2.091-2012 с помощью РЕТОМ-6000 при подключенном к устройствам сетевом шнуре. Сетевой выключатель устройств установить в положение «Вкл».
Проверяемые цепи и значения испытательного напряжения приведены в таблице 3.
При проведении испытаний следует закоротить контакты внутри группы между собой:
-
- штекеры вилки сетевого шнура;
-
- входы/выходы (клеммы) в каждой группе проверяемых цепей устройств.
Результаты испытаний считаются удовлетворительными, если во время испытаний не произошло пробоя или перекрытия изоляции.
-
8.5 Опробование
-
8.5.1 При опробовании проверяется работоспособность основных узлов и блоков устройств: источников 1, 2 и 3, пуск/останов и сброс секундомера в соответствии с руководством по эксплуатации БРГА.441322.068 РЭ.
После включения устройств загорается подсветка выключателя «Сеть», свидетельствующая о наличии напряжения питания устройств, а также индикатор готовности секундомера, экран (цифровой индикатор) измерителя; экран шкалы источника 2 и экран шкалы источника 3 (расположенные над кодерами управления источников).
В течение некоторого времени после включения на табло отображается номер устройств и версия программного обеспечения, согласно руководству по эксплуатации БРГА.441322.068 РЭ.
Установить коммутационные элементы устройств в исходное положение:
а) выключатель «Сеть» в положение «Вкл.» (убедиться, что светодиодные индикаторы кнопок «Выход =Ш », «Пуск» источника 2, «Пуск» источника 3 не горят);
б) ручку регулировки напряжения источника 1 в левое крайнее положение (О % шкалы).
Внимание!
Выбор параметра в измерителе выполняется в два этапа. Вначале, вращением ручки кодера «МЕНЮ» по циклу выбирается рабочее поле, одно из четырех возможных. Верхнее левое поле принято обозначать как А, верхнее правое - Б, нижнее левое - В, нижнее правое - Г. Выбранное поле начинает мигать. Кратковременным нажатием на кодер фиксируется выбранное поле. Далее, вместо данных по текущему параметру в этом поле появляется список возможных параметров. Вращением кодера выбирается требуемый параметр, он должен находиться в центре поля. Повторным кратковременным нажатием на кодер его фиксируем, и в этом поле начинается вывод данных выбранного параметра.
При долгом (более 2 с) нажатии на кнопку кодера «МЕНЮ» происходит вход в основное меню прибора. Выход по кнопке «СБРОС».
Для входа в дополнительное меню режимов работы источника U2 необходимо выполнить нажатие на кнопку соответствующего кодера «УПРАВЛЕНИЕ». Аналогично для источника U3.
Дерево меню приводится на крышке устройств.
Включение источников 1, 2, 3 производится путем нажатия кнопок «Выход=1Л» или «Пуск», а соответствующий выходу индикатор работы должен загореться зеленым цветом.
До начала работ рекомендуется провести установку нуля измерителей. Установка нуля проводится длительным нажатием (более 2 с) кнопки «Фиксация/Уст. “О”»: для тока при разомкнутых входах токов; для напряжения при замыкании входов PV1, PV2.
-
8.5.2 Проверка источника 1
Проверка проводится в следующей последовательности:
-
1) Установить в канале А измерителя параметр «U1», в канале Б параметр «II».
-
2) Включить источник 1, индикатор работы источника 1 должен загореться зеленым цветом.
-
3) Убедиться по показаниям измерителя, что при вращении ручки регулировки напряжения источника 1 в крайнее левое положение (минимальное значение) напряжение на выходе укладывается в диапазон от 130 до 176 В; в крайнем правом положении (максимальное значение) - в диапазон от 260 до 300 В.
-
4) Выключить источник 1. Вернуть ручки регулировки напряжения в исходное состояние.
Результат проверки считается положительным, если индикатор работы загорается зеленым и при вращении ручки регулировки напряжения источника 1 в крайнее левое положение (минимальное значение) напряжение на выходе укладывается в диапазон от 130 до 176 В; в крайнем правом положении (максимальное значение) - в диапазон от 260 до 300 В.
-
8.5.3 Проверка источника 2
Проверка проводится в следующей последовательности:
-
1) Установить в канале А измерителя параметр «U2», в канале Б - «12».
-
2) По умолчанию, в источнике 2 установлено регулирование выходного напряжения U2 в диапазоне от 0 до 65 В. Источник работает синхронно с сетью.
-
3) В ходе проверки источника 2 выполняется проверка выдачи напряжения.
Проверку выдачи напряжения проводить в следующей последовательности:
-
- включить источник 2, индикатор работы источника 2 должен загореться зеленым цветом.
-
- установить в «МЕНЮ» управления источника 2 соответствующий диапазон согласно таблице 4.
-
- убедиться по показаниям измерителя, что при вращении ручки кодера «Управление» по часовой стрелке напряжение U2 увеличивается, а в противоположную сторону - уменьшается, в соответствии со значениями, приведенными в таблице 4.
-
- по окончании проверки вернуть коммутационные элементы устройств в исходные положения.
Таблица 4
|
Диапазон работы источника 2 |
«0-10 В» |
«0 - 65 В» |
«0 - 250 В» |
|
Напряжение на выходе (0 -100 % шкалы), В |
0-30 |
0-100 |
0-300 |
Примечание - перед коммутацией переключателя диапазонов источника 2 необходимо выключить источник.
Результаты проверки считаются положительными, если при вращении ручки кодера «Управление» по часовой стрелке напряжение U2 увеличивается, а в противоположную сторону - уменьшается, в соответствии со значениями, приведенными в таблице 4.
-
8.5.4 Проверка источника 3 (выходы «U3» - «U6»)
В ходе проверки источника 3 выполняется проверка выдачи напряжения.
Проверка проводится в следующей последовательности:
-
1) установить в измерителе проверяемый выход источника 3 согласно таблице 5;
-
2) установить в меню управления источника 3 соответствующий диапазон, в зависимости от проверяемых выходов и диапазонов согласно таблице 5;
-
3) убедиться по показаниям измерителя, что при вращении ручки кодера «Управление» по часовой стрелке напряжение увеличивается, а в противоположную сторону -уменьшается, согласно таблице 5;
-
4) по окончании проверки вернуть коммутационные элементы устройств в исходные положения.
Таблица 5
|
Выходное напряжение источника 3 |
Выбранный диапазон работы источника 3 | ||||
|
«250 В» |
«Выход U4» «Выпрямлен.» |
«Выход U4» «Сглаженный» |
"150 А" |
«Выход U6» | |
|
Нап |
эяжение на выходе, В | ||||
|
0 % шкалы |
0-10 |
5-10 |
0-20 |
0-0,6 |
0-10 |
|
100 % шкалы |
250-350 |
250-420 |
300-450 |
0-10 |
200-250 |
Примечания
-
1) До начала измерений необходимо включить источник 3, после окончания измерений - выключить.
-
2) Перед коммутацией переключателя диапазонов источника 3 необходимо выключить источник.
Результаты проверки считаются положительными, если при вращении ручки кодера «Управление» по часовой стрелке напряжение источника 3 увеличивается, а в противоположную сторону - уменьшается, в соответствии со значениями, приведенными в таблице 5.
-
8.5.5 Проверка входов PV1 и PV2
Проверку проводить в следующей последовательности:
-
1) установить в измерителе для канала А параметр «Р1», для канала В параметр «Р2»;
-
2) соединить проводами клеммы «-U2» с гнездами «PV1» и «PV2»;
-
3) установить в меню управления источника 2 диапазон работы, в соответствии с таблицей 6;
-
4) установить в меню работы пределы PV1 и PV2, согласно таблице 6;
-
5) включить источник 2;
-
6) подать с источника 2 на входы PV1 и PV2 напряжение, согласно таблице 6;
-
7) убедиться по показаниям измерителя, что напряжение на входах PV1 и PV2 укладывается в допустимый диапазон (не более 5%), в соответствии с таблицей 6;
-
8) выключить источник 2 и отсоединить провода;
-
9) по окончании проверки вернуть коммутационные элементы устройств в исходные положения.
Результаты проверки считаются положительными, если напряжение на входах PV1 и PV2 укладывается в допустимый диапазон (не более 5%)
Таблица 6
|
Диапазон работы источника 2 |
Выдаваемое напряжение с «U2», В |
Выбранный предел «PV1» и «PV2» |
Диапазон допустимых значений измерителя, В |
|
«10 В» |
3 |
«6 В» |
от 2,85 до 3,15 |
|
«250 В» |
100 |
«600 В» |
от 95,0 до 105,0 |
-
8.5.6 Проверка секундомера
В ходе проверки секундомера выполняется проверка пуска и останова секундомера от внешних контактов и проверка дискретного выхода.
-
8.5.6.1 При проверке пуска и останова секундомера от внешних контактов удобнее использовать специальный коммутационный блок с тумблерами S1 и S2; проверку проводить в следующей последовательности:
-
1) собрать схему согласно рисунку 1;

Рисунок 1
-
2) по умолчанию в меню работы запуск секундомера установлен от клемм К1 (2.СЕКУНДОМЕР СТАНДАРТ -» СТАРТ К1);
-
3) нажать кнопку «Сброс» - загорится светодиодный индикатор готовности секундомера;
-
4) установить для канала Г измерителя параметр «Ь> (параметр «Ь> необходим только для отображения счета; секундомер работает независимо от выбора в меню измерения параметра «Ь>);
-
5) переключить S1 (замыкание / размыкание К1) (см. рисунок 1) - запускается счет секундомера, при этом загорается / гасится индикатор «Старт»;
-
6) переключить S2 (замыкание / размыкание К2) (см. рисунок 1) - секундомер останавливается, при этом загорается / гасится индикатор «Стоп», слышен звуковой сигнал;
-
7) нажать кнопку «Сброс»;
-
8) разобрать схему.
Результаты проверки считаются положительными, если выполняются вышеуказанные требования.
-
8.5.6.2 Проверку дискретного выхода проводить в следующей последовательности:
-
1) в меню работы для секундомера установить режим включения дискретного выхода (3.УСТАНОВКИ -> УПР.КЗ ОТ К1);
-
2) собрать схему, изображенную на рисунке 2;

Рисунок 2
-
3) включить тумблер S1 (замыкание KI) - загораются светодиодные индикаторы «Старт», «Стоп» и «КЗ»; светодиодный индикатор готовности секундомера гасится;
-
4) через короткий промежуток времени (65-85 мс) останавливается счет секундомера (фиксируется наличие измеренного промежутка времени в поле канала Г измерителя);
-
5) выключить тумблер S1 (размыкание К1) - гаснут индикаторы «Старт», «Стоп», «КЗ»;
-
6) нажать кнопку «Сброс» - происходит обнуление показаний секундомера и загорается индикатор «Готов»;
-
7) переключить К2 на другие выходы КЗ (см. рисунок 2, связь показана пунктиром), загорается индикатор «Стоп»;
-
8) включить тумблер S1 (замыкание К1) - загораются светодиодные индикаторы «Старт» и «КЗ»; светодиодный индикатор готовности секундомера гасится;
-
9) через короткий промежуток времени (65-85 мс) останавливается счет секундомера (фиксируется наличие измеренного промежутка времени в поле канала Г измерителя) и гасится индикатор «Стоп»;
-
10) выключить тумблер S1 (размыкание К1) - гаснут индикаторы «Старт» и «КЗ», загорается индикатор «Стоп»;
-
11) нажать кнопку «Сброс» - происходит обнуление показаний секундомера и загорается индикатор «Готов»;
-
12) разобрать схему.
Примечание - измеренный промежуток времени срабатывания дискретного выхода (65-85 мс) складывается из собственного времени срабатывания самого реле и времени задержки на его включение Тв=60мс (по умолчанию). Допускается разброс в 20 мс вследствие возможной вибрации контакта S1.
Результаты проверки считаются положительными, если выполняются все вышеуказанные требования.
-
8.6 Подтверждение соответствия программного обеспечения
Встроенное программное обеспечение (далее по тексту - ПО) подтверждается определением идентификационного наименования и версии ПО платы измерителя.
Для определения идентификационного наименования и номера версии встроенного ПО платы измерителя проверяют информацию, отображаемую на табло устройств (Меню —> Установки—» Версия ПО).
Результат определения идентификационного наименования считают положительным, если идентификационное наименование и номер версии программного обеспечения платы измерителя соответствует данным, указанным в таблице А.З Приложения А.
-
8.7 Проверка метрологических характеристик
-
8.7.1 Общие указания при проверке метрологических характеристик устройств
-
Для проведения поверки устройств необходимо ознакомиться с руководством по эксплуатации устройств БРГА.441322.068 РЭ.
Проверяемые параметры и режимы измерений выбираются согласно руководству по эксплуатации БРГА.441322.068 РЭ.
-
8.7.1.1 Общие сведения и указания
Описание и принцип действия основных измерительных узлов устройств (встроенного цифрового комбинированного измерительного прибора (мультиметра), встроенного цифрового секундомера) приведены в руководстве по эксплуатации БРГА.441322.068 РЭ.
По умолчанию, измерители работают в режиме среднеквадратичного измерения (True RMS), кроме параметров постоянного тока - установлен средневыпрямленный режим измерения.
Проверка допускаемых погрешностей измерения двух каналов напряжения, которые подключаются к разным выходам устройств, осуществляется измерением погрешности работы этих каналов по входам PV1 и PV2.
Проверка допускаемой погрешности измерения силы электрического тока выполняется по каналам РА, II, 12,13,14,15.
Проверку допускаемых погрешностей измерения напряжения и силы электрического тока, угла фазового сдвига, интервала времени, а также измерения и воспроизведения частоты проводят методом непосредственного сличения путем сопоставления показаний эталонного средства измерения с показаниями измерителей устройств.
Проверку следует проводить по схемам, приведенным в 8.7.2 -8.7.8 в контрольных (проверяемых) точках, соответствующих таблицам Б.1 - Б.11 Приложения Б.
Частота входных сигналов (50 ±2) Гц. Режимы измерений установлены в
-
8.7.2 - 8.7.8. Перед измерением малых величин рекомендуется проводить установку нуля измерителей: силы электрического тока на пределах 100 мА, 200 мА, 500 мА, напряжения электрического тока на пределе 6 В. Установка нуля проводится длительным нажатием (более 2 с) кнопки «Фиксация/Уст. “0”»: для силы тока при разомкнутых входах РА, для напряжения при замыкании входов PV1, PV2.
Поверяемыми устройствами регистрируют показание Хшзм, соответствующее максимальному отклонению от установленного значения проверяемой точки (наблюдают 4-5 показаний).
Результаты измерений заносят в протокол поверки, форма которого приведена в Приложении Б.
Допускаемые значения в контрольных (проверяемых) точках для проверки основной погрешности приведены в таблицах Б.1-Б.11 Приложения Б.
Примечания
-
1 Ввиду дискретного характера задания измеряемого параметра допускается устанавливать его величину настолько близкой к рекомендуемой, насколько позволяет задатчик.
-
2 При выполнении испытаний ток/напряжение источника 1 увеличивать плавно от нуля до максимального значения ручкой регулировки напряжения. По окончании измерений ручку вернуть в исходное положение «0».
-
3 При выполнении испытаний ток/напряжение источника 2 увеличивать плавно от нуля до максимального значения ручкой кодера «Управление». По окончании измерений ручку вернуть в исходное положение «0». Аналогично для источника 3.
-
4 При использовании в качестве эталонного средства измерения стрелочного прибора рекомендуется устанавливать проверяемую точку по эталонному средству измерения, совмещая стрелку с риской на шкале. В случае использования в качестве эталонного средства измерения цифрового прибора рекомендуется устанавливать контрольную точку по поверяемому СИ, устанавливая показания индикатора максимально близко к задаваемой точке.
-
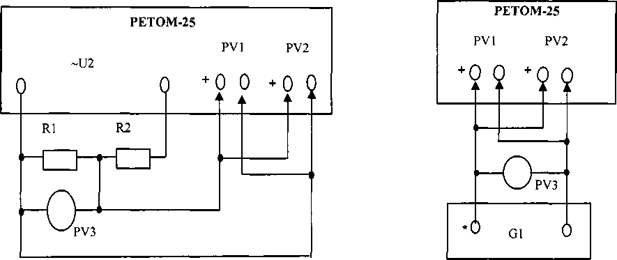
8.7.2 Проверка допускаемой основной абсолютной погрешности измерения напряжения постоянного тока
Проверка основной абсолютной погрешности измерения напряжения постоянного тока, встроенного цифрового мультиметра проводить по схеме, приведенной на рисунке 3, при помощи калибратора универсального Н4-11 (далее по тексту - Н4-11) в следующей последовательности:
-
1) установить в канале А измерителя параметр «Р1», в канале В параметр «Р2»;
-
2) при помощи Н4-11 поочередно воспроизвести испытательные сигналы согласно таблице Б.1 Приложения Б;
-
3) произвести измерение напряжения постоянного тока при помощи устройства;
-
4) показания устройства и Н4-11 занести в протокол (таблица Б.1 Приложение Б);
-
5) рассчитать основную абсолютную погрешность по формуле (1) представленной в разделе 9.
Результаты проверки считаются положительными, если полученные значения погрешностей не превышают приведенных в приложении А.
G1 - калибратор универсальный Н4-11
Рисунок 3 - Проверка допускаемой основной абсолютной погрешности измерения напряжения постоянного тока
-
8.7.3 Проверка допускаемой основной абсолютной погрешности измерения напряжения переменного тока и проверка смещения угла фазового сдвига по напряжению
Проверка допускаемой основной абсолютной погрешности измерения напряжения переменного тока, встроенного цифрового мультиметра и проверку смещения угла фазового сдвига по напряжению проводить по схемам, приведенным на рисунке 4, при помощи вольтметра универсального В7-78/1 (далее по тексту - В7-78/1) в следующей последовательности:
ВНИМАНИЕ! Схема с делителем, приведенная на рисунке 4а, используется только для проверки одной точки - 60 мВ и то только в том случае, если калибратор не обеспечивает необходимую точность, для всех остальных измерений используется схема, приведенная на рисунке 46. С целью уменьшения наводок в схеме с делителем, приведенной на рисунке 4а, необходимо использовать экранированные провода, а резистор R1 расположить как можно ближе к измерительной части устройств.
-
1) проверка смещения угла фазового сдвига по напряжению проводиться контролем изменения угла фазового сдвига в точке 0° при изменении напряжений;
-
2) установить в канале А измерителя параметр «Р1», в канале В параметр «Р2», в каналах Б и Г - параметр «Ф»;

PV3-B7-78/1
R1 - сопротивление номиналом
1 Ом, не менее 0,125 Вт
R2 - сопротивление номиналом
55 Ом, не менее 0,25 Вт
G1 - источник напряжения переменного тока:
-
- для диапазона св. 0,06 до 6,5 В выход «~U2» - РЕТОМ-25;
-
- для диапазона от 6,5 до 600 В -Н4-11
PV3-B7-78/1
-
а) предел измерений 6 В
б) пределы измерений 6 В (кроме точки 0,06 В), 600 В
(только контрольная точка 60 мВ)
Рисунок 4 - Проверка допускаемой основной абсолютной погрешности измерения напряжения переменного тока и проверка смещения угла фазового сдвига по напряжению
-
3) в меню работы фазометра выбрать в качестве опорного сигнала - PV1 (МЕНЮ МУЛЬТИМЕТР -+ ФАЗА -> ОПОРА -> PV1), измерение - PV2 (МЕНЮ МУЛЬТИМЕТР -+ ФАЗА -> ИЗМЕРЕНИЕ PV2);
-
4) устанавливая проверяемые значения напряжения переменного тока при помощи Н4-11 согласно таблице Б.2 Приложения Б, провести измерения. Одновременно при изменении напряжений проконтролировать изменение угла сдвига фаз в точке 0° согласно таблице Б.2.1 Приложения Б;
-
5) показания устройства и В7-78/1 занести в протокол (таблицы Б.2, Б.2.1 Приложения Б);
-
6) рассчитать основную абсолютную погрешность по формуле (1) представленной в разделе 9.
Результаты проверки считаются положительными, если полученные значения погрешностей не превышают приведенных в приложении А.
-
8.7.4 Проверка допускаемой основной абсолютной погрешности измерения силы постоянного тока
Проверка допускаемой основной абсолютной погрешности измерения силы постоянного тока, встроенного цифрового мультиметра проводить по схемам, приведенным на рисунке 5, при помощи амперметра цифрового СА3010/2 (далее по тексту-СА3010/2) и амперметра цифрового САЗ 010/3 (далее по тексту - САЗ 010/3) в следующей последовательности:
-
1) при проверке измерения 14 установить в каналах Б и Г измерителя параметр «14»;
-
2) при проверке измерения II установить в каналах Б и Г измерителя параметр «II»;
-
3) устанавливая проверяемые значения силы постоянного тока при помощи устройства согласно таблицам, Б.З, Б.4 Приложения Б, провести измерения с помощью СА3010/2 для значений силы постоянного тока меньше 500 мА и САЗОЮ/З для значений силы постоянного тока от 500 мА до 10 А;
-
4) показания устройства, САЗ010/2 и САЗОЮ/З занести в протокол (таблицы Б.З, Б.4 Приложения Б);
-
5) рассчитать основную абсолютную погрешность по формуле (1) и приведенную погрешность по формуле (2), представленным в разделе 9.
Результаты проверки считаются положительными, если полученные значения погрешностей не превышают приведенных в приложении А.
Примечания
-
1 Для 14 в меню установить тип измерения «средневыпрямленный» (установлен по умолчанию).
-
2 В Меню управления источника 3 установить вид выдаваемого постоянного тока «Выпрямленный» (ИСТОЧНИКЗ —> ПОСТ. ТОК —^Выпрямленный).
-
3 При измерении II необходимые номиналы нагрузок получают путем комбинации четырех резисторов 220 Ом, 50 Вт.

РЕТОМ-25
О =и Q
РА1
R1
РА1 - амперметр постоянного тока: СА3010/2 - для 1изм <500 мА; САЗОЮ/З - для 500 мА < 1изм < 10
А;
R1 - сопротивление номиналом:
220 Ом (не менее 100 Вт, 5 %) до 0,55 А; 0 Ом свыше 0,55 А
РА1 - амперметр постоянного тока:
САЗ 010/2 - для 1изм <500 мА;
САЗОЮ/З - для 500 мА < 1изм < 1 А; R1 - сопротивление номиналом: 880 Ом (не менее 50 Вт, 5 %) для 0,2 А; 440 Ом (не менее 100 Вт*, 5 %) для 0,5 А; 220 Ом (не менее 200 Вт*, 5 %) для 1,0 А * - время воздействия не более 30 сек
а) измерение выпрямленного тока 14
б) измерение постоянного тока II
Рисунок 5 - Проверка допускаемой погрешности измерения силы постоянного тока
-
8.7.5 Проверка допускаемой основной абсолютной погрешности измерения силы переменного тока
Проверка допускаемой основной абсолютной погрешности измерения силы переменного тока, встроенного цифрового мультиметра проводить по схемам, приведенным на рисунках 6-9.
-
8.7.5.1 Проверка допускаемой абсолютной погрешности измерения силы переменного тока 12
Проверку проводить при помощи САЗ 010/2 и САЗ 010/3 в следующей последовательности:
-
1) собрать схему, приведенную на рисунке 6;
-
2) установить в каналах Б и Г измерителя параметр «12»;
-
3) предел выходного напряжения для источника 2 (выхода «~U2») установить согласно проверяемым точкам:
-
- «250 В» для диапазона 12 до 0,6 А;
-
- «65 В» для диапазона 12 от 0,6 до 1,5 А;
-
- «10 В» для диапазона 12 от 1,5 до 10 А.
РЕТОМ-25

РА1 - амперметр переменного тока:
-
- для 12 до 0,5 А - СА3010/2
-
- для 12 от 0,5 до 10 А - СА3010/3
R1 - сопротивление номиналом:
880 Ом (не менее 50 Вт, 5%) для 12 до 0,1 А
220 Ом (не менее 100 Вт, 5 %) для 12 от 0,1 до 0,6 А; 0 Ом для 12 свыше 0,6 А
Рисунок 6 - Проверка допускаемой основной абсолютной погрешности измерения силы переменного тока 12
Примечание - для всех источников тока по умолчанию установлен тип измерения «RMS».
ВНИМАНИЕ! В меню управления источника 2 режим регулировки частоты f2 должен быть в положение синхронно с сетью -fcemu.
В меню «Управление» выбрать регулирование напряжения U2.
-
4) устанавливая проверяемые значения силы переменного тока при помощи устройства согласно таблице Б. 5 Приложения Б, провести измерения с помощью СА3010/2 для значений силы постоянного тока меньше 0,5 А и СА3010/3 для значений силы постоянного тока от 0,5 до 10 А;
-
5) показания устройства, СА3010/2 и СА3010/3 занести в протокол (таблица Б.5 Приложения Б).
-
6) рассчитать основную абсолютную погрешность по формуле (1) представленной в разделе 9.
Результаты проверки считаются положительными, если полученные значения погрешностей не превышают приведенных в приложении А.
-
8.7.5.2 Проверка допускаемой основной абсолютной погрешности измерения силы переменного тока 13
Проверку проводить при помощи СА3010/2, СА3010/3 и амперметра переменного тока ЦА8500/2 (далее по тексту - ЦА8500/2) в следующей последовательности:
-
1) собрать схему, приведенную на рисунке 7;
-
2) установить в каналах Б и Г измерителя параметр «13 »;

РА1 - амперметр переменного тока:
-
- для 13 до 0,5 А - СА3010/2
-
- для 13 от 0,5 до 10 А - CA3O1O/3
-
- для 13 от 10 до 50 А - ЦА8500/2
R1 - сопротивление номиналом:
220 Ом (не менее 50 Вт, 5 %) до 0,55 А;
0 Ом свыше 0,55 А
Рисунок 7 - Проверка допускаемой основной абсолютной погрешности измерения силы переменного тока 13
-
3) предел выходного напряжения для источника 3 (выхода «~U3») установить согласно проверяемым точкам:
-
- «~250 В» для диапазона 13 до 6 А;
-
- «~20 А» для диапазона 13 от 6 до 30 А.
-
4) устанавливая проверяемые значения силы переменного тока при помощи устройства согласно таблице Б.6 Приложения Б, провести измерения используя:
-
- СА3010/2 - для диапазона 250 мА <1ИЗМ < 500 мА;
-
- САЗ 010/3 - для диапазона 500 мА < 1изм < 10 А;
-
- ЦА8500/2 - для диапазона 10 А < 1изм < 50 А.
-
5) показания устройства, САЗ 010/2, САЗ 010/3 и ЦА8500/2 занести в протокол (таблица Б.6 Приложения Б);
-
6) рассчитать основную абсолютную погрешность по формуле (1) представленной в разделе 9.
Результаты проверки считаются положительными, если полученные значения погрешностей не превышают приведенных в приложении А.
-
8.7.5.3 Проверка допускаемой основной абсолютной погрешности измерения силы переменного тока 15
Проверку проводить при помощи СА3010/2, СА3010/3, ЦА8500/2 и трансформатора тока измерительного лабораторного ТТИ-200 (далее по тексту- ТТИ-200) в следующей последовательности:
-
1) собрать схему, приведенную на рисунке 8;
-
2) установить в каналах Б и Г измерителя параметр «15»;
-
3) предел выходного напряжения для источника 3 (выхода «~U5, 15») установить «~ 150 А» для диапазона 15 до 150 А;
-
4) устанавливая проверяемые значения силы переменного тока при помощи устройства согласно таблице Б.7 приложения Б, провести измерения используя:
-
- СА3010/2 - для диапазона 250 мА <1изм < 500 мА;
-
- САЗ010/3 - для диапазона 500 мА < 1изм < 10 А;
-
- ЦА8500/2 - для диапазона 10 А < 1изм < 50 А.
-
5) показания устройства и СА3010/2, СА3010/3 и ЦА8500/2 занести в протокол (таблица Б.7 приложения Б).
-
6) рассчитать основную абсолютную погрешность по формуле (1) представленной в разделе 9.
Результаты проверки считаются положительными, если полученные значения погрешностей не превышают приведенных в приложении А.
РЕТОМ-25
О ~и5 о
РА1
кк
РА1 - амперметр переменного тока: САЗ 010/3 для 1изм < 10 А; ЦА8500/2 для 10 А < 1изм < 50 А;

а) предел измерения - 50 А
РА1 - амперметр переменного тока: СА3010/2 - для 250 мА <1изм < 500 мА; САЗОЮ/З - для 500 мА < 1изм < 1 А;
ТА1 - трансформатор тока ТТИ-200
б) предел измерения - 500 А
Рисунок 8 - Проверка допускаемой основной абсолютной погрешности измерения силы переменного тока 15
-
8.7.5.4 Проверка допускаемой основной абсолютной погрешности измерения силы переменного тока на входе РА
Проверку проводить при помощи Н4-11, САЗ010/2 и САЗОЮ/З в следующей последовательности:
-
1) собрать схему, приведенную на рисунке 9;
-
2) установить в каналах Б и Г измерителя параметр «РА»;
-
3) измерения проводить подачей тока при помощи Н4-11 на вход РА или от источников тока самого устройства. Устанавливая проверяемые значения силы переменного тока согласно таблице Б. 8 Приложения Б, провести измерения устройством и САЗ 010/2 для диапазона от 10 мА до 0,5 А (САЗОЮ/З для диапазона от 0,5 до 10 А).
-
4) показания устройства и Н4-11, САЗ010/2 и САЗОЮ/З занести в протокол (таблица Б.8 приложения Б);
-
5) рассчитать основную абсолютную погрешность по формуле (1) представленной в разделе 9.
Результаты проверки считаются положительными, если полученные значения погрешностей не превышают приведенных в приложении А.

G1 - источник переменного тока: например, Н4-11 (свыше 2 А к Н4-11
подключается дополнительный блок ПНТ-50)
РА1 - амперметр переменного тока:
-
- для контрольной точки 10 мА
не используется (эталонное средство измерения - калибратор Н4-11)
-
- для диапазона св. 10 мА до 0,5 А -САЗ 010/2
-
- для диапазона от 0,5 до 10 А -
САЗОЮ/З
Рисунок 9 - Проверка допускаемой основной абсолютной погрешности измерения силы переменного тока на входе РА
-
8.7.6 Проверка допускаемой абсолютной погрешности измерения и воспроизведения частоты
Проверка допускаемой погрешности измерения частоты встроенного цифрового мультиметра и воспроизведения частоты внутренним источником 2 (выход «~И2») проводить по схеме, приведенной на рисунке 10, при помощи частотомера универсального GFC-8010H (далее по тексту GHC-8010H) в следующей последовательности:
-
1) установить в канале А измерителя параметр «Р1», в канале Б параметр «fV», в канале В параметр «U2», в канале Г параметр «f2»;
РЕТОМ-25
О
-U2
С
)
1
PHz
Г
PHz - частотомер, например: GFC-8010H
на вход «PV1»
Рисунок 10 - Проверка допускаемой абсолютной погрешности измерения частоты встроенного цифрового мультиметра и воспроизведения частоты внутренним источником 2 (выход «~U2»)
-
2) установить в меню управления источника 2 диапазон работы 0-65 В (ДИАПАЗОН —> 0-65В); выбрать регулирование выходного напряжения U2 (РЕГУЛИР. U2); включить источник 2; вращая ручку кодера «Управление», установить U2=30 В.
-
3) с помощью кодера «Управление» источника 2 установить режим регулировки частоты f2 и выбрать соответствующий диапазон частоты:
-
- «РЕГУЛИР. f2 —>• 20-1000Гц» для проверки в диапазонах от 20 до 45 Гц, свыше 55 до 1000 Гц.
-
- «РЕГУЛИР. f2 —> 45-55Гц» для проверки в диапазоне от 45 до 55 Гц;
-
4) кодером «Меню» аналогично для вольтметра выбрать диапазон измерения частоты:
-
- МУЛЬТИМЕТР -+ ВОЛЬТМЕТР -> PVl^ ЧАСТОТА 10-1000Гц для проверки в диапазонах от 20 до 45 Гц, свыше 55 до 1000 Гц;
-
- МУЛЬТИМЕТР -> ВОЛЬТМЕТР -> PVl^ ЧАСТОТА -» 40-60Гц для проверки в диапазоне от 45 до 55 Гц.
-
5) вращением ручки кодера «Управление» источника 2 изменять частоту, устанавливая значения на измерителе в соответствии с контрольными точками, приведенными в таблицах Б.9, Б.9.1 приложения Б;
-
6) показания устройства и GFC-8010H занести в протокол (таблицы Б.9, Б.9.1 Приложения Б);
-
7) рассчитать абсолютную погрешность по формуле (1) представленной в разделе 9.
Результаты проверки считаются положительными, если полученные значения погрешностей не превышают приведенных в приложении А.
-
8.7.7 Проверка допускаемой абсолютной погрешности измерения угла фазового сдвига синусоидального сигнала и проверка смещения угла фазового сдвига между напряжением и током
-
8.7.7.1 Проверка смещения угла фазового сдвига между напряжением и током проводиться проверкой допускаемой погрешности измерения угла фазового сдвига в точке 0° при изменении входных сигналов по схеме, приведенной на рисунке 11, в следующей последовательности:
-
1) предел выходного напряжения для источника 3 (выхода «~U3») установить согласно проверяемым точкам:
-
- «~ 20 А» для 5 В, 5А и 4 В 0,07 А;
-
- «~250 В» для 200 В; 0,9 А.
-
2) установить в канале А измерителя параметр «Р1», в канале Б параметр «РА», в канале Г параметр «Ф»;
-
3) в меню работы (МУЛЬТИМЕТР —> ФАЗА) выбрать в качестве опорного сигнала - PV1, измерение - РА;
РЕТОМ-25
+
—О
PV1
R1
—о
К выходу
1----------------------------1
РЕТОМ-25
◄---
ч_н
° РА
«~из»
◄---
—О
R1 - сопротивление номиналом (резисторы с подавленной реактивностью):
1 Ом (не менее 50 Вт, 5 %) для 5 В, 5 А;
220 Ом (не менее 200 Вт, 5%) для 200 В, 0,9 А;
55 Ом (не менее 0,5 Вт, 5%) для 4 В, 0,07 А.
Рисунок 11 - Проверка смещения угла фазового сдвига между напряжением и током
-
4) проконтролировать изменение угла фазового сдвига в точке 0° при изменении напряжения и силы тока согласно таблице Б. 10 Приложения Б, показания устройства занести в протокол (таблица Б. 10 Приложения Б).
Результаты проверки считаются положительными, если полученные значения смещения угла фазового сдвига между напряжением и током не превышают приведенных в приложении А.
-
8.7.7.2 Проверка допускаемой абсолютной погрешности измерения угла фазового сдвига, встроенного цифрового мультиметра проводится по схемам, приведенным на рисунках 12, 13, при помощи прибора электроизмерительного многофункционального эталонного «Энергомонитор 3.1 КМ» (далее по тексту-Энергомонитор 3.1 КМ) в следующей последовательности:
-
1) установить в канале А измерителя параметр Р1, в канале Б - РА, в канале В - Р2, в канале Г параметр Ф;
-
2) в меню работы (МУЛЬТИМЕТР —► ФАЗА) выбрать в качестве опорного сигнала - PV1, измерение - PV2 (при измерении угла фазового сдвига между напряжениями), РА (при измерении угла фазового сдвига между напряжением и током);
-
3) параметры измеряемого сигнала, опорного сигнала и проверяемые значения угла фазового сдвига установить при помощи комплекса программно-технического измерительного РЕТОМ-51 (далее по тексту - РЕТОМ-51) согласно таблице Б. 10.1 Приложения Б;
-
4) измерить полученные значения при помощи устройства и Энергомонитор 3.1 КМ;
-
5) показания устройства и Энергомонитор 3.1 КМ занести в протокол (таблица Б. 10.1 Приложения Б);
-
6) рассчитать абсолютную погрешность по формуле (1) представленной в разделе 9.
Результаты проверки считаются положительными, если полученные значения погрешностей не превышают приведенных в приложении А.
G1- источник синусоидальных сигналов, воспроизводящий углы фазового сдвига между напряжениями (например, РЕТОМ-51): Ubx = PV1= PV2 - 2,5 В; 30 В;
Р1 - измеритель разности фаз, например: Энергомонитор 3.1 КМ
Рисунок 12 - Проверка допускаемой абсолютной погрешности измерения угла фазового сдвига между напряжениями
G1 - источник синусоидальных сигналов, воспроизводящий углы фазового сдвига между током и напряжением (например, РЕТОМ-51): Ubx = PV1= 2,5 В, 1вх = РА - 2,5 А; 45 мА;
Р1 - измеритель разности фаз, например: Энергомонитор 3.1 КМ.
Рисунок 13 - Проверка допускаемой погрешности измерения угла фазового сдвига между напряжением и током
Примечание - для работы Энергомонитора 3.1КМрекомендуется выбрать следующие диапазоны измерения напряжения и силы электрического тока:
«30 В» и «0,1 А» для Uex = PV1= PV2 = 30 В;
«5 В» и «5 А» для Uex = PV1= PV2 = 2,5 В; для Uex = PV1= 2,5 В, lex = РА = 2,5 А;
«5 В» и «0,1 А» для Uex = PV1= 2,5 В, lex = РА = 45 мА.
-
8.7.8 Проверка допускаемой абсолютной погрешности измерения интервалов времени
Проверка погрешности измерения временных интервалов проводится при помощи измерителя параметров реле цифрового Ф291 (далее по тексту - Ф291) в следующей последовательности :
-
1) собрать схему, приведенную на рисунке 14 (схема задатчика для задания интервалов времени приведена на рисунке 15. Замыканием тумблеров S1 и S2 (сначала S1, затем S2), контролируя показания при помощи Ф291, задавать интервалы времени согласно таблице Б.11 приложения Б протокола поверки);
-
2) одновременно подать от Ф291 на устройство команды пуска/останова в соответствии с таблицей Б. 11 приложения Б;
-
3) сравнить показания устройства и Ф291;
-
4) показания устройства и Ф291 занести в протокол (таблица Б.11 приложения Б);
-
5) рассчитать абсолютную погрешность по формуле (1) представленной в разделе 9;
Результаты проверки считаются положительными, если полученные значения погрешностей не превышают приведенных в приложении А
Рисунок 14 - Схема поверки секундомера
Примечания
-
1 Режим работы Ф291: переключатель РЕЖИМ 1 - включено; переключатель РАЗН. - включено; переключатель КНТ - включено; переключатель 100 - включено при измерении секундных интервалов.
-
2 До проведения проверки проверить разновременность работы групп контактов SI, S2 и учесть это значение при расчете границ, приведенных в таблице Б. 11 протокола поверки.
Ф291 РЕТОМ-25
SI, S2 - тумблер с двумя группами контактов с малой разновременностью срабатывания контактов
Рисунок 15 - Схема задатчика временных интервалов
9 Обработка результатов измерений-
9.1 В Приложении Б приведена рекомендуемая форма протокола поверки для случая, когда в качестве эталонного средства измерения используется стрелочный прибор (контролируемая точка выставляется по стрелке). При этом допустимые границы показаний поверяемых устройств рассчитываются относительно показаний эталонного средства измерения.
Если в качестве эталонного средства измерения используется цифровой прибор, то в этом случае контролируемая точка выставляется по показаниям поверяемых устройств, показания же эталонного средства измерения (действительное значение) до выполнения измерения неизвестны. Поэтому, в этом случае, после проведения измерений необходимо пересчитать по формулам, приведенным в 9.3, границы допустимых показаний поверяемых устройств относительно действительных значений (полученных показаний эталонного средства измерения). В протокол поверки необходимо вписать новые полученные границы, и оценивать показания поверяемых устройств уже относительно них.
-
9.2 Определение допустимых показаний поверяемых устройств при измерении тока, напряжения, частоты и временных интервалов
-
9.2.1 Абсолютная погрешность измерений напряжения, силы тока (кроме II), частоты, угла фазового сдвига, времени определяется по формуле:
-
Ь=Хизм-Хд, (1)
где: Хд - действительное значение задаваемой величины (показания эталонного средства измерения);
%изм - измеренное значение задаваемой величины (показания поверяемого устройства).
-
9.2.2 Для каждой проверяемой точки вычисляют значения граничных показаний поверяемых устройств по формулам:
а) при измерении напряжения, силы тока (кроме II)
^ниж __Допуск , j^-eepx _^допуск
б) при измерении времени, частоты, угла фазового сдвига
j^-ниж __Допуск , -^-верх _Допуск
^допуск _
где: Х'‘иж, XT - соответственно нижняя и верхняя граница допускаемых показаний
значения величины параметра i-ой проверяемой точки;
Допуск _ Предел допускаемой абсолютной погрешности измерения проверяемого параметра в i-ой проверяемой точке (по паспорту);
Xdi - действительное значение величины проверяемого параметра в i-ой проверяемой точке (показания эталонного средства измерения);
а, b - коэффициенты, определяющие погрешность (указаны в таблицах Приложения Б);
Хк - конечное значение диапазона измерений (предел измерений);
XU3Mi ~ измеренное значение параметра в i-ой проверяемой точке (показания поверяемого устройства).
9.3 Определение допустимых показаний поверяемых устройств при измерении силы постоянного тока источника 1 (II)
-
9.3.1 Приведенная погрешность у измерений любого параметра (силы постоянного тока) определяется по формуле:
1^-^1.100о/о> (2)
где: Хд - действительное значение задаваемой величины (показания эталонного средства измерения);
Аизи ~ измеренное значение задаваемой величины (показания поверяемого устройства).
Хн - нормирующее значение проверяемого параметра (верхнее значение диапазона измерений силы постоянного тока II, 2 А).
-
9.3.2 Для каждой проверяемой точки вычисляют значения граничных показаний поверяемых устройств по формулам:
^ниж — X — Допуск . j^eepx — ^опУск
Допуск _ У
' ~ 100% ’ "
где: ХРЖ, XT, Х>,опуск, Хд1 - см. 9.2.2, ХИ - см. 9.3.1.
-
9.3.3 Поверяемыми устройствами регистрируют значение Xt, соответствующее максимальному отклонению от установленного значения проверяемой точки (наблюдают 4-5 показаний), при этом следует отбросить явно ошибочные измерения случайного характера, не связанные с систематической погрешностью.
Если по результатам измерений по 8.7.2-8.7.8 выполняется одно (любое) из неравенств:
Хизм < XT или Хизм > XT,
, X“epx - см. 9.2.2, 9.3.2
устройства бракуют. В противном случае заносят данные в протокол по форме, приведенной в Приложении Б, и переходят к следующей проверяемой точке.
Если хотя бы в одной из проверяемых точек любого параметра выполняются указанные выше неравенства, устройства бракуют. В противном случае устройства признают годным для дальнейшего использования.
10 Оформление результатов поверки-
10.1 Результаты поверки устройств оформить в соответствии с Приказом Министерство промышленности и торговли РФ от 2 июля 2015 г. № 1815 «Об утверждении Порядка проведения поверки средств измерений, требования к знаку поверки и содержанию свидетельства о поверке», либо другим действующим нормативно техническим документом, регламентирующим поверку средств измерений.
-
10.2 При положительном результате поверки устройства удостоверяются знаком поверки и записью в паспорте, заверяемой подписью поверителя и знаком поверки или выдается «Свидетельство о поверке».
-
10.3 При отрицательном результате поверки устройств не допускаются к дальнейшему применению, знак поверки гасится, «Свидетельство о поверке» аннулируется, выписывается «Извещение о непригодности» или делается соответствующая запись в паспорте на устройства.
ПРИЛОЖЕНИЕ А
(справочное) Метрологические и технические характеристики устройстваТаблица А.1 - Метрологические характеристики
|
Наименование характеристики |
Значение | ||
|
Источник № 1 (Выход «=U 1») | |||
|
Род электрического тока |
постоянный | ||
|
Диапазон воспроизведения напряжения постоянного тока, В |
от 176 до 260 | ||
|
Диапазон воспроизведения силы постоянного тока, А |
от 0 до 1 | ||
|
Источник № 2 (Выход «-U2») | |||
|
Род электрического тока |
переменный | ||
|
Диапазоны воспроизведения напряжения переменного тока, В |
от 0 до 10 |
от 0 до 65 |
от 0 до 250 |
|
Диапазоны воспроизведения силы переменного тока, А |
от 0 до 10 |
от 0 до 1,5 |
от 0 до 0,6 |
|
Диапазоны воспроизводимых частот переменного тока, Гц |
от 20 до 45 включ. |
св, 45 до 55 включ. |
св. 55 до 1000 |
|
Дискретность изменения частоты переменного тока, Гц, не более |
0,5 |
0,001 |
0,5 |
|
Пределы допускаемой абсолютной погрешности воспроизведения частоты переменного тока по входу напряжения, Гц |
±0,5 |
±0,001 |
±0,5 |
|
Диапазон воспроизведения угла сдвига фаз сигналов напряжения и силы переменного тока,...° |
от 0 до 360 | ||
|
Дискретность воспроизведения угла сдвига фаз, О |
±0,3 | ||
|
Источник № 3 (Выходы «~U3», «=U4», «~U5», «~U6») | |||
|
Род электрического тока:
|
переменный выпрямленный/ постоянный | ||
|
Диапазон воспроизведения частоты переменного тока для выходов «~U3», «~U5», «~U6», Гц |
от 45 до 65 | ||
|
Диапазоны воспроизведения напряжения (силы) электрического тока, В (А):
а) выпрямленный ток б) постоянный ток
а) длительный режим работы б) кратковременный режим работы (0,5 с) |
от 6 до 250 (от 0 до 6) от 1,0 до 50 (от 0 до 30) от 8 до 250 (от 0 до 3) от 10 до 350 (от 0 до 2) от 0 до 7,5 (от 0 до 150) от 5 до 215 (от 0 до 10); от 5 до 215 (до 30) | ||
Продолжение таблицы А, 1
|
Наименование характеристики |
Значение | ||
|
Встроенный цифровой мультиметр: | |||
|
Род электрического тока |
постоянный / переменный | ||
|
Минимальное время измерения напряжения и силы электрического тока, мс, не менее |
320 | ||
|
Амперметр | |||
|
Диапазоны измерения силы электрического тока, А: - источника № 1 |
от 0,2 до 2 | ||
|
- источника № 2 |
от 0,02 до 0,2 включ. св. 0,2 до 2,0 включ. св. 2 до 20 | ||
|
- источника № 3 |
от 0,05 до 0,5 включ. св. 0,5 до 5,0 включ. св.5 до 50 включ. св. 50 до 500 | ||
|
Диапазоны измерения силы переменного тока на входе «РА», А |
от 0,01 до 0,1 включ. св. 0,1 до 1,0 включ. св. 1 до 10 | ||
|
Пределы допускаемой основной абсолютной погрешности измерения силы электрического тока, А:
св. 50 до 500 А (для выхода «~15»)
|
± (0,01 Хизм. + 0,001 Хк) ± (0,005 Хизм.± 0,0005 Хк.) | ||
|
Пределы допускаемой основной приведенной к верхней границе диапазона погрешности измерения силы электрического тока для диапазона от 0,2 до 2 А (для выхода «11»), % |
±2 | ||
|
Вольтмет |
р | ||
|
Диапазоны измерения напряжения электрического тока, В |
от 0,06 до 6 включ. св. 6 до 600 | ||
|
Пределы допускаемой основной абсолютной погрешности измерения напряжения электрического тока, В |
± (0,005 Хизм. + 0,0005 Хк.) | ||
|
Частотомер | |||
|
Диапазоны измерения частоты переменного тока по входу напряжения, Гц |
от 20 до 45 включ. |
св. 45 до 55 включ. |
св. 55 до 1000 |
|
Пределы допускаемой абсолютной погрешности измерения частоты переменного тока по входу напряжения, Гц |
±0,05 |
±0,005 |
±0,5 |
|
Минимально допустимое значение уровня напряжения при измерении частоты переменного тока, мВ |
600 | ||
Продолжение таблицы А. 1
|
Наименование характеристики |
Значение | ||
|
Фазометр | |||
|
Диапазон измерения угла сдвига фаз между двумя напряжениями, напряжением и током, двумя токами, ...° |
от 0 до 360* | ||
|
Пределы допускаемой абсолютной погрешности измерения угла сдвига фаз между двумя напряжениями, напряжением и током, двумя токами, О |
±1,0 | ||
|
Минимально допустимое значение уровня напряжения при измерении фазы, мВ |
600 | ||
|
Встроенный цифровой секундоме |
р | ||
|
Диапазоны измерения временных интервалов, с |
от 0 до 0,9999 |
от 1,000 до 9,999 |
от 10,00 до 99,99 |
|
Разрешающая способность, с |
0,0001 |
0,001 |
0,01 |
|
Пределы допускаемой абсолютной погрешности измерения временных интервалов, с |
±0,0005 |
±0,01 |
±0,01 |
|
Нормальные условия: - температура окружающего воздуха, °C |
от плюс 15 до плюс 25 | ||
|
Рабочие условия:
|
от минус 20 до плюс 50 95 | ||
|
Питание устройств:
|
от 45 до 65 от 187 до 264 | ||
|
Габаритные размеры, мм, не более |
340x430x205 | ||
|
Масса, кг, не более |
19 | ||
|
Высота над уровнем моря, м, не более |
2000 | ||
|
Средний срок службы, лет, не менее |
30 | ||
|
Средняя наработка на отказ, ч, не менее |
25000 | ||
|
Примечания
ХИЗм. - измеренное значение; Хк— верхнее значение (предел) диапазона измерений | |||
Таблица А.2 - Характеристики ПО
|
Идентификационные данные (признаки) |
Значение |
|
Идентификационное наименование ПО |
Retom21 Izm v203.hex |
|
Номер версии платы измерителя (идентификационный номер) ПО |
Не ниже 2.0.3 |
|
Цифровой идентификатор ПО |
По версии ПО |
ПРИЛОЖЕНИЕ Б
(рекомендуемое)
Форма протокола проверки устройства
Номер устройства:
Дата выпуска:___________________
Дата поверки:
Поверка: первичная, периодическая, после ремонта Условия проведения поверки; нормальные температура., град. С _______________
относительная влажность. %
Измерения провел
атмосферное давление. кПа
Основная погрешность задана в виде: ± (ах+ЬХк)
Коэффициент запаса:
Таблица Б.1 ПОСТОЯННОЕ НАПРЯЖЕНИЕ, диапазоны ”6 В”, "600 В"
Рабочий эталон: калибратор тип:
|
Пре дел |
Проверяемая точка, В |
Показания рабочего эталона, В |
а |
Ь |
Показания поверяемого СИ, В |
Границы допустимых значений, В | ||
|
PV1 |
PV2 |
МИН. |
макс. | |||||
|
6 |
0,060 |
0.060 |
0,50% |
0,05% |
0.057 |
0,063 | ||
|
6 |
0,600 |
0,600 |
0,50% |
0,05% |
0,594 |
0.606 | ||
|
6 |
1,500 |
1,500 |
0,50% |
0,05% |
1,490 |
1,511 | ||
|
6 |
3,000 |
3.000 |
0,50% |
0,05% |
2.982 |
3,018 | ||
|
6 |
4,500 |
4.500 |
0,50% |
0,05% |
4,475 |
4.526 | ||
|
6 |
5,900 |
5.900 |
0,50% |
0,05% |
5,868 |
5.933 | ||
|
600 |
6,50 |
6,500 |
0,50% |
0,05% |
6,168 |
6.833 | ||
|
600 |
60,00 |
60,00 |
0,50% |
0,05% |
59.40 |
60,60 | ||
|
600 |
150,0 |
150.0 |
0,50% |
0,05% |
149.0 |
151,1 | ||
|
600 |
300,0 |
300.0 |
0,50% |
0,05% |
298.2 |
301,8 | ||
|
600 |
450,0 |
450.0 |
0,50% |
0,05% |
447.5 |
452,6 | ||
|
600 |
600,0 |
600.0 |
0,50% |
0,05% |
596.7 |
603,3 | ||
Используемый источник
Н4-11
Н4-11
Н4-11
Н4-11
Н4-11
Н4-11
Н4-11
Н4-11
Н4-11
Н4-11
Н4-11
Н4-11
Таблица Б.2 ПЕРЕМЕННОЕ НАПРЯЖЕНИЕ, диапазоны "6 В", "600 В" Рабочий эталон: вольтметр тип
|
Пре дел |
Проверяемая точка. В |
Показания рабочего эталона. В |
а |
Ь |
Показания поверяемого СИ. В |
Границы допустимых значений.В | ||
|
PV1 |
PV2 |
мин. |
макс. | |||||
|
6 |
0,060 |
0.060 |
0,50% |
0,05% |
0,057 |
0,063 | ||
|
6 |
0,600 |
0.600 |
0,50% |
0,05% |
0.594 |
0.606 | ||
|
6 |
1,500 |
1.500 |
0,50% |
0,05% |
1,490 |
1,511 | ||
|
6 |
3,000 |
3.000 |
0,50% |
0,05% |
2,982 |
3,018 | ||
|
6 |
4,500 |
4,500 |
0,50% |
0,05% |
4,475 |
4,526 | ||
|
6 |
5,900 |
5.900 |
0,50% |
0,05% |
5,868 |
5,933 | ||
|
600 |
6,500 |
6.500 |
0,50% |
0,05% |
6,168 |
6,833 | ||
|
600 |
60,00 |
60,00 |
0,50% |
0,05% |
59,40 |
60.60 | ||
|
600 |
150,0 |
150.0 |
0,50% |
0,05% |
149,0 |
151,1 | ||
|
600 |
300,0 |
300,0 |
0,50% |
0,05% |
298.2 |
301,8 | ||
|
600 |
450,0 |
450.0 |
0,50% |
0,05% |
447,5 |
452,6 | ||
|
600 |
600,0 |
600,0 |
0,50% |
0,05% |
596.7 |
603,3 | ||
Используемый источник
U2
U2
U2
U2
U2
U2
U2
Н4-11
Н4-11
Н4-11
Н4-11
Н4-11
Таблица Б.2.1 СМЕЩЕНИЕ УГЛА СДВИГА ФАЗ ПО НАПРЯЖЕНИЮ (0е) Рабочий эталон: вольтметр тип
|
Пре дел |
Проверяемая точка, В |
Показания рабочего эталона, град |
а |
ь |
Показания поверяемого СИ. град |
Границы допустимых значений, град | ||
|
Ф (канал Б) |
Ф (канал Г) |
мин. |
макс. | |||||
|
0,600 |
0,00 |
1,00 |
-1.00 |
1.00 | ||||
|
1,500 |
0.00 |
1,00 |
-1,00 |
1.00 | ||||
|
3,000 |
0,00 |
1,00 |
-1,00 |
1.00 | ||||
|
4,500 |
0,00 |
1,00 |
-1,00 |
1.00 | ||||
|
5,900 |
0,00 |
1,00 |
-1,00 |
1.00 | ||||
|
6,500 |
0,00 |
1,00 |
-1,00 |
1.00 | ||||
|
60,00 |
0,00 |
1,00 |
-1,00 |
1.00 | ||||
|
150,0 |
0,00 |
1,00 |
-1.00 |
1.00 | ||||
|
300,0 |
0,00 |
1,00 |
-1,00 |
1,00 | ||||
|
450,0 |
0,00 |
1,00 |
-1.00 |
1.00 | ||||
|
600,0 |
0,00 |
1,00 |
-1,00 |
1.00 | ||||
Используемый источник
U2
U2
U2
U2
U2
U2
Н4-11
Н4-11
Н4-11
Н4-11
Н4-11
Таблица Б.З ВЫПРЯМЛЕННЫЙ ТОК 14, диапазоны "50...500 мА", "0,5...5,0 А", "5...50 А"
Рабочий эталон: амперметр тип
|
Предел |
Проверяемая точка |
Показания рабочего эталона, (мА) А |
а |
Ь |
Показания поверяемого СИ, мА (А) |
Границы допустимых значений, (мА) А | ||
|
I4 (канал Б) |
I4 (канал Г) |
мин. |
макс. | |||||
|
500 |
50 мА |
50,00 |
0,50% |
0,05% |
49,50 |
50,50 | ||
|
500 |
250 мА |
250,00 |
0,50% |
0,05% |
248.5 |
251,5 | ||
|
500 |
490 мА |
490,00 |
0,50% |
0,05% |
487,3 |
492,7 | ||
|
5000 |
550 мА |
550,0 |
0,50% |
0,05% |
544,8 |
555,3 | ||
|
5 |
1 А |
1,000 |
0,50% |
0,05% |
0,993 |
1,008 | ||
|
5 |
2,9 А |
2,900 |
0,50% |
0,05% |
2,883 |
2,917 | ||
Источник, диапазон работы
U4(B), Rh (220 ОМ)
U4(B), RH (220 Ом)
U4(B), RH (220 Ом)
U4(B), Rh (220 Ом) U4(b), Rh (0 Ом) U4(b), Rh (0 Ом)
Таблица Б.4 ПОСТОЯННЫЙ ТОК И, диапазон 2 А Рабочий эталон: амперметр тип
|
Пре дел |
Проверяемая точка |
Показания рабочего эталона, А |
а |
ь |
Показания поверяемого СИ, А |
Границы допустимых значений, А | ||
|
И (канал Б) |
И (канал Г) |
МИН. |
макс. | |||||
|
2 |
0,2 А |
0,200 |
2,00% |
0,160 |
0.240 | |||
|
2 |
0,5 А |
0,500 |
2,00% |
0,460 |
0,540 | |||
|
2 |
1,0 А |
1,000 |
2,00% |
0,960 |
1,040 | |||
Источник
U1 Rh (880 Ом) U1+RH (440 Ом) U1+RH (220 Ом)
Таблица Б.5 ПЕРЕМЕННЫЙ ТОК 12, диапазоны "20 ... 200 мА", "0,2...2,0 А" и "2,0 ... 20 А"
Рабочий эталон: амперметр тип ____________________________________________
миллиамперметр тип
|
Пре дел |
Проверяемая точка |
Показания рабочего эталона. (мА) А |
а |
b |
Показания поверяемого СИ, мА (А) |
Границы допустимых значений. (мА) А | ||
|
I2 (канал Б) |
I2 (канал Г) |
МИН. |
макс. | |||||
|
200 |
20 мА |
20,00 |
0,50% |
0,05% |
19.80 |
20,20 | ||
|
200 |
100 мА |
100.00 |
0,50% |
0,05% |
99,40 |
100,60 | ||
|
200 |
190 мА |
190,00 |
0,50% |
0,05% |
188,95 |
191,05 | ||
|
2000 |
210 мА |
210,0 |
0,50% |
0,05% |
208.0 |
212.1 | ||
|
2000 |
600 мА |
600,0 |
0,50% |
0,05% |
596.0 |
604,0 | ||
|
2 |
1,50 А |
1.500 |
0,50% |
0,05% |
1.49 |
1,51 | ||
|
2 |
1,90 А |
1,900 |
0,50% |
0,05% |
1.89 |
1,91 | ||
|
20 |
2,10 А |
2,100 |
0,50% |
0,05% |
2.08 |
2,12 | ||
|
20 |
5,00 А |
5,000 |
0,50% |
0,05% |
4,97 |
5.04 | ||
|
20 |
7,00 А |
7,000 |
0,50% |
0,05% |
6,96 |
7,05 | ||
|
20 |
10 А |
10,00 |
0,50% |
0,05% |
9.94 |
10,06 | ||
Используемый источник
U2(250 В), Rh (880 Ом)
U2(250 В), Rh (220 Ом)
U2(250 В), Rh (220 Ом)
U2(250 В), Rh (220 Ом) U2 (65 В). Rh (0 Ом) U2(10B), Rh (0 Ом) U2(10B). Rh (0 Ом) U2(10B), Rh(OOm) U2(10B). Rh (0 Ом) U2(10B), Rh(OOm) U2(10B), Rh (0 Ом)
Таблица Б.6 ПЕРЕМЕННЫЙ ТОК 13, диапазоны "50...500 мА", "0,5...5,0 А", "5...50 А"
Рабочий эталон: амперметр тип _________________________________________
миллиамперметр тип
|
Пре дел |
Проверяемая точка |
Показания рабочего эталона, (мА) А |
а |
ь |
Показания поверяемого СИ, мА (А) |
Г раницы допустимых значений, (мА) А | ||
|
I3 (канал Б) |
I3 (канал Г) |
МИН. |
макс. | |||||
|
500 |
50 мА |
50.0 |
0,50% |
0,05% |
49,5 |
50.5 | ||
|
500 |
250 мА |
250,0 |
0,50% |
0,05% |
248.5 |
251,5 | ||
|
500 |
490 мА |
490,0 |
0,50% |
0,05% |
487,3 |
492,7 | ||
|
5000 |
510 мА |
510.0 |
0,50% |
0,05% |
505,0 |
515,1 | ||
|
5 |
2,5 А |
2,500 |
0,50% |
0,05% |
2,485 |
2,515 | ||
|
5 |
4,9 А |
4,900 |
0,50% |
0,05% |
4,873 |
4,927 | ||
|
50 |
5,10 А |
5,100 |
0,50% |
0,05% |
5,050 |
5,151 | ||
|
50 |
15,00 А |
15,00 |
0,50% |
0,05% |
14,90 |
15.10 | ||
|
50 |
30,00 А |
30.00 |
0,50% |
0,05% |
29.82 |
30.18 | ||
Источник, диапазон работы
"250B’’, Rh (2200м) "250В", RH (220 Ом) "250В”, Rh (220 Ом) "250В", Rh (220 Ом)
"250В", Rh (0 Ом) ■’250В", Rh (0 Ом) "250В", Rh (0 Ом) "20А", Rh (0 Ом) "20А", Rh (0 Ом)
Таблица Б.7 ПЕРЕМЕННЫЙ ТОК 15, диапазоны "50 А" и "500 А" Рабочий эталон: амперметр тип
трансформатор тока тип
|
Пре дел |
Проверяемая точка.А |
Показания рабочего эталона, А |
а |
ь |
Показания поверяемого СИ, А |
Г раницы допустимых значений,А | ||
|
I5 (канал Б) |
I5 (канал Г) |
МИН. |
макс. | |||||
|
50 |
5,10 |
5,100 |
1,00% |
0,10% |
4,999 |
5,201 | ||
|
50 |
15,00 |
15.00 |
1,00% |
0,10% |
14,80 |
15,20 | ||
|
50 |
30,00 |
30,00 |
1,00% |
0,10% |
29.65 |
30,35 | ||
|
50 |
49,00 |
49,00 |
1,00% |
0,10% |
48,46 |
49,54 | ||
|
500 |
51,0 |
51.00 |
1,00% |
0,10% |
49,99 |
52,01 | ||
|
500 |
100,0 |
100,00 |
1,00% |
0,10% |
98,50 |
101,50 | ||
|
500 |
150,0 |
150.0 |
1,00% |
0,10% |
148,0 |
152,0 | ||
Диапазон работы
"150А"
"150А"
"150А"
"150А"
'ЧбОА"
"150А"
"150 А"
Таблица Б.8 ПЕРЕМЕННЫЙ ТОК на РА, диапазоны "10,..100 мА", "0,1...1,0 А", "1,0...10 А"
Рабочий эталон: амперметр тип _______________________________________________
калибратор
|
Пре дел |
Проверяемая точка |
Показания рабочего эталона. (мА) А |
а |
b |
Показания поверяемого СИ. мА (А) |
Границы допустимых значений, (мА) А | ||
|
РА (канал Б) |
РА (канал Г) |
МИН. |
макс. | |||||
|
100 |
10 мА |
10,0 |
0,50% |
0,05% |
9.9 |
10.1 | ||
|
100 |
50 мА |
50,0 |
0,50% |
0,05% |
49,7 |
50,3 | ||
|
100 |
90 мА |
90.0 |
0,50% |
0,05% |
89,5 |
90,5 | ||
|
1000 |
110 мА |
110,0 |
0,50% |
0,05% |
109,0 |
111,1 | ||
|
1000 |
500 мА |
500,0 |
0,50% |
0,05% |
497,0 |
503,0 | ||
|
1000 |
900 мА |
900,0 |
0,50% |
0,05% |
895,0 |
905,0 | ||
|
10 |
1,10 А |
1,100 |
0,50% |
0,05% |
1,090 |
1,111 | ||
|
10 |
5,00 А |
5,000 |
0,50% |
0,05% |
4.970 |
5.030 | ||
|
10 |
9,50 А |
9.500 |
0,50% |
0,05% |
9,448 |
9,553 | ||
Используемый источник
Н4-11
Н4-11
Н4-11
Н4-11
Н4-11
Н4-11
Н4-11
Н4-11+ПНТ
Н4-11+ПНТ
Таблица Б.9 ГЕНЕРИРОВАНИЕ ЧАСТОТЫ , диапазоны "20 ... 45 Гц ", "45 ... 55 Гц", "55 ... 1000 Гц" Рабочий эталон: частотомер тип/
|
Предел |
Проверяемая точка.Гц |
Показания рабочего эталона. ГЦ |
а |
ь |
Показания поверяемого СИ. Гц |
Границы допустимых значений, Гц | |
|
f2 (генер) |
МИН. |
макс. | |||||
|
f PV1 |
U2=UPV1 = 30 В (предел измер. мультиметра 600 В, диапазон U2 0-65 В) | ||||||
|
20,00 |
20,00 |
0,5 |
19,50 |
20,50 | |||
|
30,00 |
30.00 |
0,5 |
29.50 |
30.50 | |||
|
45,00 |
45,000 |
0,001 |
44,999 |
45,001 | |||
|
50,00 |
50,000 |
0,001 |
49,999 |
50,001 | |||
|
54,00 |
54,000 |
0,001 |
53.999 |
54,001 | |||
|
100,0 |
100,0 |
0,5 |
99,51 |
100.5 | |||
|
250,0 |
250,0 |
0,5 |
249,5 |
250,5 | |||
|
1000,0 |
1000,0 |
0,5 |
999,5 |
1000,5 | |||
1
Используемый источник
U2
U2
U2
U2
U2
□2
U2
U2
Таблица Б.9.1 ИЗМЕРЕНИЕ ЧАСТОТЫ , диапазоны "20 ... 45 Гц", "45 ... 55 Гц", "55 ... 1000 Гц" Рабочий эталон: частотомер тип/
|
Предел |
Проверяемая точка, Гц |
Показания рабочего эталона. Гц |
а |
ь |
Показания поверяемого СИ, Гц |
Г раницы допустимых значений, Гц | |
|
fV (измер) |
МИН. |
макс. | |||||
|
f PV1 |
U2=UPV1 = 30 В (предел измер. мультиметра 600 В, диапазон U2 0-65 В) | ||||||
|
дГоо |
0,05 |
19.95 |
20,05 | ||||
|
30,00 |
30,00 |
0,05 |
29,95 |
30,05 | |||
|
45,00 |
45,000 |
0,005 |
44,995 |
45,005 | |||
|
50,00 |
50,000 |
0,005 |
49,995 |
50,005 | |||
|
о:оо5" |
53,995 |
■”54,067" | |||||
|
100,0 |
100,0 |
0,5 |
99,51 |
100,5 | |||
|
250,0 |
250,0 |
0,5 |
249.5 |
250.5 | |||
|
ioTOT |
0,5 |
999,5 |
1000,5 | ||||
1
Используемый источник
U2
U2
U2
U2
U2
U2
U2
U2
Таблица Б. 10 СМЕЩЕНИЕ УГЛА ФАЗОВОГО СДВИГА МЕЖДУ U и I (0°) Рабочий эталон не требуется
|
Предел |
Проверяемая точка |
Показания рабочего эталона, град |
а |
ь |
Показания поверяемого СИ. град. |
Границы допустимых значений, град. | |
|
Изм. |
мин. |
макс. | |||||
|
PV1 = 5 В; РА = 5 А ; R1= 1 Ом (пределы измерения мультиметра 6 В и 10 А) | |||||||
|
PV1 - РА |
0.00 |
II too I |
-1,00 |
1,00 | |||
|
PV1 = 4 В; РА = 0,07 A; R1= 55 Ом (пределы измерения мультиметра 6 В и 0,1 А) | |||||||
|
PV1 - РА |
0.00 |
I 1,00 |
-1,00 |
1,00 | |||
|
PV1 = 200 В; РА = 0,9 A; R1= 220 Ом (пределы измерения мультиметра 600 В и 1 А) | |||||||
|
PV1 - РА |
0,00 |
II 1,00 |
-1,00 |
1,00 | |||
Используемый источник
из
из
из
Таблица Б. 10.1 ИЗМЕРЕНИЕ УГЛА ФАЗОВОГО СДВИГА Рабочий эталон: фазометр тип
|
Предел |
Проверяемая точка |
Показания рабочего эталона, град |
а |
Ь |
Показания поверяемого СИ, град. |
Г раницы допустимых значений, град. | |
|
Изм. |
мин. |
макс. | |||||
|
PV1 = 30 В; PV2 |
= 30 В (предел измерения мультиметра 600 В) | ||||||
|
PV1 - PV2 |
0,00 |
1,00 |
-1,00 |
1,00 | |||
|
PV1 - PV2 |
120,00 |
1,00 |
119,00 |
121,00 | |||
|
PV1 - PV2 |
240,00 |
1,00 |
239,00 |
241,00 | |||
|
PV1 = 2,5 В; PV2 = 2,5 В (предел измерения мультиметра 6 В) | |||||||
|
PV1 - PV2 |
0,00 |
1,00 |
-1.00 |
1,00 | |||
|
PV1 - PV2 |
120,00 |
1,00 |
119,00 |
121,00 | |||
|
PV1 - PV2 |
240,00 |
1,00 |
239,00 |
241,00 | |||
|
PV1 ■ 2,5 В; РА = 2,5 А; (пределы измерения мультиметра 6 В и 10 А) | |||||||
|
PV1 - РА |
0,00 |
1,00 |
-1,00 |
1,00 | |||
|
PV1 - РА |
120,00 |
1,00 |
119,00 |
121,00 | |||
|
PV1 - РА |
240,00 |
1,00 |
239.00 |
241,00 | |||
|
PV1 = 2,5 В; РА * 45 мА; (пределы измерения мультиметра 6 В и 0,1 А) | |||||||
|
PV1 - РА |
0,00 |
1,00 |
-1,00 |
1,00 | |||
|
PV1 ■ РА |
120,00 |
1,00 |
119,00 |
121,00 | |||
|
PV1 - РА |
240,00 |
1,00 |
239,00 |
241,00 | |||
Используемый источник
РЕТОМ-51
РЕТОМ-51
РЕТОМ-51
РЕТОМ-51
РЕТОМ-51
РЕТОМ-51
РЕТОМ-51
РЕТОМ-51
РЕТОМ-51
РЕТОМ-51
РЕТОМ-51
РЕТОМ-51
Таблица Б.11 ПОВЕРКА СЕКУНДОМЕРА Рабочий эталон: секундомер тип
|
№ |
Проверяемая точка |
Показания рабочего эталона, (мс) с |
а |
ь |
Показания поверяемого СИ, (мс) с |
Г раницы допустимых значений, мс (с) | |
|
Изм. |
МИН. |
макс. | |||||
|
1 |
10,0...100,0 мс |
0,5 |
-0.5 |
0,5 | |||
|
2 |
300...500 мс |
0,5 |
-0,5 |
0.5 | |||
|
3 |
700...900 мс |
0,5 |
-0,5 |
0.5 | |||
|
4 |
1,0...10,0 с |
0,01 |
-0,010 |
0,010 | |||
|
5 |
30,0...50,0 с |
0,01 |
-0,01 |
0,01 | |||
|
6 |
70,0...90,0 с |
0,01 |
-0,01 |
0,01 | |||
Заключение о соответствии требованиям техн.документаиии: соответствует. не соответствует
Измерения провел: _______>
Измерения провел:______________I,___________________________>
