Методика поверки «ГСИ. МАНОМЕТРЫ ЦИФРОВЫЕ ЭЛЕКТРОКОНТАКТНЫЕ ЭКМ-2156» (Код не указан!)
УТВЕРЖДАЮ

Государственная система обеспечения единства измерений
МАНОМЕТРЫ ЦИФРОВЫЕ ЭЛЕКТРОКОНТАКТНЫЕ
ЭКМ-2156
Методика поверки
^-,^.£4 £00" 16
2016 г.
Настоящая методика поверки распространяется на манометры цифровые электроконтакт-ные ЭКМ-2156, выпускаемые по технической документации ЗАО «НПП «Автоматика», г. Владимир.
Манометры цифровые электроконтактные ЭКМ-2156, предназначены для измерения входного сигнала давления и разрежения, с цифровой и шкальной индикацией измеряемого параметра, с сигнализацией о выходе измеряемого параметра за пределы заданных значений, а также для преобразования измеряемого параметра в унифицированный выходной сигнал постоянного тока.
Методика поверки устанавливает методы и средства первичной и периодической поверок манометров цифровых электроконтактных ЭКМ-2156.
Рекомендованный интервал между поверками 2 года.
1 ОПЕРАЦИИ ПОВЕРКИ-
1.1 При проведении поверки выполняют следующие операции:
-
— внешний осмотр - п. 5.1;
-
— опробование - п. 5.2;
-
— определение основной погрешности - п. 5.3;
-
— определение вариации - 5.4.
-
2.1 При проведении поверки применяют средства, указанные в таблице 1.
Таблица 1
Наименование средства поверки (эталона) |
Основные метрологические и технические характеристики средств поверки |
Задатчик избыточного давления «Воздух - 4000» |
Диапазон задания от 0 до 40 кПа. Класс точности 0,05 |
Мановакуумметр грузопоршневой МВП-2,5 |
Диапазон измерения избыточного давления от 0 до 0,25 МПа, вакуумметрического давления от 0 до минус 0,095 МПа. Пределы допускаемой основной погрешности ± 5 Па в диапазоне от 0 до 0,025 МПа; ±0,05 % от измеряемой величины при давлении свыше 0,01 МПа |
Манометр грузопоршневой МП-60 |
Диапазон измерений от 0,1 до 6 МПа Пределы допускаемой основной погрешности ±0,05 % |
Преобразователь давления измерительный ИПД-1,0 ИПД-2,5 |
Диапазон измерения от 0 до 100 кПа и от 0 до 250 кПа. Класс точности 0,06 |
Манометр показывающий МВТ |
Пределы измерения -0,1... 60 МПа. Класс точности 2,5 |
Миллиамперметр постоянного тока |
Класс точности 0,1 и 0,2. Верхний предел измерений 30 мА |
Вольтметр универсальный В7-38 |
Диапазон измерений (0...2) В Предел допускаемой основной погрешности: ±0,15 % |
Катушка сопротивления Р331, Р321 |
Класс точности 0,05 или 0,1. Сопротивление 100 Ом; 10 Ом |
Источник постоянного тока Б5-8 или Б5-45 |
Наибольшее значение напряжения на выходе 50 В. Допускаемое отклонение ±0,5% от установленного значения напряжения. |
Термометр лабораторный ТЛ-2 №1 |
Пределы измерений (0... 50) °C. Цена деления шкалы 1 °C. Пределы допускаемой основной погрешности ±1,0 °C. |
-
2.2 Средства поверки (эталоны), применяемые при поверке, должны быть поверены и иметь действующие свидетельства о поверке.
-
2.3 Допускается применять другие средства поверки, не предусмотренные перечнем, приведенным в табл. 1, при условии обеспечения ими условий в соответствии с разделами 4 и 5.
-
3.1 При проведении поверки должны соблюдаться общие требования безопасности при работе с манометрами, а также требования по эксплуатации применяемых средств поверки, указанные в технической документации на эти средства.
-
4.1 При проведении поверки должны соблюдаться следующие условия:
-
— температура окружающего воздуха (20 ±2) °C;
-
— относительная влажность окружающего воздуха (30... 80) %.
-
— давление в помещении, где проводят поверку (далее - атмосферное давление), в пределах (84... 106,7) кПа или (630... 800) мм рт. ст.
-
— напряжение питания постоянного тока в пределах (18... 36) В,переменного тока в пределах (220 ±5) В. Номинальное значение напряжения питания и требования к источнику питания - в соответствие с технической документацией.
— нагрузочное сопротивление: для измерения тока (0... 20) мА для измерения тока (4... 20) мА для измерения тока (0... 5) мА
-
- (500 ± 50) Ом;
-
- (500 ± 50) Ом;
-
- (2000 ±50) Ом.
— рабочая среда - воздух, при поверке манометров с верхними пределами измерений, не превышающими 2,5 МПа, и жидкость при поверке манометров с верхними пределами измерений более 2,5 МПа. Допускается использовать жидкость при поверке манометров с верхними пределами измерений от 0,4 до 4,0 МПа при условии тщательного заполнения жидкостью всей системы поверки. Допускается использовать воздух при поверке манометров с верхними пределами измерений более 2,5 МПа при условии соблюдения соответствующих правил безопасности.
-
4.2 Перед проведением поверки манометров выполняют следующие подготовительные работы:
-
— выдерживают манометр в течение 2 часа при температуре, указанной в п. 4.1, если иное не указано в руководстве по эксплуатации на манометр;
-
— выдерживают манометр не менее 15 минут при включенном питании, если иное не указано в технической документации;
-
— устанавливают манометр в рабочее положение с соблюдением указаний технической документации;
-
— проверяют на герметичность в соответствии с п. 4.3 систему, состоящую из соединительных линий для передачи давления, эталонов и вспомогательных средств, для задания и передачи измеряемой величины.
-
4.3 Проверку герметичности системы, предназначенной для поверки манометров, проводят при значениях давления (разрежения), равных верхнему пределу измерений поверяемого манометра.
При проверке герметичности системы, предназначенной для поверки манометров, устанавливают заведомо герметичный манометр, показывающий или любое другое средство измерений с погрешностью измерений не более 2,5 %, позволяющее зафиксировать 0,5 % изменение давления от заданного значения.
Создают в системе давление, после чего отключают источник давления. Если в качестве эталонного СИ применяют манометр грузопоршневой, то его колонку и пресс также отключают.
Систему считают герметичной, если после трехминутной выдержки под давлением, равным или близким верхнему пределу измерений манометра, не наблюдают изменение давления (разрежения) более 0,5 % верхнего предела измерений в течение последующих 2 минут. При необходимости время выдержки под давлением может быть увеличено.
Допускаются поправки при изменении температуры окружающего воздуха.
-
5 ПРОВЕДЕНИЕ ПОВЕРКИ
При внешнем осмотре манометра устанавливают:
-
— отсутствие видимых дефектов;
-
— наличие на корпусе манометра таблички (шильдика, этикетки) с маркировкой, соответствующей паспорту и/или руководству по эксплуатации;
-
— наличие паспорта и/или руководства по эксплуатации.
-
5.2.1 При опробовании проверяют работоспособность и герметичность манометра.
-
5.2.2 Работоспособность манометра проверяют, изменяя измеряемое давление от нижнего предельного значения до верхнего. При этом должно наблюдаться изменение выходного сигнала.
Функцию коррекция «нуля» проверяют программно, в соответствии с указаниями руководства по эксплуатации.
-
5.2.3 Проверку герметичности манометра рекомендуется совмещать с операцией определения его основной погрешности.
Методика проверки герметичности манометра аналогична методике проверки герметичности системы (п. 4.3), но имеет следующие особенности:
-
— изменение давления (разрежения) определяют по изменению выходного сигнала или по изменению показаний цифрового индикатора поверяемого манометра;
-
— в случае обнаружения негерметичности системы с установленным поверяемым манометром следует раздельно проверить герметичность системы и манометра.
-
5.3.1 Схемы подключения приведены в Приложении А. Эталоны (СИ давления и тока) подключают в соответствии с их руководством по эксплуатации.
-
5.3.2 Основную погрешность по показаниям и выходному сигналу определяют следующем способом.
По показаниям эталона (давления) на входе манометра устанавливают номинальные значения входной измеряемой величины давления, а по другому эталону (тока) измеряют соответствующие значения выходного сигнала (постоянного тока).
Определение значений выходного сигнала и его отклонений производят непосредственно в мА по показаниям миллиамперметра или в мВ по падению напряжения на образцовом сопротивлении.
-
5.3.3 Устанавливают следующие критерии достоверности поверки:
Рвам - наибольшая вероятность, при которой любой дефектный экземпляр манометра может быть ошибочно признан годным;
(бм)ва - отношение возможного наибольшего модуля основной погрешности экземпляра манометра, который может быть ошибочно признан годным, к пределу допускаемой основной погрешности.
Допускаемые значения критериев достоверности поверки: Рвам = 0,20 и (5м)ватах = 1,25.
-
5.3.4 Устанавливают следующие параметры поверки:
ш - число поверяемых точек в диапазоне измерений, ш > 5; в обоснованных случаях и при отсутствии эталонных СИ с необходимой дискретностью воспроизведения измеряемой величины допускается уменьшать число поверяемых точек до 4 или 3;
n - число наблюдений при экспериментальном определении значений погрешности в каждой из поверяемых точек при изменениях входной измеряемой величины от меньших значений к большим (прямой ход) и от больших значений к меньшим (обратный ход), n = 1; в обоснованных случаях и в соответствии с технической документацией на манометры допускается увеличивать число наблюдений в поверяемых точках до 3, принимая при этом среднеарифметическое значение результатов наблюдений за достоверное значение в данной точке;
ук - абсолютное значение отношения контрольного допуска к пределу допускаемой основной погрешности;
ар - отношение предела допускаемой погрешности эталонных СИ, применяемых при поверке, к пределу допускаемой основной погрешности поверяемого манометра.
Значения ук и ар выбирают по таблице 2 (п. 5.3.5) в соответствии с принятыми критериями достоверности поверки.
-
5.3.5 Выбор эталона для определения основной погрешности поверяемых манометров осуществляют, исходя из технических возможностей и технико-экономических предпосылок с учетом критериев достоверности поверки (п. 5.3.3) и в соответствии с таблицей 2.
Таблица 2
ар 0,2 0,25 0,33 0,4 0,5
ук 0,94 0,93 0,91 0,82 0,70
Рвам |
0,20 |
0,20 |
0,20 |
0,10 |
0,05 |
(6м)ва |
1,14 |
1,18 |
1,24 |
1,22 |
1,20 |
Примечание - Таблица составлена в соответствии с критериями достоверности поверки по п. 5.3.3 и согласно МИ 187-86 «ГСИ. Критерии достоверности и параметры методик поверки» и МИ 188-86 «ГСИ. Установление значений параметров методик поверки». |
-
5.3.6 При выборе эталона для определения погрешности поверяемого манометра для каждой поверяемой точки должны быть соблюдены следующие условия:
1) При определении значений выходного сигнала в мА / Л Л А
Лр I ь
х100<ар •/,
(1)
р I -1
\ max max о /
где Др - предел допускаемой абсолютной погрешности эталона, контролирующего входную величину давления, кПа или МПа.
^пах - верхний предел измерений (или диапазон измерений) поверяемого манометра, кПа или кгс/см2
Д/ - предел допускаемой абсолютной погрешности эталона, контролирующего электрический выходной сигнал манометра, мА;
Алах’4- соответственно верхнее и нижнее предельные значения выходного сигнала манометра; для манометров с выходным сигналом (4...20) мА Л = ^мА, Лпах = 20ль4 •
ар - то же, что в п.5.3.4;
у — предел допускаемой основной приведенной погрешности поверяемого манометра выраженного в процентах от диапазона показаний, %.
2) При определении значений выходного сигнала в мВ по падению напряжения на эталонном сопротивлении
—— +--—--+-^- х100<а„х/, (у\
Р Т Т —Т Т Р р
<•'max шах о ^эт /
где Др , ^пах - то же, что в формуле (1);
Ди - предел допускаемой абсолютной погрешности эталона, контролирующего выходной сигнал манометра по падению напряжения на эталонном сопротивлении, мВ;
- предел допускаемой абсолютной погрешности эталонного сопротивления, Ом;
^эт - значение эталонного сопротивления, Ом;
^тах’^о - соответственно верхнее и нижнее предельные значения выходного сигнала (мВ) на эталонном сопротивлении, определяемые по формулам: ^тах = х Кзт и “ 4 х Кэт.
-
5.3.7 Расчётные значения выходного сигнала (постоянного тока) поверяемого манометра для заданного номинального значения входной измеряемой величины определяют по формулам (3-4):
1) Для манометров с линейно возрастающей зависимостью выходного сигнала постоянного тока (7) от входной измеряемой величины (Р)
(3)
.т Гп
где - расчётное значение выходного сигнала постоянного тока (мА);
Р - номинальное значение входной измеряемой величины; для манометров давления-разрежения значение Р в области разрежения подставляется в формулу (3) со знаком минус;
Рт - верхний предел измерений поверяемого манометра, кПа или МПа;
Рп - нижний предел измерений поверяемого манометра, кПа или МПа;
- соответственно верхнее и нижнее предельные значения выходного сигнала манометра; для манометров с выходным сигналом (4.. .20) мА Л = 4-мЛ, 1т = 20м4
2) Для манометров с выходным сигналом постоянного тока, значения которого контролируют по падению напряжения на эталонном сопротивлении Рзт
иР=Рэтх1Р (4)
где Up - расчётное значение падения напряжения на эталонном сопротивлении, мВ;
1р - расчётное значение выходного сигнала постоянного тока, определяемое по формулам (3).
-
5.3.8 Перед выполнением операций определения основной погрешности при необходимости корректируют значения показаний давления и выходного сигнала, соответствующих нижнему и верхнему предельным значениям давления. Производят подстройку «нуля».
-
5.3.9 Основную погрешность определяют при т значениях измеряемой величины, достаточно равномерно распределенных в диапазоне измерений, в том числе при значениях измеряемой величины, соответствующих нижнему и верхнему предельным значениям выходного сигнала.
Интервал между значениями измеряемой величины не должен превышать: 30% диапазона измерений при т=5 (основной вариант поверки); 40% диапазона измерений при т= 4 и 60 % диапазона измерений при т=3.
Основную погрешность определяют при значении измеряемой величины, полученном при приближении к нему как со стороны меньших значений (при прямом ходе), так и со стороны больших значений (при обратном ходе).
-
5.3.10 Основную погрешность Тд в % нормирующего значения вычисляют по приведённым ниже формулам.
При поверке манометров по показаниям давления цифрового индикатора манометра:
(5)
где Р - значение входной измеряемой величины давления, полученное экспериментально при номинальном значении выходного сигнала, кПа, МПа;
Рном ~ номинальное значение измеряемой величины при номинальном значении выходного сигнала, кПа, МПа;
Рт - верхний предел измерений или диапазон измерений, кПа, МПа.
При поверке манометров по выходному сигналу постоянного тока:
^=7тт-100’ (6)
т л о
и-и уд =------—-100,
ит-и0 (7)
где I - значение выходного сигнала постоянного тока, полученное экспериментально при номинальном значении измеряемой величины, мА;
U - значение падения напряжения на эталонном сопротивлении или значение выходного сигнала постоянного напряжения, полученное экспериментально при номинальном значении входной измеряемой величины (давления), мВ;
остальные обозначения те же, что в формулах (3), (4).
5.4 Определение вариации
-
5.4.1 Вариации по показаниям давления цифрового индикатора манометра и выходного сигнала постоянного тока определяют при каждом поверяемом значении измеряемой величины, кроме значений, соответствующих нижнему и верхнему пределам измерений, по данным, полученным экспериментально при определении основной погрешности (п. 5.3).
-
5.4.2 Вариацию /г в % нормирующего значения вычисляют по приведённым ниже формулам.
При поверке манометров по показаниям давления цифрового индикатора манометра:
М00, (8)
т
где Р, Р* - значения входной измеряемой величины давления, полученные экспериментально при прямом и обратном ходе и при одном и том же номинальном значении выходного сигнала, кПа, МПа;
Pm - то же, что в формуле (5).
При поверке манометров по выходному сигналу постоянного тока:
/г =УТ7'100- (9)
Zr=V^'100’ (10)
где 7,7* - значения выходного сигнала постоянного тока, полученные экспериментально при
одном и том же номинальном значении входной измеряемой величины при прямом и обратном ходе соответственно, мА;
U,U* - значения падения напряжения на эталонном сопротивлении, полученные экспериментально при измерениях выходного сигнала и при одном и том же номинальном значении входной измеряемой величины при прямом и обратном ходе соответственно, мВ;
остальные обозначения те же, что в формулах (3), (4).
Допускается рассчитывать вариацию выходного сигнала по формуле
Уг=\Уд~Уд[ (11)
где Уд и Уд - значения основной погрешности манометра, рассчитанные соответственно при прямом и обратном ходе по одной из формул п. 5.3.10, %.
5.5 Результаты поверки манометров.-
5.5.1 Манометр признают годным при первичной поверке, если на всех поверяемых точках модуль основной погрешности |/<>|-Ук ХИ, а значение вариации /г в каждой точке измерений не превышает предела ее допускаемого значения.
-
5.5.2 Манометр признают негодным при первичной поверке, если хотя бы в одной поверяемой точке модуль основной погрешности |/<>| > У к х|/|, или значение вариации Уг превышает предел её допускаемого значения.
-
5.5.3 Если основная погрешность по показаниям или выходному току превышает указанные значения, то необходимо провести настройку манометра.
-
5.5.4 Манометр признают годным при периодической поверке, если на всех поверяемых точках при первом или втором цикле поверки выполняются условия, изложенные в п. 5.5.1.
-
5.5.5 Допускается вместо вычислений по экспериментальным данным значений основной погрешности Уд и вариации У г устанавливать их соответствие предельно допускаемым значениям.
-
5.5.6 Вариацию выходного сигнала манометров не определяют, если предел ее допускаемого значения не превышает 0,5 предела допускаемой основной погрешности.
-
6.1 Результаты поверки манометра удостоверяются знаком поверки и (или) свидетельством о поверке, и записью в паспорте, заверяемой подписью поверителя и знаком поверки, согласно Приказа Минпромторга России от 02.07.2015 № 1815.
-
6.2 Если по результатам поверки манометра признан непригодным к применению, свидетельство о поверке аннулируется и выписывается извещение о непригодности к применению, согласно Приказа Минпромторга России от 02.07.2015 № 1815.
Приложение А
(обязательное) Схемы подключения при проведении поверки манометров

ЭКМ-2156
Токовый ВЫХОД
XS2 -«■ ХР2
Контакт |
Цепь |
1 |
+1 |
2 |
-I |
3 |
- |
4 |
- |
Питание и сигнапиз ация
ХР1 XS1
Цепь |
Контакт |
ипит(Ь) |
1 |
КС1 |
2 |
КС2 |
3 |
ипит(Ы) |
4(4₽) |

Н1_кс1

Входной сигнал

HLKC2


Рисунок А.1 - Схема подключения при проведении поверки ЭКМ-2156 с совмещёнными цепями питания и коммутации
ЭКМ-2156
Ra
Токовый ВЫХОД
и питание
XS2 Ч- ХР2
Rh
Контакт |
Цепь |
1 |
+1 |
2 |
-I |
3 |
+24B(220L) |
4 |
-24B(220N) |
Сигнализация
ХР1 -»- XS1
Цепь |
Контакт |
КС1.1 |
1 |
КС1.2 |
2 |
КС2.1 |
3 |
КС2.2 |
4(4г) |

Входной сигнал

HLkc2
Н1_кс1
Рисунок А.2 - Схема подключения при проведении поверки ЭКМ-2156 с гальванически развязанными цепями питания и коммутации
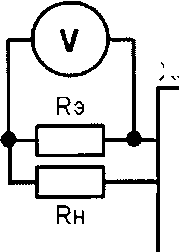
Условные обозначения:
Е - задатчик давления (разрежения);
Лэ - эталонная катушка сопротивления, например, образцовая катушка сопротивления или мера электрического сопротивления, указанные в табл.1;
Rh - нагрузочное сопротивление например, указанный в табл. 1 магазин сопротивлений; сумма значений сопротивлений Кэ + Кнсоответствует сопротивлению нагрузки при поверке: (20... 30) % и (90... 100) %максимальных значений (500 Ом или 2000 Ом);
V - эталонный вольтметр постоянного тока, указанный, например, в табл. 1;
НЬкс - сигнальная лампа в цепи канала сигнализации;
- источник напряжения питания манометра и каналов сигнализации (например, один из указанных в табл.1, если иное не указано в технической документации).
10