Методика поверки «ГСИ. Расходомеры-счётчики вихревые 8800» (Код не указан!)
ФЕДЕРАЛЬНОЕ ГОСУДАРСТВЕННОЕ УНИТАРНОЕ ПРЕДПРИЯТИЕ ВСЕРОССИЙСКИЙ НАУЧНО-ИССЛЕДОВАТЕЛЬСКИЙ ИНСТИТУТ МЕТРОЛОГИЧЕСКОЙ СЛУЖБЫ
(ФГУП ВНИИМС)
СОГЛАСОВАНО
УТВЕРЖДАЮ
Заместитель директора по
Генеральный директор

Шестаков
2016 г.
производственной метрологии

. Иванникова
ФГУП «ВНИИМС»
2016 г.
Государственная система обеспечения единства измерений
Расходомеры-счётчики вихревые 8800
Методика поверки
Москва
2016
-
1.1 Настоящая методика распространяется на расходомеры-счетчики вихревые 8800 (далее - расходомеры), выпускаемые по технической документации изготовителя «Emerson Process Management Rosemount Inc.» и устанавливает методику их первичной и периодических поверок.
-
1.2 Первичной поверке подлежат расходомеры после выпуска из производства до ввода в эксплуатацию и после ремонта. Периодической поверке подлежат расходомеры в процессе эксплуатации.
-
1.3 Интервал между поверками - 4 года.
2.1 При проведении первичной и периодической поверок выполняются операции, указанные в таблице 1.
Таблица 1
Наименование операции |
Номер пункта методики |
Проведение операций при: | |
первичной поверке |
периодической поверке | ||
1. Внешний осмотр |
7.1 |
Да |
Да |
3. Проверка идентификационных данных программного обеспечения (ПО) |
7.2 |
Да |
Да |
4. Опробование |
7.3 |
Да |
Да |
5. Определение метрологических характеристик * |
7.4 |
Да |
Да |
6. Имитационная поверка |
7.4.4 |
Нет |
Да |
* Определение абсолютной погрешности измерения температуры проводится только для расходомеров, имеющих встроенный датчик температуры и опцию измерения температуры.
3 СРЕДСТВА ПОВЕРКИ3.1 При проведении поверки применяют следующие эталонные средства и вспомогательное оборудование, указанные в таблице 2.
Таблица 2
Наименование эталонного средства поверки и вспомогательного оборудования, обозначение нормативного документа |
Основные метрологические и технические характеристики средств поверки |
Установка поверочная для жидкостей |
Поверочная установка с диапазоном расходов, соответствующих или превышающих диапазон поверочных расходов поверяемого расходомера, с пределами относительной погрешности при измерении объемного расхода и объема не более 1/3 от погрешности поверяемого расходомера. |
Установка поверочная для газа |
Поверочная установка с диапазоном расходов, соответствующих или превышающих диапазон поверочных расходов поверяемого расходоме- |
ра, с пределами относительной погрешности при измерении объемного расхода и объема не более 1/3 от погрешности поверяемого расходомера. | |
Источник питания Б5-48, ТУ 3.233.219 |
Напряжение 10 - 42 В, ток до 100 мА |
HART-коммуникатор модели 375 или 475 |
Поддержка HART, Fieldbus протокола расходомера |
USB HART модем |
Поддержка HART протокола расходомера |
Мультиметр Agilent 34411А |
Вход 0,1 - 10 В, предел основной относительной погрешность измерения не более ± 0,006 %. |
Мера электрического сопротивления МС 3050М ТУ 303-10.0035-91 |
Класс точности 0,001. Сопротивление 250 Ом |
Штангенциркуль цифровой серии 552 |
Диапазон измерений от 0 до 500 мм, погрешность измерения ± 0,05 мм, глубина измерения 200 мм. |
Микроскоп измерительный CW-2515N-РС |
Диапазон измерений от 250x150x200 мм, погрешность измерения ± 5 мкм. |
Машина координатная измерительная HERA |
Диапазон измерений 0,7 * 0,7 * 0,7 м, погрешность измерения ± (2,5 +3L/1000) мкм |
Преобразователь сигналов ТС и ТП прецизионный «Теркон» с эталонным датчиком температуры ЭТС-100, 3-го разряда |
Диапазон измеряемых температур от минус 50 °C до + 85 °C. Абсолютная погрешность измерения температуры ± 0,07 °C. |
Манометр показывающий эталонный МП100.М |
Диапазон измерения давлений от 0 до 16 МПа, КТ 0,4 |
Камера тепла и влаги |
Температура от минус 50 °C до плюс 85 °C |
Барометр-анероид БАММ-1 |
Диапазон измеряемых давлений от 600 до 800 мм рт. ст., цена деления 1 мм рт. ст. |
Гигрометр психрометрический типа ВИТ-2 |
Диапазон измерения относительной влажности от 20 до 90 %. Допускаемое значение абсолютной погрешности измерения влажности ± 5 %. |
-
3.2 Средства поверки должны иметь действующие знаки поверки или свидетельства о поверке.
-
3.3 Допускается применение средств поверки, имеющих метрологические и технические характеристики, не уступающие указанным в таблице 2, аттестованных или поверенных в установленном порядке и имеющих действующие свидетельства о поверке (аттестации) или оттиски поверительных клейм.
-
4.1 Монтаж и демонтаж расходомера на установке поверочной должен производиться в соответствии с требованиями безопасности, указанными в эксплуатационной документации на расходомер.
-
4.2 Должны соблюдаться требования безопасности к проведению электрических испытаний по ГОСТ 12.3.019-80, ПОТ Р М-016-2001, РД 153-34.0-03.150-00.
-
4.3 К поверке расходомеров допускаются лица, изучившие настоящую методику, эксплуатационную документацию на расходомеры и средства поверки и аттестованные в качестве поверителей средств измерений в соответствии с ПР 50.2.012.
-
5.1 При проведении поверки должны соблюдаться следующие условия (кроме особо оговоренных случаев):
-
- температура окружающего воздуха................................................. (20 ± 5) °C;
-
- температура рабочей среды.............................................. (20 ± 5) °C;
-
- относительная влажность воздуха...............................................не более 80 %;
-
- атмосферное давление.......................................................от 84 до 106,7 кПа;
-
- рабочая среда..........................................водопроводная вода по ГОСТ 2874-82,
воздух с параметрами окружающей среды;
-
- давление рабочей среды - вода................................................от 200 до 300 кПа;
-
- давление рабочей среды - воздух............................................от 84 до 106,7 кПа.
-
6.1 Перед проведением поверки должны быть выполнены следующие подготовительные работы:
-
- расходомер должен быть настроен для измерения расхода соответствующей среды;
-
- расходомер с опцией измерения температуры должен быть настроен для работы с датчиком температуры;
-
- параметры частотно-импульсного выхода расходомера должны быть установлены в соответствии с требованиям 7.5.1.1;
-
- все средства поверки должны быть подготовлены в соответствии с их эксплуатационной документацией и иметь действующие свидетельства о поверке (аттестации).
-
7.1 Внешний осмотр
При внешнем осмотре должно быть установлено соответствие поверяемого расходомера следующим требованиям:
-
- внешний вид, комплектность и маркировка расходомера соответствуют требованиям технической документации;
-
- отсутствуют видимые механические повреждений и дефекты, препятствующие проведению поверки;
-
- проточная часть расходомера не имеет на внутренней поверхности грязи и отложений;
-
- рабочие кромки тела обтекания не имеют сколов, зазубрин и прочих механических дефектов;
-
- уплотнительные поверхности фланцев не имеют повреждений.
Результаты внешнего осмотра считаются положительными, если выполняются требования пункта 7.1.
-
7.2 Проверка идентификационных данных программного обеспечения (ПО)
Проверку идентификационных данных ПО проводят с помощью HART-коммуникатора, программ AMS или Prolink. При этом проточная часть расходомера может быть не заполнена рабочей средой. В качестве идентификатора ПО принимается версии
5 (идентификационный номер) программного обеспечения, приведенная в таблице 1 описания типа на расходомер.
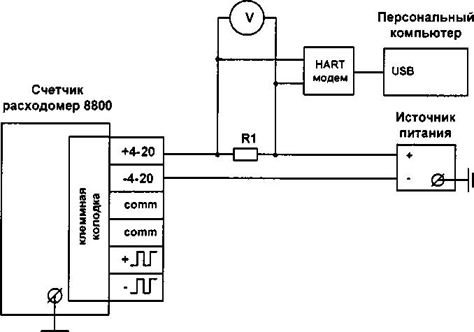
К расходомеру подключают источник питания HART-коммуникатора или HART модем в соответствии со схемой подключения, приведенной на рисунке А.1 приложения А.
Определяют номер версии ПО расходомера по пункту HART меню расходомера -Device Setup - Detailed Setup - Device Information - Revision Numbers (Установки - Детальные установки - Информация об устройстве - Номер ревизии). Порядок выбора HART меню расходомера с указанием пункта об идентификационных данных расходомера приведен в Руководстве по эксплуатации.
Расходомеры считаются прошедшими поверку с положительным результатом, если версия ПО соответствует значению, указанному в таблице 1 описания типа.
Если данные требования не выполняются, то расходомер считается непригодным к применению, к эксплуатации не допускается, выписывается свидетельство о непригодности, дальнейшие пункты методики не выполняются.
-
7.3 Опробование
При опробовании проверяют работоспособность расходомера. Опробование расходомера проводится на установке поверочной (рабочая среда с параметрами согласно 5.1), путем изменения расхода в сторону увеличения (уменьшения) в пределах диапазона измерения расходомера.
Результаты опробования считают положительными, если:
-
- не возникло внештатных ситуаций;
-
- показания расходомера устанавливаются на «ноль» при отсутствии расхода;
-
- при увеличении (уменьшении) задаваемых значений расхода, соответствующим образом изменялись показания на расходомере, на мониторе персонального компьютера, на установке поверочной, преобразующих устройствах;
-
- в местах соединений и на корпусе расходомера отсутствует течь и капли жидкости.
Опробование при проведении поверки имитационным методом проводят для проверки работоспособности расходомера. Опробование расходомера допускается проводить на месте установки расходомера, путем изменения расхода в сторону увеличения (уменьшения) в пределах диапазона измерения расходомера.
-
7.4 Определение метрологических характеристик
В соответствии с п.16 и п.18 приказа Минпромторга России от 2 июля 2015 г. № 1815 на основании письменного заявления владельца периодическую поверку расходомеров, введённых в эксплуатацию, допускается проводить только для используемых при эксплуатации участков диапазонов измерений применяемых величин и для соответствующих измерительных каналов.
-
7.4.1 Определение метрологических характеристик проливным методом
Определение основной относительной погрешности расходомера при измерении объема (объемного расхода) проводится на установке поверочной для воды (поверочная среда -вода) или на установке поверочной для газа (поверочная среда - воздух).
При определении основной относительной погрешности расходомера при измерении объема (объемного расхода) жидких сред расходомер должен быть настроен на измерение
6 расхода жидкости. При измерении объема (объемного расхода) газообразных сред расходомер должен быть настроен на измерение расхода газа.
При первичной поверке на заводе изготовителе поверка производится по точкам, указанным в калибровочном протоколе.
При поверке после ремонта и при периодической поверке определение относительной погрешности измерения объема (объемного расхода) проводится на трех задаваемых поверочных значениях точек расхода (0,05-0, l)Qmax, (0,5-0,65)Qmax и (0,8-0,9)Q max ДЛЯ ЖИДКОСТИ И (0,095-0,l)Qmax , (0,5-0,65)Qmax и (0,8-0,9)Qmax для газа. Где Q max— максимальный измеряемый расход жидкости или газа для расходомера с данным диаметром условного прохода.
При невозможности поверочной установки обеспечить задание максимальных значений поверочных расходов, определяют основную относительную погрешность для двух или трех начальных значений точек расхода. При этом обязательна поверка расходомера на максимальном расходе, который обеспечивает поверочная установка.
Значение точек расхода при первичной поверке на заводе изготовителе может не совпадать со значением точек расхода при поверке после ремонта и при периодической поверке.
Для модификации расходомера с двойным (многоканальным) сенсором определение метрологических характеристик проводят по каждому измерительному каналу.
При положительных результатах поверки на жидкой среде расходомер признается годным к измерениям также и на газовых рабочих средах и паре.
При положительных результатах поверки на газовой среде расходомер признается годным к измерениям также и на жидких рабочих средах и паре.
-
7.4.1.1 Определение основной относительной погрешности измерения объема (объемного расхода) по частотно-импульсному выходу расходомера
Определение основной относительной погрешности измерения объема (объемного расхода) для частотно-импульсного выхода расходомера проводится при определенных заданных точках расхода в соответствии с 7.4.1.
Расходомер подключают в соответствии со схемой подключения приведенной на рисунке А. 1, приложения А.
Выдерживают каждый заданный расход не менее одной минуты до начала измерения.
Фиксируют эталонный объем Wr (объемный расход Qr) рабочей среды, температуру, давление рабочей среды и время измерения. Фиксируют количество импульсов с выхода поверяемого расходомера, накопленных за время измерения. Число накопленных импульсов с выхода поверяемого расходомера должно быть не менее 200.
Объем рабочей среды Wp, м3, прошедшей через поверяемый расходомер, вычисляют по формуле:
Wp = P-N, (1)
где Р - цена импульса расходомера, м3;
N - зафиксированное количество импульсов с поверяемого расходомера.
Результаты заносят в протокол для последующей обработки результатов измерений.
Значение относительной погрешности 5W, %, для частотно-импульсного выхода расходомера при использовании эталонного объема вычисляют по формуле:
5W= 10O(Wp-Wr)/Wr, (2)
где Wp - объем рабочей среды, прошедшей через поверяемый расходомер (1), м3;
Wr - эталонный объем рабочей среды, м3.
За погрешность расходомера принимают наибольшее значение погрешности.
Значение относительной погрешности 5q, %, для частотно-импульсного выхода расходомера при использовании эталонного расхода вычисляют по формуле:
8q = 1OO«(QP-Qr)/Qr, (3)
где Qp - средний объемный расход за время измерения ti (с), м3/ч, равный Qp = 3600*(Wp/ti), м3/ч;
Qr - средний эталонный расход рабочей среды за время измерения, м3/ч.
Допускается определять эталонный расход за время измерения как среднее значение расхода не менее чем для десяти зафиксированных значений эталонного расхода поверочной установки для каждой заданной точки расхода.
За погрешность расходомера принимают наибольшее значение погрешности.
При несоответствии основной относительной погрешности измерения расхода по частотно-импульсному выходному сигналу требованиям документации при однократном измерении, допускается повторение проверки с числом измерений не менее трех для каждой точки. За результат измерения принимается среднее значение погрешности.
Результаты поверки считают положительными, если значение относительной погрешности измерения объема (объемного расхода) не превышает значений, указанных в нормативной документации на расходомер.
-
7.4.1.2 Определение относительной погрешности измерения объемного расхода по цифровому выходному сигналу расходомера.
Определение относительной погрешности измерения объемного расхода по цифровому выходному сигналу расходомера проводится при определенных заданных точках расхода в соответствии с 7.4.1.
Расходомер подключают в соответствии со схемой подключения приведенной на рисунке А. 1 приложения А.
Выдерживают каждый заданный расход не менее одной минуты до начала измерения.
Фиксируют средний за время измерения эталонный объемный расход рабочей среды Qr, температуру, давление рабочей среды для каждой точки заданного расхода. Одновременно фиксируют не менее десяти значений измеренного расхода с помощью HART-коммуникатора, программ AMS, Prolink или ЖК-индикатора расходомера.
Значение относительной погрешности ба, %, для цифрового выходного сигнала на каждой поверочной точке вычисляют по формуле:
8d= 100«(Qd-Qr)/Qr, (4)
где Qa - среднее значение измеренного объемного расхода по цифровому выходному сигналу, м3/ч;
Qr - средний эталонный объемный расход рабочей среды за время измерения, м3/ч.
Допускается определять эталонный расход Qr за время измерения как среднее значение расхода не менее чем для десяти зафиксированных значений эталонного расхода поверочной установки для каждой заданной точки расхода.
Допускается определять относительную погрешность измерения объемного расхода по цифровому выходному сигналу с использованием программно-аппаратных средств установки поверочной для воды или установки поверочной для газа для каждой заданной точки расхода в соответствии с 7.4.1.
За погрешность расходомера принимают наибольшее значение погрешности.
При несоответствии относительной погрешности измерения расхода по цифровому выходному сигналу требованиям документации при однократном измерении, допускается повторение проверки, при этом число измерений должно быть не менее трех в одной точке. За результат измерения принимается среднее значение погрешности.
Результаты поверки считают положительными, если значение относительной погрешности измерения объемного расхода не превышает значений, указанных в нормативной документации на расходомер.
Положительные результаты поверки расходомера для рабочей среды вода, означают соответствие метрологических характеристик требованиям нормативной документации при измерении объема (объемного расхода) газообразных сред и пара. Положительные результаты поверки расходомера для газовой рабочей среды, означают соответствие метрологических характеристик требованиям нормативной документации при измерении объема (объемного расхода) жидких рабочих сред и пара.
-
7.4.2 Определение приведенной погрешности преобразования в токовой выходной сигнал
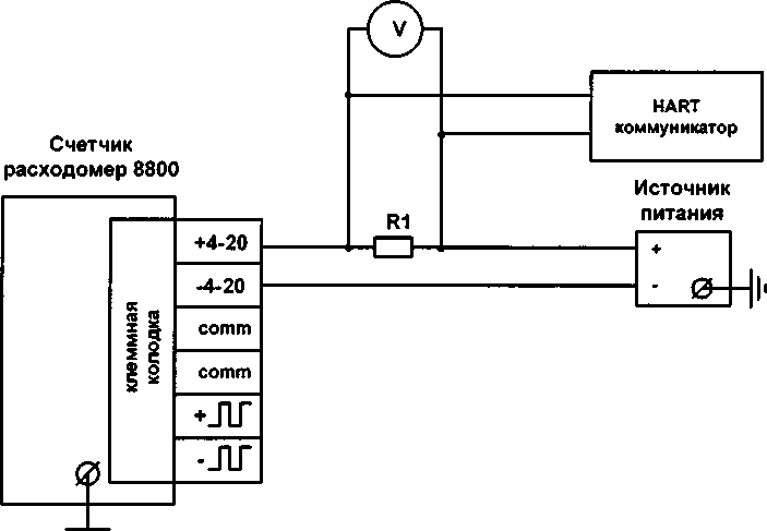
Определение приведенной погрешности преобразования в токовой выходной сигнал проводят с использованием HART-коммуникатора, программ AMS или Prolink. При этом измерительный участок расходомера может быть не заполнен рабочей средой и расходомер может не демонтироваться с рабочего трубопровода.
Расходомер подключают в соответствии со схемой подключения, приведенной на рисунке А.2 приложения А. Вольтметр устанавливают в режим измерения постоянного напряжения.
С помощью HART меню устанавливают режим проверки токового выходного сигнала (Device Setup - Diag/Service - Loop test). Устанавливают определенное заданное значение тока 4 мА или 20 мА на выходе расходомера. При каждом заданном значении тока определяют показания вольтметра.
Результаты заносят в протокол для последующей обработки результатов измерений.
Приведенную погрешность преобразования в токовый выходной сигнал, yi, %, при каждом заданном значении тока вычисляют по формуле:
Yi = 100 • (Ii-Ir)/(Imax-Imin), (5)
где Ir - заданное значение тока (4 мА или 20 мА);
Ii = Ui/R - измеренное значение тока на выходе расходомера, мА;
Ui - измеренное значение напряжения, В;
R - значение сопротивления меры электрического сопротивления, Ом;
Imin - минимальное значение токового выходного сигнала, равное 4 мА;
Imax- максимальное значение токового выходного сигнала, равное 20 мА;
За приведенную погрешность преобразования в токовый сигнал принимают наибольшее значение погрешности.
Результаты поверки считают положительными, если значение приведенной погрешности преобразования в токовый выходной сигнал не превышает, указанной в нормативной документации на расходомер.
7.4.3. Определение основной абсолютной погрешности измерения температуры среды встроенным датчиком температуры
Определение основной абсолютной погрешности измерения температуры среды встроенным датчиком температуры проводят только для расходомеров, имеющих встроенный датчик температуры.
Расходомер подключают по схеме подключения приведенной на рисунке А.З приложения А. Температуру среды, измеренную датчиком температуры расходомера, фиксируют с помощью HART-коммуникатора, программ AMS или Prolink.
Расходомер вместе с эталонным датчиком температуры размещают в камере тепла. Заполняют проточную часть расходомера теплоизолирующим материалом (поролон, пенопласт, минеральной ватой) или жидкостью (маслом), не замерзающей при минус 42 °C. Измерительная часть эталонного датчика температуры размещают в одной зоне измерения с датчиком температуры расходомера (в проточной части расходомера до касания с телом обтекания).
Определение основной абсолютной погрешности измерения температуры проводят при трех заданных значениях рабочей температуры: минус (40-42) °C, плюс (5-7) °C, плюс (8082) °C. При каждом заданном значении температуры время выдержки должно быть не менее 60 минут с момента установления температуры.
Для каждого значения температуры фиксируют не менее десяти показаний эталонного датчика температуры и температуры среды, измеренной датчиком температуры расходомера.
Результаты заносят в протокол для последующей обработки результатов измерений. Значение основной абсолютной погрешности At,°C, измерения температуры среды встроенным датчиком температуры определяют при каждом значении рабочей температуры по формуле:
At = Ti-Tr, (6)
где Ti - значения измеренной температуры среды, °C
Тг - показание температуры эталонного датчика температуры, °C,
За погрешность измерения температуры принимают наибольшее значение погрешности.
Результаты поверки считают положительными, если значение основной погрешности измерения температуры не превышает значений, указанных в нормативной документации на расходомер.
При невозможности поместить проточную часть расходомера в камеру тепла допускается проводить поверку датчика температуры вне проточной части. Для этого датчик температуры извлекается из проточной части расходомера и размещается в термостате или в криостате вместе с эталонным датчиком температуры.
Определение основной абсолютной погрешности измерения температуры проводят при трех заданных значениях рабочей температуры: минус (40 - 42) °C, плюс (35 - 40) °C, плюс (135 - 150) °C. При каждом заданном значении температуры время выдержки должно быть не менее 60 минут с момента установления температуры.
Для каждого значения температуры фиксируют не менее десяти показаний эталонного датчика температуры и температуры, измеренной датчиком температуры расходомера.
Результаты заносят в протокол для последующей обработки результатов измерений. Значение основной абсолютной погрешности At,°C, измерения температуры среды встроенным датчиком температуры определяют при каждом значении рабочей температуры по формуле (6).
За погрешность измерения температуры принимают наибольшее значение погрешности.
Результаты поверки считают положительными, если значение основной погрешности измерения температуры не превышает значений, указанных в нормативной документации на расходомер.
Положительные результаты поверки измерения объема (объемного расхода) и положительные результаты поверки погрешности измерения температуры означают соответствие метрологических характеристик расходомера требованиям нормативной документации при измерении массового расхода насыщенного водяного пара.
7.4.4 Определение метрологических характеристик имитационным методом
-
7.4.4.1 Определение относительной погрешности имитационным методом проводят путем измерения характерных размеров проточной части расходомера и тела обтекания с помощью штангенциркуля и нутромера или микроскопа измерительного (машины координатной измерительной) и определение погрешности измерения объемного расхода по цифровому выходному сигналу и погрешности преобразования для токового выходного сигнала.
Для модификации расходомера с двойным (многоканальным) сенсором определение метрологических характеристик проводят по каждому измерительному каналу.
-
7.4.4.2 Определение характерных размеров проточной части расходомера
Характерным размером для проточной части расходомера является внутренний диаметр, для тела обтекания - ширина тела обтекания по направлению потока (лобовая поверхность).
Номинальные размеры внутреннего диаметра проточной части расходомера и ширины тела обтекания приведены в таблице 4.
Определение внутреннего диаметра проточной части расходомера проводят путем измерения внутреннего диаметра в двух взаимно перпендикулярных направлениях со стороны входа потока. Измерения проводят с абсолютной погрешностью, не превышающей одной трети величины допуска на внутренний диаметр проточной части и размера (ширины) тела обтекания согласно таблице 4.
Таблица 4
Ду, ММ |
Исполнения | |||||
DF, DD/DR/DW |
DF, DD/DR |
DF, DD |
DF, DW, DD/DR |
DF, DW, DD/DR |
DF, DW, DD/DR | |
Внутренний диаметр D, для всех исп., кроме типов монтажа А7, В7, С7, А8, В8, мм |
Внутренний диаметр D, для исп., типов монтажа А7, В7, С7, мм |
Внутренний диаметр D, для исп., типов монтажа А8, В8, мм |
Допуск на внутренний диаметр D, мм |
Размер тела обтекания (ширина) d, мм |
Допуск на размер тела обтекания d, мм | |
1 |
2 |
3 |
4 |
5 |
6 |
7 |
15 |
13,7/-/13,2 |
13,7/- |
- |
± 0,055/- |
3,91/- |
±0,016/- |
25 |
24,1/13,7/24,1 |
24,1/13,7 |
24,1 |
± 0,095/± 0,055 |
6,60/3,91 |
±0,025/± 0,016 |
40 |
37,8/24,1/37,8 |
37,8/24,1 |
37,8 |
±0,15/± 0,095 |
10,41/6,60 |
± 0,04/± 0,025 |
50 |
48,8/37,8/48,8 |
48,8/37,8 |
42,4 |
± 0,19/± 0,15 |
13,31/10,41 |
± 0,05/± 0,04 |
80 |
72,9/48,8/72,9 |
72,9/48,8 |
66,0 |
± 0,29/± 0,19 |
19,91/13,31 |
± 0,08/± 0,05 |
100 |
96,3/72,9/96,3 |
96,3/72,9 |
86,4 |
± 0,3 8/± 0,29 |
26,26/19,91 |
± 0,1/± 0,08 |
150 |
144,8/96,3/144,8 |
130,6/96,3 |
130,6 |
± 0,58/± 0,38 |
38,20/26,26 |
± 0,15/± 0,1 |
200 |
191,8/144,8/192,0 |
168,1/- |
168,1 |
± 0,77/± 0,58 |
52,30/38,20 |
± 0,21/± 0,15 |
250 |
242,8/191,8/- |
-/- |
- |
± 0,97/± 0,77 |
66,30/52,30 |
± 0,27/± 0,21 |
300 |
289,0/242,8/- |
- |
± 1,15/± 0,97 |
78,90/66,30 |
± 0,32/± 0,27 | |
Примечания:
|
-для DR.
-
7. Тип монтажа указан на шильдике расходомера после кода материала, контактирующего со средой. Например, Model No:8800DF005SB6 - исполнение DF, 005 - Ду 15 мм, В6 - следовательно, для проведения поверки использовать данные из 2 графы (колонки).
-
8. При наличии в документации на расходомер информации о размерах проточной части, допуски на внутренний диаметр и размеры тела обтекания (столбцы 5 и 7 таблицы 4) определяются относительно размеров, указанных в документации.
-
9. Расшифровка кодов моделей и способов монтажа указана в руководстве по эксплуатации расходомера.
Результаты считаются положительными, если измеренное значение внутреннего диаметра проточной части Dcp= (Dl+D2)/2, мм, соответствуют типоразмеру расходомера и находятся в пределах допусков согласно таблице 4.
Определение характерного размера тела обтекания проводят путем измерения ширины тела обтекания в трех точках по высоте тела обтекания. Измерения проводят с абсолютной погрешностью, не превышающей одной трети от величины допуска на размер тела обтекания согласно таблице 4.
Определяют среднее значение ширины тела обтекания Нср, мм, по результатам измерений, по формуле:
Нср = (Н1+Н2+Нз)/3, (7)
где Hi, Н2, Нз - ширина тела обтекания для каждого измерения, мм.
Результаты считаются положительными, если среднее значение ширины тела обтекания, Нср, мм, соответствует типоразмеру расходомера и находится в пределах допусков согласно таблице 4.
Положительные результаты измерения характерных размеров проточной части расходомера, означают соответствие метрологических характеристик требованиям нормативной документации при измерении объема (объемного расхода). При отрицательных результатах измерения характерных размеров проточной части расходомера, проводят определение метрологических характеристик проливным методом.
-
7.4.4.3 Определение погрешности измерения объемного расхода.
Определение погрешности измерения объемного расхода в режиме имитации проводят с использованием HART-коммуникатора, программ AMS или Pro link. При этом измерительный участок расходомера может быть не заполнен рабочей средой и расходомер может не демонтироваться с рабочего трубопровода.
Расходомер подключают в соответствии со схемой подключения приведенной на рисунке А.2 приложения А.
Устанавливают режим имитации расхода (Diag/Serv - Flow Simulation). Выбирают режим внутренней имитации расхода (Simulate Flow Internal) и устанавливают определенное заданное значение расхода в процентах от диапазона расходов.
Проверку проводят для трех значений расходов Qr, равных 10%, 50% и 90% от максимального измеряемого расхода. Значения процентов от диапазона расхода задают с помощью коммуникатора, руководствуясь соответствующей процедурой, приведенной в руководстве по эксплуатации. Определяют с помощью HART-коммуникатора, программ AMS или Prolink значение заданного расхода Qr, м3/ч, и частоту вихрей Fv, Гц, для каждого установленного значения расхода.
Рассчитывают для полученной частоты вихрей Fv значение объемного расхода Qa, мЗ/ч, по формуле:
Qd=Fv/(K4«Cx), (8)
где Кф - коэффициент калибровки (К- фактор) расходомера;
Сх = 0.0733811, коэффициент преобразования единиц измерения.
Значение относительной погрешности Sd,%, в режиме имитации для каждого значения диапазона расхода вычисляют по формуле:
Sd= 100 • (Qd-Qr)/Qr, (9)
где Qa - полученное значение объемного расхода, м3/ч;
Qr - заданное значение объемного расхода, м3/ч.
За погрешность измерения принимают наибольшее значение погрешности.
Результаты поверки считают положительными, если значение относительной погрешности измерения объемного расхода не превышает значений, указанных в нормативной документации на расходомер.
-
7.4.4.4 Определение приведенной погрешности преобразования в токовой выходной сигнал.
Определение приведенной погрешности преобразования в токовой выходной сигнал проводят с помощью HART-коммуникатора, программ AMS или Prolink по пункту 7.4.2. При этом измерительный участок расходомера может быть не заполнен рабочей средой и расходомер может не демонтироваться с рабочего трубопровода.
Результаты поверки считают положительными, если значение приведенной погрешности преобразования для токового выходного сигнала не превышает, указанных в нормативной документации на расходомер.
-
7.5 При положительных результатах поверки расходомера восстанавливают требуемые для эксплуатации настройки расходомера.
-
7.6 Устанавливают перемычку SECURITY в блоке электроники расходомера в положение ON (ВКЛ.) с целью предотвращения изменения настроек.
-
7.7 Закручивают специальным ключом крышки блока электроники расходомера.
-
8.1 Результаты поверки оформляют протоколом в произвольной форме, где указывают установленные границы погрешности проверяемого расходомера для нескольких точек диапазонов измерений. В протоколе приводятся также метрологические характеристики используемых эталонов, номера и сроки действия их свидетельств о поверке.
-
8.2 Положительные результаты поверки удостоверяются свидетельством о поверке или записью в паспорте, заверяемой подписью поверителя (с датой) и нанесением знака поверки. Свидетельство о поверке оформляется в соответствии с требованиями раздела VI и Приложением 1 к приказу Минпромторга России от 02 июля 2015г. №1815.
-
8.3 Согласно п. 14 приказа Минпромторга России от 02 июля 2015 г. срок действия результатов поверки расходомера установлен при выдаче свидетельства о поверке или при наличии записи с датированной подписью поверителя в паспорте СИ - до даты, указанной в свидетельстве о поверке или паспорте расходомера.
-
8.4 При отрицательных результатах выполнения операций поверки свидетельство о поверки аннулируют, оформляют извещение о непригодности к применению с указанием причин.
-
8.5 При отрицательных результатах поверки расходомер признают непригодным к дальнейшей эксплуатации, аннулируют свидетельство о поверке, гасят знак поверки и выдают извещение о непригодности согласно Приложению 2 к Приказу Минпромторга России от 02 июля 2015 г. №1815 с указанием причин, делают соответствующую запись в паспорте.
(обязательное)
Схемы подключения при поверке
Персональный компьютер

I
R1 - сопротивление 270 Ом ± 10%

Рисунок А.1 - Схема подключения расходомера при определении погрешностей измерения объема или объемного расхода с использованием программы программ AMS или Prolink

R1 - сопротивление 270 Ом ± 10%
Рисунок А.2 - Схема подключения расходомера при определении погрешностей измерения объема или объемного расхода с использованием HART коммуникатора

R1 - мера электрического сопротивления МС 305 ОМ, класс точности 0,001, сопротивление 250 Ом
Рисунок А.З - Схема подключения расходомера при определении приведенной погрешности для токового выходного сигнала с использованием программ AMS или Prolink

R1 - мера электрического сопротивления МС 3050М, класс точности 0,001, сопротивление 250 Ом
Рисунок А.4 - Схема подключения расходомера при определении приведенной погрешности для токового выходного сигнала с использованием HART коммуникатора

R1 - сопротивление 270 Ом ± 10%
Рисунок А.5 - Схема подключения расходомера при определении абсолютной погрешности измерения температуры с использованием программ AMS или Prolink
Преобразователь сигналов прецизионный « Теркою

I I I
I
I I I
I
I I I
I
I змереню /

Счетчик -расходомер 8800

+ 4-20
-4-20
comm
comm
Датчик температуры расходомера
Камера тепла
I I
I i
Эталонный датчик температуры ЭТС-100
Проточная часть расходомера
Теплоизолирующий материал
HART

Источник питания
1 + |
5 |
R1 - сопротивление 270 Ом ± 10%
Рисунок А.6 - Схема подключения расходомера при определении абсолютной погрешности измерения температуры с использованием HART-коммуникатора