Методика поверки «Мосты переменного тока высоковольтные МЕП-4СА» (Код не указан!)
УТВЕРЖДАЮ
Зам. директора ФГУП «ВНИИМС»
Руководитель ГЦИ СИ ВНИИМС
_____________В.Н. Яншин ”______"_______________2003 г.
МОСТЫ ПЕРЕМЕННОГО ТОКА ВЫСОКОВОЛЬТНЫЕ МЕП-4САМЕТОДИКА ПОВЕРКИ
СОГЛАСОВАНО
Нач. сектора высоких
напряжений переменного
тока ФГУП "ВНИИМС"
_______________И.П. Зубков
Москва
2003 г.
Настоящая методика определяет порядок проведения первичной и периодической поверок мостов переменного тока высоковольтных МЕП-4СА, выпускаемых по ТУ 4121-003-75617971-2007, и устанавливает методы и средства их поверки.
Мосты МЕП-4СА предназначены для измерения в автоматическом режиме электрической емкости Сх в диапазоне от 10 пФ до 1 мкФ, тангенса угла потерь tgS в диапазоне от 0,0001 до 1,0 для жидких и твердых электроизоляционных материалов, а также изоляции электротехнических устройств. Мост позволяет контролировать значения напряжения, подаваемого на объект, и его частоту.
Поверка мостов МЕП-4СА проводится с применением мер емкости Р597 и составных мер тангенса угла потерь на основе мер Р597 и резисторов С2-29 в соответствии с рекомендациями ГОСТ 8.294-85.
1. ОПЕРАЦИИ ПОВЕРКИ-
1.1. При проведении поверки моста должны быть выполнены операции, приведенные в таблице 1.
Таблица 1.
|
Наименование операции |
Пункт методики поверки |
|
1. Внешний осмотр |
5.1 |
|
2. Опробование |
5.2 |
|
3. Определение основной относительной погрешности измерения емкости и абсолютной погрешности измерения тангенса угла диэлектрических потерь < 10'3. |
5.3 |
|
4. Определение основной относительной погрешности измерения емкости и абсолютной погрешности измерения тангенса угла диэлектрических потерь > 10'3. |
5.4 |
|
5. Определение основной погрешности измерения рабочего напряжения. |
5.5 |
|
6. Определение основной погрешности измерения частоты рабочего напряжения. |
5.6 |
-
1.2. При отрицательных результатах для любой из операций, указанных в таблице 1, поверка прекращается. Отказ в поверке оформляется согласно ПР 50.2.006-94.
-
2.1. При проведении поверки применяются средства поверки, указанные в таблице 2.
Таблица 2.
|
Наименование средства поверки |
Краткие технические характеристики |
|
Меры емкости Р597 |
В диапазоне емкостей от 10 пФ до 4000 пФ, при 50 Гц погрешности не хуже 5с = ± (0,02 + 0,1/С ) %; Atgs = ± 5-10’5; в диапазоне от 10 нФ до 100 нФ, 5с = ± 0,03 %; Atgs = ± 1 • 10’4 |
|
Меры тангенса угла потерь |
Составные меры тангенсов угла потерь по ГОСТ 8.294 на базе меры Р597 номиналом 100 нФ, шунтируемой резисторами типа С2-29 для получения значений tg5 близких 0,001; 0,01; 0,1; 0,3; 1,0 с погрешностями при 50 Гц Atgg= ± (3 10’5+0,01tg5) |
|
Вольтметр ВЗ-60 |
Диапазон измерений 10 мкВ - 1000 В, погрешность в диапазоне |
|
Наименование средства поверки |
Краткие технические характеристики |
|
10 -100 В на 50 Гц в пределах ± (0,08+0,04Uk/Ux) % | |
|
Частотомер 43-63 |
Диапазон частот - от 0,1 Гц до 200 МГц, относительная погрешность при измерении частоты ±5 х10‘7± 1 ед.счета |
|
Г енератор сигналов низкочастотный ГЗ-109 |
Диапазон частот - от 20 Гц до 200 кГц, коэффициент гармоник в рабочем диапазоне частот не превышает 2% |
-
2.2. Вспомогательные средства измерений и оборудование: измеритель нелинейных искажений типа С6-11 с частотомером, термометр ТЛ-18, барометр БАММ-1, психрометр МВ-4М, автотрансформатор ЛАТР-2, разделительный трансформатор.
-
2.3. Все средства поверки должны иметь действующие свидетельства об их поверке или сертификаты калибровки и быть в исправном состоянии.
-
2.4. Допускается использование других, в том числе и вновь разработанных средств измерений, имеющих аналогичные или лучшие точностные характеристики.
-
3.1. При проведении поверки должны выполнятся требования техники безопасности в соответствии с ГОСТ 12.2.007.0-75, ГОСТ 12.2.007.3-75, ГОСТ 12.3.019-80, "Межотраслевыми правилами по охране труда (правила безопасности) при эксплуатации электроустановок" ПОТ Р М - 016 - 2001, утвержденных Госэнергонадзором, а также требования безопасности, указанные в технической документации на применяемое оборудование.
-
3.2. Корпуса приборов должны быть заземлены.
-
3.3. Работа должна проводиться персоналом, имеющим квалификационную группу не ниже 3, и в соответствии с требованиями, предусмотренными инструкциями по эксплуатации применяемых приборов.
-
4.1. При проведении поверки должны быть соблюдены следующие условия:
-
- температура окружающего воздуха (20 ± 2) °C;
-
- относительная влажность воздуха до 80 %;
-
- атмосферное давление - (70 - 106,7) кПа;
-
4.2. Источник питающего напряжения должен обеспечивать следующие параметры:
-
- номинальное напряжение сети питания - (220±4,4) В;
-
- номинальная частота источника питания - (50±0,5)Гц;
-
- форма кривой напряжения - синусоидальная, коэффициент гармоник не более ± 5 %.
-
4.3. Перед поверкой мост и применяемые меры в соответствии с ГОСТ 8.294-85 должны быть выдержаны в условиях, указанных в п.4.1, не менее 8 часов.
-
4.4. Подготовить средства поверки к работе в соответствии с их технической документацией.
-
4.5. С помощью измерителя типа С6-11 проконтролировать коэффициент гармоник напряжения сети питания и его частоту.
-
4.6. Измерить температуру и влажность окружающего воздуха, атмосферное давление, результаты измерений записать в протокол.
-
5. ПРОВЕДЕНИЕ ПОВЕРКИ
-
5.1.1. При внешнем осмотре должно быть установлено следующее:
-
- мост при выпуске из производства и после ремонта должен быть представлен на поверку с паспортом и руководством по эксплуатации (РЭ) или со свидетельством о предыдущей поверке и РЭ при последующих поверках;
- комплектность моста должна соответствовать технической документации;
мост не должен иметь внешних дефектов, которые могут привести к ошибкам при измерениях (неисправности кнопочных выключателей, повреждений корпуса, контактных выводов, разъемов и соединительных кабелей, повреждений ЖК дисплея и т.п.).
5.2. Опробование моста-
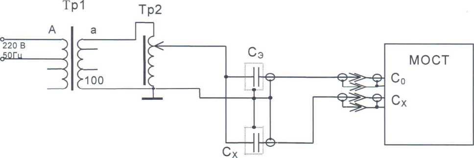
5.2.1. Соберите схему, приведенную на рис.1. Подключите к мосту в качестве эталонного конденсатора и объекта измерений меры емкости Р597 с номиналами 1000 пФ.
-
5.2.2. Включите тумблер СЕТЬ и убедитесь в появлении на жидкокристаллическом табло показаний даты и астрономического времени. Выдержите мост во включенном состоянии не менее 10 минут.
-
5.2.3. Установите рабочее напряжение (100 ± 5) В, контролируя его значения по показаниям табло моста.
-
5.2.4. Проведите измерение емкости и тангенса угла потерь. Результат операции следует считать положительным, если:
-
- отображаются все знаки жидкокристаллического дисплея;
-
- нет одновременного включения более чем одного цифрового знака в одном разряде.
Рис.1
Тр1 - разделительный трансформатор напряжения; Тр2 - лабораторный автотрансформатор ЛАТР-2;
Сэ - эталонный конденсатор; Сх - объект измерения.

ВНИМАНИЕ! Все меры должны подключаться по трехзажимной схеме.
-
5.3.1. Соберите схему, приведенную на рис.1.
-
5.3.2. В качестве эталонной емкости Сэ включите меру Р597 номиналом 100 пФ, а в качестве измеряемой емкости Сх - меру Р597 с номиналом 10 пФ.
-
5.3.3. Введите с помощью пульта управления (клавиатуры) в память поверяемого моста действительные значения емкости Сэ и тангенса угла потерь эталонной меры емкости и установите 1-й поддиапазон измерений.
-
5.3.4. Для установленной измеряемой меры запишите в соответствующие столбцы таблицы 3 её действительные значения емкости См и тангенса tg 5м.
-
5.3.5. Задайте рабочее напряжение (100 ± 5) В, контролируя значения напряжения по показаниям табло моста.
-
5.3.6. С помощью поверяемого моста измерьте значений емкости Сх и тангенса tg 5Х измеряемой меры. Измерения проводите в режиме усреднения при числе измерений п > 5 и выведите оценки СКО результатов измерений емкости Scx и тангенса Stg8x.
-
5.3.7. Результаты измерений занесите в соответствующие столбцы таблицы 3.
-
5.3.8. Повторите операции по п.п. 5.3.4 - 5.3.7, подключая в качестве измеряемых емкостей меры с номиналами 50 пФ и 90 пФ.
-
5.3.9. Подключите в качестве эталонной емкости Сэ меру Р597 номиналом 1000 пФ, а в качестве измеряемой емкости используйте меру Р597 номиналом 100 пФ.
-
5.3.10. Повторите операции по п.п. 5.3.3 - 5.3.7.
-
5.3.11. Подключите в качестве измеряемой емкости меру Р597 с номиналом 900 пФ и проведите операции по п.п. 5.3.4 - 5.3.7.
-
5.3.12. С помощью клавиатуры установите 2-й поддиапазон измерений и выполните операции по п.п. 5.3.4 - 5.3.7 для номинала измеряемой емкости 1000 пФ.
-
5.3.13. Выполните операции по п.п. 5.3.4 - 5.3.7, устанавливая 3-й и 4-й поддиапазоны измерений и измеряемые меры Р597 с номиналами емкостей 10 нФ и 100 нФ, соответственно. Поскольку меры емкости Р597 с номиналами > 10 нФ имеют слюдяной диэлектрик, рабочее напряжение при этом не должно превышать 20 В!
Таблица 3
|
№ п/д и номинал Сэ |
Номинал См, пФ |
См, пФ |
tg5M |
Сх, пФ |
tg5x |
Sex |
StgSx |
|
10 | |||||||
|
1-й |
50 | ||||||
|
100 пФ |
90 | ||||||
|
1-й |
100 | ||||||
|
1000 пФ |
900 | ||||||
|
2-й 1000 пФ |
1000 | ||||||
|
3-й 1000 пФ |
10000 | ||||||
|
4-й 1000 пФ |
100000 |
ВНИМАНИЕ!
При проведении операций поверки по п. 5.4. должны быть использованы составные меры, собранные в соответствии с рекомендациями ГОСТ 8.294-85 на основе меры Р597 с номиналом СЛ,=1()0 нФ и ряда дополнительных резисторов Rffi, шунтирующих емкость и
выбранных таким образом, чтобы тангенсы угла потерь, рассчитанные по формуле

имели значения, близкие к 0,001; 0,01; 0,1; 0,3; 1.
Все меры должны включаться по трехзажимной схеме.
-
5.4.1. Соберите схему, приведенную на рис.1.
-
5.4.2. Подключите в качестве эталонной емкости Сэ меру Р597 номиналом 1000 пФ, а в качестве измеряемой - составную меру тангенса угла потерь на основе меры Р597 номиналом См =100 нФ и дополнительного резистора Яд, при котором tg§p ~ 0,001.
-
5.4.3. Введите с помощью пульта управления (клавиатуры) в память поверяемого моста действительные значения емкости и тангенса угла потерь эталонной меры емкости Сэ и установите автоматический выбор поддиапазонов измерений.
-
5.4.4. Заполните верхнюю строку таблицы 4 данными, полученными в предыдущих измерениях по п.5.3 для меры с номиналом 100 нФ и Яд—> оо
-
5.4.5. Для установленной измеряемой составной меры запишите в соответствующие столбцы таблицы 4 её действительные значения емкости См и тангенса tg Зм.
-
5.4.6. Задайте рабочее напряжение (20 ± 5) В, контролируя значения напряжения по показаниям табло моста.
-
5.4.7. С помощью поверяемого моста проведите измерения емкости Сх и тангенса tg Зх составной измеряемой меры. Измерения проводите в режиме усреднения результатов (п > 5) и выведите оценки СКО результатов измерений емкости Sex и тангенса Stg8x.
-
5.4.8. Результаты измерений занесите в соответствующие столбцы таблицы 4.
-
5.4.8. Повторите операции по п.п. 5.4.5 - 5.4.8, подключая в качестве измеряемых меры с номиналами tgSp: 0,01; 0,1; 0,3; 1.
Таблица 4
|
Номинал tgSp |
См, пФ |
tgSM |
Сх, пФ |
tg3x |
Sex |
Stgflx |
|
0,0001 | ||||||
|
0,001 | ||||||
|
0,01 | ||||||
|
0,1 | ||||||
|
0,3 | ||||||
|
1,0 |
-
5.5.1. Соберите схему измерений, показанную на рис. 2.
Рис. 2
-
5.5.2. Подключите, как показано на рис.2, вольтметр переменного тока ВЗ-60 и эталонный конденсатор с номиналом 10000 пФ (набор мер Р597 номиналами 1000 пФ, 2000 пФ, 3000 пФ, 4000 пФ). Объект измерений не подключайте.
-
5.5.3. С помощью клавиатуры поверяемого моста введите действительные значения емкости и тангенса угла потерь эталонного конденсатора.
-
5.5.4. Включите в мосте режим измерения напряжения. Установите рабочее напряжение, равное 20 В, контролируя его значение вольтметром, и проведите измерения напряжения.
-
5.5.5. Значения напряжений, измеренные вольтметром и поверяемым мостом, занесите в ячейки таблицы 5.
Таблица 5
|
Номинал U, В |
10 |
30 |
50 |
70 |
100 |
|
Uo, В | |||||
|
Ux, В |
-
5.5.6. Повторите операции по п.п.5.5.4 - 5.5.5 для всех значений рабочего напряжения, указанных в таблице 5.
-
5.6.1. Соберите схему измерений, приведенную на рис.З, где в качестве источника рабочего напряжения используется генератор сигналов низкочастотный ГЗ-109, к выходу которого подключается эталонный конденсатор Сэ с номинальной емкостью 10000 пФ, другим выводом включенный в поверяемый мост.

Рис. 3
-
5.6.2. Параллельно выходу генератора ГЗ-109 включается частотомер 43-63.
-
5.6.3. Введите с помощью клавиатуры поверяемого моста значения емкости и тангенса угла потерь эталонного конденсатора.
-
5.6.4. Включите режим измерения напряжения и частоты. Установите на выходе генератора напряжение 50 В частотой 50 Гц.
-
5.6.5. Запишите значения частоты рабочего напряжения, измеренные поверяемым мостом Fm и частотомером Fa в таблицу 6.
Таблица 6
|
Номинал F, Гц |
49 |
50 |
51 |
|
Fm, Гц | |||
|
F4, ГЦ |
-
5.6.6. Повторите операции по п.п. 5.6.3 - 5.6.4, устанавливая по очереди рабочую частоту 49 и 51 Гц при том же напряжении 50 В.
-
6.1. Обработка результатов измерений и оценка погрешностей производится в соответствии с требованиями ГОСТ 8.207-76. По результатам измерений по п.п.5.3 и 5.4 проводится сравнение полученных СКО с значениями неисключенных систематических погрешностей (НСП) используемых мер для оценки необходимости учета СКО.
-
6.2. Для оценки основной относительной погрешности измерения емкости рассчитываются расхождения §с между значением емкости Сх, определенной с помощью моста МЕП-4СА, и действительным значением емкости используемой меры См по формуле, в
процентах:

(1)
При условии относительной малости случайной составляющей погрешности значения верхних и нижних (+/-) границ погрешности измерения емкости оцениваются, в процентах, как:
ЗСхв!н = 5с ± ©см (2)
где ©см - неисключенная систематическая погрешность (НСП) используемой меры.
Если случайной составляющей нельзя пренебречь, следует использовать более сложные расчетные формулы согласно ГОСТ 8.207-76.
6.3. Для признания положительных результатов поверки необходимо, чтобы значения
|
находились в следующих пределах: |
|
± ( 0,05 + 10N’4 • Сэ/Сх) при 0,0001< tg8x < 0,03; |
|
±(0,15+10N'4 • Сэ/Сх) при 0,03 <tg8x< 0,1; |
|
± ( 0,5 + 10N'4 • Сэ/Сх) при 0,1 < tg8x < 0,3; |
|
±(1,5 + 10N'4 ■ Сэ/Сх) при 0,3 < tg8x < 1,0; |
где Сэ - значение эталонной емкости; N - номер поддиапазона.
-
6.4. Для оценки основной абсолютной погрешности измерения тангенса угла потерь рассчитываются расхождения между показаниями tg§x моста МЕП-4СА и значениями tg§M используемых мер по формуле:
btg8 = tg8x-tg8M (3)
Значения верхних и нижних (+/-) границ погрешности измерения тангенса угла потерь 8tg8xelH (при условии малости случайной составляющей) определяют по формуле:
М/,=А^±0^ (4)
где ©tgM - неисключенная систематическая погрешность (НСП) используемой меры tg5.
-
6.5. Для признания положительного результата поверки значения оценок границ погрешностей измерений тангенса Atg5XB/H не должны превышать пределов:
±[2-10-4 + 0,05-(tg5x-tg5o)]
где (tg5x - tg50) разность тангенсов углов потерь объекта измерений и эталонного конденсатора.
-
6.6. Оценка относительной погрешности измерений рабочего напряжения Зрн рассчитывается, в процентах, по формуле:
5ph = 100(Ux-Ub)/Ub (5)
где Ux - показания поверяемого моста МЕП-4СА, Ub - показания вольтметра ВЗ-60 (НСП вольтметра ВЗ-60 можно не учитывать ввиду относительной малости).
Относительная погрешность измерений рабочего напряжения 5рн не должна превышать пределов ±1,5 %.
-
6.5. Абсолютная погрешность измерения рабочей частоты Z1F определяется, в Гц, как:
AF= Fx - Fh (6)
где Fx - значение частоты, измеренное поверяемым мостом, Fn - показания частотомера 43-63 (НСП не учитывается ввиду относительной малости).
Абсолютная погрешность измерений частоты рабочего напряжения AF не должны превышать пределов ±0,1 Гц.
7. ОФОРМЛЕНИЕ РЕЗУЛЬТАТОВ ПОВЕРКИ-
7.1. Оформление результатов поверки производится в соответствии с ПР 50.2.006-94 следующим образом:
-
7.1.1. При положительных результатах поверки выдается свидетельство о поверке с указанием метрологических характеристик и межповерочного интервала.
-
7.1.2. При отрицательных результатах испытаний выдается извещение о непригодности средства измерений к применению с указанием основных причин.
-
