Методика поверки «ГСИ.Вычислители ЭЛЬФ и КАРАТ-307» (МП 63-221-2010)
ФЕДЕРАЛЬНОЕ АГЕНТСТВО ПО ТЕХНИЧЕСКОМУ РЕГУЛИРОВАНИЮ И МЕТРОЛОГИИ ФЕДЕРАЛЬНОЕ ГОСУДАРСТВЕННОЕ УНИТАРНОЕ ПРЕДПРИЯТИЕ УРАЛЬСКИЙ НАУЧНО-ИССЛЕДОВАТЕЛЬСКИЙ ИНСТИТУТ МЕТРОЛОГИИ (ФГУП «УНИИМ»)

«УНИИМ»
. Казанцев
2010 г.
Государственная система обеспечения единства измерений
Вычислители ЭЛЬФ и КАРАТ-307
Методика поверки
МП 63-221-2010
Екатеринбург 2010 ’
Разработана: Федеральным государственным унитарным предприятием Уральский научно - исследовательский институт метрологии (ФГУП «УНИИМ») ООО Научно - производственное предприятие «Уралтехнология»
Исполнители: Клевакин Е.А., ведущий инженер ФГУП «УНИИМ»;
Зенков В.В., инженер по качеству ООО НПП «Уралтехнология».
Утверждена: ФГУП «УНИИМ» « ZZ » 2010 г.
СОДЕРЖАНИЕПРИЛОЖЕНИЕ А Схема подключения при поверке вычислителей ЭЛЬФ
ПРИЛОЖЕНИЕ Б Схема подключения при поверке вычислителей КАРАТ-307
Государственная система обеспечения единства измерений Вычислители ЭЛЬФ и КАРАТ-307 Методика поверки |
МП 63-221-2010 |
-
1.1 Настоящий документ распространяется на вычислители ЭЛЬФ и КАРАТ-307 (в дальнейшем - вычислители), изготавливаемые по ТУ 4217-008-32277111-2010 «Вычислители ЭЛЬФ и КАРАТ-307. Технические условия» и устанавливает методику их первичной и периодической поверки.
-
1.2 Первичной поверке подвергают вычислители при выпуске из производства и после ремонта, влияющего на метрологические характеристики.
Ремонтом, не влияющим на метрологические характеристики, является ремонт, исправляющий неисправности:
-
- органов индикации и клавиатуры;
-
- элементов питания;
-
- оптического канала;
-
- встраиваемых интерфейсных модулей и модуля контроля напряжения питания.
-
1.3 Периодической поверке подвергают вычислители, находящиеся в эксплуатации.
-
1.4 Интервал между поверками - 4 года.
В настоящей методике использованы ссылки на нормативные документы, приведенные в таблице 1.
Таблица 1
Обозначение |
Наименование |
ГОСТ 12.2.007.0- 75 |
ССБТ. Изделия электротехнические. Общие требования безопасности. |
Г1Р 50.2.006-94 |
ГСИ. Порядок проведения поверки средств измерений. |
ПР 50.2.012-94 |
ГСИ. Порядок аттестации поверителей средств измерений |
ПОТ Р М-016-2001, РД 153-34.0-03.150-00 |
Межотраслевые правила по охране труда (Правила безопасности) при эксплуатации электроустановок. |
-
3.1 При проведении поверки вычислителей выполняют операции, перечисленные в таблице 2.
-
3.2 При получении отрицательных результатов на любой из операций поверки вычислитель направляется на предприятие-изготовитель или в сервисный центр предприятия-изготовителя для устранения обнаруженного недостатка.
4 СРЕДСТВА ПОВЕРКИ
4.1 Перечень средств поверки приведен в таблице 3. Средства поверки должны быть поверены.
Таблица 2
Наименование операции |
Пункт методики |
Обязательность проведения операции: | |
при первичной поверке |
при периодической поверке | ||
Внешний осмотр |
8.1 |
+ |
+ |
Опробование |
8.2 |
+ |
+ |
Определение метрологических характеристик |
8.3 |
+ |
+ |
Определение относительной погрешности при измерении времени |
8.3.1 |
+ |
+ |
Определение абсолютной погрешности при измерении сопротивления ИП* температуры и преобразовании в значения температуры |
8.3.2 |
+ |
+ |
Определение абсолютной погрешности при измерении сопротивления комплекта ИИ температуры и преобразовании в значения разности температур |
8.3.3 |
+ |
+ |
Определение относительной погрешности при измерении сигнала ИП давления и преобразовании в значения давления |
8.3.4 |
+ |
+ |
Определение относительной погрешности при измерении сигнала ИП расхода, ИП электрической энергии, ИП объёма природного газа, количеством не менее 2500 импульсов, и преобразовании в значения объема теплоносителя, электрической энергии и объёма природного газа |
8.3.5 |
+ |
+ |
*ИП - измерительный преобразователь.
Таблица 3
№ |
Наименование средства |
Технические характеристики средства измерений |
Кол-во |
1 |
Вольтметр В7-34А |
Диапазон измеряемых напряжений (0,1-100) В, класс точности 0,02 |
1 |
2 |
Частотомер 43-63 |
Диапазон частот (0,1 - 5000) Гц, диапазон напряжения входного сигнала (0,03 - 10) В, пределы допускаемой абсолютной погрешности ±5-10'7 |
1 |
3 |
Магазин сопротивлений Р4831 |
Диапазон изменения от 0,002 до 1 11 111,0 Ом ступенями через 0,01 Ом, класс точности 0,02/2,5-10‘6 |
2 |
4 |
Генератор импульсов Г5-79 |
Диапазон (1 - 9,9) В, длительность импульса от 0,05 мкс до 999 мс, пределы допускаемой абс. погрешности ±(0,03т + +0,01) мкс, где т - длительность импульса |
1 |
5 |
Мера электрического сопротивления измерительная РЗЗ1 |
Номинальное сопротивление 100 Ом, класс точности 0,01 |
1 |
6 |
Барометр-анероид БАММ-1 |
Диапазон измерений (600-800) мм рт.ст., цена деления 1 мм рт.ст. |
1 |
7 |
Гигрометр психометрический ВИТ-1 |
Диапазон (30-95) %, (15-40) °C, цена деления 0,2 °C. |
1 |
8 |
Пульт контроля вычислителей
|
МСТИ.421254.001 МСТИ.421254.004 |
1 1 |
ПРИМЕЧАНИЕ: Допускается применение средств поверки, отличающихся от указанных в таблице 3, но обеспечивающих определение (контроль) метрологических характеристик с требуемой точностью.
5 ТРЕБОВАНИЯ БЕЗОПАСНОСТИ И ТРЕБОВАНИЯ К ПОВЕРИТЕЛЯМ-
5.1 При проведении поверки необходимо соблюдать требования ГОСТ 12.2.007.0, «Межотраслевые правила по охране труда (Правила безопасности) при эксплуатации электроустановок» ПОТ Р М-016-2001 РД 153-34.0-03.150-00, «Правила технической эксплуатации тепловых энергоустановок.
-
5.2 К поверке вычислителей допускаются лица, изучившие настоящий документ, руководства по эксплуатации на вычислитель и на средства поверки, имеющие группу по электробезопасности не ниже 2 и аттестованные в качестве поверителей средств измерений в соответствии с Г1Р 50.2.012.
-
6.1 При проведении поверки вычислителей необходимо соблюдать следующие условия:
температура окружающего воздуха,°C....................20±5;
относительная влажность не более, %........................80;
атмосферное давление, кПа.....................от 84 до 106,7.
7 ПОДГОТОВКА К ПОВЕРКЕ-
7.1 Вычислители подготавливают к поверке в соответствии с руководством по эксплуатации 421451.004 РЭ (для ЭЛЬФ) или 421451.017 РЭ (для КАРАТ-307).
-
7.2 Средства поверки подготавливают к работе в соответствии с эксплуатационной документацией.
-
8.1 Внешний осмотр.
-
8.1.1 При проведении внешнего осмотра устанавливают соответствие вычислителя требованиям эксплуатационной документации в части:
-
-
- комплектности поставки и маркировки;
-
- отсутствие внешних повреждений индикатора;
-
- четкости изображения надписей на маркировочной табличке и корпусе;
-
7.1.2 Результаты внешнего осмотра заносят в протокол поверки, форма которого приведена в приложении В.
-
8.2 Опробование
-
8.2.1 При опробовании проверяют исправность органов управления (кнопок) и индикации.
-
8.2.2 Результаты опробования заносят в протокол поверки, форма которого приведена в приложении В.
-
8.3 Определение метрологических характеристик
При определении метрологических характеристик рекомендуется использовать пульт контроля вычислителя ЭЛЬФ МСТИ. 421254.001 для вычислителей модификации ЭЛЬФ и пульт контроля вычислителей КАРАТ-307 МСТИ. 421254.004 для вычислителей модификации КАРАТ-307 (в дальнейшем - пульт контроля).
Собрать схему согласно Приложения А для вычислителя ЭЛЬФ и Приложения Б для вычислителя КАРАТ-307. При поверке без пульта контроля (рисунок А2 Приложения А для вычислителей ЭЛЬФ и рисунок Б2 Приложения Б для вычислителей КАРАТ-307) средства поверки и вспомогательные элементы (кнопки, тумблеры и т.д.) подключаются к клеммным зажимам отсоединённой монтажной части вычислителя. При поверке с пультом контроля допускается в качестве генератора импульсов использовать персональный компьютер с установленной программой «Генератор импульсов» МСТИЛ 922-01. Схема поверки согласно рисунка АЗ Приложения А и БЗ Приложения Б, в этом случае количество импульсов измеряют с помощью частотомера в режиме счета импульсов.
Переключатель режима (перемычка на плате монтажной части вычислителя) установить в положение «Тест».
Подстыковать вычислительную часть вычислителя ЭЛЬФ к пульту контроля (либо к коммутационной части вычислителя, если поверка осуществляется без пульта контроля).
Вычислитель ЭЛЬФ обновляет значения по всем измеряемым параметрам (кроме времени и календаря) с интервалом 20 с (для вычислителя КАРАТ-307 - 10 с). После подачи на вход вычислителя сигналов, значения должны фиксироваться по истечении интервала длительностью не более 40 с (для вычислителя КАРАТ-307 - 20 с). Для контроля времени используются показания встроенных часов.
После проведения операций, связанных с приёмом импульсов, перед повторной операцией, для очистки ячеек памяти вычислителя ЭЛЬФ необходимо отстыковать вычислительную часть от коммутационной на время около 10 с.
После проведения операций, связанных с приёмом импульсов, перед повторной операцией, для очистки ячеек памяти вычислителя КАРАТ-307, необходимо нажать кнопку «МЕНЮ» вычислителя, затем нажать кнопку «ВВОД».
-
8.3.1 Определение относительной погрешности при измерении времени
-
8.3.1.1 Подключить частотомер 43-63. Относительная погрешность вычислителя при измерении времени определяется измерением периода следования импульсов Тизм встроенного тактового генератора вычислителя ЭЛЬФ (8т) и частоты следования импульсов FU3m встроенного тактового генератора вычислителя КАРАТ-307 (8н).
-
8.3.1.2 Измерить период следования импульсов встроенного тактового генератора вычислителя ЭЛЬФ «7’„?.„» с точностью до 7 знака, а частоту следования импульсов встроенного тактового генератора «FU33M» вычислителя КАРАТ-307 с точностью до 2 знака.
-
8.3.1.3 Относительную погрешность вычислителя при измерении времени рассчитать по формуле, %
= .100, (1)
=F™>~F™.100, (2)
где TuiM - измеренное частотомером значение периода следования импульсов встроенного тактового генератора вычислителя ЭЛЬФ, с.
Гэ,„ - эталонное значение периода следования импульсов, равное 1 с;
FU3M - измеренное частотомером значение частоты следования импульсов встроенного тактового генератора вычислителя КАРАТ-307, Гц;
Тэт - эталонное значение частоты следования импульсов, равное 32768 Гц.
Результаты заносят в протокол, форма которого приведена в Приложении В.
-
8.3.1.4 Результаты считают положительными, если рассчитанное значение относительной погрешности находится в интервале ± 0,01 %.
8.3.2 Определение абсолютной погрешности при измерении сопротивления ИП температуры и преобразовании в значения температуры
-
8.3.2.1 Установить нулевое значение сопротивления магазина М2. Поочерёдно задать значения сопротивления магазина Ml (Rmi), соответствующие значениям температуры из таблицы 4.
Таблица 4
Значение температуры /адб), °C |
Сопротивление магазина Ml Rmi, Ом для платинового термометра (ТСП) с Ro=500 Ом и а=0,00385 °C'1 |
5 |
509,75 |
20 |
538,95 |
50 |
597 |
80 |
654,5 |
130 |
749,15 |
150 |
786,65 |
-
8.3.2.2 Абсолютную погрешность при измерении сопротивления ИП температуры и преобразовании в значения температуры вычислителем для каждого заданного значения рассчитать для каждого входа по формуле, °C:
А(/) ~ (цзм ~ (зад > (3)
где: /иа„ - значение температуры, измеренное вычислителем, °C;
t3ad - заданное значение температуры, соответствующее сопротивлению магазина Ml, °C;
Результаты заносят в протокол, форма которого приведена в Приложении В.
-
8.3.2.3 Абсолютной погрешностью поверяемого входа вычислителя при измерении сопротивления ИП температуры и преобразовании в значения температуры является максимальное значение из всех рассчитанных по формуле (3).
-
8.3.2.4 Операции, описанные в 8.3.2.1 - 8.3.2.3, повторить для каждого из входов.
-
8.4.2.5 Результаты считают положительными, если абсолютная погрешность для каждого входа находится в интервале ±0,15 °C.
-
8.3.3 Определение абсолютной погрешности при измерении сопротивления комплекта ИП температуры и преобразовании в значения разности температур
-
8.3.3.1 Установить на магазине Ml значение сопротивления, соответствующее значению температуры 5 °C (509,75 Ом для ТСП с Ro=5OO Ом и а=0,00385 °C’1), на магазине М2 задают поочерёдно значение сопротивления (Rw), соответствующее значению разности температур согласно таблице 5.
Таблица 5
Значение разности температур, А/30(>, °C |
Сопротивление магазина M2,RM2, Ом |
3 |
5,85 |
20 |
38,9 |
145 |
276,9 |
8.3.3.2 Абсолютную погрешность при измерении сопротивления комплекта ИП температуры и преобразовании в значения разности температур каждой из пар входов для каждого заданного значения разности температур рассчитать по формуле
А(А/) AtuiM А(за() > (4)
где: А/„ЗЛ, - значение разности температур, измеренное каждой из пар входов, °C;
Д!заа - заданное значение разности температур, °C;
Результаты заносят в протокол, форма которого приведена в Приложении В.
-
8.3.3.3 Абсолютной погрешностью поверяемой пары входов является максимальное значение из всех рассчитанных по формуле (4).
-
8.3.3.4 Операции, описанные в 8.3.3.1 - 8.3.3.3 повторить для каждой пары входов.
-
8.3.3.5 Результаты поверки считают положительными, если абсолютная погрешность каждой из поверяемых пар входов находится в интервале ±0,04 °C.
-
8.3.4 Определение относительной погрешности при измерении сигнала ИП давления и преобразовании в значения давления
-
8.3.4.1 С помощью пульта контроля (или калибратора токовой петли Fluke705 при поверке без пульта контроля) поочередно задать значения тока, соответствующие значениям давления, приведенным в таблице 6.
Таблица 6 - Значения давлении при заданном токе (при Рмакс = 25,493 кгс/см2)
№ |
Рзад, КГС/СМ2 |
1зад, мА |
1 |
1,53 |
4,96 |
2 |
12,746 |
12 |
3 |
25,493 |
20 |
При поверке с использованием пульта контроля заданное значение тока определяют с помощью вольтметра В7-34А измерением напряжения на мере электрического сопротивления измерительной по формуле:

(5)
где: 1зад~ заданный ток, мА; измеренное падение напряжения на мере, мВ;
R-,- сопротивление меры, Ом.
Значение и значения измеренные вычислителем заносят в протокол поверки (Приложение В).
-
8.3.4.2 Значение давления Рзад соответствующее значению тока, рассчитать по формуле, кгс/см2:
макс
Р р ------(7 -I )
(6)
зад г т \ зад mm/’
1 max 1 min
где: Ртах - верхний предел диапазона измерения давления, кгс/см2; /.„in - нижний предел диапазона измерения тока ИП давления, мА; /max - верхний предел диапазона измерения тока ИП давления, мА;
-
8.3.4.3 Относительную погрешность при измерении сигнала ИП давления и преобразовании в значения давления для каждого заданного значения давления рассчитать по формуле зр=р™'~р™> ,]оо, р
(7)
1 зад
где: Р1ПЛ1 - значение давления, измеренное вычислителем, кгс/см2;
Результаты заносят в протокол, форма которого приведена в Приложении В.
-
8.3.4.4 Относительной погрешностью поверяемого входа вычислителя является максимальное значение из всех рассчитанных по формуле (7).
-
8.3.4.5 Операции, описанные в пунктах 8.3.4.1 - 8.3.4.3 повторить для каждого из входов.
-
8.3.4.6 Результаты считают положительными, если относительная погрешность каждого из входов находится в интервале ± 0,3 %.
8.3.5 Определение относительной погрешности при измерении импульсного сигнала ИП расхода, ИГ1 электрической энергии, ИП объёма природного газа, количеством нс менее 2500 импульсов, и преобразовании в значения объёма теплоносителя, электрической энергии и объёма природного газа
-
8.3.5.1 С помощью генератора импульсов подать на импульсные входы вычислителя серию из 2500 импульсов.
На ЖК-дисплее вычислителя первый символ в названии параметра: объем теплоносителя или природного газа- «V», количество потребленной электроэнергии- «С».
-
8.3.5.3 Относительную погрешность при измерении импульсного сигнала ИП расхода, ИП электрической энергии, ИП природного газа, и преобразовании в значения, объёма теплоносителя, электрической энергии и объёма природного газа рассчитать по формулам:
3,.н = V™'~VxK> ■ 100%, (8)
д = 100%, (9) С-зад
где />|'д - относительная погрешность вычислителя при измерении объема теплоносителя и природного газа, %;
Зев ~ относительная погрешность вычислителя при измерении количества электроэнергии, %;
Кизд,- значение объема, измеренное вычислителем, м3;
Узад-заданное значение объема, соответствующее 2500 импульсам, м3. КМб)=2500 м ;
Сизм- количество электроэнергии, измеренное вычислителем, кВт-ч;
Сзас) - заданное количество электроэнергии, соответствующее 2500 импульсам, кВт-ч CMd= 25,00 кВт-ч;
Один импульс соответствует 1,000 м3 (0,01 кВт-ч).
Результаты заносят в протокол, форма которого приведена в Приложении В.
-
8.3.5.4 Операции, описанные в 8.3.5.1 - 8.3.5.3 повторить для каждого входа.
-
8.3.5.5 Результаты считают положительными, если рассчитанные значения относительной погрешности каждого из входов находятся в интервале ± 0,04 %.
-
9.1 Результаты поверки заносят в протокол в соответствии с формой, приведенной в приложении В.
-
9.2 При положительных результатах первичной и периодической поверки делается отметка в паспорте за подписью поверителя. Подпись поверителя заверяется поверительным клеймом.
-
9.3 При отрицательных результатах поверки вычислитель признаётся непригодным к эксплуатации и выдаётся извещение о непригодности в соответствии с ПР 50.2.006 с указанием причин, а результаты регистрируются в паспорте вычислителя.
Ведущий инженер ФГУП «УНИИМ»
Е.А. Клевакин
Инженер по качеству
ООО НПГ1 «Уралтехнология»

В.В. Зенков
СЕТЬ • ~220 В.
50 Гц -

XT6
Пульт контроля вычислителя
ЭЛЬФ
113*"
"A13+”
СЕТЬ '220 В,
50 Гц <
ЭЛЬФ
СЕТЬ -220 В,
50 Гц
СЕТЬ '220 В,
50 Гц

СЕТЬ -220 В,
50 Гц
EXTIMP -<N
COUNTIMP <
1 HZ |
-< |
GND |
XT7

Рисунок А1 - Схема подключения при поверке с использованием пульта контроля вычислителя ЭЛЬФ
ЭЛЬФ - вычислитель;
G- генератор импульсов Г5-79;
Ml,М2 - магазин сопротивлений Р4831;

СЕТЬ
-220 В,
50 Гц
Рисунок А2 - Схема подключения при поверке без использования пульта контроля вычислителя ЭЛЬФ
ЭЛЬФ - вычислитель;
В1 - батарея питания литиевая 3,6 В;
G- генератор импульсов Г5-79;
Ml,М2 - магазин сопротивлений Р4831;
Ч - частотомер 43-63;
PV- калибратор токовой петли Fluke705;
L - перемычка из медного провода сечением не менее 2 мм2 и длиной не более 300 мм.
СЕТЬ -220 В
50 Гц

PV
ХТ6
Пульт контроля вычислителя
ЭЛЬФ
"I24+"
‘А24-
СЕТЬ --220 В.
50 Гц -
0 | |
1 2 | |
_ |
Х1
Х2
—г
ЭЛЬФ
XI
ХЗ
COUNTIMP |
X |
GND |
-<• |
->
->

СЕТЬ
-220 В,
50 Гц
М1 |
А |
9 | |
2 -н |
ХТ1
0
0
'DTR' —
"SG" -

ПК
СОМ
хтз
0
TxD"
ХТЗ
"RTS 'RxD

XT7
XT8
> СЕТЬ
■> СЕТЬ
-220 В, -> 50 Гц
-220 В,
■> 50 Гц
Рисунок АЗ - Схема подключения при поверке с использованием пульта контроля вычислителя ЭЛЬФ и персонального компьютера в качестве генератора импульсов.
ЭЛЬФ - вычислитель;
Ml,М2 - магазин сопротивлений Р4831.
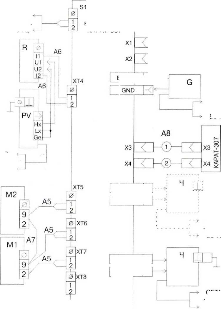
ПРИЛОЖЕНИЕ Б (обязательное). Схема подключения при поверке вычислителей КАРАТ-3071 Пульт контроля вычисли!еля КАРАТ-307
СЕТЬ -220 В.
50 Гц
СЕТЬ -220 В,
50 Гц
СЕТЬ -220 В.
50 Гц *

. » .
СЕТЬ -220 В.
50 Гц

EXTIMP -< +
COUNTIMP[-\ | |
GND |
Их |
Foul |
-к |
| | |
GND |
СЕТЬ -220 В,
50 Гц
Рисунок Ы - Схема подключения при поверке с использованием пульта контроля вычислителей КАРАТ-307
КАРАТ-307 - вычислитель;
G - генератор импульсов Г5-79;
Ml.М2 - магазин сопротивлений Р4831;
КАРАТ-307

СЕТЬ -220 В,
50 Гц
СЕТЬ -220 В,
50 Гц


Рисунок Б2 - Схема подключения при поверке без использования пульта контроля вычислителя КАРАТ-307
КАРАТ-307 - вычислитель;
В1 - батарея питания литиевая 3,6 В;
G- генератор импульсов Г5-79;
Ml,М2 - магазин сопротивлений Р4831;
Ч - частотомер 43-63;
PV- калибратор токовой петли Fluke705;
L - перемычка из медного провода сечением не менее 2 мм2 и длиной не более 300 мм.
ь-
СЕТЬ < -220 В.
50 Гы
Пульт контроля вычислителя КАРАТ-307 Х1
М2

EXTIMP
СЕТЬ -220 В,
50 Гц
0 ХТ8
1
2
1 | |
R |
0 |
тг U1 U2 I2 |
А6
СЕТЬ
-220 В,
50 Гц
S__ | |
0 | |
z— ' —- |
т _2 |
0 | |
CZ |
т |
COUNTIMP |
-< |
GND |
Fout |
___ |
_ | |
GND |
СЕТЬ -220 В,
50 Гц
Рисунок БЗ - Схема подключения при поверке с использованием пульта контроля вычислителя КАРАТ-307 и персонального компьютера в качестве генератора импульсов.
КАРАТ-307 - вычислитель;
G- генератор импульсов Г5-79;
Ml ,М2 - магазин сопротивлений Р4831.
ПРИЛОЖЕНИЕ В(рекомендуемое)
ФОРМА ПРОТОКОЛА ПОВЕРКИ по МП 63-221-2010
ПРОТОКОЛ ПОВЕРКИ №___от________
Заводской номер:________________________________
Принадлежит:__
Дата изготовления:_______________________________
Средства поверки:___________________________________________________________
Условия поверки:__
-
1. Результаты внешнего осмотра:_________________________________
-
2. Результаты опробования:__________________________________________________________
-
3. Определение метрологических характеристик
3.1 Определение относительной погрешности при измерении времени
Значение периода следования импульсов встроенного тактового генератора вычислителя Тиы, с |
Эталонное время периода следования импульсов Гм„ с |
Относительная погрешность при измерении времени <5г, с |
Пределы допускаемой относительной погрешности при измерении времени <5т доп, % |
1,0 |
±0,01 |
3.2 Определение абсолютной погрешности при измерении сопротивления ИГ1 температуры и преобразовании в значения температуры
Сопротивление магазинаМ! RMh Ом |
Заданное значение температуры / °C 1зскЪ |
Значение температуры измеренное вычислителем tulMy С |
Абсолютная погрешность при измерении сопротивления ИП температуры и преобразовании в значения температуры Д(/), °C |
Пределы допускаемой абсолютной погрешности при измерении сопротивления ИП температуры и преобразовании в значения температуры Д(/)дои, °C |
509,75 |
5 |
±0,15 | ||
538,95 |
20 | |||
597 |
50 | |||
654,5 |
80 | |||
749,15 |
130 | |||
786,65 |
150 |
3.3 Определение абсолютной погрешности при измерении сопротивления комплекта ИН температуры и преобразовании в значения разности температур
Сопротивление магазина М 1 Кмь Ом |
Сопротивление магазина М2 Кмз, Ом |
Заданное значение разности температур Д/жЪ °C |
Значение разности температур, измеренное каждой из пар входов Д/ю,„ °C |
Абсолютная погрешность при измерении сопротивления комплекта ИП температуры и преобразовании в значения разности температур Д(Д/), °C |
Пределы допускаемой абсолютной погрешности при измерении сопротивления комплекта ИП температуры и преобразовании в значения разности температур Д(Д/), °C |
509,75 |
5,85 |
3 |
±0,04 | ||
38,9 |
20 | ||||
276,9 |
145 |
3.4 Определение относительной погрешности при измерении сигнала ИП давления и преоб-разовании в значения давления
Заданный ток Лас)? мА |
Значение давления, соответствующее значению тока РМ1), кгс/см‘ |
Измеренное падение напряжения на мере U,m„ мВ |
Значение давления, измеренное вычислителем Ри1,„ кгс/см2 |
Относительная погрешность при измерении сигнала ИП и преобразовании в значения давления ЗР, % |
Пределы допускаемой относительной погрешности при измерении сигнала ИП и преобразовании в значения давления ЗРдоп, % |
4,96 |
1,53 |
±0,3 | |||
12 |
12,746 | ||||
20 |
25,493 |
3.5
3.5.1 Определение относительной погрешности при измерении сигнала ИП расхода, и преобразовании в значения объема теплоносителя
Заданное значение объема V!ad, м ’ |
Значение объема, измеренное вычислителем VUiM, м3 |
Относительная погрешность вычислителя при измерении сигналов ИП объема теплоносителя Зув, % |
Пределы допускаемой относительная погрешности вычислителя при измерении сигналов ИП объема теплоносителя Зув доп, °3> |
2500 |
±0,04 |
3.5.2 Определение относительной погрешности при измерении сигнала ИГ1 электрической энергии и преобразовании в значения электрической энергии
Заданное количество электроэнергии C;„d, кВт-ч |
Количество электроэнергии, измеренное вычислителем СМ1Л„ кВтч |
Относительная погрешность вычислителя при измерении сигналов ИП количества электроэнергии Зев, %; |
Пределы допускаемой относительной погрешности вычислителя при измерении сигналов ИП количества электроэнергии ЗсВ доп, °3>, |
25,00 |
±0,04 |
Заключение по результатам поверки:
На основании положительных результатов поверки вычислитель признан пригодным к эксплуатации
На основании отрицательных результатов поверки выдано извещение о непригодности №_________от__200___ г.
Дата поверки_________________
Подпись поверителя_______________________
Организация, проводившая поверку__________________________________________________
18