Методика поверки «Газоанализатор ИГ-15» (МРБ МП. 2568-2016)
Государственное производственное объединение по топливу и газификации «БЕЛТОПГАЗ»
Научно-производственное республиканское унитарное предприятие «БЕЛГАЗТЕХНИКА»


Система обеспечения единства измерений Республики Беларусь
Газоанализатор ИГ-15 Методика поверки МРБМП.Л5£<Р —2016Начальник конструкторского отдела КИП и А
РУП «БЕЛГАЗТЕХНИКА»

А.А. Тясто
Начальник отдела метрологии и испытаний проду и

НИКА»
щий инженер-электроник П «БЕЛГАЗТЕХНИКА»
Л.В. Василевский

О.Ю. Евграфов
Минск
2015
СОДЕРЖАНИЕВводная часть
Операции поверки
Средства поверки
Требования безопасности
Условия поверки
Подготовка к поверке
Проведение поверки
Оформление результатов поверки
Приложение А - метрологические характеристики газоанализатора
Приложение Б - форма протокола поверки
Настоящая методика поверки распространяется на газоанализатор ИГ-15 14 -11.4.00.000 с принудительным отбором проб из окружающей атмосферы (далее - газоанализатор) и устанавливает методы и средства первичной и периодической поверок.
Газоанализатор предназначен для измерения объёмной доли горючих газов (метана (СН4), пропана СзНв)), а также кислорода (Ог) в воздухе с выдачей звуковой и световой сигнализации при превышении содержания метана, пропана и кислорода, а также при уменьшении содержания кислорода относительно установленных порогов срабатывания.
Область применения газоанализатора -- помещения классов В-1, В-1а, В-16 и наружные установки класса В-1 г согласно ПУЭ, а также зоны 0, 1 и 2 согласно ГОСТ 30852.9-2002 (МЭК 60079-10-99) / ГОСТ Р 51330.9-1999 (IEC 60079-10-99).
Метрологические характеристики газоанализатора приведены в приложении А.
Интервал между поверками газоанализатора - 6 месяцев. Методика поверки разработана в соответствии с ТКП 8.003-2011.
1 ОПЕРАЦИИ ПОВЕРКИПри проведении поверки должны быть выполнены операции, указанные в таблице 1. Таблица 1
Наименование операции |
Номер пункта методики поверки |
Обязательность проведения испытаний при производстве, ремонте, эксплуатации и хранении |
1 Внешний осмотр |
6.1 |
Да |
2 Опробование |
6.2 |
Да |
3 Определение метрологических | ||
характеристик: | ||
- проверка диапазона измерений; |
6.3.3 |
Да |
- определение основной абсолютной |
6.3.3 |
Да |
| погрешности измерения; | ||
- проверка вариации показаний |
6.3.3 |
Да |
При проведении поверки применятся средства, указанные в таблице 2.
Таблица 2
Пункт методики |
Наименование и тип |
Основные параметры i |
1 |
2 |
3 |
4 |
Гигрометр психрометрический ВИТ-1 |
Диапазон измерения температур от 0°С до 25 °C, диапазон измерения относительной влажности от 20 % до 90 %, абс. погрешность термометров ± 0,2 °C |
4 |
Барометр-анероид БАММ-1 |
Пределы измерений от 80 кПа до 106 кПа, погрешность ±0,2 кПа |
6.3.3 |
Камера для поверочной газовой смеси 14-06.2.07.000 |
___ t__1 |
6.3.3 |
Ротаметр РМ-А-0,063 |
Верхний предел измерения 0,063 м */ч, кл. т. 4 |
6.3.3 |
Редуктор БПО-5МГ |
Продолжение таблицы 2
1 |
2 |
3 |
6.3.3 |
Поверочные газовые смеси (ПГС): - смесь 1 - синтетический воздух |
объёмная доля кислорода (21,0 ± 1,0) % абсолютная погрешность ± 0,2 % |
- смесь 2м - СРП/воздух |
объёмная доля метана (1,00 ± 0,15) % абсолютная погрешность ± 0,08 % | |
- смесь Зм - СН4/воздух |
объёмная доля метана (2,40 ±0,10) % абсолютная погрешность ± 0,08 % | |
- смесь 2п - СзНз/воздух |
объёмная доля пропана (0,40 ± 0,03) % абсолютная погрешность ± 0,02 % | |
- смесь Зп - СзНа/воздух |
объёмная доля пропана (0,9 ± 1,0) % абсолютная погрешность ± 0,03 % | |
- смесь 1к - кислород/азот |
объёмная доля кислорода (5,00 ± 1,0) % абсолютная погрешность ± 0,1 % | |
- смесь Зк - кислород/азот |
объёмная доля кислорода (28,0 ± 2,0) % абсолютная погрешность ± 0,2 % | |
Примечания: |
р При проведении поверки допускается использование других средств с метрологическими |
> I
I характеристиками не хуже перечисленных и допущенных к применению в Республике Беларусь и
(или) в Российской Федерации; '
2 Погрешность аттестации ПГС должна составлять 1 к 3, в отдельных случаях 1 к 2,5 к допустимой | i погрешности измерений газоанализатора;
3 ТРЕБОВАНИЯ БЕЗОПАСНОСТИ-
3.1 К проведению измерений при поверке газоанализатора и обработке результатов измерений допускаются лица, имеющие достаточную квалификацию и опыт поверки электронных газоаналитических приборов, прошедшие необходимый инструктаж по технике безопасности.
-
3.2 Работы по поверке следует проводить в хорошо вентилируемом помещении,
оборудованном сигнализацией загазованности.
-
3.3 При проведении поверки соблюдать «Правила устройства и безопасной эксплуатации
сосудов находящимися под давлением».
4 УСЛОВИЯ ПОВЕРКИКонтроль метрологических характеристик газоанализатора проводят при следующих нормальных условиях (ГОСТ 27540-87):
-
- температура окружающей и контролируемой среды, °C
20 ± 5;
30-80;
84,0- 106,7.
-
- относительная влажность окружающей среды, %
-
- атмосферное давление, кПа
-
5.1 Перед поверкой блок аккумуляторов газоанализатора должен быть полностью заряжен.
-
5.2 Перед поверкой газоанализатор должен быть откалиброван.
При отсутствии содержания в воздухе горючих газов произвести запись коэффициента нуля газоанализатора:
- войти в режим меню настройки, для этого одновременно удерживая клавиши «ВЫБОР» и «МЕНЮ» включить прибор;
-
- войти в режим меню настройки, для этого одновременно удерживая клавиши «ВЫБОР» и «МЕНЮ» включить прибор;
-
- кратковременными нажатиями клавиши «ВЫБОР» выбрать опцию подстройки нуля (на ЖКИ индикаторе « -0- »);
-
- длительное нажатие клавиши «МЕНЮ» устанавливает режим записи кода нуля (горят светодиоды выбора газа по метану и пропану);
-
- длительное нажатие клавиши «МЕНЮ» производит запись кода нуля прибора, при этом светодиоды выбора газа гаснут.
Запись калибровочных коэффициентов для выбранного газа проводить: для пропана -смесь Зп. для метана - Зм, для кислорода - 2к:
-
- войти в меню настройки, для этого одновременно удерживая клавиши «ВЫБОР» и «МЕНЮ» включить прибор;
-
- кратковременными нажатиями клавиши «ВЫБОР» выбрать опцию загрузки калибровочных коэффициентов (на ЖКИ индикаторе « -L- »);
-
- длительное нажатие клавиши «МЕНЮ» входит в режим записи калибровочных коэффициентов по выбранному типу газа (кратковременные нажатия клавиши «ВЫБОР» позволяет выбрать газ. светодиодная индикация на передней панели);
-
- длительное нажатие клавиши «МЕНЮ» производит запись калибровочных коэффициентов;
-
5.3 Перед поверкой газоанализатор необходимо выдержать в нормальных условиях по п. 4 не менее 2 часов, а баллоны с ПГС не менее 4 часов.
-
6.1 Внешний осмотр
Проверить маркировку газоанализатора.
На корпусе должна быть нанесена следующая информация:
-
- наименование «газоанализатор ИГ-15»;
-
- обозначение технических условий прибора «ТУ BY 100270876.163-2012»;
-
- фирменный товарный знак и наименование изготовителя;
-
- надпись «Сделано в Беларуси»;
-
- знаки утверждения типа и соответствия;
-
- маркировка взрывозащиты «1 ExibdIIBT2X»;
-
- надпись «Во взрывоопасной зоне заряд АКБ запрещается»;
-
- категория климатического исполнения «СЗ»;
-
- диапазон рабочих температур «-20 °C < ta < 50 °C»;
-
- степень защиты «1Р30»;
-
- заводской номер:
-
- лага изготовления (месяц и год).
Проверить наличие пломбы О ГК на газоанализаторе.
Проверить отсутствие грубых механических повреждений. влияющих на работоспособность газоанализатора.
-
6.2.1 Проверить «О» газоанализатора, измеряя объемную долю СН4 и СзНз в поверочной смеси 1 - синтетический воздух.
-
6.2.2 Проверить индикацию показаний газоанализатора в верхних точках диапазона измерений, по выбранному газу на поверочных газовых смесях Зм, Зп, Зк.
-
6.2.3 Установить пороговые уровни сигнализации газоанализатора в следующей последовательности:
-
- включить газоанализатор нажатием кнопки «Вкл./Выкл»;
-
- нажать 3 - 4 с кнопку «МЕНЮ»,
-
- нажимать кнопку «ВЫБОР» до появления на индикаторе сообщения «-П-»;
-
- нажать 3 - 4 с кнопку «МЕНЮ», должен светиться светодиод «СН4» и появиться сообщение «ПОРОГ 1,50%»;
-
- при выборе другого значения порога необходимо нажать 3 - 4 с кнопку «МЕНЮ», затем нажатиями кнопки «ВЫБОР» установить значение порога;
-
- нажать 3 - 4 с кнопку «МЕНЮ», нажать кнопку «ВЫБОР», должен включиться светодиод «С3Н8» и появиться сообщение «ПОРОГ 0,50 %»;
-
- при выборе другого значения порога необходимо нажать 3 - 4 с кнопку «МЕНЮ», затем нажатиями кнопки «ВЫБОР» установить значение порога;
-
- нажать 3 - 4 с кнопку «МЕНЮ», нажать кнопку «ВЫБОР», должен включиться светодиод «О2» и появиться сообщение «ПОРОГ 19,0 %»;
-
- при выборе другого значения порога необходимо нажать кнопку «МЕНЮ», затем нажатиями кнопки «ВЫБОР» установить значение порога;
-
- нажать 3 - 4 с кнопку «МЕНЮ», нажать кнопку «ВЫБОР», должен светиться светодиод «О2» и появиться сообщение «ПОРОГ 25,0 %»;
-
- при выборе другого значения порога необходимо нажать 2 - 3 с кнопку «МЕНЮ», затем нажатиями кнопки «ВЫБОР» установить значении порога;
Примечание: выбор значения порога во всех случаях происходит циклически;
-
6.3 Определение метрологических характеристик
-
6.3.1 При выполнении работ применять поверочные газовые смеси согласно таблице 2.
-
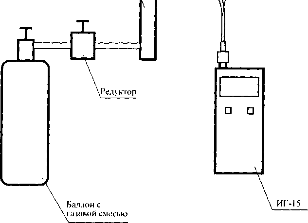
6.3.2 При выполнении работ необходимые средства поверки должны быть соединены в соответствие со схемой, представленной на рисунке 1.
Ротаметр
т
Пробоотборник
Рисунок 1 - Схема контроля параметров газоанализатора
Примечания:
-
1 Составные части схемы соединены трубкой 6 х 1,5 ТУ 6-01-1196.
-
2 Все измерения параметров газоанализатора проводятся при расходе смеси (0,3±0,03) л/мин.
-
6.3.3 Проверку диапазона измерений газоанализатора, определение основной абсолютной погрешности измерения, вариации показаний газоанализатора проводить в следующей последовательности:
-
- прогреть газоанализатор в течение не менее 2 мин (при измерении объемной доли кислорода От не менее 5 минут):
-
- нажать 3-4 сек. кнопку «МЕНЮ»;
-
- нажимать кнопку «ВЫБОР» до появления на индикаторе сообщения «-С-»;
-
- нажать 3-4 сек. кнопку «МЕНЮ», должен включиться компрессор и светиться светодиод «СН4»;
-
- подать в газоанализатор смесь 1;
-
- после достижения стабильности показаний (отклонение ± 1 младшего разряда)
зафиксировать показания о концентрации объемной доли метана;
-
- перекрыть иодачу в газоанализатор смеси 1;
последовательно подавая в газоанализатор смеси 1-2м-Зм-2м-1-Зм зафиксировать показания газоанализатора;
-
- нажать кнопку «ВЫБОР», должен включиться светодиод «СзНх»:
-
- подать в газоанализатор смесь 1;
-
- после достижения стабильности показаний зафиксировать показания о концентрации объемной доли пропана;
-
- перекрыть подачу в газоанализатор смеси 1;
-
- последовательно подавать в газоанализатор смеси 1-2п-Зп-2п-1-Зп зафиксировать показания газоанализатора;
-
- нажать кнопку «ВЫБОР», должен включиться светодиод «О2»;
-
- подать в газоанализатор смесь 1к;
-
- после достижения стабильности показаний зафиксировать показания о концентрации объемной доли кислорода;
-
- перекрыть подачу в газоанализатор смеси 1 к;
-
- последовательно подавая в газоанализатор смеси 1к-2к-3к-2к-1к-3к зафиксировать показания газоанализатора;
-
- выключить газоанализатор нажатием 2-3 сек. кнопки «Вкл./Выкл».
Рассчитать основную абсолютную погрешность газоанализатора А, %, в точках, соответствующих поверочным смесям, по формуле:
(1)
где А, - показание прибора. %;
А„ - действительное содержание определяемого компонента в ПГС, %.
Определить для режимов измерения каждого из трёх видов газа вариацию показаний прибора Ь,
%, в точке, соответствующей поверочным смесям 2м, 2п и 2к, по формуле

Ajo- показания газоанализатора в процентах объемной доли при подходе к контрольной точке со стороны больших значений концентрации;
А|М - показания газоанализатора в процентах объемной доли при подходе к контрольной точке со стороны меньших значений концентрации.
Результаты проверки диапазонов измерений, основной абсолютной погрешности, вариации показаний газоанализатора считать положительными, если они соответствуют требованиям, указанным в таблице А (Приложение А).
7 ОФОРМЛЕНИЕ РЕЗУЛЬТАТОВ ПОВЕРКИ-
7.1 Результаты поверки оформляются по форме, указанной в приложении Б.
-
7.2 Сведения о результатах поверки газоанализатора при выпуске из производства вносятся в раздел 9 руководства по эксплуатации 14-06.9.00.000 РЭ.
-
7.3 На газоанализаторы, удовлетворяющие требованиям настоящей методики, выдается свидетельство по форме, приведенной в приложении Г ТКП 8.003-2011 (или в соответствии с приказом Минпромторга от 02.07.2015 №1815 при поставке в Россию).
-
7.4 Газоанализаторы, не удовлетворяющие требованиям настоящей методики поверки, в эксплуатацию не допускаются. На них выдается заключение о непригодности по форме, приведенной в приложении Д ТКП 8.003-2011, свидетельство аннулируется, оттиск поверительного клейма подлежит погашению.

Белгазтехника |
Извещение |
Обозначение |
Причина |
Koi} |
Цист |
Листов | ||||||||
14-11.4. |
См. ниже |
Получение сертификата |
5 |
1 | ||||||||||
Отдел 14 |
Дата выпуска |
jl.-H.20li |
Срок изм. |
Обозначение ПИ (ДПИ. ПР) |
Срик действия 11И |
Указании о внедрении
Указаение о заделе
Составил
Милашевская Tz
Изменения внес

Содержание изменения
14-11.4.00.000 РЭ
Листы 4,6-8,9, 26 заменить
МРБ МП. 2568-2016
Листы 3. 4. 6. 89 заменить
Проверил
Т. контроль
Н. контроль
Утвердил
Пред.заказ
Внедрить с

Применяемость

Разослать
Всем держателям КД
Приложение
листаов формата А4
Допматович

2.
Брушков

рольную копию испр.
ПРИЛОЖЕНИЕ А
(обязательное)
МЕТРОЛОГИЧЕСКИЕ ХАРАКТЕРИСТИКИ ГАЗОАНАЛИЗАТОРАТаблица А
Наименование и единица измерения |
Значение параметра |
1 Диапазон измерения, объемная доля %: | |
- метан «СН4» |
0 - 2,50 |
- пропан «С3Н8» |
0-1,00 |
- кислород «О2» |
4-30,0 |
2 Пределы допускаемой основной абсолютной погрешности, объемная доля %, не более: | |
- метан «СН4» |
±0,25 |
- пропан «С3Н8» |
±0,10 |
- кислород «О2» |
± 1,00 |
3 вариация показаний газоанализатора, объемная доля %, не более: | |
- метан «СН4» |
±0,13 |
- пропан «СзНв» |
±0,05 |
- кислород «О2» |
±0,5 |
ПРИЛОЖЕНИЕ Б
(рекомендуемое)
ФОРМА ПРОТОКОЛА ПОВЕРКИПротокол №______
поверки газоанализатора ИГ-15
Организация, проводящая поверку ___________________________________________________
Заводской номер газоанализатора ______________________________________________________
Кому принадлежит прибор________________________________________________________
Применяемые образцовые средства измерения:
Наименование средства измерения |
Номер средства измерения |
Дата последней поверки (срок годности ПГС) |
Условия проведения поверки:___________________________________________________________
-
1. Внешний осмотр;
-
2. Опробование;
-
2.1 Установка «О» при измерении объемных долей горючих газов и индикации показаний объемной доли кислорода в нормальных климатических условий на фоне загазованности.
-
2.2 Проверка индикации показаний в верхних точках диапазона измерений для измеряемого газа.
-
2.3 Проверка установки порогов срабатывания.
-
-
3.1 Определение абсолютной погрешности измерений по метану СНд;
-
3.2 Определение абсолютной погрешности измерений по пропану СзНз;
-
3.3 Определение абсолютной погрешности измерений по кислороду Оэ.
Результаты измерений:
Заданное значение концентрации ПГС |
Измеренное значение концентрации |
Погрешность измерения |
Вариация показаний концентрации |
Допускаемая погрешность измерения и вариации показаний |
Заключение:____________________________________________________________________________'
Дата поверки:_________________ Поверитель:_________________/_______________________/
Лист регистрации изменений
Изм. |
Номера листов (страниц) |
Всего листов (страниц) в докум. |
№ докум. |
Входящие № сопровод ительногс докум. и дата |
Поди. |
Дата | |||
изменен них |
заменен ных |
новых |
аннулир ованных | ||||||