Методика поверки «ГСИ. Газоанализаторы портативные ElGas мод. ElGas-QRAE 3, ElGas-MultiRAE Lite 3G ElGas-QRAE 3» (МП 117-221-2016)
ФЕДЕРАЛЬНОЕ ГОСУДАРСТВЕННОЕ УНИТАРНОЕ ПРЕДПРИЯТИЕ УРАЛЬСКИЙ НАУЧНО-ИССЛЕДОВАТЕЛЬСКИЙ ИНСТИТУТ МЕТРОЛОГИИ (ФГУП «УНИИМ»)
Согласовано:
Г енерал^ьпГдйректор

А.В.Грушкин
2016 г.

В. Медведевских
«УНИИМ»
2016 г.
Государственная система обеспечения единства измерений
Газоанализаторы портативные ElGas мод. ElGas-QRAE 3, ElGas-MultiRAE Lite 3G EIGas-QRAE 3Методика поверки
МП 117-221-2016
Екатеринбург 2016 '
Предисловие-
1. Разработана: ФГУП «Уральский научно-исследовательский институт метрологии» (ФГУП “УНИИМ”)
-
2. Исполнитель: Тюрнина А.Е. ведущий инженер ФГУП «УНИИМ».
-
3. Утверждена ФГУП “УНИИМ” « » & 2016 г.
-
5 ТРЕБОВАНИЯ БЕЗОПАСНОСТИ И ТРЕБОВАНИЯ К КВАЛИФИКАЦИИ
Приложение А ФОРМА ПРОТОКОЛА ПОВЕРКИ
Приложение Б - Технические характеристики ПГС, используемых при поверке газоанализаторов
Государственная система обеспечения единства измерений Г азоанализаторы портативные ElGas мод. ElGas-QRAE 3, ElGas-MultiRAE Lite 3G ElGas-QRAE 3 Методика поверки |
МП 117-221-2016 |
Дата введения « //» 2016 г.
1 ОБЛАСТЬ ПРИМЕНЕНИЯ-
1.1 Настоящий документ распространяется на газоанализаторы портативные ElGas мод. ElGas-QRAE 3, ElGas-MultiRAE Lite 3G ElGas-QRAE 3 (далее - газоанализаторы) и устанавливает методику их первичной и периодической поверок.
-
1.2 Интервал между поверками - один год.
В настоящей методике использованы ссылки на нормативные документы, приведенные в таблице 1.
Таблица 1 - Нормативные документы
Обозначение |
Наименование |
ГОСТ 12.2.007.0-75 |
ССБТ. Изделия электротехнические. Общие требования безопасности |
Приказ Минтруда России №328н от 24.07.2013 г. |
Об утверждении Правил по охране труда при эксплуатации электроустановок |
Приказ Минпромторга России № 1815 от 02 июля 2015 г. |
Об утверждении порядка проведения поверки средств измерений, требований к знаку поверки и содержанию свидетельства о поверке |
3 ОПЕРАЦИИ ПОВЕРКИ
3.1 При проведении поверки выполняют операции, указанные в таблице 2. Таблица 2 - Операции поверки
Наименование операции |
Пункт методики |
Проведение операций при поверке | |
первичной |
периодической | ||
1 Внешний осмотр |
8.1 |
+ |
+ |
2 Опробование |
8.2 |
+ |
+ |
3 Проверка диапазона измерений и определение основной погрешности каналов измерения объемной доли компонентов |
8.3 |
+ |
+ |
Примечание. Знак «+» обозначает, что соответствующую операцию поверки проводят.
-
3.2 При получении отрицательных результатов на любой из операций, указанных в таблице
2, поверку прекращают, а далее выясняют и устраняют причины несоответствий и повторяют поверку по пунктам несоответствий.
4 СРЕДСТВА ПОВЕРКИ4.1 При проведении поверки применяют следующие средства поверки:
- стандартные образцы - поверочные газовые смеси (ГСО-ПГС):
ГСО |
10530-2014 |
состава |
СН4, |
0 |
разряд; ГСО |
10544-2014 1 |
состава |
СзН8, |
2 |
разряд; |
ГСО |
10544-2014 |
состава |
СдНю, |
2 |
разряд; ГСО 10544-2014 |
состава |
. н2, |
2 |
разряд; | |
ГСО |
10544-2014 |
состава |
С5Н12, |
2 |
разряд; ГСО |
10543-2014 |
состава |
СбН14, |
1 |
разряд; |
ГСО |
10544-2014 |
состава |
с2н6, |
2 |
разряд; ГСО |
10544-2014 |
состава |
С2Н4, |
2 |
разряд; |
ГСО |
10537-2014 |
состава |
H2S, |
1 |
разряд; ГСО |
10547-2014 |
состава |
so2, |
2 |
разряд; |
ГСО |
10547-2014 |
состава |
no2, |
2 |
разряд; ГСО |
10546-2014 |
состава |
NH3, |
1 |
разряд; |
ГСО |
10545-2014 |
состава |
HCN, |
0 |
разряд; ГСО |
10547-2014 |
состава |
О2, |
2 |
разряд; |
ГСО 10530-2014 состава СО, 0 разряд; ГСО 10545-2014 состава РНз, 0 разряд;
-
- эталон единицы содержания компонентов в газовых средах 1 разряда в диапазоне значений от 110'6 до 10%, № 3.2.ВКЭ.0067.2014 (генератор газовых смесей ГГС, регистрационный номер в Федеральном информационном фонде 62151-15);
-
- эталон единиц молярной доли и массовой концентрации компонентов в газовых средах 2 разряда в диапазоне значений от 0,07 до 100 мг/м3, № 3.2.ВКЭ.0096.2016 (генератор ГДП 102, регистрационный номер в Федеральном информационном фонде 17431-09);
- источники микропотоков хлора ИМ09-М-А2 (регистрационный номер в Федеральном информационном фонде 15075-09). Пределы допускаемой относительной погрешности ± 5 %;
-
- азот газообразный по ГОСТ 9293-74, объемная доля азота 99,999 %;
-
- поверочный нулевой газ (ПНГ) - воздух марка Б по ТУ 6-21-5-82 в баллонах под давлением;
-
- ротаметр РМ-А-0,063Г УЗ ГОСТ 13045-81. Верхняя граница диапазона измерений объемного расхода 0,063 м3/ч, КТ 4;
-
- вентиль тонкой регулировки ВТР-1, диапазон рабочего давления (0 - 150) кгс/см2;
-
- термогигрометр CENTER-313. Диапазон измерения относительной влажности (10 - 100) %, погрешность ± 2,5 %; диапазон измерения температуры от минус 20 °C до 60 °C, погрешность ± 0,7 °C;
-
- барометр-анероид метеорологический М-67. Диапазон (610-790) мм рт. ст., погрешность ± 0,8 мм рт. ст.
-
4.2 Эталоны должны иметь действующие свидетельства об аттестации, средства измерений должны иметь действующие свидетельства о поверке, ГСО должны иметь действующие паспорта.
-
4.3 Допускается использование других средств поверки, обеспечивающих определение метрологических характеристик с требуемой точностью.
-
5.1 При проведении поверки необходимо соблюдать требования ГОСТ 12.2.007.0-75, Приказа Минтруда России от 24.07.2013 №328н и требования безопасности, установленные в документации на средства поверки.
-
5.2 К поверке допускаются лица, изучившие настоящую методику, эксплуатационную документацию на газоанализаторы портативные ElGas мод. ElGas-QRAE 3, ElGas-MultiRAE Lite 3G ElGas-QRAE3, средства поверки и работающие в организации, аккредитованной на право поверки средств измерений.
6.1 Поверку газоанализаторов проводят в следующих условиях:
|
(20±5) °C (30 - 80) % (84 - 106,7) кПа |
-
6.2 Баллоны с ПГС должны быть выдержаны при температуре поверки в течение не менее 24 ч. Расход подаваемой ПГС должен быть не менее 0,8 дм3/мин.
-
7.1 Газоанализаторы портативные ElGas мод. ElGas-QRAE 3, ElGas-MultiRAE Lite 3G El-Gas-QRAE 3 подготавливают к работе в соответствии с руководством по эксплуатации, средства поверки - в соответствии с эксплуатационной документацией.
-
7.2 Средства поверки подготовить к работе в соответствии с эксплуатационной документацией.
-
8 ПРОВЕДЕНИЕ ПОВЕРКИ
-
8.1.1 При внешнем осмотре проверить:
-
- соответствие комплектности эксплуатационной документации;
-
- соответствие маркировки требованиям, предусмотренным эксплуатационной документацией;
-
- отсутствие повреждений и дефектов, влияющих на работоспособность газоанализаторов;
-
- наличие заводского номера;
-
- наличие свидетельства о предыдущей поверке (в случае периодической поверки).
-
8.1.2 Результаты внешнего осмотра считают положительными, если выполняются требования, указанные в 8.1.1.
-
8.2.1 При опробовании проверить функционирование газоанализаторов и идентификационные данные программного обеспечения.
-
8.2.2 Проверку функционирования газоанализаторов провести по отображению информации на дисплее. При изменении значения входного сигнала от нижнего предельного значения до верхнего показания выходного сигнала должны изменяться.
-
8.2.3 Проверку идентификационных данных программного обеспечения газоанализаторов провести сравнением номера версии (идентификационного номера) программного обеспечения на его дисплее с номером версии, указанным в таблице 3.
Таблица 3 - Идентификационные данные программного обеспечения
Идентификационные данные (признаки) |
Значение | |
Газоанализатор |
ElGas мод. ElGas-QRAE 3 |
ElGas мод. ElGas-MultiRAE Lite 3G ElGas-QRAE 3 |
Идентификационное наименование ПО |
QRAE 3.Fwm |
QRAE 3.Fwm |
Номер версии (идентификационный номер ПО) |
V2.10 |
V2.10 |
Цифровой идентификатор ПО |
27641С72 |
27641C72 |
Алгоритм вычисления цифрового идентификатора программного обеспечения |
CRC 32 |
CRC 32 |
Примечания: - номер версии ПО должен быть не ниже указанного в таблице; - значения контрольных сумм указаны только для файлов версий, указанных в таблице. |
-
8.2.4 Результаты опробования считают положительными, если выполняются требования, указанные в 8.2.2, и номера версий программного обеспечения газоанализаторов соответствуют приведенным в таблице 3.
Проверку основной погрешности провести при использовании поверочных газовых смесях (далее ПГС) и генераторов газовых смесей.
Номинальное содержание определяемого компонента и пределы допускаемых отклонений от него должны соответствовать таблице 4.
Таблица 4 - Точки диапазона измерений, в которых проверяют основную погрешность газоанализаторов
Номер поверочной газовой смеси |
Содержание, соответствующее точкам диапазона измерений, % |
1 |
5±5 |
2 |
50±5 |
3 |
95±5 |
Примечание - В соответствии с ГОСТ 13320-81 допускается применять поверочные газовые смеси с предельными допускаемыми отклонениями от номинального содержания опре- | |
деляемого компонента до ±10%. |
Отношение погрешности, с которой устанавливается содержание компонента в ПГС, к пределу допускаемой основной погрешности газоанализаторов, должно быть не более 1/2.
Измерения каждой ПГС провести не менее 5 раз. ПГС подать в следующей последовательности 1-2-3-2-1-3. Определение основной погрешности провести, подавая ПГС на газоанализаторы в соответствии с приложением Б.
Значения основной абсолютной погрешности, До, рассчитать в каждой точке диапазона по формуле
До = Ay — Ao, (1)
где Aij - i-показание газоанализатора в j-точке диапазона, % объемной доли;
Ао - значение объемной доли измеряемого компонента, соответствующее j-точке диапазона, указанное в паспорте на ГСО-ПГС, %.
Значения основной относительной погрешности (80) рассчитать по формуле
4 - 4 д= -±—-юо
А лоРезультаты считают положительными, если полученные значения основной погрешности находятся в интервалах, указанных приложении В.
Подачу ПГС на газоанализаторы из баллонов под давлением осуществить в следующей последовательности :
-
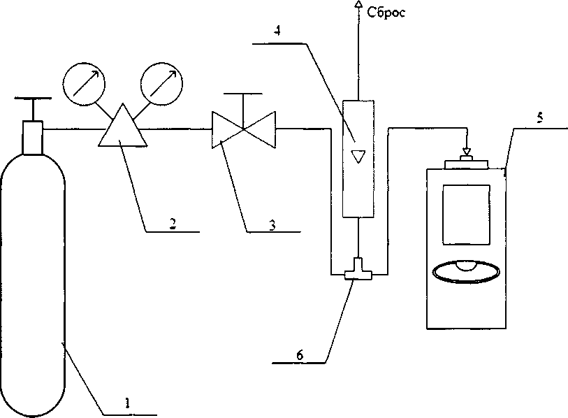
- собрать газовую систему, схема которой изображена на рисунках 1-2. Сборку проводить с использованием трубки ПВХ, используя максимально короткие отрезки;
-
- открыть баллон с ПГС, с помощью вентиля точной регулировки, контролируя по ротаметру, установить расход смеси в пределах (1,0 - 1,2) л/мин;
-
- после стабилизации показаний (через 3-5 минут после начала подачи ПГС) считать измеренное значение объемной доли определяемого компонента ПГС;
-
- закрыть вентиль точной регулировки, закрыть баллон с ПГС.
Подачу ПГС на газоанализаторы с генераторов газовых смесей и газодинамических установок осуществлять в соответствии с технической документацией на данные средства измерений.
В соответствии с п.16 и п.18 приказа Минпромторга России от 2 июля 2015 г. № 1815 на основании письменного заявления владельца периодическую поверку газоанализаторов, введённых в эксплуатацию, допускается проводить только для используемых при эксплуатации поддиапазонов измерений применяемых величин.
4
6

1 - источник ПГС (баллон или генератор); 2 - редуктор баллонный (только при использовании ПГС в баллонах под давлением); 3 - вентиль тонкой регулировки (только при использовании ПГС в баллонах под давлением); 4 - индикатор расхода; 5 - поверяемый газоанализатор;
6 - насадка для подачи ПГС.
Рисунок 1 - Схема подачи ПГС на газоанализаторы с диффузионным отбором пробы

1 - источник ПГС (баллон или генератор); 2 - редуктор баллонный (только при использовании ПГС в баллонах под давлением); 3 - вентиль тонкой регулировки (только при использовании
ПГС в баллонах под давлением); 4 - индикатор расхода; 5 - поверяемый газоанализатор; 6 - тройник.
Рисунок 2 - Схема подачи ПГС на газоанализаторы со встроенным побудителем расхода при проведении поверки
9 ОФОРМЛЕНИЕ РЕЗУЛЬТАТОВ ПОВЕРКИ-
9.1 Результаты заносят в протокол, форма которого приведена в приложении А.
-
9.2 При положительных результатах поверки газоанализатор признают пригодным к эксплуатации, оформляют свидетельство о поверке по форме приказа Минпромторга России № 1815 от 02.07.2015 г. или в паспорте делают отметку с указанием даты поверки и подписи поверителя. Знак поверки наносится на свидетельство о поверке или в паспорт.
-
9.3 При отрицательных результатах поверки газоанализатор к применению не допускают, свидетельство о поверке аннулируют, выдают извещение о непригодности по форме приказа Минпромторга России № 1815 от 02.07.2015 г. с указанием причин, делают соответствующую запись в паспорте.
Ведущий инженер ФГУП «УНИИМ»
А.Е.Тюрнина
(рекомендуемое)
ФОРМА ПРОТОКОЛА ПОВЕРКИПротокол № от
поверки газоанализаторов портативных ElGas мод. ElGas-QRAE 3, ElGas-MultiRAE Lite 3G ElGas-QRAE 3 в соответствии с документом МП 117-221-2016 «ГСП. Газоанализаторы портативные ElGas мод. ElGas-QRAE 3, ElGas-MultiRAE Lite 3G ElGas-QRAE 3. Методика поверки»
Заводской номер:_________________________________________________________________
Принадлежит:____________________________________________________________________
Дата изготовления:_____________________________________________________________________
Средства поверки:___________________________________________________________________
Условия поверки:___________________________________________________________________
Результаты внешнего осмотра:________________________________________________________
Результаты опробования:
Таблица 1 - Идентификационные данные программного обеспечения
Идентификационное наименование ПО |
Номер версии (идентификационный номер) ПО |
Цифровой идентификатор ПО (контрольная сумма исполняемого кода) |
Алгоритм вычисления цифрового идентификатора ПО |
Проверка диапазона измерений и определение основной погрешности при измерении объемной доли компонентов
Таблица - Определение основной погрешности при измерении объемной доли компонентов
№ пгс |
Объемная доля определяемого компонента, % |
Показание газоанализатора, % |
Основная погрешность, % |
Пределы допускаемой основной погрешности, % |
1 | ||||
2 | ||||
3 | ||||
2 | ||||
1 | ||||
3 |
Заключение по результатам поверки:
На основании положительных результатов поверки выдано свидетельство о поверке
№______от______________20____г.
На основании отрицательных результатов поверки выдано извещение о непригодности
№______от______________20____г.
Дата поверки_________________ Подпись поверителя____________________________
Организация, проводившая поверку_________________________________________________
Приложение Б
(обязательное)
Таблица Б 1 - Технические характеристики ПГС, используемых при поверке газоанализаторов порта-тивных ElGas мод. ElGas-QRAE 3, ElGas-MultiRAE Lite 3G ElGas-QRAE 3
Определяемый компонент |
Диапазон показаний объемной доли определяемого компонента |
Диапазон измерений объемной доли определяемого компонента |
Пределы допускаемой основной погрешности аттестации, разряд |
Номер по реестру ГСО или источник получения ГС |
Аммиак NH3 |
от 0 до 100 млн'1 |
от 0 до 30 млн'1 |
1 разряд |
ГСО 10546-2014, генератор ГГС |
св.ЗО до 100 млн'1 |
1 разряд |
ГСО 10546-2014, генератор ГГС | ||
Монооксид углерода СО |
от 0 до 500 млн'1 |
от 0 до 20 млн'1 |
0 разряд |
ГСО 10530-2014, генератор ГГС |
св.20 до 500 млн'1 |
0 разряд |
ГСО 10530-2014, генератор ГГС | ||
Хлор CL2 |
от 0 до 50 млн'1 |
от 0 до 1,0 млн'1 |
1 разряд |
ИМ с генератором ГДП-102 |
св. 1,0 до 50 млн'1 |
1 разряд |
ИМ с генератором ГДП-102 | ||
Синильная кислота HCN |
от 0 до 50 млн'1 |
от 0 до 50 млн'1 |
0 разряд |
ГСО 10545-2014, генератор ГГС |
Сероводород H2S |
от 0 до 100 млн'1 |
от 0 до 8 млн'1 |
1 разряд |
ГСО 10537-2014, генератор ГГС |
св.8 до 100 млн'1 |
1 разряд |
ГС СО 10537-2014, генератор ГГС | ||
Диоксид азота NO2 |
от 0 до 50 млн'1 |
от 0 до 1 млн'1 |
2 разряд |
ГСО 10547-2014, генератор ГГС |
св.1 до 50 млн'1 |
2 разряд |
ГСО 10547-2014, генератор ГГС | ||
Кислород 02 |
от 0 до 30 % |
от 0 до 10 % |
2 разряд |
ГСО 10547-2014, генератор ГГС |
св. 10 до 30 % |
2 разряд |
ГСО 10547-2014, генератор ГГС | ||
Фосфин РНз |
от 0 до 20 млн'1 |
от 0 до 20 млн'1 |
2 разряд |
ГСО 10545-2014 |
Диоксид серы S02 |
от 0 до 20 млн'1 |
От 0 до 4 млн'1 |
2 разряд |
ГСО 10547-2014, генератор ГГС |
Св. 4 до 20 млн'1 |
2 разряд |
ГСО 10547-2014, генератор ГГС | ||
Метан СН4 |
от 0 до 4,4 % об. (от 0 до 100 % НКПР) |
от 0 до 2,2 % об. (от 0 до 50 % НКПР) |
0 разряд |
ГСО 10530-2014, генератор ГГС |
Этан С2Нб |
от 0 до 2,5 % об. (от 0 до 100 % НКПР) |
от 0 до 1,25 % об. (от 0 до 50 % НКПР) |
2 разряд |
ГСО 10544-2014, генератор ГГС |
Этилен С2Н4 |
от 0 до 2,3 % об. (от 0 до 100 % НКПР) |
от 0 до 1,15 % об. (от 0 до 50 % НКПР) |
2 разряд |
ГСО 10544-2014, генератор ГГС |
Бутан С4Н10 |
от 0 до 1,4 % об. (от 0 до 100 % НКПР) |
от 0 до 0,7 % об. (от 0 до 50 % НКПР) |
2 разряд |
ГСО 10544-2014, генератор ГТС |
Гексан СвНм |
от 0 до 1,0 % об. (от Одо 100 % НКПР) |
от 0 до 0,5 % об. (от 0 до 50 % НКПР) |
1 разряд |
ГСО 10543-2014, генератор ГГС |
Пропан СзНв |
от 0 до 1,7 % об. |
от 0 до 0,85 % об. (от 0 до 50 % НКПР) |
2 разряд |
ГСО 10544-2014, генератор ГГС |
Определяемый компонент |
Диапазон показаний объемной доли определяемого компонента |
Диапазон измерений объемной доли определяемого компонента |
Пределы допускаемой основной погрешности аттестации, разряд |
Номер по реестру ГСО или источник получения ГС |
(от 0 до 100 % НКПР) | ||||
Пентан С5Н12 |
от 0 до 1,4 % об. (от 0 до 100 % НКПР) |
от 0 до 0,7 % об. (от 0 до 50 % НКПР) |
2 разряд |
ГСО 10544-2014, генератор ГГС |
Водород Н2 |
от 0 до 4,0 % об. (от 0 до 100 % НКПР) |
от 0 до 2,0 % об. (от 0 до 50 % НКПР) |
2 разряд |
ГСО 10544-2014, генератор ГГС |
Приложение В
(обязательное)
Таблица В 1 - Диапазоны измерений объемной доли компонентов и пределы допускаемой основной погрешности газоанализаторов портативных ElGas мод. ElGas-QRAE 3, ElGas-MultiRAE Lite 3G ElGas-QRAE 3
Определяемый компонент |
Диапазон показаний объемной доли определяемого компонента |
Диапазон измерений объемной доли определяемого компонента |
Пределы допускаемой основной погрешности | |
абсолютной, объемная доля |
относительной, % | |||
Аммиак (NH3) |
От 0 до 100 млн'1 |
От 0 до 30 млн'1 |
± 5 млн'1 |
- |
Св. 30 до 100 млн'1 |
- |
± 15 | ||
Монооксид углерода (СО) |
От 0 до 500 млн'1 |
От 0 до 20 млн'1 |
± 2 млн'1 |
- |
Св. 20 до 500 млн'1 |
- |
± 10 | ||
Хлор (С12) |
От 0 до 50 млн'1 |
От 0 до 1,0 млн'1 |
±0,2 млн'1 |
- |
Св. 1,0 до 50 млн'1 |
- |
±20 | ||
Синильная кислота (HCN) Сенсор 4R |
От 0 до 50 млн'1 |
От 0 до 50 млн'1 |
± Юмлн'1 | |
Синильная кислота (HCN) Сенсор 3R |
От 0 до 50 млн'1 |
От 0 до 50 млн'1 |
± 10 млн'1 | |
Сероводород (H2S) |
От 0 до 100 млн'1 |
От 0 до 8 млн'1 |
± 1,6 МЛН'1 |
- |
Св. 8 до 100 млн'1 |
- |
±20 | ||
Диоксид азота (NO2) |
От 0 до 50 млн'1 |
От 0 до 1 млн'1 |
± 0,2 млн'1 |
- |
Св. 1 до 50 млн'1 |
- |
±20 | ||
Кислород (О2) |
От 0 до 30 % |
От 0 до 10 % |
± 1,5% |
- |
Св. 10 до 30% |
±5 | |||
Фосфин (РНз) |
От 0 до 20 млн'1 |
От 0 до 20 млн'1 |
± 2 млн'1 |
- |
Диоксид серы (SO2) |
От 0 до 20 млн'1 |
От 0 до 4 млн'1 |
± 1 МЛН'1 |
- |
Св. 4 до 20 млн'1 |
- |
±25 | ||
Метан СНд |
от 0 до 4,4 % (от 0 до 100 % НКПР) |
от 0 до 2,2 % (от 0 до 50 % НКПР) |
±0,22 % (± 5 % НКПР) |
- |
Этан С2Нб |
от 0 до 2,5 % (от 0 до 100 % НКПР) |
от 0 до 1,25 % (от 0 до 50 % НКПР) |
±0,125% (± 5 % НКПР) | |
Этилен С2Н4 |
от 0 до 2,3 % (от 0 до 100 % НКПР) |
от 0 до 1,15 % (от 0 до 50 % НКПР) |
±0,115 % (± 5 % НКПР) |
- |
Бутан СдНю |
от 0 до 1,4 % (от 0 до 100 % НКПР) |
от 0 до 0,7 % (от 0 до 50 % НКПР) |
±0,07 % (± 5 % НКПР) |
- |
Гексан СвНм |
от 0 до 1,0 % (от 0 до 100 % НКПР) |
от 0 до 0,5 % (от 0 до 50 % НКПР) |
±0,05 % (± 5 % НКПР) |
- |
Пропан СзНв |
отО до 1,7 % (от 0 до 100 % НКПР) |
от 0 до 0,85 % (от 0 до 50 % НКПР) |
±0,085 % (± 5 % НКПР) |
- |
Пентан С5Н12 |
от 0 до 1,4 % (от 0 до 100 % НКПР) |
от 0 до 0,7 % (от 0 до 50 % НКПР) |
±0,07 % (± 5 % НКПР) |
- |
Водород Н2 |
от 0 до 4,0 % (от 0 до 100 % НКПР) |
от 0 до 2,0 % (от 0 до 50 % НКПР) |
±0,2 % (± 5 % НКПР) |
• |
Примечание - значения НКПР для горючих газов и паров в соответствии с ГОСТ 31369-2008
13