Руководство по эксплуатации «ПРИБОР ВТОРИЧНЫЙ ТЕПЛОЭНЕРГОКОНТРОЛЛЕР ИМ2300» (РЭ ИМ23.00.001)
Федеральное государственное унитарное предприятие «Особое конструкторское бюро «Маяк» (ФГУП «ОКБ «Маяк»)
ООО «НПП Интромаг»
УТВЕРЖДАЮ
И.о. директора-главного конструктора


УТВЕРЖДАЮ
Раздел 3.4 Методика поверки
Заместитель директора

«Пермский ЦСМ»
Я
__А.М. Деменев
1 2016 г.
Руководство по эксплуатации ИМ23.00.001РЭ
2016
СОДЕРЖАНИЕ
СХЕМЫ РАСПАЙКИ ИНТЕРФЕЙСНЫХ РАЗЪЕМОВ И ПОДКЛЮЧЕНИЯ В СЕТЬ RS485
СХЕМЫ ПОДКЛЮЧЕНИЯ ПЕРВИЧНЫХ ПРЕОБРАЗОВАТЕЛЕЙ
ВАРИАНТЫ ФУНКЦИОНАЛЬНОГО ИСПОЛНЕНИЯ
ЧТЕНИЕ ИНФОРМАЦИИ ИЗ ПРИБОРОВ Н1, ЩМ1 И DIN
Внимание!Перед пуском прибора в эксплуатацию необходимо проверить часы реального времени и, если это необходимо, произвести установку часов. Кроме того, необходимо произвести сброс архивной памяти и счетчиков (см. п. 1.4.2.2 РЭ).
Предприятия изготовители:
ФГУП «ОКБ «Маяк», ООО НПП «Интромаг» Россия, 614990, г. Пермь, ул. Данщина, 19 тел. (342) 237-17-90; 237-17-80; (факс) 237-17-49 www.okbmayak.perm.ru
Настоящее руководство по эксплуатации (РЭ) предназначено для изучения устройства, принципа действия, правил эксплуатации и технического обслуживания прибора вторичного теплоэнергоконтроллера ИМ2300.
Руководство по эксплуатации содержит описание устройства, его технические характеристики и сведения, необходимые для обеспечения использования технических возможностей прибора.
1. ОПИСАНИЕ И РАБОТА1.1 НАЗНАЧЕНИЕ ИЗДЕЛИЯ
-
1.1.1 Приборы вторичные теплоэнергоконтроллеры ИМ2300 (далее - приборы) предназначены для измерений выходных сигналов измерительных преобразователей параметров измеряемой среды и последующих расчетов количества теплоносителя, тепловой энергии, расхода газа в стандартных условиях, расхода жидкости.
-
1.1.2 Запись прибора при заказе и в документации другой продукции, в которой он может быть применен:
"Теплоэнергоконтроллер HM2300H1(lUM1,DIN,BM,HPP)-XF(C)XIXR-(D-n-0 ИМ23.00.00.001ТУ"
Н1 - настенное исполнение
ЩМ1(ЩМ1-Ех) - щитовое исполнение
DIN - исполнение с установкой на DIN рейку
ВМ - исполнение DIN с выносным измерительным модулем
ИРР - одноканальное исполнение
XF(C)XIXR - конфигурация входных каналов
XF - число числоимпульсных (частотных) каналов, Х=(0 - 5)
ХС - число комбинированных каналов Х=(0 - 4)*
XI - число токовых каналов, Х=(0 - 8)
XR - число каналов термометров сопротивления, Х=(0 - 4)
Базовые конфигурации:
4C2I2R или 5F2I4R для исполнения Н1
2C4I2R или 4C4I2R для исполнения ЩМ1
2F4I для исполнения ЩМ1-Ех
2F2C2R или 2F или 4F для исполнения DIN
2F2C2R для исполнения ВМ
11 или 1F для исполнения ИРР
* комбинированный канал —токовый или число-импульсный (выбор типа канала-программный)
Ф - функциональное назначение
-
1 - Тепловычислитель в составе теплосчетчиков (водяные системы)
-
2 - Тепловычислитель в составе теплосчетчиков пара
-
3 - Газовый корректор (вычислитель объема газа в стандартных условиях)
4- Программирование по заказу
5 - Программирование потребителем
П - модификация источника питания
-
2 - мод.2 (без источника питания расходомеров)
-
3 - мод.З (с источником питания расходомеров)
О - дополнительные опции
ПК - программа IMProgram и кабель для программирования
RS485 - дополнительный (второй) интерфейс RS485
42 - выход (4 - 20) мА
42x2 - два выхода (4 - 20) мА
ML - канал MicroLan
Более подробные сведения, необходимые для заказа прибора, заносятся в опросный лист (Приложение Д), который направляется предприятию - изготовителю.
-
1.2 ТЕХНИЧЕСКИЕ ХАРАКТЕРИСТИКИ
1.2.1 Входные каналы
-
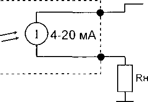
1.2.1.1 Унифицированные токовые (0 - 5) мА, (0 - 20) мА, (4 - 20) мА (от 0 до 8 каналов) или потенциальные (0 - 5) В, (0 - 10) В (от 0 до 4 каналов).
-
1.2.1.2 Частотные или число-импульсные (от 0 до 5 каналов). Диапазон частот от 0,002 до 2000 Гц
-
1.2.1.3 Дискретные (от 0 до 4 каналов).
-
1.2.1.4 Суммарное число каналов не более:
-
1.2.1.5 Термометров сопротивления (от 0 до 4 каналов).
Диапазон измеряемых температур от минус 70 до плюс 500 °C).
Градуировки термометров сопротивления:
-
- 50П, 100П, 500П (W100 = 1,391);
-
- Pt100, Pt500 (W100 = 1,385);
-
- 50М, 100М (W100 = 1,428).
Схема подключения 4-х проводная.
-
1.2.1.6 Все каналы гальванически развязаны от корпуса прибора.
-
1.2.1.7 Количество каналов в базовых конфигурациях для различных исполнений прибора ИМ2300 приведены в п.1.1.2.
-
1.2.1.8 Имеется источник питания первичных преобразователей (4 - 20) мА со следующими параметрами: напряжение — 24 В, ток нагрузки — 100 мА,
-
1.2.1.9 Имеется источник питания расходомеров (мод.З) с одним, двумя или четырьмя (исполнение DIN-4F) гальванически развязанными каналами.
24 В ± 5 %.
Выходное напряжение источника, В
Ток нагрузки, мА:
100 на 1 канал;
300 (200 и 100; 150 и 150) на 2 канала;
60 на 1 канал.
-для исполнения DIN, ИРР, ВМ
-
- для исполнения ЩМ1, Н1
-
- для исполнения ЩМ1-Ех
-
1.2.1.10 Входное сопротивление для токовых входов, Ом 50; 100 или 250 ± 1 % (10 кОм ± 5% для потенциальных входов).
-
1.2.1.11 Вытекающий ток:
-
- для числоимпульсных каналов 4,5 ± 1,0 мА,
-
- для комбинированных каналов 10 ± 2,0 мА,
1.2.2 Погрешность измерений
-
1.2.2.1 Метрологические характеристики приборов представлены в таблице 1.1.
Таблица 1.1
Наименование характеристики |
Значение |
Диапазон измеряемых величин (расход, давление, температура и др.) |
Определяется диапазоном измерений первичных преобразователей и ограничений не имеет. Диапазон вычисленных значений в приборах не ограничивается. |
Пределы допускаемой основной погрешности при преобразовании входных сигналов:
термопреобразователей сопротивления, °C:
|
±0,05 или ±0,1; или ±0,2 (за нормирующее значение принимается значение диапазона измерений входного сигнала) ±0,05 или ±0,1 ±0,1 или ±0,2 ±0,5 ±[0,03 + 0,001 At] |
Дополнительная абсолютная погрешность, вызванная изменением температуры окружающей среды |
Не превышает 0,5 от основной абсолютной погрешности на каждые 10 °C |
Пределы допускаемой приведенной погрешности выходных каналов (4 - 20) мА, % |
±0,1 или ±0,2 (нормирующее значение: 16 мА) |
Пределы допускаемой относительной погрешности при измерении времени, % |
±0,01 |
1.2.2.2 Пределы допускаемой основной погрешности при использовании приборов в составе измерительных комплексов представлены в таблице 1.2.
Таблица 1.2
Измерительный комплекс |
Измеряемая величина |
Диапазон измерений |
Пределы допускаемой основной погрешности |
Счетчик жидкости |
Масса жидкости, т |
от 0 до 106 |
±0,2 % (относительная) |
Температура, °C |
от -70 до +200 |
±0,1 (абсолютная) | |
Теплосчетчик |
Масса теплоносителя, т |
от 0 до 106 |
±0,2 % (относительная) |
Количество тепловой энергии, Гкал |
от 0 до 106 |
±(0,4+ 3/ At) % (относительная) | |
Температура, °C |
от 0 до 180 |
±0,1 (абсолютная) |
Измерительный комплекс |
Измеряемая величина |
Диапазон измерений |
Пределы допускаемой основной погрешности |
Разность температур, °C |
от 3 до 150 |
±(0,03 + 0,001 At) (абсолютная) | |
Теплосчетчик для пара |
Масса теплоносителя, т |
от 0 до 106 |
±0,25 % (относительная) |
Количество тепловой энергии, Гкал |
от 0 до 106 |
±0,4 % (относительная) | |
Температура, °C |
от 100 до 500 |
±0,5 (абсолютная) | |
Давление, МПа |
от 0 до 6 |
±0,1 % (приведенная*) | |
Комплекс учета газа |
Объем в стандартных условиях, м3 |
от 0 до 106 |
±0,35 % (относительная) |
Расход в стандартных условиях, м3/ч |
от 0 до 106 |
±0,35 % (относительная) | |
Температура, °C |
от -50 до +100 |
±0,1 (абсолютная) | |
Давление, МПа |
от 0 до 6 |
±0,1 % (приведенная*) | |
Приведение расхода и объема к стандартным условиям |
±0,05 % (относительная) |
* За нормирующее значение принимается значение диапазона измерений входного сигнала.
-
1.2.2.3 Дополнительная погрешность, вызванная изменением напряжения питания в диапазоне рабочих условий, несущественна.
1.2.3 Выходные каналы
-
1.2.3.1 До 4 каналов типа сухой контакт. В качестве коммутационных элементов использованы твердотельные реле (напряжение коммутации - 60 В, ток - 150 мА).
-
1.2.3.2 До 2 пассивных токовых каналов (4 - 20) мА с приведенной погрешностью ±0,1 % или ±0,2 %. Напряжение питания от 10 до 30 В. Каналы имеют гальваническую развязку.
-
1.2.3.3 Количество и тип каналов определяется при заказе прибора (приложение Д).
1.2.4 Индикация
-
1.2.4.1 Приборы исполнений H1,UHM1,DIN имеют алфавитно-цифровой ЖК-дисплей 2x16 символов. По отдельному заказу может устанавливаться графический дисплей. Приборы исполнения ИРР ЖК-дисплей 2x8 символов или 4-х разрядный светодиодный индикатор.
-
1.2.4.2 Число индицируемых разрядов для параметров, регистрируемых нарастающим итогом - 7. Цена единицы младшего разряда зависит от продолжительности отчетного периода и величины расхода, устанавливается при программировании прибора.
-
1.2.4.3 Индицируются параметры по всем задействованным измерительным каналам и необходимое количество вычисленных параметров (до 32 параметров).
-
1.2.4.4 Выбор индицируемого канала производится последовательным циклическим перебором с помощью кнопок на лицевой панели.
-
1.2.4.5 После включения индицируется параметр в нулевом канале, соответствующий основному назначению прибора (например, количество тепловой энергии, если прибор выполняет функции тепловычислителя).
-
1.2.4.6 Приборы имеют светодиодный индикатор С (СИГНАЛ), который служит для индикации выхода сигналов на измерительных входах за пределы. Приборы исполнений ЩМ1 и DIN имеют по 4 светодиодных индикатора, а приборы исполнения H1-4C2I2R - по 2 индикатора, индицирующие состояние выходов типа сухой контакт.
1.2.5 Регистрация хода параметров во времени
-
1.2.5.1 Прибор обеспечивает регистрацию не менее 8 параметров (исполнение ИРР не менее 4 параметров).
-
1.2.5.2 Набор регистрируемых параметров и интервал регистрации задаются пользователем с компьютера.
-
1.2.5.3 Объем архивной памяти — 300 Кбайт (в исполнении ИРР — 30 Кбайт).
-
1.2.5.4 Прибор сохраняет зарегистрированную информацию при отключении сетевого питания не менее 1 года.
-
1.2.5.5 Прибор имеет счетчик времени наработки. Цена деления - 1 мин.
Погрешность измерения времени не более 0,01 %.
1.2.6 Интерфейсы
-
1.2.6.1 Все исполнения прибора имеют интерфейс RS485. Интерфейс RS485 используется для программирования прибора и включения прибора в сеть сбора данных под управлением компьютера (в том числе по протоколу MODBUS).
-
1.2.6.2 Цепи интерфейса имеют гальваническую развязку.
-
1.2.6.3 При работе в сети прибор может выполнять следующие функции:
-
- передавать данные о текущих значениях измеряемых параметров;
-
- передавать результаты тестирования прибора;
-
- передавать архив накопленных данных о ходе параметров во времени;
-
- передавать данные паспорта прибора;
-
- передавать журнал нештатных ситуаций;
-
- передавать контрольные коды защиты от несанкционированного вмешательства в установки параметров прибора;
-
- принимать данные для выбора регистрируемых параметров и величине интервала регистрации;
-
- принимать данные для программирования характеристик измерительных каналов;
-
- принимать данные о конфигурации прибора (электронный паспорт).
-
1.2.6.4 Прибор (не все модификации) имеет интерфейс RS232. Интерфейс RS232 используется для программирования прибора и считывания архива на месте установки прибора с помощью считывателя архива ИМ2330 или компьютера класса Ноутбук. Разъем интерфейса установлен на передней панели прибора. Гальванической развязки интерфейс не имеет.
-
1.2.6.5 По отдельному заказу в приборе устанавливается второй интерфейс RS485. Этот интерфейс используется:
-
- для обмена информацией с крупноформатным индикаторным табло ИМ2400; -для обмена информацией с графическим индикатором ИМ2375;
-
- для обмена информацией с первичными преобразователями или блоками первичных преобразователей (многопараметрическими датчиками), имеющими цифровой выход (для некоторых типов многопараметрических датчиков, например, Метран 335, может устанавливаться интерфейс «токовая петля»);
-
- как дополнительный интерфейс для программирования прибора и включения прибора в сеть сбора данных под управлением компьютера (в том числе по протоколу MODBUS).
Интерфейс имеет гальваническую развязку.
-
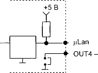
1.2.6.6 По отдельному заказу в приборе устанавливается интерфейс MicroLan. Интерфейс используется для получения информации с цифровых термометров DS18B20 и дискретных сигналов с ключей DS2405, DS2408, DS2413 фирмы Dallas Semiconductor. Интерфейс гальванической развязки не имеет.
1.2.7 Общие данные
-
1.2.7.1 Питание прибора от сети переменного тока с напряжением от 187 до 242 В и частотой (50 ±2) Гц.
-
1.2.7.2 Потребляемая мощность не более 8 В-A без внешних нагрузок. С подключенными внешними нагрузками (для источника питания мод. 3) 15 В-A и 20 В-А при токах нагрузки 0,2 А и 0,3 А соответственно.
-
1.2.7.3 Изоляция электрических цепей относительно корпуса прибора выдерживает в нормальных условиях в течение одной минуты действие испытательного напряжения переменного тока синусоидальной формы частотой 50 Гц и действующим значением 1500 В.
-
1.2.7.4 Габариты и масса прибора не более:
-
- исполнение Н1 190x170x45 мм, 1,0 кг
-
- исполнение ЩМ1 144x72x90 мм, 0,8 кг
-
- исполнение DIN 107x86x60 мм, 0,3 кг
-
- исполнение DIN-BM (внешний измерительный блок) 115x65x30 мм, 0,4 кг
-
- исполнение ИРР 72x72x35 мм, 0,3 кг
-
1.2.7.5 Диапазон рабочих температур от 0 до 40 °C или от минус 40 до плюс 40 °C (по специальному заказу)
-
1.2.7.6 Относительная влажность до 80% при 35 °C и более низких температурах без конденсации влаги.
-
1.2.7.7 Степень защиты прибора от воздействия внешней среды IP30.
1.3 СОСТАВ ИЗДЕЛИЯ
-
1.3.1 Состав комплекта прибора приведен в таблице 1.3.
Таблица 1.3
Наименование |
Обозначение |
Количество, шт. |
Примечание | ||||
Н1 |
ЩМ1 |
DIN |
ВМ |
ИРР | |||
Прибор вторичный теплоэнерго-контроллер ИМ2300 |
ИМ23.00.00.001ТУ |
1 |
1 |
1 |
1 |
1 | |
Руководство по эксплуатации |
ИМ23.00.001 РЭ |
1 |
1 |
1 |
1 |
1 | |
Паспорт |
ИМ23.00.001ПС |
1 |
1 |
1 |
1 |
1 | |
Кронштейн |
23.00.050 |
1 | |||||
Кабель RS232 |
ИМ23.00.910 |
1 |
По заказу | ||||
Кабель RS232 DB9-DB9 |
1 |
По заказу | |||||
Шнур-конвертор RS232-RS485 |
ИМ23.16.51 |
1 |
1 |
По заказу | |||
Вилка MiniDIN-4M |
1 |
1 | |||||
Клеммные колодки |
МС420-350-4(2) МС100-762-2 MC1.5/2-ST |
N 1 |
N 1 |
N 1 |
N 1 |
N 1 |
N - число заказанных входов и выходов |
Вилка DB-25F с кожухом |
1 | ||||||
Розетка DHS-15F с кожухом |
1 |
Наименование |
Обозначение |
Количество, шт. |
Примечание | ||||
Н1 |
ЩМ1 |
DIN |
ВМ |
ИРР | |||
Программный комплекс |
Im Prog ram |
1 |
1 |
1 |
1 |
1 |
По заказу |
1.4 УСТРОЙСТВО И РАБОТА
-
1.4.1 Прибор выполнен на базе 32-разрядного микроконтроллере с ядром ARM7 фирмы NXP.
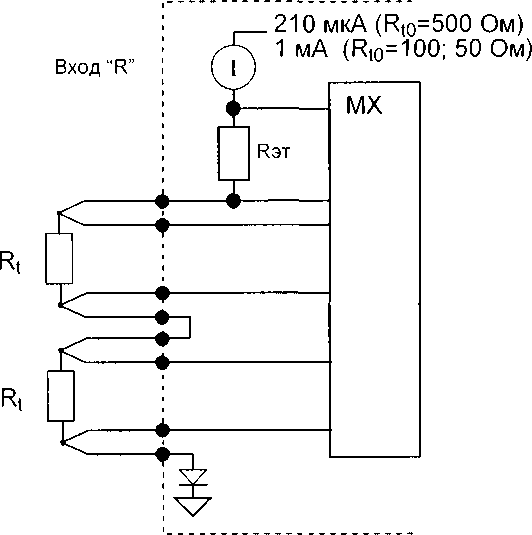
Входные сигналы с измерительных каналов поступают на мультиплексор (MX) и далее на 16-разрядный аналого-цифровой преобразователь (ADC), цифровой сигнал с которого поступает на микроконтроллер.
Термометры сопротивления (RT) подключаются по четырехпроводной схеме. Для автокалибровки прибора при измерении RT используется эталонный резистор Rref, подключаемый к входам мультиплексора.
Управление мультиплексором осуществляется от микроконтроллера. Микроконтроллер производит переключение входных каналов в заданной последовательности.
Микроконтроллер производит нормализацию и линеаризацию входных сигналов, вычисление параметров по сигналам нескольких датчиков, выдачу данных на индикатор, регистрацию данных в архивной памяти и обмен данными с компьютером по интерфейсам RS232 и RS485.
Результаты измерений индицируются с помощью двухстрочного алфавитно-цифрового ЖК-дисплея. В одном из разрядов дисплея индицируется символ «=», мигающий с периодом 2 сек, что является признаком нормальной работы процессора. В приборах исполнения ИРР может устанавливаться 4-х разрядный светодиодный дисплей.
Цикл измерений повторяется с периодом 1сек, вырабатываемым таймером RTC на базе кварцевого генератора (часы реального времени).
Регистрация хода процесса во времени (ведение архива) производится в запоминающем устройстве FLASH типа. Объем регистрируемых в архиве данных равен 300 Кбайт.
Источник резервного питания выполнен на литиевой батарее типа CR2032. Срок службы батареи - (8 - 10) лет.
-
1.4.2 Программное обеспечение прибора состоит из базового модуля, записанного во FLASH память микроконтроллера, и паспорта конфигурации с блоками констант, датчиков и поправок. Базовый модуль устанавливается через специальный интерфейс, недоступный при опломбированном приборе. Паспорт конфигурации с блоками констант, датчиков и поправок заносится в перезаписываемую с компьютера память EEPROM.
-
1.4.2.1 Конфигурирование прибора производится на компьютере в программной среде IMProgram; раздел меню - “Конфигурация”. Руководство пользователя поставляется с пакетом программ IMProgram. После создания паспорта он записывается в прибор по каналу RS232 или RS485.
-
При записи паспорта конфигурации с блоками констант, датчиков и поправок прибор формирует контрольные коды записи. Несоответствие кодов, считываемых с прибора, кодам, зафиксированным при записи паспорта, свидетельствует о несанкционированном вмешательстве в конфигурацию прибора. Прибор может быть защищен от несанкционированного изменения паспорта конфигурации с блоками констант, датчиков и поправок паролем.
-
1.4.2.2 Установка часов реального времени и сброс показаний прибора производится с компьютера.
-
1.4.2.3 Считывание текущих показаний прибора и архива, представление данных в графическом виде и формирование отчетов производится в программной среде IMReport, которая использует электронный паспорт прибора.
-
1.4.3 Приборы снабжены двумя последовательными интерфейсами: RS232 и RS485. В приборах мод. «ИРР» имеется только интерфейс RS485.
Интерфейс RS232 используется для программирования прибора или считывания накопленных данных из ОЗУ на месте установки прибора с помощью считывателя архива ИМ2330 или компьютер класса Ноутбук.
Интерфейс RS485 имеет гальваническую развязку от вычислительного блока. Интерфейс используется для подключения прибора к сети под управлением ПЭВМ. Интерфейс RS232 гальванической развязки не имеет.
-
1.4.4 Источник питания.
-
1.4.4.1 Для питания прибора и первичных преобразователей необходимо несколько напряжений, гальванически развязанных друг от друга, которые приведены в таблице 1.4.
-
Таблица 1.4
№ |
Напряжение |
Ток |
Что питается |
1 |
+5 В |
150 мА |
Вычислительный и измерительный блоки |
2 |
+(10-12) В |
40 мА |
Измерительный блок (F-входы) |
3 |
+24 В |
100 мА |
Первичные пробразователи (4 - 20) мА |
4 |
+5В |
60 мА |
Интерфейс RS485 (на плате контроллера) |
5 |
+24В |
200(150) мА |
Расходомер ПРИМ, ДРГ-М, ДРС, М-300 и др. |
6 |
+24 В |
100(150) мА |
Расходомер ПРИМ, ДРГ-М, ДРС, М-300 и др. |
Максимальный суммарный ток каналов 5+6 не более 300 мА
Горизонтальными линиями разделены гальванически развязанные группы каналов напряжений питания.
-
1.4.4.2 Источник питания имеет две модификации, отличающиеся возможностями питания первичных преобразователей (ПП):
-
- модификация 2 - каналы 1,2,3,4.
-
- модификация 3 - каналы 1,2,3,4,5,6.
1.5 СРЕДСТВА ИЗМЕРЕНИЯ, ИНСТРУМЕНТ И ПРИНАДЛЕЖНОСТИ
Для проверки соответствия прибора ИМ2300 требованиям технических условий ИМ23.00.00.001ТУ, выполнения работ по техническому обслуживанию и текущему ремонту прибора и его функциональных блоков используются серийно выпускаемые средства измерения.
1.6 МАРКИРОВКА И ПЛОМБИРОВАНИЕ
-
1.6.1 На каждом приборе нанесены (см. рис.2.1,2.2, 2.3):
-
- знак утверждения типа (левая сторона лицевой панели);
-
- знак соответствия ТР ТС (левая сторона лицевой панели);
-
- фирменное название: "ИМ2300 ТЕПЛОЭНЕРГОКОНТРОЛЛЕР" для исполнения Н1; “ТЕПЛОЭНЕРГОКОНТРОЛЛЕР ИМ2300ЩМ1” для исполнения ЩМ1; “ТЕПЛОЭНЕРГОКОНТРОЛЛЕР HM2300DIN” для исполнения DIN; “ИМ2300ВМ” и “ИМ2300ИРР” для исполнений ВМ и ИРР.
-
- заводской номер, состоящий из двух букв латинского алфавита и трех цифр (правая сторона лицевой панели).
-
1.6.2 На боковой поверхности прибора мод. ЩМ1 и на лицевой панели прибора мод. Н1 наклеивается одноразовая пленочная пломба со знаком поверки. В приборах мод. DIN, ВМ и ИРР одноразовая пленочная пломба со знаком поверки наклеивается на место соединения основания и крышки корпуса.
-
1.6.3 На потребительской таре наклеена этикетка, содержащая наименование и номер прибора.
2.1 ЭКСПЛУАТАЦИОННЫЕ ОГРАНИЧЕНИЯ
-
2.1.1 Питание прибора: сеть переменного тока с напряжением от 187 до 242 В и частотой (50 ± 2) Гц.
-
2.1.2 Диапазон рабочих температур от 0 до 40 °C (от минус 40 до плюс 40 °C по специальному заказу)
-
2.1.3 Относительная влажность до 80 % при 35 °C и более низких температурах без конденсации влаги.
-
2.1.4 Степень защиты прибора от воздействия внешней среды IP30.
2.2 ПОДГОТОВКА ИЗДЕЛИЯ К ИСПОЛЬЗОВАНИЮ
-
2.2.1 Расположение органов управления, индикации и подключения прибора приведено на рис.2.1 - 2.8.
-
2.2.2 Установка прибора.
-
2.2.2.1 Установить прибор на месте эксплуатации.
-
Если прибор устанавливается на щит, то следует руководствоваться рис.2.6. Прибор на щите закрепляется с помощью кронштейнов, входящих в комплект поставки.
-
2.2.2.2 Подключить провод заземления к зажиму заземления.
-
2.2.2.3 Подключить разъем (разъемы) первичных преобразователей.
Первичные преобразователи подключаются к разъему в соответствии со схемой подключения (см. паспорт прибора).
-
2.2.2.4 Если прибор имеет связь с компьютером по интерфейсу RS485,to подключить разъем интерфейса.
-
2.2.2.5 Подключить сетевой шнур и включить прибор в сеть, при этом должен загореться зеленый индикатор "СЕТЬ".

170

ИМ2300 ТЕПЛОЭНЕРГОКОНТРОЛЛЕР N СА001
А
ВХОДЫ
I
31 32 33 34/
ИМ23.00.001.РЭ
Зажим заземления
Рисунок 2.1 Органы управления, индикации и коммутации прибора ИМ2300Н1
MENU
27 2S 29 30
© |
т- |
—I-------1----ГП----1----г |
—I-----1-----1-----1 | |
у- |
—( |
э— |


.СК



Рисунок 2.2 Органы управления, индикации и коммутации прибора I/1M2300H1-5F
© |
т- |
—I--------1-----1-----1-----г~г |
I I I I | |
—( |
э— |
Зажим заземления
ИМ23.00.001.РЭ

а)

б)

в)
Рисунок 2.3 - Органы управления, индикации и коммутации прибора ИМ2300ЩМ1: а) передняя панель; ; б) задняя панель для модели с источником питания мод. 2;
в) задняя панель для модели с источником питания мод. 3

Рисунок 2.4 - Установка приборов ИМ2300ЩМ1 на щит 1 - Прибор ИМ2300ЩМ1,2 - Щит, 3 - Кронштейн, 4 - Винт М4х10 5 - Вырез в щите 138x68, 6 - Клемма заземления

Рисунок 2.5 - Органы управления, индикации и коммутации прибора I/1M2300DIN
И ИМ2300ИРР-11
№ ХА001
МПа
г\
ЧУ
СЕТЬ
220В
гп

RS485
3V I/O
+_- + -
£ 9 I Ю я
Рисунок 2.6 - Органы управления, индикации и коммутации прибора ИМ2300ИРР (при установке на щит вырез в щите - 70x70)

Рисунок 2.7 - Внешний измерительный модуль ИМ2300 ВМ
АС
220V


OUT |
uLAN |
24V |
F1 |
RS485 |
+ |
ф - |
▼ + |
ф - |
3V I I/O + - J + |
2 |
3 <1 |
5 b |
7 8 |
9 1U 1 Г 12 |
Рисунок 2.8 - Органы управления, индикации и коммутации прибора HM2300HPP-DIN
2.3 ИСПОЛЬЗОВАНИЕ ИЗДЕЛИЯ
2.3.1 Взаимодействие оператора с прибором осуществляется с помощью 4-х многофункциональных кнопок и системы меню. Кнопки меняют свое назначение в зависимости от режима работы и текущего пункта меню.
В приборе предусмотрены 2 режима работы:
-
- Режим отображения параметров;
-
- Режим работы с меню.
В режиме отображения параметров взаимодействие оператора с прибором осуществляется следующим образом:
- кнопка 1 - циклический перебор объектов индикации по номерам второго символа индекса индикации в электронном паспорте прибора (10 + 1F). При длительном нажатии кнопки (более 2 сек.) порядок перебора меняется на противоположный; | |
▲ ▼ |
- кнопка 2 - циклический перебор объектов индикации по номерам первого символа индекса индикации в электронном паспорте прибора. При длительном нажатии кнопки (более 2 сек.) порядок перебора меняется на противоположный; |
MENU |
- кнопка 4 - вход в меню. В режиме работы с меню взаимодействие оператора с прибором осу |
MENU ◄J |
ществляется посредством следующим образом:
|
Назначение кнопок 2 и 3 при выборе конкретного пункта меню описано ниже.
2.3.2 Содержание и структура меню
-
2.3.2.1 Главное меню состоит из следующих пунктов:
-
- Параметры - вход в подменю Параметры;
-
- Входы/выходы - вход в подменю Входы/выходы (просмотр конфигурации прибора);
-
- Каналы- просмотр параметров каналов;
-
- Константы - просмотр констант;
-
- Архивы- вход в подменю Архивы;
-
- Коды записи - просмотр кодов записи.
-
2.3.2.2 Подменю Параметры состоит из следующих пунктов:
-
- Номер прибора - просмотр номера прибора и адреса прибора;
-
- Конфиг. прибора - просмотр конфигурации прибора: кода модели, кода ист. питания, версии ПО, кода задачи, формата посылки MODBUS;
-
- Тест - тестирование прибора (см. п. 2.3.4);
-
- Дата/время - просмотр установленных даты и времени;
-
- Уст-ка яркости - установка яркости прибора в рабочем (кнопка 2) и спящем (кнопка 3) режимах;
-
- Скорость (бит/с) - просмотр и установка скорости передачи по RS232 и RS485. Для включения режима установки скорости нажмите и удерживайте в течении двух секунд кнопку 2, а затем кнопку 3. Скорость по интерфейсу RS485 устанавливается кнопкой 2, а по RS232 - кнопкой 3. Выход - кнопка 1.
Если в приборе установлен второй (дополнительный) интерфейс RS485, для просмотра и установки его скорости передачи и количества стоп бит нажмите кнопку 4. Скорость по интерфейсу RS485-flon. устанавливается кнопкой 2, а количество стоп бит - кнопкой 3.
-
2.3.2.3 Подменю Входы/выходы состоит из следующих пунктов:
-
- Входы F, I, R - просмотр параметров измерительных входов F, I, R;
-
- Выходы - просмотр существующих и реально используемых выходов прибора;
-
- Устр-ва MicroLAN - просмотр параметров устройств MicroLAN;
-
- Устр-ва Dymetic - просмотр параметров устройств Dymetic.
Назначение кнопок при просмотре параметров измерительных входов F, I, R:
-
- кнопка 1 - выход из режима просмотра;
-
- кнопка 2 - изменение номера измерительного входа;
-
- кнопка 3 - просмотр следующего параметра измерительного входа.
При длительном нажатии кнопки (более 2 сек.) порядок изменения номеров входов и типа параметра канала меняется на противоположный.
Назначение кнопок при просмотре существующих и реально используемых выходов прибора:
-
- кнопка 1 - выход из режима просмотра;
-
- кнопка 2 - просмотр следующей группы существующих выходов;
-
- кнопка 4 - вход в режим просмотра реально используемых выходов прибора, кнопкой 2 можно перебрать все реально используемые выходы, кнопка 1 - выход.
Назначение кнопок при просмотре параметров устройств MicroLAN и Dymetic:
-
- кнопка 1 - выход из режима просмотра;
-
- кнопка 2 - просмотр следующего устройства.
-
2.3.2.4 Назначение кнопок при просмотре параметров каналов:
-
- кнопка 1 - выход из режима просмотра;
-
- кнопка 2 - изменение номера канала;
-
- кнопка 3 - просмотр следующего параметра канала.
При длительном нажатии кнопки (более 2 сек.) порядок изменения номеров каналов и типа параметра канала меняется на противоположный.
-
2.3.2.5 Назначение кнопок при просмотре констант:
-
- кнопка 1 - выход из режима просмотра;
-
- кнопка 2 - просмотр следующей константы.
2.3.2.6 Подменю Архивы состоит из следующих пунктов:
-
- Полный архив
-
- Посуточный архив
-
- Помесячный архив
-
- Журнал событий
-
- Ошибки конфиг.
-
-
- просмотр полного архива;
-
- просмотр посуточного архива;
-
- просмотр помесячного архива;
-
- просмотр журнала событий;
-
- просмотр журнала ошибок конфигурации.
Назначение кнопок при просмотре архивов:
-
- кнопка 1
-
- кнопка 2
-
- кнопка 3
-
- выход из режима просмотра;
-
- изменение номера канала;
-
- изменение номера записи.
Назначение кнопок при просмотре журналов:
|
|
При длительном нажатии кнопки (более 2 сек.) порядок изменения номеров меняется на противоположный.
2.3.2.7 Назначение кнопок при просмотре кодов записи:
-
- кнопка 1 - выход из режима просмотра;
-
- кнопка 2 - просмотр следующего кода записи.
Эти коды должны актироваться при запуске прибора в эксплуатацию представителями поставщика и потребителя. Изменение значений этих кодов свидетельствует о несанкционированном вмешательстве в конфигурацию прибора.
2.3.3 Дополнительные установки с помощью меню прибора
-
2.3.3.1 Установка порядка следования байт в протоколе MODBUS при передаче 4-х байтовых целых чисел и чисел с плав, точкой. Выберите пункт меню Параметры ->Конфиг.прибора. Перебирая кнопкой 2 конфигурационные параметры прибора выведите на дисплей Формат MODBUS. Для включения режима установки нажмите и удерживайте в течении 2 секунд кнопку 2, а затем кнопку 3. Перебор вариантов осуществляется кнопкой 3 в соответствии с таблицей 2.1.
Регистр m
Регистр т+1
ст. байт
мл. байт
ст. байт
мл. байт
Таблица 2.1
Варианты |
Номера байт: | |||
0 |
3 |
2 |
1 |
0 |
1 |
1 |
0 |
3 |
2 |
2 |
0 |
1 |
2 |
3 |
3 |
2 |
3 |
0 |
1 |
Пример представления 4-х байтовых целых чисел и чисел с плавающей точкой (байт 3 - старший, 0 - младший) приведен в таблице 2.2.
Та бл и ца 2.2_________________________________________________________________
Целое 4-х байтовое число |
12045 | |||
его 16-й код |
00 |
00 |
2F |
0D |
Число в формате пл. точка |
101 |
,25 | ||
его 16-й код |
42 |
СА |
80 |
00 |
Номера байт |
3 |
2 |
1 |
0 |
-
2.3.3.2 Установка формата передачи времени в каналах типа Т (ts, tm) в протоколе MODBUS. Выберите пункт меню Параметры ->Конфиг.прибора. Перебирая кнопкой 2 конфигурационные параметры прибора выведите на дисплей Формат MODBUS ts, tm. Для включения режима установки нажмите и удерживайте в течении 2 секунд кнопку 2, а затем кнопку 3. Перебор вариантов осуществляется кнопкой 3 в соответствии с таблицей 2.3
Таблица 2.3
Вариант |
Формат передачи |
час.мин |
Число с плав, точкой, где целая часть - часы, дробная часть - минуты |
час |
Число с плав, точкой, где целая часть - часы, дробная часть - доли часа |
-
2.3.3.3 Вывод на контакты Р1(для серии А и С) или Р5(для серии В) импульсов с периодом 1 сек для тестирования часов. Выберите пункт меню Параметры ->Тест. Кнопкой 3 выберите режим тестирования часов. Для включения режима, при котором на контактах F1 (F5) появляются импульсы, нажмите и удерживайте в течении 2 сек кнопку 2, затем кнопку 3, затем кнопку 4. После этого в течение 60 сек. на контакты F1 (F5) будут подаваться импульсы с периодом 1 сек.
2.3.4 Тестирование прибора
-
2.3.4.1 Тестирование проводится после установки и включения прибора, для этого необходимо зайти в пункт меню Параметры->Тест. Перебор тестируемых входов осуществляется кнопкой 2.
-
2.3.4.2 Индикация неисправностей унифицированных каналов:
ОК - тест прошел;
l<imin; F<Fmin - сигнал на входе меньше минимального предела, обрыв датчика; i>imax; F>Fmax - сигнал на входе больше максимального предела.
2.3.4.3. Индикация неисправностей температурных каналов:
ОК - тест прошел;
Err - обрыв термометра сопротивления, замыкание термометра сопротивления.
-
2.3.4.4 Напряжение батареи
При длительном нажатии кнопки 2 (более 2 сек.) на дисплей выводится напряжение батареи. Напряжение должно быть больше 3 В.
-
2.3.4.5 Тест часов
Нажатие кнопки 3 - вход в режим тестирования часов, вывод импульсов с периодом 1 сек (см. п. 2.3.3.3). Кнопка 1 - возвращение в режим тестирования измерительных входов.
3 ТЕХНИЧЕСКОЕ ОБСЛУЖИВАНИЕ3.1 ОБЩИЕ УКАЗАНИЯ
-
3.1.1 Техническое обслуживание приборов в процессе эксплуатации заключается в периодическом тестировании приборов, а также в периодической поверке в аккредитованной организации.
3.2 МЕРЫ БЕЗОПАСНОСТИ
-
3.2.1 Безопасность эксплуатации прибора обеспечивается выполнением требований руководства по эксплуатации и ГОСТ Р 52931-2008.
-
3.2.2 По способу защиты человека от поражения электрическим током прибор относится к классу 01 по ГОСТ 12.2.007.0.
Корпус прибора должен быть заземлен с помощью элемента заземления, установленного на задней панели прибора модификации «ЩМ» и в нижней части основания корпуса прибора модификации «Н».
Присоединение заземления должно производиться до подключения прибора к сети питания, а отсоединение - после отключения от сети питания.
-
3.2.3 При испытаниях и эксплуатации прибора необходимо соблюдать требования ПТЭ и ПТБ.
Включение прибора для регулировки и ремонта со снятыми крышками разрешается только лицам, прошедшим соответствующий инструктаж.
Ремонтировать прибор могут лица, имеющие доступ к работе с напряжением до 1000 В.
-
3.2.4 Все внешние цепи прибора (кроме входов сети 220В) имеют напряжение не выше 24В и опасности для обслуживающего персонала не представляют.
3.3 ПОРЯДОК ТЕХНИЧЕСКОГО ОБСЛУЖИВАНИЯ ИЗДЕЛИЯ
-
3.3.1 Техническое обслуживание приборов в процессе эксплуатации заключается в периодическом тестировании (см. п. 2.3.4). Тестирование рекомендуется проводить при выполнении операции считывания данных для автономно установленных приборов и каждые сутки для приборов, подключенных к компьютеру. При тестировании проверяется состояние цепей подключения первичных преобразователей и исправность узлов прибора.
-
3.3.2 Если результат тестирования указывает на неисправность цепей первичных преобразователей, то необходимо устранить неисправность в этих цепях.
-
3.3.3 Если результат тестирования указывает на неисправность прибора, необходимо произвести опробование (см. п. 3.4.6.2). Опробование проводится также в случае, если результаты теста неопределенны (нет возможности определить, неисправен первичный преобразователь или вторичный прибор). При отрицательных результатах опробования прибор направляется на ремонт.
-
3.3.4 Для имитации сигналов первичных преобразователей при проведении опробования рекомендуется использовать имитаторы сигналов первичных преобразователей ИМ2317Н1, -ЩМ1, -DIN, смонтированные в корпусе разъема. Имитаторы поставляются по отдельному заказу.
-
3.3.5 Ремонт приборов производится в цехе КИПиА или сервисных службах персоналом, прошедшим специальную подготовку.
-
3.3.6 При обслуживании и эксплуатации прибора следует принимать меры по защите электронных узлов и линий связи от статического электричества.
-
3.4 МЕТОДИКА ПОВЕРКИ
Внимание! При периодической поверке необходимо проверить напряжение батареи. Для этого зайти в пункт меню Параметры->Тест и нажать кнопку 2 на 2 сек. При напряжении батареи ниже 3 В заменить литиевую батарею CR2032.
Настоящая методика поверки распространяется на Приборы вторичные тепло-энергоконтроллеры ИМ2300 (далее - приборы) и устанавливает методы и средства их первичной и периодической поверки.
Первичной поверке подвергают приборы после выпуска из производства, перед вводом в эксплуатацию, а также после ремонта. Периодической поверке подвергают приборы, находящиеся в эксплуатации.
Интервал между поверками приборов - 4 года.
-
3.4.1 Операции поверки
3.4.1.1 При проведении поверки должны быть выполнены операции, указанные в таблице 3.1.
Таблица 3.1
Наименование операции |
Пункт методики |
Проведение операции при | |
первичной поверке |
периодической поверке | ||
Внешний осмотр |
3.4.6.1 |
да |
да |
Опробование |
3.4.6.2 |
да |
да |
Проверка сопротивления изоляции |
3.4.6.3 |
да |
да |
Проверка выполнения интерфейсных функций |
3.4.6.4 |
да |
Да |
Определение метрологических характеристик |
3.4.7 |
Да |
да |
-
3.4.1.2 В случае обнаружения неисправностей или несоответствий при выполнении любой из операций, перечисленных в Таблице 3.1 настоящей методики, поверка прекращается до устранения выявленных неисправностей и несоответствий. После устранения неисправностей и несоответствий поверка проводится в полном объеме.
-
3.4.2 Средства поверки
-
3.4.2.1 При поверке должны применяться средства измерений и вспомогательное оборудование, указанные в таблице 3.2.
Таблица 3.2
Наименование средства поверки |
Количество, шт. |
Основные метрологические и технические характеристики |
Калибраторы ИМ2390: Калибратор ИМ23901 Калибратор HM2390R Калибратор HM2390F |
1 1 1 |
(0-24) мА, ПГ ±0,002 мА; (1 - 100) Ом, ПГ ±0,01 Ом; (100- 1000) Ом, ПГ ±0,0001- R Ом; (0,01 - 10000) Гц, ПГ ±0,01 % |
Вольтметр универсальный В7-46 |
1 |
0,2; 2; 20 В; ПГ±0,02% |
Мера электрического сопротивления Р3030 |
4 |
100 Ом; КТ 0,01 |
Мегаомметр Ф4102/1-1М |
1 |
(0 - 300) МОм, ПГ ±30 % |
Мультиметр цифровой АРРА-107N |
1 |
(0-750) В; ПГ±(0,007-U + 50 е.м.р.) В (0-200) Гц; ПГ±(0,0001-F + 10 е.м.р.) Гц (0-200) Ом, ПГ ±(0,003 R + 30 е.м.р.) Ом (0-20) мА, ПГ ±(0,002-1 + 40 е.м.р.) мА |
Гигрометр психрометрический ВИТ-2 |
1 |
(15-40) °C, ПГ ±0,2 °C; (20 - 90) %, ПГ ±6 % |
Вспомогательное оборудование: | ||
Источник питания HY3003 |
1 |
(0 - 30) В |
Компьютер с ОС Windows |
1 |
- |
Конвертор интерфейсов RS485-RS232 (из комплекта ИМ2300) |
1 |
- |
Программа ImProgram |
1 |
- |
-
3.4.2.2 Средства измерений, применяемые при поверке, должны быть поверены.
-
3.4.2.3 Допускается применение аналогичных средств поверки, обеспечивающих определение метрологических характеристик поверяемых СИ с требуемой точностью.
-
3.4.3 Требования к квалификации поверителей
К проведению поверки допускаются лица, изучившие документ ИМ23.00.001РЭ «Прибор вторичный теплоэнергоконтроллер ИМ2300. Руководство по эксплуатации» и аттестованные в качестве поверителей средств измерений электрических и радиотехнических величин в установленном порядке и имеющие группу допуска по электробезопасности не ниже III.
-
3.4.4 Требования безопасности
В целях обеспечения требований по электробезопасности при работе в электроустановках и проведении испытаний, необходимо перед началом проверок подключить защитное заземление.
3.4.5 Подготовка к поверке
3.4.5.1 При проведении поверки должны быть соблюдены следующие условия:
|
от 17 до 27 °C от 30 до 80 % (50 ± 1) Гц от 198 до 242 В |
3.4.5.2 Средства измерений, используемые при проведении поверки, должны быть прогреты под током в течение времени, указанного в эксплуатационной документации. Приборы ИМ2300 предварительного прогрева не требуют.
-
3.4.6 Проведение поверки
-
3.4.6.1 Внешний осмотр
На каждом представленном на поверку приборе должны быть указаны:
-
- наименование прибора;
-
- номер прибора;
-
- обозначения всех элементов управления и коммутации.
Прибор не допускается к дальнейшей поверке, если при его внешнем осмотре обнаружены следующие дефекты:
-
- отсутствуют, расшатаны или повреждены органы управления, индикации и коммутации;
-
- поврежден кожух прибора;
-
- внутри прибора находятся незакрепленные предметы.
-
3.4.6.2 Опробование
При опробовании к входам измерительных каналов согласно схеме соединений данной модификации прибора подключаются калибраторы ИМ2390.
Входные сигналы устанавливаются в пределах (20 - 95) % диапазона измерений приборов. По индикатору прибора производится контроль наличия сигналов и реакция на их изменение.
Прибор не допускается к дальнейшей поверке, если не индицируются сигналы имитации в одном или нескольких измерительных каналах.
-
3.4.6.3 Проверка сопротивления изоляции
При проверке сопротивления изоляции испытательное напряжение должно прикладываться между соединенными вместе штырями вилки шнура питания и корпусом прибора. Выводы всех входных и выходных цепей должны быть соединены с корпусом прибора. Проверку сопротивления изоляции производить мегаомметром Ф4102/1-1М при напряжении постоянного тока 1000 В.
Сопротивление изоляции должно быть не менее 40 МОм.
-
3.4.6.4 Проверка выполнения интерфейсных функций
-
3.4.6.4.1 Проверке подвергаются приборы, в которых установлены интерфейсы RS232 и RS485.
-
3.4.6.4.2 Для проверки интерфейса RS232 необходимо соединить порт RS232 проверяемого прибора с COM-портом компьютера согласно схеме, представленной на рисунке 3.1.
Калибраторы
ПЭВМ
ИМ2390 1
1------------------
| ИМ2300
RS232 ----------1
IRS232
Рисунок 3.1
Соединение производить при выключенном питании прибора!
-
3.4.6.4.3 Для проверки интерфейса RS485 необходимо соединить конвертором интерфейсов RS232-RS485 компьютер и проверяемый прибор согласно схеме, представленной на рисунке 3.2.
Рисунок 3.2
При подключении конвертора интерфейсов RS232-RS485 использовать его инструкцию по эксплуатации.
-
3.4.6.4.4 Для проверки интерфейса RS232 или RS485 выполнить следующие действия:
-
- запустить программу ImProgram;
-
- установить адрес прибора (адрес прибора соответствует последним трем цифрам номера прибора);
-
- произвести считывание текущей информации из прибора;
-
- сравнить показания прибора и данные на экране компьютера;
-
- изменить адрес прибора;
-
- произвести попытку считывания информации из прибора.
Проверка выполнения интерфейсных функций считается пройденной с положительным результатом, если показания на индикаторе прибора и экране компьютера совпадают, а на неправильно набранный адрес прибор не откликается.
-
3.4.7 Определение метрологических характеристик
При проведении поверки определяются метрологические характеристики прибора - основные погрешности преобразования и вычисления параметров теплоэнергетических величин.
-
3.4.7.1 Определение погрешностей
Основная погрешность при преобразовании входных сигналов определяется путем сравнения значений эталонного сигнала Ao (Io, Uo, Ro, Fo), соответствующего измеряемой физической величине, с показаниями поверяемого прибора Ах (lx, Ux, Rx, Fx).
Приведенная погрешность для унифицированных входных сигналов (электрический ток, электрическое напряжение) вычисляется по формуле (3.1).
5А = (Ах - Ао)/Ап • 100 , (3.1)
где Ах - показания поверяемого прибора, в единицах измеряемого параметра;
Ао - задаваемое значение параметра, в единицах измеряемого параметра;
Ап - разность верхней и нижней границ диапазона измерений, в единицах измеряемого параметра.
Относительная погрешность для число-импульсных (частотных) входных сигналов вычисляется по формуле (3.2).
5А = (Ах - Ао)/Ао ■ 100 , (3.2)
где Ах - показания поверяемого прибора, Гц;
Ао - задаваемое значение параметра, Гц.
Абсолютная погрешность для входных сигналов от термопреобразователей сопротивления вычисляется по формуле (3.3).
ДА = Ax-Ao, (3.3)
где Ах - показания поверяемого прибора, °C;
Ао - задаваемое значение параметра, °C.
Величина 5А (ДА) не должна превышать значений, указанных в паспорте прибора. При превышении величиной 5А (ДА) допустимого значения, прибор подлежит калибровке (см. п. 3.5) или ремонту.
-
3.4.7.2 Поверка входных и выходных каналов
-
3.4.7.2.1 Определение основной приведенной погрешности при преобразовании унифицированных входных сигналов (электрический ток)
Схема соединения эталонного средства измерений и поверяемого прибора представлена на рисунке 3.3.

Рисунок 3.3
Поверка первого канала производится при значениях входного сигнала: (0,025-0,1) ■ In; (0,2-0,3) ■ In; (0,4-0,6) • In; (0,7-0,8) ■ In; (0,9- 1,0) • In, где In - разность верхней и нижней границ диапазона измерений тока, мА.
В остальных каналах поверка может производиться только при значении входного сигнала (0.9 - 1.0) • In ввиду наличия на входе прибора интегрального мультиплексора.
Вычисление погрешности производится по формуле 3.1.
-
3.4.7.2.2 Определение основной приведенной погрешности при преобразовании унифицированных входных сигналов (электрическое напряжение)
Схема соединения эталонных средств измерений и поверяемого прибора представлена на рисунке 3.4.

Рисунок 3.4
Поверка первого канала производится при значениях входного сигнала: (0,025-0,1) ■ Un; (0,2 - 0,3) ■ Un; (0,4 - 0,6) ■ Un; (0,7-0,8) ■ Un; (0,9-1,0) ■ Un, где Un - верхняя граница диапазона измерений напряжения, В
В остальных каналах поверка может производиться только при значении входного сигнала (0.9 - 1.0) ■ Un ввиду наличия на входе прибора интегрального мультиплексора.
Вычисление погрешности производится по формуле 3.1.
-
3.4.7.2.3 Определение основной относительной погрешности при преобразовании число-импульсных (частотных) входных сигналов
Схема соединения эталонного средства измерения и поверяемого прибора представлена на рисунке 3.5.

Рисунок 3.5
Поверка каналов производится при значениях входного сигнала равного верхнему пределу измерений Fn.
Вычисление погрешности производится по формуле 3.2.
-
3.4.7.2.4 Определение основной абсолютной погрешности при преобразовании входных сигналов от термопреобразователей сопротивления
Схема соединения эталонного средства измерения и поверяемого прибора представлена на рисунке 3.6.

Рисунок 3.6
Поверка каналов производится при значениях входного сигнала:
(0,025-0,1) ■ Rn; (0,2 - 0,3) ■ Rn; (0,4 - 0,6) • Rn; (0,7-0,8) ■ Rn; (0,9- 1,0) • Rn, где Rn - разность между верхней и нижней границами диапазона измерений, Ом.
Вычисление погрешности производится по формуле 3.3.
-
3.4.7.2.5 Определение приведенной погрешности выходных каналов (4 - 20) мА
Схема соединения эталонных средств измерений и поверяемого прибора представлена на рисунке 3.7.

Рисунок 3.7
Поверка каналов производится при значениях выходного сигнала:
(0,025-0,1) • In; (0,2-0,3) • In; (0,4-0,6) ■ In; (0,7 - 0,8) • In; (0,9- 1,0) ■ In, где In - разность верхней и нижней границ диапазона изменения тока, мА.
Вычисление погрешности производится по формуле 3.4.
5А = (Ах - Ао)/Ап-100 , (3.4)
где Ах - показания поверяемого прибора, мА;
Ао - измеренное значение выходного тока, мА;
Ап - разность верхней и нижней границ диапазона значений выходного тока, мА.
-
3.4.7.3 Определение основной погрешности при использовании приборов в составе измерительных комплексов
-
3.4.7.3.1 Поверка приборов, используемых в составе измерительных комплексов (далее - комплексная поверка), производится в соответствии со схемой поверки, приведенной в паспорте прибора.
-
3.4.7.3.2 Комплексная поверка производится при участии всех измерительных каналов, задействованных в определении конечных измеряемых физических величин, значения которых вычисляются по заданному в приборе алгоритму.
-
3.4.7.3.3 Поверка параметров мгновенных значений, рассчитываемых по данным двух и более датчиков, производится при всех комбинациях значений Axi, лежащих в диапазонах (0,1 - 0,3) ■ Ani; (0,5 - 0,7) ■ Ani; (0,9 - 1,0) ■ Ani (где Ani -верхний предел диапазона измерений в i-том канале) при условии, что исходное агрегатное состояние вещества при заданных параметрах возможно. Диапазоны значений для комплексной поверки могут быть сужены с учетом условий на реальном объекте.
-
3.4.7.3.4 При измерении массового расхода по перепаду давления с помощью сужающих устройств поверка производится для 3 значений расхода (0,3; 0,5; 1,0) • Ani
-
3.4.7.3.5 Для расходомеров с числоимпульсным выходом поверка производится для максимального значения расхода, приведенного в технической документации на расходомер.
-
3.4.7.3.6 В теплосчетчиках для водяных систем производится поверка при разностях температур в подающем и обратном трубопроводах 10; 20; 50 °C в рабочем диапазоне температур.
-
3.4.7.3.7 Поверка интегральных значений параметров производится:
-
- для расходомеров с аналоговым выходом на интервале времени не менее значения, вычисляемого по формуле (3.5), с.
Т = dY • 100- 3600 / (Xmax • SXmax) (3.5)
где dY - величина младшего разряда индикатора в поверяемом канале, ед.;
Xmax - максимальное значение измеряемого параметра, ед./ч;
5Х max - допускаемая основная относительная погрешность измерительного канала, %.
-
- для расходомеров с число-импульсным выходом на количестве импульсов N не менее (3.6).
N = dY • 100 / (Кр - SXmax), (3.6)
где Кр - коэффициент расхода, ед./имп;
в одной точке при частоте следования импульсов (0,8 - 1,0) • Fmax.
Fmax = Qmax / (3600 • Оои), (3.7)
где Qmax - верхний предел расхода, м3/ч;
Оои - коэффициент расхода, м3/имп.
-
3.4.7.3.8 Погрешность 5Х вычисляется по формулам 3.1 - 3.3 и не должна превышать значений, приведенных в п. 1.2.2.1; 1.2.2.2 и в приложении В.1 - В.7 для конкретных модификаций прибора.
-
3.4.7.3.9 Эталонные значения измеряемых величин вычисляются по формулам, приведенным в приложениях В.1 - В.7 для выбранного функционального назначения прибора.
Значения плотности и энтальпии воды определяются по таблицам ГСССД 187-99
Значения плотности и энтальпии водяного пара определяются по МИ 2451-98.
Значения коэффициента сжимаемости газа определяются по ГОСТ 30319.2-96 и ГОСТ 30319.(1-3)-2015.
Значения коэффициента сжимаемости попутного нефтяного газа определяются по ГСССД МР 113-03.
При измерении расхода методом переменного перепада расчет эталонных значений производится по ГОСТ 8.586.(1-5)-2005.
-
3.4.7.3.10 Допускается при первичной и периодических поверках поверять только каналы, задействованные потребителем, в пределах заданных потребителем значений входных сигналов. Перечень поверенных каналов с указанием пределов значений входных сигналов заносится в соответствующий раздел паспорта прибора.
3.4.8 Оформление результатов поверки
-
3.4.8.1 Результаты поверки оформляются протоколом произвольной формы.
-
3.4.8.2 Прибор, удовлетворяющий требованиям настоящей методики, допускается к применению.
-
3.4.8.3 При положительных результатах первичной или периодической поверки прибора сведения о поверке заносятся в соответствующий раздел паспорта прибора или оформляется свидетельство о поверке по форме, указанной в действующих нормативных документах в области обеспечения единства измерений РФ. На корпус прибора наносится знак поверки.
-
3.4.8.4 Приборы, не прошедшие поверку, бракуют и не допускают к выпуску из производства, ремонта, а находящиеся в эксплуатации - к применению. При этом выдается извещение о непригодности по форме, указанной в действующих нормативных документах в области обеспечения единства измерений РФ.
3.5 КАЛИБРОВКА
Калибровке подлежат токовые каналы и каналы термосопротивлений RT1 и RT2.
Калибровка производится при выпуске прибора из производства и, если возникает необходимость, при очередной поверке. Калибровочные коэффициенты заносятся в паспорт прибора.
-
3.5.1 Калибровка токовых каналов.
-
- собрать схему по п. 3.4.7.2.1 и установить входной ток 20(5)мА; считать показания прибора Axi (среднее из 10 измерений);
-
- вычислить калибровочный коэффициент Ki = Ani I Axi , занести в электронный паспорт и загрузить исправленный электронный паспорт в прибор.
Ani - верхний предел диапазона измерений в i-том канале.
-
3.5.2 Калибровка каналов термосопротивлений.
-
- собрать схему по п. 3.4.7.2.4 и установить сопротивления Rni, соответствующие максимальной температуре, измеряемой в канале;
-
- считать показания прибора Txi и по таблицам найти величину сопротивлений Rxi, соответствующих измеренным температурам;
-
- вычислить калибровочный коэффициент Ki = Rni / Rxi, занести в электронный паспорт и загрузить исправленный электронный паспорт в прибор.
-
4.1 Приборы должны храниться на стеллажах в упакованном виде в сухом отапливаемом помещении при температуре окружающего воздуха от 5 до 40 °C и относительной влажности до 80%. Воздух не должен содержать примесей агрессивных паров и газов.
-
5.1 Приборы в упаковке транспортируются любым видом закрытого транспорта, в том числе и воздушным транспортом в отапливаемых герметизированных отсеках в соответствии с правилами перевозки грузов, действующими на каждом виде транспорта.
Способ укладки ящиков на транспортное средство должен исключать возможность их перемещения.
Во время погрузочно-разгрузочных работ и транспортирования ящики не должны подвергаться резким ударам и воздействию атмосферных осадков.
При транспортировании приборов ж.д. транспортом вид отправки - мелкая или малотоннажная.
Срок пребывания приборов в соответствующих условиях транспортирования не более 3 мес.
Условия транспортирования в части воздействия климатических факторов должны соответствовать условиям хранения по ГОСТ Р 52931-2008.
-
5.2 После транспортирования при отрицательных температурах необходима выдержка приборов в упаковке не менее 12 часов при температуре плюс (20 ± 5) °C и влажности окружающего воздуха до 80 %.
Утилизация приборов производится по инструкции эксплуатирующей организации.
Приложение А (обязательное) Схемы распайки интерфейсных разъемов и подключения в сеть RS485
А.1 Распайка интерфейсных разъемов
RS232 ВИЛКА РС4БТВ (мод."ЩМ")
N |
Назначение |
1 |
nepe«n.RS232<>RS485 |
2 |
Общий |
3 |
Выход |
4 |
Вход |
Вилка разъема РС4.
Вид с внешней стороны корпуса прибора.

На кабельной части разъема соединить контакты 1 и 2.
Когда подключен кабель RS232, вход приемника последовательного канала от канала RS485 автоматически отключается.
RS485 РОЗЕТКА MDN-4FR (мод."Н" и "ЩМ")
N |
Назначение |
1 |
Вход/выход - |
2 |
Вход/выход + |
3 |
Общий |
4 |
+ 5 В |
Розетка разъема MDN-4FR.
Вид с внешней стороны корпуса прибора.

RS232 ВИЛКА DB-9M (мод. "Н" и "DIN")
N |
Назначение |
5 |
Общий |
3 |
Выход |
2 |
Вход |
КАБЕЛЬ 23.00.910 HM2300(RS232) - ПЭВМ IBM(RS232) (мод. "ЩМ")
ПЭВМ COM(RS232) RS232 РОЗЕТКА РС4БТВ
РОЗЕТКА DB-9F
Назначение |
N |
N |
Назначение | |
Общий |
5 |
1 |
nepexn.RS232<->RS485 | |
1 |
2 |
Общий | ||
Вход |
2 |
3 |
Выход | |
Выход |
3 |
4 |
Вход | |
6 | ||||
7 | ||||
8 |
ШНУР-КОНВЕРТОР 23.16.50 HM2300(RS485) - ПЭВМ IBM(RS232) (мод."Н")
ПЭВМ COM(RS232)
РОЗЕТКА DB-9F
RS485 ВИЛКА MDN-4M

Контроллер 1
Вилка MDN-4M
130 СИ
RS485 Розетка MDN-4FR {
ИМ2300
Назначение |
N |
Вход/выход - |
1 |
Вход/выход + |
2 |
Общий |
3 |

Контроллер N
Вилка MDN-4M
RS485 Розетка MDN-4FR J
ИМ2300 |
Назначение |
N | |
Вход/выход - |
1 | ||
Вход/выход + |
2 | ||
Общий |
3 |

COM(RS232)
Назначение |
N | |
ПЭВМ |
Выход |
2 |
IBM PC |
Вход |
3 |
RTS |
7 | |
Общий |
5 |
Вилка DB-9F

Конвертор
RS232 <-> RS485
В |
В |
X |
Ы |
о |
X О |
Д |
О |
ы |
д |

t Розетка DB-9F
130 Ом
Рекомендуется использовать конверторы RS232-RS485 ИМ2316.70,
ИМ2316.71 или USB-RS485 ИМ2316.70.
Линия связи контроллеров с ПЭВМ должна быть защищена от накопления статического электричества. В случае наружной проводки необходимо обеспечить

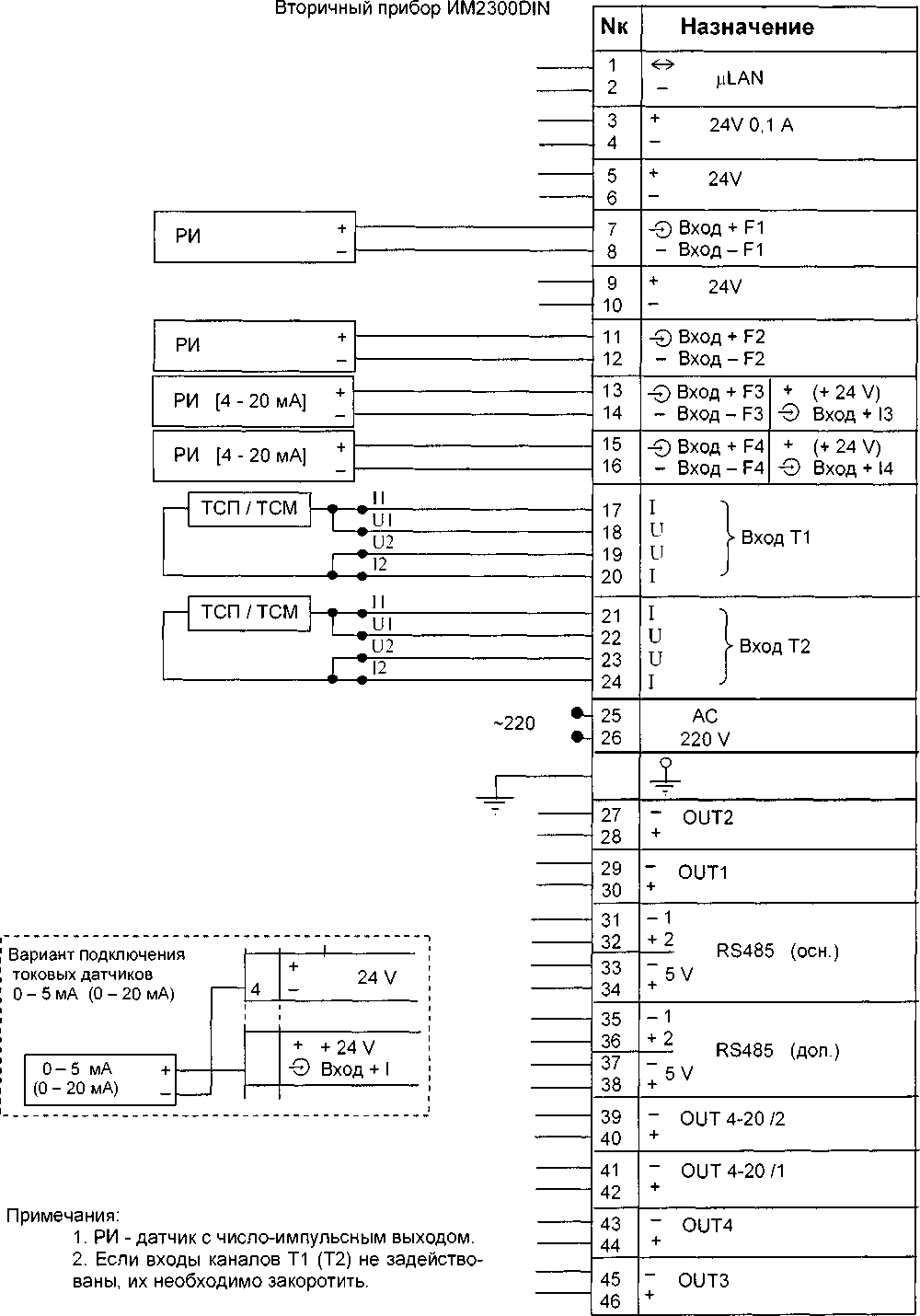
Приложение Б (обязательное) Схемы подключения первичных преобразователей
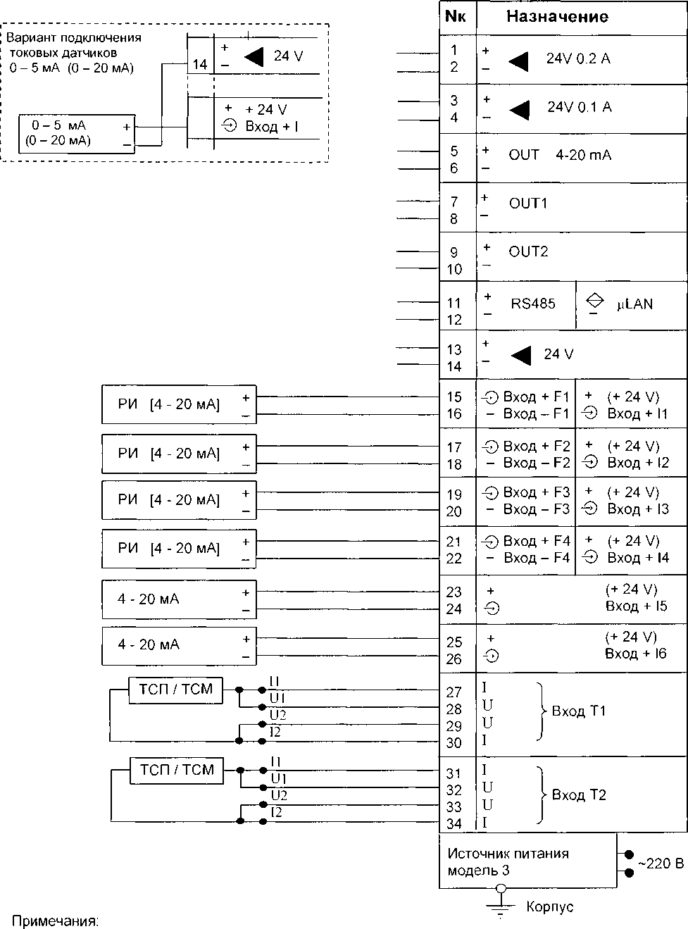
Б.1 Схема подключения первичных преобразователей к прибору ИМ2300Н1
Вторичный прибор ИМ2300Н1

-
1. РИ - датчик с число-импульсным выходом.
-
2. Если входы каналов Т1 (Т2) не задействованы, их необходимо закоротить.
-
3. В приборе с источником питания модели 2 выходы 24V 0,2 А и 24V 0,1 А отсутствуют.
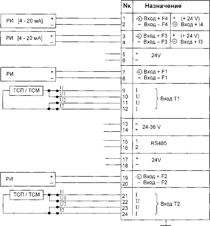
Вторичный прибор ИМ2300ЩМ
РИ [4-20 мА] +
РИ [4 - 20 мА] +
РИ [4 - 20 мА] +
РИ [4-20 мА] +
4 - 20 мА
4 - 20 мА
4 - 20 мА
4 - 20 мА
I— ТСП/ТСМ
ТСП/тем
--1-
13 GND
Вариант подключения токовых датчиков 0 - 5 мА (0-20 мА)
0 - 5 мА |
+ |
(0 - 20 мА) |
- |
+ +24V
•0 Вход + I
Примечания:
-
1. РИ - датчик с число-импульсным выходом.
-
2. Если входы каналов RT1 (RT2) не задействованы, их необходимо закоротить.
-
3. Наличие входов и выходов проверяется по конфигурации, отображаемой на дисплее прибора.
-
4. В приборе с источником питания модели 2 выходы 24V 0,2 А и 24V 0,1 А отсутствуют.
Nk |
Назначение |
Nk | |
24V 0.2 А |
+ | ||
24V0.1A |
+ | ||
13 |
GND | ||
25 12 |
Вход + F1 Вход - F1 |
+ 24 V Вход 0 11 | |
24 11 |
Вход + F2 Вход - F2 |
+ 24 V Вход0 12 | |
23 10 |
Вход + F3 Вход - F3 |
+ 24 V Вход 0 I3 | |
22 9 |
Вход + F4 Вход - F4 |
+ 24 V Вход 0 I4 | |
21 8 |
+ 24V Вход -0 I5 | ||
20 7 |
+ 24V Вход 0 I6 | ||
19 6 |
+ 24V Вход0 I7 | ||
18 5 |
+ 24V Вход 0 I8 | ||
17 4 16 3 |
п U гВход Т1 I | ||
15 2 14 1 |
U f Вход Т2 I J...... .. | ||
OUT 1 + OUT 1 - |
1 6 | ||
OUT 2 + OUT 2 - |
2 7 | ||
OUT3 + OUT3 - |
3 8 | ||
OUT 4 + pLAN / OUT 4 - |
4 9 | ||
OUT + 4-20 / 1 - |
11 12 | ||
OUT + 4-20 / 2 - |
13 14 | ||
RS485 + RS485 - |
10 15 | ||
pLAN |
5 |
Источник питания
модель 3

-^=t- Корпус
Вторичный прибор ИМ2300Н1

Примечания:
-
1. РИ - датчик с число-импульсным выходом.
-
2. Если входы каналов Т1 (Т2, ТЗ, Т4) не задействованы, их необходимо закоротить.
-
3. В приборе с источником питания модели 2 выходы 24V 0,2 А и 24V 0,1 А отсутствуют

Примечания:
1. РИ - датчик с число-импульсным выходом.

1 РИ - датчик с число-импульсным выходом.
Примечания:
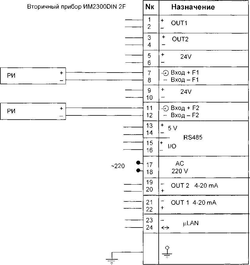
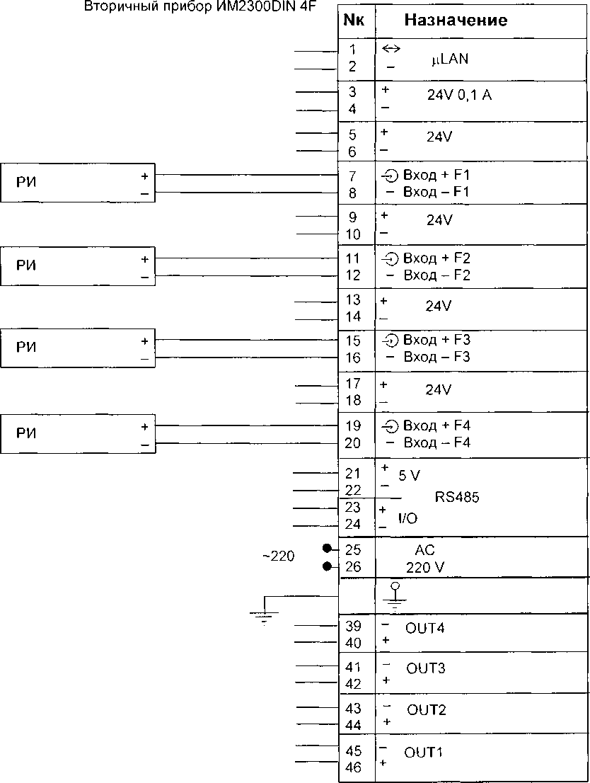
Б.7 Схема подключения первичных преобразователей к внешнему измерительному блоку ИМ2300ВМ
Вторичный прибор ИМ2300ВМ

Примечания:
ТРИ - датчик с число-импульсным выходом.
2. Если входы каналов Т1 (Т2) не задействованы, их необходимо закоротить.

Вторичный прибор ИМ2300ИРР-11
Nk |
Назначение |
Сеть 220 В | |
1 2 3 |
1 Реле | |
7 |
Х Вход И + |
8
11 |
+ 3 V RS485 + I/O |

-220

Вторичный прибор I4M23OOI4PP-1F
Nk |
Назначение | |
Сеть 220 В | ||
1 2 |
+ |
OUT |
3 |
uLAN | |
4 | ||
5 |
+ ◄ |
24V |
6 | ||
7 |
F1 | |
8 |
— | |
9 |
+ 3V | |
10 |
— |
RS485 |
11 | ||
+ I/O | ||
12 | ||
Входы
+24 В
+ Fn/+24 В In
- Fn/ 0)

50 Ом Rh
I
I
I
: +10 ±1 В
Вход “F” I
Вход “I”
+24 В In
0 In
1 |
от |
•---- |





4,5 ± 2 мА

250 Ом
120 Ом
50 Ом
Rh
ОТ - ограничитель тока
Х7

Выходы

OUTn +
OUTn-

24 В (max 30 В)

Б.10 Схемы питания расходомеров
Схемы питания расходомеров ПРИМ, Метран-ЗООПР, ЭРИС, ДРЖИ, ДРГ и др.

Схемы питания расходомеров ВЭПС

Примечание: Прибор ИМ2300 используется с расходомерами ПРИМ, ВЭПС, ДРЖИ, ДРГ, МЕТРАН, ЭРИС, а также любыми другими расходомерами, имеющими выходы, согласующиеся со входами прибора ИМ2300.
Приложение В (обязательное) Варианты функционального исполнения
Перечень условных обозначений
Qo - объемный расход, м3/ч
Оои - коэффициент расхода, л/имп (г/имп, вт-час/имп - в зависимости от типа датчика) Go - объем теплоносителя, м3
Qm - массовый расход, кг/ч (т/ч)
Gm - масса теплоносителя, кг (т)
Wt - тепловая мощность, Гкал/ч
Qt - количество тепловой энергии, Гкал
Qn - объемный расход газа при стандартных условиях, м3/ч
Gn - объем газа при стандартных условиях, м3
Qp - объемный расход газа при рабочих условиях, м3/ч
Gp - объем газа при рабочих условиях, м3
alfa - постоянная расхода для диафрагмы d20 - диаметр сужающего отверстия при t=20 °C, мм
D20 - диаметр трубопровода при t=20 °C, мм
d - диаметр сужающего отверстия при рабочей температуре, мм
Kt - коэффициент теплового расширения диафрагмы
Е - коэффициент скорости входа
Cinf - коэффициент истечения при Re = бесконечность
KRe - поправка на число Рейнольдса
Кш - поправка на шероховатость поверхности трубы
Кп - поправка на притупление входной кромки отверстия
К - коэффициент сжимаемости газа
dP - перепад давления на диафрагме, кПа (кгс/м2)
Р -давление, кПа (МПа, кгс/см2)
Ри - избыточное давление, кПа (МПа, кгс/см2)
Ра - абсолютное давление, кПа (МПа, кгс/см2)
Рб - барометрическое давление, мм.рт.ст (кПа)
t - температура, °C
Т - время, ч
h - удельная энтальпия, ккал/кг
е - коэффициент расширения
р - плотность, кг/м3
рп - плотность при стандартных условиях, кг/м3
ПТ - подающий трубопровод
ОТ - обратный трубопровод
ТП - трубопровод подпитки
СУ - сужающее устройство
5Х - относительная погрешность измерения параметра "X"
ДХ - абсолютная погрешность измерения параметра "X"
5С - относительная погрешность вычислительных процедур прибора, включая вычисление плотности и энтальпии (см. п.1.2.2.1, п. 1.2.2.2)
Для расходомеров с частотным выходом
F - частота импульсов на выходе имитатора расходомера, Гц
Fmax -частота, соответствующая верхнему пределу измерения, Гц
Qmax - расход, соответствующий верхнему пределу измерения, м3/ч
N - количество импульсов на выходе имитатора расходомера
нм3 - объем газа при стандартных условиях (для индикации) нм3/ч - расход газа при стандартных условиях (для индикации) Стандартные условия по ГОСТ 2939: температура 20 °C (293,15 °К) давление 760 мм рт.ст.
В.1 Теплосчетчик с расходомерами РИ (расходомеры с число-импульсным выходом)
Датчики Входы
Расходомер РИ - подающий трубопровод
Расходомер РИ - обратный трубопровод (трубопровод подпитки)
Термометр сопротивления ТСП/ТСМ - подающий трубопровод
Термометр сопротивления ТСП/ТСМ - обратный трубопровод
Индицируемые параметры
-
1. Кол-во тепл, энергии, Гкал
-
2. Тепловая мощность, Гкал/ч
-
6. Объемный расход (обратный трубопровод (трубопровод подпитки)), м3/ч
-
8. Массовый расход (обратный трубопровод (трубопровод подпитки)), т/ч
-
10. Масса теплоносителя (обратный трубопровод (трубопровод подпитки)), т
Вычисление проводится по формулам:
Объемный расход: Qo = 3600 ■ F • Оои / 1000, м3/ ч
Массовый расход: Qm - Qo • p(t) , кг/ч
Масса: Gm - Оои • N ■ p(t), кг
Тепловая мощность: Wt = Qm1 • (h(t1) — h(t2)) ■ 10'6, Гкал/ч (ПТ)
Wt = Qm2 ■ (h(t1) - h(t2)) • 10’6, Гкал/ч (ОТ)
Wt= (Qm1 • (h(t1) - h(t2)) + Qm2 ■ (h(t2) - h(txe))) ■ 10‘6, Гкал/ч (ПТ, ТП)
Wt = (Qm1 ■ (h(t1) - h(tXB)) - Qm2 • (h(t2) - h(txe))) • 10'6, Гкал/ч (ПТ, ОТ)
Кол-во теплоты: Qt = Gm1 ■ (h(t1) - h(t2)) • 10’6, Гкал (ПТ)
Qt = Gm2 • (h(t1) - h(t2)) ■ 10'6, Гкал (ОТ)
Qt = (Gm1 ■ (h(t1) - h(t2)) + Gm2 ■ (h(t2) - h(txe))) • 10'6, Гкал (ПТ, ТП)
Qt = (Gm1 ■ (h(t1) - h(tXB)) - Gm2 ■ (h(t2) - h(txe))) ■ 10'6 Гкал (ПТ, ОТ)
Давление:
Р = (I - Imin) ■ Ртах / (Imax- Imin), МПа
Допустимая погрешность: |
для каналов t, Р, Qo, Qm, Gm, Qt согласно п.1.2.2.1; 1.2.2.2 для канала Wt SWt = 25Qt |
Примечания:
-
1. Температура холодной воды записывается в виде константы, или измеряется дополнительным датчиком температуры типа ТОМУ / ТОПУ, подключаемого ко входу I5.
В.2 Теплосчетчик с расходомерами по перепаду давления на СУ
Датчики
Дифф, датчик давления - подающий трубопровод
Дифф, датчик давления - обратный трубопровод (трубопровод подпитки)
Термометр сопротивления ТСП/ТСМ - подающий трубопровод
Термометр сопротивления ТСП/ТСМ - обратный трубопровод
Датчик давления 1
Датчик давления 2
Индицируемые параметры
-
1. Кол-во тепл, энергии, Гкал
-
2. Тепловая мощность, Гкал/ч
-
3. Температура (подающий трубопровод), °C
-
4. Температура (обратный трубопровод), °C
-
5. Перепад давлений (подающий трубопровод), кПа
-
6. Перепад давлений (обратный трубопровод (трубопровод подпитки)), кПа
-
7. Массовый расход (подающий трубопровод), т/ч
-
8. Массовый расход (обратный трубопровод (трубопровод подпитки)), т/ч
-
9. Масса теплоносителя (подающий трубопровод), т
-
10. Масса теплоносителя (обратный трубопровод (трубопровод подпитки)), т
-
11. Давление 1, МПа
-
12. Давление 2, МПа
-
13. Время наработки, ч
-
14. Время работы узла, ч
Вычисление проводится по формулам:
Перепад давления: dP = (I - Imin) • dPmax I (Imax- Imin), кПа
Массовый расход: Qm = Qm(dP, t), кг/ч, в соответствии с алгоритмом ГОСТ 8.586.(1 Масса: Gm = Qm ■ Т, кг
Тепловая мощность: Wt = Qm1 ■ (h(t1) - h(t2)) ■ 10'6, Гкал/ч
Wt = Qm2 • (h(t 1) - h(t2)) ■ 10'6, Гкал/ч
Wt = (Qm1 ■ (h(t1) - h(t2)) + Qm2 ■ (h(t2) - h(txe))) ■ 10'6, Гкал/ч
Wt = (Qm1 • (h(t1) - h(txB)) - Qm2 ■ (h(t2) - h(txB))) • 10'6 Гкал/ч
Кол-во теплоты: Qt = Gm1 • (h( t1) - h(t2)) ■ 10'6, Г кал
Qt = Gm2 • (h(t1) - h(t2)) • 10'6, Гкал
Qt = (Gm1 • (h(t1) - h(t2)) + Gm2 • (h(t2) - h(tXB))) ■ 10'6, Гкал
Qt = (Gm1 • (h(t1)-h(txB))-Gm2 ■ (h(t2) - h(txe))) • 10’6, Гкал
Давление: P = (I - imin) ■ Pmax / (Imax- Imin), МПа
Допустимая погрешность: для каналов t, Р, dP, Gm, Qt согласно п. 1.2.2.1
для каналов Qm, Wt
8Qm = 28Gm,
SWt = 28Qt
Входы
11
12
RT1
RT2
-
13
-
14
Qt
Wt
t1
t2
dP1 dP2 (dP3)
Qm1
Qm2 (Qm3)
Gm1
Gm2 (Gm3)
P1
P2
ts1
tm1
■5)-2005
(ПТ)
(ОТ)
(ПТ, ТП)
(ПТ, ОТ)
(ПТ)
(ОТ)
(ПТ, ТП)
(ПТ, ОТ)
Примечания:
1. Температура холодной воды записывается в виде константы, или измеряется дополнительным датчиком температуры типа ТСМУ / ТСПУ, подключаемого ко входу I5.
В.З Теплосчетчик для пара с измерением расхода пара по перепаду давле ния на СУ и конденсата расходомером РИ
Датчики |
Входы | |
Дифференциальный датчик давления - расход пара |
I3 | |
Датчик давления |
I4 | |
Расходомер РИ - расход конденсата |
F1 | |
Термометр сопротивления ТСП/ТСМ - пар |
RT1 | |
Термометр сопротивления ТСП/ТСМ - конденсат |
RT2 | |
Индицируемые параметры | ||
1. Кол-во тепл, энергии, Гкал |
Qt | |
2. Тепловая мощность, Гкал/ч |
Wt | |
3. Температура (пар), °C |
t1 | |
4. Температура (конденсат), °C |
t2 | |
5. Перепад давлений (пар), кПа |
dP | |
6. Объемный расход (конденсат), м3/ч |
Qo | |
7. Массовый расход (пар), т/ч |
Qm1 | |
8. Массовый расход (конденсат), т/ч |
Qm2 | |
9. Масса теплоносителя (пар), т |
Gm1 | |
10. Масса (конденсат), т |
Gm2 | |
11. Давление (пар), МПа |
P1 | |
12. Давление, МПа |
P2 | |
13. Время наработки, ч |
ts1 | |
14. Время работы узла, ч |
tm1 |
Вычисление проводится по формулам:
Перепад давления: |
dP = (I - Imin) • dPmax / (Imax- Imin), кПа |
(nap) |
Давление избыточное: |
Ри = (I - Imin) • Ритах / (Imax- Imin), МПа |
(nap) |
Давление абсолютное: |
Pa = Ри + Рб ■ 1,333 ■ 10'4, МПа |
(nap) |
Массовый расход: |
Qm1 = Qm1(dP, t1, Pa), кг/ч, в соответствии с алгоритмом | |
ГОСТ 8.586.(1-5)-2005 |
(nap) | |
Масса: |
Gm1 = Qm1 ■ Т, кг |
(nap) |
Тепловая мощность: |
Wt1 = Qm1 • (h(t1, Ра) - h(txe)) ■ 10'6, Гкал/ч |
(nap) |
Кол-во теплоты: |
Qt1 = Gm1 • (h(t1, Pa) - h(txe)) • 10‘6, Гкал |
(nap) |
Объемный расход: |
Qo = 3600 ■ F • Qon / 1000, м3/ч |
(конденсат) |
Массовый расход: |
Qm2 = Qo ■ p(t2), кг/ч |
(конденсат) |
Масса: |
Gm2 = Qon ■ N • p(t2), кг |
(конденсат) |
Тепловая мощность: |
Wt2 = Qm2 • (h(t2) - h(txB)) ■ 10’6, Гкал/ч |
(конденсат) |
Кол-во теплоты: |
Qt2 = Gm2 ■ (h(t2) - h(txe)) ■ 10’6, Гкал |
(конденсат) |
Допустимая погрешность:
для каналов t, Р, dP, Gm, Qt согласно п.1.2.2.1
для каналов Qo, Qm (конденсат) согласно п. 1.2.2.1
для каналов Qo, Qm (пар) 8Qo = 8Qm = 28Gm,
для канала Wt (пар, конденсат)
8Wt = 28Qt
Примечания:
1. Температура холодной воды записывается в виде константы, или измеряется дополнительным датчиком температуры типа ТОМУ / ТСПУ, подключаемого ко входу I6.
-
2. Для расширения диапазона измерения возможна установка второго датчика перепада давления (ДД2), при этом переход вычислений с младшего датчика ДД1 на старший датчик ДД2 происходит автоматически по превышению верхнего предела измерения датчика ДДТ
В.4 Теплосчетчик для пара ( с учетом конденсата ) с расходомерами РИ
Датчики |
Входы | |
Расходомер РИ - расход пара |
F1 | |
Датчик давления |
13 | |
Расходомер РИ - расход конденсата |
F2 | |
Термометр сопротивления ТСП/ТСМ - пар |
RT1 | |
Термометр сопротивления ТСП/ТСМ - конденсат |
RT2 | |
Индицируемые параметры | ||
1. Кол-во тепл, энергии, Гкал |
Qt | |
2. Тепловая мощность, Гкал/ч |
Wt | |
3. Температура (пар), °C |
t1 | |
4. Температура (конденсат), °C |
t2 | |
5. Объемный расход (пар), м3/ч |
Qo1 | |
6. Объемный расход (конденсат), м3/ч |
Qo2 | |
7. Массовый расход (пар), т/ч |
Qm1 | |
8. Массовый расход (конденсат), т/ч |
Qm2 | |
9. Масса (пар), т |
Gm1 | |
10. Масса (конденсат), т |
Gm2 | |
11. Давление (пар), МПа |
P1 | |
12. Время наработки, ч |
ts 1 | |
13. Время работы узла, ч |
tm1 |
Вычисление проводится по формулам:
Давление избыточное: Ри = (I - Imin) • Ритах / (Imax- Imin), МПа Давление абсолютное: Pa = Ри + Рб ■ 1,333 ■ 10'4, МПа |
(nap) (nap) | |
Объемный расход: |
Qo1 = 3600 • F1 • Qon / 1000, м3/ч | |
Массовый расход: |
Qm1 = Qo1 • p(t1, Ра), кг/ч |
(nap) |
Масса: |
Gm1 = Qon • N ■ p(t1, Pa), кг |
(nap) |
Тепловая мощность: |
Wt1 = Qm1 • (h(t1, Pa) - h(txe)) ■ 10'6, Гкал/ч |
(nap) |
Кол-во теплоты: |
Qt1 = Gm1 ■ (h(t1, Pa) - h(txe)) • 10’6, Гкал |
(nap) |
Объемный расход: |
Qo2 = 3600 ■ F2 • Qon / 1000, м3/ч | |
Массовый расход: |
Qm2 = Qo2 • p(t2), кг/ч |
(конденсат) |
Масса: |
Gm2 = Qon • N • p(t2), кг |
(конденсат) |
Тепловая мощность: |
Wt2 = Qm2 • (h(t2) - h(txe)) • 10'6, Гкал/ч |
(конденсат) |
Кол-во теплоты: |
Qt2 = Gm2 • (h(t2) - h(txe)) • 10'6, Гкал |
(конденсат) |
Допустимая погрешность: для каналов t, Р, Qo, Qm, Gm, Qt согласно n. 1.2.2.1; 1.2.2.2 для канала Wt
SWt = 25Qt
Примечания:
1. Температура холодной воды записывается в виде константы, или измеряется дополнительным датчиком температуры типа ТСМУ / ТСПУ, подключаемого ко входу I5.
Датчики |
Входы |
Дифференциальный датчик давления - расход газа Датчик давления Термометр сопротивления ТСП/ТСМ (ТСМУ/ТСПУ) |
RT1(I5) |
Индицируемые параметры
|
Qn Gn |
3. Перепад давлений, кПа |
dP |
4. Температура, °C |
t |
5. Избыточное давление, МПа |
P |
6. Время наработки, ч |
ts1 |
7. Время работы узла, ч |
tm1 |
Вычисление проводится по формулам:
Перепад давления: dP = (I - Imin) • dPmax / (Imax - Imin), кПа
Давление избыточное: Ри = (I — Imin) • Ритах / (Imax - Imin), МПа
Давление абсолютное: Ра = Ри + Рб • 1,333 • 10'4, МПа
Расход в стандартных условиях:
Qn = Qm / рп, м3/ч, где Qm = Qm(dP, Р, t), кг/ч - массовый расход в соответствии с алгоритмом ГОСТ 8.586.(1-5)-2005
Объем в стандартных условиях: Gn = Qn • Т, м3
Допустимая погрешность: |
для каналов t, Р, dP, Gn согласно п. 1.2.2.1 для канала Qn SQn = 25Gn, |
Примечания:
1. Для расширения диапазона измерения возможна установка второго датчика перепада давления (ДД2), при этом переход вычислений с младшего датчика ДД1 на старший датчик ДД2 происходит автоматически по превышению верхнего предела измерения датчика ДДТ
Датчики
Расходомер число-импульсный - расход газа
Датчик давления
Термометр сопротивления ТСП/ТСМ (ТСМУ/ТСПУ)
Входы
F1
I3
RT1(I4)
Индицируемые параметры
1. Расход при стандартных условиях, (тыс.) м3/ч |
Qn |
2. Объем при стандартных условиях, (тыс.) м3 |
Gn |
3. Расход в рабочих условиях, м3/ч |
Qp |
4. Объем в рабочих условиях, м3 |
Gp |
5. Температура, °C |
t |
6. Избыточное давление, МПа |
P |
7. Время наработки, ч |
ts1 |
8. Время работы узла, ч |
tm1 |
Вычисление проводится по формулам:
Давление избыточное:
Давление абсолютное: Расход в рабочих условиях: Объем в рабочих условиях:
Ри = (I - Imin) • Ритах / (Imax - Imin), МПа
Ра = Ри + Рб • 1,333 • 10'4, МПа
Qp = 3600 • F • Оои / 1000, м3/ ч
Gp = Оои • N, м3
Расход в стандартных условиях:
Qn = 2893 • Qp • Ра /((273,15 + t) • К), м3/ч
Объем в стандартных условиях:
Gn = 2893 • Оои • N • Ра /((273,15 + t) • К), м3
Допустимая погрешность: для каналов t, Р, Qp, Gp, Gn согласно п. 1.2.2.1; 1.2.2.2
для канала Qn
5Qn = 25Gn,
Датчики |
Входы |
Расходомер число-импульсный - расход жидкости Термометр сопротивления ТСП/ТСМ |
F1 RT1 |
Индицируемые параметры
1. Массовый расход, т/ч |
От |
2. Масса, т |
Gm |
3. Объемный расход, м3/ч |
Qo |
4. Объем, м3 |
Go |
5. Температура, °C |
t |
6. Время наработки, ч |
ts1 |
7. Время работы узла, ч |
tm1 |
Вычисление проводится по формулам:
Объемный расход: |
Qo = 3600 • F • Оои / 1000, м3/ ч |
Объем: |
Go = Оои • N, м3 |
Массовый расход: |
Qm = Qo • p(t), кг/ч |
Масса: |
Gm = Оои • N • p(t), кг |
Приложение Г (обязательное) Чтение информации из приборов Н1, ЩМ1 и DIN по протоколу MODBUS RTU
Г.1 Общие положения.
Г.1.1 Интерфейс: RS-232 и RS-485. По отдельному заказу может устанавливаться второй (дополнительный) интерфейс RS485 (см. п. 1.2.6.5 РЭ).
Г.1.2 Формат посылки: 8 бит данных, бита четности нет, 2 стоп бита. Если в приборе установлен второй (дополнительный) интерфейс RS485 и данный интерфейс используется только для сбора данных по протоколу MODBUS, в нем может быть установлен 1 стоп бит.
Г.1.3 Скорость обмена: 9600 - 57600 бод. Скорости обмена по RS-232 и RS-485, а также количество стоп бит в дополнительном RS485, задаются при конфигурации прибора с помощью программы lmAddress_a.exe или вручную в пункте меню Параметры -> Скорость (бит/с) прибора.
Г.1.4 Формат запроса и ответа при чтении параметров прибора или текущих показаний: Запрос:
Адрес |
Функция |
Начальный регистр |
Кол-во регистров |
К.С. | |||
ст.байт |
мл.байт |
ст.байт |
мл.байт |
ст.байт |
мл.байт | ||
0x03 (0x04) |
Ответ на запрос:
Адрес |
Функция |
Кол-во байт данных |
Данные |
К.С. | |
ст.байт |
мл.байт | ||||
0x03 (0x04) |
Г.1.5 Адрес прибора задается при конфигурации прибора с помощью программы lmAdress_a.exe.
Г.1.6 Порядок следования байт при передаче 4-х байтовых целых чисел и чисел с пл.точкой задается при конфигурации прибора с помощью программы lmAddress_a.exe или вручную в пункте меню Параметры ->Конфиг.прибора. Заводская установка - старшим байтом вперед (см. табл. Г.1).
Табл. Г.1. Порядок следования байт в ответе прибора (4 варианта):
Регистр m |
Регистр т+1 | ||||
ст. байт |
мл.байт |
ст. байт |
мл.байт | ||
Варианты |
Номера байт: |
Используется в ПО: | |||
0 |
3 |
2 |
1 |
0 |
Взлет |
1 |
1 |
0 |
3 |
2 |
Automated Solutions |
2 |
0 |
1 |
2 |
3 |
ImServer |
3 |
2 |
3 |
0 |
1 |
Пример представления 4-х байтовых целых чисел и чисел с плав, точкой (байт 3 - старший, 0 -младший): ___________________________________________________
Целое 4-х байтовое число |
12045 | |
его 16-й код |
00 | 00 | 2F | 0D | |
Число в формате пл. точка |
101,25 | |
его 16-й код |
42 СА 80 |
00 |
Номера байт |
321 |
0 |
Г.2 Чтение параметров прибора (функция 03):
Доступные регистры:
Логический адрес |
Физический адрес |
Название параметра |
Тип |
Комментарии |
416400 |
0X400F |
Код задачи |
unsigned short | |
416402 |
0x4011 |
Первый символ номера прибора |
char |
'A' - ‘F’ |
416403 |
0x4012 |
Второй символ номера прибора |
char |
‘A' - Z’ |
416404 |
0x4013 |
Цифровая часть номера прибора |
unsigned short |
1 -999 |
432785 |
0x8010 |
Текущее время в сек. с 00:00:00 01.01.1970 |
unsigned long |
00:00:00 01.01.2000 23:59:59 31.12.2037 |
432791 |
0x8016 |
Текущее время в сек. с 00:00:00 01.01.2000 |
unsigned long |
00:00:00 01.01.2000 23:59:59 31.12.2037 |
Г.З Чтение текущих показаний каналов (функция 04):
Г. 3.1. Регистры всех каналов прибора (по номерам в соответствии с паспортом ИМ2300):
Лог. адрес |
Физ. адрес |
Название параметра |
Тип |
Комментарии |
349411 |
0хС102 |
Значение канала № 1 |
float |
см. паспорт ИМ2300 |
349413 |
0хС104 |
Значение канала № 2 |
float |
см. паспорт ИМ2300 |
349415 |
ОхСЮб |
Значение канала № 3 |
float |
см. паспорт ИМ2300 |
349471 |
0хС13Е |
Значение канала № 31 |
float |
см. паспорт ИМ2300 |
Номера каналов определяются по приложению к бумажному паспорту, по электронному паспорту прибора (можно посмотреть программой ImProgram) или на дисплее прибора в пункте меню Каналы. Если по запрашиваемому номеру в приборе нет канала, возвращается значение 0.
Кроме того, по протоколу MODBUS с помощью стандартных функций (3 или 4) можно читать:
-
- Коды имен каналов
-
- Коды единиц измерения каналов
-
- Регистры нештатных ситуаций
-
- Текущие показания каналов с предопределенными именами
-
- Последние записи в почасовом, посуточном и помесячном архиве
С помощью нестандартной функции 65 можно читать любые записи в архивах. Функция позволяет читать одну запись из архива в формате Взлет (каналы с предопределенными именами) и в формате ИМ2300 (все архивируемые каналы по порядку в соответствии с паспортом прибора) Строка в архивах выбирается по номеру или по времени записи. Время в возвращаемой записи можно задавать в сек. с 01.01.1970 или 01.01.2000.
Более подробно протокол обмена и регистры описаны в приложении
Описание работы ИМ2300 по MODBUS.pdf
Приложение Д (справочное) Опросные листы
Д1.1 Опросный лист для теплоэнергоконтроллеров (кроме WVI2300H1-5F2I4R)
Теплоэнергоконтроллер ИМ2300 ___________________________________
Заказчик: __________________________________________________________________
Прибор N: Назначение:__________________________________
Интервал регистрации: ________ минут
Отчетный период регистрации: __________ суток
Вычисляемыепараметры:_______________________________________
Выходныеканалы:______________________________________________
Измерительные каналы (максимум 8 каналов):
Канал |
Перв.пр. |
Сигнал |
Параметр |
Диапазон |
Р |
Комментарий |
9(R) 10(R) |
Канал:
1-8 (F,l) - токовый, потенциальный или числоимпульсный(частотный) сигнал
9-10 (R) - термометр сопротивления (4-х проводная схема подключения)
Первичные преобразователи:
TCIVI - термометр сопротивления медный
ТСП - термометр сопротивления платиновый
ДИ, ДА - датчик избыточного или абсолютного давления
ДД - дифференциальный датчик давления (приложить расчет сужающего устройства)
РИ - расходомер с числоимпульсным (частотным) выходом PT - расходомер с токовым выходом
- другие типы датчиков Сигнал: (0 - 5) мА, (0 - 20) мА, (4 - 20) мА; (0 - 5) В, (0-10) В; л/имп (Красх.)
Параметр:
T, град.С - температура
P(dP), кПа, МПа (кгс/кв.см, кге/кв.м) - давление (перепад давления)
Qo, куб.м/ч, Qm, тонн/час - объемный (массовый) расход
- другие параметры
Р: регистрация параметра: + есть, - нет (если необходимо регистрировать вычисляемые
параметры, то пометить их знаком *).
Д1.2 Опросный лист для теплоэнергоконтроллеров I/IM23OOH1-5F2I4R
Заказч и к: _____________________________________________________________________
Прибор N:
Назначение:__________________________________
Интервал регистрации: ________ минут
Отчетный период регистрации: __________ суток
Вычисляемыепараметры:_______________________________________
Выходные каналы:________________________________________________
Измерительные каналы (максимум 11 каналов):
Канал |
Перв.пр, |
Сигнал |
Параметр |
Диапазон |
Р |
Комментарий |
10 (R)
|
Канал:
1-5 (F) - числоимпульсный(частотный) сигнал
6-7 (I)- токовый сигнал
8-11 (R) - термометр сопротивления (4-х проводная схема подключения)
Первичные преобразователи:
ТСМ - термометр сопротивления медный
ТСП - термометр сопротивления платиновый
ДИ, ДА - датчик избыточного или абсолютного давления
РИ - расходомер с числоимпульсным (частотным) выходом - другие типы датчиков
Сигнал: (0- 5) мА, (0- 20) мА, (4- 20) мА; (0- 5) В, (0-10) В; л/имп (Красх.)
Параметр:
Т, град.С -температура
P(dP), кПа, МПа (кгс/кв.см, кге/кв.м) - давление (перепад давления)
Qo, куб.м/ч, Qm, тонн/час - объемный (массовый) расход
- другие параметры
Р: регистрация параметра: + есть, - нет (если необходимо регистрировать вычисляемые
параметры, то пометить их знаком *).
Лист заполнил:
Дата: