Методика поверки «ГСИ. Радиозонд малогабаритный И-2012» (МП 76-262-2012)
ФЕДЕРАЛЬНОЕ ГОСУДАРСТВЕННОЕ УНИТАРНОЕ ПРЕДПРИЯТИЕ УРАЛЬСКИЙ НАУЧНО-ИССЛЕДОВАТЕЛЬСКИЙ ИНСТИТУТ МЕТРОЛОГИИ (ФГУП «УНИИМ»)

С. В. Медведевских
ГОСУДАРСТВЕННАЯ СИСТЕМА ОБЕСПЕЧЕНИЯ ЕДИНСТВА ИЗМЕРЕНИЙ
Радиозонд малогабаритный И-2012
МЕТОДИКА ПОВЕРКИ
МП 76-262-2012
с Изменением №1
Екатеринбург
2017
Предисловие
РАЗРАБОТАНА ФГУП «Уральский научно-исследовательский институт метрологии» (ФГУП «УНИИМ»), г. Екатеринбург
Исполнители: |
А.А. Ахмеев, Е.В. Воронская (ФГУП «УНИИМ») |
Утверждена ФГУП «УНИИМ» в 2Л Ж 2017 г.
Настоящий документ не может быть полностью или частично воспроизведен, тиражирован и распространен без разрешения ФГУП «УНИИМ».
СОДЕРЖАНИЕ......................................................................................................1
ГОСУДАРСТВЕННАЯ СИСТЕМА ОБЕСПЕЧЕНИЯ ЕДИНСТВА ИЗМЕРЕНИЙ
Радиозонд малогабаритный И-2012
Методика поверки
с Изменением №1
МП 76-262-2012
Дата введения: ^.2017
-
1 ОБЛАСТЬ ПРИМЕНЕНИЯ
Настоящая методика поверки распространяется на радиозонды малогабаритные И-2012 (далее радиозонды), производимые ООО НПФ ’’Мультиобработка" г. Каменск-Уральский. Радиозонды подлежат первичной поверке при вводе в эксплуатацию.
(Измененная редакция, Изм. № 1)
-
2 НОРМАТИВНЫЕ ССЫЛКИ
В настоящей методике использованы ссылки на следующие документы:
ГОСТ 12.3.019-80 ССБТ. Испытания и измерения электрические. Общие требования безопасности.
Приказ Минпромторга России от 02.07.2015 N 1815 "Об утверждении Порядка проведения поверки средств измерений, требования к знаку поверки и содержанию свидетельства о поверке". (Измененная редакция, Изм, Ns 1)
-
3 УСЛОВНЫЕ ОБОЗНАЧЕНИЯ
В настоящей методике приняты следующие условные обозначения:
Топ - период следования импульсов в опорном канале;
Т© - период следования импульсов на выходе измерительного преобразователя канала измерения температуры;
Тц - период следования импульсов на выходе измерительного преобразователя канала измерения относительной влажности;
У©~ Y-параметр по каналу температуры;
Yu - Y-параметр по каналу влажности;
0Р' - расчетное значение температуры, определяемое с помощью радиозонда;
U'p - расчетное значение относительной влажности, определяемое с помощью радиозонда;
Roi, R02 - характеристические сопротивления (кОм, кОм соответственно), приведены в этикетке на радиозонд;
А, В, С - константы датчика температуры (Ом, К, К соответственно), приведены в этикетке на радиозонд;
К, N, М - коэффициенты канала влажности (%, %/кОм, %/кОм соответственно), приведены в этикетке на радиозонд;
Оф - фактическая температура;
Уф - фактическая влажность.
-
4 ОПЕРАЦИИ ПОВЕРКИ
-
4.1 При проведении поверки должны выполняться операции, приведенные в таблице 1. При получении отрицательного результата по той или иной операции поверку прекращают. Радиозонд бракуют.
-
Таблица 1
Наименование операции |
Пункт методики |
1 |
2 |
Внешний осмотр, проверка комплектности |
9.1 |
Опробование |
9.2 |
Проверка диапазона и абсолютной погрешности измерения температуры |
9.3.1 |
Проверка диапазона и абсолютной погрешности измерения относительной влажности воздуха |
9.3.2 |
(Измененная редакция, Изм. № I)
4.2 Допускается проводить выборочную поверку из партии радиозондов, в соответствии с Приложением Б.
(Измененная редакция, Изм. № 1)
-
5 СРЕДСТВА ПОВЕРКИ
При проведении поверки рекомендуется применять эталоны, указанные в таблице 2. Таблица 2
Пункты методики |
Наименование средств поверки |
Тип средства поверки, обозначение НТД на него и/или метрологические характеристики |
9.3.1 |
камера тепла и холода |
Камера тепла и холода МС-81, диапазон температур от минус 89,5 до плюс 180 °C, неравномерность распределения температуры не более 0,2 °C |
9.3.1 |
измеритель температуры |
Рабочий эталон 3-го разряда по ГОСТ 8.558-2009, диапазон измерения температуры от минус 90 до 50 °C, абсолютная погрешность не более ±0,1 °C (Измеритель температуры двухканальный прецизионный МИТ 2.05М, в комплекте с термометром сопротивления платиновым вибропрочным модификация: ПТСВ-2-3) |
9.3.2 |
климатическая камера |
Климатическая камера КТК-0,8, диапазон относительной влажности воздуха от 9,5 до 99 %, неравномерность распределения влажности не более 5 % |
9.3.2 |
измеритель относительной влажности |
Рабочий эталон 2-го разряда по ГОСТ 8.547-2009, диапазон измерения относительной влажности от 10 % до 99 %, абсолютная погрешность не более ± 3 % (Термогигрометр электронный Center 311) |
|
цифровой осциллограф |
О WON HDS1022M с полосой пропускания 20 МГц, коэффициент развертки по горизонтали (5 нс-5 с)/дел, погрешность измерения интервала времени: ± (время выборки + 10"4- измеренное значение + 0,6 нс) |
(Измененная редакция, Изм. № 1)
Допускается применение эталонных СИ, отличных от приведенных в таблице 2, при условии обеспечения необходимой точности измерений.
-
6 ТРЕБОВАНИЯ К КВАЛИФИКАЦИИ ПОВЕРИТЕЛЕЙ
К проведению поверки допускают лиц, работающих в организации, аккредитованной на право поверки средств измерений температуры, физико-химических величин, изучивших настоящую методику, эксплуатационные документы на радиозонды, имеющих стаж работы в качестве поверителей средств измерений не менее одного года.
(Измененная редакция, Изм. Ла 1)
-
7 ТРЕБОВАНИЯ БЕЗОПАСНОСТИ
При поверке радиозонда соблюдают требования электробезопасности по ГОСТ 12.3.019-80 и руководствуются Правилами по охране труда при эксплуатации электроустановок, утвержденными Приказом Министерства труда и социальной защиты РФ от 24 июля 2013 г. № 328н.
(Измененная редакция, Изм. № 1)
-
8 УСЛОВИЯ ПРОВЕДЕНИЯ ПОВЕРКИ И ПОДГОТОВКА К НЕЙ
-
8.1 При проведении поверки должны быть соблюдены, за исключением особо оговариваемых.
-
следующие условия:
-
• температура окружающей среды.......................................................(25 ± 10) °C;
-
• относительная влажность воздуха.....................................................(45 - 80) %;
-
• атмосферное давление........................................................................(84-107) кПа;
-
• номинальное напряжение питания радиоблока........................4,5 В.
-
8.2 Условия применения вспомогательных средств измерений, вспомогательных устройств и поверочных приспособлений должны соответствовать НТД на них
-
8.3 Радиозонд перед поверкой должен находиться в климатических условиях, указанных в 8.1, не менее 2 ч.
-
9 ПРОВЕДЕНИЕ ПОВЕРКИ
-
9.1 Внешний осмотр, определение комплектности
-
9.1.1 Представленный на поверку радиозонд должен быть полностью укомплектован.
-
9.1.2 Извлечь радиозонд из упаковочной тары, проверить его комплектность на соответствие руководству по эксплуатации, включая эксплуатационные документы.
-
9.1.3 Визуальным осмотром проверить наличие и четкость маркировочных надписей, убедиться в отсутствии внешних механических повреждений корпуса радиозонда.
-
9.1.4 Радиозонд не должен иметь ни одной из перечисленных ниже неисправностей:
-
-
-
- неудовлетворительные контакты и крепление разъемов и гнезд;
-
- повреждение изоляции внешних токоведущих частей;
-
- грубые механические повреждения наружных частей.
-
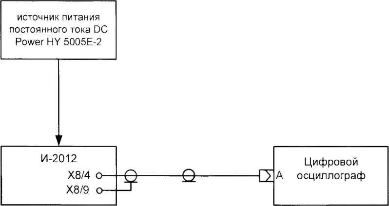
9.2 Опробование
При опробовании радиозонда проверяют его исправность и работоспособность, исправность и надежность крепления разъемов и гнезд.
Подключить к радиозонду И-2012 внешние устройства в соответствии со схемой представленной на Рисунке 1.
Подать на радиозонд питание от источника 4,5 В.
Убедиться что выводимая на осциллограф информация соответствует 3.1.1, 3.1.4, 3.1.5, 3.1.7, 3.1.8 РЭ.

Рисунок 1 - Структурная схема подключения радиозонда к внешним устройствам
-
9.3 Проверка диапазонов измерений и определение погрешностей
-
9.3.1 Проверка абсолютной погрешности измерения температуры.
-
9.3.1.1 Радиозонд со вставленной в паз в корпусе платой датчиков установить в климатическую камеру. Поочередно задать температуру: 50 °C, 0 °C, минус 10 °C, минус 89 °C. При каждом значении температуры измерять Топ и Т© цифровым осциллографом. Установленное фактическое значение температуры Оф контролируется рабочим эталоном 3-го разряда по ГОСТ 8.558-2009.
-
-
(Измененная редакция, Изм. № 1)
-
9.3.1.2 По измеренным значениям Топ и Т© вычислить Y© по формуле
10
-
9.3.1.3 По вычисленному значению Y© определить значение температуры (°C) по формуле
В

А
Абсолютную погрешность тракта измерения температуры радиозонда (°C) определить по формуле
-
9.3.1.4 Результата вычислений занести в таблицу пункта 3.1 протокола (Приложение А).
-
9.3.2 Проверка абсолютной погрешности измерения относительной влажности воздуха.
9.3.2.1 Радиозонд со вставленной в паз в корпусе платой датчиков установить в климатическую камеру. Поочередно задать относительную влажность: 10 % (15 % для модификаций с шифром El, Е2), 60%, 99 % при температуре (20 ± 5) °C. При каждом значении влажности измерить Топ и Ти цифровым осциллографом. Установленное значение относительной влажности Щ контролируется рабочим эталоном 2-го разряда по ГОСТ 8.547-2009.
(Измененная редакция, Изм. М> 1)
-
9.3.2.2 По измеренным значениям Топ и Тц вычислить Yu по формуле
Yu = ^~. (4)
1 U
-
9.3.2.3 По вычисленному значению Yu определить значение относительной влажности (%) по формуле
Up' = K + N-(RoI/Yu-Ro2) + M-(Ro1/Yu-Ro2)2. (5)
-
9.3.2.4 Абсолютную погрешность тракта измерения относительной влажности (%) радиозонда определить по формуле
ди' = и'р-иф.
(6)
-
9.3.2.5 Результаты вычислений занести в таблицу пункта 3.2 протокола (Приложение А).
-
10 ОФОРМЛЕНИЕ РЕЗУЛЬТАТОВ ПОВЕРКИ
-
10.1 Результаты поверки заносят в протокол поверки, форма которого приведена в рекомендуемом приложении А.
-
10.2 При положительных результатах поверки на корпус радиозонда наносят поверительное клеймо или оформляют свидетельство о поверке в соответствии с Приказом Минпромторга России от 02.07.2015 г. № 1815 "Об утверждении Порядка проведения поверки средств измерений, требования к знаку поверки и содержанию свидетельства о поверке".
-
(Измененная редакция, Изм. № 1)
-
10.3 В случае выборочной поверки из партии радиозондов протокол поверки и свидетельство о поверке оформляют на всю партию радиозондов, в которых указывают количество радиозондов в партии и номера радиозондов.
-
10.4 В случае отрицательных результатов поверки радиозонд признают непригодным к применению, выдают извещение о непригодности с указанием причин в соответствии с Приказом Минпромторга России от 02.07.2015 г. № 1815 "Об утверждении Порядка проведения поверки средств измерений, требования к знаку поверки и содержанию свидетельства о поверке". (Измененная редакция, Изм. № 1)
-
10.5 В случае отрицательных результатов поверки хотя бы одного радиозонда из партии всю партию бракуют, о чем делается соответствующая запись в протоколе поверки.
Разработали:
и. о. зав. лабораторией 262 ФГУП "УНИИМ"
зам. зав. лаб. 262 ФГУП "УНИИМ"

Ахмеев А. А.
Воронская Е.В.
Приложение А
(рекомендуемое)
ФОРМА ПРОТОКОЛА ПОВЕРКИ РАДИОЗОНДА МАЛОГАБАРИТНОГО И-2012
-
1_______________________________________________________________________________________________________________________________________________________________________________________________
наименование, тип, заводской номер, год выпуска, разряд поверяемого СИ
-
2 Принадлежит______________________________________________________________
наименование юридическое лица - владельца СИ
-
3 Результаты внешнего осмотра____________________________________________________
-
4 «ГСИ. Радиозонд малогабаритный И-2012. Методика поверки» МП 76-262-2012 с Изменением №1
-
5 Средства поверки_______________________________________________________________
(наименование, тип эталонных СИ и вспомогательных средств, применяемых при поверке)
-
6 Условия поверки ____________________________________________________________
РЕЗУЛЬТАТЫ ПОВЕРКИ
-
1. Внешний осмотр____________________________________________________________
-
2. Опробование__________________________________________________________________
-
3. Определение метрологических характеристик
3.1. Проверка абсолютной погрешности измерения температуры
№ радиозонда |
Оф °C |
Топ мкс |
т0 мкс |
у© |
Ор' °C |
ДО' °C |
Примечание; Предельное значение Л0' по КМТЛ.405543.001 ТУ - 0,5; 0,8; 1,0; 1,25; 1,6; 1,8 °C в зависимости от модификации радиозонда
(Измененная редакция, Изм. № 1)
3.2. Проверка абсолютной погрешности измерения относительной влажности.
№ радиозонда |
иф % |
т 1 оп мкс |
Ти мкс |
Yu |
иР' % |
ди' % |
Примечание: Предельное значение 4U' по КМТЛ.405543.001 ТУ - 10; 15 % в зависимости от модификации радиозонда.
(Измененная редакция, Изм. № 1)
-
4. Заключение: Партия радиозондов малогабаритных И-2012 №____________в количестве___шт.
пригодна (не пригодна) к применению
Выдано свидетельство о поверке № от
Срок действия свидетельства до
Поверитель ___________________
«________»_______________20 г. (Ф.И.О.)
Организация, проводившая поверку_____________________________
Приложение Б
(справочное)
ПОРЯДОК ВЫБОРА ОБРАЗЦОВ РАДИОЗОНДОВ МАЛОГАБАРИТНЫХ И-2012
Б.1 Выборка радиозондов малогабаритных И-2012 - это образцы радиозондов, выбранные случайно из числа радиозондов, включенных в партию выпущенную в один день. Партия должна быть представлена радиозондами одного исполнения и одной модификации.
Б.2 Если радиозонды одной партии, то для поверки отбираем "вслепую" радиозонды из начала партии, из середины партии и из конца партии. Если радиозонды принадлежат разным партиям, то поверяем радиозонды из начала партии, из середины и из конца для каждой партии.
Выборка радиозондов формируется в объеме 2 % от партии, но не менее 5 шт. от каждой партии.
Б.З По данным, указанным в п. Б.2, в зависимости от установленного объема партии случайным образом выбирается соответствующее число радиозондов.
Б.4 Повторное использование радиозондов, выбранных в соответствии с требованиями п. Б.2, в работах по выборочному контролю метрологических характеристик не допускается.
(Измененная редакция, Изм. № 1)
10