Методика поверки «ГСИ. Преобразователи аналого-цифровые АЦП-60, АЦП-62» (МП АДИГ.426431.027)
УТВЕРЖДАЮ
Заместитель
ФБУ

2016 г.
А.Г. Учайкин
измерений
ЦСМ»
Преобразователи аналого-цифровые АЦП-60, АЦП-62
Методика поверки
АДИГ.426431.027 МП
2016 г.
г-ГЛ О

CJ
O. c
L_J
СО
40
(N
Tj-

о
Содержание
Приложение А (справочное) Формулы расчета основной приведенной
Приложение Б (обязательное) Схема проверки модуля АЦП-60
го о с

Изм. |
Лист |
№ докум. |
Побп |
Пата |
Разраб. | ||||
Проб | ||||
Нач. сект. | ||||
Н.кантр |
Мухаметова | |||
Утб. |
- |
АДИГ.426431.027 Д1
ГосуЗорстЬенноя система беспечения ебинстба измерений преобразователи аналого-цифровой АЦП-60, АЦП-62 Методика поберки
Лит. |
Лист | |
2 |
/lucmofi
Настоящая методика поверки распространяется на преобразователи аналого-цифровые:
-
- АЦП-60;
-
- АЦП-62.
Преобразователь аналого-цифровой (далее - преобразователь) при применении в сферах, подлежащих государственному регулированию обеспечения единства измерений, подлежит первичной поверке до ввода в эксплуатацию, первичной после ремонта и периодической поверке в процессе эксплуатации.
Первичная поверка проводится на предприятии-изготовителе или, по договоренности, на предприятии-потребителе до ввода в эксплуатацию. Первичная поверка после ремонта проводится на ремонтном предприятии или, по договоренности, на предприятии-потребителе до ввода в эксплуатацию.
Интервал между поверками - 3 года.
Преобразователи предназначены для измерения выходных аналоговых датчиков в виде напряжения и силы постоянного тока, сопротивления, преобразования измеренных аналоговых сигналов в цифровой код и обмен информацией с центральным процессором.
Преобразователи применяются в составе программно-технических комплексов.
Поверка измерительных каналов проводится при значениях параметров (типы термопар и термометров сопротивлений, диапазоны измеряемых температур), соответствующих конкретному использованию модулей в составе программно-технических комплексов.
Датчики по уровню сигнала делятся на два уровня, смотри таблицу 1.
ИнЬ. № повл.I ПоЗп. и Вота I Взам. Инб. № I ИнЬ № Зубл. I ПоЗп и Вота
Таблица 1
Датчики высокого уровня «В» |
Датчики низкого уровня «Н» |
(0-20) мА (4-20) мА
(0,2-1) В (0-1) В |
(0-50) мВ ТХА-300 ТХА-600 ТХА-1200 ТХК-200 ТХК-400 ТХК-600 |
ТСМ-50 W= 1,426 | |
ТСМ-100 W= 1,426 |
ТСМ-50 W=l,428 |
ТСМ-100 W=l,428 |
ТСП-50 W=l,385 |
ТСП-100 W=l,385 |
ТСП-50 W=l,391 |
ТСП-100 W=l,391 |
ТСП-46 W-1,391 гр21 ТСМ-53 W=l,426 гр23 |
Типы входных аналоговых датчиков, работающие с преобразователями, и диапазоны их сигналов приведены в таблице 2.
Метрологические характеристики, которым должны соответствовать поверяемые каналы преобразователей, приведены в таблице 3.
АДИГ.426431.027 Д1 |
Лист | |||||
Иэм. |
Лист |
№ бокум. |
ПоЗп. |
Пото |
3 |
ИнЬ. № поЗл. I ПоЗп. и Зато I Взам. Ин& № I Инб. № Зубл. I ПоЗп. и Вата
Таблица 2 - Типы аналоговых датчиков и диапазоны измеряемых сигналов
Тип датчика |
Диапазон измерения | |
Унифицированные токовые датчики |
(4-20) мА, (0-20) мА, (0-5) мА | |
Датчики напряжения высокого уровня с линейной |
(0,2-1) В, (0-1) В, (0-250) мВ | |
Датчик напряжения низкого уровня с линейной |
(0-50) мВ | |
Термопреобразователи термоэлектрические ТХА |
(0-300)°C | |
(0-600)°C | ||
(0-1200)°C | ||
Термопреобразователи термоэлектрические ТХК |
(0-200)°C | |
(0-400)°C | ||
(0-600)иС | ||
Т ермопреобразователи сопротивления ТСП-100П |
W100=l,385 |
от минус 50 до плюс 150 °C |
(0-200)°C | ||
(0-400)°C | ||
от минус 50 до плюс 50 °C | ||
(0-100)°C | ||
W100=l,391 |
от минус 50 до плюс 150 °C | |
(0-200)°C | ||
(0-400)°C | ||
от минус 50 до плюс 50 °C | ||
(0-100) °C | ||
Термопреобразователи сопротивления ТСП-50П |
W100=l,385 |
от минус 50 до плюс 150 °C |
(0-200)°C | ||
(0-400)°C | ||
от минус 50 до плюс 50 °C | ||
(0-100)°C | ||
W100=l,391 |
от минус 50 до плюс 150 °C | |
(0-200)°C | ||
(0-400)°C | ||
от минус 50 до плюс 50 °C | ||
(0-100)°C | ||
Термопреобразователи сопротивления ТСМ-100М |
WlOO-1,426 |
от минус 50 до плюс 150 °C |
(0-200)°C | ||
от минус 50 до плюс 50 °C | ||
(0-100)°C | ||
W100=l,428 |
от минус 50 до плюс 150 °C | |
(0-200)°C | ||
от минус 50 до плюс 50 °C | ||
(0-100)°C | ||
Т ермопреобразователи сопротивления ТСМ-50М |
W100= 1,426 |
от минус 50 до плюс 150 °C |
(0-200)°C | ||
от минус 50 до плюс 50 °C | ||
(0-100)°C | ||
W100=l,428 |
от минус 50 до плюс 150 °C | |
(0-200) °C | ||
от минус 50 до плюс 50 °C | ||
(0-100)°C | ||
Термопреобразователи сопротивления ТСП- 46 Ом, гр.21 |
W100=l,391 |
от минус 50 до плюс 150 °C |
(0-200)°C | ||
(0-400)°C | ||
от минус 50 до плюс 50 °C | ||
(0-100)°C | ||
Т ермопреобразователи сопротивления ТСМ- 53 Ом, гр.23 |
W100=l,426 |
от минус 50 до плюс 150 °C |
(0-200)°C | ||
от минус 50 до плюс 50 °C | ||
(0-100)°C |
АДИГ.426431.027 Д1 |
Лист | |||||
Изм. |
Лист |
№ Зокцм |
ПоЗп. |
Дата |
4 |
Ин& № поОл I ПоЗп и Зато I Взам. Инй № I ИнЬ № Зубл I ПоЗп и Вата
Таблица 3 - Метрологические характеристики каналов аналогового ввода
Вид входного сигнала в канале |
Диапазон входного сигнала, измеряемых температур |
Тип преобразователя |
Основная приведенная погрешность 5, % |
У инфицированный сигнал постоянного тока |
(0- 20) мА, (4 - 20) мА |
АЦП-60 |
±0,15 |
(0 - 5) мА |
АЦП-60 |
±0,18 | |
Сигнал напряжения постоянного тока |
(0-1) В, (0,2-1) В |
АЦП-60 |
±0,10 |
(0 - 250) мВ |
АЦП-60 |
±0,12 | |
(0 - 50) мВ |
АЦП-60 |
±0,15 | |
Сигнал Термопреобразователя термоэлектрического ТХА |
от 0 до плюс 1200 °C |
АЦП-60 |
±0,15 |
от 0 до плюс 300 °C от 0 до плюс 600 °C |
АЦП-60 |
±0,22 | |
Сигнал Т ермопреобразователя термоэлектрического ТХК |
от 0 до плюс 600 °C |
АЦП-60 |
±0,15 |
от 0 до плюс 200 °C от 0 до плюс 400 °C |
АЦП-60 |
±0,22 | |
Сигнал термопреобразователя сопротивления ТСМ-50, ТСП-50, (ТСМ-53, ТСП-46) |
от 0 до плюс 400 °C |
АЦП-62 |
±0,15 |
от 0 до плюс 200 °C от минус 50 до плюс 150 °C |
АЦП-62 |
±0,22 | |
от минус 50 до плюс 50 °C от 0 до плюс 100 °C |
АЦП-62 |
±0,28 | |
Сигнал термопреобразователя сопротивления ТСМ-100, ТСП-100 |
от 0 до плюс 400 °C |
АЦП-62 |
±0,15 |
от 0 до плюс 200 °C от минус 50 до плюс 150 °C |
АЦП-62 |
±0,22 | |
от минус 50 до плюс 50 °C от 0 до плюс 100 QC |
АЦП-62 |
±0,28 | |
Примечания
|
Изм. |
Лист |
№ Зокум. |
ПоОп. |
Дата |
АДИГ.426431.027 Д1
Лист
таблице 4.
Таблица 4. Операции поверки.
Наименование операции |
Номер пункта документа по поверке |
Проведение операции при | |
первичной поверке |
периодической поверке | ||
Внешний осмотр |
6.1 |
+ |
+ |
Опробование: |
6.2 |
+ |
+ |
Проверка сопротивления изоляции |
6.3 |
+ |
- |
Определение метрологических характеристик |
6.4 |
+ |
+ |
Определение основной приведенной погрешности модуля АЦП-60 |
6.4.1 |
+ |
+ |
Определение основной приведенной погрешности модуля АЦП-62 |
6.4.2 |
+ |
+ |
Обработка результатов измерений |
7 |
+ |
+ |
Оформление результатов поверки |
8 |
+ |
+ |
2 Средства поверки
2.1 Для проведения поверки необходимы эталоны и вспомогательные
ИнВ. № пос1л. I ПоЗп. и Зато I Взам. ИнВ. № I ИнВ. № Зубл.I ПоЗп. о Вата
оборудования, указанные в таблице 5. Таблица 5
Номер пункта документа по поверке |
Наименование и тип (условное обозначение) основного или вспомогательного средства поверки; обозначение нормативного документа, регламентирующего технические требования, и (или) метрологические и основные технические характеристики средства поверки |
6.2.2, 6.2.3 |
Пульт проверочный универсальный ППУ-330 с комлектом кабелей |
6.2.2 |
Коммутатор аналоговых сигналов КАС-330 с комлектом кабелей |
6.2.3 |
СПК модулей АЦП «КВИНТ-5» АСИР.442261.289 РЭ |
6.2.1 |
Клеммно-модульный соединитель КМС-72.2 АДИГ.685611.055 |
6.2.1 |
Клеммно-модульный соединитель КМС-73.2 АДИГ.685611.074 |
6.2.1 |
Клеммно-модульный соединитель КМС-75 АДИГ.685611.060 |
6.2.1 |
Мегаомметр Е6-24/1 верхний предел измерения не ниже 100 МОм, номинальное напряжение постоянного тока не более 100 В, погрешность ± 10 % |
6.2.2, 6.2.3 |
Универсальный калибратор СА100 фирмы Yokogawa. Генерация:
|
6.2.2, 6.2.3 |
Персональный компьютер IBM PC с наличием СОМ-порта, Microsoft Windows ХР, Excel. |
6.2.2, 6.2.3 |
Принтер (формат бумаги А4) |
6.2.2, 6.2.3, 7.2.1 |
Секундомер СОСпр-2б-2-ОЮ, (1-60) с, погрешность ±0,4 с |
6.2.2, 6.2.3 |
Термометр комнатный. Предел измерения (0 - 60) °C погрешность ± 1 °C |
АДИГ.426431.027 Д1 |
Лист | |||||
Изм. |
Лист |
№ Зокум |
ПоЗп. |
Дата |
6 |
Инй. № пойл. I ПоЭп. и Зато I Взам. Инй. № I Инй. № Зубл.I ПоЗп. и Зато
Примечание - Допускается применение средств, отличных от указанных в таблице, обеспечивающих измерение и установку соответствующих параметров с требуемой точностью.
3 Требования безопасности-
3.1 При проведении поверки должны соблюдаться общие правила безопасности работ с электрическим оборудованием, правила безопасности, указанные в документации на используемое испытательное оборудование.
-
3.2 Поверку преобразователей должны проводить лица, подтвердившие квалификационную группу по электробезопасности не ниже II для работы с электроустановками напряжением до 1000 В.
-
4.1 При проведении операций поверки должны соблюдаться следующие условия:
-
- температура окружающего воздуха (23 ± 5) °C;
-
- относительная влажность воздуха от 45 до 80 %;
-
- атмосферное давление от 84 до 106,7 кПа (от 630 до 800 мм рт. ст.);
-
- напряжение питания переменного тока от 187 до 242 В;
-
- частота питания переменного тока (50 ± 1) Гц.
-
6.4.2 Перед началом поверки необходимо изучить настоящую методику, а также:
-
- руководство по эксплуатации АДИГ.426431.027 РЭ;
-
- руководство по эксплуатации на мультиметр;
-
- руководство по эксплуатации на калибратор.
-
6.4.3 Установить на сервисный компьютер тестовую программу «PPUmetr.exe
-
6 Проведение поверки
-
6.4.2 При проведении внешнего осмотра выполнить следующие операции:
-
- проверить отсутствие внешних механических повреждений, влияющих на точность показаний изделия;
-
- обугливаний элементов;
-
- проверить чистоту разъемов;
-
- проверить четкость маркировки.
Допускается совмещать опробование с процедурой проверки основной приведенной погрешности.
6.3 Проверка сопротивления изоляции-
6.3.1 Проверку электрического сопротивления изоляции следует проводить мегаомметром постоянного тока с напряжением не более 100 В.
-
6.3.2 К разъемам «1» и «2» проверяемого модуля АЦП-60 поочередно подключать КМС-73.2 и КМС-72.2. Для проверки АЦП-62 подключить КМС-75, в соответствии с таблицей 6.
Лист
АДИГ.426431.027 Д1
Изм.
Лист
№ Эокум.
Пойл
Дата
7
-
6.3.3 Измерения производить между соседними цепями гальванически развязанных каналов.
-
6.3.4 Мегаомметр подключать поочередно к клеммам КМС в соответствии с таблицей 6.
Таблица 6 - Цепи для измерения гальванической развязки
Модуль |
Тип КМС |
Точки подключения мегомметра |
АЦП-60 |
КМС-73.2 |
Между клеммами КМС: 2 и 4; 4 и 6; 6 и 8; 8 и 10; 10 и 12; 12 и 14; 14 и 16. |
КМС-72.2 |
Между клеммами КМС: 2 и 5; 5 и 8; 8 и 11; 11 и 14; 14 и 17; 17 и 20; 20 и 23. | |
АЦП-62 |
КМС-75 |
Между клеммами КМС: 3 и 6; 6 и 9; 9 и 12; 12 и 15; 15 и 18; 18 и 21; 21 и 24. |
-
6.3.5 Результаты проверки считаются положительными, если при каждом измерении, сопротивление изоляции составляет не менее 20 МОм.
-
6.3.6 Модуль, с сопротивлением изоляции не соответствующим указанным, признается непригодным к применению и направляется в ремонт.
ИнЬ. № поЗл. I Пойп и Зато I Взам. ИнВ. № I ИнВ. № Зубл. I ПоВп. и Вата
6.4 Определение метрологических характеристик:
4.4.1 Определение основной приведенной погрешности преобразователя АЦП-60-
6.4.1.1 Если нет отдельных требований заказчика, измерительные каналы преобразователя АЦП-60 поверяются на термопреобразователе термоэлектрическом ТХА/0-ЗООС по пяти точкам 0 %, 25 %, 50 %, 75 %, 100 %.
-
6.4.1.2 Собрать схему проверки преобразователя АЦП-60 (приложение Б).
-
6.4.1.3 Включить персональный компьютер, пульт ППУ-330 и калибратор.
-
6.4.1.4 Должны загореться светодиоды «+24», «+5» на лицевой панели пульта ППУ-330.
-
6.4.1.5 На лицевой панели модуля должен мигать светодиод «Работа».
-
6.4.1.6 Включенный модуль выдержать не менее 10 мин.
-
6.4.1.7 На персональном компьютере запустить программу «PPUmetr», наведя курсор на одноименную иконку и дважды нажав левую клавишу «мыши».
-
6.4.1.8 На экране появиться рабочее окно «PPUmetr» (рисунок 1).
-
6.4.1.9 В диалоговом окне (рисунок 1) выбрать:
-
- «Модули Р-310, Р-320, Р-380»;
-
- «Выбор СОМ порта»;
-
- «Использовать рэл. ком. или КАСЭ 380».
-
- в окне «Частота шины I2C кГц» выставить «400»;
Примечание - Если используется ручной коммутатор, «галочку» «Использовать рэл. ком. или КАСЭ 380» убрать.
Лист | ||||||
АДИГ.426431.027 Д1 | ||||||
Изм. |
Лист |
№ Вокум. |
ПоЗп |
Дата |
8 |
-
6.4.2.10 Нажать кнопку «Старт ППУ», красное поле рядом с кнопкой поменяет цвет на зеленый.
-
6.4.2.11 Нажать кнопку «Поиск УСО», при этом в поле «Каркас» отобразиться подключенный модуль «АЦП-60».
-
6.4.2.12 Нажать кнопку «Вкл. СОМ».
-
6.4.2.13 Навести курсор «мыши» на строку «АЦП-60» в поле «Каркас» и щелкнуть по ней левой клавишей «мыши».
-
6.4.2.14 На экране появиться окно «Калибровка», смотри рисунок 2.

Файл Настройки Калибровка средств Упр-е КАС Отчеты

Настройки
Параметры калибровки
Модули АЦП бх.х

Настройки интерфейсов |
Выбор типа модуля Модули Р-310, Р-320, Р380 Г" Проверка СПР Р-320 Модули Р-330 Г' Г |
Выбор СОМ порта [HtiSil у | Частота шины I2C кГц i400 _TJ Г- Использовать рэп ком. илиКАСЭ 380 Старт ППУ 1 | |
Остановить | | |
. ПодключенСА71 Вкл. СОМ |
’♦ Подключен СА100
Каркас
Место | Модуль
Кал-ть КАСЕ |
1 |
2 |
3 |
4 |
5 |
6 |
7 |
8 |
9 |
10 |
11 |
12 |
13 |
14 |
15 |
Кал-ть СА

Статус ППУ ОК
1,4ft PPUmetr
Рисунок 1 - Рабочее окно «PPUmetr»

Файл Настройки Калибровка средств Упр-е КАС Отчеты Настройки Калибровка [ Контроль |
Выбор канала
Ручной |
| Тип модуля: I |
АЦП 62.2 | |||||||
Г Автоматический |
Каналы 1 - 8 | ||||||||
Параметры калибровки |
№ канала |
1 I 2 |
3 |
4 |
5 |
6 |
7 |
8 | |
Типы |
н н |
н |
н |
н |
н |
н |
Н | ||
0 0 |
0 |
0,031 |
0,061 |
0 |
0 |
0 | |||
■66,553 -66,504 |
-66,553 |
-66,492 |
•66,553 |
■66,516 |
-66,492 |
-66,504 | |||
Команда | |||||||||
Т уст1 (сек) [30 -fj |
Каналы 9-16 |
Т уст2(сек))10 |
№ канала |
9 |
10 |
11 |
12 |
13 |
14 |
15 |
16 |
Т ост (сек) | |
Типы |
В |
в |
в |
В |
в |
В |
В |
в |
XZ |
0 |
0 |
12,103 |
15,979 |
15,112 |
6,262 |
9,686 |
22,864 | |
Запись типов) |
YX Команда |
•66,638 |
■66,553 |
-45,483 |
•38,696 |
-40,271 |
■55,664 |
-49,719 |
■26,685 |
Калибровать i
Закончить
Статус ОК
Каркас
Место Модуль
1 |
2 |
3 |
4 |
5 |
6 |
7 |
8 |
9 |
10 |
11 |
12 |
13 |
14 |
15 |
АЦП 62.2
Рисунок 2 - Рабочее окно «Калибровка»
6.4.2.15 Выбрать закладку «Контроль». На экране появится рабочее окно «Контроль» (рисунок 3).
Лист | ||||||
АДИГ.426431.027 Д1 | ||||||
Изм. |
Лист |
№ бокум. |
Пойп. |
Лата |
9 |
J1 1 | ||||||||
Файл Настройки Калиброека средств Упр-е КАС Отчеты | ||||||||
Настройки Калибровка i Контроль; | ||||||||
Режим |
Выходы | |||||||
Количество точек: ® ’ |
Место 1 Модуль АЦН |
■:<и 2 Серийный № |
Каркас | |||||
Задать распределение точек |
Каналы |
Т ил датчика |
Т преобр-я |
Задано |г |
олччено| |
Сигнал |
Место |
Модуль |
1 |
Термопары ТХА/0-300 С |
20 мс |
16А1 |
16А1 |
-0.073 |
1 | ||
1 % |
2 |
Т ермопары ТХА/0-300 С |
20 мс |
16А1 |
16А1 |
•0.037 . |
2 | |
2 % |
3 |
Т ермопары ТХА/0-300 С |
20 мс |
16А1 |
16А1 |
•0,073 |
3 | |
3 % |
4 |
Т ермопары ТХА/0-300 С |
20 мс |
16А1 |
16А1 |
•0.073 |
4 | |
5 |
Т ермопары ТХА/0-300 С |
20 мс |
16А1 |
16А1 |
•0.073 |
5 | ||
4 % |
6 |
Т ермопары ТХА/0-300 С |
20 мс |
16А1 |
16А1 |
•0.11 |
6 | |
5 % |
7 |
Термопары ТХА/0-300 С |
16А1 |
16А1 |
-0.073 -0.073 . |
7 | ||
8 |
Термопары ТХА/0-300 С |
20 мс |
16А1 |
16А1 |
8 | |||
9 |
Термопары ТХА/0-300 С |
20 мс |
16А1 |
16А1 |
•0.037 |
9 | ||
10 |
Термопары ТХА/О-ЗСЮ С |
20 мс |
16А1 |
16А1 |
-0.061 |
10 | ||
Настройки контроля |
11 |
Термопары ТХА/0-300 С |
20 мс |
16А1 |
16А1 |
-0,098 . |
11 | |
Время установления 1 (сек) 30 * Время установления 2 (сек) 10 * |
12 |
Т ермопары ТХА/0-300 С |
20 мс |
16А1 |
16А1 |
•0,073 |
12 | |
13 |
Т ермопары ТХА/0-300 С |
20 мс |
16А1 |
16А1 |
•0.037 . |
13 | ||
14 |
Т ермопары ТХА/0-300 С |
20 мс |
16А1 |
16А1 |
•0.061 . |
14 | ||
Количество измерений 1 * |
15 |
Термопары ТХА/0-300 С |
20 мс |
16А1 |
16А1 |
•0.037 |
15 | |
16 |
Термопары ТХА/0-300 С |
20 мс |
16А1 |
16А1 |
-0.061 | |||
Счетчиквремени |
Послать задание Запуск контроля |
Закончить | ||||||
Статус Контр.сумма ОК |
Рисунок 3 - Рабочее окно «Контроль»
6.4.2.16 При открытии рабочего окна «Контроль» на его фоне появится диалоговое окно (рисунок 4), необходимо сделать выбор: загрузить ранее сформированную технологическую программу или создать новую.
ИнВ. № пойл. I ПоЗп и Soma I Взам. ИнВ. № I ИнВ. № йуйл. I Пойл. и Вата

Рисунок 4 - Диалоговое окно
6.4.2.17 Для формирования задания каналу - нажать на строку отображающую канал, должно появиться диалоговое окно «Выбор типа датчика» (рисунок 5).
/1ист | ||||||
АДИ1.426431.027 Д1 | ||||||
Изм. |
Лист |
№ Йокум |
Пойл. |
Лата |
10 |


Т ип датчика
- а ........ч
+ Q Т оковые датчики
+ 1°1 Датчик низкого уровня
+ Cl Т ермопары ТХА
+ О Т ермопары ТХК
Т нп модуля
• АЦП 60,61,70,80,90
93, 94
Время преобразования (мс)
• А1 • 20 |
В1 -1 |
А2-40 |
В2-1 |
АЗ - 80 |
ВЗ-2 |
А4-160 |
В4-3 |
А5 - 320 |
В5-5 |
В6-10 |
Диапазон задания каналов
• Один Все
Выборочно
1 | 2 Г 3 | 4 | 5 | 6
Ок
7 | 8 | 9 | 10 | 11 | 12 [ 13 | 14 | 15 | 16
Ок
Ин&. № пойл I Пойп и flama I Взам. Инб. № I ИнЬ № йубл I Пойп и Зато
Отмена
Рисунок 5 - Рабочее окно «Выбор типа датчика»
6.4.2.18 Здесь необходимо выбрать:
-
- «время преобразования» по умолчанию «А1-20»;
-
- «тип датчика», смотри пункт 6.2.2.1;
-
- «Диапазон задания каналов» необходимо выбрать «Все» или «Выборочно».
Примечание - После выбора «тип датчика» определяем уровень сигнала по таблице 1. По умолчанию, джамперы Х2 установлены в каналах на соединители XI для приема сигнала низкого уровня «Н».
Для приема сигнала высокого уровня «В» - джамперы Х2 снять.
-
6.4.2.19 Нажать кнопку «ОК». Таким образом формируется технологическая программа для всего модуля.
-
6.4.2.20 После формирования технологической программы происходит возврат к рабочему окну «Контроль» (рисунок 3).
-
6.4.2.21 Нажать кнопку «Послать задание».
Необходимо убедиться, что задание дошло до модуля - значения в столбцах «Задано» и «Получено» должны совпадать.
6.4.2.22 Для автоматической проверки модуля АЦП-60 необходимо выбрать:
-
- «количество точек» по умолчанию «5»;
-
- Туст1=10 с;
Лист
АДИГ.426431.027 Д1
Изм.
Лист
№ Закуй
ПоЗп.
Пата
11
- Туст2=10 с.
Примечание -Для ручного коммутатора рекомендуется установить Туст1=18 с. Каналы переключаются вручную. Входной сигнал задается калибратором (или иным задатчиком).
Результат наблюдается в графе «Сигнал».
-
6.4.2.23 Нажать кнопку «Запуск контроля». На экране появится окно (рисунок 6).
Рисунок 6 - Окно «Ввод номера модуля»
-
6.4.2.24 В окне (рисунок 6) ввести заводской номер модуля и нажать кнопку «ОК». На экране появится диалоговое окно, смотри рисунок 7.
Рисунок 7 - Диалоговое окно «Контроль»
Инб. № пойл. I Пойл, и Зато I Взам. ИнЬ № I Ин&. № Зубл I ПоЗп и Вота
-
6.4.2.25 При проверке в нормальных климатических условиях, в диалоговом окне «Контроль» нажать кнопку «нет» (рисунок 7).
-
6.4.2.26 По окончании сбора данных выдается сообщение "Модуль обработан". Файл с номером модуля и с собранными данными сохраняется в папке «Result».
-
6.4.2.27 В рабочем окне «Контроль» (рисунок 3) в строке «Меню» выбрать «Отчеты». Появится окно «Отчеты» (рисунок 8).
Сформировать отчет
Рисунок 8 - Окно «Отчеты»
-
6.4.2.28 В окне «Отчеты» выбрать «Сформировать отчет». Появится окно «Настройки отчета» (рисунок 9).
Лист
АДИГ.426431.027 Д1
Изм.
Лист
№ Йокум.
ПоЗп.
Пота
12
-
6.4.2.29 В появившемся окне «Настройки отчета:
-
- в поле «Заводской номер» вводим номер проверяемого модуля;
-
- «Класс модуля» выбрать «Обычный»;
-
- «Тип отчета» выбрать «Обычный»;
-
- в поле «То» ввести температуру, при которой проводилась проверка;
-
- «Дата формирования отчета» ввести «дд.мм.гггг». Нажать кнопку «Выполнить».
if, Ж 1
Заводской номер
▼ Все
Класс модуля • Обычный
Высокий
Температура
Тип отчета
То 25
• Обычный
1 Т исп 60
Инженерный
Испытания проводили:
отЭЦН
Краснопёров С.В.
от ООО "КВИНТсистема"
Поверитель

Дата формирования отчета
29.05.2008
ИнЬ. № поЗл.I ПоЗп. и йопга I Вэом. Инб. № I ИнЬ. № Эубл. I ПоЗп. и йота

Выполнить
Отмена
Рисунок 9 - Окно «Настройки отчета»
6.4.2.30 По окончании формирования протокола появляется окно «Info» смотри рисунок 10. Нажать кнопку «Ок».

Рисунок 10 - Окно «Info»
6.4.2.31 Для просмотра отчета необходимо в папке Report выбрать файл с номером поверяемого модуля и открыть его с помощью приложения Excel (рисунок 11).
Изм. |
Лист |
№ Йокум. |
Пойп. |
Дота |
АДИГ.426431.027 Д1
Лист
Протокол
поверки модуля аналого-цифрового преобразователя
Тип преобразователя АЦП 80.2 Зав.номер 709.353
Канал |
Тип датчика |
t = |
22 |
•с |
60 |
♦с | ||||||
0% |
25И |
50Mi |
75Mi |
100И |
б |
б IIш |
OMi |
100^4 |
Дйт |
Абт>е>с | ||
1 |
Термопары ТХА/0-300 С |
0.00 |
24.99 |
50.01 |
75,00 |
100.00 |
10.25 |
■0.012 | ||||
2 |
Термопары ТХА/0-300 С |
0.00 |
24.99 |
49.98 |
74.99 |
100,00 |
±0,25 |
-0,024 | ||||
3 |
Термопары ТХА/0-300 С |
0,00 |
25.00 |
50,00 |
74.99 |
100.00 |
±0.25 |
-0.012 | ||||
4 |
Термопары ТХА/0-300 С |
0.00 |
24.99 |
50.00 |
74,99 |
100,00 |
±0.25 |
•0.012 | ||||
5 |
Термопары ТХА/О-ЗОО С |
0.00 |
24.99 |
49.99 |
75,00 |
100.00 |
±0,25 |
-0,012 | ||||
б |
Термопары ТХА/0-300 С |
0,00 |
25.00 |
50,00 |
74.99 |
100,00 |
±0.25 |
-0.012 | ||||
7 |
Термопары ТХА/0-300 С |
0.00 |
24.99 |
49.98 |
74.99 |
100.00 |
±0.25 |
-0.024 | ||||
8 |
Термопары ТХА/0-300 С |
•0,02 |
24,99 |
49.98 |
74.99 |
99.98 |
±0,25 |
-0,024 | ||||
9 |
Термопары ТХА/0-300 С |
0.00 |
24.98 |
49,98 |
74.99 |
100.00 |
±0.25 |
•0.024 | ||||
10 |
Термопары ТХА/0-300 С |
0.00 |
24.99 |
49.98 |
74,99 |
100.00 |
±0.25 |
-0.024 | ||||
11 |
Термопары ТХА/0-300 С |
0.00 |
25.00 |
50.00 |
74.99 |
100,00 |
±0,25 |
■0,012 | ||||
12 |
Термопары ТХА/0-300 С |
0,00 |
24.98 |
49.99 |
75.01 |
100,00 |
±0,25 |
•0,024 | ||||
13 |
Термопары ТХА/0-300 С |
0.00 |
25.00 |
49.98 |
74,99 |
100.00 |
±0.25 |
•0.024 | ||||
14 |
Термопары ТХА/0-300 С |
0,00 |
25.00 |
50.00 |
74.99 |
100.00 |
±0,25 |
■0.012 | ||||
15 |
Термопары ТХАЮ-300 С |
0,00 |
24.99 |
49,99 |
74.98 |
99.98 |
±0,25 |
-0.024 | ||||
16 |
Термопары ТХА/0-300 С |
0,00 |
24.99 |
49,99 |
75.00 |
100,00 |
±0.25 |
-0.012 |
б - предел основной приведенной погрешности. (%)
б him • измеренная основная приведенная погрешность, (*К)
Абт- предел дополнительной приведенной температурной погрешности. (Ч) на 1О*С Абт>г»<. измеренная дополнительная температурная погрешность, (%) на 1О*С
Вывод ___________________годен___________________
(Годен, не годен)
Измерения выполнили:
отЭЦН _____________
от ООО "КВИНТсистема" Краснопёров С.В. f'
Поверитель Абрашяин Ю Ф.
05.10.2007
Рисунок 11 - Протокол
6.4.2.32 Модуль АЦП-60 считается прошедшим проверку, если в графе «Вывод» |
протокола появилась надпись «годен».
ИнЬ. № пойлI ПоЭп и Зато I Взам. ИнЬ. № I ИнЬ. № Зубл. I Пойл, и Зато
Лист | ||||||
АДИГ.426431.027 Д1 | ||||||
Изм. |
Лист |
№ Йокум |
Пойп. |
Лата |
14 |
-
6.4.2.1 Если нет отдельных требований заказчика, измерительные каналы АЦП-62 поверяются на датчике термометра сопротивления TCM-50M/W100=l,428/0-100C по пяти точкам 0 %, 25 %, 50 %, 75 %, 100 %.
-
6.4.2.2
-
6.4.2.3
-
6.4.2.4
ППУ-330.
-
6.4.2.5
-
6.4.2.6
-
Собрать схему проверки модуля АЦП-62 (приложение В). Включить персональный компьютер, пульт ППУ-330 и калибратор. Должны загореться светодиоды «+24», «+5» на лицевой панели пульта
На лицевой панели модуля должен мигать светодиод «Работа». Включенный модуль выдержать не менее 10 мин.
-
6.4.2.7 На персональном компьютере запустить программу «PPUmetr», наведя курсор на одноименную иконку и дважды нажав левую клавишу «мыши».
-
6.4.2.8 На экране появиться рабочее окно «PPUmetr» (рисунок 1).
-
6.4.2.9
В диалоговом окне (рисунок 1) выбрать:
-
- «Модули Р-310, Р-320, Р-380»;
-
- «Выбор СОМ порта»;
-
6.4.2.10
на зеленый.
-
6.4.2.11
подключенный
-
-
- в окне «Частота шины I2C кГц» выставить «400»;
Нажать кнопку «Старт ППУ», красное поле рядом с кнопкой поменяет цвет
Нажать кнопку «Поиск У СО», при этом в поле «Каркас» отобразиться модуль «АЦП-62».

Инб. № пойл. I ПоЗп. u Sama I Взам. Инб. № I Инб. № Зубл.I ПоЗп. и Зато

-
6.4.2.12 Нажать кнопку «Вкл. СОМ».
-
6.4.2.13 Навести курсор «мыши» на строку «АЦП-62» в поле «Каркас» и щелкнуть по ней левой клавишей «мыши».
-
6.4.2.14 На экране появиться окно «Калибровка», смотри рисунок 2.
-
6.4.2.15 Выбрать закладку «Контроль». На экране появится рабочее окно (рисунок
12).
Файл Настройки Калибровка средств Упр-еКАС Отчеты Настройки Калибровка Контроль
Режим
Количество точек: ® ж
Задать распределение точек
1
2
-
3
-
4
-
5
%
%
%
%
%
Настройки контроля
Время установления 1 (сек) 30 *
Время установления 2 (сек) 10 ‘
Количество измерений 1
Счетчик времени
Статус Контр, сумма • ОК
Выходы
Место 3 Модуль АЦП 83 2 Серийный N*
Тип датчика
Каналы
1
2 |
3 |
4 |
5 |
6 |
7 |
8 |
9 |
10 |
11 |
12 |
13 |
|
16 |
Т CM -бОМАИ00-1,428/0-100С TCM-50M/W100=1.428/0-1 000 TCM-50MAV100-1.428/0-10X Т СМ -50MAV100-1,428/0-10Х ТСМ -50МАУ1X=1,428/0-1 ОХ ТСМ-50М/У/100«1,428/0-10Х TCM-50MAV100-1.428/0-10X ТСМ -50M/V/1 М-1,428/0-1 ОХ Т CM-50MAV1 М-1,428/0-1 ОХ TCM-50M/W1 М-1,428/0-1 ОХ ТСМ-50М AV1 М-1.428/0-1 ОХ ТСМ -50M/W1 М-1,428/0-1 ОХ Т СМ -50МА/1 00-1.428/0-1 ОХ TCM-50MAV1 М-1.428/0-1 ОХ ТСМ-50М ZV/1 М-1.428/0-1 ОХ ТСМ-50ММ1 М-1.428/0-1 ОХ
| Т преобр-я | Задано |Получено| Сигнал
20 мс
20 мс
20 мс
20 мс
20 мс
20 мс
20 мс
20 мс
20 мс
20 мс
20 мс
20 мс
20 мс
20 мс
20 мс
20 мс
| П ослать задание^ Запуск контроля
Модуль
91А1 91А1 91А1 91А1 91А1 91А1 91А1 91А1 91А1 91А1 91А1 91А1 91А1 91А1 91А1 91А1
91А1 91А1 91А1 91А1 91А1 91А1
91А1
91А1 91А1
91А1
91А1
91А1 91А1 91А1 91А1
91А1
Закончить
Рисунок 12 - Рабочее окно «Контроль»
Изм. |
Лист |
№ Йокум |
ПоЗп. |
Пата |
Каркас
Место
1
2 |
3 |
4 |
5 |
6 |
7 |
8 |
9 |
10 |
11 |
12 |
13 |
14 |
15 |
АДИГ.426431.027 Д1
Лист
-
6.4.2.16 При открытии рабочего окна «Контроль» на его фоне появится диалоговое окно (рисунок 4), необходимо сделать выбор: загрузить ранее сформированную технологическую программу или создать новую.
-
6.4.2.17 Для формирования задания каналу - нажать на строку отображающую канал, должно появиться диалоговое окно «Выбор типа датчика» (рисунок 13).
Выбор типадаЦ&ШШ!
Т ип модуля
Т ип датчика
- &
+
+
+
АЦП 62.2
&
О
□
Время преобразования (мс)
Г А1 - 20
Г В2-1
(* АЗ-80
Г ВЗ-2
Г А4-160
С В4-3
Г- В6-10
Диапазон задания каналов
+. О
Выборочно
Термосопротивления ТСП-1 ООП
Термосопротивления ТСП-50П Термосопротивления ТСП-46 Ом, гр. 21 Т ермосопротивления Т СМ -100М
Термосопротивления ТСМ-50М
& W100=1,426
В W100=1,428
-50...+150С 0-200С -50...+50С 0-100С
Термосопротивления ТСМ-53 Ом, гр.23

Инй. № побл I ПоЭп. и Зато I Взам Инй. № I Инй. № Эубл. | Пойл. и Вата

Ок
Отмена
Рисунок 13 - Рабочее окно «Выбор типа датчика»
6.4.2.18 Здесь необходимо выбрать:
-
- «время преобразования» по умолчанию «АЗ-80»;
-
- «тип датчика» , смотри пункт 6.2.3.1;
-
- «Диапазон задания каналов» необходимо выбрать «Все» или «Выборочно».
Примечание - После выбора «тип датчика» определяем уровень сигнала по таблице 1. По умолчанию джамперы XS1 установлены в каналах на соединители XI для приема сигнала низкого уровня «Н».
Для приема сигнала высокого уровня «В» - джамперы XS1 снять.
-
6.4.2.19 Нажать кнопку «ОК». Таким образом формируется технологическая программа для всего модуля.
-
6.4.2.20 После формирования технологической программы происходит возврат к рабочему окну «Контроль» (рисунок 12).
-
6.4.2.21 Нажать кнопку «Послать задание».
Необходимо убедиться, что задание дошло до модуля - значения в столбцах «Задано» и «Получено» должны совпадать.
Изм. |
Лист |
№ Йокум |
Пойл. |
Дата |
АДИГ.426431.027 Д1
Лист
ИнЬ. № пойл. I Побп. и Зато I Взам. Инб. № | ИнВ. № ЭуЗл. I ПоЗп. и Вота
-
6.4.2.22 Для ручной проверки модуля АЦП-62 установить Туст1=18 с.
Примечание - Каналы переключаются вручную. Входной сигнал задается калибратором (или иным задатчиком).
Результат наблюдается в графе «Сигнал».
-
6.4.2.23 Нажать кнопку «Запуск контроля». На экране появится окно (рисунок 6).
-
6.4.2.24 В окне (рисунок 6) ввести заводской номер модуля и нажать кнопку «ОК». На экране появится диалоговое окно, смотри рисунок 7.
-
6.4.2.25 При проверке в нормальных климатических условиях, в диалоговом окне «Контроль» нажать кнопку «нет».
-
6.4.2.26 Для проверки каналов «9-16», переподключить жгут от СПК модулей АЦП «КВИНТ-5» с разъема «1» на разъем «2» проверяемого модуля.
-
6.4.2.27 По окончании сбора данных выдается сообщение "Модуль обработан". Файл с номером модуля и с собранными данными сохраняется в папке «Result».
-
6.4.2.28 В рабочем окне «Контроль» (рисунок 3) в строке «Меню» выбрать «Отчеты». Появится окно «Отчеты» (рисунок 8).
-
6.4.2.29 В окне «Отчеты» выбрать «Сформировать отчет». Появится окно «Настройки отчета» (рисунок 9).
-
6.4.2.30 В появившемся окне «Настройки отчета:
-
- в поле «Заводской номер» вводим номер поверяемого модуля;
-
- «Класс модуля» выбрать «Обычный»;
-
- «Тип отчета» выбрать «Обычный»;
-
- в поле «То» ввести температуру, при которой проводилась проверка;
-
- «Дата формирования отчета» ввести «дд.мм.гггг».
Нажать кнопку «Выполнить».
-
6.4.2.31 По окончании формирования протокола появляется окно «Info» смотри рисунок 10. Нажать кнопку «Ок».
-
6.4.2.32 Для просмотра отчета необходимо в папке Report выбрать файл с номером поверяемого модуля и открыть его с помощью приложения Excel (рисунок 11)
-
6.4.2.33 Модуль АЦП-62 считается прошедшим проверку, если в графе «Вывод» протокола появилась надпись «годен».
-
7.1 Обработка результатов производится автоматически в сервисном компьютере.
-
7.2 По распечатанным протоколам проанализировать данные в столбце «боизм, %», отражающие основную приведенную погрешность.
-
7.3 Если полученное значение основной приведенной погрешности не превышает значений, указанных в таблице 3, то модуль АЦП считается годным.
-
8.1 Результаты поверки оформляются в соответствии с порядком проведения поверки средств измерений, требованиям к знаку поверки и содержанию свидетельства о поверке, утвержденному приказам Минпромторга России №1815 от 02 июля 2015 года.
-
8.2 При проведении поверки ведется протокол по форме приложения Г.
Лист
АДИГ.426431.027 Д1
Изм.
/1ист
№ Йокум.
ПоЗп
Дато
17
АЦП — аналого-цифровой преобразователь;
ПТК — программно-технический комплекс;
СПК — средство производственного контроля;
ТХА — термопара хромель алюмель;
ТХК — термопара хромель копель;
ТСМ — термопреобразователи сопротивления медные;
ТСП — термопреобразователи сопротивления платиновые;
КМС — клеммно-модульный соединитель.
ИнЬ. № пойл.I ПоЗп. и Зато I Взом. ИнЬ. № I ИнЬ. № Зубл. I ПоЗп. и Вата
АДИГ.426431.027 Д1 |
Лист | |||||
Изм. |
Лист |
№ Зокум |
ПоЗп |
Дота |
18 |
ИнЬ. № пойл I ПоЗп. и BarnaI Взам. ИнЬ № I ИнЬ. № Вубл.I ПоЗп. и Вота
(справочное)
Формулы расчета основной приведенной погрешности и ее компонент
Основную приведенную погрешность определяется по формуле:
6 = Y-X
где: 6 - основная приведенная погрешность, в %;
Y - измеренное относительное значение сигнала, в %;
X - относительное значение сигнала на входе канала, в %.
Результаты поверок считаются положительными, если основная приведенная погрешность 8% любого канала аналогового ввода не превышает пределов, указанных в таблице 3.
Абсолютное значение величины сигнала на входе канала в зависимости от его относительного значения X для различных типов аналоговых датчиков, соответствующих таблице 3, определять по формулам:
-
1) Для унифицированных токовых датчиков:
I = (Imax - Io) • X/100 % + Io
где: I - устанавливаемый входной ток от источника, мА;
Imax, Io - соответственно токи в конечной и начальной точках диапазона входных сигналов, мА;
X - относительное значение устанавливаемого входного сигнала, %.
-
2) Для датчиков напряжения высокого и низкого уровня:
U = (Umax - Uo) • X/100 % + Uo
где: U - устанавливаемое входное напряжение, В;
Umax, Uo - соответственно напряжения в конечной и начальной точках диапазона входных сигналов, В;
X - относительное значение устанавливаемого входного сигнала, %.
-
3) Для термопреобразователей термоэлектрических поверку каналов производить при температуре холодного спая О °C.
При определении погрешности вначале определить температуру Т исходя из относительного значения сигнала X по формуле:
Т = Х/100 % • Тшах
где: Тшах - верхнее предельное значение температуры в заданном диапазоне измерения °C;
X - относительное значение устанавливаемого входного сигнала, %.
Затем по значению Т на основании нормирующих характеристик термопар по ГОСТ Р 8.585-2001 определить абсолютную величину входного сигнала для данного относительного значения X.
-
4) Для термопреобразователей сопротивления, вначале определить температуру Т исходя из относительного значения сигнала X по формуле:
Т = Х/100 % • (Тшах - Tmin) + Tmin
где: Tmax, Tmin - соответственно верхнее и нижнее предельные значения температур в заданном диапазоне измерения, °C (Tmin подставляется в формулу с учетом знака); X - относительное значение устанавливаемого входного сигнала, %.
Затем по значению Т на основании нормирующих характеристик термометров сопротивления по ГОСТ Р 8.625-2006 определить абсолютную величину входного сигнала для данного относительного значения X.
Лист | ||||||
АДИГ.426431.027 Д1 | ||||||
Иэм |
/1ист |
№ Зокум |
ПоЗп. |
Дата |
19 |
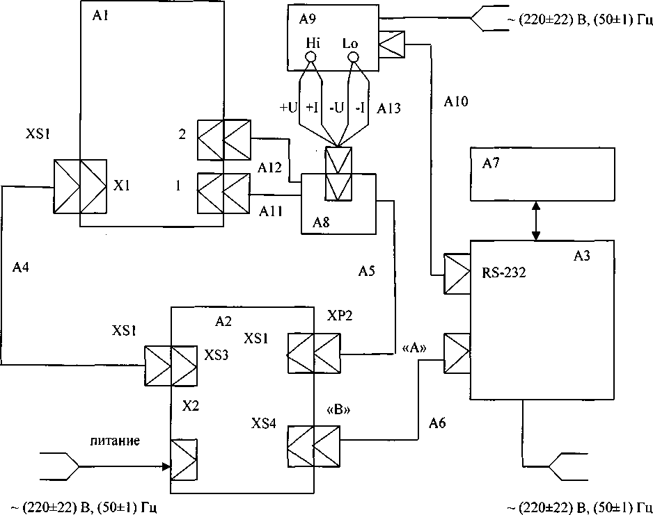
(обязательное)
Схема поверки преобразователя АЦП-60
ИнЬ. № пойл I Пойл. и Soma I Взам. Ин&. № I Ин&. № йубл.I Пойп. и дата

А1 - Поверяемый преобразователь АЦП-60;
А2 - Пульт ППУ-330;
АЗ - Персональный компьютер;
А4 - Кабель К1-ППУ АСИР.685611.014;
А5 - Кабель К2-КАС АСИР.685611.031;
А6 - Кабель USB;
А7 - Принтер;
А8 - Коммутатор аналоговых сигналов (автоматический или ручной);
А9 - Калибратор;
А10 - Кабель PCI (RS-232) АСИР.685611.040;
All, А12 - Кабель К5-КАС АСИР.685611.034 и
кабель К9-КАС АСИР.685611.038 (переходник);
А13 - Кабель К1-КАС АСИР.685611.030;
Рисунок Б. 1
Лист | ||||||
АДИГ.426431.027 Д1 | ||||||
Изм. |
/1ист |
№ Йокум. |
Пойл |
Лата |
20 |
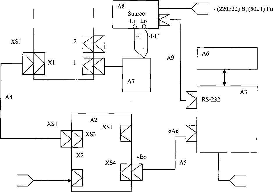
(обязательное)
Схема поверки преобразователя АЦП-62
А1

~ (220±22) В, (50±1) Гц ~ (220±22) В, (50±1) Гц
ИнЬ. № поЗл:I ПоЗп. u Sama I Взам. Инй. № I ИнЬ. № бубл I ПоОп. и Вата
А1 - Поверяемый преобразователь АЦП-62;
А2 - Пульт ППУ-330;
АЗ - Персональный компьютер;
А4 - Кабель К1-ППУ АСИР.685611.014;
А5 - Кабель USB;
А6 - Принтер;
А7 - СПК модулей АЦП «КВИНТ-5» АСИР.442261.289;
А8 - Калибратор;
А9 - Кабель PCI (RS-232) АСИР.685611.040.
Рисунок В.1
Лист | ||||||
АДИГ.426431.027 Д1 | ||||||
Изм. |
Лист |
№ бокум. |
ПоЗп |
Дата |
21 |
Инй. № поОл. I ПоЗп. и Sama I Взом. Инб № I ИнЬ. № бдбл. I ПоЗп. и Зато
(рекомендуемое)
Форма протокола поверки
Протокол №______
Поверки преобразователя аналого-цифрового АЦП-________ №____________________
Количество измерительных каналов_______
Тип датчика________________________
(в соответствии с ГОСТ)
Диапазон входных сигналов (мА, В, Ом)____________
Диапазон измеряемых температур (°C)_________________________________________
(только для термопар и термометров сопротивления)
Предел допускаемой основной погрешности (%)________
Эталоны и вспомогательные средства 1.___________________________________
(краткое наименование, тип, заводской номер)
2.___________________________________________________
3.________________________________________________________
Условия поверки t =_______ 3 =__________
(температура и относительная влажность окружающего воздуха)
1 Результаты внешнего осмотра_________________________________
(соответствует, не соответствует)
2. Сопротивление изоляции гальванической развязки каналов_________________________
(> 20 МОм, < 20 МОм)
3 Метрологические характеристики:_________________________________
(соответствуют, не соответствуют)
Выводы:_________________________ _____________________________________
(И Г годен, не годен)
Приложение: протокол поверки преобразователя аналого-цифрового
Поверку проводил______________________
(подпись) (расшифровка подписи)
«______»___________________20_____Г.
/1ист | ||||||
АДИГ.426431.027 Д1 | ||||||
Изм. |
/1ист |
№ Зокцм |
Пойл |
Дата |
22 |
Инб № пойл. | ПоЭп u Sama Взам. инб № I Инб № йубл.I ПоЗп и Sama
Лист регистрации изменений | ||||||||||||||
Изм. |
Номера листай |
Всего листой 6 Йокум |
№ Йокум |
Вхойящий № сопроВойи-тельного Зокумента и Зато |
Пойпись |
Дата | ||||||||
измененных |
замененных |
нойых |
анну-лиро-Ван-ных | |||||||||||
АДИГ.426431.027 Д1 |
Лист | |||||||||||||
23 | ||||||||||||||
Изм |
Лист |
№ Йокум |
ПоОп. |
Дата |
Копировал
Формат А4