Методика поверки «ГСОЕИ. Приборы регистрирующие ГСП РП160» (МИ 808-85)
ПРИБОРЫ РЕГИСТРИРУЮЩИЕ ГСП РП160
Методика поверки
МИ 808-85
1991
Разработаны: ЛНПО «Буревестник», Министерство приборостроения, средств автоматизации и систем управления.
Исполнители: А. М. Мснтюков, зав. сектором (руководитель темы). Н. С. Шапошникова — вед. инженер.
Утверждены Всесоюзным научно-исследовательским институтом метрологической службы (ВНИИМС).
Настоящие методические указания распространяются на приборы регистрирующие РП160 (в дальнейшем приборы), предназначенные для измерения и регистрации нсэлсктри-ческих величин, преобразованных в электрические сигналы силы и напряжения постоянного тока или в активное сопротивление, а также сигналов напряжения постоянного тока по ГОСТ 26.011-80, и устанавливают методы и средства первичной и периодических поверок.
I. ОПЕРАЦИИ ПОВЕРКИ
-
1.1. При проведении поверки должны выполняться операции, указанные в табл. 1.
Таблица I
Наименование операции |
Номера пунктов |
Обязательность проведения операции в | |
выпуске из производства и ремонта |
эксплуатации и хранении | ||
Внешний осмотр |
4.1 |
да |
да |
Проверка комплектности |
|
то же |
то же |
Испытание изоляции на электрическую прочность |
4.2 |
нет | |
Измерение электрического сопротивления изоляции |
4.3 |
-»- |
да |
Опробование |
4.4 |
да |
да- |
Определение метрологических ' характеристик |
4.5 |
да |
да |
Проверка работы устройства «контроль исправности» |
4.5.1 |
да |
да |
Проверка ограничения перемещения указателя за крайние отметки шкалы |
4.5.2 |
то же |
то же |
Определение характера успокоения |
4.5.3 |
-»- | |
Определение выброса регистрирующего устройства |
4.5.4 |
— |
Наименование операции |
Номера пунктов |
Обязательность проведения операции в | |
выпуске из производства и ремонта |
зкеплуата-цнн и хранении | ||
Определение основной погрешности по показаниям |
4.5.5 |
да |
да |
Определение вариации показаний |
4.5.8 |
то же |
то же |
Определение основной погрешности по регистрации |
4.5.6 | ||
Определение основной погрешности и вариации по сигнализации |
4.5.7 4.5.9 | ||
Определение отклонений средней скорости перемещения диаграммной ленты от номинального значения |
4.5.10 | ||
Проверка качества регистрации |
4.5.11 | ||
2. СРЕДСТВА ПОВЕРКИ
При проведении поверки должны применяться средства поверки, указанные в табл. 2.
Таблица 2
Рекомендуемые средства измерений к оборудования
Д567
Р363-3
П41О5
Наименование
Вольтметр переменного тока
Потенциометр постоянного тока
Источник регулируемого напряжения постоянного тока
Основные характеристики, необходимые для поверки приборов
О—300 В. класс точности 0.5
Класс точности 0,02, выходное напряжение от 1 мкВ до 200 мВ
Выходное напряжение
0—10 В, плавность регулировки 0,02%
Наименование |
Основные характеристики, необходимые для поверки приборов |
Рекомендуемые средства измерений и оборудования |
Гальванометр |
Ci-1.8 . 10-* А/мм |
М195/3 |
Нормальный элемент |
Класс 0.005. значение эдс |
НЭ65 |
насыщенный |
при t = 20°C в пределах 1,0185-1.0187 В чвн<1000 Ом | |
Магазин сопротив- |
Класс точности 0.02 |
P433I |
леннй |
0—10 кОм | |
Цифровой вольтметр |
0—10 В. приведенная погрешность не более 0.05 |
Щ1413 |
Катушка электрического сопротивления измерительная |
10 Ом, класс точности 0,02 |
P32I |
Лабораторный авто- |
0—250 В. ток нагрузки до |
РН0-250 0.5 |
трансформатор |
2 А |
• |
Частотомер |
Период 3 + 40 с |
43-33 |
Термоэлектродные |
Условное обозначение номн- | |
(компенсационные) |
калькой статической ха- | |
провода |
рзктернстнкн преобразования ХК. ХА, ПП | |
Термометр ртутный |
50—0—50сС. цена деления | |
лабораторный |
0.1°С | |
Термостат |
Емкость 0.5 л |
Сосуд Дюара |
Секундомер |
Шкалы: 60 мин — цена деления 1 мни.. |
СД Ппр-26-2-01 |
60 с — нона деления 0.2 с | ||
Мегаомметр |
Класс точности 1,0 0—500 мОм, напряжение постоянного тока 500 В |
М4100/3 |
Установка для про- |
Мощность нс менее 0.25 |
У ПУ -10 |
верки электрической |
кВ . А из стороне высо- | |
прочности изоляции |
кого напряжения, выходное напряжение 1500 В | |
Линейка — штриховая мера |
2 разряд. 0—1000 мм |
Примечание. Возможно применение средств измерений и оборудования любых типов, основные характеристики которых нс хуже приведенных в табл. 2.
3. УСЛОВИЯ ПОВЕРКИ И ПОДГОТОВКА к НЕЙ
-
3.1. При проведении поверки должны соблюдаться следующие условия:
температура окружающего воздуха (20±2)”С; относительная влажность воздуха от 30 до 80%; атмосферное давление от 84 до 107 кПа;
напряжение питания (220±5) или (240±5) В. максимальный коэффициент высших гармоник напряжения сети не более 5%;
частота тока питания (50±1) или (60± 1.2) Гц;
отсутствие вибрации и ударов, влияющих на работу прибора;
отсутствие внешних электрических и магнитных полей, влияющих на работу прибора;
время выдержки прибора во включенном состоянии перед проверкой метрологических характеристик не менее 2 ч — для исполнений приборов, имеющих компенсацию термо-эдс свободных концов термоэлектрического преобразователя;
не менее 30 мин — для остальных приборов.
-
3.2. Перед проведением поверки выполняют следующие подготовительные операции:
надежно заземляют прибор;
устанавливают в прибор рулон с диаграммной лентой;
проверяют качество линии регистрации, перемещая вдоль шкалы каретку с узлом регистрации путем вращения шкива с тросиком;
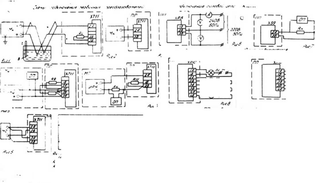
подключение прибора к мере входного сигнала проводят согласно приложению I.
Подключение к прибору термоэлектрического преобразователя (кроме ТПР) проводят термоэлектродными (компенсационными) проводами с номинальной статической характеристикой преобразования, соответствующей маркировке на шкале прибора (приложение 1. рис. 1).
Компенсационные провода должны быть аттестованы органами метрологической службы для учета поправок на отклонения действительного значения термо-эдс от градуировочных значений по ГОСТ 3044-84 в диапазоне температур от 15 до 25°С через ГС с точностью до третьего знака после запятой.
Температуру в месте соединения компенсационных и медных проводов измеряют термометром с ценой деления О,ГС.
Места соединений медных и компенсационных проводов, помещенных в сосуд с тающим льдом (например, сосуд Дюара), должны быть изолированы от попадания влаги на всю глубину погружения.
После подключения компенсационных проводов к прибору проверьте надежность крепления крышки пассивного термостата, закрывающей колодку для подключения первичного преобразователя и наличие уплотнительной прокладки в месте ввода компенсационных проводов в этот термостат.
Подключение термопреобразователя сопротивления к прибору проводят по чстырехпроводной схеме, поэтому подгонки сопротивления линии связи не требуется (приложение 1, рис. 5).
Поверку приборов, работающих с термопреобразователями ТПР и от сигналов напряжения постоянного тока по ГОСТ 9895-78, проводят при подключении прибора согласно приложению 1, рис. 2, приборов с входными сигналами постоянного тока 0—10 В — согласно рис. 3, 0—5. 0—20, 4—20 мА — согласно рис. 4.
Исполнения приборов приведены в приложении 2.
4. ПРОВЕДЕНИЕ ПОВЕРКИ
4.1. Внешний осмотр
При проведении внешнего осмотра должно быть установлено соответствие прибора нижеперечисленным требованиям.
-
4.1.1. Комплект поставки прибора при выпуске из производства должен соответствовать техническим условиям на прибор.
-
4.1.2. Комплектность прибора, проходящего поверку после ремонта или при эксплуатации и хранении, должна соответствовать табл. 3.
Таблица 3
Обозначение |
Наименование |
Количество |
Примечание | |
25.100.00.001 |
ТО |
Прибор регистрирующий ГСП. РП160. Тех- |
1 экз. | |
ническое описание и инструкция по эксплуатации | ||||
25.100.00.001 |
ПС |
Прибор регистрирующий ГСП. РП160. Пас- |
1 экз. | |
МИ 808-85 |
порт |
1 экз. |
В том числе на партию приборов | |
Приборы регистрирующие ГСП. РП160. .Методика поверки | ||||
ЛПГ-160 |
Лента диаграммная ГОСТ 7826-82 |
2 рулона | ||
УПС-3-135 |
Узел пишущий синий ТУ 25.03.1878-76 |
нс менее 2 шт. |
-
4.1.3. Маркировка прибора должна соответствовать требованиям ГОСТ 7164-78 и содержать сведения, указанные в разделе МАРКИРОВАНИЕ технического описания и инструкции по эксплуатации 25.100.00.001 ТО.
4.2. Испытание изоляции на электрическую прочность
Испытание изоляции на электрическую прочность проводят в соответствии с ГОСТ 21657-83.
Перед испытанием соединяют накоротко контакты электрических цепей:
силовая цепь — контакты I Б, 2Б разъемах ХР8;
входная цепь — контакты колодки ХИ, служащие для подключения первичного преобразователя в соответствии с приложением 1;
цепи сигнализации — контакты 1А, 2А, ЗА. 4А, 1Б. 2Б, ЗБ, 4Б разъема ХР10.
Включают СЕТЬ.
Испытательное напряжение следует повышать плавно, начиная с нуля или со значения, равного 220 В. со скоростью, допускающей возможность отсчета показаний вольтметра, но не менее 100 В/с.
Прикладывают испытательное напряжение между корпусом и цепями поочередно, затем между остальными цепями, при этом свободные цепи должны быть присоединены к корпусу.
Изоляция электрических цепей прибора должна выдерживать в течение 1 мин. действие испытательного напряжения практически синусоидальной формы частотой 50 Гц:
-
1,5 кВ — силовая цепь — корпус;
-
1,5 кВ —силовая цепь — входная цепь;
-
1,5 кВ —силовая цепь — цепи сигнализации;
0,5 кВ — входная цепь — корпус.
Во время испытания прибора не должно быть пробоя изоляции или поверхностного разряда.■
4.3. Измерение электрического сопротивления изоляции
-
4.3.1. Измерение электрического сопротивления изоляции проводят по ГОСТ 21657-88 с помощью мегаомметра с номинальным напряжением 500 В, поочередно подключая к зажимам мегаомметра испытуемые цепи, указанные к и. 4.2.
Перед измерением проводят соединения, в соответствии с указаниями в п. 4.2.
Отсчет показаний мегаомметра проводят по истечении 1 мин после подключения напряжения к испытуемым цепям или после установления показаний мегаомметра.
Электрическое сопротивление изоляции силовой цепи относительно корпуса должно быть не менее 40 МОм.
Электрическое сопротивление изоляции остальных цепей, указанных в п. 4.2, относительно корпуса и между собой должно быть не менее 100 МОм.
После испытаний по пп. 4.2, 4.3 соединения прибора восстанавливают согласно приложению 1.
4.4. Опробование
-
4.4.1. При опробовании проверяют возможность дистанционного управления перемещением диаграммной ленты и функционирование сигнализации (в исполнениях с сигнализацией).
-
4.4.2. Возможность дистанционного управления перемещением диаграммной ленты проверяют следующим образом:
подключают прибор к сети;
закорачивают клеммы 1А и 1Б разъема XS9, расположенного на задней стенке прибора;
включают переключатель СЕТЬ, затем клавишу ДИСТ и скорость 1200 мм/ч и наблюдают за перемещением диаграммной ленты;
выключают переключатель СЕТЬ, клавишу ДИСТ и любую скорость перемещения диаграммной ленты;
закорачивают клеммы ЗА и ЗБ разъема Х59, включают переключатель СЕТЬ, клавишу ДИСТ и наблюдают за перемещением диаграммной ленты.
Выключают СЕТЬ и снимают перемычки с клемм 1А, 1Б, ЗА, ЗВ.
-
4.4.3. Правильность функционирования сигнализации проверяют следующим образом:
включают СЕТЬ;
устанавливают движки потенциометров задачи сигнализации 1 и 2 в крайнее левое положение, а 3 и 4 — в крайнее правое положение (до упора);
нажав кнопку ЗАДАЧА, вращением движка резистора ОБЩИИ устанавливают указатель на середину шкалы;
наблюдают за состоянием световых индикаторов 1—4, они не должны светиться;
затем устанавливают движки потенциометров 1, 2 в крайнее правое, а 3, 4—в крайнее левое положение, при этом индикаторы 1—4 должны светиться.
4.5. Определение метрологических характеристик
-
4.5.1. Проверку режима КОНТРОЛЬ ИСПРАВНОСТИ проводят следующим образом:
нажимают кнопку КОНТРОЛЬ, указатель прибора при этом должен установиться на отметке, соответствующей 50% длины шкалы в пределах участка, ограниченного дополнительными делениями.
-
4.5.2. Проверку ограничения перемещения указателя проводят следующим образом:
подают от меры входной сигнал, равный минус 1% от диапазона его изменения, указатель прибора должен установиться за начальной отметкой шкалы с заходом не менее 0.8 мм;
подают от меры входной сигнал, равный минус 2% от диапазона его изменения, при этом указатель не должен ударяться о механический упор;
подают от меры входной сигнал, равный 101% от диапазона его изменения, при этом указатель должен установиться за конечной отметкой шкалы с заходом нс менее 0.8 мм;
подают от меры входной сигнал, равный 102% от диапазона его изменения, при этом указатель прибора не должен ударяться о механический упор.
-
4.5.3. Для проверки характера успокоения на вход прибора скачком подают сигнал, соответствующий 40, 60 и 90% диапазона измерений.
Число полуколебаний указателя возле положения равновесия определяют визуально.
Число полуколебаний не должно превышать двух. Допускается отсутствие полуколебаний.
-
4.5.4. Значение выброса регистрирующего устройства определяют путем измерения наибольшего отклонения линии регистрации на диаграммной ленте от установившегося значения при подаче (скачком) на вход прибора сигналов, соответствующих 10, 50 и 90% диапазона измерения.
Значение выброса не должно превышать 1,6 мм.
-
4.5.5. Основную погрешность прибора по показаниям определяют на всех числовых отметках шкалы, включая начальную и конечную отметки.
-
4.5.5.1. Соответствие основной погрешности прибора по показаниям допускаемым значениям определяют следующим образом:
-
-
1) рассчитывают для каждой проверяемой отметки два значения входного сигнала XI и Х2 по формулам:
X1 = ХНом. 4“ Дп — Де, (1)
Х2 = ХН0ы. — Дп — Де, (2)
где Хиом. — номинальное значение входного сигнала, соответствующее проверяемой отметке шкалы, которое определяют:
по ГОСТ 3044-84 — для приборов с входными сигналами от термоэлектрических преобразователей, мВ;
по ГОСТ 6651-78 —для приборов с входными сигналами от термопреобразователей сопротивления, Ом;
по формулам 3 и 4 — для приборов с входными сигналами по ГОСТ 9895-78, МА. мВ. В;
Дп — значение предела абсолютной основной погрешности прибора, мВ, мА, В, Ом;
Ас—поправка с учетом знака, равная разности между термоэдс данной термопары по ГОСТ 3044-84 и термоэлектродных проводов при одной и той же температуре окружающего воздуха, мВ.
Значение Х11ОМ. для приборов с входными сигналами по ГОСТ 9895-78, определяют по формулам:
Хиом. = Хо 4--— • О, (3) — для равномерных шкал,
Хиом. = Хо 4—у"--‘ Н) — для неравномерных шкал,
Хх — Хи
где Хо —значение выходного сигнала первичного преобразователя, соответствующее начальной отметке шкалы, мА, мВ, В;
К — число делений по шкале прибора от начальной до проверяемой отметки;
п — число делений шкалы прибора;
D — диапазон изменения выходного сигнала первичною преобразователя, мВ, мА, В;
Х„, Хи, Хк — значения входного сигнала первичного преобразователя, соответствующие проверяемой начальной и конечной отметкам шкалы, соответственно, мВ, Ом;
-
2) устанавливают на мерс входного сигнала значения X = XI, причем в интервале X = XI — Вп (Вп — предел допускаемого значения вариации показании в единицах входного сигнала) до X = XI входной сигнал медленно увеличивают;
указатель прибора должен установиться на проверяемой отметке шкалы или справа от нес;
-
3) устанавливают на мере входного сигнала значение X = Х2, причем в интервале от X = Х2 4- Вп до X = Х2 входной сигнал медленно уменьшают:
указатель прибора должен установиться на проверяемой отметке или слева от нее.
-
4.5.5.2. Определение основной погрешности можно проводить согласно ГОСТ 8.280-78.
-
4.5.5.3. При поверке приборов с входными сигналами силы постоянного тока (приложение I, рис. 4) с помощью потенциометра постоянного тока или цифрового вольтметра значения XI и Х2 рассчитывают по формулам:
XI = (Хиом. + Ап) • Rn,
-
(5)
-
(6)
Х2 = (Хиом. - Ап) • Rn,
где XI, Х2 —- показание потенциометра или цифрового вольтметра, соответствующее проверяемой отметке шкалы, мВ;
Х„ом. — то же, что в формулах 3, 4; мА;
Ап — то же. что в формулах 1, 2; мА;
Rs — сопротивление образцовой катушки, Ом.
-
4.5.6. Основную погрешность по регистрации определяют на трех числовых линиях отсчета, соответствующих примерно 10, 50 и 90% ширины поля регистрации.
-
4.5.6.1. Соответствие основной погрешности по регистрации допускаемым значениям определяют следующим образом:
-
-
I) рассчитывают два значения входного сигнала, соответствующие проверяемой линии отсчета по формулам:
(7)
ХЗ = Х„ ■ ——4-Др — Аг, LmOM.


(8)
где Х„, Др — то же, что в формулах (1), (2);
Ьд, LMOM. — действительная и номинальная ширина поля регистрации, соответственно, мм;
ДР — значение предела абсолютной погрешности прибора по регистрации, мВ, мА. Ом;
-
2) включают клавиши ДИАГРАММА, ВНУТР и скорость 1200 мм/ч;
-
3) устанавливают на мере входного сигнала значение X = ХЗ, медленно увеличивая сигнал в интервале от Х = ХЗ—вп до X = ХЗ, регистрируют сигнал в течение 20—30 с; при этом значение входного сигнала, зарегистрированное на диаграммной ленте, должно лежать на проверяемой линии отсчета либо справа от нее;
-
4) устанавливают на мере входной сигнал X = Х4. медленно уменьшая сигнал в интервале от X = Х4 + вп до X = Х4. и регистрируют входной сигнал, при этом значение входного сигнала, зарегистрированное на диаграммной ленте. должно лежать на проверяемой числовой линии отсчета, либо слева от нее.
-
4.5.6.2. Определение основной погрешности по регистрации можно проводить согласно ГОСТ 8.280-78.
-
4.5.7. Основную погрешность прибора по сигнализации определяют на трех отметках шкалы 5, 50 и 95% диапазбна измерения при плавном увеличении и уменьшении входного сигнала.
-
1) рассчитывают для каждой проверяемой отметки два значения входного сигнала Х5 и Х6
где ХИЛМ. Ле —то же, что в формулах (1). (2), (3). (4);
\е — значение предела основной абсолютной допускаемой погрешности по сигнализации, мВ. мА, Ом;
-
2) нажимают клавишу ЗАДАЧА и удерживают се в этом положении, поворачивают ось резистора ОБЩИЙ и устанавливают указатель прибора на отметку, соответствующую 5% диапазона измерения;
-
3) поворачивают ось резистора 1 до момента включения (выключения) светового индикатора 1;
-
4) поворачивают ось резистора ОБЩИЙ и устанавливают указатель прибора на отметку, соответствующую 50% диапазона измерения;
-
5) поворачивают ось резистора 2 до момента включения (выключения) светового индикатора 2;
-
6) поворачивают ось резистора ОБЩИЙ и устанавливают указатель прибора на отметке, соответствующей 95% диапазона измерения;
-
7) поворачивают ось резистора 3. а затем 4 до момента включения (выключения) световых индикаторов 3 и 4. соответственно;
-
8) отпускают клавишу ЗАДАЧА;
-
9) плавно увеличивают (уменьшают) входной сигнал до момента выключения (включения) светового индикатора I и сигнальной лампы Л1; фиксируют показания меры входного сигнала;
-
10) увеличивают (уменьшают) входной сигнал до момента выключения (включения) светового инднкатбра 2 и сигнальной лампы 2, фиксируют показания меры входного сигнала;
-
11) увеличивают (уменьшают) входной сигнал до момента включения (выключения) индикаторов 3 и 4 (ламп ЛЗ. Л4). фиксируют показания меры.
Прибор считают выдержавшим испытание, если показания меры входного сигнала X для каждой проверяемой отметки находятся в пределах:
Х5<Х<Х6
-
4.5.7.2. Основную погрешность прибора по сигнализации можно определить, согласно ГОСТ 8.280-78. при этом значение погрешности вычисляют по формуле:
Х7(8) — Хнпм.
100.
(Н)
по сигнализа-
где у< — основная погрешность прибора нии. %;
Х7 (8) — показания меры входного сигнала в момент включения (выключения) светового индикатора, мВ. мА. Ом. (из двух отсчетов берут дающий наибольшую погрешность);
Хком., Д —то же, что в формулах (3), (4).
-
4.5.8. Соответствие вариации показаний допускаемым значениям проверяют на трех отметках, равномерно распределенных по шкале (вблизи начала, середины и конца шкалы), следующим образом:
изменяя входной сигнал, устанавливают указатель на проверяемую отметку (исходное положение);
медленно увеличивают (уменьшают) входной сигнал до значения Х = Х9—вп(Х = Х94-в11), где вп — предел допус
каемого значения вариации показаний прибора, мА. мВ, Ом; указатель при этом, должен остановиться в исходном положении либо слева (справа) от него;
медленно увеличивают (уменьшают) входной сигнал до значения X = Х9, при котором указатель начнет перемещаться от исходного положения.
Вариацию показаний можно определить согласно ГОСТ 8.280-78, при этом значение вариации вычисляют по формуле:
вп =
Х9-Х10
д
• 100,
(12)
где вп — вариация показаний прибора. %;
Х9, Х10 — показания меры входного сигнала при установке указателя на проверяемую отметку шкалы при увеличении и уменьшении входного сигнала, мВ, мА, Ом;
Д —то же, что в формулах (3), (4).
Значение вариации нс должно превышать 0,25%.
-
4.5.9. Соответствие вариации сигнализации допускаемым значениям проверяют при проверке основной погрешности по сигнализации, на тех же отметках шкалы следующим образом:
увеличивают (уменьшают) входной сигнал Х = Х11, соответствующий проверяемой отметке шкалы до момента изменения позиции светового индикатора, затем медленно уменьшают (увеличивают) входной сигнал до значения.
X = XII — вс (X = XII + Вс),
где вс — предел допускаемого значения вариации сигнализации, мВ, мА, Ом;
при этом прибор считают выдержавшим испытание, если световой индикатор снова сменит свою позицию на исходную.
Вариацию сигнализации можно определить по разности входных сигналов, при которых происходит срабатывание светового индикатора, при увеличении и уменьшении входного сигнала на проверяемой отметке шкалы.
В этом случае вариацию определяют по формуле:
_ XI.2-.X13.. . 100 (]3)где вс — вариация прибора по сигнализации, %;
Х12, Х13 — показания меры входного сигнала в момент срабатывания светового индикатора при увеличении и уменьшении входного сигнала, мВ, мА, Ом;
Д —то же, что в формулах (3), (4).
Значение вариации по сигнализации нс должно поевы-шать 0,25%.
-
4.5.10. Проверку отклонения средней скорости перемещения диаграммной ленты от номинального значения проводят следующим образом:
подают на вход прибора такой сигнал, чтобы линия регистрации располагалась в средней части диаграммной ленты;
наносят 2 горизонтальные отметки, одну на передней панели кронштейна лентопротяжного механизма слева или справа от диаграммной ленты, другую—на диаграммной ленте выше первой отметки; устанавливают одну из проверяемых скоростей и нажимают клавишу'ВНУТР и одну из клавиш СКОРОСТЬ ДИАГРАММЫ;
включают секундомер в момент совпадения нанесенных отметок и фиксируют время начала испытаний; выключают клавишу ВНУТР по истечении времени проверки:
120 мин 30 с —для скорости 2400 мм/ч;
50 мин — для скорости 600 мм/ч;
наносят на диаграммной ленте горизонтальную отметку на уровне отметки на кронштейне, измеряют на диаграммной ленте расстояние между двумя отметками, нанесенными в начале и конце проверки измерительной линейкой.
Расстояние, измеренное между двумя отметками, не должно превышать 500 ±2,5 мм.
-
4.5.11. Качество регистрации проверяют визуально одновременно с определением основной погрешности по регистрации, контролируют линию регистрации любым методом, обеспечивающим измерение с погрешностью ±10% от номинальной ширины линии.
Качество регистрации считают удовлетворительным, если ширина линии регистрации не превышает 1,0 мм.
-
4.5.12. Соответствие основной погрешности по преобразованию допускаемым значениям проводят на всех оцифрованных отметках шкалы на двух диапазонах изменения выходного сигнала следующим образом: при помощи меры входного сигнала устанавливают на приборе ОП расчетное значение выходного сигнала, соответствующее проверяемой отметке шкалы, определяемое по формуле:
Х,.ом. = Хо + у" ’ Д- (13а)
Лк — Лк
где Хипм. — значение выходного сигнала, соответствующее проверяемой отметке шкалы, мА;
Хо — значение выходного сигнала, соответствующее начальной отметке шкалы. мА;
Хп. Хк, Х„ — значение входного сигнала первичного преобразователя по ГОСТ 3044-84 или ГОСТ 6651-84, соответствующее проверяемой, конечной и начальной отметке шкалы соответственно;
Д—диапазон изменения выходного сигнала, мА.
Значение основной погрешности по преобразованию вычисляют по формуле:
XI4-X15 1ЛЛ ZIOje4
Y„ = — у---у--- • ЮО. (136)
где у» — основная погрешность прибора по преобразованию. %;
XI4—показания образцовой меры входного сигнала;
Х15 — значение входного сигнала, соответствующее проверяемой отметке шкалы;
ХК| Хи — то же, что в формуле (13а).
-
4.5.13. Проверку основной погрешности прибора по интегрированию проводят па двух отметках шкалы 10 и 100% диапазона измерения следующим образом:
-
4.5.13.1. В модификациях приборов со встроенным счетчиком импульсов устанавливают на мере входного сигнала значение, соответствующее проверяемой отметке шкалы, определяемое по формуле:
-
Лх — Лн
где Хном. — значение входного сигнала, соответствующее проверяемой отметке шкалы;
Хо — значение входного сигнала, соответствующее начальной отметке шкалы;

Хп, Хх, Хн — значение входного сигнала первичного преобразователя по ГОСТ 26.011-80, соответствующее проверяемой, конечной и начальной отметкам шкалы соответственно, мА, В.
Одновременно с появлением в счетчике импульсов очередной цифры включают секундомер и записывают показания счетчика.
При увеличении содержимого счетчика на 20, 200 единиц для отметок 10 и 100% диапазона измерения соответственно выключают секундомер.
Значение основной погрешности прибора по интегрированию определяют по формуле: где уп — основная погрешность прибора по интегрированию;

(13г)
Х16—показания секундомера, с.
-
4.5.13.2. В модификациях приборов с импульсным выходом на внешний счетчик устанавливают на мере входного сигнала значение, соответствующее проверяемой отметке шкалы, определяемое по формуле (13в), и по частотомеру определяют период следования импульсов.
Минимальное и максимальное значения периодов приведены в табл. 2.
Таблица 2
Проверяемая отметка шкалы. % диапазона измерения |
Допустимое значение периода, мс | |
минимальное |
максимальное | |
10 |
34285 |
37894 |
100 |
3582 |
3618 |
5. ОФОРМЛЕНИЕ РЕЗУЛЬТАТОВ ПОВЕРКИ
-
5.1. Результаты первичной поверки предприятие-изготовитель оформляет записью в паспорте, заверенной в порядке, установленном предприятием.
-
5.2. На приборы, признанные годными при государственной поверке органами Госстандарта, наносят оттиск повери-тельного клейма на корпусе или крышке прибора.
-
5.3. Результаты периодической ведомственной поверки оформляют в порядке, установленном ведомственной метрологической службой.
-
5.4. Приборы, не удовлетворяющие требованиям настоящих методических указаний, к выпуску в обращение и к применению не допускаются. Клеймо предыдущей поверки гасят.
Приложена- 1
. /е~о *х
177а
•- iz’/w etsf*<o**/sv0y ■
Ч*4Тг0 s с'~'гмт>ен0цл*м^/»гг<? ivyrtK-bs-
Гп.~

j
оос’ю/тсюмо/г&л-я.'а &•+'/>< Р>
г/5 3
"НЬ8 |
>^''0-1 |
~4-i'__<£> | |
. '.’v/ ^xJ-trAZ./V |
l^pVCfSVJO |
' *№ Л) ДЫМ <М ДЫ№М,#><бо Ы ■ РЖ /J *77490 '5 *77490 /7 Р/7//>(7 /9 Р/7&? 77 РР '677 7J РЯ*5/775. 40790-77 |
Рис 8 |
\р77/9О 70 POAV 79, 4W90JS *Ъ&?75> |
Рл~7 |
Условное обозначение прибора |
Обозначение комплекта конструкторской документации |
Код ОКП |
Количество каналов |
Входной сигнал |
РП160 |
25.100.00.001 |
42 1742 3002 02 |
Термоэлс | |
РП160-01 |
25.100.00 001-01 |
42 1742 3003 01 |
преобразова- | |
РП160-02 |
25.100.00.001-02 |
42 1742 3301 05 |
толей термо- | |
РГ1160-03 |
25.100 00.001 03 |
42 1742 3302 04 |
электрических типа ТХА. | |
РП160 УХЛ4.2 |
25.100.00 001 |
42 1742 3126 02 |
ТХК. ТПП. мВ | |
РП 160-01 УХЛ4.2 |
25.100 00 001-01 |
42 1742 3127 01 |
1 | |
РП 160-02 УХ Л 4.2 |
25.100.00.001-02 |
42 1742 3426 04 | ||
РП 160-03 УХЛ4.2 |
25 100.00 001-03 |
42 1742 3427 03 | ||
РП160 04.2 |
25.100.00.002 |
42 1742 3101 00 | ||
РП160-01 04.2 |
25.100.00 002-01 |
42 1742 3102 10 | ||
РП 160-02 04.2 |
25.100.00 002-02 |
42 1742 3401 02 | ||
РП 160-03 04.2 |
25 100 00.002-03 |
42 1742 3402 01 | ||
РП160-04 |
25.100 00.001-04 |
42 1742 3004 00 |
Напряжение | |
РП 160-05 |
25.100 00.001-05 |
42 1742 3005 10 |
постоянного тока. В | |
РП 160-04 УХЛ4 2 |
25.100.00.001-04 |
42 1742 3128 00 | ||
РП 160-05 УХЛ4.2 |
25.100.00.001-05 |
42 1742 3129 10 | ||
РП160-04 04.2 |
25.100.00.002-04 |
42 1742 3103 09 |
1 | |
РП160-05 04.2 |
25.100.00.002-05 |
42 1742 3104 08 | ||
РП 160-08 |
25.100 00.001-08 |
42 1742 3006 09 |
Постоянный | |
РП160-09 |
25.100.00.001-09 |
42 1742 3007 08 |
ток. мА | |
РП 160-08 УХЛ4.2 |
25.100.00.001-08 |
42 1742 3130 06 | ||
РП 160-09 УХЛ4.2 |
25.100.00.002-09 |
42 1742 3131 05 | ||
РП 160-08 04.2 |
25.100.00.002-08 |
42 1742 3105 07 | ||
РП 160-09 04.2 |
25.100.00 001 09 |
42 1742 3106 06 | ||
РП160-12 |
25.100.00.001.12 |
42 1742 3008 07 |
Изменение | |
РП160 13 |
25.100 00.001-13 |
42 1742 3009 06 |
сопротнвле- | |
РП 160-14 |
25.100.00.001-14 |
42 7142 3307 10 |
имя термо- | |
РП16О-15 |
25.100.00.001-15 |
42 1742 3308 09 |
преобразователей тем, ТСП, Ом |
Сигнализация |
Взрывозащита |
Пропорциональный токовый выход (0—5 мА, Rh^2 кОм. 4—20 мА. Rh$=500 Ом) без линеаризации |
Интегрирующее устройство |
Вид климатического исполнения |
Назначение | ||
со встроенным счетчиком |
с импульсным выходом на внеш- |
ннй счетчик | |||||
Нет |
Нет |
Нет |
Нет |
Нет |
Обыепро- | ||
Есть |
Нет |
Нет |
Нет |
Нет |
УХЛ4.2 |
м пиленное | |
Нет |
Есть |
Нет |
Нет |
Нет | |||
Есть |
Есть |
Нет |
Нет |
Нет | |||
Нет |
Нет |
Нет |
Нет |
Нет |
Для | ||
Есть |
Нет |
Нет |
Нет |
Нет |
УХЛ4.2 |
экспорта | |
Нет |
Есть |
Нет |
Нет |
Нет | |||
Есть |
Есть |
Нет |
Нет |
Нет |
* | ||
Нет |
Нет |
Нет |
Нет |
Нет |
Для | ||
Есть |
Нет |
Нет |
Нет |
Нет |
04.2 |
экспорта | |
Нет |
Есть |
Нет |
Нет |
Нет | |||
Есть |
Есть |
Нет |
Нет |
Нет | |||
Нет |
Нет |
Нет |
Нет |
Нет |
Общспро- | ||
Есть |
Нет |
Нет |
Нет |
Нет |
УХЛ4.2 |
мыш ленное | |
Нет |
Нет |
Нет |
Нет |
Нет |
Для | ||
Есть |
Нет |
Нет |
Нет |
Нет |
УХЛ4.2 |
экспорта | |
Нет |
Нет |
Нет |
Нот |
Нет |
04.2 |
Для | |
Есть |
Нет |
Нет |
Нет |
Нет |
экспорта. | ||
Нет |
Нет |
Нет |
■Нет |
Нет |
УХЛ4.2 |
Обшепро- | |
Есть |
Нет |
Нет |
Нет |
Нет |
м ышленнос | ||
Нет |
Нет |
Нет |
Нет |
Нет |
Для | ||
Есть |
Нет |
Нет |
Нет |
Нет |
УХЛ4.2 |
экспорта | |
Нет |
Нет |
Нет |
Нет |
Нет |
Для | ||
Есть |
Нет |
Нет |
Нет |
Нет |
04.2 |
экспорта | |
Нет |
Нет |
Нет |
Нет |
Нет |
Обшепро- | ||
Есть |
Нет |
Нет |
Нет |
Нет |
УХЛ4.2 |
м ышленнос | |
Нет |
Есть |
Нет |
Нет |
Нет | |||
Есть |
Есть |
Нет |
Нет |
Нет |
Условное обозначение прибора |
Обозначение комплекта конструкторской документации |
Код ОКП |
о о И li| |
Входной сигнал | |
РП160-12 УХЛ4 2 |
25.100 00.001-12 |
42 |
1742 3132 04 | ||
РП160-13 УХЛ4.2 |
25.100.00.001 13 |
42 |
1742 3133 03 |
1 | |
РП160-14 УХ Л 4.2 |
25.100.00.001-14 |
42 |
1724 3432 06 | ||
РП160-15 УХЛ4.2 |
25.100.00.001-15 |
42 |
1742 3433 05 | ||
РП160-12 04.2 |
25.100 00 002-12 |
42 |
1742 3107 05 | ||
РП160-13 04.2 |
25.100.00.002-13 |
42 |
1742 3108 04 | ||
РП160-14 04 2 |
25.100 00.002-14 |
42 |
1742 3407 07 | ||
РП160-15 04.2 |
25.100 00.002-15 |
42 |
1742 3408 06 | ||
РП160-16 |
25.100 00 001-16 |
42 |
1742 ЗОЮ 02 |
Термоэдс | |
РП160-17 |
25.100.00.00! -17 |
42 |
1742 ЗОН 01 |
преобразователей типа | |
РП160-16 УХЛ4 2 |
25.100.00.001-16 |
42 |
1742 3134 02 |
ТПР. напри- | |
РП160-17 УХЛ4.2 |
25.100.00.001-17 |
42 |
1742 3135 01 |
жение постоянного тока | |
РП160-16 04.2 |
25.100.00.002-16 |
42 |
1742 3109 03 |
I |
по ГОСТ |
РП160-17 04 2 |
25.100.00.002 17 |
42 |
1742 3110 10 |
26 011-80. мВ | |
РП160-18 |
25.100 00.001-18 |
42 |
1742 3309 08 | ||
РП160-19 |
25.100 00.001-19 |
42 7142 3310 04 | |||
РП160-18 УХЛ4.2 |
25.100 00.001-18 |
42 |
1742 3434 04 |
Термопреоб- | |
РП160-19 УХЛ4.2 |
25.100.00.001-19 |
42 |
1742 3435 03 |
разователь типа ТПР. мВ | |
РП160-18 04 2 |
25.100.00.002-18 |
12 |
1742 3409 05 | ||
РП160 19 0-1.2 |
25.100 00.002-19 |
42 |
1742 34)0 01 | ||
РП160-20 |
25.100.00.001-20 |
42 |
1742 8449 10 |
Изменение | |
РП160-21 |
25.100.00.001-21 |
42 |
1742 8450 06 |
сопротивлении | |
РП 160-22 |
25.100.00.001-22 |
42 |
1742 8451 05 |
термопреобра- | |
РП160 23 |
25.100.00.001-23 |
42 |
1742 8452 04 |
чователей ТСМ ТСП. Ом | |
РП 160-20 \'ХЛ4.2 |
25.100.00 001-20 |
42 |
1742 8453 03 | ||
РП 160 21 УХЛ4.2 |
25.100 00.001-21 |
42 |
1742 8454 02 | ||
РП160 22 УХЛ4.2 |
25.100 00.001-22 |
42 |
1742 8155 01 |
I | |
РП160 23 УХЛ4.2 |
25.100.00.001-23 |
42 |
1742 8456 00 |
Сигнализация |
Взрывозащита |
Пропорциональный токовый выход (0—5 мА, Rh^®2 кОм, 4—20 мА. Rh^500 Ом) без линеаризации |
Интегрирующее устройство |
Вид климатического исполнения |
Назначение | ||
со встроенным счетчиком |
с импульсным выходом на внеш- |
I ■ X | |||||
Пет |
Нет |
Нет |
Нет |
Нет |
Для | ||
Есть |
Нет |
Нет |
Нет |
Нет |
УХЛ4.2 |
экспорта | |
Нет |
Есть |
Нет |
Нет |
Нет | |||
Есть |
Есть |
Нет |
Нет |
Нет | |||
Нет |
Нет |
Нет |
Нет |
Нет |
Для | ||
Есть |
Нет |
Нет |
Нет |
Нет |
04.2 |
экспорта | |
Нет |
Есть |
Нет |
Нет |
Нет | |||
Есть |
Есть |
Нет |
Нет |
Нет | |||
Нет |
Нет |
Нет |
Нет |
Нет |
УХЛ4.2 |
Обшепро- | |
Есть |
Нет |
Нет |
Нет |
Нет |
мышленное | ||
Нет |
Нет |
Нет |
Нет |
Нет |
УХЛ4.2 |
Для | |
Есть |
Нет |
Нет |
Нет |
Нет |
экспорта | ||
Нет |
Нет |
Нет |
Нет |
Нет |
04.2 |
Для | |
Есть |
Нет |
Нет |
Нет |
Нет |
экспорта | ||
Нет |
Есть |
Нет |
Нет |
Нет |
Обшепро- | ||
Есть |
Есть |
Нет |
Нет |
Нет |
УХЛ4.2 |
мышленное | |
Нет |
Есть |
Нет |
Нет |
Нет |
Для | ||
Есть |
Есть |
Нет |
Нет |
Нет |
УХЛ4.2 |
экспорта' | |
Нет |
Есть |
Нет |
'Нет |
Нет |
Для | ||
Есть |
Есть |
Нет |
Нет |
Нет |
04.2 |
эхепорта | |
Нет |
Нет |
Есть |
Нет |
Нет |
Обшепро- | ||
Есть |
Нет |
Есть |
Нет |
Нет |
мышленное | ||
Нет |
Есть |
Есть |
Нет |
Нет |
УХЛ4.2 | ||
Есть |
Есть |
Есть |
Нет |
Нет | |||
Нет |
Нет |
Есть |
Нет |
Нет |
Для | ||
Есть |
Нет |
Есть |
Нет |
Нет |
УХЛ4.2 ^спорта | ||
Нет |
Есть |
Есть |
Нет |
Нет | |||
Есть |
Есть |
Есть |
Нет |
Нет |
Условное обозначение |
Обозначение комплекта конструктор- |
Код ОКП |
о |
Входной сигмлл |
прибора |
ской |
с *- | ||
документации |
2 о 1! |
РП160-20 04.2 |
25.100.00.002-20 |
42 |
1742 8457 10 |
РП160-21 04.2 |
25.100.00.002-21 |
42 |
1742 8458 09 |
РП 160-22 04.2 |
25.100.00.002-22 |
42 |
1742 8459 08 |
РГ1160-23 04.2 |
25.10000.002-23 |
42 |
1742 8460 04 |
РГ1160-24 |
25.100.00.001-24 |
42 |
1742 8461 03 |
РП 160-25 |
25.100.00.001-25 |
42 |
1742 8462 02 |
РП160 26 |
25.100.00.001-26 |
42 |
1742 8463 01 |
РП160-27 |
25.100.00.001-27 |
42 |
1742 8464 00 |
РП 160-24 УХЛ4.2 |
25.100.00.001-24 |
42 |
1742 8465 10 |
РГ1160-25 УХЛ4.2 |
25.100 00 001-25 |
42 |
1742 8466 09 |
РП 160-26 УХЛ4.2 |
25.100.00.001-26 |
42 |
1742 8467 08 |
РП 160-27 УХЛ4.2 |
25.100.00.001-27 |
42 |
1742 8468 07 |
РП 160-24 04.2 |
25 100 00.002-24 |
42 |
1742 8469 06 |
РП 160-25 04.2 |
25.100 00 002-25 |
42 |
1742 8470 02 |
РП16О-26 04.2 |
25.100.00.002-26 |
42 |
1742 8471 01 |
РП160 27 043 |
25 100.00.002-27 |
42 |
1742 8472 00 |
РП 160-28 |
25.100.00 001-28 |
42 |
1742 8473 10 |
РП 160-38 |
25.100.00.001-38 |
42 |
1742 8474 09 |
РП 160-28 УХЛ4.2 |
25.100.00.001-28 |
42 |
1742 8475 08 |
РП160-38 УХЛ4.2 |
25.100.00.001-38 |
42 |
1742 8476 07 |
РП160-28 04.2 |
25 100.00.002-28 |
42 |
1742 8477 06 |
РП 160-33 04.2 |
25.100.00 002-38 |
42 |
1742 8478 05 |
РП160-29 |
25.100.00.001-29 |
42 |
1742 8479 04 1 |
РП 160-39 |
25.100.00.001 39 |
42 |
1742 8480 00 |
РП 160-29 УХЛ4.2 |
25.100.00.001-29 |
42 |
1742 8481 10 |
РП 160-39 УХЛ4.2 |
25.100.00.001-39 |
42 |
1742 8482 09 |
РП 160-29 04 2 |
25.100.00.002-29 |
42 |
1742 8483 08 |
РП 160-39 04.2 |
25.100.00.002-39 |
42 |
1742 8484 07 |
Термоэдс преобразоватс-телей термоэлектрических типа ТХА, ТИК. ТПП. мВ
Постоянный ток. мА
Напряжение постоянного тока. В
Сигпа-
Взрывозащита

Пропорциональный токовый выход (0—5 мА.
Rn^2 кОм. 4—20 мА. Rh^=500 Ом) без линеари
зации
Интегрирующее устройство
со встроенным счетчиком
Mis !• 2 е о
X “ г = Я <J ’ф о X О X
Вид климатического исполнения
Назначение
Нет |
Нет |
Есть |
Нет |
Нет |
- . — |
Для |
Есть |
Нет |
Есть |
Нет |
Нет |
04.2 |
экспорта |
Нет |
Есть |
Есть |
Нет |
Нет | ||
Есть |
Есть |
Есть |
Нет |
Нет | ||
Нет |
Нет |
Есть |
Нет |
Нет | ||
Есть |
Нет |
Есть |
Нет |
Нет |
УХЛ4.2 |
Обшепро- |
Нет |
Есть |
Есть |
Нет |
Нет |
мышлеиное | |
Есть |
Есть |
Есть |
Нет |
Нет | ||
Нет |
Нет |
Есть |
Нет |
Нет |
Для | |
Есть |
Нет |
Есть |
Нет |
Нет |
УХЛ4.2 |
экспорта |
Нет |
Есть |
Есть |
Нет |
Нет | ||
Есть |
Есть |
Есть |
Нет |
Нет | ||
Нет |
Нет |
Есть |
Нет |
Нет | ||
Есть |
Нет |
Есть |
Нет |
Нет |
04.2 |
Для |
Нет |
Есть |
Есть |
Нет |
Нет |
экспорта | |
Есть |
Есть |
Есть |
Нет |
Нет | ||
Есть |
Нет |
Нет |
Есть |
Нет |
Обшепро- | |
Есть |
Нет |
Нет |
Нет |
Есть |
УХЛ4.2 |
мышлеиное |
Есть |
Нет |
Нет |
Есть |
Нет |
Для | |
Есть |
Нет |
Нет |
Нет |
Есть |
УХЛ4.2 |
экспорта |
Есть |
Нет |
Нет |
Есть |
Нет |
Для | |
Есть |
Нет |
Нет |
Нет |
Есть |
04.2 |
экспорта |
Есть |
Нет |
Нет |
Есть |
Нет |
Обшепро- | |
Есть |
Нет |
Нет |
Нет |
Есть |
УХЛ4.2 |
мышлеиное |
Есть |
Нет |
Нет |
Есть |
Нет |
УХЛ4.2 |
Для |
Есть |
Нет |
Нет |
Нет |
Есть |
экспорта | |
Есть |
Нет |
Нет |
Есть |
Нет |
012 |
Для |
Есть |
Нет |
Нет |
Нет |
Есть |
экспорта |
27