Методика поверки «Комплекс компьютерный для ИССЛЕДОВАНЯ ВЕГЕТАТИВНОЙ НЕРВНОЙ СИСТЕМЫ “ВНС-СПЕКТР”» (МП 013.01.002.000)

Основана в 1992
Комплекс компьютерный для ИССЛЕДОВАНЯ ВЕГЕТАТИВНОЙ НЕРВНОЙ СИСТЕМЫ
“ВНС-СПЕКТР”
Методика поверки
МП013.01.002.000
ООО “Нейрософт”
УТВЕРЖДАЮ
И.о.

Адрес: Россия, 153032, г. Иваново, ул. Воронина, д. 5
Служба сервиса: (4932) 24-04-37 help@neurosoft.ru
Отдел продаж: (4932) 24-04-34 com@neurosoft.ru
Автоматический факс: (4932) 24-04-35
Internet: www.neurosoft.ru
Содержание-
3. Требования безопасности и требования к квалификации
-
5. Проведение поверки и обработка результатов измерений
-
-
5.2.1. Включение комплекса, проверка загрузки программного
-
обеспечения и подтверждение соответствия программного обеспечения "Нейро-MBn.NET'
-
5.2.2. Проверка загрузки программного обеспечения и
подтверждение соответстия программного обеспечения "Поли-CneKTp.NET'
-
5.2.3. Проверка функционирования канала фотостимуляции
-
5.3. Определение метрологических характеристик комплекса
-
5.3.1. Определение метрологических характеристик каналов
-
регистрации вызванных кожных вегетативных потенциалов (ВКВП)
-
5.3.1.1. Определение диапазона и погрешности измерения
входных напряжений регистрируемых сигналов
-
5.3.1.2. Определение диапазона и погрешности измерения
-
5.3.1.3. Определение напряжения внутренних шумов,
-
5.3.1.4. Определение неравномерности амплитудно-частотной
-
5.3.2. Определение метрологических характеристик канала
регистрации электрокардиосигнала
-
5.3.2.1. Определение идентичности формы и погрешности измерения временных интервалов испытательного ЭКГ-
-
5.3.2.2. Определение диапазона и погрешности измерений
-
5.3.2.5. Определение неравномерности амплитудно-частотной
-
5.3.2.6. Определение диапазона и погрешности измерения
частоты сердечных сокращений и длительности R-R интервалов
-
5.3.3. Определение метрологических характеристик канала
-
5.3.3.1. Определение погрешности измерения
-
5.3.3.2. Определение времени измерения температуры Настоящая методика поверки распространяется на комплексы компьютерные для исследования вегетативной нервной системы «ВНС-Спектр» (в дальнейшем «комплекс»), предназначенные для съема и отображения на мониторе экрана:
-
- вызванных кожных вегетативных потенциалов (ВКВП) по 1+8 каналам;
-
- электрокардиосигнала (ЭКГ-сигнала, ЭКС) по второму отведению для измерения частоты сердечных сокращений (ЧСС) и формирования ритмограммы длительности R-R интервалов;
-
- кривой дыхания для определения моментов начала вдоха и выдоха;
-
- измерения температуры кожи;
-
- токовой, фоно- и фотостимуляции;
-
- измерения с помощью маркеров амплитудно-временных параметров сигналов ВКВП и представления их результатов в виде таблиц и графиков;
-
- формирования и вывода на печать протокола обследования.
Методика поверки устанавливает методы и средства первичной и периодических поверок комплекса. При выпуске из производства и после ремонта проводится первичная поверка, в процессе эксплуатации и хранения — периодическая поверка.
Межповерочный интервал — 1 год.
Номер в государственном реестре средств измерений: 34712-07
1. Операции поверкиПри проведении поверки должны выполняться операции, указанные в табл. 1.
Таблица 1. Операции поверки
Наименование операции поверки |
Номер пункта методики поверки |
Проведение операций при: | |
первичной поверке |
периодической поверке | ||
1. Внешний осмотр |
5.1 |
Да |
Да |
2. Опробование |
5.2 |
Да |
Да |
2.1. Включение комплекса, проверка загрузки программного обеспечения и подтверждение соответствия программного обеспечения «Нейро-МВП.ИЕТ |
5.2.1 |
Да |
Да |
2.2. Проверка загрузки программного обеспечения и подтверждение соответствия программного обеспечения «Поли-Спектр.ЫЕТ» |
5.2.2 | ||
2.3. Проверка функционирования канала фотостимуляции и светодиодного стимулятора |
5.3 |
Да |
Да |
2.4. Проверка функционирования канала фоностимуляции |
5.2.4 |
Да |
Да |
2.4. Проверка функционирования канала дыхания |
5.2.5 |
Да |
Да |
2.5. Проверка функционирования канала измерения температуры |
5.2.6 |
Да |
Да |
3. Определение метрологических характеристик комплекса |
5.3 |
Да |
Да |
3.1 Определение метрологических характеристик каналов регистрации вызванных кожных вегетативных потенциалов (ВКВП). Определение диапазона и погрешности измерения входных напряжений регистрируемых сигналов |
5.3.1 5.3.1.1 |
Да |
Да |
3.2. Определение диапазона и погрешности измерения интервалов времени |
5.3.1.2 |
Да |
Да |
3.3. Определение напряжения внутренних шумов, приведенных ко входу |
5.3.1.3 |
Да |
Да |
3.4. Определение неравномерности амплитудночастотной характеристики |
5.3.1.4 |
Да |
Да |
3.5. Определение метрологических характеристик канала регистрации электрокардиосигнала Определение идентичности формы и погрешности измерения временных интервалов испытательного ЭКГ-сигнала |
5.3.2 5.3.2.1 |
Да |
Да |
3.6. Определение диапазона и погрешности измерений напряжения |
5.3.2.2 |
Да |
Да |
3.7. Определение внутренних шумов, приведенных ко входу |
5.3.2.3 | ||
3.8. Определение постоянной времени |
5.3.2.4 | ||
3.9. Определение неравномерности амплитудночастотной характеристики... |
5.3.2.5 |
3.10. Определение диапазона и абсолютной погрешности измерения частоты сердечных сокращений и длительности R-R интервалов |
5.3.2.6 | ||
3.11. Определение метрологических характеристик канала измерения температуры Определение погрешности измерения температуры |
5.3.3 5.3.3.1 | ||
3.12 Определение времени измерения температуры |
5.3.3.2 |
Примечание:
По заявке медицинского учреждения при периодических поверках допускается проводить поверку только в тех режимах и подрежимах, которые используются в данном учреждении. Запись об этом должна быть внесена в руководство по эксплуатации комплекса и удостоверена подписью руководителя или метролога учреждения.
2. Средства поверкиПри проведении поверки применяют средства поверки, указанные в табл. 2.
Таблица 2. Средства поверки
Номер пункта методики поверки |
Наименование средства поверки |
Основные технические и метрологические характеристики |
5.3.2
|
Генератор функциональный ГФ-05 С ПЗУ «4», «М22», «М19б/ф», «ЧСС» |
Диапазон частот — (0.01-600) Гц; Пределы допускаемой относительной погрешности установки частоты — ±0.1%. Диапазон размаха напряжения выходного сигнала — от 0.03 мВ до 20 В. Пределы допускаемой относительной погрешности установки размаха напряжения выходного сигнала: ±0.9% для значения размаха 1.0 В; ±1.0% для значения размаха 1.0 мВ; ±1.25% для значений размаха 0.3; 0.4; 0.5; 0.6; 0.7; 0.8; 1.5; 2.0; 3.0; 4.0; 5.0; 6.0; 7.0; 8.0; 9.0; 10 В; ±1.5% для значений размаха 0.3; 0.4; 0.5; 0.6; 0.7; 0.8; 1.5; 2.0; 3.0; 4.0; 5.0; 6.0; 7.0; 8.0; 9.0; 10 мВ; ±2.5% для значений размаха 0.1; 0.2 В; ±3.0% для значений размаха 0.1; 0.2 мВ; ±8.0% для значений размаха 0.03; 0.05 В; ±9.5% для значений размаха 0.03; 0.05 мВ. |
|
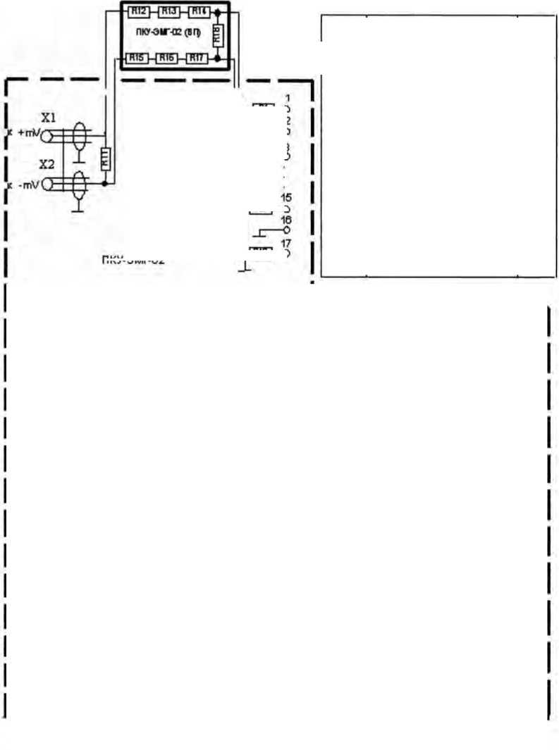
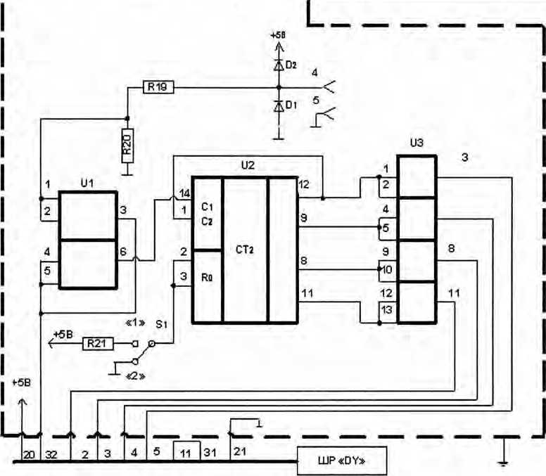
Поверочное коммутационное устройство ПКУ-ЭМГ-02 (вспомогательное устройство; схема электрическая принципиальная приведена в приложении А) |
Элементы: R1...R10 = 4.7 кОм ± 2%; R11 = 100 Ом ± 1%; R5. R7 = 1.0 кОм ± 2%; R19 = 10 Ом ± 2%; R20 = 1.0 кОм ±10%; U1, U3 — микросхемы К155ЛАЗ; U2 — микросхема К155ИЕ5; D1, D2 — диоды Д220Б; Х1,Х2 — разъемы СР50-74; S1 — переключатель МТ-1; 4, 5 — гнезда 3.5 мм; ШР «DY» — вилка 861013 ELTRA. |
5.3.2
|
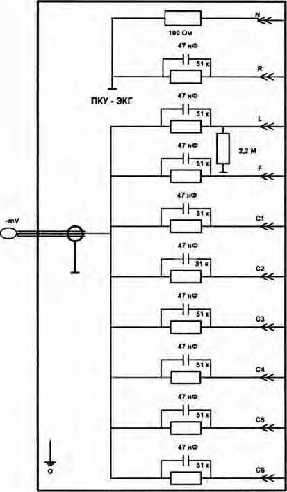
Поверочное коммутационное устройство ПКУ-ЭКГ (вспомогательное устройство; схема электрическая принципиальная приведена в приложении Б) |
Элементы: R1 =51 кОм ±2%; Rn = 100 Ом ± 2%; С = 47 нФ ± 10%. |
|
Термометр |
Диапазон измерения: от 20 до 40 °C Цена деления: Погрешность: ±0,2 °C |
|
Термостат (вспомогательное устройство) |
Диапазон температур: от 10 до 80 °C |
5.3.3.2 |
Секундомер |
Допустимая погрешность при измерении интервала времени 30 минут в пределах ±1,6 с |
|
Кабели-переходники для проверки параметров температуры, дыхания, зрительного, слухового и токового стимуляторов (входят в комплект поставки комплекса) |
Примечание:
Вместо указанных в табл. 2 средств поверки разрешается применять другие, обеспечивающие воспроизведение сигналов и измерения их параметров с требуемой точностью.
3. Требования безопасности и требования к квалификации поверителейПри проведении поверки соблюдаются требования безопасности, указанные в правилах техники безопасности при эксплуатации электроустановок потребителями (ПТБ) и эксплуатационной документации (ЭД) на поверяемый комплекс и средства его поверки.
К проведению поверки допускаются лица, аттестованные в качестве поверителей, прошедшие инструктаж по технике безопасности и изучившие ЭД на поверяемый комплекс и средства его поверки.
4. Условия поверки и подготовка к нейПри проведении поверки должны соблюдаться следующие условия:
-
• температура окружающего воздуха — (20 ± 5)°С;
-
• атмосферное давление — (101.3 ± 4) кПа, (750 ± 30) мм рт. ст.;
-
• относительная влажность воздуха — (65 ± 15)%;
-
• напряжение питающей сети — (220 ± 4.4) В;
-
• частота питающей сети — (50 ± 0.5) Гц;
-
• на рабочем месте сетевые цепи для исключения электромагнитных помех разносятся от входных цепей комплекса на расстояние не менее 1 метра;
-
• следует избегать использования длинных шнуров и многочисленных переходников;
-
• вблизи рабочего места, где проводится поверка, не должно быть источников электромагнитных помех.
Перед проведением поверки выполнить следующие подготовительные работы:
-
• проверить отсутствие повреждений ПЗУ с испытательными сигналами;
-
• ознакомиться с руководством по эксплуатации, руководством пользователя на поверяемый комплекс и эксплуатационной документацией на используемые средства поверки; подготовить комплекс и средства поверки к работе согласно указаниям ЭД;
-
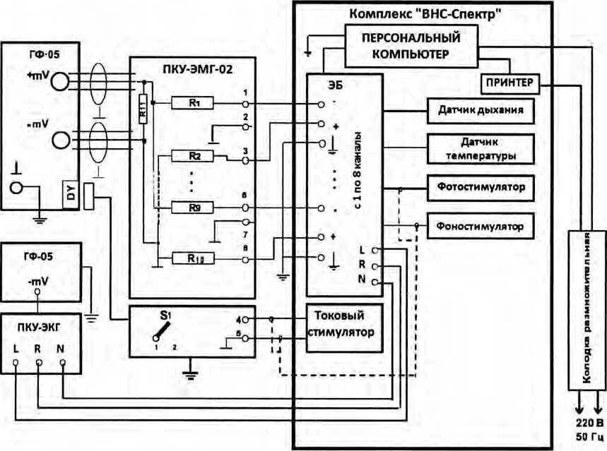
• соединить комплекс, средство поверки и ПКУ-ЭМГ-02 согласно рис. 1, обратив особое внимание на качество заземления и защиту мест контактных соединений от воздействия помех.
и обработка
-
5.1. Внешний осмотр
При внешнем осмотре установить соответствие комплекса следующим требованиям:
-
• правильность маркировки и обозначений кабелей и устройств комплекса;
-
• отсутствие механических повреждений комплекса, влияющих на его работоспособность;
-
• исправность защитных пломб или наклеек;
-
• исправность соединительных разъемов комплекса;
-
• обеспечение чистоты разъемов соединительных кабелей.
Примечание:
Допускается проводить поверку комплекса без запасных частей и принадлежностей, не влияющих на его работоспособность и на результаты поверки.
-
5.2. Опробование
При опробовании проводится проверка соответствие программного обеспечения комплекса, функционирования стимуляторов, каналов регистрации дыхания и температуры.
Проверка осуществляется согласно схеме, приведенной на рис.1
-
5.2.1. Включение комплекса, программного обеспечения соответствия программного MBn.NET»
проверка загрузки и подтверждение обеспечения «Нейро-
Соединить составные части комплекса, персональный компьютер с установленным программным обеспечением “Нейро-MBn.NET" и средства проверки согласно схеме, приведенной на рис. 1. предварительно заземлив генератор ГФ-05, ПКУ-ЭМГ и ПК, а также соединив гнездо «-*-» ГФ-05 с проводом заземления. Включить питание ПК и принтера. После появления на экране изображения рабочего стола дважды щелкнуть левой клавишей мыши (ЛКМ) по ярлыку «Нейро-MBn.NET». При этом на экране монитора должны появиться главное окно «Нейро-MBn.NET», содержащее командную строку с командными кнопками: «Обследование», «Протокол», «Проба», «Вид», «Настройки» и «?», а также панель кнопок-ускорителей с мнемоническими кнопками.
Устанавливая указатель мыши на соответствующей кнопке-ускорителе, убедиться в том, что рядом с изображением кнопки появляется информация о ее назначении. Устанавливая указатель мыши на командных кнопках, убедиться в открытии соответствующих этим кнопкам подменю.
Проверку соответствия программного обеспечения (ПО) проверить путем вызова командной кнопки «?», в подменю выбрать «О программе...» и в появившемся на экране монитора окне проверить наименование ПО и номер его версии.

Рис. 1. Схема соединения приборов при поверке комплекса.
ГФ-05 — генератор функциональный ГФ-05; ЭБ — электронный блок; ПКУ-ЭМГ-02 — поверочное коммутационное устройство ЭМГ-приборов (R1...R10 — 4.7 кОм ± 1%; R11 — 100 Ом ± 1%; S1 — переключатель на 2 положения: 1 — кнопка нажата, 2 — кнопка отжата); ПКУ-ЭКГ - поверочное коммутационное устройство ЭКГ-приборов; ЭБ - электронный блок
5.2.2. Проверка загрузки программного обеспечения и подтверждение соответствия программного обеспечения «Поли-CneKTp.NET»Дважды щелкнуть левой клавишей мыши (ЛКМ) по ярлыку «Поли-CneKTp.NET». При этом на экране монитора должно появиться главное окно «Поли-CneKTp.NET», содержащее командную строку с командными кнопками («Обследование», «Анализ», «Протокол», «Вид», «Настройки» и «?»), а также панель кнопок-ускорителей с мнемоническими кнопками. Установить указатель мыши на соответствующую кнопку-ускоритель и убедиться в том, что рядом с изображением кнопки появляется информация о ее назначении. Установить указатель мыши на командной кнопке и убедиться в открытии соответствующего этой кнопке подменю.
Проверку соответствия программного обеспечения (ПО) проверить путем вызова командной кнопки «?», в подменю выбрать «О программе...» и в появившемся на экране монитора окне проверить наименование ПО и номер его версии.
5.2.3. Проверка функционирования канала фотостимуляции и светодиодного стимулятораПроверка числа каналов фотостимуляции проводится визуально, число каналов должно быть - 2. Проверка функционирования каналов проводится согласно схеме, приведенной на рис.1.
Органы управления генератора ГФ-05 с ПЗУ «М22» установить в следующее положение: Вид сигнала - все кнопки отжаты;
ЧАСТОТА, Hz - нажаты кнопки «40» и «1:100» (0,4 Гц);
РАЗМАХ CHTH.V.mV- нажаты кнопки «1,0», «4,0» и «5,0»;
Разъем «DY» ПКУ-ЭМГ - подключен к ГФ-05 и соединен с выходом токового стимулятора; Переключатель S1 на ПКУ ЭМГ - положение «1» (кнопка нажата).
Запустить программу «Нейро-MBn.NET», начать новую пробу «Электромиография (доп.). Кожный симпатический потенциал». Выполнить команду меню Проба|Шаблон про-бы|Настройка стимулятора, выбрать встроенный фотостимулятор, установить параметры стимула: длительность - 20 мс, на закладке Усилитель установить нижнюю частоту пропускания фильтра 0,2 Гц, сетевой фильтр - Выкл., сторона стимуляции - обе, количество стимулов - 5, на закладке Дополнительно установить эпоху анализа 10000 мс и нажать кнопку Ок.
Подключите фотостимулятор к комплексу.
Выполнить команду меню «Начало регистрации сигнала/ подача стимула» и визуально проверить наличие вспышек светодиодного стимулятора.
Результаты опробования считаются положительными, если светодиодный стимулятор излучает 5 вспышек света с периодом меяоду вспышками 1 с.
5.2.4. Проверка функционирования канала фоностимуляцииПроверка числа каналов фоностимуляции проводится визуально, число каналов фоностимуляции должно быть - 2 (правый и левый). Проверка функционирования канала фоностимуляции проводится согласно схеме, приведенной на рисунке 1.
Органы управления генератора ГФ-05 с ПЗУ «М22» установить в следующее положение: Вид сигнала - все кнопки отжаты;
ЧАСТОТА, Hz - нажаты кнопки «40» и «1:100» (0,4 Гц);
РАЗМАХ CHrH.V.mV- нажаты кнопки «1,0», «4,0» и «5,0»;
Разъем «DY» ПКУ-ЭМГ - подключен к ГФ-05 и соединен с выходом токового стимулятора; Переключатель S1 на ПКУ ЭМГ - положение «1» (кнопка нажата).
Начать новую пробу «Электромиография (доп.). Кожный симпатический потенциал». Выполнить команду меню Проба|Шаблон пробы|Настройка стимулятора, выбрать встроенный слуховой стимулятор, установить параметры стимула: вид стимула - щелчок, интенсивность - 100 дБ, длительность - 1 мс, сторона стимуляции - обе, тип наушников -ТА-01, на закладке Усилитель установить нижнюю частоту пропускания фильтра 0,2 Гц, сетевой фильтр - Выкл., сторона стимуляции - обе, на закладке Дополнительно установить эпоху анализа 10000 мс и нажать кнопку Ок.
Подключить головные телефоны к комплексу и надеть на голову. Выполнить команду меню «Начало регистрации сигнала/ подача стимула», при этом в головном телефоне должен быть слышен один щелчок.
Установить параметры регистрации: вид стимула - звуковой тон, сторона стимуляции -обе, длительность тона - 1000 мс, частота тона - 100 Гц, интенсивность стимула - 100 дБ, эпоха анализа - 10 с, нижняя частота пропускания фильтров- 0,2 Гц.
Выполнить команду меню «Начало регистрации сигнала/ подача стимула», при этом в головном телефоне должен быть слышен низкий тон.
На слух проверьте изменение звукового тона на высоте при установке частот тона 1000 и 5000 Гц
Результаты опробования считаются положительными, если в головных телефонах четко слышны щелчок и звуковой тон.
5.2.5. Проверка функционирования канала дыханияПроверка функционирования канала дыхания проводится согласно схеме, приведенной на рисунке 1.
Начать новую пробу «Электромиография (доп ). Кожный симпатический потенциал». Выполнить команду меню Проба|Шаблон пробы|Настройка стимулятора, выбрать задержка дыхания, выбрать 10 каналов усилителя, установить эпоху анализа 15000 мс и нажать кнопку Ок.
Подключить датчик дыхания к комплексу и поднести к ноздрям. Выполнить команду меню «Начало регистрации сигнала/ подача стимула». Изменяя частоту собственного дыхания, на экране монитора по 10-му каналу наблюдать изображение и изменение частоты дыхательных волн, произвести запись.
Результаты опробования считаются положительными, если на экране монитора отображаются дыхательные волны, частота которых изменяется при изменении частоты собственного дыхания.
5.2.6. Проверка функционирования канала измерения температурыПроверка функционирования канала измерения температуры проводится согласно схеме, приведенной на рисунке 1.
Выберите пункт меню Проба| Новая.... В окне «Новая проба» выбрать режим «Электромиография (доп.). Кожный симпатический потенциал», создать новый шаблон «Измерение температуры», в окне «Режим записи» поставить «V» в окне «Использовать датчик температуры», в окне «Аппаратура» выбрать прибор «ВНС-Спектр» и установить калибровочные коэффициенты датчика температуры в соответствии с паспортными данными датчика температуры, входящего в комплект поставки комплекса и нажмите кнопку «ОК».
Датчик температуры зажать в левой руке и нажать кнопку-ускоритель измерителя температуры.
Выбрать пункт меню Вид| Таблица анализа| Температура, в появившейся таблице «Температура» нажать на кнопку «Получить температуру с датчика». В появившемся окне «Измерение температуры» должно отобразиться измеренное значение температуры кисти. Нажать кнопку «Ок», и данные должны сохраниться в таблице «Температура».
Результаты опробования считаются положительными, если на экране монитора появится измеренное значение температуры кисти.
Определение метрологических характеристик комплекса
-
5.3. Определение метрологических характеристик комплекса
Определение метрологических характеристик каналов ВКВП проводится согласно схеме, приведенной на рис. 1, во всех каналах.
5.3.1.1. Определение диапазона и погрешности измерения входных напряжений регистрируемых сигналов.
Органы управления генератора ГФ-05 с ПЗУ «М22» установить в следующее положение: Вид сигнала - нажата кнопка "А”, остальные отжаты (сигнал МТ-3);
ЧАСТОТА, Hz - нажаты кнопки “40" и “1:100” (0,4 Гц);
РАЗМАХ CHrH.V.mV- нажаты кнопки согласно таблице 3.
Разъем «DY» ПКУ-ЭМГ отсоединить от генератора ГФ-05.
Запустить программу «Нейро-MBn.NET», начать новую пробу «Электромиография (доп.). Кожный симпатический потенциал». Выполнить команду меню Проба|Шаблон про-бы|Настройка стимулятора, выбрать встроенный токовый стимулятор, установить параметры стимула: ток стимуляции - 2 мА, длительность - 100 мкс, на закладке Усилитель установить нижнюю частоту пропускания фильтра 0,05 Гц, на закладке Дополнительно установить эпоху анализа 10000 мс и нажать кнопку Ок.
ВНИМАНИЕ!!!! Перед регистрацией сигнала обязательно нажать и отпустить кнопку СВР на генераторе ГФ-05.
Таблица 3
Установки РАЗМАХА СИГН. на ГФ-05 (нажаты кнопки) |
Установки чувствительности на комплексе (развертка неизменна-200 мс) |
Значения размаха сигнала, мВ (тт. 2 - 4 на рисунке 2) | ||||
допускаемые |
измеренные (11изм) | |||||
номин (Uhom) |
Мин |
макс | ||||
1 |
2 |
3 |
4 |
5 |
6 |
7 |
1 |
0.1 |
20 мкВ |
0,082 |
0,074 |
0,090 | |
2 |
0,5 |
100 мкВ |
0,411 |
0,370 |
0,452 | |
3 |
1.0 |
200 мкВ |
0,823 |
0,765 |
0,881 | |
4 |
2,0 |
500 мкВ |
1,646 |
1,531 |
1,761 | |
5 |
5,0 |
1 мВ |
4,117 |
3,829 |
4,405 | |
6 |
5,0; 4,0 и 1,0 |
2 мВ |
8,234 |
7,658 |
8,810 | |
7 |
0,03* |
5 мВ |
24,7 |
23,0 |
26,4 | |
8 |
0,5 |
100 мВ |
411,7 |
382,9 |
440,5 |
* Примечание - При проверке в соответствии со строкой 7 и 8 таблицы 3 входной разъем ПКУ-ЭМГ через переходник подключают к гнездам «-V» и «-1-» генератора ГФ-05, оставляя другие соединения неизменными.
Выполнить команду меню Регистрация|Регистрация/Стимул. В ходе регистрации сигнала установить скорость развертки 200 мс, чувствительность согласно таблице 3.
После остановки развертки сигнала (через время, соответствующее установленной эпохе анализа) проверить идентичность формы сигнала рисунку 2. Нажатием кнопки Ок перейти в главное окно программы и там произвести измерения путем заключения в рамку (при нажатых клавиши Shift и ЛКМ) измеряемых участков сигнала с границами между точками 2-4 (см. рисунок 2), а также путем установки маркера 1 в точку 2, а маркера 2а в точку 4 и снятием показаний в окне анализа (ВКСП) в графе А2.
Измеренные значения размаха входного сигнала должны находиться в пределах: -диапазон измерения входных напряжений регистрируемых сигналов от 0,1 до 500 мВ - пределы относительной погрешности измерения входных напряжений:
в диапазоне от 0,1 до 0,5 мВ ± 10 %;
в диапазоне свыше 0,5 до 500 мВ ± 7 %.
Значение относительной погрешности измерения входных напряжений бн, в процентах, определяется по формуле
иизм - ином
бн =-----------------х 100,
ином
Где иизм - измеренное значение размаха входного сигнала, мВ;
Uhom - номинальное значение размаха входного сигнала, мВ (см. графу 4 табл. 3).

Рис. 2. Форма сигнала «МТ-3» (ПЗУ «М22»)
Аналогичные операции регистрации сигнала и измерения его амплитудных параметров произвести с использованием испытательного сигнала МН-1 (ПЗУ «М19б/ф»).
Органы управления генератора ГФ-05 с ПЗУ «М19б/ф» установить в следующее положение:
Вид сигнала - нажата кнопка “С", остальные отжаты;
ЧАСТОТА, Hz - нажаты кнопки “40” и “1:100” (0,4 Гц);
РАЗМАХ СИГН.У.тУ- нажаты кнопки согласно таблице 4.
Разъем «DY» ПКУ-ЭМГ отсоединить от генератора ГФ-05.
Параметры стимула должны иметь значения: ток стимуляции - 2 мА, длительность - 100 мкс, количество стимулов -1, эпоха анализа - 10 с, нижняя частота пропускания фильтра -0,05 Гц.
При регистрации убедиться в том, что форма соответствует рисунку 3.
Таблица 4
№ № п/п |
Установки РАЗМАХА СИГН. на ГФ-05 (нажаты кнопки) |
Устаноки чувствительности на комплексе (развертка неизменна-500 мс) |
Допускаемые значения размаха сигнала между характерными точками | |||||
(тт. 2 - 3 на рисунке 3.1), мкВ |
(тт. 6 - 7 на рисунке 3.1), мВ | |||||||
номин (Uhom) |
мин |
макс |
номин (Uhom) |
мин |
макс | |||
1 |
2,0 и 1,0 |
200 мкВ |
117 |
105 |
129 |
2,31 |
2,15 |
2,47 |
2 |
5,0 |
500 мкВ |
196 |
176 |
216 |
3,85 |
3,58 |
4,12 |
3 |
5,0; 4.0 и 1,0 |
1 мВ |
392 |
353 |
431 |
7,69 |
7,15 |
8,23 |

Рисунок 3 - Форма сигнала МН-1 (ПЗУ «М19б/ф»)
Результаты по данному пункту поверки считаются положительными, если относительная погрешность измерения амплитудных параметров находится в пределах:
-
- в диапазоне от 0,1 до 0,5 мВ - ±10%;
-
- в диапазоне свыше 0,5до 500 мВ - ±7%.
5.3.1.2. Определение диапазона и погрешности измерения интервалов времени.
Органы управления генератора ГФ-05 с ПЗУ «М22» установить в следующее положение: Вид сигнала - нажаты кнопки согласно таблице 5;
ЧАСТОТА, Hz - нажаты кнопки «40» и «1:100» (0,4 Гц);
РАЗМАХ СИГИ.V,mV- нажаты кнопки «5,0»; «4,0» и «1,0».
Регистрацию сигнала производить при установленных значениях: чувствительность - 2 мВ, развертка - 200 мс, длительность стимулирующего импульса - 100 мкс, количество стимулов - 1, эпоха анализа - 20 с.
Таблица 5
№ № п/п |
Установки на ГФ-05 (нажаты кнопки) |
Значения временных интервалов, с (номин., мин., макс.) | |||
Латентность (т.0-1) |
S1 (тт.1-2) |
S2a (тт.2-4) |
S26 (тт.4-5) | ||
1 |
2 |
3 |
4 |
5 |
6 |
1 |
- |
0,110; 0,105; 0,115 |
0,352; 0,334; 0,370 |
0,723; 0,687; 0,759 |
1,035; 0,983; 1,087 |
2 |
А |
0,371; 0,352; 0,390 |
0,352; 0,334; 0,370 |
0,723; 0,687; 0,759 |
1.055; 1,002; 1,108 |
3 |
АиС |
2,500; 2,375; 2,625 |
0,352; 0,334; 0,370 |
0,723; 0,687; 0,759 |
1,035; 0,983; 1,087 |
На изображениях сигнала в каналах установить маркеры следующим образом: маркер «1_» совместить с точкой 1 (см. рисунок 2), маркер 1 - с точкой 2, маркер 2а - с точкой 4, маркер 26 - с точкой 5.
Прокручивая изображение сигнала убедиться в том, что общая длительность записи составляет 20 с., а отображенные в таблице значения временных интервалов (латентность, S1, S2a и S26) находятся в пределах, указанных в таблице 5.
Измеренные значения временных интервалов должны находиться в пределах:
-
- диапазон измерения временных интервалов от 0,1 до 20 с;
-
- пределы относительной погрешности измерения временных интервалов ± 5 %.
Значение относительной погрешности измерения временных интервалов бт, в процентах, определяется по формуле
Тизм -Тном
бт =-------------х 100,
Тном
Где Тизм - измеренное значение интервала времени, с;
Тном - номинальное значение интервала времени, с; (см. первые значения в графах 4 - 7 таблицы 5).
Результаты по данному пункту поверки считаются положительными, если измеренные значения интервалов времени находится в вышеуказанных пределах.
5.3.1.3. Определение напряжения внутренних шумов, приведенных ко входу
Определение напряжения внутренних шумов, приведенных ко входу, производится согласно рис.1. На генераторе ГФ-05 отжать кнопку СЕТЬ, вход ПКУ-ЭМГ-02 соединить с гнездом «-*-» генератора ГФ-05.
Выбрать пункт меню Проба| Новая..., В окне «Новая проба» выбрать режим «Электромиография (доп.)/ Кожный симпатический потенциал», создать новый шаблон, выбрать используемые каналы усилителя, в окне «Аппаратура» выбрать прибор «ВНС-Спектр», стимулятор - Встроенный токовый стимулятор и установить параметры регистрации: эпоха анализа - 20 с; ток симуляции - 2 мА; длительность стимула - 100 мкс; сетевой фильтр - включен.
Произвести регистрацию сигнала при выбранных значениях: чувствительность - 2 мкВ; скорость развертки - 1 с.
Просмотреть наличие шумов и выбросов на шумовой дорожке в течение всех 20 с Измерьте размах сигнала на шумовой дорожке.
Результаты считаются положительными, если максимальное измеренное значение уровня шума во всех каналах не превышает 10 мкВ.
5.3.1.4. Определение неравномерности амплитудно-частотной характеристики
Определение неравномерности АЧХ проводится согласно схеме на рис.1 подачей на входы каналов ВКВП синусоидального сигнала размахом 4,0 мВ со значениями частот из следующего ряда: 0,05; 0,1; 0,2; 0,5; 0,75; 1; 3; 5; 7,5; 10 Гц.
Выбрать пункт меню Проба| Новая..., В окне «Новая проба» выбрать режим «Электромиография (доп.)/ Кожный симпатический потенциал», создать новый шаблон, выбрать используемые каналы усилителя, в окне «Аппаратура» выбрать прибор «ВНС-Спектр», стимулятор - Встроенный токовый стимулятор и установить параметры регистрации: нижняя частота (ФВЧ) - 0,05 Гц; эпоха анализа - 10000 мс; ток симуляции - 2 мА; длительность стимула -100 мкс; количество стимулов - 3; сетевой фильтр - выключен.
Произвести регистрацию сигнала при выбранных значениях: чувствительность - 1,0 мВ; скорость развертки - удобная для наблюдения и проведения измерений.
Неравномерность АЧХ, относительно частоты 1 Гц, в полосе частот от 0,05 до 10 Гц (of, %) вычисляется по формуле:

где Upo- измеренное значение размаха сигнала на опорной частоте 1 Гц;
Upl - измеренное значение размаха сигнала на установленной частоте.
Результаты считаются положительными, если неравномерность АЧХ находится в пределах:
-
- в диапазоне свыше 0,1 до 7,5 Гц, % - от минус 10 до +5;
-
- в диапазонах от 0,05 до 0,1 Гц и свыше 7,5 до 10 Гц, % - до минус 30.
5.3.2.1. Определение идентичности формы и погрешности измерения временных интервалов испытательного ЭКГ - сигнала
Щелчком ЛКМ по ярлыку «Поли-Спектр.NET» на рабочем столе запустить программу регистрации ЭКГ.
В меню главного окна «Поли-Спектр.ЫЕТ» нажать кнопку-ускоритель Обследование (или клавиши Ctrl+N). В окне «Новое обследование» в соответствующие позиции ввести фиктивные ФИО (серийный номер СИ), пол, дату рождения пациента и нажать кнопку ОК. В окне «Параметры обследовании» ввести рост и вес фиктивного пациента, в списке «Тип обследования» выбрать «Электрокардиограмма», в списке «Шаблон» выбрать значение «ЭКГ» и нажать кнопку ОК.
Внимание!!! Перед началом записи предварительно по команде Запись|Фильтры включить опцию “ФНЧ 75Гц”; отключить опцию «Сетевой». В диалоговом окне «Настройки» (меню Настройки|Изменить...) на закладке «Программа» выключить опцию «Автоматически удалять тренд после записи».
Если на экране не присутствует канал пневмограммы (ПГ), то выбрать команду меню Зпись|Система отведений... В диалоговом окне «Система отведений» выбрать значение «ЭКГ» и нажать кнопку ОК.
Определение числа каналов ЭКГ проводится визуально, число каналов должно быть -1. Определение относительной погрешности измерения интервалов времени путем записи и измерения испытательного ЭКГ-сигнала следующим образом.
Органы управления генератора ГФ-05 с ПЗУ «4» установить в следующее положение.
ВИД СИГНАЛА - нажаты кнопки «А» и «В» (испытательный ЭКГ-сигнал);
РАЗМАХ СИГН V,mV - нажата кнопка «2,0» (на входе регистратора 2 мВ);
ЧАСТОТА Hz - нажаты кнопки «75» и «1:100» (0,75 Гц).
Произвести запись сигнала и вывод на печать при установке на комплексе значений чувствительности 10 мм/мВ и скорости развертки 50 мм/с.
Форма сигнала должна соответствовать рисунку 4.

Рисунок 4 - Форма и наименования элементов испытательного ЭКГ-сигнала
Произвести измерения временных параметров зарегистрированного сигнала и сравнить измеренные значения сданными, приведенными в таблице 6.
Результаты считаются положительными, если измеренные значения временных параметров сигнала находятся в пределах, указанных в таблице 6.
Таблица 6 - Временные параметры испытательного ЭКГ-сигнала.
Наименование параметра |
Доп. погр-сть,% |
Допускаемые значения длительности элемента ЭКГ-сигнала | |||||
мс |
мм, п |
эи V = 50 мм/с | |||||
Ном. |
Мин |
Макс |
Ном. |
Мин |
Макс | ||
Т1. Интервал RR |
2 |
1333,3 |
1307 |
1360 |
66,7 |
65,3 |
68,0 |
Т2. Зубец Р |
7 |
132,7 |
123,4 |
142,0 |
6,6 |
6,2 |
7,1 |
ТЗ. Комплекс QRS |
7 |
104,2 |
96,9 |
111,5 |
5,2 |
4,8 |
5,6 |
Т4. Зубец Q |
7 |
30,5 |
28,4 |
32,6 |
1,5 |
1.4 |
1,6 |
Т5. Зубец R |
7 |
73,3 |
68,2 |
78,4 |
3,7 |
3,4 |
3,9 |
Тб. Интервал PQ(PR) |
7 |
165,3 |
153,7 |
176,9 |
8,3 |
7,7 |
8,9 |
Т7. Интервал QT |
7 |
516,0 |
479,9 |
552,1 |
25,8 |
24,0 |
27,6 |
Т8. Интервал внутреннего отклонения (QRMaKC DAV) |
- |
42,7 |
- |
- |
2,1 |
2,0 |
2,3 |
T9. DAV: QR'MaKC |
- |
74,0 |
68,8 |
79,2 |
3,7 |
3,4 |
4,0 |
T10. Зубец T |
7 |
212,0 |
197,2 |
226,8 |
10,6 |
9,9 |
11.3 |
Результаты по данному пункту поверки считаются положительными, если относительная погрешность измерения временных интервалов находится в пределах ±7%.
5.3.2.2. Определение диапазона и погрешности измерений напряжения
Определение диапазона входных напряжений, относительной погрешности измерения напряжения проводится согласно схеме, приведенной на рисунке 1.
Органы управления генератора ГФ-05 с ПЗУ «4» установить в следующее положение: Вид сигнала - нажата кнопка «А» (синусоида);
РАЗМАХ СИГН V,mV - нажата кнопка «0,03 » (30 мкВ);
ЧАСТОТА Hz - нажаты кнопки « 10 » (10 Гц).
Выбрать новый шаблон и нажать клавишу F6 (Мониторинг). Установить развертку - 100 мм/с, чувствительность - 80 мм/мВ. На экране монитора должна наблюдаться заметная синусоида частотой 10 Гц. Нажать клавишу F7 (Запись). После остановки записи путем заключения в рамку (при нажатой клавише Shift) измерить период и размах сигнала.
Измеренные значения должны находиться в пределах: размаха - (30 ± 4,5) мкВ, периода -(100 ±7) мс.
На генераторе ГФ-05 нажать кнопку «5,0» переключателя РАЗМАХ СИГН. Произвести запись сигнала при установленных значениях: развертки - 100 мм/с, чувствительности - 2,5 мм/мВ. Убедиться в том, что на экране монитора отображается синусоида с частотой 10 Гц без видимых искажений. Измерить размах синусоиды, который должен быть в пределах (5,0 ± 0,35) мВ.
Аналогичные измерения размаха синусоидального сигнала с частотой 10 Гц произвести при установке на генераторе ГФ-05 значений размаха сигнала 0,1; 0,4; 0,5; 1,0 и 4,0 мВ. Измеренные значения размаха сигнала должны находиться соответственно в пределах: (0,1 ± 0,015) мВ; (0,4 ± 0,06) мВ; (0,5 ± 0,035) мВ; (1,0 ± 0,07) мВ; (4,0 ± 0,28) мВ.
Результаты считаются положительными, если пределы относительной погрешности при измерении напряжения находится в пределах:
-
- в диапазоне от 0,1 до 0,5 мВ, % - ±15;
-
- в диапазонах свыше 0,5 до 5,0 мВ, % - ±7.
5.3.2.3. Определение внутренних шумов, приведенных ко входу
На генераторе ГФ-05 выключатель СЕТЬ.
Выбрать новый шаблон и произвести запись сигнала при максимальной чувствительности (80 мм/мВ) в течение 5 с. На экране путем заключения в рамку измерьте размах зарегистрированного сигнала (С/ш, мВ). При измерении не учитываются единичные выбросы размахом более 0.075 мВ, появляющиеся реже одного раза в секунду.
Результаты считаются положительными, если измеренное значение иш не превышает 20 мкВ.
5.3.2.4. Определение постоянной времени
Определение постоянной времени проводят согласно схеме, приведенной на рисунке 1.
Органы управления генератора ГФ-05 с ПЗУ «4» установить в следующее положение:
ВИД СИГНАЛА - нажаты кнопки "В" и "А";
РАЗМАХ СИГН V,mV - нажата кнопка "1,0";
ЧАСТОТА Hz - нажаты кнопки "10" и "1:100" (0,1 Гц).
Выбрать новый шаблон и произвести запись сигнала при установке длительности записи не менее 20 с и чувствительности 80 мм/мВ. По изображению сигнала путем заключения в рамку определить постоянную времени как время затухания сигнала t до уровня 0,37 согласно рисунку 5 без учета выбросов. Изображение переходной характеристики на изображении должно быть монотонным, обращенным в сторону нулевой линии.

Рисунок 5 - Определение постоянной времени.
Результаты считаются положительными, если измеренное значение постоянной времени t не менее 3,2 с.
5.3.2.5. Определение неравномерности амплитудно-частотной характеристики
Органы управления генератора ГФ-05 с ПЗУ “4" установить в следующее положение:
ВИД СИГНАЛА - нажата кнопка "А" (синусоида);
РАЗМАХ СИГН V,mV - нажата кнопка "1,0";
ЧАСТОТА Hz - нажаты кнопки согласно таблице 7.
Выбрать новый шаблон и произвести запись сигнала. Выделяя фрагменты, записанные при разных частотах, измерить размах сигнала.
Таблица 7
Установки на ГФ-05 |
Установки на комплексе |
Измеренное значение размаха сигнала, мВ | ||
Частота, Гц |
Продолжител-ность записи, с |
Чувствительность, мм/мВ |
Скорость развертки, мм/с | |
0.1 |
30 |
80 |
5 | |
0.5 |
10 |
80 |
10 | |
1.0 |
10 |
80 |
25 | |
5,0 (опорн.) |
10 |
80 |
100 | |
10 |
10 |
80 |
100 | |
15 |
10 |
80 |
200 |
25 |
10 |
80 |
200 | |
30 |
10 |
80 |
200 |
Неравномерность АЧХ в полосе частот от 0,1 до 30,0 Гц , %) вычисляется по формуле:
3, = U™*—Up. х ЮО,
' и„
Где:
Uo- измеренное значение размаха сигнала на опорной частоте 5 Гц, мВ;
Umax - измеренное значение размаха сигнала, максимально отличающееся от Uo в положительную или отрицательную стороны, мВ.
Результаты считаются положительными, если неравномерность АЧХ находится в пределах:
-
- в диапазоне свыше 0,2 до 20 Гц, % - от минус 10 до +5;
-
- в диапазоне от 0,1 до 0,2 Гц и свыше 20 до 30 Гц, % - до минус 30.
5.3.2.6. Определение диапазона и погрешности измерения частоты сердечных сокращений и длительности R-R интервалов
Органы управления генератора ГФ-05 с ПЗУ «ЧСС» установить в следующее положение:
ВИД СИГНАЛА - нажаты кнопки согласно таблице 8;
РАЗМАХ СИГН V,mV - нажата кнопка «2,0»;
ЧАСТОТА Hz - нажаты кнопки согласно таблице 8
Выбрать новый шаблон и произвести запись сигнала. На экране монитора наблюдать отображаемые значения ЧСС.
Абсолютная погрешность измерения ЧСС (21 чсс) вычисляется по формуле:
&чсс ~ (ЧССцзм ~ ЧСС ном) УД-/МИН
Абсолютная погрешность измерения R-R интервалов (21 R.R) вычисляется по формуле:
&R-R = (ТнЗМ ~ТНОм) МС-
где:
ЧССизм и Тизи - отображенные значения ЧСС (уд./мин) и R-R интервала (мс);
ЧССмои и Тмои - номинальные значения ЧСС (уд./мин) и R-R интервала (мс), приведенные в таблице 8.
Таблица 8
Сигнал, ЧСС |
Органы управления ГФ-05 (нажаты кнопки) |
Значения ЧСС, уд./мин |
Значения R-R интервала, мс | |||
Вид сигнала |
Частота |
НОМ |
допуск |
ном |
допуск | |
ЧСС-1 |
- |
■10*. “1:10" |
60 |
±1 |
1000 |
±5 |
ЧСС-2 |
“А" |
“10". "1:10" |
60 |
±1 |
1000 |
±5 |
ЧСС-3 |
“В” |
“50", “1:100" |
30 |
±1 |
2000 |
±5 |
ЧСС-4 |
“А" и “В" |
“2" |
120 |
±1 |
500 |
±5 |
ЧСС-4 |
“А” и "В" |
“25", "1:10" |
150 |
±1 |
400 |
±5 |
ЧСС-4 |
“А" и “В" |
“30", “1:10" |
180 |
±1 |
333 |
±5 |
Результаты считаются положительными, если пределы абсолютной погрешности находится:
при измерении ЧСС ± 1 уд/мин;
при измерении длительности R-R интервалов ± 5 мс.
5.3.3. Определение метрологических характеристик канала измерения температуры5.3.3.1. Определение погрешности измерения температуры
Определение диапазона и абсолютной погрешности измерения температуры проводится согласно схеме, приведенной на рисунке 1, путем погружения датчика температуры в термостат с водой, предварительно нагретой до температур примерно 20, 30 и 40 °C. Контроль температуры воды в точке нахождения датчика температуры производится с помощью термометра с ценой деления 0,01 °C по ГОСТ 13646-68 №№ 6, 8, 10.
Режим измерения температуры включают нажатием на соответствующую кнопку-ускоритель.
Абсолютную погрешность измерения температуры вычисляют как разность между показаниями значения температуры на экране монитора комплекса и показаниями термометра.
Результаты считаются положительными, если абсолютная погрешность измерения температуры находится в пределах ± 5 °C.
5.3.3.2. Определение времени измерения температуры
Определение времени измерения температуры произвести следующим образом. В термостат с водой, нагретой до температуры 37°С, (температуру воды в термостате измерить с помощью термометра), поместить в термостат датчик температуры и запустить секундомер. При достижении показаний температуры на экране монитора, отличающегося от показаний термометра не более чем на 0,5 °C останавливают секундомер.
Результаты считаются положительными, если время измерения температуры составляет не более 15 с.
6. Оформление результатов поверкиРезультаты поверки оформляются протоколом, рекомендуемая форма протокола приведена в приложении В.
При положительных результатах поверки комплекс признается годным и на электронный блок и (или) свидетельство о поверке установленной формы и (или) в раздел «Сведения о первичной поверке» («Сведения о периодических поверках») руководства по эксплуатации наносится знак поверки и делается запись в руководство по эксплуатации.
При отрицательных результатах поверки комплекс признается негодным к применению, знак поверки и (или) свидетельство о поверке аннулируется и выдается извещение о непригодности.
Схема электрическая принципиальная ПКУ-ЭМГ-02 и ПКУ-ЭМГ-ог(ВП)

ПКУ-ЭМГ-02
ГНП-о
2
Е°
3
L-[TC3_O
Поз. Обозн. |
Наш еноеаьие |
Кол- во |
R1-R10 |
C1-W.125-M Юа±1Х |
10 |
R11 |
01-40.125-10001*1% |
1 |
R12.R15 |
01-40.125 -6В01* 1» |
2 |
R13.RU |
C1-W.12S -1 О ■ ± 1% |
2 |
R16.R17 |
С1-4О. 125-1 01*1% |
2 |
RI8.R19 |
01-40,125-1001*1% |
2 |
FCO. R21 |
01-40,125-1 Ю1*1% |
2 |
D1.D2 |
ДКЦД2205 |
2 |
U1.U3 |
Ml |росж КЗ К155ЛАЗ |
2 |
U2 |
Ш »росж Ю К155ИЕ5 |
1 |
XI |
Р»И!иСР®-71 |
2 |
UP |
81ЛМ 861013 ELTRA |
1 |
S1 |
Переюгаагелк МТ-1 |
t |
1-3.6-1? |
rie^aToid Рост |
15 |
•3 |
ПеаноЗЗи |
1 |

Схема электрическая принципиальная ПКУ-ЭКГ


ПРОТОКОЛ №____от «__»________20__г.
поверки комплекса компьютерного для исследования вегетативной нервной системы «ВНС-Спектр»
Изготовленного: ООО «Нейрософт» (Российская Федерация)_______________
(завод, фирма, страна)
Серийный номер: _____________________________________________________
Принадлежа ще го: ________________________________________________________
Вид поверки: ___________________________________________________________
(первичная, периодическая, внеплановая и т. д.)
Место поверки: __________________________________________________________
(на месте эксплуатации, в поверочном органе)
Методика поверки: ________________________________________________________
Используемые эталоны:_____________________________________________________
(все имеют действующие свидетельства о поверке, отметить использованные)
Условия поверки:
Температура окружающего воздуха ____°C.
Относительная влажность ____%.
Атмосферное давление ____кПа.
Напряжение питания сети _____В.
Частота питания сети _____Гц.
-
1. Результаты внешнего осмотра и опробования: | | годен | | не годен
-
2. Метрологические параметры
2.1. Определение диапазона и погрешности измерения входных напряжений регистрируемых сигналов
□ годен □ не годен
2.2. Определение диапазона и погрешности измерения интервалов времени
□ годен □ не годен
2.3. Определение напряжения внутренних шумов, приведенных ко входу
□ годен □ не годен
2.4. Определение неравномерности амплитудно-частотной характеристики
□ годен □ не годен
2.5. Определение идентичности формы и погрешности измерения временных интервалов испытательного ЭКГ-сигнала
□ годен □не годен
2.6. Определение диапазона и погрешности измерений напряжения
□ годен □не годен
2.7. Определение внутренних шумов, приведенных ко входу
□ годен □не годен
2.8. Определение постоянной времени
□ годен □ не годен
2.9. Определение неравномерности амплитудно-частотной характеристики
□ годен □не годен
2.10. Определение диапазона и погрешности измерения частоты сердечных сокращений и длительности R-R интервалов
□ годен □ не годен
2.11. Определение погрешности измерения температуры
□ годен □не годен
2.12. Определение времени измерения температуры
□ годен □ не годен
3. Результаты поверки. | | годен | | не годен
Поверку производил:_________________________Дата_________________
(фамилия, подпись)
28