Методика поверки «ГСИ. Расходомеры электромагнитные Promag (модификации Promag 100, Promag 200, Promag 400, Promag 800).» (МП 61467-15)
ВСЕРОССИЙСКИЙ НАУЧНО-ИССЛЕДОВАТЕЛЬСКИЙ ИНСТИТУТ МЕТРОЛОГИЧЕСКОЙ СЛУЖБЫ
(ФГУП "ВНИИМС")
УТВЕРЖДАЮ
Заместитель директора
по производственной метрологии

Государственная система обеспечения единства измерений
Расходомеры электромагнитные Promag
(модификации Promag 100, Promag 200, Promag 400, Promag 800).
Методика поверки.
МП 61467-15 С изменением №1 г. Москва
2017
1. ВВЕДЕНИЕ-
1.1 Настоящий документ распространяется на расходомеры электромагнитные Promag (модификации Promag 100, Promag 200, Promag 400, Promag 800) (далее расходомеры) фирмы Endress+Hauser Flowtec AG (Швейцария, Франция), при использовании их в сферах распространения государственного метрологического контроля и надзора, и устанавливает методы и средства их первичной и периодической поверок при выпуске из производства и после ремонта.
Межповерочный интервал - не более 5 лет.
-
1.2 Методика описывает 2 метода поверки: проливной и имитационный.
-
1.3 Для первичной поверки может использоваться только проливной метод поверки.
-
1.4 Для периодической поверки допускается использование проливного или имитационного метода поверки. Метод поверки выбирается пользователем расходомера, исходя из экономических факторов и особенностей технологического процесса в точке установки расходомера.
-
1.5 Расходомеры Promag, для которых возможна имитационная поверка:
Таблица 1
Расходомер |
Возможность имитационной поверки |
Promag 100 |
+ |
Promag 200 |
+ |
Promag 400 |
+ |
Promag 800 |
- |
2. ПРОЛИВНОЙ МЕТОД ПОВЕРКИ
2.1 Операции поверки-
2.1.1 При проведении поверки выполняют следующие операции:
-
- Внешний осмотр, п.2.6.1.
-
- Проверка идентификационных данных ПО, п.2.6.2.
-
- Проверка герметичности, п.2.6.3.
-
- Опробование, п.2.6.4.
-
- Определение метрологических характеристик, п.2.6.5.
-
2.2.1 При проведении поверки применяют следующие эталоны и испытательное оборудование:
-
2.2.1.1 При операциях п.2.6.3 гидравлический пресс с контрольным манометром классом точности не более 0,4.
-
2.2.1.2 При определении метрологических характеристик, соотношение основных погрешностей поверочной установки, эталонов по проверяемому параметру поверяемого расходомера не должно превышать 1:3 и применяют следующие эталоны и испытательное оборудование:
поверочная установка для жидкостей с диапазоном расхода соответствующим поверяемому расходомеру с пределами относительной погрешности при измерении объемного расхода и объема не более ±0,05 %;
источник постоянного тока напряжением 24 В, переменного тока 220 В частотой 50Гц;
-
- частотомер электронно-счетный типа 43-86 по ГОСТ 27901-11 амплитудой до 50 В и частотой 0...100 МГц;
-
- ампервольтметр типа Р386 по ГОСТ 3295-72, диапазон измерений 0,1-10 В с погрешностью ±0,05 %;
термометр жидкостной стеклянный с ценой деления 0,5 °C и пределами измерений до 100 °C по ГОСТ 28498-90;
-
- психрометр аспирационный по ТУ 25.1607.054-85 для измерения влажности в диапазоне от 30 до 90 %;
-
- манометр по ТУ 25-05-1664-74 с пределами измерений О...1,О МПа, класса точности 0,4;
барометр-анероид контрольные М-67 по ГОСТ 3744-73;
персональный компьютер с установленной сервисной программой FieldCare.
-
2.2.2 Используемые эталоны должны быть поверены и иметь действующие свидетельства о поверке.
-
2.2.3 Допускается использовать другие эталоны с характеристиками не хуже указанных в п.2.2.1.
-
2.3.1 При проведении поверки соблюдают требования безопасности определяемые:
правилами безопасности труда и пожарной безопасности действующими на поверочной установке;
правилами безопасности при эксплуатации используемых эталонов, испытательного оборудования и поверяемого расходомера приведенными в эксплуатационной документации.
-
2.3.2 Монтаж электрических соединений должен производиться в соответствии с ГОСТ 12.3.032 и "Правилами устройства электроустановок" (раздел VII).
-
2.3.3 К поверке допускают лиц, имеющих квалификационную группу по технике безопасности не ниже II в соответствии с "Правилами техники безопасности при эксплуатации электроустановок потребителей", изучивших руководство по эксплуатации на расходомер и настоящий документ.
-
2.4.1 При проведении поверки соблюдают следующие условия:
применяют электропроводящую поверочную среду с удельной электрической проводимостью от 5 мкСм/см, на которой аттестована поверочная установка, например, вода водопроводная;
температура окружающего воздуха 20 ± 5 °C;
температура измеряемой среды 15...25 °C, при этом изменение температуры во время измерения не должно превышать 0,5 °C;
относительная влажность воздуха 30...80 %; атмосферное давление 86... 107 кПа.
2.5 Подготовка к поверке-
2.5.1 Поверяемый расходомер монтируют на поверочной установке и подготавливают к работе согласно руководству по эксплуатации поверяемого расходомера или поверяют на месте эксплуатации без демонтажа с помощью эталонного поверочного оборудования, отвечающего по точности требованиям п. 3.2.
-
2.5.2 Проводят проверку токового выхода. Для этого задают в ячейке "проверка токового выхода" ("simulation current") не менее трёх из имеющихся токовых значений в произвольном порядке.
Расходомер считают выдержавшим проверку по токовому выходу, если разница заданного значения тока в мА и полученного на ампервольтметре в мА не превышает значения критерия, указанного в руководстве по эксплуатации соответственно исполнению расходомера.
-
2.5.3 Проводят проверку частотного выхода. Для этого задают в ячейке "проверка частотного сигнала" ("simulation frequency") не менее трёх из имеющихся значений частоты в произвольном порядке.
Расходомер считают выдержавшим проверку по частотному выходу, если значение частоты на выходе расходомера, измеренное частотомером, совпадает с заданным.
Примечание: при выполнении операций поверки, единицы измерений физических величин у поверочной установки, эталонов и у поверяемого расходомера должны быть одинаковы.
2.6 Проведение поверки-
2.6.1 Внешний осмотр.
-
2.6.1.1 При внешнем осмотре устанавливают:
-
- на расходомере отсутствуют механические повреждения, препятствующие его применению;
-
- надписи и обозначения на расходомере четкие и соответствуют требованиям эксплуатационной документации.
комплектность расходомера, соответствует указанной в документации; соответствие исполнения расходомера его маркировке.
Расходомер не прошедший внешний осмотр, к поверке не допускают.
-
2.6.2 Проверка идентификационных данных ПО.
При запуске расходомера номера версий программного обеспечения должны:
-
- выводиться на экран преобразователя путем следующих команд в меню прибора Diagnostics -> Device info -> Firmware version (Диагностика -> Информация о приборе -> Версия программного обеспечения);
- отображаться в программном обеспечении в следующем разделе Diagnostics -> Device information Firmware version (Диагностика Информация о приборе -> Версия программного обеспечения).
Номера версий ПО также должны отображаться на дисплее преобразователя при его включении как неактивные, не подлежащие изменению.
Результаты проверки считаются положительными, если отображаются следующие номера версии программного обеспечения:
Таблица 2
Идентификационные данные (признаки) |
Значение |
1 |
2 |
Идентификационное наименование ПО |
Promag 100 Promag 200 Promag 400 Promag 800 |
Номер версии (идентификационный номер) ПО |
не ниже 01.yy.zz |
Цифровой идентификатор ПО |
не отображается |
Другие идентификационные данные, если имеются |
- |
-
2.6.3 Проверка герметичности.
-
2.6.3.1 Проверку герметичности проводят путем создания в полости первичного преобразователя расхода расходомера давления 0,6 МПа. Время выдержки под давлением не менее 15 мин.
-
2.6.3.2 Расходомер считают выдержавшим проверку, если в течение 15 минут не наблюдалось просачивания жидкости/воздуха, запотевания сварных швов и снижения давления.
-
2.6.4 Опробование.
-
2.6.4.1 Опробуют расходомер на поверочной установке путем увеличе-ния/уменыпения расхода жидкости в пределах рабочего диапазона измерений.
-
2.6.4.2 Результаты опробования считают удовлетворительными, если при увеличе-нии/уменыпении расхода жидкости соответствующим образом изменялись показания на дисплее расходомера, на мониторе компьютера, контроллера, выходной измерительный сигнал/сигналы, миллиамперметре, частотомере.
-
2.6.5 Определение метрологических характеристик
Допускается определение только используемых в технологическом процессе метрологических характеристик.
-
2.6.5.1 Проведение поверки по объему.
Погрешность расходомера при измерении объема определяют сравнением измеренного объема жидкости, прошедшей через расходомер с показаниями поверочной проливной установки в трёх точках, соответствующих 0,03Qmax, 0,2 Qmax и 0,5 Qmax, где Qmax -максимальный предел измерений расходомера (для Ду>100 мм допускается 0,03 Qmax, ОД Qmax И 0,2Qmax). Число измерений в каждой точке не менее двух, при допустимом отклонении установленного объёмного расхода Qv от контрольных точек ±3 %.
Относительную погрешность расходомера в процентах для каждого поверочного расхода определяют по формуле
V -V
5 v = -?---^100%,
V
У
где
Vy - объём жидкости, измеренный поверочной установкой;
Vp - объём жидкости, измеренный расходомером, т.е. показания расходомера на дисплее, мониторе компьютера/контроллера.
Примечание: значение точек первичной калибровки может не совпадать со значением точек, по которым проводится периодическая поверка.
Расходомер считают выдержавшим поверку, если значение его погрешности при измерении объема в каждой точке при каждом измерении не превышает значения допускаемой погрешности 5V, рассчитанной по формуле, соответствующей исполнению прибора, указанной в таблице, т.е. выполняется условие 18VI < 15/
Таблица 3
Вторичный преобразователь Promag |
Первичный преобразователь |
Допускаемая относительная погрешность, 6V% |
100 |
Н/Р/Е |
±0,5±0,l/v |
±0,2±0,2/v | ||
200 |
Н/Р |
±0,5±0,2/v |
400 |
W/D/L |
±0,2±0,2/v ±0,2 (1,5 м/с < v < 10 м/с), ±0,2±0,2/v (v < 1,5 м/с)* |
±0,5±0,l/v ±0,5 (0,5 м/с < v < 10 м/с), ±0,5±0,l/v (v < 0,5 м/с)* | ||
800 |
W |
±0,5±0,2/v |
где v = 10 х Qy/Qmax (м/с) - скорость потока, соответствующая установленному расходу. * специальная калибровка для Ду < 600 мм
Примечание:
-
- при положительном результате поверки по измерению объема, расходомер признают годным для измерений объемного расхода;
-
- при использовании импульсного выхода измеренное расходомером значение объёма пересчитывают по формуле
Vp^N^q ,
где
Nj - количество импульсов, измеренных расходомером за время измерений объёма, имп.;
q - цена импульса при измерении объёма, м3/имп.
-
2.6.5.2 Проведение поверки по расходу.
Относительную погрешность расходомера при измерении расхода определяют сравнением показаний дисплея, монитора компьютера/контроллера с показаниями поверочной установки в пределах рабочего диапазона расхода в трёх точках: 0,03Qmax, 0,5Qmax и 0,9Qmax (для Ду>100 мм допускается 0,03Qmax, 0,lQmax и 0,2Qmax, для >ДуЗОО мм допускается 0,03Qmax, 0,lQmax и 0,14Qmax).
Число измерений в каждой точке не менее двух, при допустимом отклонении установленного расхода Q от контрольных точек ±3 %. На заданном расходе Q проводят измерение установленного расхода жидкости Qy. Относительную погрешность расходомера 6q в процентах при каждом поверочном расходе определяют по формуле
= QP 10QO/
4 Qy
где
Qy - расход жидкости измеренный установкой при установленном расходе Q;
Qp - расход жидкости измеренный расходомером, т.е. показания расходомера на дисплее, мониторе компьютера/контроллера или миллиамперметре, частотомере.
Примечание: значение точек первичной калибровки может не совпадать со значением точек, по которым проводится периодическая поверка.
Расходомер считают выдержавшим поверку, если экспериментальное значение его погрешности 8q полученное на поверочной установке при измерении установленного расхода жидкости Qy в каждой точке при каждом измерении на заданном расходе Q не превышает значения допускаемой погрешности 5q рассчитанное по формуле, соответствующей исполнению прибора (см. таблицу), т.е. выполняется условие 15q | < 18q |.
Примечание:
- при использовании частотного выхода значение расхода пересчитывают по
формуле


где
Qmin и Qmax - значения нижнего и верхнего пределов диапазона измерений расхода,

Fmin И Fmax - значения нижнего и верхнего пределов частотного диапазона соответствующие значениям нижнего и верхнего пределов диапазона измерений расхода, Гц,
f - текущая частота, пропорциональная рабочему расходу, Гц.
-
2.6.5.3 Интерпретация результатов поверки:
-
- при положительном результате поверки по измерению объема, расходомер признают годным для измерений объема, объемного расхода и объемного дозирования жидких сред, имеющих удельную электрическую проводимость от 5 мкСм/см;
-
- при положительном результате поверки по измерению объемного расхода, расходомер признают годным для измерений объемного расхода, объема и объемного дозирования жидких сред;
-
- расходомер признают годным к применению с метрологическими характеристиками, указанными в Таблице 3 для конкретного исполнения расходомера, при соблюдении требований к длинам прямых участков до и после расходомера, приведенных в технической документации;
-
- расходомер Promag 400 с первичными преобразователями D, L, W (15 мм < Ду < 600 мм) признают годными к применению с допускаемой погрешностью объемного расхода (объема) = (±1± 0,2/v) % при несоблюдении требований к длинам прямых участков до и после расходомера, приведенных в технической документации. Здесь v = 10 * Q/Qmax (м/с) - скорость, соответствующая измеренному расходу Q. Для других исполнений расходомеров при несоблюдении указанных требований к длинам прямых участков метрологические характеристики не нормируются.
-
2.6.5.4 При замене вторичного преобразователя, полностью операции поверки расходомера не выполняют. Все параметры первичного преобразователя расхода: к-фактор, диаметр условного прохода, допустимые диапазоны расхода, версия программного обеспечения, серийный номер хранятся в модуле памяти S DAT, который переустанавливается в новый преобразователь. После этого выполняются только действия согласно п.п. 2.6.1, 2.6.2, 2.6.3,2.6.4 настоящей методики на месте эксплуатации прибора без его демонтажа.
-
2.7.1 Результаты поверки оформляют протоколом по формам, указанным в приложении А.
-
2.7.2 Положительные результаты поверки оформляют записью в Паспорте, удостоверенной подписью поверителя и нанесением знака поверки или выдают свидетельство о поверке по установленной форме в соответствии с приказом Минпромторга России от 02 июля 2015 г. №1815 «Об утверждении Порядка проведения поверки средств измерений, требования к знаку поверки и содержанию свидетельства о поверке».
-
2.7.3 При отрицательных результатах поверки выписывается «Извещение о непригодности к применению» в соответствии с приказом Минпромторга России от 02 июля 2015 г. №1815.
3. ИМИТАЦИОННЫЙ МЕТОД ПОВЕРКИ
3.1 Операции поверки-
3.1.1 Имитационный метод поверки расходомеров Promag 100, Promag 200, Promag 400 состоит из следующих операций:
-
- внешний осмотр, п. 3.6.1;
-
- проверка идентификационных данных ПО расходомера п. 3.6.2;
-
- контроль метрологических характеристик, п. 3.6.3.
-
3.2.1 Для контроля метрологических характеристик расходомера применяют следующее оборудование:
-
- программное обеспечение с функцией Heartbeat Verification, которое должно быть активировано в расходомере;
-
- ампервольтметр Р386, диапазон измерений 0,1-10 В, погрешность ±0,05 % (для расходомеров с токовым выходным сигналом);
-
- частотомер электронно-счетный 43-49А амплитудой до 50 В и частотой 0...10 кГц (для расходомеров с частотно-импульсным выходным сигналом).
-
3.2.2 Интерфейс, необходимый для подключения персонального компьютера к расходомеру - в соответствии с руководством по эксплуатации.
-
3.2.3 Персональный компьютер с установленной сервисной программой FieldCare и возможностью подключения к расходомеру при помощи USB или Ethernet интерфейса (см. руководство по эксплуатации).
-
3.3.1 При проведении поверки соблюдают требования безопасности определяемые:
-
- правилами безопасности труда и пожарной безопасности действующими на месте эксплуатации расходомера,
-
- правилами безопасности по эксплуатации преобразователей сигналов FXA291 или FXA195 и поверяемого расходомера, приведенными в соответствующих руководствах по эксплуатации.
-
3.3.2 Монтаж электрических соединений должен проводиться в соответствии с ГОСТ 12.3.032 и "Правилами устройства электроустановок" (раздел VII).
-
3.3.3 К поверке допускают лиц, имеющих квалификационную группу по технике безопасности не ниже II в соответствии с "Правилами техники безопасности при эксплуатации электроустановок потребителей", изучивших руководство по эксплуатации расходомера, преобразователя сигналов FXA291hhh FXA 195 и инструкцию по применению технологии Heartbeat™.
-
3.3.4 К поверке допускают лиц, прошедших информационный семинар по работе со встроенной в Promag 100, Promag 200, Promag 400 технологией Heartbeat™, что должно быть подтверждено соответствующим свидетельством о прохождении информационного семинара, выданным компанией ООО "Эндресс+Хаузер".
-
3.4.1 При проведении поверки соблюдают следующие условия:
-
- температура окружающего воздуха 0... 3 0 °C;
-
- температура процесса (при поверке без демонтажа) 0...80 °C;
-
- атмосферное давление 86... 107 кПа;
-
- давление процесса избыточное (при поверке без демонтажа) 0... 1,5 МПа; относительная влажность воздуха 30...80 %.
-
3.5.1 Имитационную поверку расходомера допускается проводить без демонтажа с трубопровода и остановки технологического процесса.
-
3.5.2 Перед началом поверки выполняют электрическое подключение поверяемого расходомера к персональному компьютеру с установленным на него программным обеспечением FieldCare одним из способов, описанных в руководстве по эксплуатации расходомера.
-
3.5.3 Выполняют активацию программного обеспечения с функцией Heartbeat Verification.
-
3.5.4 Если поверяемый расходомер установлен во взрывоопасной зоне, предусмотренной модификацией прибора, то допускается только удаленное подключение к нему персонального компьютера по протоколу HART с установленным на него программным обеспечением FieldCare из взрывобезопасной зоны через интерфейс FXA195.
-
3.5.5 При поверке расходомера с частотным и/или токовым выходными сигналами выполняется электрическое подключение частотомера и/или амперметра к соответствующим выходам расходомера по схемам, указанным в Приложении В.
-
3.6.1 Внешний осмотр.
-
3.6.1.1 При внешнем осмотре устанавливают, что:
-
-
- на расходомере отсутствуют механические повреждения, препятствующие его применению;
-
- надписи и обозначения на паспортной табличке расходомера соответствуют требованиям эксплуатационной документации;
-
- комплектность расходомера соответствует указанной в документации;
-
- исполнение расходомера соответствует его маркировке.
-
3.6.1.2 Расходомер, не прошедший внешний осмотр, к поверке не допускают.
-
3.6.2 Проверку идентификационных данных ПО расходомера проводят в соответствии с пунктом см. п. 2.6.2 данной методики. Номер версии (идентификационный номер) программного обеспечения дополнительно сравнивается со значением Firmware version в pdf отчете из программы из FieldCare, формируемом в соответствии с инструкцией по применению технологии Heartbeat™.
-
3.6.3 Контроль метрологических характеристик.
-
3.6.3.1 С помощью функции (Heartbeat Performing verification -> Start verification) (Heartbeat -> Выполнение поверки -> Начало поверки), в соответствии с инструкцией по применению технологии Heartbeat™, в расходомере инициируется процедура самопо-верки, в ходе которой контролируется следующие параметры:
-
Исправность электронных элементов первичного преобразователя:
-
- контроль симметрии времени отклика токового сигнала и напряжения на катушках в цепи катушек возбуждения поля при смене полярности (параметры Coil current short time, Coil hold voltage);
-
- контроль токового сигнала в катушках возбуждения поля (параметр Coil current); Дрейф характеристик электронного преобразователя измерительных сигналов:
-
- дрейф референсного напряжения, встроенного в модуль цифровой обработки сигнала и цепи возбуждения магнитного поля (параметр Reference voltage);
-
- внешний контроль дрейфа референсного напряжения, встроенного в модуль цифровой обработки сигнала и цепи возбуждения магнитного поля (параметр Reference voltage with external verification);
-
- контроль линейности усиления сигнала на электродах (параметр Linearity of electrode signal amplifier);
-
- контроль усиления измеряемого сигнала относительно нулевой точки (параметр Offset electrode signal amplifier);
-
- дрейф характеристик модуля формирования аналогового выходного сигнала (параметр I/O module).
-
3.6.3.2 При контроле характеристик модуля формирования выходных сигналов расходомера с частотным и/или токовым выходными сигналами (см. пункт 3.5.5), значения имитируемых расходомером сигналов, измеренных подключенным к нему амперметром и частотомером, вручную вводятся в поля Ext. Ref. Vol. 1 и Ext. Ref. Vol. 2 диалогового окна программы FieldCare (Heartbeat -> Performing verification Start verification) (Heartbeat Выполнение поверки -> Начало поверки) (см. Приложение Г).
-
3.6.3.3 Результаты поверки считаются положительными, если в отчете о поверке, формируемом программой Heartbeat™ (Verification report, см. Приложение Б), результаты контроля параметров расходомера отображаются в виде (Passed) (Пройдено). При положительных результатах имитационной поверки расходомер Promag 100, Promag 200, Promag 400 признают годным к измерениям объемного расхода и объема жидкости с погрешностью (±l±0,2/v) %*, где v (м/с) - скорость потока.
Примечание: указанная погрешность обеспечивается при соблюдении требований к длинам прямых участков до и после расходомера, указанных в технической документации. При несоблюдении указанных требований допускаемая погрешность не превышает (±1,5 % ± 0,2/v) % (только для Promag 400 с датчиками D, L, W при 15 мм < Ду < 600 мм), где v = 10 х Qy/Qmax (м/с) - скорость потока, соответствующая установленному расходу. Для других исполнений расходомеров при несоблюдении указанных требований к длинам прямых участков метрологические характеристики не нормируются.
3.7 Оформление результатов поверки-
3.7.1 Согласно руководству по эксплуатации, происходит сохранение результатов. полученных в ПО FieldCare. формируемом в pdf файле в соответствии с инструкцией по применению технологии Heartbeat™.
-
3.7.2 Отчет из программы FieldCare (см. Приложение Б), который является протоколом поверки, выводят на печать.
-
3.7.3 Положительные результаты поверки оформляют записью в Паспорте, удостоверенной подписью поверителя, и нанесением знака поверки в соответствии с приказом Минпромторга России от 02 июля 2015 г. №1815 «Об утверждении Порядка проведения поверки средств измерений, требования к знаку поверки и содержанию свидетельства о поверке».
3.7.4 При отрицательных результатах поверки выписывается «Извещение о непригодности к применению» в соответствии с приказом Минпромторга России от 02 июля
Б. А. Иполитов
В. И. Никитин
А.С. Гончаренко
(рекомендуемое)
ПРОТОКОЛ проливной поверки по объему расходомера электромагнитного Promag
серийный номер расходомера _____________________
диаметр условного прохода, мм _____________________
применяемый диапазон измерений расхода, м3/ч _____________________
Результаты поверки по пунктам методики:
-
2.5. Заключение по подготовке к поверке ________________________
-
2.6.2. Заключение по проверке идентификаци- ________________________
онных данных ПО
-
2.6.3. Заключение по проверке герметичности ________________________
-
2.6.4. Заключение по опробованию ________________________
2.6.5.1. Относительная погрешность измерений объема 3V_
Относительная погрешность измерений объема 3V
Рабочий расход [м3/ч] |
Измерение |
Показания расходомера по объему, Vp [м3] |
Показания расходомерной установки по объему, Vv [м3] |
Относительная погрешность <5V [%] | |
1. |
1 | ||||
2 | |||||
2. |
1 | ||||
2 | |||||
3. |
1 | ||||
2 |
Заключение о пригодности расходомера:________________________
Поверитель: ________________________( )
Приложение А(рекомендуемое) (продолжение)
ПРОТОКОЛ поверки по объемному расходу расходомера электромагнитного Promagсерийный номер расходомера _____________________
диаметр условного прохода, мм ______________________
применяемый диапазон измерений расхода, м3/ч _____________________
Результаты поверки по пунктам методики:
-
2.5. Заключение по подготовке к поверке ________________________
2.6.2. Заключение по проверке идентификаци
онных данных ПО ____________________
-
2.6.3 Заключение по проверке герметичности ________________________
-
2.6.4. Заключение по опробованию________________________
-
2.6.5.2 Относительная погрешность измерений расхода 8q______________________________
Погрешность измерений объемного расхода SQ
Объемный расход [м3/ч] |
Измерение |
Показания расходомера по объемному расходу, Q» [м3/ч] |
Показания расходомерной установки по объемному расходу, Qv [м3/ч] |
Относительная погрешность §о [%] | |
1. |
1 | ||||
2 | |||||
2, |
1 | ||||
2 | |||||
3. |
1 | ||||
2 |
Заключение о пригодности расходомера:
Поверитель: ______________________(
Приложение Б
ПРОТОКОЛ имитационной поверки электромагнитного расходомера Promag 100, Promag 400
Verification report
People for Process Automation
Verification report flowmeter
Customer |
Mr. Smith |
Device information | |
Location |
Device tag |
Location 14 |
M-745 |
Module name |
Nominal diameter |
Promag P |
DN25 |
Device name |
Order code |
Promag 100 |
5P1B25-725 |
Serial number |
Firmware version |
1234567890 |
01.00.07 |
Calibration | |
Calibration factor |
Zero point |
1.15 |
10 |
Verification information | |
Operating time |
Date/time |
12dl5h32minl2 s |
01.12.2014/12:00 |
Verification ID | |
17 | |
Verification results | |
■ Passed | |
Detailed results |
See next page |
•Overall result: Result of the complete device functionality test via Heartbeat Technology
Notes
Date
Customer's signature
Operator's signature
People for Process Automation
Verification report flowmeter
For serial number: 1234567890
Detailed results of verification ID: 17
Sensor |
■ Passed |
Coil current shot time |
В Passed |
Coil hold voltage |
В Passed |
Coil current |
В Passed |
Sensor electronic module |
В Passed |
Reference voltage |
В Passed |
Linearity of electrode measuring circuit |
В Passed |
Offset of electrode measuring circuit |
® Check not done |
I/O module |
В Passed |
People for Process Automation
Verification report flowmeter
Plant operator
Device information
Location
Location 14
Module name
Promag P
Device name
Promag 200
Serial number
1234567890
Calibration
Calibration factor
1.15
Mr. Smith
Device tag
M-745
Nominal diameter
DN25
Order code
5P2B25-725
Firmware version
01.01.00
Zero point
10
Verification information
Operating time (counter)
12dl5h32minl2 s
Date/tlme (manually recorded) 01.12.2014/12:00
Verification ID
17
Verification results
Overall result*
Detailed results
■ Passed
See next page
Overall result: Result of the complete device functionality test via Heartbeat Technology
Notes
Validity of the verification report is only given:
« For devices with the Heartbeat Verification enabled software option
« For verifications, carried out by the Endress+Hauser Service, or an authorized Endress+Hauser service provider
Date
Operator's signature
Inspector’s signature
Verification report
People for Process Automation
Verification report flowmeter
For serial number: 1234567890
Detailed results of verification ID: 17
Sensor |
И Passed |
Coil current shot time |
В Passed |
Coil hold voltage |
■ Passed |
Main electronic module |
В Passed |
Supply voltage |
В Passed |
Reference voltage |
В Passed |
Linearity of electrode measuring circuit |
В Passed |
Exciter current circuit |
В Passed |
Measuring shunt |
В Passed |
I/O-Modul |
В Passed |
Output 1 |
В Passed * |
Output 2 |
® Check not done * |
‘External verification
Information about the external verification
Fluke 2354, Cal: 10.0.2012, F. Maier
Приложение В
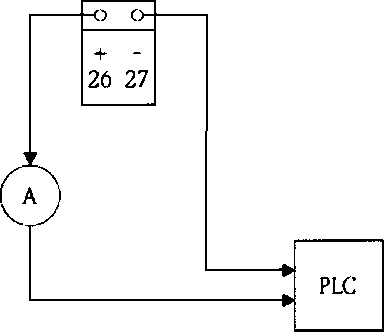
26, 27 - клеммы токового выходного сигнала расходомера, А - амперметр, PLC - контроллер

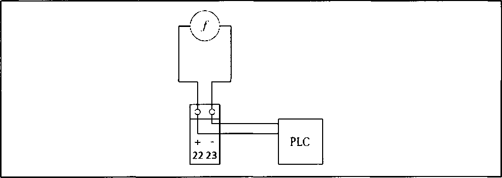
22, 23 - клеммы частотно-импульсного выходного сигнала расходомера, f- частотомер, PLC -контроллер
Приложение Г
Year
Month
Day
Hour
Minute Verificat. mode Ext. device info Ext ref volt 1 Ext. ref.volt.2 Start verificat. Progress Status Measured val. Output values Overall result
January
External
Fluke 4546
12
12
0 0000
0.0000
Outp.1 low val.

Ready
4.0700
4.0000
mA
mA
Failed
Validity of the verification report is only given:
For devices with the Heartbeat Verification enabled software option
« For verifications, carried out by the Endress+Hauser Service, or an authorized Endress+Hauser service provider