Методика поверки «СЧЕТЧИКИ УЛЬТРАЗВУКОВЫЕ ВИРС-У» (МРБ МП.2618-2016)


УТВЕРЖДАЮ

БелГИМ
В.Л. Гуревич
2016 г.
Система обеспечения единства измерений
Республики Беларусь
СЧЕТЧИКИ УЛЬТРАЗВУКОВЫЕ ВИРС-УМЕТОДИКА ПОВЕРКИ
МРБ МП.26<£ -2016
Настоящая методика распространяется на счетчики ультразвуковые ВИРС-У (далее по тексту счетчики), и устанавливает методы и средства их первичной и периодической поверки в области законодательной метрологии. Межловерочный интервал (при применении в сфере законодательной метрологии): при использовании в составе теплосчетчиков - не более 48 месяцев при выпуске из производства и не более 24 месяцев при эксплуатации, при использовании в качестве самостоятельного средства измерения - не более 24 месяцев.
1 ОПЕРАЦИИ ПОВЕРКИ
1.1 При проведении поверки должны выполняться операции, указанные в таблице 1. Таблица 1
Наименование операции |
Номер пункта методики |
Проведение операции при | |
первичной поверке |
периодической поверке | ||
Внешний осмотр |
5.1 |
Да |
Да |
Опробование |
5.2 |
Да |
Да |
Испытание на герметичность |
5.3 |
Да |
Да |
Определение геометрических размеров измерительной вставки счетчика *’ |
5.4 |
Да |
Да |
Определение метрологических характеристик |
5.5 |
Да |
Да |
-
2.1 При проведении поверки должны применяться средства, указанные в таблице 2.
Таблица 2
Наименование операции
Номер пункта методики
Наименование и тип (условное обозначение) эталонов и вспомогательных средств поверки, их метрологические и основные технические характеристики обозначение ТИПА
1
2
3
Внешний осмотр
5.1
—
Опробование
5.2
1. Установка расходомерная УПР-250.
Пределы допускаемой относительной погрешности измерения объемного расхода в диапазоне от 0,03 до 250,0 м3/ч при реализации метода сличения не превышают ±0,3 %.

Пределы допускаемой относительной погрешности измерения объемного расхода в диапазоне от 0,3 до 250,0 м3 /ч при реализации метода статического взвешивания не превышают +0,08 %.
Пределы допускаемой относительной погрешности измерения объемного расхода в диапазоне от 0,03 до 0,30 м3/ч при реализации метода статического взвешивания не превышают + 0,15 %.
2 Частотомер 43-34 ТУ 4.И22.721 032-71. Погрешность измерения частоты ± 0,01 %.
-
3. Имитатор расхода ИР1. Период повторения импульсов от 100 мкс до 1мс *’
-
4. Блок питания Б5-29, погрешность 0,03 Vk +а, диапазон 5 - 12 В, 0,1 А.
Испытание на герметичность
Определение геометрических размеров измерительной вставки счетчика *’
53
5.4
Манометр МТ. Класс 1,5
Диапазон измерения 0 - 6,0 МПа
1. Угломер, тип 2, погрешность ± 2'. диапазон (02. Микрометрический нутромер НМ 1250, ность ± 0,02 мм, диапазон (150- 1250)
Окончание таблицы 2
1 |
2 |
3 |
Определение погрешности коэффициента масштабирования |
5,51 |
|
Определение погрешности счетчика с использованием поверочной установки . |
5 52 |
1.Установка расходомерная УПР-250. Пределы допускаемой относительной погрешности измерения объемного расхода установкой в диапазоне от 0,03 до 250,00 м3/ч при реализации метода сличения не превышают ±0,3 %. Пределы допускаемой относительной погрешности измерения объемного расхода в диапазоне от 0,3 до 250,0 м3 /ч при реализации метода статического взвешивания не превышают ±0,08 %. Пределы допускаемой относительной погрешности измерения объемного расхода в диапазоне от 0,03 до 0,30 м3/ч при реализации метода статического взвешивания не превышают ±0,15 %. |
Определение погрешности счетчика с использованием имитатора расхода *) |
5.5.3 |
1 Частотомер 43 - 63 ДЛИ2.721.007 ТУ. Относительная погрешность измерения периода, %, 5 = ± 50+у-Ттакг v (п * Т ) L V изм > J где б0 -относительная погрешность по частоте внутреннего опорного генератора, %, п - число усредняемых периодов, Ттакт - период тактовой частоты, с, Тизм - измеряемый период, с. 2. Частотомер 43-34 ТУ 4.И22.721.032-71 Погрешность измерения частоты ± 0,01 %. 3 Имитатор расхода ИР1 Период повторения импульсов от 100 мкс до 1мс
Rz £ 1600 мкм |
Проверка электрического сопротивления изоляции |
6 |
Мегаомметр Ф4102/1-1М, Класс 1,5, диапазон от 0 до 1000 МОм |
Оформление результатов поверки |
7 |
■ |
Примечание - возможно применение средств поверки, не приведенных в перечне, но обеспечивающих определение метрологических характеристик поверяемых средств измерений с требуемой точностью. |
- для счетчиков с номинальными диаметрами фланцев DN равными либо превышающими 150 мм

-
3 ТРЕБОВАНИЯ БЕЗОПАСНОСТИ
-
3.1 При проведении поверки должны быть соблюдены требования безопасности, приведенные в Руководстве по эксплуатации
-
3.2 Все работы по эксплуатации и поверке счетчиков должны проводиться с соблюдением требований ТКП 181-2009 «Правила технической эксплуатации электроустановок потребителей».
-
4.1 При проведении поверки, должны соблюдаться следующие условия:
|
от 15 до 25; от 15 до 25; не более 93; от 84,0 до 106,7; от 19,2 до 28,8; |
внешние магнитные и электрические поля напряженностью свыше 40 А/м отсутствуют, длины прямых участков трубопроводов до и после счетчиков должны быть не менее указанных в таблице 3:
Таблица 3
Серия счетчика |
Требования к прямым участкам | |
До |
После | |
1500, 2500 |
не менее 10 DN |
не менее 3 DN |
1300, 2300 |
-
4.2 Перед проведением поверки должны быть выполнены следующие подготовительные работы:
-
- счетчики необходимо выдержать не менее 30 мин в условиях помещения, где проводится поверка;
-
- проверить наличие действующих свидетельств о поверке (калибровке) применяемых эталонов.
-
5 ПРОВЕДЕНИЕ ПОВЕРКИ
-
5.1.1 При проведении внешнего осмотра должно быть установлено соответствие счетчиков следующим требованиям:
-
- все надписи должны быть четкими и ясными;
-
- счетчик не должен иметь внешних повреждений, влияющих на его работоспособность;
-
- счетчик должен быть очищен от пыли и грязи;
-
- комплектность и маркировка счетчика должна соответствовать требованиям эксплуатационной документации.
-
5.1.2 Счетчики, забракованные при внешнем осмотре, дальнейшей поверке не подлежат
-
5.2 Опробование
-
5.2.1.1 Установить счетчик в измерительный участок поверочной установки.
-
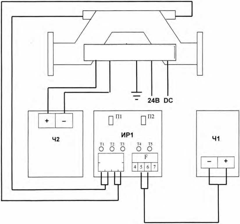
5.2.1.2 Собрать схему, указанную на рисунке А. 1 Приложения А.
-
5.2.1.3 Включить поверочную установку и обеспечить расход воды через нее.
-
5.2.1.4 Подать напряжение питания на счетчик.
-
5.2.1.5 Счетчик считают прошедшим опробование, если на выходе счетчика присутствует
выходной импульсный сигнал.

-
5.2.1.6 Допускается совмещать опробование счетчиков с операциями его
-
5.2.2.1 Отключить от электронного блока кабели, соединяющие его с чиками, установленными в измерительной вставке преобразователя.
-
5.2.2 2 Собрать схему, указанную на рисунке Б.1 Приложения Б.
-
5.2.2.3 Подать напряжение питания на имитатор расхода, частотомеры и электронный блок преобразователя.
-
5.2.2.4 Переключатель П1 имитатора расхода установить в положение в соответствии с таблицей В.1 Приложения В.
-
5.2.2.5 Переключатель П2 установить в положение, отличное от “ 00
-
5.2.2.6 Преобразователь считают прошедшим опробование, если на индикаторе частотомера 42 наблюдается значение частоты, отличное от нуля.
-
5.2.2.7 Допускается совмещать опробование преобразователей с операциями его поверки.
-
5.3.1 Испытания на герметичность проводятся при выпуске из производства, при периодической поверке или после ремонта, который может повлиять на герметичность счетчика.
-
5.3.2 В измерительной вставке счетчика создают давление, равное 2,4 (4,0) МПа.
-
5.3.3 Результаты испытаний считают удовлетворительными, если в течение 15 минут в местах соединений и на корпусе отсутствуют признаки видимой течи.
-
5.4.1. Определение геометрических размеров измерительной вставки производится для целей поверки имитационным методом счетчиков с номинальными диаметрами фланцев DN равными либо превышающими 150 мм.
-
5.4.2. С помощью микрометрического нутромера произвести измерение внутреннего диаметра измерительной вставки счетчика DBHj (м) не менее, чем в восьми точках, равномерно расположенных по всему диаметру в зоне измерения согласно Приложения Г.
-
5.4.3. Рассчитать среднее значение внутреннего диаметра измерительной вставки счетчика Dbh(m).
-
5.4.4. С помощью угломера произвести измерение углов наклона aj и pj ультразвуковых датчиков к внешней поверхности измерительной вставки счетчика не менее трех раз для каждой пары ультразвуковых датчиков согласно Приложения Г.
-
5.4.5. Рассчитать среднее значение угла наклона каждой пары ультразвуковых датчиков по формуле
где п = 3;
-
5.4.6. Рассчитать среднее значение угла наклона ультразвуковых датчиков по формуле
где п = 2;
1 п
cto= — 2akn
п i=1
(2)
-
5.4.7. С помощью микрометрического нутромера, произвести измерение расстояния Li (м) между излучающими поверхностями ультразвуковых датчиков не менее трех раз.
-
5.4.8. Рассчитать среднее значение расстояния между излучающими поверхностями ультразвуковых датчиков L (м).
-
5.4.9. Результаты измерений занести в протокол Приложения Д.
-
5.4.10. По результатам измерений рассчитать коэффициент масштабирования КМ) м3 по формуле
Км =450 л • |tg a| ■ DeH • I? (3)
-
5.5 Определение метрологических характеристик
-
5.5.1.1. Определение погрешности коэффициента масштабирования прф
г'Х Ь \\ . «А •
Л
„ r J
5.5.1.2.Погрешность коэффициента масштабирования 5км, % рассчитатьгю формуле: / •
фланцев DI нхинческой инрориаишн
целей поверки имитационным методом счетчиков с номинальными диаметрамс равными либо превышающими 150 мм. Лс
где



+ 4-8
2 AL
5iga - относительная погрешность измерения тангенса угла наклона ультразвуковых датчиков к внешней поверхности измерительной вставки счетчика, %;
Sdbh - относительная погрешность измерения внутреннего диаметра измерительной вставки счетчика, %;
3AL - относительная погрешность измерения расстояния между излучающими плоскостями ультразвуковых датчиков измерительной вставки счетчика, %;
8^=2—400%;
stn2a
(5)
где Да
-
- абсолютная погрешность средства измерения угла наклона, рад;
-
- угол наклона ультразвуковых датчиков к внешней поверхности измерительной вставки счетчика, гр;
5овн = ~400%; (6)
^ВН
где

ADeH - абсолютная погрешность средства измерения внутреннего диаметра счетчика, мм;
DBM - внутренний диаметр счетчика, мм;
Sal= ~ 100%;
(7)
где
AL - абсолютная погрешность средства измерения расстояния между излучающими поверхностями ультразвуковых датчиков, м;
L - расстояние между излучающими поверхностями ультразвуковых датчиков, м;
5.5.1.3.Результаты расчетов считают положительными, если относительная погрешность коэффициента масштабирования 8км не превышает значения ±0,3%.

-
5.5.2.1. Поверку счетчика следует проводить для расходов, указанных в таблицах приложения Е.
-
5.5.2.2. Выполнить требования по пунктам 5.2.1.1 .... 5.2.1.4.
-
5.5.2.3. Установить через счетчик расход воды в соответствии с пунктом 5.5.2.1.
-
5.5.2.4. Погрешность счетчика определяют в точках расхода согласно приложения Е.
-
5.5.2.5. В каждой точке расхода проводят по три измерения. Если фактическая погрешность по результатам одного из измерений превысит максимально допустимую погрешность, то необходимо повторить измерение на том же расходе еще два раза. За погрешность измерения принимается максимальное по модулю значение.
-
5.5.2.6. Минимальное количество импульсов N,, измеренное частотомером 41 за одно измерение и пропорциональное прошедшему через счетчик объему, должно быть не менее значения, указанного в таблице 4.
Таблица 4
Серия счетчика |
Количество импульсов, Ni, ед. |
1500, 2500 |
1600 |
1300, 2300 |
800 |
5.5.2.7. Относительную погрешность измерения объема 5f, %, рассчитать по формуле:
где
V.
Ч
V -V
8f= -i—12-100, Ч
объем, измеренный поверяемым средством
объем, измеренный эталонным СИ, л.
V, = N, ■ lv

где Nj - количество импульсов, измеренное счетчиком импульсов, подключенным к поверяемому СИ, имп;
lv - вес импульса согласно паспорта счетчика, л/имп;
5.5.2.8. Счетчик считают выдержавшим испытание, если основная относительная погрешность измерения не превышает значений, указанных в таблице 5:
Таблица 5
Серия счетчика |
Диапазон измерения расхода |
Пределы допускаемой относительной погрешности, 5f, % | |
1300 |
Q 2 s Q <; Q< |
±2 (для t £ 30 °C) ±3 (для t > 30 °C) |
По СТБ ISO 4064-1 |
Q 1 £ Q < Q2 |
±5 | ||
Q2<SQ^ Q« |
±1 (для t S 30 °C) ±1,5 (для t > 30 °C) |
По ТУ BY 101138220.017-2017 | |
Q 1 £ Q < Q2 |
±3,5 | ||
1500 |
Q25Q<Q4 |
±0,5 | |
Q1 Q < Q2 |
±1,0 | ||
2300 |
q t - q - qP |
±2 |
По СТБ EN 1434-1 |
q i s q < qt |
± (2 + 0,02 qp /q), но не более 5 % | ||
qt |
± 1 | ||
q i < q < q( |
±(1+0,01 qp/q) но не более 3,5 % | ||
2500 |
±0,5 |
По ТУ BY 101138220.017-2017 | |
q, * q < q« |
± (0,5 + 0,005 qD /q) |
5.5.2.9. По результатам поверки заполнить протокол по форме Приложения Ж.
5.5.3 Определение погрешности счетчиков с использованием имитатора расхода-
5.5.3.1. На поверку представляют счетчики с номинальными диаметрами фланцев DN равными либо превышающими 150 мм.
-
5.5.3.2. Выполнить требования по пунктам 5.2.2.1 .... 5.2.2.5.
-
5.5.3.3. На имитаторе расхода ИР1 кнопку Т1 установить в нижнее положение, при этом кнопки, Т4 и Т5 должны быть в верхнем положении (приложение Б).
-
5.5.3.4. Кнопки Т2 и ТЗ на имитаторе расхода установить в положение, при котором на индикаторе частотомера 42 наблюдаются нулевые показания.
-
5.5.3.5. Рассчитать частоту f, Гц, пропорциональную расходу, указанному в п. 5.5.2.1
-
5.5.3.6. Переключатель П1 имитатора расхода установить в положение в соответствии с таблицей Г.1 Приложения В.
-
5.5.3.7. Переключатель П2 установить в положение, при котором частота, фиксируемая частотомером 42 равна частоте, рассчитанной по п. 5.5.3.5.
-
5.5.3.8. Перевести частотомер 42 в режим счета импульсов.
-
5.5.3.9. Одновременно включить в режим измерения частотомер 42 и секундомер.
5.5.3. Ю.По прошествии времени Т| не менее 240 с и накоплении частотомером 42 количества импульсов Nj, указанного в таблице 6, одновременно остановить частотомер 42 и секундо
мер.
Таблица 6
Серия счетчика |
Количество импульсов, N.. ед. |
1500, 2500 |
1600 |
1300, 2300 |
800 |

-
5.5.3.11. Записать количество импульсов N,, накопленное частотомером 42 за время измерения Т|,.
-
5.5.3.12. На имитаторе расхода кнопку Т4 нажать, кнопку Т5 отжать (приложение Б).
5.5.3.13.Частотомер 41 перевести в режим измерения периода
-
5.5.3.14. Произвести не менее трех раз измерение периода t*. с.
-
5.5.3.15. На имитаторе расхода кнопку Т5 нажать, а кнопку Т4 отжать.
-
5.5.3.16. Произвести не менее трех раз измерение периода tp с.
-
5.5.3.17. Среднее значение периодов t *, с и t ', с, рассчитать по формулам
п 1-1
(12)
11 Гв|
где п = 3;
5.5.3.18.Относительную погрешность измерения расхода 5дпи, %, рассчитать по формуле:
бдпи= ^-100+5Км, (13)
*о
где 5км- погрешность коэффициента масштабирования согласно п. 5.5.1, %.
V, - объем, измеренный поверяемым средством измерения (формула 8), л;
Vo- эталонный объем, рассчитанный по формуле (13), л.


(14)
где Км - коэффициент масштабирования, рассчитанный в соответствии с п 5.4, м3; Кр - коэффициент коррекции расхода, приведенный для соответствующих значений диаметра измерительной вставки в приложении И;
-
5.5.3.19. Для счетчиков серий 1500 и 2500 испытания провести для каждой пары УЗД. За погрешность измерения расхода принимается максимальная погрешность.
-
5.5.3.20. Результаты испытаний считают положительными, если относительная погрешность измерения 5f, %,не превышает значений, приведенных в таблице 5.
-
5.5.3.21. По результатам поверки заполнить протокол по форме Приложения Ж
-
6.1 Проверку электрического сопротивления изоляции проводят по ГОСТ 12997 мегаомметром между цепью питания и клеммой заземления счетчика при напряжении 100 В.
-
6.2 Результаты проверки считают положительными, если измеренное значение сопротивления изоляции составляет не менее 1 МОм.
-
7.1 При положительных результатах первичной или периодической поверки на крышку счетчика наносится клеймо-наклейка, а также оттиск знака поверки на крепежные винты с мастикой, расположенные на фальшпанелях под верхней крышкой счетчиков. На средство измерений выдается свидетельство о поверке по форме приложения Г ТКП 8.003- 2012.
-
7.2 При отрицательных результатах поверки счетчик изымают из обращения, производят
гашение поверительного клейма, свидетельство о поверке аннулируют и выдают заключение о непригодности по форме приложения Д ТКП 8.003 - 2012.
нагчно. Ъ
„’’«форЧаинп I' "г,Р'^'1(Гацад J '1Щ)йНШ, А? х ■ о
■Х-А, 4
СХЕМА ЭЛЕКТРИЧЕСКАЯ ПОДКЛЮЧЕНИЯ ДЛЯ ПОВЕРКИ СЧЕТЧИКОВ МЕТОДОМ НЕПОСРЕДСТВЕННОГО СЛИЧЕНИЯ



42 - частотомер 43 - 34
Рисунок А.1 - Схема электрическая подключения для поверки счетчиков методом непосредственного сличения

■' хяической
нкФорч;ацц1< нпрчативк„.
СХЕМА ЭЛЕКТРИЧЕСКАЯ ПОДКЛЮЧЕНИЯ ДЛЯ ПОВЕРКИ СЧЕТЧИКОВ ИМИТАЦИОННЫМ МЕТОДОМ
СЧЕТЧИК

_гъ |
i |
РЕ |
+ |
- |
Q | |||
i |
2 |
3 |
4 |
-
41 - частотомер 43 - 63
-
42 - частотомер 43 - 34
ИР1 - имитатор расхода
Отдел технически н н IpVpU Aiawt и Н'-’рилтаввй Документами;:
//<?/
Рисунок Б.1 - Схема электрическая подключения для поверки-
счетчиков имитационным методом
W__
Таблица В.1
Положение переключателя П1 |
06 |
10 |
10 |
08 |
10 |
10 |
08 |
10 |
12 |
14 |
17 |
21 |
25 |
25 |
27 |
29 |
34 |
Диаметр DN счетчика, мм |
25 |
32 |
50 |
80 |
100 |
150 |
200 |
250 |
300 |
350 |
400 |
500 |
600 |
700 |
800 |
900 |
1000 |
ПОЛОЖЕНИЕ ПЕРЕКЛЮЧАТЕЛЯ П1 В ЗАВИСИМ ОТ ДИАМЕТРА DN СЧЕТЧИКА

СХЕМА ПРОВЕДЕНИЯ ГЕОМЕТРИЧЕСКИХ ИЗМЕРЕНИЙ


Рисунок Г.1 - Схема проведения геометрических измерений
I2

ФОРМА ПРОТОКОЛА ОПРЕДЕЛЕНИЯ ГЕОМЕТРИЧЕСКИХ РАЗМЕРОВ ИЗМЕРИТЕЛЬНОЙ ВСТАВКИ СЧЕТЧИКА
, ПРОТОКОЛ №___
Тип счетчика _____________________________
Класс точности _____________________________
Заводской № __________________________
Диаметр __________________________
Диапазон измерения ___________________________
Условия проведения измерений:
температура воздуха: _____________________________
температура воды: ____________________________
относительная влажность:
барометрическое давление: ____________________________
Эталонные СИ:

Внутренний диаметр, м |
Угол наклона пары УЗД, гр |
Длина УЗД1, м |
Расстояние между торцами, м | |||||
Овни (м) |
Dbh, (м) |
Ф, (град) |
Pi, (град) |
<Хк, (град) |
Ок, (град) |
«о, (град) |
Ц, (м) |
L, (м) |

Погрешность коэффициента масштабирования 8Км = __________________________
Заключение: ________________________________________________________
Дата поверки: ________________________________________________________________
Подпись лица, выполнявшего измерения____________________________________

13


НОМИНАЛЬНЫЕ ДИАМЕТРЫ ФЛАНЦЕВЫХ СОЕДИНЕНИЙ
(РАЗМЕРЫ РЕЗЬБОВЫХ СОЕДИНЕНИЙ) И СООТВЕТСТВУЮЩИЕ ИМ МИНИМАЛЬНЫЕ, ПЕРЕХОДНЫЕ, НОМИНАЛЬНЫЕ И МАКСИМАЛЬНЫЕ ЗНАЧЕНИЯ РАСХОДОВ Таблица Е.1
Фланцевые соединения DN |
Резьбовые соединения |
. По СТБ ISO 4064-1 |
Весовой коэффициент импульса, Kv л/имп | ||||
Минимальный расход Q-i, м^ч |
Переходный расход Q2, м’Хч |
Номинальный расход Qn, мАч |
Постоянный расход Q3, мАч |
Максимальный расход Q4, мЛч | |||
Серия 1300 | |||||||
50/1 |
- |
0,08 |
0,13 |
4,4 |
6,3 |
8,0 |
от 0,02 до 0,2 |
50/2 |
- |
0,125 |
0,20 |
7,0 |
10 |
12,5 |
от 0,04 до 0,4 |
15 |
G% В |
0,031 |
0,050 |
1,8 |
2,5 |
3,0 |
от 0,01 до 0,1 |
20 |
G1 В |
0,050 |
0,080 |
2,8 |
4,0 |
5,0 |
от 0,015 до 0,15 |
25 |
G1% В |
0,08 |
0,13 |
4,4 |
6,3 |
8,0 |
от 0,03 до 0,3 |
32 |
GV/aB |
0,125 |
0,20 |
7,0 |
10,0 |
12,5 |
от 0,04 до 0,4 |
40 |
G2 В |
0,20 |
0,32 |
11,2 |
16,0 |
20,0 |
от 0,05 до 0,5 |
50 |
0,31 |
0,50 |
17,5 |
25,0 |
31,3 |
от 0,10 до 1,0 | |
65 |
0,50 |
0,80 |
28,0 |
40,0 |
50,0 |
от 0,15 до 1,5 | |
80 |
0,8 |
1,3 |
44,1 |
63,0 |
80,0 |
от 0,25 до 2,5 | |
100 |
1,25 |
2,0 |
70,0 |
100,0 |
125,0 |
от 0,35 до 3,5 | |
50 |
0,50 |
0,80 |
28,0 |
40,0 |
50,0 |
от 0,10 до 1,0 | |
65 |
0,80 |
1,26 |
44,1 |
63,0 |
80,0 |
от 0,15 до 1,5 | |
80 |
1,25 |
2,0 |
70,0 |
100,0 |
125,0 |
от 0,5 до 5,0 | |
100 |
2,0 |
3,2 |
112,0 |
160,0 |
200,0 |
от 0,8 до 8,0 | |
150 |
5,0 |
8,0 |
280,0 |
400,0 |
500,0 |
от 1,4 до 14,0 | |
200 |
8,0 |
13 |
441,0 |
630,0 |
800,0 |
от 3,0 до 30,0 | |
250 |
12,5 |
20,0 |
700,0 |
1000 |
1250 |
от 5,0 до 50,0 | |
300 |
20,0 |
32,0 |
1120 |
1600 |
2000 |
от 7,0 до 70,0 | |
400 |
31,3 |
50,0 |
1750 |
2500 |
3125 |
от 12,5 до 125 | |
500 |
50,0 |
80,0 |
2800 |
4000 |
5000 |
от 20,0 до 200 | |
600 |
80,0 |
126,0 |
4410 |
6300 |
8000 |
от 28,0 до 280 | |
700 |
125,0 |
200,0 |
7000 |
10000 |
12500 |
от 40,0 до 400 | |
800 |
125,0 |
200,0 |
7000 |
10000 |
12500 |
от 50,0 до 500 | |
900 |
200,0 |
320,0 |
11200 |
16000 |
20000 |
ОТ 65,0 до 650 | |
1000 |
200,0 |
320,0 |
11200 |
16000 |
20000 |
от 80,0 до 800 | |
1200 |
312,5 |
500,0 |
17500 |
25000 |
31250 |
от 100 до 1000 | |
Серия 1500 | |||||||
50 |
2,0 |
3,2 |
28,0 |
40 |
50,0 |
от 0,10 до 1,0 | |
65 |
3,2 |
5,0 |
44,1 |
63 |
80,0 |
от 0,15 до 1,5 | |
80 |
5,0 |
8 |
70,0 |
100 |
125,0 |
от 0,5 до 5,0 | |
100 |
8,0 |
13 |
112,0 |
160 |
200,0 |
от 0,8 до 8,0 | |
150 |
20,0 |
32 |
280,0 |
400 |
500,0 |
от 1,4 до 14,0 | |
200 |
32,0 |
50 |
441,0 |
630 |
800,0 |
от 3,0 до 30,0 | |
250 |
50,0 |
80,0 |
700,0 |
1000 |
1250 |
от 5,0 до 50,0 | |
300 |
80,0 |
128,0 |
1120 |
1600 |
2000 |
от 7,0 до 70,0 | |
400 |
125,0 |
200,0 |
1750 |
2500 |
3125 |
от 12,5 до 125 | |
500 |
200,0 |
320,0 |
2800 |
4000 |
5000 |
от 20,0 до 200 | |
600 |
315,0 |
504,0 |
4410 |
6300 |
8000 |
от 28,0 до 280 | |
700 |
500,0 |
800,0 |
7000 |
10000 |
12500 |
от 40АдбгШТ | |
800 |
500,0 |
800,0 |
7000 |
10000 |
12500 |
гАл ‘ от ЗДДдо 500 | |
900 |
800,0 |
1280 |
11200 |
16000 |
20000 |
I I о | |
1000 |
800,0 |
1280 |
11200 |
16000 |
20000 |
от 80,0 до 800 | |
1200 |
1250 |
2000 |
17500 |
25000 |
31250 |
от 100 до 1000 |
I А

'О


Постоянный расход qp, м3\ч
Минимальный расход q>, м3\ч
Максимальный расход qa, м3\ч
Переходный расход qt, м3\ч
Весовой коэффициент им пульса, Ку л/имп
Таблица Е.2
Исполнение
Резьбовые соединения
Фланцевые соединения DN

ПРОТОКОЛ №___
Номер методики поверки
Наименование организации заказчика Организация, проводившая поверку
Тип преобразователя
Заводской №
Класс точности
Диаметр
Диапазон измерения

Условия проведения поверки: температура воздуха: температура воды: относительная влажность: барометрическое давление: Эталонные СИ:
-
1. Внешний осмотр
-
2. Опробование
-
3. Герметичность
-
4. Сопротивление изоляции
5 Определение погрешности счетчика:
-
5.1 Определение погрешности счетчика с использованием поверочной установки
Точка расхода
Поверяемое СИ
Эталонное СИ
Погрешность бг,%
Кол-во имп, N,
Вес имп, lv, л/имп
Объем, Vi, л
Объем, Vo, л
Qi
Qt
<7₽
Qs
5.2 Определение погрешности счетчика с использованием имитатора расхода
Точка расхода |
Вес импульса, Ь, л/имп |
Коэффициенты |
Количество импульсов, N, |
Время, Т|, с |
Средний период ультразвукового сигнала |
Объем, Vi, л |
Объем, Vo, л |
Погрешность, б,.% | ||
S? о £ Е о с & gJ |
и га 0 s Е н о -о н о. о а С С _U | |||||||||
Км, м3 |
к₽ | |||||||||
q/(Qi) | ||||||||||
q;(Q2) | ||||||||||
qP(Q3) | ||||||||||
Qs (Q4) |
Дата поверки: _______________________________________________________________
Подпись лица, выполнявшего поверку ______________________________________
Л/ научно-
У- ■

№ п/п |
RZ / v |
0,1 |
0,2 |
0,3 |
0,4 |
0,5 |
0,6 |
0,8 |
1 |
1 |
10 |
0,94551 |
0,94142 |
0,93866 |
0,93651 |
0,93473 |
0,93319 |
0,93060 |
0,92844 |
2 |
9 |
0,94546 |
0,94139 |
0,93864 |
0.93649 |
0,93471 |
0,93318 |
0,93059 |
0,92843 |
3 |
8 |
0,94541 |
0,94136 |
0,93861 |
0.93647 |
0,93469 |
0,93316 |
0,93058 |
0.92842 |
4 |
7 |
0,94533 |
0,94131 |
0,93858 |
0.93645 |
0,93467 |
0,93314 |
0,93056 |
0,92841 |
5 |
6 |
0,94524 |
0,94126 |
0,93853 |
0,93641 |
0,93464 |
0,93311 |
0,93054 |
0,92839 |
6 |
5 |
0,94511 |
0,94118 |
0,93848 |
0,93636 |
0,93460 |
0,93308 |
0,93051 |
0.92837 |
7 |
4 |
0,94492 |
0,94106 |
0,93839 |
0,93629 |
0,93454 |
0,93303 |
0,93047 |
0.92833 |
8 |
3 |
0,94463 |
0,94088 |
0,93825 |
0,93618 |
0,93444 |
0,93294 |
0,93040 |
0,92827 |
9 |
2 |
0,94410 |
0,94053 |
0,93799 |
0,93596 |
0,93426 |
0,93278 |
0,93026 |
0,92816 |
10 |
1 |
0.94275 |
0,93962 |
0,93728 |
0,93538 |
0,93375 |
0.93233 |
0,92990 |
0,92784 |
11 |
0,9 |
0,94249 |
0,93944 |
0,93713 |
0,93525 |
0,93365 |
0,93224 |
0,92982 |
0,92777 |
12 |
0,8 |
0,94218 |
0,93921 |
0,93696 |
0,93510 |
0,93352 |
0,93212 |
0,92972 |
0,92769 |
13 |
0,7 |
0,94180 |
0,93894 |
0,93674 |
0,93492 |
0,93336 |
0,93198 |
0,92960 |
0,92759 |
14 |
0,6 |
0,94132 |
0,93859 |
0,93645 |
0,93468 |
0,93315 |
0,93179 |
0,92945 |
0,92745 |
15 |
0,5 |
0,94071 |
0,93812 |
0,93607 |
0,93436 |
0,93286 |
0,93153 |
0,92923 |
0,92727 |
16 |
0,4 |
0,93987 |
0,93748 |
0,93554 |
0,93390 |
0,93246 |
0,93117 |
0,92893 |
0,92700 |
17 |
0,3 |
0,93866 |
0,93651 |
0,93473 |
0,93319 |
0,93183 |
0,93060 |
0,92844 |
0,92657 |
18 |
0,2 |
0,93667 |
0,93486 |
0,93331 |
0,93193 |
0,93069 |
0.92957 |
0,92755 |
0,92579 |
1Я- |
0,93246 |
0,93117 |
0,93000 |
0,92893 |
0,92793 |
0,92700 |
0,92529 |
0,92376 |
0,1 |
0,2 |
0,3 |
0,4 |
0,5 |
0,6 |
0,8 |
0,9 |
1 |
0,94677 |
0,94288 |
0,94026 |
0,93823 |
0,93654 |
0,93509 |
0,93265 |
0,93159 |
0,93062 |
0,94673 |
0,94286 |
0,94024 |
0,93821 |
0,93653 |
0,93508 |
0,93264 |
0.93158 |
0,93061 |
0,94667 |
0,94282 |
0,94022 |
0.93819 |
0,93651 |
0,93506 |
0,93263 |
0,93167 |
0,93060 |
0.94660 |
0,94278 |
0,94018 |
0,93816 |
0,93649 |
0,93504 |
0,93261 |
0,93158 |
0,93069 |
0,94651 |
0,94272 |
0,94014 |
0,93813 |
0,93646 |
0,93502 |
0,93259 |
0,93164 |
0,93057 |
0,94638 |
0,94265 |
0,94008 |
0,93808 |
0,93642 |
0,93498 |
0,93258 |
0,93161 |
0.93064 |
0,94620 |
0,94253 |
0,94000 |
0,93802 |
0,93636 |
0,93493 |
0,93252 |
0,93148 |
0.93061 |
0,94592 |
0,94235 |
0,93987 |
0,93791 |
0,93627 |
0,93485 |
0,93245 |
0,93141 |
0,93046 |
0,94540 |
0,94202 |
0,93961 |
0,93770 |
0,93609 |
0,93469 |
0,93233 |
0,93130 |
0,93034 |
0,94410 |
0,94114 |
0.93893 |
0,93713 |
0,93560 |
0,93426 |
0,93197 |
0,93097 |
0,93004 |
0,94385 |
0,94096 |
0,93879 |
0,93701 |
0,93550 |
0,93417 |
0,93190 |
0,93090 |
0,92997 |
0,94355 |
0,94075 |
0,93862 |
0,93687 |
0,93538 |
0,93406 |
0,93180 |
0,93081 |
0,92990 |
0,94318 |
0,94048 |
0,93840 |
0,93669 |
0,93522 |
0,93392 |
0,93169 |
0,93071 |
0,92980 |
0,94272 |
0,94014 |
0,93813 |
0,93646 |
0,93502 |
0,93374 |
0,93154 |
0,93057 |
0,92967 |
0,94213 |
0,93969 |
0,93777 |
0,93615 |
0,93474 |
0,93350 |
0,93133 |
0,93038 |
0,92949 |
0,94133 |
0,93907 |
0,93725 |
0,93571 |
0,93436 |
0,93315 |
0,93104 |
0,93011 |
0,92923 |
0,94016 |
0,93815 |
0,93647 |
0,93503 |
0,93375 |
0,93260 |
0,93058 |
0,92967 |
0,92883 |
0,93825 |
0,93657 |
0,93511 |
0,93382 |
0,93266 |
0,93161 |
0,92973 |
0,92888 |
0,92808 |
0,93424 |
0,93304 |
0,93195 |
0,93095 |
0,93002 |
0,92916 |
0,92757 |
0,92684 |
0,92614 |

j примечание
гидродинамические коэффициенты рассчитаны для кинематической вязкости воды, равной 0,000001 м2/с скорость потока теплоносителя V указана в м/с.
абсолютная эквивалентная шероховатость внутренних стенок первичного преобразователя Rz указана в мм.
(обязательное)
КОЭФФИЦИЕНТЫ КОРРЕКЦИИ РАСХОДАДля первичного преобразователя DN 300
Для первичного преобразователя DN 400
№ п/п |
Rz/ / V |
0,1 |
0,2 |
0,3 |
0,4 |
0,5 |
0,6 |
0,8 |
1 |
1 |
10 |
0,94776 |
0,94402 |
0,94151 |
0,93956 |
0,93795 |
0,93656 |
0,93423 |
0,93230 |
2 |
9 |
0,94772 |
0,94400 |
0.94149 |
0.93955 |
0,93794 |
0,93655 |
0,93422 |
0,93229 |
3 |
8 |
0.94766 |
0,94396 |
0.94147 |
0,93953 |
0,93792 |
0,93654 |
0,93421 |
0,93228 |
4 |
7 |
0,94759 |
0.94392 |
0.94143 |
0,93950 |
0,93790 |
0,93652 |
0,93420 |
0,93227 |
5 |
6 |
0,94750 |
0,94387 |
0,94139 |
0,93947 |
0,93787 |
0.93649 |
0.93418 |
0,93225 |
6 |
5 |
0,94738 |
0,94379 |
0,94134 |
0,93942 |
0,93783 |
0,93646 |
0,93415 |
0,93223 |
7 |
4 |
0,94720 |
0,94368 |
0,94126 |
0,93936 |
0,93778 |
0,93641 |
0,93411 |
0,93220 |
8 |
3 |
0,94692 |
0,94351 |
0,94112 |
0,93925 |
0,93768 |
0,93633 |
0,93405 |
0,93214 |
9 |
2 |
0,94642 |
0,94318 |
0,94088 |
0,93905 |
0.93751 |
0,93618 |
0,93392 |
0,93203 |
10 |
1 |
0,94515 |
0.94232 |
0,94021 |
0,93850 |
0,93704 |
0,93576 |
0,93358 |
0,93174 |
11 |
0,9 |
0,94491 |
0,94215 |
0,94007 |
0,93838 |
0,93694 |
0.93567 |
0,93350 |
0,93168 |
12 |
0,8 |
0,94461 |
0,94194 |
0,93991 |
0,93824 |
0,93682 |
0.93556 |
0,93342 |
0.93160 |
13 |
0,7 |
0,94426 |
0,94168 |
0,93970 |
0,93807 |
0,93667 |
0,93543 |
0,93330 |
0,93150 |
14 |
0,6 |
0,94381 |
0,94135 |
0,93944 |
0,93784 |
0,93647 |
0,93525 |
0,93316 |
0,93138 |
15 |
0,5 |
0,94324 |
0,94092 |
0,93908 |
0,93754 |
0,93620 |
0,93502 |
0,93296 |
0,93121 |
16 |
0,4 |
0,94246 |
0,94032 |
0,93859 |
0,93712 |
0,93583 |
0,93468 |
0,93268 |
0,93096 |
17 |
0,3 |
0.94133 |
0,93942 |
0,93783 |
0,93646 |
0,93524 |
0,93415 |
0,93223 |
0.93057 |
1В |
0,2 |
0.93949 |
0,93789 |
0,93651 |
0.93529 |
0,93419 |
0.93319 |
0,93141 |
0.92984 |
19 |
0,1 |
0.93563 |
0,93450 |
0,93347 |
0,93252 |
0,93165 |
0,93083 |
0,92933 |
0,92798 |
0,1 |
0,2 |
0,3 |
0,4 |
0,5 |
0,6 |
со |
0,9 |
1 |
0,94925 |
0,94574 |
0,94338 |
0,94156 |
0,94005 |
0,93876 |
0,93659 |
0,93566 |
0,93480 |
0,94920 |
0,94571 |
0,94336 |
0,94154 |
0,94004 |
0,93875 |
0.93658 |
0,93565 |
0,93479 |
0,94915 |
0,94568 |
0,94333 |
0.94152 |
0.94002 |
0,93873 |
0,93657 |
0,93564 |
0.93478 |
0.94908 |
0,94564 |
0,94330 |
0,94150 |
0.94000 |
0,93871 |
0,93656 |
0,93562 |
0.93477 |
0,94900 |
0,94558 |
0,94327 |
0,94147 |
0,93997 |
0,93869 |
0.93654 |
0.93561 |
0.93475 |
0,94888 |
0.94551 |
0,94321 |
0,94142 |
0,93994 |
0,93866 |
0.93651 |
0,93558 |
0.93473 |
0,94871 |
0,94541 |
0,94313 |
0,94136 |
0,93988 |
0,93861 |
0,93847 |
0,93555 |
0,93469 |
0,94844 |
0,94524 |
0,94301 |
0,94126 |
0,93980 |
0,93853 |
0,93641 |
0,93549 |
0,93464 |
0,94795 |
0,94492 |
0,94277 |
0.94106 |
0,93963 |
0,93839 |
0,93629 |
0,93538 |
0,93454 |
0,94673 |
0,94410 |
0,94213 |
0,94053 |
0,93918 |
0,93799 |
0,93596 |
0,93508 |
0,93426 |
0,94650 |
0,94393 |
0,94200 |
0,94042 |
0,93908 |
0,93790 |
0,93589 |
0,93502 |
0,93420 |
0,94622 |
0,94373 |
0,94184 |
0,94029 |
0,93896 |
0,93780 |
0,93581 |
0,93494 |
0,93413 |
0,94588 |
0,94348 |
0,94164 |
0.94012 |
0,93882 |
0,93767 |
0,93570 |
0,93484 |
0,93404 |
0,94545 |
0,94317 |
0,94139 |
0,93991 |
0,93863 |
0,93750 |
0,93556 |
0,93471 |
0,93392 |
0,94490 |
0,94275 |
0,94105 |
0,93962 |
0,93838 |
0,93728 |
0,93538 |
0,93454 |
0,93375 |
0,94416 |
0,94218 |
0,94058 |
0,93921 |
0,93802 |
0,93696 |
0,93510 |
0,93428 |
0,93352 |
0,94309 |
0,94132 |
0,93985 |
0,93859 |
0,93746 |
0,93645 |
0,93468 |
0,93369 |
0,93315 |
0,94135 |
0,93987 |
0,93860 |
0.93748 |
0,93647 |
0,93554 |
0,93390 |
0,93316 |
0,93246 |
0,93770 |
0,93667 |
0,93573 |
0.93486 |
0,93406 |
0,93331 |
0,93193 |
0,93130 |
0,93069 |
гидродинамические коэффициенты рассчитаны для кинематической вязкости воды, равной 0,000001 мг/с скорость потока теплоносителя V указана в м/с,
абсолютная эквивалентная шероховатость внутренних стенок первичного преобразователя Rz указана в мм.
Продолжение приложения И (обязательное) КОЭФФИЦИЕНТЫ КОРРЕКЦИИ РАСХОДАДля первичного преобразователя DN 500
Для первичного преобразователя DN 600
№ п/п |
Rz / / V |
0,1 |
0,2 |
0,3 |
0,4 |
0,5 |
0,6 |
0,8 |
1 |
1 |
10 |
0,95034 |
0,94699 |
0,94475 |
0,94301 |
0,94158 |
0,94036 |
0,93831 |
0,93661 |
2 |
9 |
0,95030 |
0,94697 |
0,94473 |
0,94300 |
0,94157 |
0,94035 |
0,93830 |
0,93660 |
3 |
8 |
0,95025 |
0,94693 |
0,94470 |
0,94298 |
0,94156 |
0,94033 |
0,93828 |
0,93659 |
4 |
7 |
0,95018 |
0,94689 |
0,94467 |
0,94296 |
0,94154 |
0.94032 |
0,93827 |
0,93658 |
Б |
6 |
0,95010 |
0,94684 |
0,94464 |
0,94293 |
0,94151 |
0,94029 |
0,93825 |
0,93656 |
6 |
5 |
0,94998 |
0,94677 |
0,94458 |
0,94288 |
0,94147 |
0,94026 |
0,93823 |
0,93654 |
7 |
4 |
0,94982 |
0,94667 |
0,94451 |
0,94282 |
0,94142 |
0,94022 |
0,93819 |
0,93651 |
8 |
3 |
0,94955 |
0,94651 |
0,94439 |
0,94272 |
0,94134 |
0,94014 |
0,93813 |
0,93646 |
9 |
2 |
0,94908 |
0,94620 |
0,94415 |
0,94253 |
0,94118 |
0,94000 |
0,93802 |
0,93636 |
10 |
1 |
0,94790 |
0,94540 |
0,94353 |
0,94202 |
0,94074 |
0,93961 |
0,93770 |
0,93609 |
11 |
0,9 |
0,94767 |
0,94524 |
0,94341 |
0,94191 |
0,94064 |
0,93953 |
0,93763 |
0,93603 |
12 |
0,8 |
0,94740 |
0,94504 |
0,94325 |
0,94179 |
0,94053 |
0,93943 |
0,93755 |
0,93596 |
13 |
0,7 |
0,94707 |
0,94480 |
0,94306 |
0,94162 |
0,94039 |
0,93931 |
0,93745 |
0,93587 |
14 |
0,6 |
0,94666 |
0,94450 |
0,94282 |
0,94142 |
0,94021 |
0,93915 |
0,93731 |
0,93576 |
15 |
0,5 |
0,94613 |
0,94410 |
0,94249 |
0,94114 |
0,93997 |
0,93893 |
0,93713 |
0,93560 |
16 |
0,4 |
0,94542 |
0,94355 |
0,94203 |
0,94075 |
0,93962 |
0,93862 |
0,93687 |
0,93538 |
17 |
0,3 |
0,94438 |
0,94272 |
0,94134 |
0,94014 |
0,93908 |
0,93813 |
0,93646 |
0,93502 |
18 |
0,2 |
0,94271 |
0,94133 |
0,94013 |
0.93907 |
0,93812 |
0,93725 |
0,93571 |
0,93436 |
19 |
0,1 |
0,93922 |
0,93825 |
0,93738 |
0,93657 |
0,93581 |
0,93511 |
0,93382 |
0,93266 |
0,1 |
0,2 |
0,3 |
0.4 |
0,5 |
0,6 |
0,8 |
0,9 |
1 |
0,95120 |
0,94798 |
0,94582 |
0,94415 |
0,94278 |
0,94160 |
0,93964 |
0,93879 |
0,93801 |
0,95116 |
0,94795 |
0,94580 |
0,94414 |
0,94277 |
0,94159 |
0,93963 |
0,93878 |
0,93801 |
0,95111 |
0,94792 |
0,94578 |
0,94412 |
0,94275 |
0,94158 |
0,93962 |
0,93877 |
0,93800 |
0,95105 |
0,94788 |
0,94575 |
0,94410 |
0,94273 |
0,94156 |
0,93961 |
0,93876 |
0,93799 |
0,95096 |
0,94783 |
0,94571 |
0,94407 |
0,94271 |
0,94154 |
0,93959 |
0,93875 |
0,93797 |
0,95085 |
0,94776 |
0,94566 |
0,94402 |
0,94267 |
0,94151 |
0,93956 |
0,93872 |
0,93795 |
0,95069 |
0,94766 |
0,94558 |
0,94396 |
0,94262 |
0,94147 |
0,93953 |
0,93869 |
0,93792 |
0,95043 |
0,94750 |
0,94546 |
0,94387 |
0,94254 |
0,94139 |
0,93947 |
0,93864 |
0,93787 |
0,94997 |
0,94720 |
0,94524 |
0,94368 |
0,94238 |
0,94126 |
0,93936 |
0,93853 |
0,93778 |
0,94881 |
0,94642 |
0,94463 |
0,94318 |
0,94195 |
0,94088 |
0,93905 |
0,93825 |
0,93751 |
0,94859 |
0,94626 |
0,94451 |
0,94308 |
0,94186 |
0,94080 |
0,93898 |
0,93819 |
0,93746 |
0,94833 |
0,94607 |
0,94436 |
0,94295 |
0,94175 |
0,94070 |
0,93890 |
0,93812 |
0,93739 |
0,94801 |
0,94584 |
0,94417 |
0,94280 |
0,94162 |
0,94058 |
0,93880 |
0,93802 |
0,93730 |
0,94761 |
0,94554 |
0,94393 |
0,94259 |
0,94144 |
0,94042 |
0,93867 |
0,93790 |
0,93719 |
0,94709 |
0,94515 |
0,94361 |
0,94232 |
0,94120 |
0,94021 |
0,93850 |
0,93774 |
0,93704 |
0,94640 |
0,94461 |
0,94317 |
0,94194 |
0,94087 |
0,93991 |
0,93824 |
0,93750 |
0,93682 |
0,94540 |
0,94381 |
0,94249 |
0,94135 |
0,94034 |
0,93944 |
0,93784 |
0,93713 |
0,93647 |
0,94378 |
0,94246 |
0,94132 |
0,94032 |
0,93941 |
0,93859 |
0,93712 |
0,93645 |
0,93583 |
0,94041 |
0,93949 |
0,93866 |
0,93789 |
0,93718 |
0,93651 |
0,93529 |
0,93473 |
0,93419 |
гидродинамические коэффициенты рассчитаны для кинематической вязкости воды, равной 0,000001 м2/с скорость потока теплоносителя V указана в м/с.
абсолютная эквивалентная шероховатость внутренних стенок первичного преобразователя Rz указана в мм.

(обязательное)
КОЭФФИЦИЕНТЫ КОРРЕКЦИИ РАСХОДА
Для первичного преобразователя DN 700
Для первичного преобразователя DN 800
№ п/п |
Rz / / V |
0,1 |
0,2 |
0,3 |
0,4 |
0,5 |
0,6 |
0,8 |
1 |
1 |
10 |
0.95191 |
0,94878 |
0,94669 |
0,94508 |
0,94375 |
0,94262 |
0,94072 |
0,93916 |
2 |
9 |
0,95187 |
0,94875 |
0,94667 |
0,94507 |
0,94374 |
0,94261 |
0,94071 |
0,93915 |
3 |
8 |
0,95182 |
0,94872 |
0,94665 |
0,94505 |
0,94373 |
0,94259 |
0,94070 |
0,93914 |
4 |
7 |
0,95175 |
0,94869 |
0,94662 |
0,94502 |
0,94371 |
0,94258 |
0,94069 |
0,93913 |
5 |
6 |
0,95167 |
0,94664 |
0,94658 |
0,94499 |
0,94368 |
0,94256 |
0.94067 |
0,93911 |
6 |
5 |
0,95156 |
0,94657 |
0,94653 |
0,94495 |
0,94365 |
0,94253 |
0,94065 |
0,93909 |
7 |
4 |
0,95140 |
0,94847 |
0,94646 |
0,94490 |
0,94360 |
0.94248 |
0,94061 |
0,93906 |
8 |
3 |
0,95115 |
0,94831 |
0,94634 |
0,94480 |
0,94352 |
0,94241 |
0,94056 |
0,93902 |
9 |
2 |
0,95069 |
0,94802 |
0,94612 |
0,94462 |
0,94336 |
0,94228 |
0,94045 |
0,93892 |
10 |
1 |
0,94956 |
0,94725 |
0,94553 |
0,94413 |
0.94294 |
0,94191 |
0,94014 |
0,93867 |
11 |
0,9 |
0,94934 |
0,94710 |
0,94540 |
0,94403 |
0,94266 |
0,94183 |
0,94008 |
0,93861 |
12 |
0,8 |
0,94909 |
0,94691 |
0,94526 |
0,94390 |
0,94275 |
0,94173 |
0,94000 |
0,93854 |
13 |
0,7 |
0,94877 |
0,94668 |
0,94507 |
0,94375 |
0,94261 |
0,94162 |
0,93990 |
0,93846 |
14 |
0,6 |
0,94838 |
0,94639 |
0,94484 |
0,94355 |
0,94244 |
0,94146 |
0,93978 |
0,93835 |
15 |
0,5 |
0,94788 |
0,94601 |
0,94453 |
0,94329 |
0,94221 |
0,94125 |
0,93960 |
0,93820 |
16 |
0,4 |
0,94720 |
0,94549 |
0,94410 |
0,94291 |
0,94188 |
0,94096 |
0,93936 |
0,93799 |
17 |
0,3 |
0,94622 |
0,94470 |
0,94344 |
0,94234 |
0,94137 |
0,94050 |
0,93897 |
0,93765 |
18 |
0,2 |
0,94465 |
0,94339 |
0,94230 |
0,94133 |
0,94046 |
0,93967 |
0,93826 |
0,93702 |
19 |
0,1 |
0,94137 |
0,94050 |
0,93970 |
0,93897 |
0,93829 |
0,93765 |
0,93648 |
0,93543 |
0,1 |
0,2 |
0,3 |
0,4 |
0,5 |
0,6 |
0,8 |
0,9 |
1 |
0,95250 |
0,94946 |
0,94742 |
0,94586 |
0,94457 |
0,94347 |
0,94163 |
0,94084 |
0,94011 |
0,95246 |
0,94943 |
0,94740 |
0,94584 |
0,94456 |
0,94346 |
0,94162 |
0,94083 |
0,94011 |
0,95241 |
0,94940 |
0,94738 |
0,94583 |
0,94454 |
0,94345 |
0,94161 |
0,94082 |
0,94010 |
0,95235 |
0,94936 |
0,94735 |
0,94580 |
0,94453 |
0,94343 |
0,94160 |
0,94081 |
0,94009 |
0,95227 |
0,94931 |
0,94732 |
0,94578 |
0,94450 |
0,94341 |
0,94158 |
0,94079 |
0,94007 |
0,95216 |
0,94925 |
0,94727 |
0,94574 |
0,94447 |
0,94338 |
0,94156 |
0,94077 |
0,94005 |
0,95200 |
0,94915 |
0,94720 |
0,94568 |
0,94442 |
0,94333 |
0,94152 |
0,94074 |
0,94002 |
0,95175 |
0,94900 |
0,94708 |
0,94558 |
0,94434 |
0,94327 |
0,94147 |
0,94069 |
0,93997 |
0,95130 |
0,94871 |
0,94686 |
0,94541 |
0,94419 |
0,94313 |
0,94136 |
0,94059 |
0,93988 |
0,95019 |
0,94795 |
0,94628 |
0,94492 |
0,94377 |
0,94277 |
0,94106 |
0,94032 |
0,93963 |
0,94998 |
0,94780 |
0,94616 |
0,94482 |
0,94369 |
0,94269 |
0,94100 |
0,94026 |
0,93958 |
0,94972 |
0,94762 |
0,94601 |
0,94470 |
0,94358 |
0,94260 |
0,94092 |
0,94019 |
0,93951 |
0,94942 |
0,94739 |
0,94583 |
0,94455 |
0,94345 |
0,94248 |
0,94083 |
0,94010 |
0,93943 |
0,94903 |
0,94711 |
0,94561 |
0,94436 |
0,94328 |
0,94233 |
0,94070 |
0,93999 |
0,93932 |
0,94854 |
0,94673 |
0,94530 |
0,94410 |
0,94305 |
0,94213 |
0,94053 |
0,93983 |
0,93918 |
0,94788 |
0,94622 |
0,94487 |
0,94373 |
0,94273 |
0,94184 |
0,94029 |
0,93960 |
0,93896 |
0,94692 |
0,94545 |
0,94423 |
0,94317 |
0,94223 |
0,94139 |
0,93991 |
0,93925 |
0,93863 |
0,94538 |
0,94416 |
0,94311 |
0,94218 |
0,94134 |
0,94058 |
0,93921 |
0,93860 |
0,93802 |
0,94219 |
0,94135 |
0,94058 |
0,93987 |
0,93922 |
0,93860 |
0,93748 |
0,93696 |
0,93647 |
гидродинамические коэффициенты рассчитаны для кинематической вязкости воды, равной 0,000001 м2/с скорость потока теплоносителя V указана в м/с.
абсолютная эквивалентная шероховатость внутренних стенок первичного преобразователя Rz указана в мм.
Продолжение приложения И(обязательное)
КОЭФФИЦИЕНТЫ КОРРЕКЦИИ РАСХОДАДля первичного преобразователя DN 900
Для первичного преобразователя DN 1000
№ п/п |
Rz / / V |
0,1 |
0,2 |
0,3 |
0,4 |
0,5 |
0,6 |
0,8 |
1 |
1 |
10 |
0,95302 |
0,95004 |
0,94805 |
0,94653 |
0,94527 |
0,94420 |
0,94241 |
0,94093 |
2 |
9 |
0,95296 |
0,95001 |
0,94804 |
0,94651 |
0,94526 |
0,94419 |
0,94240 |
0,94092 |
3 |
8 |
0,95293 |
0,94998 |
0,94801 |
0.94650 |
0,94525 |
0,94417 |
0,94239 |
0,94092 |
4 |
7 |
0,95286 |
0,94995 |
0,94799 |
0,94647 |
0,94523 |
0,94416 |
0,94238 |
0,94090 |
5 |
6 |
0,95278 |
0,94990 |
0,94795 |
0,94644 |
0,94520 |
0,94414 |
0,94236 |
0,94089 |
б |
5 |
0,95267 |
0,94983 |
0,94790 |
0,94641 |
0,94517 |
0,94411 |
0,94233 |
0,94087 |
7 |
4 |
0,95252 |
0,94974 |
0,94783 |
0,94635 |
0,94512 |
0,94407 |
0,94230 |
0,94084 |
8 |
3 |
0,95227 |
0,94958 |
0,94772 |
0,94626 |
0,94504 |
0,94400 |
0,94225 |
0,94079 |
9 |
2 |
0,95183 |
0,94930 |
0,94750 |
0,94608 |
0,94489 |
0,94387 |
0,94214 |
0,94071 |
10 |
1 |
0,95073 |
0,94855 |
0,94692 |
0,94561 |
0,94449 |
0,94351 |
0,94185 |
0,94046 |
11 |
0,9 |
0,95052 |
0,94840 |
0,94681 |
0,94551 |
0,94440 |
0,94343 |
0,94179 |
0,94040 |
12 |
0,8 |
0,95027 |
0,94822 |
0,94666 |
0,94539 |
0,94430 |
0,94334 |
0,94171 |
0,94034 |
13 |
0,7 |
0,94997 |
0,94800 |
0,94649 |
0,94524 |
0,94417 |
0,94323 |
0,94162 |
0,94026 |
14 |
0,6 |
0,94959 |
0,94772 |
0,94626 |
0,94505 |
0,94400 |
0,94308 |
0.94149 |
0,94015 |
15 |
0,5 |
0,94911 |
0,94736 |
0,94596 |
0,94479 |
0,94378 |
0,94288 |
0,94133 |
0,94001 |
16 |
0,4 |
0,94846 |
0,94685 |
0,94554 |
0.94443 |
0,94346 |
0,94259 |
0,94109 |
0,93980 |
17 |
0,3 |
0,94752 |
0,94610 |
0,94491 |
0,94388 |
0,94297 |
0,94215 |
0,94071 |
0,93948 |
18 |
0,2 |
0,94601 |
0,94483 |
0,94381 |
0,94291 |
0,94210 |
0,94135 |
0,94003 |
0,93888 |
19 |
0,1 |
0,94289 |
0,94207 |
0,94133 |
0,94065 |
0,94001 |
0,93942 |
0,93833 |
0,93735 |
0,1 |
0,2 |
0,3 |
0,4 |
0,5 |
0,6 |
0,8 |
0,9 |
1 |
0,95346 |
0,95055 |
0,94860 |
0,94711 |
0,94588 |
0,94483 |
0,94308 |
0,94233 |
0,94164 |
0,95342 |
0,95052 |
0,94859 |
0,94710 |
0,94587 |
0,94482 |
0,94308 |
0,94233 |
0,94164 |
0,95338 |
0,95049 |
0,94857 |
0,94708 |
0,94586 |
0.94481 |
0,94307 |
0,94232 |
0,94163 |
0,95331 |
0,95046 |
0,94854 |
0,94706 |
0,94584 |
0,94480 |
0,94305 |
0,94231 |
0,94162 |
0,95323 |
0,95041 |
0,94850 |
0,94703 |
0.94582 |
0,94477 |
0,94304 |
0,94229 |
0,94160 |
0,95313 |
0,95034 |
0,94845 |
0,94699 |
0,94578 |
0,94475 |
0,94301 |
0,94227 |
0,94158 |
0,95297 |
0,95025 |
0,94838 |
0,94693 |
0,94574 |
0,94470 |
0,94298 |
0,94224 |
0,94156 |
0,95273 |
0,95010 |
0,94827 |
0,94684 |
0,94566 |
0,94464 |
0,94293 |
0,94219 |
0,94151 |
0.95229 |
0,94982 |
0,94806 |
0,94667 |
0,94551 |
0,94451 |
0,94282 |
0,94209 |
0,94142 |
0,95121 |
0,94908 |
0,94749 |
0,94620 |
0,94511 |
0,94415 |
0,94253 |
0,94183 |
0,94118 |
0,95100 |
0,94893 |
0,94737 |
0,94610 |
0,94502 |
0,94408 |
0,94247 |
0,94177 |
0,94112 |
0,95076 |
0,94876 |
0,94723 |
0,94599 |
0,94492 |
0,94399 |
0,94240 |
0,94170 |
0,94106 |
0,95046 |
0,94854 |
0,94706 |
0,94584 |
0,94480 |
0,94388 |
0,94231 |
0,94162 |
0,94098 |
0,95009 |
0,94826 |
0,94684 |
0,94565 |
0,94463 |
0,94373 |
0,94218 |
0,94151 |
0,94088 |
0,94961 |
0,94790 |
0,94654 |
0,94540 |
0,94441 |
0,94353 |
0,94202 |
0,94135 |
0,94074 |
0,94897 |
0,94740 |
0,94613 |
0,94504 |
0,94410 |
0,94325 |
0,94179 |
0,94114 |
0,94053 |
0,94805 |
0,94666 |
0,94550 |
0,94450 |
0,94361 |
0,94282 |
0,94142 |
0,94079 |
0.94021 |
0,94656 |
0,94542 |
0,94443 |
0,94355 |
0,94275 |
0,94203 |
0,94075 |
0,94017 |
0,93962 |
0,94350 |
0,94271 |
0,94199 |
0,94133 |
0,94071 |
0,94013 |
0,93907 |
0,93859 |
0,93812 |

гидродинамические коэффициенты рассчитаны для кинематической вязкости воды, равной 0,000001 м2/с скорость потока теплоносителя V указана в м/с.
абсолютная эквивалентная шероховатость внутренних стенок первичного преобразователя Rz указана в мм.
• •
Окончание приложения И (обязательное)
Для первичного преобразователя DN 1100
Для первичного преобразователя DN 1200
№ п/п |
Rz / / V |
0,1 |
0,2 |
0,3 |
0,4 |
0,5 |
0,6 |
0,8 |
1 |
1 |
10 |
0.95386 |
0.95100 |
0.94909 |
0.94763 |
0.94643 |
0.94540 |
0.94368 |
0.94228 |
2 |
9 |
0.95382 |
0.95098 |
0.94908 |
0.94762 |
0.94642 |
0.94539 |
0 94368 |
0.94227 |
3 |
8 |
0.95377 |
0.95095 |
0.94905 |
0.94760 |
0.94640 |
0.94538 |
0.94367 |
0.94226 |
4 |
7 |
0.95371 |
0.95091 |
0 94903 |
0.94758 |
0.94638 |
0.94536 |
0.94365 |
0.94225 |
5 |
6 |
0.95363 |
0.95086 |
0.94899 |
0.94755 |
0.94636 |
0.94534 |
0.94364 |
0.94224 |
6 |
5 |
0.95353 |
0.95080 |
0.94894 |
0.94751 |
0.94633 |
0.94531 |
0.94361 |
0.94222 |
7 |
4 |
0.95337 |
0.95070 |
0.94887 |
0.94745 |
0.94628 |
0.94527 |
0.94358 |
0.94219 |
8 |
3 |
0.95314 |
0.95055 |
0.94876 |
0.94736 |
0.94620 |
0.94520 |
0.94353 |
0.94214 |
9 |
2 |
0.95270 |
0.95027 |
0.94855 |
0.94719 |
0.94606 |
0.94508 |
0.94342 |
0.94206 |
10 |
1 |
0.95163 |
0.94955 |
0.94799 |
0.94673 |
0.94566 |
0.94473 |
0.94314 |
0.94181 |
11 |
0,9 |
0.95143 |
0.94940 |
0.94788 |
0.94663 |
0.94558 |
0.94465 |
0.94308 |
0.94176 |
12 |
0,8 |
0.95118 |
0.94923 |
0.94774 |
0.94652 |
0.94548 |
0.94456 |
0.94301 |
0.94170 |
13 |
0,7 |
0.95089 |
0 94901 |
094756 |
0.94637 |
0.94535 |
0.94445 |
0.94291 |
0.94162 |
14 |
0,6 |
0.95052 |
0.94874 |
0.94734 |
0.94619 |
0.94519 |
0.94431 |
0.94280 |
0.94152 |
15 |
0,5 |
0.95005 |
0.94838 |
0.94705 |
0.94594 |
0.94497 |
0.94411 |
0.94263 |
0.94138 |
16 |
0,4 |
0.94942 |
0.94789 |
0.94664 |
0.94559 |
0.94466 |
0.94384 |
0.94240 |
0.94118 |
17 |
0,3 |
0.94851 |
0.94716 |
0.94603 |
0.94505 |
0.94418 |
0.94340 |
0.94204 |
0.94086 |
18 |
0,2 |
0 94705 |
0.94593 |
0.94497 |
0.94411 |
0.94334 |
0.94263 |
0.94138 |
0.94028 |
19 |
0,1 |
0.94404 |
0.94327 |
0.94257 |
0.94193 |
0.94132 |
0.94076 |
0.93973 |
0.93880 |
о,1 |
0,2 |
0,3 |
0,4 |
0,5 |
0,6 |
0,8 |
0,9 |
1 |
0.95422 |
0.95140 |
0.94953 |
0.94809 |
0.94691 |
0.94590 |
0.94422 |
0.94284 |
0.95422 |
0.95418 |
0.95138 |
0.94951 |
0.94808 |
0.94690 |
0.94589 |
0.94421 |
094283 |
0.95418 |
0.95413 |
0.95135 |
0.94949 |
0.94806 |
0.94689 |
0,94588 |
0.94420 |
0.94282 |
0.95413 |
0.95407 |
0.95132 |
0.94947 |
0.94804 |
0 94687 |
0.94586 |
0.94419 |
0.94281 |
0.95407 |
0.95399 |
0.95127 |
0.94943 |
0.94801 |
0,94685 |
0.94584 |
0.94417 |
0.94280 |
0.95399 |
0.95389 |
0.95120 |
0.94938 |
0.94798 |
0.94681 |
0.94582 |
0.94415 |
0.94278 |
0.95389 |
0.95374 |
0.95111 |
0.94931 |
0.94792 |
0.94677 |
0.94578 |
0.94412 |
0.94275 |
0.95374 |
0.95350 |
0.95096 |
0.94920 |
0.94783 |
0.94669 |
0.94571 |
0.94407 |
0.94271 |
0.95350 |
0.95307 |
0.95069 |
0.94900 |
0.94766 |
0.94655 |
0.94558 |
0.94396 |
0.94262 |
0.95307 |
0.95201 |
0.94997 |
0.94844 |
0.94720 |
0.94615 |
0.94524 |
0.94368 |
0.94238 |
0.95201 |
0.95181 |
0.94982 |
0.94833 |
0 94711 |
0.94607 |
0.94516 |
0.94362 |
0.94233 |
0.95181 |
0.95157 |
0.94965 |
0.94819 |
0.94699 |
0.94597 |
0.94508 |
0.94355 |
0.94227 |
0.95157 |
0.95128 |
0.94944 |
0.94802 |
0 94685 |
0.94585 |
0.94497 |
0.94346 |
0.94219 |
0.95128 |
0.95091 |
0.94917 |
0.94780 |
0.94666 |
0.94569 |
0.94482 |
0.94334 |
0.94209 |
0.95091 |
0.95045 |
0.94881 |
0.94751 |
0.94642 |
0.94547 |
0.94463 |
0.94318 |
0.94195 |
0.95045 |
0.94982 |
0.94833 |
0.94711 |
0.94607 |
0.94517 |
0.94436 |
0 94295 |
0.94175 |
0.94982 |
0.94893 |
0.94761 |
0.94650 |
0.94554 |
0.94469 |
0.94393 |
0.94259 |
0.94144 |
0.94893 |
0.94749 |
0.94640 |
0.94545 |
0.94461 |
0 94386 |
0.94317 |
0.94194 |
0.94087 |
0.94749 |
0.94452 |
0.94378 |
0.94309 |
0.94246 |
0.94187 |
0.94132 |
0.94032 |
0.93941 |
0.94452 |
гидродинамические коэффициенты рассчитаны для кинематической вязкости воды, равной 0,000001 м2/с скорость потока теплоносителя V указана в м/с.
абсолютная эквивалентная шероховатость внутренних стенок первичного преобразователя Rz указана в мм.

23