Руководство по эксплуатации «Устройство проверки простых защит "Нептун"» (3430-012-17326295-99 РЭ)
Научно - производственная фирма «Радиус»
Устройство проверки простых защит
«Нептун»Руководство по эксплуатации
3430-012-17326295-99 РЭ

Москва
1. |
Введение |
3 |
2. |
Назначение и область применения |
3 |
3. |
Выполняемые функции |
3 |
4. |
Технические характеристики |
4 |
5. |
Комплектность |
5 |
6. |
Устройство и работа изделия |
5 |
7. |
Указание мер безопасности |
7 |
8. |
Порядок работы |
7 |
9. |
Обслуживание |
10 |
10. |
Поверка |
10 |
11. |
Маркирование, пломбирование, упаковка |
10 |
12. |
Транспортировка и хранение |
11 |
13. |
Гарантии изготовители |
11 |
Приложение 1:
Внешний вид передней панели устройства «Нептун» 12
Приложение 2:
Структурная схема устройства «Нептун» 13
1. Введение
Настоящее руководство по эксплуатации предназначено для ознакомления с устройством, принципом действия, техническими характеристиками и правилами эксплуатации устройства проверки простых защит «Нептун».
НЕ ПРИСТУПАЙТЕ К РАБОТЕ, НЕ ОЗНАКОМИВШИСЬ С НАСТОЯЩИМ РУКОВОДСТВОМ ПО ЭКСПЛУАТАЦИИ!
Сокращения, используемые в тексте, структурных и принципиальных схемах:
АЦП - аналого-цифровой преобразователь;
ЛАТР - лабораторный автотрансформатор;
МП - микропроцессор;
НТ - нагрузочный трансформатор;
ОЗУ - оперативное запоминающее устройство;
ПЗУ - постоянное запоминающее устройство;
РЗА - релейная защита и автоматика.
2. Назначение и область применения
-
2.1. Назначение
Устройство проверки простых защит «Нептун» (в дальнейшем - устройство) предназначено для проверки и настройки электромеханических и электронных реле напряжения, тока и времени, применяемых в системе релейной защиты и автоматики распределительных сетей, агрегатов, генераторов и двигателей напряжением 0,4 и 6—35 кВ.
-
2.2. Область применения
Устройство предназначено для применения на местах установки систем релейной защиты и автоматики в условиях электростанций, промышленных предприятий и лабораторий. При исключении попадания на устройства водяных брызг и капель, устройства могут использоваться и на открытом воздухе.
По условиям эксплуатации устройства должны удовлетворять требованиям к группе 3 по ГОСТ 22261-94 с расширенным температурным с диапазоном рабочих температур от минус 10 до плюс 45°С.
3. Выполняемые функции
-
3.1. Устройство обеспечивает возможность проверки характеристик реле напряжения путем подачи плавно регулируемого переменного или постоянного напряжения с измерением его значения и индикацией момента срабатывания и отпускания контактов.
-
3.2. Устройство обеспечивает возможность проверки характеристик реле тока путем подачи переменного тока плавно регулируемой силы с измерением его значения и индикацией момента срабатывания и отпускания контактов.
-
3.3. Устройство обеспечивает возможность проверки временных характеристик реле напряжения, тока и времени путем подачи предварительно установленного переменного или постоянного напряжения и переменного тока с измерением времени срабатывания и отпускания.
-
3.4. При включении питания устройство обеспечивает автоматическую проверку исправности основных входящих в него узлов.
4. Технические характеристики
-
4.1. Диапазон регулирования и измерения напряжения переменного тока, В на пределе -25 В 1+25
на пределе -250 В 10+240
-
4.2. Диапазон регулирования и измерения напряжения постоянного тока, В
на пределе =35 В 1+35
на пределе =350 В 10+320
-
4.3. Диапазон регулирования и измерения силы переменного тока, А
на пределе -10 А
на пределе -20 А
на пределе -40 А
-
4.4. Диапазон измерения времени срабатывания
0,1+10
0,2+20
0,4+40
и отпускания контактов проверяемого аппарата, с 0,002+99,999
-
4.6. Относительная погрешность измерения эффективного
значения тока и напряжения, %
-
4.7. Абсолютная погрешность измерения времени переключения, не более, с
-
4.8. Напряжение питания, В/Гц
-
4.9. Потребляемая мощность по цепям питания, Вт
-
4.10. Наработка на отказ, час, не менее
-
4.11. Габаритные размеры блока, мм, не более
-
4.12. Масса, кг, не более
-
4.13. Средний срок службы с заменой комплектующих изделий не менее, лет
-
4.14. Электрическое сопротивление изоляции между изолированными цепями и корпусом в рабочих условиях не менее, МОм
-
4.15. Электрическая прочность изоляции 50 Гц/ 60 с, В
±2,5% от диапазона
(0,01хТизм + 0,002)
187+242 / 50±1
500
5000
480x300x170
16
10
5
1500
Примечание: ВыхоДные цепи канала напряжения в режимах «=350 В» и «-250 В» гальванически связаны с входной сетью.
5. Комплектность | |
Устройство «Нептун» с крышкой |
1 шт. |
Вставка плавкая 10А |
4 шт. |
Руководство по эксплуатации |
1шт. |
Паспорт |
1 шт. |
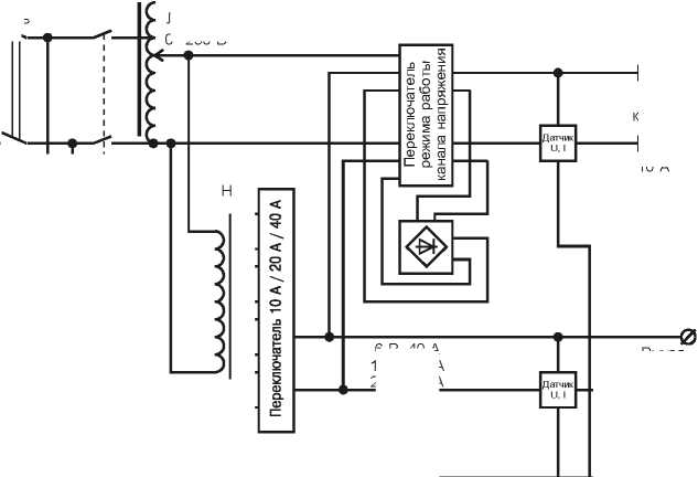
6. Устройство и работа изделия | |
6.1. Конструкция |
Устройство «Нептун» представляет собой переносное испытательное устройство. Устройство «Нептун» выполнено в одноблочном варианте со съемной крышкой. Под крышкой расположены входные и выходные клеммы, клавиатура, индикаторы, переключатели, тумблеры и другие органы управления. Вид лицевой панели устройства — в приложении
-
1.
Устройство является многофункциональным, ремонтируемым изделием и по номенклатуре показателей надежности относятся к группе II вида I согласно ГОСТ 27.003-83.
-
6.2. Основные узлы устройства
- силовая часть;
- микропроцессорный контроллер;
- аналоговые схемы формирования и усиления;
- плата индикации;
- плата клавиатуры;
- блок питания;
- датчики тока и напряжения.
Структурная схема устройства приведена в приложении 2.
-
6.2.1. В состав силовой части входят:
- регулировочный автотрансформатор с максимальным выходным напряжением 240 В;
- нагрузочный трансформатор с четырьмя вторичными обмотками по
6,3 В;
- трансформатор и выпрямитель вспомогательного изолированного
питания для запитки контактов проверяемого реле;
- выпрямитель со сглаживающим фильтром для получения постоян
ного напряжения (в канале напряжения);
- переключатель выходных обмоток нагрузочного трансформатора;
- переключатель режимов работы канала напряжения устройства;
- выключатель нагрузки; выключатель питания устройства.
Выходные клеммы канала напряжения 1-2 и канала тока 3-4 выведены раздельно при использовании устройства для проверки различных типов реле. Входные клеммы для подключения контактов проверяемого реле 5-6 также выведены отдельно и запитываются внутренним изолированным напряжением около 130 В постоянного тока для надежного пробоя окисных пленок контактов.
-
6.2.2. Микропроцессорный контроллер содержит:
- собственно микропроцессор МП с встроенным АЦП типа TN80C196KC20;
- постоянное запоминающее устройство ПЗУ;
- оперативное запоминающее устройство ОЗУ;
- два входных порта;
- один выходной регистр;
- схему управления жидкокристаллическим дисплеем и клавиатуры;
- схему формирования звукового сигнала.
-
6.2.3. Аналоговые схемы формирования и усиления включают:
- формирователь опорных напряжений;
- усилители сигналов переменного тока;
- усилители сигналов постоянного тока.
-
6.2.4. Плата индикации содержит:
-
- жидкокристаллический (ЖК) индикатор;
-
- светодиоды индикации СД.
-
6.2.5. Плата управления содержит:
-
- клавиатуру КЛВ с кнопками .
-
6.2.6. Блок питания:
-
- выполнен по схеме с бестрансформаторным входом, обеспечивает стабилизированные напряжения ±15 В (0,2 А) и +5 В (1,0 А).
-
6.2.7. Датчики тока и напряжения:
- 4 датчика для измерения напряжения и силы постоянного и переменного тока устройства, построенные на эффекте Холла.
-
6.3. Алгоритм управления:
Работа схемы устройства определяется программным обеспечением, записанным в микросхему ПЗУ.
При включении питания осуществляется автоматическая проверка исправности основных элементов устройства, при этом проверяется:
- информация ПЗУ на сохранность по контрольной сумме;
- работоспособность всех ячеек ОЗУ путем записи в них и считывания их них различных кодов;
- работа обоих программируемых таймеров по прерыванию процессора;
- работоспособность АЦП по значению канала № 7, к которому подводится половина напряжения питания +5 В;
- микросхема обслуживания индикатора и клавиатуры.
В случае обнаружения любой неисправности работа устройства прекращается и на индикатор выдается код ошибки. Расшифровка кодов неисправностей приведена в таблице 1.
Для останова секундомера устройства при измерении времен срабатывания и отпускания контактов реле необходима подача сигнала «Контакт реле». Это делается сухими контактами проверяемого реле, подключенными к клеммам «Контакт реле». Вид контактов реле (размыкающие или замыкающие) устройство определяет автоматически.
7. Указание мер безопасности
-
7.1. При работе с устройством «Нептун» необходимо строго соблюдать общие требования техники безопасности, распространяющиеся на устройства релейной защиты и автоматики энергосистем.
-
7.2. К эксплуатации допускаются лица, изучившие настоящее техническое описание, инструкцию по эксплуатации и прошедшие проверку знаний правил техники безопасности и эксплуатации электроустановок электрических станций и подстанций.
-
7.3. Перед работой с устройством клемму «Корпус» устройства «Нептун» необходимо соединить с контуром заземления медным проводом с сечением не менее 2 мм2.
-
7.4. Подключение входных клемм устройства к токоведущим цепям должно производиться после проверки отсутствия напряжения.
-
7.5. Все подключения и отключения испытываемых устройств к устройству производить только при отключенном переключателе «Нагрузка».
-
7.6. Запрещается работа при открытом корпусе устройства.
-
7.7. Не допускается соединение устройства с источниками опасных напряжений во время ремонта.
8. Порядок работы
-
8.1. Собрать схему испытаний реле или устройств защиты.
-
8.2. Подключить сетевую вилку к розетке 220 В 50 Гц.
-
8.3. Включить тумблер питания устройства. После прохождения начальных тестов устройство должно выйти в режим тестера канала напряжения. На индикаторе будет отображен режим канала, соответствующий положению переключателя (переменное или постоянное напряжение), а также текущие значения напряжения и тока.
-
8.4. Устройство имеет следующие режимы работы:
- режим тестера канала напряжения;
- режим тестера канала тока;
- режим измерения времени срабатывания и отпускания токовых реле, реле напряжения и реле времени;
Выбор режима осуществляется нажатием соответствующей кнопки.
-
8.5. Устройство имеет 4 диапазона выдачи и измерения напряжения:
-
- «~0^25 В» и «~0^250 В» переменного напряжения;
-
- «=0<35 В» и «=0<350 В» постоянного напряжения.
Выбор предела осуществляется переключателем «Диапазон выходного напряжения».
При работе на пределах «~25 В» и «=35 В» переключатель режима работы канала тока должен стоять в положении «10 А», в противном случае максимальное выходное напряжение окажется в 2 или 4 раза меньше.
-
8.6. Плавная регулировка выходного значения напряжения осуществляется ручкой автотрансформатора «Регулировка тока и напряжения».
При этом следует перед включением нагрузки устанавливать минимальное значение выходных тока и напряжения (крайнее левое положение), а после включения - плавно увеличивать выходные параметры вращением ручки по часовой стрелке.
-
8.7. Устройство имеет три диапазона выдачи и измерения силы тока:
-
- «10 А», «20 А» и «40 А». Предусмотрено получение только переменного тока.
В положении переключателя «10 А» максимальное напряжение на нагрузке составит около 25 В, в положении «20 А» - около 12 В, а в положении «40 А» - около 6 В.
-
8.8. Проверка напряжения срабатывания и отпускания реле:
-
- Выбрать предел регулировки и измерения канала напряжения.
-
- Подключить проверяемое реле к клеммам «Выход канала напряжения» и «Контакты реле». Установить регулятор напряжения на «0».
-
- Включить тумблер «Питание» устройства. После прохождения всех тестов на индикаторе появится надпись «Канал U». Во второй строчке на индикаторе появится индикация текущих значений выходных напряжения и тока канала напряжения.
-
- Включить переключатель «Нагрузка», при этом загорится светодиод «Нагрузка», сигнализирующий о подключении нагрузки. Плавно увеличивая выходное напряжение, добиться срабатывания контактов проверяемого реле по зажиганию светодиода «Контакт» и кратковременному звуковому сигналу. Запомнить или записать значения напряжения или тока срабатывания реле. Плавно уменьшая выходное напряжение, определить точку отпускания контактов реле. Повторить операцию не менее трех раз для исключения ложных результатов.
Для облегчения определения показаний прибора в момент переключения контактов реле в устройстве имеется режим фиксации показаний индикатора при включенном тумблере «Фиксация индикации». При этом в момент переключения контактов реле происходит фиксация значений напряжения и тока или мощности на индикаторе, сопровождаемая появлением надписи «фикс» и облегчающая считывание информации. Для получения текущих показаний индикатора следует вновь нажать кнопку требуемого режима, в данном случае — кнопку «Тестер U».
Примечания:
1. Для исключения значительной ошибки измерения за счет его инерционности, ручку регулировки напряжения следует вращать плавно.
-
2. Так как измерительная цепь подключена непосредственно к выходным клеммам устройства, то при установке переключателя «Нагрузка» в положении «Отключено» будут индицироваться нулевые значения напряжения и тока независимо от положения регулятора.
-
8.9. Проверка тока срабатывания и отпускания реле производится аналогично п. 8.8, но использовать необходимо клеммы «Выход канала тока» и в том случае, если требуется получение переменного тока свыше 2 А, нажать кнопку «Тестер I». При меньших значениях тока можно использовать выход канала напряжения.
-
8.10. Измерение времени срабатывания и возврата реле.
-
- Подключить все необходимые цепи - напряжения или тока и клеммы «Контакт реле».
-
- Включить режим измерения канала напряжения или тока в зависимости от проверяемого реле. Выбрать требуемый диапазон тока или напряжения.
-
- Подключить обмотку реле к выходу устройства переключателем «Нагрузка». Плавно увеличивая выходной ток или напряжение, добиться устойчивого срабатывания реле. Выставить рекомендуемое для измерения временных параметров данного реле значение тока или напряжения.
-
- Отключить переключатель «Нагрузка».
-
- Включить режим «Время» кнопкой клавиатуры. На индикаторе появится надпись «Время срабатывания». Включить переключатель «Нагрузка». После срабатывания реле должен загореться светодиод «Контакт», а на индикаторе высветится надпись «te= ХХ.ХХ с».
-
- После выключения переключателя «Нагрузка» на второй строчке появится надпись «te= ХХ.ХХ с».
Таким образом, за один цикл измеряется время срабатывания te и время возврата tв контактов проверяемого реле. Информация на индикаторе будет сохраняться до нажатия на любую кнопку управления.
-
8.11. В случае превышения значения тока или напряжения допустимого предела измерения на индикаторе знак равенства сменится на знак «>». Например, «U > 30 В».
-
8.12. Если при включении питания на индикаторе высвечивается мигающая цифра или знак, то работа с устройством невозможна. Диагностика неисправностей приведена в Приложении.
-
8.13. При работе с устройством следует учитывать, что погрешность измерения минимальна при измеряемом значении тока или напряжения, близком к верхнему пределу измерения.
9. Обслуживание
-
9.1. При включении питания устройство проводит тестирование внутренних узлов схемы и, в случае обнаружения неисправностей, выдает индикацию на индикатор. Работа измерительных органов при этом блокируется. Расшифровка сообщений приведена в табл. 1.
Таблица 1. Кодировка ошибок результатов самотестирования устройства при включении питания
Информация на индикаторе |
Вид неисправности |
П |
Не совпадает контрольная сумма ПЗУ 27С256 |
О |
Не работает БИС ОЗУ КР537РУ17 |
А |
Не работает канал №7 АЦП |
С |
Нет связи с микросхемой управления дисплеем |
9.2. При работе с устройством могут возникать следующие неисправности:
Таблица 2. Неисправности устройства, устранимые пользователем
№ п/п |
Внешние признаки неисправности |
Причина неисправности |
Метод устранения |
1 |
Устройство не включается |
Перегорели сетевые предохранители |
Заменить сетевые предохранители |
2 |
Нет напряжения на выходных клеммах напряжения |
Перегорели предохранители на выходе напряжения |
Заменить предохранители канала напряжения |
10. Поверка
Устройство подлежит обязательной поверке по согласованной с ГФУП ВНИИМС методике поверки 3430-012-17326295-99 МП. Межповерочный интервал - 1 год.
11. Маркирование, пломбирование, упаковка
-
11.1. На корпусе устройства имеется маркировка, содержащая:
-
- товарный знак предприятия-изготовителя;
-
- обозначение изделия «Нептун»;
-
- изображение знака утверждения типа;
-
- символ испытательного напряжения изоляции;
- год изготовления;
- вблизи органов управления и клемм надписи или символы, указывающие их назначение (см. рис.1);
- порядковый номер изделия;
-
11.2. Устройство, принятое ОТК, пломбируется.
-
11.3. Устройство поставляется в комплектности согласно п.5 упакованным в соответствующую транспортную тару, имеющую маркировку по ГОСТ 14192-77 и содержащую манипуляционные знаки.
12. Транспортировка и хранение
12.1. Устройства в таре предприятия-изготовителя могут перевозиться на любые расстояния всеми видами транспорта при внешних
условиях в пределах:
- температура окружающего воздуха - относительная влажность воздуха - атмосферное давление - транспортная тряска, ударов в минуту - ускорение м / с 2 |
-20 : +55° С; 95 % при 25° С; 86 : 106 (650 : 800); 80 :120; 30. |
Поставка на малые расстояния или небольших партий устройств допускается без транспортной тары.
12.2. Устройства в упаковке предприятия-изготовителя должны храниться в отапливаемых хранилищах при температуре от 5 до 40° С и относительной влажности до 80 % при температуре 25° С. В помещениях для хранения содержание пыли, паров кислот и щелочей, агрессивных газов и других вредных примесей, вызывающих коррозию, не должно превышать содержание коррозийно-активных агентов для атмосферы типа 1 по ГОСТ 15150-69.
13. Гарантии изготовителя
Завод- изготовитель гарантирует нормальную работу устройства «Нептун» в течение 12 месяцев со дня продажи, но не более 18 месяцев со дня изготовления при соблюдении потребителем правил эксплуатации.
Гарантийный ремонт осуществляется по адресу:
124489, Москва, Зеленоград, Панфиловский проспект, дом 10, строение 3, НПФ «Радиус».
Приложение 1
Внешний вид передней панели устройства «Нептун»

Приложение 2
Структурная схема устройства «Нептун»
Выход канала U
ЛАТР
0—250 В
«250 В, «25 В, =350 В, =35 В
«220 B

Е
24 В
Е
Е
Е
Выпрямитель
6 В, 40 А
12 В, 20 А
25 В, 10 А
Трансформатор вспомогательного питания
Диапазон измерения тока
R
Выход канала I —0
Нагрузка
10 А
В-0
е-0
10 А
«220 В


-0
■«110 В

Контакт
Фиксация

Блок |
*- |
Микропроцессорный |
питания |
<л |
контроллер |
Ж
ЖК индикатор
Клавиатура
13