Методика поверки «ГСИ. УСТАНОВКИ КОНТРОЛЬНО-ИЗМЕРИТЕЛЬНЫЕ ВЫСОКОВОЛЬТНЫЕ KPG» (МП 206.1-111-2017)
Федеральное государственное унитарное предприятие
«ВСЕРОССИЙСКИЙ НАУЧНО-ИССЛЕДОВАТЕЛЬСКИЙ ИНСТИТУТ
МЕТРОЛОГИЧЕСКОЙ СЛУЖБЫ»
(ФГУП «ВНИИМС»)
ГОСУДАРСТВЕННАЯ СИСТЕМА ОБЕСПЕЧЕНИЯ ЕДИНСТВА ИЗМЕРЕНИЙ
УСТАНОВКИ КОНТРОЛЬНО-ИЗМЕРИТЕЛЬНЫЕ ВЫСОКОВОЛЬТНЫЕ KPGМетодика поверки
МП 206.1-111-2017 г. Москва 2017
ВВЕДЕНИЕНастоящая методика предусматривает методы и средства проведения первичной и периодической поверок установок контрольно-измерительных высоковольтных KPG, изготавливаемых фирмой «Kilovolt Prueftechnik Chemnitz GmbH», Германия.
Установки контрольно-измерительные высоковольтные KPG (далее - установки) предназначены для воспроизведения высокого напряжения постоянного тока, напряжения переменного тока сверхнизкой частоты (СНЧ) при испытаниях и диагностировании изоляции силовых кабелей (в том числе кабелей из сшитого полиэтилена) и твердых диэлектриков.
Межповерочный интервал - 2 года.
Допускается проведение первичной поверки приборов при выпуске из производства до ввода в эксплуатацию на основании выборки по ГОСТ Р ИСО 2859-10-2008.
Периодическая поверка средств измерений в случае их использования для измерений меньшего числа величин или на меньшем числе поддиапазонов измерений, по отношению к указанным в разделе «Метрологические и технические характеристики» Описания типа, допускается на основании письменного заявления владельца приборов, оформленного в произвольной форме. Соответствующая запись должна быть сделана в свидетельстве о поверке приборов.
1 ОПЕРАЦИИ ПОВЕРКИ-
1.1 При поверке выполняются операции, указанные в таблице 1.
-
1.2 При получении отрицательных результатов при выполнении любой из операций поверка прекращается и прибор бракуется.
Таблица 1 - Операции поверки
|
Наименование операции |
Номер пункта методики поверки |
Проведение операции при | |
|
первичной поверке |
периодической поверке | ||
|
1. Внешний осмотр |
7.2 |
Да |
Да |
|
2. Опробование |
7.3 |
Да |
Да |
|
3. Определение пределов допускаемой относительной погрешности воспроизведения напряжения постоянного и переменного тока |
7.4 |
Да |
Да |
|
4. Определение пределов допускаемой относительной погрешности измерений силы постоянного и переменного тока |
7.5 |
Да |
Да |
-
2.1 При проведении поверки должны применяться средства измерений, перечисленные в таблицах 2 и 3.
-
2.2 Допускается применять другие средства измерений, обеспечивающие измерение значений соответствующих величин с требуемой точностью.
-
2.3 Все средства поверки должны быть исправны, поверены и иметь свидетельства (отметки в формулярах или паспортах) о поверке.
Таблица 2 - Средства поверки
|
Номер пункта методики поверки |
Тип средства поверки |
|
7.2; 7.3 |
Визуально |
|
7.4 |
Делитель напряжения ДН-200э. Диапазон преобразования напряжения постоянного от 1 до 200 кВ, переменного тока от 2 до 200 кВ. Пределы допускаемой основной относительной погрешности коэффициента деления ±0,5 %. Вольтметр универсальный цифровой GDM-78255A. Верхний предел измерений напряжения постоянного тока 100 В. Пределы допускаемой абсолютной погрешности измерений напряжения постоянного тока ±(0,00012 Uh3m.+5 е.м.р.). Конденсатор ИК 200-0,1. Номинальная емкость 0,1 мкФ. Рабочее напряжение 200 кВ. |
|
7.5 |
Вольтметр универсальный цифровой GDM-78255A. Верхний предел измерений силы тока постоянного тока 10 мА. Пределы допускаемой абсолютной погрешности измерений силы постоянного тока ±(0,0005-1изм.±15 е.м.р.). Конденсатор ИК 200-0,1. Номинальная емкость 0,1 мкФ. Рабочее напряжение 200 кВ. Нагрузка активная высоковольтная. Номинальное сопротивление от 2 до 10 МОм. Рабочее напряжение до 120 кВ. |
Таблица 3 - Вспомогательные средства поверки
|
Измеряемая величина |
Диапазон измерений |
Класс точности, погрешность |
Тип средства поверки |
|
Температура |
от 0 до 50 °C |
±1 °C |
Термометр ртутный стеклянный лабораторный ТЛ-4 |
|
Давление |
от 80 до 106 кПа |
±200 Па |
Барометр-анероид метеорологический БАММ-1 |
|
Влажность |
от 10 до 100 % |
±1 % |
Психрометр аспирационный М-34-М |
К проведению поверки допускаются поверители из числа сотрудников организаций, аккредитованных на право проведения поверки в соответствии с действующим законодательством РФ, изучившие настоящую методику поверки, руководство по эксплуатации на поверяемое средство измерений и имеющие стаж работы по данному виду измерений не менее 1 года.
4 ТРЕБОВАНИЯ БЕЗОПАСНОСТИ-
4.1 При проведении поверки должны быть соблюдены требования безопасности, установленные ГОСТ 12.3.019-80, «Правилами техники безопасности, при эксплуатации электроустановок потребителей», «Межотраслевыми правилами по охране труда (правилами безопасности) при эксплуатации электроустановок». Необходимо соблюдать также требования безопасности, изложенные в эксплуатационных документах на установки и применяемые средства измерений.
-
4.2 Средства поверки, которые подлежат заземлению, должны быть надежно заземлены. Подсоединение зажимов защитного заземления к контуру заземления должно производиться ранее других соединений, а отсоединение - после всех отсоединений.
-
4.3 Должны также быть обеспечены требования безопасности, указанные в эксплуатационных документах на средства поверки.
При проведении поверки должны соблюдаться следующие условия:
-
• температура окружающего воздуха (23±2) °C;
-
• относительная влажность от 30 до 80 %;
-
• атмосферное давление от 84 до 106 кПа или от 630 до 795 мм. рт. ст.
-
• напряжение питающей сети переменного тока (230±23) В, 50 Гц;
-
• коэффициент искажения синусоидальности кривой напряжения не более 5 %.
Перед поверкой должны быть выполнены следующие подготовительные работы:
-
- выдержать установки в условиях окружающей среды, указанных в разделе 5 настоящей методики поверки, не менее 2 ч, если они находились в климатических условиях, отличающихся от указанных в разделе 5;
-
- соединить зажимы защитного заземления используемых средств поверки с контуром защитного заземления лаборатории;
-
- подготовить к работе средства поверки в соответствии с эксплуатационной документацией на средства поверки;
-
- измерить и занести в протокол поверки результаты измерений температуры и влажности окружающего воздуха, атмосферного давления.
Средства измерений, используемые при поверке, подготовить к работе согласно их руководствам по эксплуатации.
7 ПРОВЕДЕНИЕ ПОВЕРКИ7.1 Метрологические характеристики, подлежащие определению.
Определению подлежат погрешности измерений, перечисленные в таблицах 4-5
|
Таблица 3 - Метрологические характеристики установок |
K.PG VLF-34. KPG VLF-51, KPG VLF-62, KPG VLF-81 | |||
|
Наименование характеристики |
Значение для модификаций | |||
|
KPG VLF-34 |
KPG VLF-51 |
KPG VLF-62 |
KPG VLF-81 | |
|
Диапазон воспроизведения
|
от 0 до 34 от 0 до 24 / от 0 до 34 |
от 0 до 52 от 0 до 36 / от 0 до 51 |
от 0 до 62 от 0 до 44 / от 0 до 62 |
от 0 до 62 от 0 до 57 / от 0 до 623 ’ |
|
Частота напряжения переменного тока, Гц |
0,1; 0,05; 0,02 Гц4) | |||
|
Диапазон измерений
|
от 0 до 10 от 0 до 10 | |||
|
Пределы допускаемой относительной погрешности воспроизведения напряжения постоянного тока и переменного тока, %
|
2 1 | |||
|
Пределы допускаемой относительной погрешности измерения силы постоянного и переменного тока, %
|
2 1 | |||
|
Примечания: 0 - положительной и отрицательной полярности;
| ||||
Таблица 4 - Метрологические характеристики установок KPG 25kV, KPG 50kV, KPG 80kV, KPG 1 lOkV, KPG 120kV
|
Наименование характеристики |
Значение для модификаций | |||||
|
KPG 25kV |
KPG 50kV |
KPG 80kV |
KPG 110kV |
KPG 120kV | ||
|
Диапазон воспроизведения напряжения постоянного тока, кВ; ” |
от 0 до 25 |
от 0 до 50 |
от 0 до 80 |
от 0 до 110 |
от 0 до 120 | |
|
Диапазон измерений силы постоянного тока, мА |
от 0 до 2 |
от 0 до 10 | ||||
|
Пределы допускаемой относительной погрешности воспроизведения напряжения постоянного тока, %
|
2 1 | |||||
|
Наименование характеристики |
Значение для модификаций | ||||
|
KPG 25kV |
KPG 50kV |
KPG 80kV |
KPG HOkV |
KPG 120kV | |
|
Пределы допускаемой относительной погрешности измерения силы постоянного тока, % | |||||
|
- с аналоговыми индикаторами; |
2 | ||||
|
- с цифровыми индикаторами |
1 | ||||
|
Примечание: -отрицательной полярности | |||||
12 Внешний осмотр.
При проведении внешнего осмотра должно быть установлено соответствие прибора следующим требованиям:
-
1. Комплектность и маркировка должны'соответствовать руководству по эксплуатации.
-
2. Все органы управления и коммутации должны действовать плавно и обеспечивать надежность фиксации во всех позициях.
-
3. Не должно быть механических повреждений корпуса, лицевой панели, дисплея, органов управления. Незакрепленные или отсоединенные части прибора должны отсутствовать. Внутри корпуса не должно быть посторонних предметов. Все надписи на панелях должны быть четкими и ясными.
-
4. Все разъемы, клеммы и измерительные провода не должны иметь повреждений и должны быть чистыми.
При наличии дефектов поверяемый прибор бракуется и направляется в ремонт.
Внимание! При поверке необходимо руководствоваться требованиями РЭ.
-
7.3 Опробование.
Проверить работоспособность индикаторов и органов управления. Режимы работы прибора, устанавливаемые при переключении различных органов управления, и значения напряжения, отображаемые на индикаторах, должны соответствовать требованиям руководства по эксплуатации.
При неверном функционировании прибор бракуется и направляется в ремонт.
Подтверждение соответствия программного обеспечения.
Подтверждение соответствия программного обеспечения производить в следующем порядке:
-
1. Включить установку.
-
2. Через 1 секунду после включения зафиксировать версию ПО «KPG VLF-34» («KPG VLF-51», «KPG VLF-62», «KPG VLF-81»), установленного в приборе, отображаемую в стартовом экране. Она должна быть не ниже указанной в таблице 6.
-
3. Через 2 секунды зафиксировать версии ПО «USBM» и «uaLFAT», установленные в приборе, отображаемые через дробь в виде «0.15/3.13». Они должны быть не ниже указанных в таблице 6.
При невыполнении этих требований поверка прекращается и прибор бракуется.
Таблица 6 - Характеристики программного обеспечения (ПО)
|
Идентификационные данные (признаки) |
Значение | ||
|
Идентификационное наименование ПО |
«KPG VLF-34» («KPG VLF-51», «KPG VLF-62», «KPG VLF-81») |
«USBM» |
«uaLFAT» |
|
Номер версии (идентификационный номер ПО) |
Не ниже 1.0 |
Не ниже 0.15 |
Не ниже 3.13 |
|
Цифровой идентификатор ПО |
- |
- |
- |
-
7.4 Определение пределов допускаемой относительной погрешности воспроизведения напряжения постоянного и переменного тока
Определение погрешности производить методом прямого измерения напряжения постоянного (переменного) тока, воспроизводимого поверяемым прибором, эталонной мерой -делителем напряжения ДН-200э и вольтметром GDM-78255A.
Определение погрешности проводить в следующем порядке:
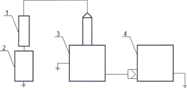
1. Собрать схему измерений, изображенную на рисунке 1.
Рис. 1 - Схема измерений при определении погрешности воспроизведения напряжения постоянного и переменного тока
где: 1 - вольтметр универсальный цифровой GDM-78255A;
-
2 - делитель напряжения ДН-200э;
-
3 - блок высоковольтный установки;
-
4 - блок управления установки
-
2. Перевести поверяемый прибор в режим формирования напряжения постоянного (переменного) тока.
Примечание: При определении погрешности воспроизведения напряжения постоянного тока параллельно делителю напряжения подключить конденсатор ПК 200-0,1- Определение погрешности проводить при всех полярностях напряжения, воспроизводимых установкой.
-
3. Органами управления поверяемого прибора установить выходное напряжение, соответствующее 10 - 15 % от конечного значения диапазона воспроизведения.
-
4. Произвести измерение выходного напряжения прибора, фиксируя показания вольтметра GDM-78255A. Для напряжения переменного тока время измерений - не менее длительности периода волны напряжения. При измерении напряжения переменного тока перевести вольтметр GDM-78255A в режим запоминания минимального и максимального значений.
-
5. Провести измерения по п.п. 3-4 устанавливая на поверяемом приборе выходное напряжение, соответствующее 20 - 30 %, 40 - 60 %, 70 - 80 % и 90 - 100 % от конечного значения диапазона воспроизведения.
-
6. Результаты поверки прибора считаются удовлетворительными, если:
- во всех поверяемых точках пределы допускаемой погрешности воспроизведения напряжения, определенные по формуле:
■100%
(1)
где Ux - показания поверяемого прибора, В;
Uo - показания вольтметра GDM-78255A, В;
Кд - коэффициент деления делителя напряжения ДН-200э не превышают значений, указанных в п. 7.1 настоящей Методики.
При невыполнении этих требований, прибор бракуется и направляется в ремонт.
-
7.5 Определение пределов допускаемой основной относительной погрешности измерений силы постоянного и переменного тока
Определение погрешности производить методом непосредственного сличения показаний поверяемого прибора, с показаниями эталонного амперметра.
Определение погрешности проводить в следующем порядке:
-
1. Собрать схему измерений, изображенную на рисунке 2.

Рис. 2 - Схема измерений при определении погрешности измерений силы постоянного и переменного тока
где: 1 - нагрузка активная высоковольтная;
-
2 - вольтметр GDM-78255A в режиме амперметра;
-
3 - блок высоковольтный установки;
-
4 - блок управления установки
-
2. Перевести поверяемый прибор в режим формирования напряжения постоянного (переменного) тока.
Примечание: При определении погрешности измерений силы постоянного тока параллельно нагрузке и вольтметру GDM-78255A подключить конденсатор ПК 200-0,1.
-
3. Органами управления поверяемого прибора установить выходное напряжение, соответствующее 10 - 15 % от конечного значения диапазона измерений.
-
4. Произвести измерение выходного тока прибора, фиксируя показания вольтметра GDM-78255А. При измерении силы переменного тока перевести вольтметр GDM-78255A в режим запоминания минимального и максимального значений.
-
5. Провести измерения по п.п. 3-4 устанавливая на поверяемом приборе выходное напряжение, соответствующее 20 - 30 %, 40 - 60 %, 70 - 80 % и 90 - 100 % от конечного значения диапазона измерений.
Примечание: Поскольку для каждой модели установок нагрузка своя, а применяемая при поверке нагрузка может в этом смысле оказаться неоптимальной, при определении погрешности необходимо внимательно следить за выходным напряжением, чтобы не превысить верхний предел диапазона измерений выходного тока. Допускается устанавливать меньшее выходное напряжение, чем это указано в п. 5.
-
6. Результаты поверки прибора считаются удовлетворительными, если:
- во всех поверяемых точках пределы допускаемой погрешности измерений силы тока, определенные по формуле:
=Al~/o .ioqo/o (2)
Л
где 1х - показания поверяемого прибора, мА;
10 - показания вольтметра GDM-78255A, мА
не превышают значений, указанных в п. 7.1 настоящей Методики.
При невыполнении этих требований, прибор бракуется и направляется в ремонт.
8 ОФОРМЛЕНИЕ РЕЗУЛЬТАТОВ ПОВЕРКИПри положительных результатах поверки на корпус прибора наносится знак поверки, и (или) выдается свидетельство о поверке.
При отрицательных результатах поверки прибор не допускается к дальнейшему применению, знак предыдущей поверки гасится, свидетельство о поверке аннулируется и
выдается извещение о непригодности.
Заместитель начальника отдела 206.1
ФГУП «ВНИИМС»
Начальник сектора отдела 206.1
ФГУП «ВНИИМС»

С.Ю. Рогожин
А.Ю. Терещенко
10
