Методика поверки «ГСИ. Установки вакуумметрические эталонные 2-го разряда УВЭ-3» (МП 231-0039-2017)
Федеральное государственное унитарное предприятие «Всероссийский научно-исследовательский институт метрологии имени Д.И. Менделеева»
ФГУП «ВНИИМ им.Д.И.Менделеева»
УТВЕРЖДАЮ
Директор

Государственная система обеспечения единства измерений
Установки вакуумметрические эталонные 2-го разряда УВЭ-3МЕТОДИКА ПОВЕРКИ
МП 231-0039-2017
И.о. руководителя НИО

Р.А. Тетерук

Чернышенко
Санкт-Петербург 2017 г.
1 ОБЩИЕ ПОЛОЖЕНИЯ-
1.1 Настоящая методика поверки (далее по тексту МП) распространяется на установки вакуумметрические эталонные 2-го разряда УВЭ-3 (далее по тексту - установка УВЭ-3) изготовленные в срок с 01 июля 2016 г., и устанавливает методику первичной и периодической поверок.
-
1.2 Интервал между поверками - 1 год.
2.1 При проведении поверки должны быть выполнены операции, указанные в таблице 2.1.
Таблица 2.1
Наименование операций |
Номер пункта методики |
Проведение операции при | |
первичной поверке |
периодической поверке | ||
Внешний осмотр |
8.1 |
+ |
+ |
Опробование |
8.2 |
+ |
+ |
Определение метрологических характеристик |
8.3 |
+ |
+ |
Оформление результатов поверки |
9 |
+ |
+ |
-
2.2 При периодической поверке представляются на поверку только ионизационный вакуумметр AIGX с контроллером TIC, и деформационно-термопарный эталонный вакуумметр ВДТО-3 с преобразователем ПДДТО-1, входящие в состав установки. Предоставляются протоколы согласно пп. 8.1 - 8.2, 8.3.1, а так же протоколы калибровки вакуумметров сопротивления APG и теплового CVM211. Поверка вакуумметров AIGX и ВДТО-3 осуществляется по методике поверки МИ 140-89 «Рекомендация ГСП. Вакуумметры. Методика поверки».
-
2.3 Поверка прекращается при получении отрицательного результата по п. 8.1, 8.2 или
-
8.3.1 настоящей методики. Вакуумметры возвращаются представителю эксплуатационной службы с изложением причин возврата для проведения мероприятий по их устранению и повторного предъявления.
-
3.1 При проведении поверки должны применяться средства измерений, указанные в таблице 3.1
Таблица 3.1
Номер пункта методики поверки |
Наименование и тип основного или вспомогательного средства поверки, номер документа, регламентирующего технические требования к средству, метрологические и основные технические характеристики |
6.1 |
Термогигрометр ИВА-6Н-КП-Д, диапазон измерений относительной влажности от 0 до 90 %, абсолютная погрешность ±1,5 %; диапазон измерений температуры от 0 до 60 °C, абсолютная погрешность ±0,1 °C; диапазоном измерений атмосферного давления от 70 до ПО кПа, абсолютная погрешность ±0,2 кПа (для контроля параметров окр. среды) |
Таблица 3.
Номер пункта методики поверки |
Наименование и тип основного или вспомогательного средства поверки, номер документа, регламентирующего технические требования к средству, метрологические и основные технические характеристики |
8.3 |
Государственный рабочий эталон 2 разряда единицы абсолютного давления в диапазоне от 6,6-10’8 до 6,6 Па, допускаемая относительной погрешность ±15 % (вакуумметр ионизационный AIGX-S). Государственный рабочий эталон 1 разряда единицы абсолютного давления в диапазоне от 1,0-10’7 до 1,0-103 Па, пределы допускаемой относительной погрешности от ±3 до ±7 % (установка эталонная вакуумметрическая редукционная ВОУ-1). |
-
3.2 Средства измерений, применяемые при поверке, должны быть поверены и иметь действующие свидетельства о поверке. Испытательное оборудование должно быть аттестовано и иметь действующий аттестат.
Допускается применение средств поверки, не приведенных в перечне, но обеспечивающих определение (контроль) метрологических характеристик поверяемых средств измерений с требуемой точностью.
4 ТРЕБОВАНИЯ К КВАЛИФИКАЦИИ ПОВЕРИТЕЛЕЙ-
4.1 Поверка проводится квалифицированным персоналом лабораторий, аттестованных в установленном порядке.
-
4.2 К поверке допускаются лица, аттестованные в качестве поверителей, прошедшие инструктаж по безопасности труда и ознакомленные с эксплуатационной документацией на эталонные и поверяемые средства измерений.
-
5.1 При проведении поверки должны быть соблюдены требования документа «Правила устройств электроустановок», а также требования безопасности, изложенные в эксплуатационных документах эталонных и поверяемых средств измерений.
-
6.1 При проведении поверки должны быть соблюдены следующие условия:
-
• температура окружающего воздуха, °C.............................................................20±2
-
• относительная влажность воздуха, %.................................................................60±15
-
• атмосферное давление, кПа.......................................................................от 84 до 106,7
Измеряемая среда - сухой воздух или азот.
-
Вибрация, тряска, удары, магнитные поля, кроме земного, влияющие на работу и метрологические характеристики установки и эталонных вакуумметров, должны отсутствовать.
Скорость изменения температуры в помещении не должна превышать 0,5 °С/ч.
7 ПОДГОТОВКА К ПОВЕРКЕ-
7.1 Проверьте наличие свидетельства о предыдущей поверке установки (при периодической поверке).
-
7.2 Проверьте наличие руководства по эксплуатации поверяемой установки.
-
8.1 Внешний осмотр
-
8.1.1 При внешнем осмотре должно быть установлено:
-
-
- отсутствие механических повреждений и следов коррозии, влияющих на правильность функционирования и метрологические характеристики установки;
-
- отсутствие повреждений маркировки.
-
8.1.2 Установка, не удовлетворяющая требованиям п.8.1.1 настоящей методики, не подлежит поверке до устранения неисправностей и несоответствий. После их устранений внешний осмотр проводят в полном объеме.
-
8.2 Опробование
-
8.2.1 При опробовании проверяют эксплуатационные свойства установки:
-
-
- возможность включения, выключения и функционирования установки в соответствии с документацией;
-
- работоспособность органов управления и регулирования;
-
- функционирование всех средств измерений и оборудования, входящих в состав установки.
-
8.3 Определение метрологических характеристик
-
8.3.1 Определение предельного остаточного давления
-
8.3.1.1 Определение значения предельного остаточного давления проводят следующим образом. Подготавливают установку к работе согласно п. 2.2.2 ее руководства по эксплуатации. В соответствии со схемой, приведенной в приложении А настоящей методики, присоединяют к фланцу клапана VA1 измерительной камеры установки вакуумметр ионизационный AIGX. На остальных фланцах измерительной камеры установки должны быть установлены заглушки.
-
8.3.1.2 Откачайте измерительную камеру установки до предельного остаточного давления, выполнив операции пп. 2.3.2-2.3.13 руководства по эксплуатации установки. Значение остаточного давления в камере контролируют по показаниям вакуумметра ионизационного AIGX.
-
8.3.1.3 Результаты испытаний заносятся в протокол.
-
-
8.3.2 Определение диапазона измерений и относительной погрешности
-
8.3.2.1 Определение диапазона измерений и относительной погрешности измерений давления установки проводят методом сличения показаний ионизационного вакуумметра AIGX и деформационно-термопарного вакуумметра ВДТО-3, входящих в состав установки, с действительными значениями давления, контролируемыми по показаниям эталонных СИ: вакуумметра мембранно-емкостного Баратрон, входящего в состав ГЭТ 49-80 (далее по тексту эталонный вакуумметр Баратрон) и установки эталонной вакуумметрической редукционной ВОУ-1 (далее по тексту ВОУ-1).
-
8.3.2.2 Выдержите поверяемые вакуумметры ионизационный AIGX и деформационнотермопарный ВДТО-3, и, эталонный вакуумметр Баратрон и ВОУ-1 при температуре, указанной в п.6.1, не менее 3 ч.
-
8.3.2.3 Далее поверка проводится в соответствии с п.6.5 МИ 140-89.
-
8.3.2.4 Результаты измерений занесите в протокол. Рекомендуемая форма протокола приведена в приложении Б.
-
8.3.2.5 Рассчитайте относительную погрешность 5/ для каждой точки во всем диапазоне измерений по формуле
-
-
5 = Ри^Рэ. 100
Рэ
где ри - измеренное значение давления в камере установки, зафиксированное по показаниям вакуумметров ВДТО-3 и AIGX, входящих в состав установки;
рэ - действительное значение давления, контролируемое по эталонному вакуумметру Баратрон или ВОУ-1, в зависимости от диапазона измерений.
-
8.3.2.6 Результаты поверки считаются положительными, если относительная погрешность в диапазоне измерений от 10‘5 до 10‘2 Па не превышает ±15 %, в диапазоне от 10‘2 до 103 Па не превышает ±10 %.
-
8.3.2.7 Выключите эталонный вакуумметр Баратрон, ВОУ-1 и отсоедините поверяемые вакуумметры ионизационный AIGX и деформационно-термопарный ВДТО-3.
-
9.1 По результатам поверки ионизационного вакуумметра AIGX и деформационнотермопарного вакуумметра ВДТО-3, представленных протоколов согласно пп. 8.1 - 8.2, 8.3.1 данной методики, протоколов калибровки вакуумметров сопротивления APG и теплового CVM211, при положительных результатах, на установку оформляют свидетельство о поверке установленной формы. Знак поверки наносится на свидетельство о поверке.
-
9.2 При отрицательных результатах поверки установку к применению не допускают, выдают извещение о непригодности с указанием причин.
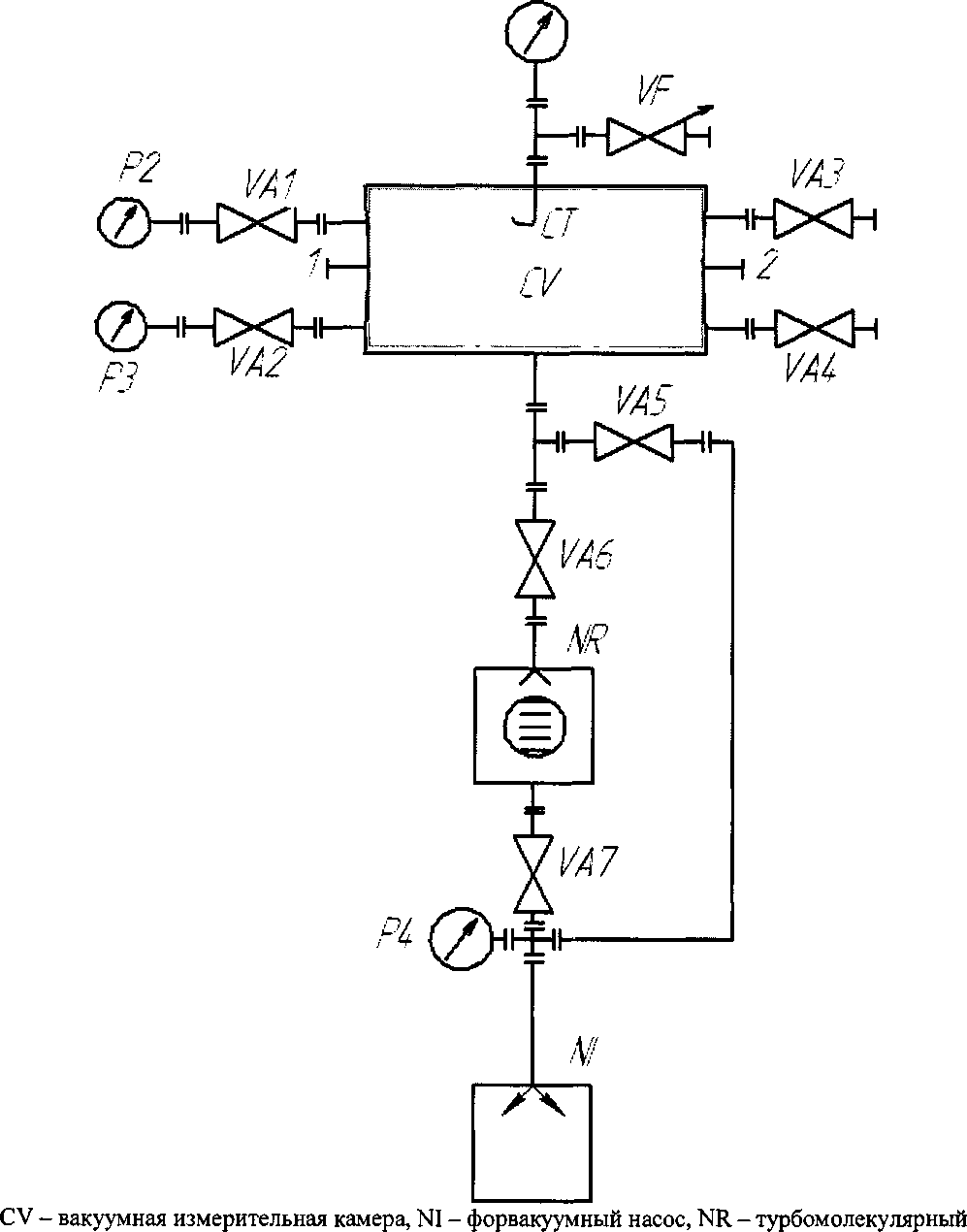
Приложение А. Вакуумная принципиальная схема установки УВЭ-3
Р1
1 !

насос пЕХТ 300, Р1 - индикаторный тепловой вакуумметр CVM 211, Р2 - вакуумметр деформационно-термопарный эталонный 2-го разряда ВДТО-3, РЗ - вакуумметр ионизационный 2-го разряда AIGX, Р4 - индикаторный вакуумметр сопротивления APG, VF - высокоточный натекатель, VA1-VA7 - вакуумные клапаны, 1 и 2 - порты для присоединения дополнительного оборудования (приборов контроля герметичности, дополнительных откачиваемых объемов и откачных средств, и т.д.)
Приложение Б
(рекомендуемое)
Форма протокола поверки установки вакуумметрической эталонной 2-го разряда УВЭ-3Дата:________________
Заводской номер_____________
Температура окружающей среды:________________, °C
Относительная влажность воздуха:_______________, %
Атмосферное давление:_________________________, кПа
№ п/п |
Действительное значение давления (показания эталонного вакуумметра Баратрон, ВОУ-1) Рэ, Па |
Измеренное значение давления (показания вакуумметров поверяемой установки AIGX, ВДТО-3) Ри> Па |
Относительная погрешность, % |
Результат поверки_________________________________________
Поверитель_____________________________(ФИО)