Методика поверки «ГСИ. Расходомеры ультразвуковые УРС-002» (МП 208-004-2017)
ФЕДЕРАЛЬНОЕ ГОСУДАРСТВЕННОЕ УНИТАРНОЕ ПРЕДПРИЯТИЕ ВСЕРОССИЙСКИЙ НАУЧНО-ИССЛЕДОВАТЕЛЬСКИЙ ИНСТИТУТ МЕТРОЛОГИЧЕСКОЙ СЛУЖБЫ
(ФГУП ВНИИМС)
УТВЕРЖДАЮ
Заместитель директора по производственной огии ФГУП «ВНИИМС»
Н.В. Иванникова
Р/ 2017 г.
Государственная система обеспечения единства измерений
Расходомеры ультразвуковые УРС-002
Методика поверки
МП 208-004-2017
Москва
2017
СОДЕРЖАНИЕ
Стр.
Приложения:
Приложение А. Схема соединений прибора при установке ПЭП по двум хордам
Приложение Б. Протоколы поверки
Приложение В. Схема соединений при поверке имитационным методом
Приложение Г. Кювета для поверки прибора УРС-002
Приложение Д. Схема измерений расстояния между ПЭП и угла наклона
Приложение Е. Схема измерений геометрических параметров
Приложение Ж. Таблица зависимости скорости ультразвука от
Приложение 3. Таблица рекомендованных значений имитируемого расхода, м3/ч
и длин «кюветы» для ИУ различных диаметров
Приложение И. Варианты многохордовых измерительных каналов
Настоящая инструкция распространяется на Расходомеры ультразвуковые УРС-002 (далее - прибор) и устанавливает методику его первичной и периодической поверки.
Межповерочный интервал - 4 года.
Пределы допускаемой относительной погрешности прибора указаны в таблице 3 и 4.
Первичная поверка имитационным методом выполняется в два этапа:
-
1- ый этап - при выпуске из производства или ремонта;
-
2- ой этап - на месте эксплуатации.
1. ОПЕРАЦИИ ПОВЕРКИ
При проведении поверки выполняют операции, указанные в таблице 4.
Таблица 1
|
Наименование операции |
Номер пункта |
Поверка | ||||
|
Первичная |
Периодическая | |||||
|
Этап №1 |
Этап№ 2 | |||||
|
сИУ |
без ИУ |
сИУ |
безИУ | |||
|
1. Внешний осмотр |
6.1 |
4 |
• |
4- | ||
|
2. Проверка электрического сопротивления изоляции |
6.2 |
4- |
4- |
- |
- | |
|
3. Проверка герметичности ИУ |
6.3 |
4- |
- |
- |
+♦ | |
|
4. Определение погрешности прибора проливным методом |
6.4 |
4- |
- |
- |
4- | |
|
5. Определение погрешности ЭБ при измерении времени прохождения УЗ-импульсов |
6.5.1 |
4- |
4- |
- |
- |
4- |
|
6. Определение погрешности ЭБ при измерении разности интервале времени прохождения УЗ-импульсов |
6.5.2 |
4- |
4- |
- |
- |
4- |
|
7. Определение погрешности ЭБ при измерении расхода с отсчётом по индикатору |
6.5.3 |
4- |
4- |
- |
- |
4- |
|
8. Определение погрешности ЭБ при измерении расхода с использованием токового выхода |
6.5.4 |
4- |
4- |
- |
- |
4- |
|
9. Определение погрешности ЭБ при измерении расхода с использованием частотного выхода |
6.5.5 |
4- |
4- |
- |
- |
4- |
|
10. Определение погрешности ЭБ при измерении объёма |
6.5.6 |
4- |
4- |
- |
- |
4- |
|
11. Определение геометрических параметров |
6.5.8 |
4- |
- |
- |
4- |
- |
|
12. Определение коэффициента коррекции |
6.5.9 |
4- |
- |
- |
4- |
- |
|
13. Определение погрешности прибора имитационным методом |
6.5.10 |
4- |
- |
- |
4- |
4- |
|
14. Ввод калибровочных данных и коэффициентов |
6.5.11 |
4- |
- |
- |
4- |
4- |
Примечания:
-
- знак “+” указывает на необходимость проведения операции;
-
- в случае ремонта только электронного блока прибора или ПЭП поверка производится в объеме периодической поверки;
-
- * только для приборов с ИУ;
2. СРЕДСТВА ПОВЕРКИ
-
2.1. При проведении поверки применяют средства измерений, указанные в таблице 5.
Таблица 2
|
Наименование эталонного средства поверки и вспомогательного оборудования, обозначение нормативного документа |
Основные метрологические и технические характеристики средств поверки |
|
Установка поверочная 2 разряда по ГОСТ 8.142-2013 |
Погрешность ±0,3 %, диапазон расходов от 0 до 750 м3/ч |
|
Частотомер электронно-счетный 43-63/1 |
Диапазон измеряемых частот - от 0,005 Гц до 150 МГц для сигнала импульсной формы амплитудой 0,15 - 10В, допускаемая относительная погрешность по частоте кварцевого генератора ±1,5* 10'7 за 30 суток |
|
Вольтметр цифровой В7-38 |
Погрешность по току ±(0,25+0,021п/1х). |
|
Термометр лабораторный электронный «ЛТ-300», |
Диапазон измерений температуры: от -50 до +300 °C, ПГ ±0,05 °C |
|
Мегомметр Ml 101М |
Unno6=500 В, RMaKc=500 МОм, ПГ ±1%. |
|
Гидравлический пресс |
Статическое давление до 6 МПа |
|
Рулетка измерительная металлическая Р20УЗК |
Погрешность ±(0,40+0,20(L-1)) %. |
|
Штангенциркуль ШЦ-Ш-1000-0,1. |
Диапазон 0-1000 мм, погрешность 0,1 мм |
|
Штангенглубиномер ШГО-400-0,1 |
Диапазон 0-400 мм, погрешность 0,1 мм |
|
Нутромер микрометрический НМ-1250 |
диапазон 75-1250 мм, погрешность 0,02 мм. |
|
Угломер У0-2 |
Диапазон измерений: внутренних углов - от 40 до 180°, наружных углов - от 0 до 360°, погрешность не более 2,5'. |
|
Барометр-анероид БАММ-1 |
Диапазон измеряемых давлений от 600 до 800 мм рт. ст., цена деления 1 мм рт. ст. |
|
Гигрометр психрометрический типа ВИТ-2 |
Диапазон измерения относительной влажности от 20 до 90 %. Допускаемое значение абсолютной погрешности измерения влажности ±5 %. |
-
2.2. Средства измерений, указанные в п. 2.1, должны иметь действующие свидетельства о поверке.
-
2.3. Допускается применение аналогичных средств поверки, обеспечивающих определение метрологических характеристик поверяемых СИ с требуемой точности, указанным в таблице 2, аттестованных или поверенных в установленном порядке и имеющих действующие свидетельства о поверке (аттестации) или оттиски поверительных клейм.
3. ТРЕБОВАНИЯ БЕЗОПАСНОСТИ
-
3.1. При проведении поверки должны выполняться правила безопасности, приведенные в эксплуатационной документации средств поверки.
-
3.2. При проведении поверки на месте эксплуатации расходомера должны быть обеспечены меры безопасности, регламентированные в документах предприятия, эксплуатирующего прибор.
-
3.3. Во время подготовки и проведения поверки необходимо соблюдать “Правила технической эксплуатации электроустановок потребителей” и “Правила технической безопасности при эксплуатации электроустановок”.
-
3.4. Перед проведением поверки необходимо проверить заземление прибора и средств поверки.
4. УСЛОВИЯ ПОВЕРКИ
При проведении поверки должны быть выполнены следующие условия:
-
- температура окружающей среды, °C........от 15 до 25;
-
- относительная влажность воздуха, %.......не более 80;
-
- атмосферное давление, кПа........................от 84 до106,7;
-
- температура измеряемой среды, °C...........от 15 до 25;
-
- напряжение сетевого питания, В...............220±4,4;
-частота, Гц...................................................50±1;
-
- изменение температуры измеряемой среды
за время поверки, °C..................................не более 1;
- отсутствие внешних электрических и магнитных полей (кроме земного), а также вибраций, тряски и ударов, влияющих на работу прибора.
5. ПОДГОТОВКА К ПОВЕРКЕ
-
5.1. При подготовке к поверке прибора проливным методом выполняют следующие операции.
-
5.1.1. Подготавливают к работе поверочную установку и средства измерений согласно эксплуатационной документации.
-
5.1.2. Собирают схему поверки прибора согласно рис. Приложения 1.
-
5.1.3. Заполняют трубопровод поверочной установки водой и проверяют герметичность соединений. Соединения считают герметичными, если при подаче рабочего давления в течение 5 мин не наблюдается течи или появления капель жидкости, а также отсутствует падение давления поверочной жидкости по контрольному манометру.
-
5.1.4. Удаляют воздух из гидравлической системы установки.
-
5.2. При подготовке к поверке прибора имитационным методом выполняют следующие операции.
-
5.2.1. На первом этапе первичной поверки и при периодической поверке устанавливают ПЭП в кювете (Приложение Б), измеряют расстояние между торцами ПЭП (Г_с) с погрешностью не более 0,05 мм, вносят значение расстояния в протокол поверки, заполняют кювету водой питьевой по ГОСТ 2.874-82, предварительно прокипяченной и остуженной до комнатной температуры.
Примечание. ПЭП одного и того же типа являются взаимозаменяемыми. При периодической поверке рабочие ПЭП не демонтируют, в кювету устанавливают ПЭП того же типа, что и рабочие.
-
5.2.2. На втором этапе первичной поверки проводят обследование трубопровода на участке установки ПЭП.
-
5.2.3. Перед проведением второго этапа первичной поверки проверяют состояние внутренней поверхности трубопровода на длине не менее 0,5 условного диаметра трубопровода в обе стороны от ПЭП. Максимальная высота выступов отложений на данном участке не должна превышать 0,0015 условного диаметра трубопровода. При нарушении данного условия поверка проводится после очистки внутренней поверхности трубы от отложений.
-
5.2.4. При использовании ИУ с защитным покрытием, стойким против коррозии и отложений, визуально проверяют целостность покрытия. Для контроля состояния внутренней поверхности трубопровода используют смотровые люки диаметром не более 300 мм для труб с условным проходом от 300 до 700 мм и люки-лазы диаметром не менее 600 мм для труб с условным проходом более 700 мм. Внутренняя поверхность крышки люка должна совпадать с внутренней поверхностью трубопровода. Люки располагают на расстоянии не менее 500мм за последним по направлению потока ПЭП.
6. ПРОВЕДЕНИЕ ПОВЕРКИ
-
6.1. Внешний осмотр
При внешнем осмотре проверяют:
-
- соответствие внешнего вида прибора требованиям эксплуатационной документации, комплектность, качество лакокрасочных и других покрытий;
-
- отсутствие на узлах прибора механических повреждений, целостность цепей питания и линий связи;
-
- наличие маркировок на корпусе первичного преобразователя и электронного блока и соответствие сведений, указанных на них, параметрам, указанным в паспорте;
-
- наличие пломб или оттисков клейма на элементах, предназначенных для изменения программируемых параметров прибора.
-
- наличие схемы расходомерного узла и соответствия указанных на ней длин прямых участков требованиям Таблицы 7.
-
6.2. Проверка электрического сопротивления изоляции
Электрическое сопротивление изоляции между цепями питания (контакты 1,15 вилки Х2) и корпусом ЭБ измеряют мегомметром при номинальным напряжении 500 В.
Прибор считают выдержавшим испытание, если измеренное значение составляет не менее 20 МОм.
-
6.3. Проверка герметичности измерительного участка (ИУ)
Герметичность измерительного участка проверяется созданием с помощью гидравлического пресса в рабочей полости ИУ давления 2,5 МПа и выдержкой в течение 15 минут.
Измерительный участок считается выдержавшим проверку, если в местах соединений и в корпусе не наблюдается отпотевания, капель и течи. Падение давления не допускается.
Примечание. Проверку герметичности измерительного участка, выпускаемого из производства или ремонта допускается осуществлять ОТК предприятия-изготовителя. Акт или протокол проверки предъявляют лицу, проводящему поверку.
6.4 Определение погрешности прибора проливным методом
Таблица 3
|
Способ установки пьезоэлектрических преобразователей |
Условный диаметр Dy, мм |
Пределы допускаемой относительной погрешности измерения объема [расхода], % | |
|
ОТ Qmhh ДО 0,04QMaxc |
ОТ 0,04Qm8KC ДО Qm8KC | ||
|
по оси |
от 15 до 80 |
±(l,0+0,04*QMaKC/Q) [±(l,5+0,04*QMaKC/Q)] |
±2,0 [±2,5] |
|
по диаметру |
от 20 до 150 |
±(l,0+0,04QMaKC/Q) [±(1,5+0,04QMaKC/Q)] |
±2,0 [±2,5] |
|
по двум хордам |
150 |
±0,04QMlutc/Q [±(0,5+0,04QMaKc /Q] |
±1,0 [±1,5] |
Таблица 4
|
Способ установки пьезоэлектрических преобразователей |
Условный диаметр Dy, мм |
Пределы допускаемой относительной погрешности измерения объема [расхода], % | |
|
ОТ Qmhh ДО 0)04Qmokc |
ОТ 0,04QMaicc ДО Qmskc | ||
|
по оси |
от 15 до 80 |
±(4,0+0,04*QMaKC /Q) [±(4,5+0,04*QHaKC/Q)] |
±2,0 [±2,5] |
|
по диаметру |
от150 до 300 |
±(4,0+0,04QM8kc /Q) [±(4,5+0,04QMaKC/Q)] |
±2,0 [±2,5] |
|
по диаметру |
от 400 до 2000 |
± (3,5+0,04Qmbkc/Q) [± (4,0+0,04QMaKC/Q)] |
±1,5 [±2,0] |
|
по одной хорде |
от 400 до 2000 |
± (3,5+0,04Qm8kc /Q) [± (4,0+0,04QMaKC/Q)] |
±1,5 [±2,0] |
|
по двум хордам |
от150 до 300 |
± (3,5+0,04QMaKC /Q) [± (4,0+0,04QMaxc /Q)] |
±1,5 [±2,0] |
|
по двум и более |
от 400 до |
± (0,5+0,04QMaKC/Q) |
±1,0 |
|
хордам |
2000 |
[± (l,0+0,04QMaKc/Q] |
[±1,5] |
Примечания:
а) Qmhh, О-»- минимальное и максимальное значение рабочего диапазона расхода; Q - текущее значе
ние расхода; 0.04Оця^ - переходное значение расхода Qnep.
б) нормирование погрешностей в Таблице 3 и 4 справедливо при выполнении требований к длинам
прямых участков, указанных в Руководстве по эксплуатации.
Значения минимального и максимального измеряемого расхода для трубопроводов различного диаметра приведены в таблице 3.
-
6.4.1. Опробование
Опробование поверяемого прибора выполняют путем проверки изменения показаний величины расхода на индикаторе прибора и счетчике импульсов при изменении расхода на поверочной установке. Изменение показаний прибора должно коррелироваться с изменением расхода. При постоянном расходе показания прибора должны быть устойчивыми.
-
6.4.2. Поверочные точки
Выполняют измерения при следующих номинальных значениях расхода: QMHH; Qnep; 0,5*QMaKC; 0.9*Оца„. Отклонение фактического значения расхода от номинального должно быть не более ±5%. При каждом номинальном значении расхода выполняют не менее 3 измерений.
-
6.4.3. В зависимости от типа используемой поверочной расходомерной установки в процессе каждого измерения регистрируют следующие параметры:
а) весовая установка:
-
- время измерения (наполнение бака);
-
- масса воды;
-
- температура воды;
-
- показания поверяемого прибора.
б) объёмная установка:
-
- время измерения (наполнение мерника);
-
- объем воды;
-
- температура воды;
-
- показания поверяемого прибора.
в) трубопоршневая установка (ТПУ):
-
- время измерения (прохождение шара-поршня);
-
- температура воды (на входе и выходе ТПУ);
-
- показания поверяемого прибора.
г) установка с эталонным расходомером-счетчиком:
-
- объем и расход воды по показаниям эталонного расходомера-счетчика;
-
- показания поверяемого прибора.
-
6.4.4. Объем воды, измеренный поверяемым прибором, определяют по показаниям частотомера в режиме счета количества импульсов, поступающих с частотного выхода ЭБ прибора. Сигналы о начале и конце счёта импульсов поступают на частотомер с поверочной установки.
Минимальный объем воды, пропускаемый при поверке через прибор, численно равен
V= 5^/3600 (м3) (1)
где Sq (м3/ч) - значение установленной шкалы расхода в приборе, равное верхней границе рабочего диапазона для трубопровода данного диаметра (Табл. 5).
Таблица 5
|
Условный диаметр Dy,мм |
Нижний предел измерения расхода Qmhh, м3/ч |
Верхний предел измерения расхода Омаке, м3/ч |
|
15 |
0,05 |
3,0 |
|
20 |
0,10 |
7,5 |
|
32 |
1,30 |
15,0 |
|
50 |
5,40 |
60,0 |
|
65 |
8,10 |
100,0 |
|
80 |
8,30 |
160,0 |
|
100 |
8,50 |
250,0 |
|
150 |
10,30 |
630,0 |
|
200 |
11,0 |
1000,0 |
|
250 |
16,0 |
1600,0 |
|
300 |
20,0 |
2500,0 |
|
400 |
32,0 |
4000,0 |
|
500 |
40,0 |
6300,0 |
|
600 |
63,0 |
10000,0 |
|
700 |
80,0 |
12500,0 |
|
800 |
100,0 |
16000,0 |
|
900 |
125,0 |
20000,0 |
|
1000 |
160,0 |
25000,0 |
|
1200 |
200,0 |
40000,0 |
|
1400 |
250,0 |
50000,0 |
|
1600 |
400,0 |
63000,0 |
|
2000 |
630,0 |
100000,0 |
-
6.4.5. Обработка результатов измерений
В зависимости от типа используемой поверочной установки опорное значение объема воды вычисляется по следующим формулам.
а) весовая установка
1,001-/и ,
П =-----Чм’)
Р. где m (кг) - масса воды, определенная путем взвешивания,
(2)
pt (кг/м3) - плотность воды в зависимости от температуры (ГСССД-98-86. Вода. Удельный объем и энтальпия),
1,001- поправка на выталкивающую силу атмосферного воздуха,
i, J - индексы порядкового номера измерения и поверочной точки по расходу.
б) объёмная установка
объем воды фиксируется непосредственно по шкале указательной линейки мерника образцового.
в) трубопоршневая установка
V^Vo-K. (3)
где Vo (м3) - объём калиброванного участка ТПУ,
Kt - термический коэффициент.
К, =1 + 3-Я(г-20) (4)
где X - коэффициент линейного расширения материала стенок ТПУ, t (°C) - температура воды в
ТПУ.
г) установка с эталонным счетчиком-расходомером объем и расход воды определяется по показаниям эталонного счётчика-расходомера.
-
6.4.6. Если на поверочной установке отсутствует указатель расхода, расход определяется выражением
Ро -3600 ,
(5)
J-J где VOij- объем по поверочной установке (м3),
Ttj- время измерения (с).
-
6.4.7. Значение объема, определяемого по частотному выходу поверяемого прибора, вычисляется по фор
муле
So-Nu
(6)
К =------— (м )
,J 1000-3600
где Ntj - число импульсов по показаниям частотомера.
-
6.4.8. Основная относительная погрешность прибора по функции измерения объема определяется по фор
муле
^=-^-^•100 (%) (7)
*0//
-
6.4.9. Величины dV,j должны соответствовать Таблице 1.
6.5 Определение погрешности прибора имитационным методом
-
6.5.1. Определение погрешности ЭБ при измерении времени прохождения УЗ-импульсов
-
6.5.1.1. Собирают схему поверки ЭБ (Приложение В), подключают ПЭП к контактам 15, 17 разъема XI (канал 1).
-
6.5.1.2. Включают ЭБ в сеть однофазного переменного тока (220 В; 50 Гц).
-
6.5.1.3. Подключают к ЭБ клавиатуру для программирования.
-
6.5.1.4. С клавиатуры в ЭБ вводят следующие параметры:
-
- диаметр D = 0,100 м (или другое значение D в соответствии с размерами кюветы);
-
- измеренное значение расстояния между торцами датчиков, установленных в кювете, (£_с) (м);
- значение проекции расстояния между торцами датчиков на ось трубы (LJlow) = 0,1732 м (или
LJlow = D/tg30°).
Примечание. Размеры кюветы должны обеспечивать установку датчиков на расстояние не менее D ■ 1,73. Для D > 500 мм допускается устанавливать датчики на расстояние D.
-
6.5.1.5. Для дальнейших расчётов используют значение номинального имитируемого расхода, вычисляемое по формуле
Q = 2,7 • 103 • D2 (м3/ч) (8)
-
6.5.1.6. Вычисляют разность интервалов времени прохождения УЗ-импульсов между датчиками в прямом и обратном направлениях в условиях потока воды с расходом Q в предположении плоского профиля скорости
(dTO) = 0,70735■ IO-6 (нс) (9)
D \L_c)
где (Г_1) - интервал времени прохождения УЗ-импульсов между датчиками, установленными в кювете (мкс).
Величину (Г_1) вычисляют по формуле
(T’-lb^^-lO6 (мкс) (10)
где С - скорость звука в воде при данной температуре в кювете (м/с) (Приложениев). Температуру воды в кювете измеряют с погрешностью не более ±0,25°С.
Значение (<77D_x) вводят с клавиатуры в ЭБ.
Параметр «х» означает номер поверяемого канала.
Примечание. Если поверяется прибор, находящийся в эксплуатации, необходимо записать установленное ранее значение (<77D_x), и после окончания поверки установить прежнее значение (<77U_x).
-
6.5.1.7. С клавиатуры в ЭБ вводят значение (K_n) = 1.
Примечание. Если поверяется прибор, находящийся в эксплуатации, необходимо записать установленное ранее значение (К_п), а после окончания поверки установить прежнее значение (К_п).
-
6.5.1.8. Отключают клавиатуру.
-
6.5.1.9. Определяют погрешность измерения прибором интервала времени прохождения УЗ-импульсов
-
6.5.1.10. Пользуясь многопозиционным переключателем (Таблица 6), считывают с дисплея ЭБ величину (Т_х) - интервал времени прохождения УЗ-импульсов между датчиками, установленными в кювете (мкс), измеренный прибором.
Таблица 6
|
№ |
Символ на экране |
Единица измерения |
Физический смысл параметра |
|
1 |
Q= |
m3/h |
Суммарный расход по групповому каналу |
|
v = |
m3 |
Объём по этому групповому каналу | |
|
2 |
Q_x= |
тЗ/h |
Расход по первой хорде X пары ПЭП |
|
Q_y= |
тЗ/h |
Расход по второй хорде Упары ПЭП | |
|
4 |
dT_x= |
ns |
Разность интервалов времени по каналу X |
|
dT_y= |
ns |
Разность интервалов времени по каналу Y | |
|
5 |
dT = |
ns |
Разность времён для установки «нуля» расхода |
|
dTs= |
ns |
Разность времён по каналу 1 с усреднением до 5 мин |
|
6 |
dT0_X= |
ns |
Поправка на «0» по каналу X после установки «0» |
|
dT0_Y= |
ns |
Поправка на «0» по каналу Y после установки «0» | |
|
7 |
m/s |
Скорость движения воды, измеренная по хорде X | |
|
V_y= |
m/s |
Скорость движения воды, измеренная по хорде Y | |
|
8 |
С^= |
m/s |
Скорость ультразвука, измеренная по хорде X |
|
C_y= |
m/s |
Скорость ультразвука, измеренная по хорде Y | |
|
9 |
ns |
Время прохождения УЗ-имульсов по хорде X | |
|
T_y = |
ns |
Время прохождения УЗ-имульсов по хорде Y | |
|
10 |
Коэффициент коррекции длягруппового канала N | ||
|
к_»= |
Коэффициент коррекции для группового канала М | ||
|
11 |
L_C_x = |
m |
Расстояние между торцами датчиков для хорды X |
|
L_C_y = |
m |
Расстояние между торцами датчиков для хорды Y | |
|
12 |
L_flow_x= |
m |
Проекция на ось трубы УЗ-луча для хорды X |
|
L_flow_y= |
m |
Проекция на ось трубы УЗ-луча для хорды Y | |
|
13 |
D= |
m |
Диаметр трубы расходомера |
|
Window= |
mks |
Начало приёма сигнала для группового канала | |
|
14 |
Scale= |
M3/h |
Шкала: макс, расход для группового канала |
|
CUT_OFF= |
Относительная нижняя граница измерения расхода | ||
|
15 |
Total=work |
m3 |
Объём за время “Тте”для группового канала |
|
Time=work |
sec |
Время накопления объёма | |
|
16 |
Total=Stop |
m3 |
Объём за время “Тте”для группового канала. Переключатель в позиции 14 |
|
Time =Stop |
sec |
Время накопления объёма. Переключатель в позиции 14 | |
|
17 |
Config |
Конфигурация измерительных каналов |
-
6.5.1.11. Вычисляют погрешность измерения прибором интервала времени прохождения УЗ-
импульсов
8Т = • 100% (11)
<тУ)
-
6.5.1.12. Значение ST заносится в протокол. Оно не должно превышать по абсолютной величине
0,1%.
-
6.5.2. Определение погрешности ЭБ при измерении разности интервалов времени прохождения УЗ-
импульсов
Погрешность ЭБ при измерении разности интервалов времени прохождения УЗ-импульсов <5(Д7) проявляется как смещение нуля при измерении расхода в неподвижной среде.
В режиме измерений снимают показание расхода по поверяемому расходомеру - Qo.
Вычисляют относительное смещение нуля по формуле <^=■^*100% (12) где Q„ = QMUII для интервала QMm Qnep и QH = Qu* для интервала Qnep QMKC. Величина <5(А7) определяется равенством <5(А7) = SQ0 Значение <5(А7) не должно превышать по абсолютной величине 2% для первого интервала и 0,5% для второго интервала.
-
6.5.3. Определение погрешности ЭБ при измерении расхода с отсчётом по индикатору
-
6.5.3.1. С помощью многопозиционного переключателя в соответствии с Таблицей 6 выводят на дисплей значение разности интервалов времени (dT_x), определяющее имитируемый расход.
-
6.5.3.2. Вычисляют имитируемое значение расхода по формуле, записанной в программном обеспечении
106 (dT_x)-D2(L_c)2 ,
-------------------------— (м3/ч) 0,70735 (r_l)2(Z_>w)
(14)
где D, (L_c), (LJlow) - в м, (dT_x) в нс, (Т_1) - в мкс.
-
6.5.3.3. С помощью многопозиционного переключателя в соответствии с Таблицей 6 выводят на дисплей значение расхода, «измеренного» прибором, (Q_x).
-
6.5.3.4. Вычисляют погрешность ЭБ при измерении расхода с отсчётом по индикатору

(15)
-
6.5.3.5. Значение заносится в протокол. Оно не должно превышать по абсолютной величине
0,5%.
-
6.5.4. Определение погрешности ЭБ при измерении расхода с использованием токового выхода
-
6.5.4.1. Собирают схему для поверки токового выхода прибора (Приложение А, Рис.2).
-
6.5.4.2. С помощью многопозиционного переключателя в соответствии с Таблицей 6 выводят на дисплей значение расхода, «измеренного» прибором, (Q_x).
-
6.5.4.3. Подключают к ЭБ клавиатуру и с её помощью устанавливают «Scalel» = (Q_x), округлив значение (Q_x) в сторону увеличения. Клавиатуру отключают.
-
6.5.4.4. Измеряют значение выходного тока /выхУ вольтметром универсальным.
-
6.5.4.5. Вычисляют значение выходного тока
I = 16-^- + 4 (мА) (16)
1 Scalel
-
6.5.4.6. Вычисляют погрешность ЭБ
dQ3ai=^^-lOO% (17)
А
-
6.5.4.7. Подключают к ЭБ клавиатуру и устанавливают «Scale2» = 2(Q_x). Клавиатуру отключают.
-
6.5.4.8. Измеряют значение выходного тока /вых2.
-
6.5.4.9. Вычисляют значение выходного тока
'2 = 16^+4гма) <18>
-
6.5.4.10. Вычисляют погрешность ЭБ
8Q3a2 =^-2~12 100% (19)
■*2
-
6.5.4.11. Подключают к ЭБ клавиатуру и устанавливают «Scale3» = 5(Q_x). Клавиатуру отключают.
-
6.5.4.12. Измеряют значение выходного тока Цых3.
-
6.5.4.14. Вычисляют значение выходного тока
/3 = 16^Й+4(МА) <2°>
-
6.5.4.15. Вычисляют погрешность ЭБ
SQ3m= ^Ц-^-100%
A
(21)
-
6.5.4.16. Подключают к ЭБ клавиатуру и устанавливают «Scale4» = 10(Q_x). Клавиатуру отключают.
-
6.5.4.17. Измеряют значение выходного тока 1вых4.
-
6.5.4.18. Вычисляют значение выходного тока
/4 = 16 + 4 (мА) (22)
4 Scale4
-
6.5.4.19. Вычисляют погрешность ЭБ
^ЭД74 = 1вых4 ~14 юо% (23) А
-
6.5.4.20. Значения 8Q3l4II, dQssu, №эб1з, SQseu заносятся в протокол. Они не должны превышать по
абсолютной величине 1,0%.
-
6.5.5. Определение погрешности ЭБ при измерении расхода с использованием частотного выхода
-
6.5.5.1. Собирают схему для поверки частотного выхода прибора (Приложение А, Рис.2).
-
6.5.5.2. С помощью многопозиционного переключателя в соответствии с Таблицей 6 выводят на дис
плей значение расхода, «измеренного» прибором, (Q_x).
-
6.5.5.3. Подключают к ЭБ клавиатуру и с её помощью устанавливают «Scalel» = (Q_x), округлив
значение (Q_x) в сторону увеличения. Клавиатуру отключают.
-
6.5.5.4. Измеряют частоту FeuxI на частотном выходе ЭБ.
-
6.5.5.5. Вычисляют значение частоты
/7=1ООо(Щ^ (Гц) (24)
<Sca/el
-
6.5.5.6. Вычисляют погрешность ЭБ
100% <25> Л
-
6.5.5.5. Подключают к ЭБ клавиатуру и устанавливают «Scale2» - 2(Q_x). Клавиатуру отключают.
-
6.5.5.6. Измеряют частоту Feax2.
-
6.5.5.7. Вычисляют значение частоты
f2 = юоо^-х^
Scalel
(Гц)
(26)
-
6.5.5.8. Вычисляют погрешность ЭБ
SQxn = F~"‘ F1 Ю0% (27)
F1
-
6.5.5.9. Подключают к ЭБ клавиатуру и устанавливают «Scale3» = 5(Q_x). Клавиатуру отключают.
-
6.5.5.10. Измеряют частоту Fehlx3.
-
6.5.5.11. Вычисляют значение частоты
/7=1000^^(14) (28)
Scales
-
6.5.5.12. Вычисляют погрешность ЭБ
8Q3BP3 = РвЫХ' - • 100% (29)
F3
-
6.5.5.13. Подключают к ЭБ клавиатуру и устанавливают «Scale4» = 10(Q_x). Клавиатуру отключают.
-
6.5.5.14. Измеряют частоту Feax4.
-
6.5.5.15. Вычисляют значение частоты
(О х)
г4 =1ооо^4 (гц) (зо)
Scaled
-
6.5.5.16. Вычисляют погрешность ЭБ
= --100% (31)
F4
-
6.5.5.17. Значения SQ3EF1, SQskf?, 6Q3EF3, 3Q3FF4 заносятся в протокол. Они не должны превышать по
абсолютной величине 0,5%.
-
6.5.6. Определение погрешности ЭБ при измерении объёма
-
6.5.6.1. С помощью многопозиционного переключателя в соответствии с Таблицей 6 выводят на дисплей значение расхода (Q_x), «измеренного» прибором.
-
6.5.6.2. Подключают к ЭБ клавиатуру и с её помощью устанавливают «Scale» = (Q_x). Клавиатуру
отключают.
-
6.5.6.3. С помощью многопозиционного переключателя в соответствии с Таблицей 6 выводят на дисплей значение непрерывно увеличивающегося объёма V, «измеряемого» прибором.
-
6.5.6.4. При смене младшего разряда величины Vзапускают частотомер в режиме счета импульсов и записывают это значение объема как VHa4.
-
6.5.6.5. Спустя время не менее 250 секунд при смене младшего разряда величины V останавливают частотомер. Значение величины объёма записывают как VKOH, а число импульсов по частотомеру как N.
-
6.5.6.6. Вычисляют приращение объёма по индикатору
и„=ико„-и„ач (32)
-
6.5.6.7. Вычисляют объёмную меру одного импульса
Scale
1000-3600
(м3/имп)
(33)
(34)
-
6.5.6.8. Вычисляют опорное значение объёма
Von = N-W
-
6.5.6.10. Вычисляют погрешность ЭБ при измерении объёма
8V3e = Vu Г°"-100°/о (35)
Fon
-
6.5.6.11. Значение 6УЭБ заносится в протокол. Оно не должно превышать по абсолютной величине
0,5%.
-
6.5.7. По окончании поверки восстанавливают паспортные значения D, (L_c), (dTO), (К_п).
-
6.5.8. Определение линейно-угловых параметров
К линейно-угловым параметрам относятся:
-
- внутренний диаметр;
-
- расстояние между ПЭП;
-
- угол наклона оси акустического канала к оси трубопровода;
-
- смещение оси акустического канала;
-
- длина активной части акустического канала.
Примечание. Для приборов, поставляемых без ИУ, данные параметры измеряют на месте эксплуатации в процессе монтажа ПЭП на рабочем трубопроводе.
-
6.5.8.1. Определение диаметра трубопровода на участке установки ПЭП
Внутренний диаметр измеряют либо путём прямых измерений, либо косвенно - путём измерений внешнего диаметра и толщины стенки.
Диаметр измеряют в двух сечениях, между которыми расположен измерительный участок, в каждом сечении - не менее, чем по четырём направлениям равномерно по окружности.
При косвенных измерениях в точках, соответствующих измеряемым диаметрам, измеряют толщину стенки, единичное значение внутреннего диаметра определяют по формуле: Di=Dexi- Sjj- S21, (36)
где Dext - значение внешнего диаметра,
Slb S2i~ значения толщины стенки на концах диаметра.
Вычисляют среднее значение диаметра D
D = -^D, (37)
где п - число измерений диаметра.
Вычисляют размах Д/> = Dmax- Dmi„.
Вычисляют границы методической погрешности величины D: ADM = ±0,293 Д/>.
Вычисляют границы абсолютной и относительной погрешности определения среднего диаметра
AZ) = ±1,17М)2 +^(Д;)2 , (38)
SD = — *100% (39)
D
где А; - пределы допускаемой абсолютной погрешности применяемых средств измерений. Сравнивают полученное среднее значение диаметра с паспортным значением. Допускаемое относительное отклонение между ними составляет ±0,05%. При большем отклонении в паспорт и в программу прибора заносится полученное значение диаметра.
Для приборов, поставляемых с ИУ, должно выполняться неравенство
|О т - Dny\ < 0,0207- (40)
где DT, DHy - соответственно внутренний диаметр трубопровода и внутренний диаметр ИУ.
-
6.5.8.2. Определение расстояния между ПЭП (Приложение Д)
Для измерения расстояния между ПЭП используют штангу, длина которой Ьш (мм) известна с абсолютной погрешностью Аш (мм).
Один из двух ПЭП монтируют на трубопроводе.
Через отверстие держателя второго ПЭП пропускают штангу до упора в смонтированный ПЭП. С помощью штангенциркуля измеряют расстояние от свободного торца штанги до наружного торца держателя - 1Ш (мм).
С помощью штангенциркуля с глубиномером измеряют расстояние от наружного торца держателя до посадочной плоскости для ПЭП - 1д (мм).
С помощью штангенциркуля измеряют отрезок длины ПЭП от посадочной плоскости до излучающей поверхности - /„ (мм).
С помощью микрометра измеряют толщину прокладки ПЭП - h (мм).
Расстояние между ПЭП вычисляют по формуле
Lm ~ - ln ~ h (41)
Погрешность измерений величин 1Ш, 1д, 1п равна пределу допускаемой погрешности штангенциркуля Ашч (мм). Погрешность измерения величины h равна пределу допускаемой погрешности микрометра &мкм (мм).
Абсолютную и относительную погрешность величины Lm вычисляют по формулам
|
дл=±1,1Л/д2+з(д У+д2 |
(42) |
|
££ = — •100% |
(43) |
|
L„n | |
|
Сравнивают полученное значение величины Lnn |
с паспортным значением. Допускав- |
мое относительное отклонение между ними составляет ±0,05%. При большем отклонении в паспорт и в программу прибора заносится полученное значение величины L„„.
-
6.5.8.3. Определение угла наклона оси акустического канала.
В гнезда ПЭП1 и ПЭП2 устанавливают монтажные втулки 3 и 4 и штангу 5 (Приложения 5). На трубе 6 устанавливают приспособление 7 - призму с цилиндром. Призматический щуп угломера 8 прикладывают к штанге, прямолинейный щуп совмещают с упором на цилиндре призмы. Фиксируют положение щупа и считывают показание угломера.
Измерение угла выполняют не менее 5 раз с каждой стороны трубы.
Вычисляют среднее значение угла а
а = -Уа, (44)
где п - число измерений угла.Вычисляют размах АР = amtK- amjn.
Вычисляют границы методической погрешности величины а:
\ам=±0,293 Ар. (45)
Вычисляют границы абсолютной и относительной погрешности определения угла а
Да-±1,1^(Да„)г+Х(Д,)2 (46)
где Ау - пределы допускаемой абсолютной погрешности угломера.
Поскольку в формуле вычисления расхода фигурирует величина COS а, необходимо определить относительную погрешность определения этой величины. Относительную погрешность величины cos а вычисляют по формуле
dcosa = Да • tga-100% (47)
где Да должно быть выражено в радианах.
-
6.5.8.4. Определение смещения оси акустического канала
Смещение оси акустического канала определяют с помощью измерительной штанги и штангенрейсмуса. Для ИУ диаметром более 600 мм штангенрейсмус может быть установлен во внутреннюю полость на пластину с размерами 300x150x10 (Приложение Е). Отклонение от параллельности больших граней пластины - не более 0,3 мм. ИУ меньшего диаметра устанавливают на поверочной плите.
Штангу вставляют в отверстия держателей ПЭП.
С помощью штангенрейсмуса измеряют расстояния Hlj, hl;, Н2;, h2; (hl, h2 - расстояния от внутренней поверхности ИУ до плиты с разных сторон патрубка, i - номер канала). С помощью штангенциркуля измеряют диаметр штанги dmT (мм).
Смещение оси акустического канала X вычисляют по формулам:
-при установке штангенрейсмуса внутри ИУ
Х= (Hl+hl) - (W2 (48)
-при установке штангенрейсмуса снаружи ИУ
X = (Н1+Н2-Ь1-Ь2-<1шт)/2 (49)
При расположении ПЭП по диаметру должно выполняться требование
0,49*D <X<0,51*D
При расположении ПЭП по двум хордам должно выполняться требование
0,245*D<X<0,255*D
При расположении ПЭП по трём хордам должны выполняться требования 014*D<X<0,15*D
0,49*D <X<0,51*D
При расположении ПЭП по четырём хордам должны выполняться требования
0,14*D<X<0,15*D
0,09*D <X<0,10*D
При расположении ПЭП по пяти хордам должны выполняться требования
0,06*D<X<0,075*D
0,245*D<X<0,255*D
0,49*D <X<0,51*D
При невыполнении указанных требований прибор считают непригодным к эксплуатации.
-
6.5.8.5. Определение длины активной части акустического канала
При расположении ПЭП по хорде длину активной части акустического канала вычисляют по формуле
(т „ ч Jd2-4X2( L _ flow) =----------- (50)
tga
При расположении ПЭП вдоль оси трубопровода длину активной части акустического канала определяют путём измерения расстояния между осями вводных патрубков.
При расположении ПЭП по диаметру длину активной части акустического канала вычисляют по формуле
(L_flow) = — (51)
tga
-
6.5.8.6. Значения величин D, L„m (L Jlow) заносят в протокол.
-
6.5.9. Определение коэффициента коррекции
Гидродинамический коэффициент Кг представляет собой отношение скорости жидкости, ос-редненной по акустическому каналу прибора, к средней скорости жидкости в поперечном сечении трубопровода.
-
6.5.9.1. При установке ПЭП по диаметру гидродинамический коэффициент вычисляют по формуле
Кг= l,12-0,01llg(Re) (52)
Число Рейнольдса Re равно
= (53)
vD
где Q - расход в м3/ч, v - кинематическая вязкость измеряемой среды в м2/с, D - диаметр трубопровода в м.
Исходя из рабочего диапазона расхода и средней температуры, вычисляют Remi„, Remax и соответственно К^п, Кгтах.
Коэффициент коррекции вычисляют по формуле

If I тг ^zmin ' ^zmix
(54)
-
6.5.9.2. При установке ПЭП по хорде гидродинамический коэффициент равен
Кг = 1,09 + 0,125* /и(2*Х/О2)
Коэффициент коррекции вычисляют по формуле
° 'к, <55>
6.5.9.3 Пределы относительной погрешности коэффициента коррекции принимаются равными йКюрр ~ ± 0,5%
-
6.5.9.4. Значение коэффициента Ккор заносят в протокол.
-
6.5.10. Определение погрешности прибора имитационным методом
Пределы относительной погрешности измерения расхода вычисляют по формуле
8Q = ±1,1^2(^)2 + (<5i)2 +(<5cosa)2 +2(ST)2 + [S(AT)]2+^орр + (SQ3E)2 (56)
Значения величин под корнем определены в следующих пунктах:
dD - п. 6.5.8.1; dL - п.6.5.8.2; dcosa - п.6.5.8.3; дТ - п. 6.5.1; <5(АТ) - п.6.5.2; дКкорр - п. 6.5.9.3; <5еэя-п.п 6.5.3-6.5.5.
Величина 8Q должна соответствовать Таблице 2.
-
6.5.11. Величины D, L„„, (LКкорр являются параметрами программного обеспечения прибора. В присутствии поверителя они вводятся в память ЭБ.
7. ОФОРМЛЕНИЕ РЕЗУЛЬТАТОВ ПОВЕРКИ
7.1. Результаты поверки оформляют протоколом согласно приложения Б.
-
7.2. При положительных результатах поверки оформляют свидетельство о поверке или делают соответствующую запись в паспорте прибора, ставят оттиск поверительного клейма на пломбы, установленные на элементах прибора, открывающих доступ к органам программирования.
-
7.3. При отрицательных результатах поверки прибор к применению не допускают, оттиск поверительного клейма гасят, свидетельство о поверке аннулируют, выдают извещение о непригодности с указанием причин.
Начальник отдела 208
ФГУП «ВНИИМС»

Б.А. Иполитов
Инженер отдела 208
ФГУП «ВНИИМС»
Д.П. Ломакин


Х1
|
Контакт |
Цепь |
|
18 |
X |
|
17 |
Сиг. 2 |
|
16 |
X |
|
15 |
Сиг.1 |
|
13 |
X |
|
12 |
Сиг.4 |
|
11 |
X |
|
10 |
Сиг.З |

Х2
|
Цепь |
Контакт | |
|
220 |
1 |
------*5 Сеть |
|
220 |
15 |
- |
|
I расх |
4 |
Токовый |
|
12 ВГ |
7 |
> выход ->J по расходу |
|
Fpacx |
11 |
—> ) Импульсный |
|
Общ. Г |
5 |
ч г выход J по расходу |
|
Реле ОК |
2 |
Контакты |
|
Реле НЗ |
16 |
Г реле |
|
Реле HP |
8 |
-»J |
Условные обозначения:
1 - трубопровод;
2,3,4,5 - пьезоэлектрические преобразователи расхода (ПЭП);
б - вторичный преобразователь (ЭЕ)
Х1 - разъем РП-10 (вилка);
Х2 - разъем РП-10 (розетка).
—> - направление движения
воды
Схема соединений прибора при установке ПЭП по двум хордам.
рис. 1
20
Приложение Б
Протокол поверки расходомера УРС-002 на весовой установке
Зав. №___________ Dy=__________мм
Поверка проводилась на поверочной установке____________________
Зав. №____________, № свидетельства_____________________________
Результаты поверки приведены в таблице
|
№ |
Температура воды ti °C |
Плотность воды Pi, кг/м3 |
Расход воды Qi, м3/ч |
Время измерения Т,сек |
Масса воды mi, кг |
Объем воды эталон. Vi, м3 |
Количество им-пуль-сов Ni |
Объем воды измер. Vi, м3 |
Погрешность 8, % |
Приме чание |
|
1 2 3 |
0,9*QMiKC | |||||||||
|
1 2 3 |
0,5*QMaKC | |||||||||
|
1 2 3 |
Qnepex | |||||||||
|
1 2 3 |
Qmhh |
Заключение.______________________
Протокол поверки расходомера УРС- 002
на установке с образцовыми мерниками
Зав. №__________ Dy=__________мм
Поверка проводилась на поверочной установке ___________________
Зав. №____________, № свидетельства____________________________
Результаты поверки приведены в таблице
|
№ |
Температура воды tj, °C |
Расход воды Qi, м3/ч |
Время измерения Т,сек |
Объем воды эталон. Vi, м3 |
Количество импульсов N; |
Объем воды из-мер. Vi, м3 |
Погрешность 8,% |
Примечание |
|
1 2 3 |
0,9*Омакс | |||||||
|
1 2 3 |
0,5*QMaKC | |||||||
|
1 2 3 |
Qnepex | |||||||
|
1 2 3 |
Qmhh |
Заключение.___________________
Поверитель _________________
(подпись)
|
Зав. № |
Протокол поверки расходомера УРС- 002 на поверочной трубопоршневой установке Dv= мм |
Поверка проводилась на поверочной установке
Зав. №____________, № свидетельства_____________________________
Результаты поверки приведены в таблице
|
№ |
Температура воды fc. °C |
Коэффициент К, |
Расход воды Qi, м3/ч |
Время измерения Т,сек |
Объем воды эталон. Vi, м3 |
Количество импульсов Nj |
Объем воды измер. Vi, м3 |
Погрешность S, % |
Приме чание |
|
1 2 3 |
0,9*QMaKC | ||||||||
|
1 2 3 |
0,5*QMaKC | ||||||||
|
1 2 3 |
Qnepex | ||||||||
|
1 2 3 |
Qmkh |
Заключение.____________________
Поверитель
(подпись) Протокол поверки расходомера УРС- 002 на установке с образцовым счетчиком
Зав. №__________ Dy=__________мм
Поверка проводилась на поверочной установке____________________
Зав. №____________, № свидетельства_____________________________
Результаты поверки приведены в таблице
|
№ |
Температура воды tj °C |
Расход воды Qi, м3/ч |
Время измерения Т,сек |
Объем воды эталон. Vi, М3 |
Количество импуль-сов Н |
Объем воды измер. Vi, М3 |
Погрешность 5, % |
Приме чание |
|
1 2 3 |
0,9*QMSKC | |||||||
|
1 2 3 |
0j5*QMaKc | |||||||
|
1 2 3 |
Qnepex | |||||||
|
1 2 3 |
Qmhh |
Заключение.__________________
Поверитель
(подпись)
Протокол №___от «__»________г.
поверки прибора УРС-002 зав.№_________________(имитационный метод)
Перечень оборудования, используемого при поверке
|
Наименование |
Тип |
Зав.№ |
Годен до... |
|
Вольтметр цифровой | |||
|
Мегаомметр | |||
|
Термометр | |||
|
Термометр | |||
|
Частотомер | |||
|
Кювета |
1.Результаты внешнего осмотра и опробования прибора
|
Соответствие |
Подпись | |
|
1. Внешний осмотр | ||
|
2. Поверка электрической прочности изоляции | ||
|
3. Поверка электрического сопротивления изоляции | ||
|
4. Опробование |
2. Параметры поверки
|
Группа |
Канал |
База, м |
Проекция базы, м |
Диаметр, м |
Температура (град.С) |
|
1 |
1 | ||||
|
1 |
2 |
3. Определение погрешности измерения ЭБ разности интервалов времени прохождения Уз-импульсов
|
Группа |
Канал |
Qo, мЗ/час |
Qmin, мЗ/час |
dQo min, % |
Погр.по ТУ, % |
Qper (мЗ/час) |
dQo_per,% |
Погр.по ТУ, % |
|
1 |
1 | |||||||
|
1 |
2 |
4. Определение погрешности измерения ЭБ интервала времени прохождения Уз-импульсов
|
Группа |
Канал |
Т вычисл, мкс |
Т измер, мкс |
Погрешность, % |
Погрешность по ТУ, % |
|
1 |
1 | ||||
|
2 |
2 |
5. Определение погрешности ЭБ при измерении расхода с отсчетом по индикатору
|
Группа |
Канал |
Q номин., мЗ/час |
dT, нс |
Q измерен, мЗ/час |
Погр., % |
Погрешность по ТУ, % |
|
1 |
1 | |||||
|
1 |
2 |
6. Определение погрешности ЭБ с использованием токового выхода
|
Группа |
Канал |
Q измер, мЗ/час |
Тест |
Шкала, мЗ/час |
I вычисл, мА |
I измер, мА |
Погрешность,% |
Погр. по ТУ, % |
|
1 |
1 | |||||||
|
1 |
1 | |||||||
|
1 |
1 | |||||||
|
1 |
1 | |||||||
|
1 |
2 | |||||||
|
1 |
2 | |||||||
|
1 |
2 | |||||||
|
1 |
2 |
7. Определение погрешности расхода с использованием частотного выхода
|
Группа |
Канал |
Q измер, мЗ/час |
Тест |
Шкала, мЗ/час |
F вычисл, Гц |
F измер, Гц |
Погрешность,% |
Погр. по ТУ,% |
|
1 |
1 | |||||||
|
1 |
1 | |||||||
|
1 |
1 | |||||||
|
1 |
1 | |||||||
|
1 |
2 | |||||||
|
1 |
2 | |||||||
|
1 |
2 | |||||||
|
1 |
2 |
8. Определение погрешности ЭБ при измерении объема
|
Группа |
Канал |
Шкала, мЗ/час |
Унач, м3 |
Укон, м3 |
Колич.импульсов |
Погрешность изм. V, % |
Погр.по ТУ, % |
|
1 |
1 | ||||||
|
1 |
2 |
Дата поверки___________
Поверитель_____________
Сеть
IL ->Г I [Трубопровод
I/F/KS485.----ГТ|
| и
л
->Е ||Трубопровод|П
|
Цепь |
Контакт |
|
220 |
1 |
|
220 |
2 |


|
Цепь |
Контакт |
|
11- |
12 |
|
11+ |
4 |
|
I2- |
11 |
|
I2+ |
3 |
|
F1+ |
14 |
|
F1- |
6 |
|
F2- |
13 |
|
F2+ |
5 |
|
НЗ |
9 |
|
Общий |
1 |
|
НО |
10 |
|
Общ. RS |
2 |
|
А |
15 |
|
В |
7 |
Токовый выход 1 по расходу
Токовый выход 2 по расходу
Импульсный выход 1 по расходу
Импульсный выход 2 по расходу
Аварийное реле

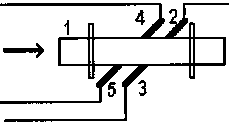
Условные обозначения
1,2,3,4 - Пьезоэлектрические преобразователи расхода (ПЭП) —• Направление движения воды
Кювета для поверки прибора УРС-002
I - патрубок; 2 - фланец-заглушка (2 шт.); 3 - ПЭП (2 шт.);
4 - винт для крепления ПЭП; 5 - поглотитель звука (поролонвый лист 20 мм); 6 - пробка для сливного (заливного) отверстия; 74 -прокладки; 9-держатели ПЭП
Измерение угла наклона оси акустических каналов


Измерение расстояния между ПЭП
Рис.4
ИЗМЕРЕНИЕ ГЕОМЕТРИЧЕСКИХ ПАРАМЕТРОВ
Измерение внутреннего диаметра
Рис 1
hf(M
Рис 2а Рис 26
Приложение Ж
Таблица зависимости скорости распространения в воде ультразвука от температуры воды
|
t,°o |
С, м/с |
t,°C |
С, м/с |
t,°C |
С, м/с |
|
15,0 |
1465,910 |
16,7 |
1471,729 |
18,4 |
1477,29 |
|
15,1 |
1466,259 |
16,8 |
1472,063 |
18,5 |
1477,617 |
|
15,2 |
1466,608 |
16,9 |
1472,397 |
18,6 |
1477,936 |
|
15,3 |
1466,955 |
17,0 |
1472,730 |
18,7 |
1478,254 |
|
15,4 |
1467,302 |
17,1 |
1473,061 |
18,8 |
1478,571 |
|
15,5 |
1467,648 |
17,2 |
1473,392 |
18,9 |
1478,887 |
|
15,6 |
1467,993 |
17,3 |
1473,722 |
19,0 |
1479,203 |
|
15,7 |
1468,337 |
17,4 |
1474,052 |
19,1 |
1479,518 |
|
15,8 |
1468,680 |
17,5 |
1474,380 |
19,2 |
1479,832 |
|
15,9 |
1469,022 |
17,6 |
1474,708 |
19,3 |
1480,145 |
|
16,0 |
1469,364 |
17,7 |
1475,034 |
19,4 |
1480,457 |
|
16,1 |
1469,704 |
17,8 |
1475,360 |
19,5 |
1480,769 |
|
16,2 |
1470,044 |
17,9 |
1475,685 |
19,6 |
1481,079 |
|
16,3 |
1470,383 |
18,0 |
1476,009 |
19,7 |
1481,389 |
|
16,4 |
1470,721 |
18,1 |
1476,332 |
19,8 |
1481,698 |
|
16,5 |
1471,058 |
18,2 |
1476,655 |
19,9 |
1482,006 |
|
16,6 |
1471,394 |
18,3 |
1476,976 |
20,0 |
1482,313 |
|
t,°0 |
С, м/с |
t,°C |
С, м/с |
t,°C |
С, м/с |
|
20,1 |
1482,620 |
22,5 |
1489,732 |
24,9 |
1496,388 |
|
20,2 |
1482,925 |
22,6 |
1490,018 |
25,0 |
1496,656 |
|
20,3 |
1483,230 |
22,7 |
1490,304 |
25,1 |
1496,923 |
|
20,4 |
1483,534 |
22,8 |
1490,588 |
25,2 |
1497,189 |
|
20,5 |
1483,837 |
22,9 |
1490,872 |
25,3 |
1497,455 |
|
20,6 |
1484,140 |
23,0 |
1491,155 |
25,4 |
1497,719 |
|
20,7 |
1484,441 |
23,1 |
1491,438 |
25,5 |
1497,983 |
|
20,8 |
1484,742 |
23,2 |
1491,719 |
25,6 |
1498,247 |
|
20,9 |
1485,042 |
23,3 |
1492,000 |
25,7 |
1498,509 |
|
21,0 |
1485,341 |
23,4 |
1492,280 |
25,8 |
1498,771 |
|
21,1 |
1485,640 |
23,6 |
1492,560 |
25,9 |
1499,032 |
|
21,2 |
1485,937 |
23,6 |
1492,838 |
26,0 |
1499,292 |
|
21,3 |
1486,234 |
23,7 |
1493,116 |
26,1 |
1499,551 |
|
21,4 |
1486,530 |
23,8 |
1493,393 |
26,2 |
1499,810 |
|
21,5 |
1486,825 |
23,9 |
1493,669 |
26,3 |
1500,068 |
|
21,6 |
1487,119 |
24,0 |
1493,944 |
26,4 |
1500,325 |
|
21,7 |
1487,413 |
24,1 |
1494,219 |
26,5 |
1500,582 |
|
21,8 |
1487,705 |
24,2 |
1494,493 |
26,6 |
1500,837 |
|
21,9 |
1487,997 |
24,3 |
1494,766 |
26,7 |
1501,092 |
|
22,0 |
1488,288 |
24,4 |
1495,038 |
26,8 |
1501,347 |
|
22,1 |
1488,578 |
24,5 |
1495,310 |
26,9 |
1501,600 |
|
22,2 |
1488,868 |
24,6 |
1495,580 |
27,0 |
1501,853 |
|
22,3 |
1489,157 |
24,7 |
1495,850 |
27,1 |
1502,105 |
|
22,4 |
1489,445 |
24,8 |
1496,120 |
27,2 |
1502,356 |
|
t,°0 |
С, м/с |
t,°C |
С, м/с |
t,°C |
С, м/с |
|
27,3 |
1502,607 |
29,2 |
1507,231 |
31,1 |
1511,598 |
|
27,4 |
1502,857 |
29,3 |
1507,467 |
31,2 |
1511,821 |
|
27,5 |
1503,106 |
29,4 |
1507,702 |
31,3 |
1512,043 |
|
27,6 |
1503,354 |
29,5 |
1507,937 |
31,4 |
1512,264 |
|
27,7 |
1503,602 |
29,6 |
1508,171 |
31,5 |
1512,485 |
|
27,8 |
1503,849 |
29,7 |
1508,404 |
31,6 |
1512,705 |
|
27,9 |
1504,095 |
29,8 |
1508,637 |
31,7 |
1512,925 |
|
28,0 |
1504,314 |
29,9 |
1508,869 |
31,8 |
1513,144 |
|
28,1 |
1504,585 |
30,0 |
1509,100 |
31,9 |
1513,362 |
|
28,2 |
1504,830 |
30,1 |
1509,331 |
32,0 |
1513,579 |
|
28,3 |
1505,073 |
30,2 |
1509,561 |
32,1 |
1513,796 |
|
28,4 |
1505,315 |
30,3 |
1509,790 |
32,2 |
1514,012 |
|
28,5 |
1505,557 |
30,4 |
1510,018 |
32,3 |
1514,227 |
|
28,6 |
1505,799 |
30,5 |
1510,246 |
32,4 |
1514,442 |
|
28,7 |
1506,039 |
30,6 |
1510,473 |
32,5 |
1514,656 |
|
28,8 |
1506,279 |
30,7 |
1510,699 |
32,6 |
1514,869 |
|
28,9 |
1506,518 |
30,8 |
1510,925 |
32,7 |
1515,082 |
|
29,0 |
1506,756 |
30,9 |
1511,150 |
32,8 |
1515,294 |
|
29,1 |
1506,994 |
31,0 |
1511,374 |
32,9 |
1515,505 |
Данные заимствованы из монографии "Александров А.А., Трахтенгерц М. С. Теплофизические свойства воды при атмосферном давлении. - М.: Иэд-во стандартов, 1977. - 100 с. - (Государственная служба стандартных справочных данных. Сер.: Монографии)".
Приложение 3
Таблица рекомендованных значений имитируемого расхода, м3/ч и длин «кюветы» для ИУ различных диаметров
|
Условный проход, мм 1 |
Имитируемые расходы, м3/ч, для точек калибровочной характеристики |
Длина кюветы, мм 3 | ||
|
2 | ||||
|
100 |
250 |
206 | ||
|
150 |
250 -300 |
200 | ||
|
200 |
500 - 600 |
200 | ||
|
250 |
700 - 900 |
200 | ||
|
300 |
1250 - 1400 |
560 | ||
|
400 |
2000 - 2400 |
560 | ||
|
500 |
3000-3500 |
560 | ||
|
600 |
5000- 6500 |
560 | ||
|
800 |
8000- 9600 |
560 | ||
|
900 |
9000- 1100 |
560 | ||
|
1000 |
12500-14000 |
1500 | ||
|
1200 |
20000-24000 |
1500 | ||
|
1400 |
25000-30000 |
1500 | ||
|
1600 |
30000-35000 |
1500 | ||
|
2000 |
45000-55000 |
1500 | ||
Приложение И
Таблица распределения хорд при многохордовых групповых вариантах
|
Число |
Расстояние от центра окружности (оси трубо- |
|
хорд |
провода) в долях радиуса. |
|
2 хорды |
0,5000 0,5000 |
|
3 хорды |
0,7071 0,0000 0,7071 |
|
4 хорды |
0,8090 0,3090 0,3090 0,8090 |
|
5 хорд |
0,8660 0,5000 0,0000 0,5000 0,8660 |
Примечание: Применение многоканальных измерений (от 3-х до 5-ти каналов в одной группе) позволяет существенно повысит точность измерения при сильно искаженных профилях скоростей потока. Математические модели характеризуют измерение с точностью от (0,2 до 0,5)% там, где 2-х канальное измерение дает погрешность (1 - 2)%>.
