Методика поверки «Приборы для измерений показателей качества электрической энергии "Ресурс-ПКЭ"» (БГТК.411722.012 МП)
40
СОГЛАСОВАНО
Генеральный дирсклор

У1ВЕРЖДАЮ
pv то волн I ej и. ГЦИ С И ФГУ П

IS И. Яниши
20II г.
ПРИБОРЫ ДЛЯ ИЗМЕРЕНИЙ ПОКАЗАТЕЛЕЙ
КАЧЕСТВА ЭЛЕКТРИЧЕСКОЙ ЭНЕРГИИ
«РЕСУРС-ПКЭ»Методика поверки
БГТК.411722.012 МП
г. Пенза
2011
39
Г.8.5 Проверка основной погрешности измерений интервала времени (хода часов) Результаты определения основной погрешности измерений интервала времени (хода
часов) приведены в таблице Г.7.
Таблица Г.7
Измеряемый параметр |
Погрешность |
Пределы погрешности |
Интервал времени (ход часов) |
Вывод: Прибор для измерений показателей качества электрической энергии
«Ресурс-ПКЭ_____________» __________________________________________________
соответствует, не соответствует технической документации
Г.8.6 Проверка погрешности измерений времени
Результат измерений: АГ =
Вывод: Прибор для измерений показателей качества электрической энергии «Ресурс-ПКЭ_____________»
соответствует, не соответствует технической документации
Г.9 Вывод по результатам поверки: Прибор для измерений показателей качества электрической энергии «Ресурс-ПКЭ______________» _________________________________
годен, негоден
20 г.
Поверитель
личная подпись
расшифровка подписи
Настоящая методика поверки распространяется на приборы для измерений показателей качества электрической энергии «Ресурс-ПКЭ» (далее - прибор) и устанавливает методику их первичной и периодической поверок.
На первичную поверку следует предъявлять прибор, принятый отделом технического контроля организации-изготовителя или уполномоченным на то представителем организации, до ввода в эксплуатацию и после ремонта.
На периодическую поверку следует предъявлять прибор в процессе эксплуатации и хранения, который был подвергнут регламентным работам необходимого вида, и в эксплуатационных документах на который есть отметка о выполнении указанных работ.
Периодичность поверки в процессе эксплуатации и хранении устанавливается потребителем с учетом условий и интенсивности эксплуатации прибора, но не реже одного раза в два года.
Условные обозначения, применяемые в данном документе, приведены в приложении А.
1 Операции поверки-
1.1 При проведении поверки прибора должны быть выполнены операции, указанные в таблице 1.
Таблица 1
Наименование операции |
Номер пункта методики поверки |
Внешний осмотр |
7.1 |
Проверка электрического сопротивления изоляции |
7.2 |
Опробование |
7.3 |
Идентификация программного обеспечения |
7.4 |
Проверка метрологических характеристик |
7.5 |
-
1.2 Последовательность проведения операций поверки обязательна.
-
1.3 При получении отрицательного результата в процессе выполнения любой из операций поверки прибор бракуют и его поверку прекращают.
-
2.1 При проведении поверки рекомендуется применять средства поверки, приведённые в таблице 2.
Таблица 2
Номер пункта документа по поверке |
Наименование и тип средства поверки; основные метрологические и технические характеристики средства поверки |
6 |
Термогигрометр ИВА-6, диапазон измерений температуры от 10 до 40 °C, абсолютная погрешность ± 0,3 °C; диапазон измерений относительной влажности воздуха от 0 до 90 %, абсолютная погрешность ± 3 % |
6 |
Барометр-анероид метеорологический БАММ-1, диапазон измерений давления от 80 до 106 кПа, пределы допускаемой абсолютной погрешности ± 0,2 кПа |
6 |
Прибор для измерений показателей качества электрической энергии «Ресурс-ПКЭ», диапазон измерений напряжения от 176 до 264 В, пределы допускаемой относительной погрешности ± 0,2 % |
Продолжение таблицы 2
Номер пункта документа по поверке |
Наименование и тип средства поверки; основные метрологические и технические характеристики средства поверки |
6 |
Прибор для измерений показателей качества электрической энергии «Ресурс-ПКЭ», диапазон измерений частоты от 45 до 55 Гц, абсолютная погрешность ± 0,02 Гц; диапазон измерений коэффициента искажения синусоидальности кривой напряжения от 0 до 10 %, пределы допускаемой абсолютной погрешности ±0,1 % при /С < 1 %, пределы допускаемой относительной погрешности ± 10 % при /С > 1 % |
7.2 |
Установка для проверки электрической безопасности GPI 745 А, испытательное постоянное напряжение 500 В; диапазон измеряемых сопротивлений при напряжении 500 В от 1 до 9999 МОм; пределы допускаемой погрешности измерений сопротивления ± 0,05-R |
7.3, 7.5 |
Источник питания ИП-690/250, выходное напряжение постоянного тока 690 В; выходной ток 20 мА |
7.5 |
Калибратор переменного тока «Ресурс-К2М», диапазон напряжения от 0,0Г{7ном до 1,5-{7Н0М при UR0M равном 220 и 57,7 В, относительная погрешность ± (0,03 + 0,01 -(\ияом/и- 1 )) %; диапазон частоты от 42,5 до 69 Гц, абсолютная погрешность ± 0,003 Гц; диапазон коэффициента искажения синусоидальности кривой напряжения от 0,1 до 30%, абсолютная погрешность ± ((0,015 + 0,005-Ku)-Urom/U)', диапазон коэффициентов несимметрии от 0 до 30 %, абсолютная погрешность ± 0,05 %; диапазон коэффициента я-ой гармонической составляющей напряжения от 0,05 до 30 %, абсолютная погрешность ± ((0,01 ± 0,005-^(Я))-{7ном/{7) %; диапазон длительности провала напряжения и временного перенапряжения от 0,01 до 60 с, абсолютная погрешность ± 0,003 с; диапазон глубины провала напряжения от 10 до 100%, абсолютная погрешность ± 0,06 %; диапазон коэффициента временного перенапряжения от 1,0 до 2,0, абсолютная погрешность ± 0,0006; диапазон кратковременной и длительной доз фликера от 0,2 до 20, относительная погрешность ±1,5 %; диапазон коэффициента /я-ой интергармонической составляющей напряжения от 0,05 до 30 %, абсолютная погрешность ((0,01 ± 0,005-Kuig^m))-USOM/U) % При проведении поверки прибора модификаций «Ресурс-ПКЭ-Х.Х-ХХ» может применяться: Калибратор переменного тока «Ресурс-К2», диапазон напряжения от 0,0Г{7ном до 1,44-ияом при U„.,v равном 220 и 57,7 В, относительная погрешность ± (0,05 ± 0,01 -(\UR0M/U- 1 )) %; диапазон частоты от 45 до 65 Гц, абсолютная погрешность ± 0,005 Гц; диапазон коэффициента искажения синусоидальности кривой напряжения от 0,1 до 30 %, абсолютная погрешность ± (0,015 ± 0.0057ir ) %; диапазон коэффициентов несимметрии от 0 до 30 %, абсолютная погрешность ±0,1 %; диапазон коэффициента я-ой гармонической составляющей напряжения от 0,05 до 30 %, абсолютная погрешность ± (0,01 ± 0,005-Ки(П)) %; диапазон длительности провала напряжения и временного перенапряжения от 0,01 до 60 с, абсолютная погрешность ± 0,003 с; диапазон глубины провала напряжения от 10 до 100%, абсолютная погрешность ± 0,3 %; диапазон коэффициента временного перенапряжения от 1,1 до 1,4, абсолютная погрешность ±0,003; диапазон кратковременной и длительной доз фликера от 0,2 до 20, относительная погрешность ± 1,5 % |
Вывод: Прибор для измерений показателей качества электрической энергии «Ресурс-ПКЭ_____________» __________________________________________________
соответствует, не соответствует технической документации
Г.8.2 Проверка основных погрешностей измерений длительности провала напряжения, глубины провала напряжения, длительности временного перенапряжения и коэффициента временного перенапряжения
Максимальные погрешности измерений приведены в таблице Г.41’.
Таблица Г.4
Измеряемый параметр |
Погрешность |
Пределы погрешности |
% | ||
С | ||
■А^пер U | ||
ЛЛтер U, С |
Вывод: Прибор для измерений показателей качества электрической энергии «Ресурс-ПКЭ_____________»
соответствует, не соответствует технической документации
Г.8.3 Проверка погрешности измерений кратковременной дозы фликера
Максимальные погрешности измерений приведены в таблице Г.5Х\
Таблица Г.5
Измеряемый параметр |
Погрешность |
Пределы погрешности |
PS, |
Вывод: Прибор для измерений показателей качества электрической энергии «Ресурс-ПКЭ_____________» __________________________________________________
соответствует, не соответствует технической документации
Г.8.4 Проверка погрешности измерений коэффициента /и-ой интергармонической составляющей
Максимальные погрешности измерений приведены в таблице Г.бЧ
Таблица Г.6
Измеряемый параметр |
Погрешность |
Пределы погрешности |
_ |
Вывод: Прибор для измерений показателей качества электрической энергии
«Ресурс-ПКЭ_____________» __________________________________________________
соответствует, не соответствует технической документации
Таблицы Г.4 - Г.б приводят отдельно для каждого номинального значения измеряемого напряжения и для каждого канала трёхфазных измерительных входов (фидера).
Г.6.2 Проверка электрического сопротивления изоляции
Результат измерений: электрическое сопротивление изоляции: ___________ Ом
Вывод: Прибор для измерений показателей качества электрической энергии «Ресурс-ПКЭ_____________» __________________________________________________
соответствует, не соответствует технической документации
Г.6.3 Опробование
Вывод: Прибор для измерений показателей качества электрической энергии «Ресурс-ПКЭ_____________» __________________________________________________
соответствует, не соответствует технической документации
Г.7 Идентификация программного обеспечения
Результаты идентификации программного обеспечения приведены в таблице Г.2.
Таблица Г.2
Наименование программного обеспечения |
Номер версии (идентификационный номер программного обеспечения) |
Цифровой идентификатор программного обеспечения (контрольная сумма исполняемого кода) |
Алгоритм вычисления цифрового идентификатора программного обеспечения |
Вывод: Прибор для измерений показателей качества электрической энергии «Ресурс-ПКЭ_____________» __________________________________________________
соответствует, не соответствует технической документации
Г.8.1 Проверка основных погрешностей измерений среднеквадратического значения напряжения, отклонений напряжения, частоты, отклонения частоты, коэффициентов несим-метрии напряжений по обратной и нулевой последовательностям, коэффициента искажения синусоидальности кривой напряжения и коэффициента я-ой гармонической составляющей напряжения
Максимальные погрешности измерений приведены в таблице Г.ЗЧ
Таблица Г.З
Сиг нал |
Характеристика |
Измеряемый параметр | |||||||||
6t/v |
и |
6U(, |
у |
f |
&2U |
Кои |
Ки(п) |
Ки | |||
1 |
Погрешность | ||||||||||
Пределы погрешности | |||||||||||
2 |
Погрешность | ||||||||||
Пределы погрешности | |||||||||||
3 |
Погрешность | ||||||||||
Пределы погрешности | |||||||||||
4 |
Погрешность | ||||||||||
Пределы погрешности | |||||||||||
5 |
Погрешность | ||||||||||
Пределы погрешности | |||||||||||
б |
Погрешность | ||||||||||
Пределы погрешности | |||||||||||
7 |
Погрешность | ||||||||||
Пределы погрешности |
Таблицу Г.З приводят отдельно для каждого номинального значения измеряемого напряжения и для каждого канала трёхфазных измерительных входов (фидера).
Продолжение таблицы 2
Номер пункта документа по поверке |
Наименование и тип средства поверки; основные метрологические и технические характеристики средства поверки |
7.5 |
Частотомер электронно-счётный 43-54, диапазон измерений интервалов времени от 10 мкс до 105 с, относительная погрешность по частоте кварцевого генератора ± 5-10'7 |
7.5 |
Радиочасы РЧ-011, формирование последовательности секундных и минутных импульсов, синхронизированных метками шкалы времени UTC (SU); погрешность не более ± 10 мс |
7.4, 7.5 |
Компьютер IBM PC совместимый с интерфейсом RS-232, объём оперативного запоминающего устройства 64 Mb; объем накопителя HDD не менее 15 Гбайт; видеоплата с минимальным разрешением 800x600 (рекомендуется 1024x768); процессор класса Pentium и выше; дисковод CD-ROM; операционная система Windows 95/98/2000/XP/NT |
-
2.2 Допускается применение других средств поверки, обеспечивающих определение характеристик прибора с требуемой точностью.
-
2.3 Применяемые средства поверки должны быть исправны.
-
2.4 Средства измерений должны иметь действующие свидетельства о поверке. Испытательное оборудование должно быть аттестовано.
К проведению поверки допускают лиц, аттестованных в соответствии с ПР 50.2.012-94 качестве поверителей средств измерений электрических величин, имеющих удостоверение, подтверждающее право работы на установках с напряжением до 1000 В, с группой по электробезопасности не ниже III и изучивших настоящую методику поверки.
4 Требования безопасности-
4.1 При проведении поверки должны быть соблюдены требования безопасности, установленные ГОСТ 12.3.019-80, «Правилами техники безопасности, при эксплуатации электроустановок потребителей», «Межотраслевыми правилами по охране труда (правилами безопасности) при эксплуатации электроустановок». Соблюдают также требования безопасности, изложенные в эксплуатационных документах на прибор и применяемые средства поверки.
-
4.2 Средства поверки, которые подлежат заземлению, должны быть надежно заземлены. Подсоединение зажимов защитного заземления к контуру заземления должно производиться ранее других соединений, а отсоединение - после всех отсоединений.
При проведении поверки прибора должны соблюдаться следующие условия:
-
- температура окружающего воздуха (20 ± 10) °C;
-
- относительная влажность воздуха от 30 до 80 %;
-
- атмосферное давление от 84 до 106 кПа (от 630 до 795 мм рт.ст.);
-
- частота питающей сети (50 ± 0,5) Гц;
-
- напряжение питающей сети переменного тока (220 ± 4,4) В;
-
- коэффициент искажения синусоидальности кривой напряжения питающей сети не более 5 %.
Перед проведением поверки выполняют следующие подготовительные работы:
-
- выдерживают прибор в условиях окружающей среды, указанных в разделе 5 настоящей методики поверки, не менее 2 ч, если он находился в климатических условиях, отличающихся от указанных в разделе 5.
-
- соединяют зажимы защитного заземления используемых средств поверки с контуром защитного заземления лаборатории.
-
- подготавливают к работе средства поверки в соответствии с эксплуатационной документацией на средства поверки;
-
- измеряют и заносят в протокол поверки результаты измерений температуры и влажности окружающего воздуха, атмосферного давления, а также частоты питающей сети, напряжения питающей сети и коэффициента искажения синусоидальности напряжения питающей сети.
-
7 Проведение поверки
-
7.1.1 При внешнем осмотре прибора должно быть установлено отсутствие механических повреждений, которые могут повлиять на его работу (повреждение корпуса, разъёмов, клемм), наличие чёткой маркировки. Заводской номер, указанный на приборе, должен совпадать с номером, записанным в паспорте прибора.
-
7.1.2 Результаты внешнего осмотра заносят в протокол поверки.
-
7.2.1 Проверку сопротивления изоляции проводят с помощью установки для проверки электрической безопасности GPI 745 А при испытательном постоянном напряжении 500 В.
-
7.2.2 Для прибора модификаций с электропитанием от измерительных цепей «Ресурс-ПКЭ-Х.Х-Хи-Х» проверку проводят, измеряя сопротивление изоляции между следующими цепями:
-
- корпусом (кожух, обёрнутый в металлическую фольгу) с одной стороны и соединёнными между собой измерительными входами напряжения, входами разъёма «Поверка», линиями интерфейсов RS-485 и RS-232, входами и выходами управления с другой стороны;
-
- соединёнными между собой линиями интерфейсов RS-485 и RS-232, входами и выходами управления с одной стороны и соединёнными между собой измерительными входами напряжения и входами разъёма «Поверка» с другой стороны.
-
7.2.3 Для прибора модификаций с отдельным входом электропитания «Ресурс-ПКЭ-Х.Х-Хэ-Х» проверку проводят, измеряя сопротивление изоляции между следующими цепями:
-
- корпусом (кожух, обёрнутый в металлическую фольгу) с одной стороны и соединёнными между собой измерительными входами напряжения, входами разъёма «Питание», линиями интерфейсов RS-485 и RS-232, входами и выходами управления с другой стороны;
-
- соединёнными между собой линиями интерфейсов RS-485 и RS-232, входами и выходами управления с одной стороны и соединёнными между собой измерительными входами напряжения с другой стороны;
-
- соединёнными между собой линиями интерфейсов RS-485 и RS-232, входами и выходами управления с одной стороны и входами разъёма «Питание» с другой стороны;
-
- соединёнными между измерительными входами напряжения с одной стороны и входами разъёма «Питание» с другой стороны.
-
7.2.4 Отсчёт результата измерений проводят не ранее, чем через 30 с после подачи испытательного напряжения.
Приложение Г (рекомендуемое) Протокол поверки
ПРОТОКОЛ ПОВЕРКИ
№_________________от «____»_________________20___г.
Г.1 Прибор для измерений показателей качества электрической энергии «Ресурс-ПКЭ_____________________»
заводской номер______________________________________________________________
принадлежащий _______________________________________________________
наименование юридического (физического) лица
адрес юридического (физического) лица
Г.2 Поверен в соответствии с______«Приборы для измерений показателей качества
наименование и номер документа на методику поверки
Электрической энергии «Ресурс-ПКЭ». Методика поверки. БГТК.411722.012 МП»
Г.З Вид поверки__________________________________________________________
первичная, периодическая
Г.4 Средства поверки
Средства поверки, применяемые при проведении операций поверки, приведены в таблице Г.1.
Таблица Г.1
Тип |
Заводской номер |
Номер свидетельства о поверки (аттестата) |
Срок действия свидетельства о поверки (аттестата) |
Г.5 Условия поверки
Температура окружающего воздуха, °C__________________________________________
Относительная влажность воздуха, % __________________________________________
Атмосферное давление, кПа _______________________________________
Частота питающей сети, Гц __________________________________________
Напряжение питающей сети, В _______________________________________
Коэффициент несинусоидальности
напряжения питающей сети, % _______________________________________
Г.6 Результаты поверки
Г.6.1 Внешний осмотр
Вывод: Прибор для измерений показателей качества электрической энергии «Ресурс-ПКЭ_____________» ___________________________________________________
соответствует, не соответствует технической документации
Продолжение таблицы В. 2
1 |
2 |
3 |
4 |
5 |
9 Коэффициент искажения синусои- |
От 0,5 до |
±0,10-{/ном/Ц1)(А) |
Ku < ?Zhom/^(1) |
A, S |
дальности кривой напряжения Ки, % |
30 |
± 10,0(3) |
Ки ^ном^!) | |
10 Коэффициент л-ой гармонической состав- |
От 0,1 до |
± 0,05-{7HOM/{7(i) (А) |
Ки(п) < ^ном/^(1) |
A, S |
ляющей напряжения Ки(п\, % |
20 |
± 5,0 (8) |
Ки(п) — Гном/Г(1) | |
11 Коэффициент m-ой интергармони- |
От 0,1 до |
± 0,05-{7HOM/{7(i) (А) |
Kuig(m) <' ^ном/^(1) |
A, S |
ческой составляющей напряжения Киытъ % |
15 |
± 5,0 (8) |
Kuig(m) — ^Zhom/^(1) | |
12 Длительность провала и прерывания напряжения Д/„, с |
От 0,01 до 60 |
±Г(А) |
Г=1// |
A, S |
13 Глубина провала |
От 10 до |
± 0,2 (А) |
А | |
напряжения 8{7„, % |
100 |
±1(Д) |
S | |
14 Длительность временного перенапряжения WneiT'. С |
От 0,01 до 60 |
±Г(Д) |
Г=1// |
A, S |
15 Коэффициент вре- |
От 1,1 до |
± 0,002 (А) |
А | |
ivicHHUi и нсрснанряжс- ния Клери, отн.ед. |
1,5 |
± 0,01 (А) |
S | |
16 Кратковременная доза фликера Pst, отн.ед. |
От 0,2 до 10 |
±5(8) |
А | |
От 0,3 до 10 |
S | |||
17 Длительная доза |
От 0,2 до 10 |
±5(8) |
А | |
фликера Рц, отн.ед. |
От 0,3 до 10 |
S | ||
18 Время3’, с |
- |
±0,02 |
Синхронизации с помощью GPS-приёмника |
А |
19 Интервал времени (ход часов), с/сут |
± 1 |
Без синхронизации с помощью GPS-приёмника |
А | |
±2 |
- |
S | ||
Примечание - |
t7(i) - среднеквадратическое значение напряжения основной частоты. | |||
Среднеквадратическое значение напряжения переменного тока, напряжения основной частоты, напряжения прямой последовательности. ^Установившееся отклонение напряжения основной частоты и напряжения прямой последовательности. ±' Погрешность измерения текущего времени прибора определяется по отношению к времени «Национальной шкалы координированного времени Российской Федерации UTC (SU)». |
-
7.2.5 Прибор считают выдержавшим проверку, если измеренное значение сопротивления изоляции не менее 20 МОм.
-
7.2.6 Результаты проверки электрического сопротивления изоляции заносят в протокол поверки.
-
7.3.1 Опробование проводят следующим образом:
-
1) подготавливают прибор к работе согласно руководству по эксплуатации;
-
2) подключают прибор к компьютеру по одному из интерфейсов RS-232 или RS-485;
-
3) подключают прибор и средства поверки к сети электропитания, включают их и выдерживают в течение времени установления рабочего режима, указанного в эксплуатационной документации. Питание прибора модификаций с электропитанием от измерительных цепей «Ресурс-ПКЭ-Х.Х-Хи-Х» должно осуществляться через разъём «Поверка» от источника питания ИП-690/250;
-
4) проверяют на индикаторе прибора результаты автоматического тестирования функциональных узлов, убеждаются в успешном завершении тестирования;
-
5) запускают на компьютере программу «Конфигуратор ПКЭ» для прибора модификаций «Ресурс-ПКЭ-Х.Х-ХХ» или программу «Конфигуратор ПКЭ-4-30» для прибора модификаций «Ресурс-ПКЭ-Х.7-ХХ-Х» (далее - программа);
-
6) настраивают режим работы программы: в окне программы «Настройки соединения» вводят номер прибора, выбирают номер порта, к которому подключен прибор, и скорость обмена;
-
7) выполняют проверку связи прибора с компьютером: нажимают кнопку «Проверка связи» в окне программы «Настройки соединения». Если связь установлена, программа запросит ввода пароля;
-
8) если прибор находится в режиме работы «Пуск», то переводят его в режим «Стоп» и устанавливают с клавиатуры прибора текущие значения времени и даты;
-
9) проверяют изменение показаний часов прибора;
-
10) отключают питание прибора на время, равное 30 мин;
-
11) по истечении 30 мин ± 2 мин включают прибор и убеждаются в том, что показания часов прибора соответствуют текущим времени и дате.
-
7.3.2 Результаты опробования считают положительными, если:
-
- после подачи напряжения электропитания автоматическое тестирование функциональных узлов прибора завершено успешно, и на индикаторе прибора выводятся сообщения в соответствии с руководством по эксплуатации;
-
- установлена связь прибора с компьютером после выполнения операции, приведённой в перечислении 7);
-
- на индикаторе прибора отображаются установленные время и дата после выполнения операции, приведённой в перечислении 8);
-
- прибор обеспечивает непрерывный отсчёт времени;
-
- время и дата на индикаторе прибора соответствуют текущим времени и дате после выполнения операции, приведённой в перечислении 11);
-
7.3.3 Результаты опробования заносят в протокол поверки.
7.4.1 Определение номера версии встроенного ПО производится при включении прибора. При подаче напряжения электропитания на индикатор прибора выводится сообщение с наименованием прибора и версией программного обеспечения.
Результат проверки считается положительным, если версия встроенного ПО, отображаемая на индикаторе прибора, совпадает с указанной в паспорте на прибор.
-
7.4.2 Определение контрольной суммы встроенного ПО производится следующим образом:
-
1) включают прибор;
-
2) нажимают кнопку управления «ВЫБОР», чтобы активировать пиктограмму
-
3) нажимая кнопку управления «ПРОСМОТР» перемещаются в пункт меню «Дата и время»;
-
4) нажимают кнопку управления «ВЫБОР», чтобы активировать пиктограмму 'Ш';
-
5) нажимая кнопку управления «ПРОСМОТР» перемещаются в пункт меню «ЭЦП», при этом на индикаторе прибора выводится контрольная сумма встроенного ПО прибора.
Результат проверки считается положительным, если контрольная сумма встроенного ПО, отображаемая на индикаторе прибора, совпадает с указанной в паспорте на прибор.
-
7.4.3 Идентификация внешнего программного обеспечения, используя алгоритм вычисления цифрового идентификатора md5, производится в следующей последовательности:
-
1) проверяют наименование ПО, идентификационное наименование и версию программного обеспечения;
-
2) запускают программу md5_filechecker;
-
3) с помощью команды «Обзор» выбирают по наименованию имя проверяемого файла;
-
4) с помощью команды «Рассчитать» получить контрольную сумму проверяемого файла;
-
5) затем с помощью команды «Проверить» ввести контрольную сумму исполняемого кода, указанную в паспорте на прибор.
Результат проверки считается положительным, если наименование ПО, идентификационное наименование и версия ПО, а так же введенная контрольная сумма и «рассчитанная» контрольная сумма ПО совпадают с указанными в паспорте на прибор.
-
7.4.4 Результаты идентификации ПО заносят в протокол поверки.
7.5.1 Проверку основных погрешностей измерений среднеквадратического значения напряжения, отклонений напряжения, частоты, отклонения частоты, коэффициентов несим-метрии напряжений по обратной и нулевой последовательностям, коэффициента искажения синусоидальности кривой напряжения и коэффициента /г-ой гармонической составляющей напряжения проводят следующим образом:
-
1) собирают схему испытаний, приведённую на рисунке Б.1 приложения Б для прибора модификаций «Ресурс-ПКЭ-1.Х-Хи-Х»; схему испытаний, приведённую на рисунке Б.2 приложения Б для прибора модификаций «Ресурс-ПКЭ-2.Х-Хи-Х» или схему испытаний, приведённую на рисунке Б.З приложения Б для прибора модификаций «Ресурс-ПКЭ-Х.Х-Хэ-Х»;
-
2) включают прибор и задают в приборе номинальное значение измеряемого напряжения 220 В, переводят прибор в режим работы «Пуск»;
-
3) выдерживают прибор и средства поверки во включенном состоянии в течение времени установления рабочего режима, указанного в их эксплуатационной документации.
-
4) подают на измерительные входы прибора с выходов калибратора испытательный сигнал 1 с характеристиками, приведёнными в таблице 3 для прибора модификаций «Ресурс-ПКЭ-Х.Х-ХХ», таблице 4 для прибора модификаций «Ресурс-ПКЭ-Х.7-ХХ-А», таблице 5 для прибора модификаций «Ресурс-ПКЭ-Х.7-ХХ-Б», номинальное значение выходного напряжения калибратора устанавливают равным 220 В;
Продолжение таблицы В. 1
1 |
2 |
3 |
4 |
13 Кратковременная доза фликера Pst, отн.ед. |
От 0,3 до 20 |
±5(8) |
- |
14 Длительная доза фликера Ри, отн.ед. |
От 0,3 до 20 |
±5(8) |
- |
15 Интервал времени (ход часов), с/сут |
— |
±2 |
— |
Среднеквадратическое значение напряжения переменного тока, напряжения основной частоты, напряжения прямой последовательности. ^Установившееся отклонение напряжения основной частоты и напряжения прямой последовательности. |
Таблица В.2
Измеряемый параметр |
Диапазон измерений |
Пределы допускаемой основной погрешности (абсолютной А; относительной 8, %; приведённой у, %) |
Примечание |
Класс характеристик процесса измерений по ГОСТ Р 51317.4.30 |
1 |
2 |
3 |
4 |
5 |
1 Среднеквадратиче-ское значение напря-жения1' U, В |
ОТ 0,1-Гном до 1,5*ГН0М |
±0,1 (у) |
Пределы допускаемой погреш-ности у относительно Гном |
А |
От 0,2-ГНОМ до 1,2-ГНОм |
± 0,2 (у) |
S | ||
2 Отрицательное отклонение напряжения 5?7(.), % |
От 0 до 90 |
±0,1 (А) |
- |
А |
От 0 до 80 |
± 0,2 (А) |
S | ||
3 Положительное отклонение напряжения 6Г(+), % |
От 0 до 50 |
±0,1 (А) |
- |
А |
От 0 до 20 |
± 0,2 (А) |
S | ||
4 Установившееся от- 2) клонение напряжения ж, % |
От - 20 до 20 |
± 0,2 (А) |
- |
A, S |
5 Частота/, Гц |
От 42,5 до 57,5 |
± 0,01 (А) |
- |
А |
± 0,02 (А) |
S | |||
6 Отклонение частоты Л/, Г ц |
От-7,5 до 7,5 |
± 0,01 (А) |
- |
А |
± 0,02 (А) |
S | |||
7 Коэффициент несим-метрии напряжений по обратной последовательности Кги, % |
От 0 до 20 |
±0,15 (А) |
- |
А |
± 0,2 (А) |
S | |||
8 Коэффициент не-симметрии напряжений по нулевой последовательности Кои, % |
От 0 до 20 |
±0,15 (А) |
- |
А |
± 0,2 (А) |
S |
Приложение В
(обязательное) Метрологические характеристики приборов для измерений показателей качества электрической энергии
«Ресурс-ПК Э»
Номинальное значение измеряемого фазного/междуфазного напряжения {7Н0М: -(100/73)/100 В;
- 220/(220--Тз) В.
Диапазоны измерений и пределы допускаемых основных погрешностей для всех модификаций прибора кроме «Ресурс-ПКЭ-Х.7-ХХ-Х» приведены в таблице В.1.
Диапазоны измерений и пределы допускаемых основных погрешностей для модификаций прибора «Ресурс-ПКЭ-Х.7-ХХ-Х» приведены в таблице В.2.
Измеряемые параметры, приведённые в таблицах В. 1 и В .2, относятся к фазным и ме-ждуфазным напряжениям.
Таблица В.1
Измеряемый параметр |
Диапазон измерений |
Пределы допускаемой основной погрешности (абсолютной А; относительной 8, %) |
Примечание |
1 |
2 |
3 |
4 |
1 Среднеквадратическое значение напряжения1’ U В |
От 0,8-?7НОМ до 1,2-?7ноМ |
± 0,2 (8) |
- |
2 Установившееся отклонение напряжения2’ 8t7v, % |
От - 20 до 20 |
± 0,2 (А) |
- |
3 Частота f Гц |
От 45 до 55 |
± 0,02 (А) |
- |
4 Отклонение частоты Л/, Гц |
От - 1 до 1 |
± 0,02 (А) |
- |
5 Коэффициент несимметрии напряжений по обратной последовательности Кги, % |
От 0 до 10 |
± 0,2 (А) |
- |
6 Коэффициент несимметрии напряжений по нулевой последовательности Кои, % |
От 0 до 10 |
± 0,2 (А) |
- |
7 Коэффициент искажения синусоидальности кривой напряжения Ки, % |
От 0 до 30 |
±0,10 (А) |
Ки < 1,0 |
± 10,0 (8) |
Kv> 1,0 | ||
8 Коэффициент я-ой гармонической составляющей напряжения Ки(п), % |
От 0 до 15 |
± 0,05 (А) |
Kv(fi) <1,0 |
± 5,0 (8) |
Kv(fi) >1,0 | ||
9 Длительность провала напряжения Л/„, с |
От 0,01 до 60 |
± 0,01 (А) |
- |
10 Глубина провала напряжения 817„, % |
От 10 до 100 |
±1(А) |
- |
11 Длительность временного перенапряжения Л/„еВщ с |
От 0,01 до 60 |
± 0,01 (А) |
- |
12 Коэффициент временного перенапряжения Knevu, отн.ед. |
От 1,1 до 1,5 |
± 0,01 (А) |
- |
Примечание - Из приведённых в испытательном сигнале значений показателей качества электрической энергии на калибраторе задаются отклонения напряжения, отклонение частоты, углы фазового сдвига, коэффициенты л-ых гармонических составляющих напряжений.
Напряжение прямой последовательности, коэффициенты несимметрии по нулевой и обратной последовательности, коэффициенты искажения синусоидальности фазных и междуфазных напряжений на калибраторе задаются автоматически и приведены в качестве нормированных значений для расчёта погрешностей.
-
5) производят не менее пяти измерений всех характеристик по каждому фидеру. За погрешность прибора принимают максимальное по модулю значение погрешности.
-
6) рассчитывают погрешности измерений прибора, в зависимости от способа нормирования погрешности, по формулам (1), (2), (3):
-
- абсолютную погрешность ДХ, в единицах измеряемой величины:
где X - показание прибора;
Хо - показание калибратора;
-
- относительную погрешность дХ, %:
Хо
-
- приведённую погрешность уХ, %:
2^ном
где Л'| ю\| - номинальное значение измеряемой характеристики;
-
7) результаты определения погрешностей заносят в протокол поверки;
-
8) выполняют действия, приведённые в перечислениях 4) - 6), для всех испытательных сигналов, приведённых в таблице 3 (таблице 4, таблице 5).
-
9) задают в приборе номинальное значение измеряемого напряжения 57,74 В, переводят прибор в режим работы «Пуск»;
-
10) выполняют действия, приведённые в перечислениях 4) - 8), при испытательных сигналах с номинальным значением напряжения равным 100/-Уз В.
Результаты проверки погрешностей измерений считают положительными, если полученные погрешности находятся в пределах, приведённых в приложении В.
Таблица 3
Характери-стика |
Испытательный сигнал | ||||
1 |
2 |
3 |
4 |
5 | |
8Ц<, % |
0 |
-10,00 |
-20,00 |
20,00 |
10,00 |
8ГВ, % |
0 |
-10,00 |
-20,00 |
20,00 |
10,00 |
8UC, % |
0 |
-10,00 |
-20,00 |
20,00 |
10,00 |
6UAB, % |
0 |
-14,871 |
-20,00 |
20,00 |
10,000 |
Продолжение таблицы 3
Характери-стика |
Испытательный сигнал | ||||
1 |
2 |
3 |
4 |
5 | |
ъивс, % |
0 |
-10,000 |
-20,00 |
20,00 |
-0,651 |
диСЛ, % |
0 |
-5,814 |
-20,00 |
20,00 |
18,211 |
А/, Гц |
0 |
-0,4 |
1 |
-1 |
0,4 |
Ui, В |
381,051'’ 100,0002) |
341,7861’ 89,6962’ |
304,841'’ 80,0002’ |
457,261'’ 120,0002’ |
415,028'’ 108,9 1 72’ |
Филв |
120° |
110° |
120° |
120° |
120° |
Фи вс |
120° |
120° |
120° |
120° |
102,92° |
фи С А |
120° |
130° |
120° |
120° |
137,08° |
к2и, % |
0 |
5,83 |
0 |
0 |
10,00 |
кои, % |
0 |
5,83 |
0 |
0 |
10,00 |
Ки(п)А, % |
Тип 1 по таблице 6 |
Тип 2 по таблице 6 |
Тип 3 по таблице 6 |
Тип 4 по таблице 6 |
Тип 5 по таблице 6 |
Ки(п)В, % |
Тип 1 по таблице 6 |
Тип 2 по таблице 6 |
Тип 3 по таблице 6 |
Тип 4 по таблице 6 |
Тип 5 по таблице 6 |
K-U{n) с, % |
Тип 1 по таблице 6 |
Тип 2 по таблице 6 |
Тип 3 по таблице 6 |
Тип 4 по таблице 6 |
Тип 5 по таблице 6 |
КиЛ, % |
0 |
30,000 |
24,980 |
11,515 |
17,265 |
Кив, % |
0 |
30,000 |
24,980 |
11,515 |
17,265 |
Кис, % |
0 |
30,000 |
24,980 |
11,515 |
17,265 |
К[7АВ, % |
0 |
21,912 |
20,396 |
10,230 |
15,336 |
Кивс, % |
0 |
25,495 |
20,396 |
10,230 |
15,039 |
КиСА, % |
0 |
23,801 |
20,396 |
10,230 |
10,963 |
Примечание - Значения коэффициентов я-ых гармонических составляющих между-фазных напряжений приведены в таблице 7. | |||||
При JTjiom ) При J/H0M |
= 220 В. = 100/-Л В. |
Таблица 4
Характери-стика |
Испытательный сигнал | ||||||
1 |
2 |
3 |
4 |
5 |
6 |
7 | |
8ГЛ, % |
0 |
-10,00 |
- 20,00 |
- 90,00 |
50,00 |
20,00 |
5 |
SUg, % |
0 |
-10,00 |
- 20,00 |
- 90,00 |
50,00 |
20,00 |
5 |
8UC, % |
0 |
-10,00 |
- 20,00 |
- 90,00 |
50,00 |
20,00 |
5 |
8Uab, % |
0 |
-14,871 |
- 20,00 |
- 90,00 |
50,00 |
20,00 |
5,000 |
dUBC, % |
0 |
-10,000 |
- 20,00 |
- 90,00 |
50,00 |
20,00 |
-16,968 |
St/d, % |
0 |
-5,814 |
- 20,00 |
- 90,00 |
50,00 |
20,00 |
18,029 |
А/,Гц |
0 |
-7,5 |
1 |
0,2 |
-0,2 |
-1 |
7,5 |
/Гц |
50 |
42,5 |
51 |
50,2 |
49,8 |
49 |
57,5 |
UA,B |
220,000'’ 57,7352’ |
206,718'’ 54,2492’ |
182,769'’ 47,9642’ |
22,000'’ 5,7742’ |
330,000'’ 86,6032’ |
264,004'’ 69,2832’ |
234,512'’ 61,5432’ |
Ub, В |
220,000'’ 57,7352’ |
206,718'’ 54,2492’ |
182,769'’ 47,9642’ |
22,000'’ 5,7742’ |
330,000'’ 86,6032’ |
264,004'’ 69,2832’ |
234,512'’ 61,5432’ |
Б.6 Схема подключений при определении погрешности измерений времени прибора модификаций «Ресурс-ПКЭ-Х.7-ХХ-А» приведена на рисунке Б.6.
Частотомер 43-54
ВХОД Г
ВХОД в

Цепь |
Конт. |
Выход 1+ |
7 |
Выход 1- |
8 |
- 12 V |
1 |
-12 V |
2 |
Радиочасы
РЧ-011
Приёмник GPS
Выход синхронизации
R1 - резистор С2-33-0.5-10 кОм ± 5 %;
R2 - резистор С2-33-0.5-1 кОм ± 5 %
Рисунок Б.6
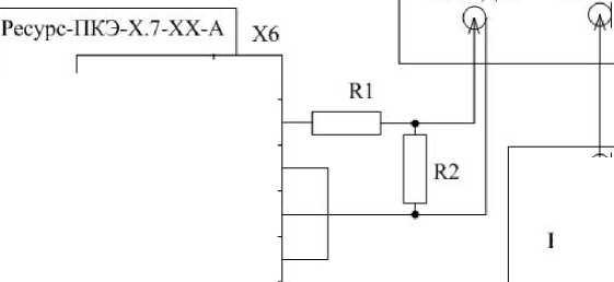
Б.5 Схема подключений при определении погрешности измерений интервала времени (хода часов) прибора модификаций «Ресурс-ПКЭ-Х.Х-Хэ-Х» приведена на рисунке Б.5.
Ресурс-ПКЭ-Х.Х-Хэ-Х хб
Цепь |
Конт. |
Выход 1 + |
7 |
Выход 1- |
8 |
+ 12 V |
1 |
-12 V |
2 |
Цепь |
Конт. |
11игание |
1 |
2 |
Частотомер 43-54
ВХОД Г
ВХОД В

220 В,
50 Гц
Радиочасы
РЧ-О11
R1 - резистор С2-33-0.5-10 кОм ± 5 %;
R2 - резистор С2-33-0.5-1 кОм ± 5 %
Рисунок Б.5
Продолжение таблицы 4
Характеры-стика |
Испытательный сигнал | ||||||
1 |
2 |
3 |
4 |
5 |
6 |
7 | |
ис,ъ |
220,000х’ |
206,718х’ |
182,769х’ |
22,000х’ |
330,000х’ |
264,004х’ |
234,512х’ |
57,7352’ |
54,2492’ |
47,9642’ |
5,7742’ |
86,6032’ |
69,2832’ |
61,5432’ | |
иЛВ,Ъ |
381,051х’ |
328,133х’ |
312,785х’ |
38,105х’ |
571,577х’ |
457,266х’ |
404,940х’ |
100,0002’ |
86,1122’ |
82,0852’ |
10,0002’ |
150,0002’ |
120,0012’ |
106,2692’ | |
ивс,ъ |
381,051х’ |
350,997х’ |
312,785х’ |
38,105х’ |
571,577х’ |
457,266х’ |
321,742х’ |
100,0002’ |
92,1132’ |
82,0852 |
10,0002’ |
150,0002’ |
120,0012’ |
84,4352’ | |
VcA,^ |
381,051х’ |
367,776х’ |
312,785х’ |
38,105х’ |
571,577х’ |
457,266х’ |
452,415х’ |
100,0002’ |
96,5162’ |
82,0852 |
10,0002’ |
150,0002’ |
120,0012’ |
118,7282’ | |
Щаа, % |
0 |
6,037 |
16,924 |
90 |
0 |
0 |
0 |
Щ-)В, % |
0 |
6,037 |
16,924 |
90 |
0 |
0 |
0 |
srwc,% |
0 |
6,037 |
16,924 |
90 |
0 |
0 |
0 |
Щаав, % |
0 |
13,888 |
17,915 |
90 |
0 |
0 |
0 |
dU^sc, % |
0 |
7,887 |
17,915 |
90 |
0 |
0 |
15,565 |
8ГМСл,% |
0 |
3,484 |
17,915 |
90 |
0 |
0 |
0 |
Щ+оа, % |
0 |
0 |
0 |
0 |
50 |
20,002 |
6,596 |
Щ+",в, % |
0 |
0 |
0 |
0 |
50 |
20,002 |
6,596 |
dU(+tc,% |
0 |
0 |
0 |
0 |
50 |
20,002 |
6,596 |
димлв, % |
0 |
0 |
0 |
0 |
50 |
20,001 |
6,269 |
dUMBC, % |
0 |
0 |
0 |
0 |
50 |
20,001 |
0 |
&UMCA,% |
0 |
0 |
0 |
0 |
50 |
20,001 |
18,728 |
иь В |
381,051х’ |
341,786х’ |
304,841х’ |
38,105х’ |
571,577х’ |
457,261х’ |
385,002х’ |
100,0002’ |
89,6962’ |
80,0002’ |
10,0002’ |
150,0002’ |
120,0002’ |
101,0372’ | |
Фолв |
120° |
110° |
120° |
120° |
120° |
120° |
120° |
<Ровс |
120° |
120° |
120° |
120° |
120° |
120° |
86,445° |
фисл |
120° |
130° |
120° |
120° |
120° |
120° |
153,555° |
К2и, % |
0 |
5,83 |
0 |
0 |
0 |
0 |
20,00 |
Коо, % |
0 |
5,83 |
0 |
0 |
0 |
0 |
20,00 |
Ко(п)А, % |
Тип 1 по |
Тип 2 по |
Тип 3 по |
Тип 1 по |
Тип 1 по |
Тип 4 по |
Тип 5 по |
таблице 8 |
таблице 8 |
таблице 8 |
таблице 8 |
таблице 8 |
таблице 8 |
таблице 8 | |
Коцц в, % |
Тип 1 по |
Тип 2 по |
Тип 3 по |
Тип 1 по |
Тип 1 по |
Тип 4 по |
Тип 5 по |
таблице 8 |
таблице 8 |
таблице 8 |
таблице 8 |
таблице 8 |
таблице 8 |
таблице 8 | |
Ки{П) с, °/° |
Тип 1 по |
Тип 2 по |
Тип 3 по |
Тип 1 по |
Тип 1 по |
Тип 4 по |
Тип 5 по |
таблице 8 |
таблице 8 |
таблице 8 |
таблице 8 |
таблице 8 |
таблице 8 |
таблице 8 | |
Ко А, % |
0 |
30,000 |
24,980 |
0 |
0 |
0,500 |
17,265 |
Кив, % |
0 |
30,000 |
24,980 |
0 |
0 |
0,500 |
17,265 |
Кос, % |
0 |
30,000 |
24,980 |
0 |
0 |
0,500 |
17,265 |
Ко АВ, % |
0 |
15,246 |
20,396 |
0 |
0 |
0,400 |
15,336 |
Киве, % |
0 |
21,795 |
20,396 |
0 |
0 |
0,400 |
18,231 |
Коса, % |
0 |
22,380 |
20,396 |
0 |
0 |
0,400 |
10,687 |
Примечание - Значения коэффициентов я-ых гармонических составляющих между- | |||||||
фазных напряжений приведены в таблице 9. | |||||||
х) При {7Н0М = 220 В. | |||||||
2) При Гном= 100/л/з В. |
Таблица 5
Характери-стика |
Испытательный сигнал | |||||
1 |
2 |
3 |
4 |
5 |
6 | |
67Т. % |
0 |
-10,00 |
- 20,00 |
- 80,00 |
20,00 |
5 |
8UB, % |
0 |
-10,00 |
- 20,00 |
- 80,00 |
20,00 |
5 |
8UC, % |
0 |
-10,00 |
- 20,00 |
- 80,00 |
20,00 |
5 |
8Глл, % |
0 |
-14,871 |
- 20,00 |
- 80,00 |
20,00 |
5,000 |
ъивс, % |
0 |
-10,000 |
- 20,00 |
- 80,00 |
20,00 |
-16,968 |
SUca, % |
0 |
-5,814 |
- 20,00 |
- 80,00 |
20,00 |
18,029 |
А/, Гц |
0 |
-7,5 |
1 |
0,2 |
-1 |
7,5 |
/Гц |
50 |
42,5 |
51 |
50,2 |
49 |
57,5 |
Гл, В |
220,000х’ |
206,718'’ |
182,769х’ |
44,000х’ |
264,004х’ |
234,512х’ |
57,7352’ |
54,2492’ |
47,9642’ |
11,5472’ |
69,2832’ |
61,5432’ | |
ив, В |
220,000х’ |
206,718х’ |
182,769х’ |
44,000х’ |
264,004х’ |
234,512х’ |
57,7352’ |
54,2492’ |
47,9642’ |
11,5472’ |
69,2832’ |
61,5432’ | |
Гс, В |
220,000х’ |
206,718х’ |
182,769х’ |
44,000х’ |
264,004х’ |
234,512х’ |
57,7352’ |
54,2492’ |
47,9642’ |
11,5472’ |
69,2832’ |
61,5432’ | |
иАВ,в |
381,051й |
328,1331’ |
312,785х’ |
76,210х’ |
457,266х’ |
404,940х’ |
100,0002) |
86,1122’ |
82,0852’ |
20,0002’ |
120,0012’ |
106,2692’ | |
ивс, в |
381,051й |
350,997х’ |
312,785х’ |
76,210х’ |
457,266х’ |
321,742х’ |
100,0002’ |
92,1132’ |
82,0852 |
20,0002’ |
120,0012’ |
84,43 52’ | |
Гел, В |
381,051х’ |
367,776х’ |
312,785х’ |
76,210х’ |
457,266х’ |
452,415х’ |
100,0002’ |
96,5162’ |
82,0852 |
20,0002’ |
120,0012’ |
118,7282’ | |
8ГМл, % |
0 |
6,037 |
16,924 |
80 |
0 |
0 |
srHB, % |
0 |
6,037 |
16,924 |
80 |
0 |
0 |
srwc,% |
0 |
6,037 |
16,924 |
80 |
0 |
0 |
Stw, % |
0 |
13,888 |
17,915 |
80 |
0 |
0 |
srHBC, % |
0 |
7,887 |
17,915 |
80 |
0 |
15,565 |
8ГМСл,% |
0 |
3,484 |
17,915 |
80 |
0 |
0 |
8ГМл, % |
0 |
0 |
0 |
0 |
20,002 |
6,596 |
sr(+)B, % |
0 |
0 |
0 |
0 |
20,002 |
6,596 |
8Гтс, % |
0 |
0 |
0 |
0 |
20,002 |
6,596 |
8Umab, % |
0 |
0 |
0 |
0 |
20,001 |
6,269 |
8UMBC, % |
0 |
0 |
0 |
0 |
20,001 |
0 |
8Umca,% |
0 |
0 |
0 |
0 |
20,001 |
18,728 |
иь в |
381,051х’ |
341,786х’ |
304,841х’ |
76,210х’ |
457,261х’ |
385,002х’ |
100,0002’ |
89,6962’ |
80,0002’ |
20,0002’ |
120,0002’ |
101,0372’ | |
<PuAB |
120° |
110° |
120° |
120° |
120° |
120° |
Фивс |
120° |
120° |
120° |
120° |
120° |
86,445° |
Фи CA |
120° |
130° |
120° |
120° |
120° |
153,555° |
K2U, % |
0 |
5,83 |
0 |
0 |
0 |
20,00 |
Kou, % |
0 |
5,83 |
0 |
0 |
0 |
20,00 |
Ku(n)A, % |
Тип 1 по |
Тип 2 по |
Тип 3 по |
Тип 1 по |
Тип 4 по |
Тип 5 по |
таблице 8 |
таблице 8 |
таблице 8 |
таблице 8 |
таблице 8 |
таблице 8 | |
Ku(n)B, % |
Тип 1 по |
Тип 2 по |
Тип 3 по |
Тип 1 по |
Тип 4 по |
Тип 5 по |
таблице 8 |
таблице 8 |
таблице 8 |
таблице 8 |
таблице 8 |
таблице 8 | |
K-Utn'i C, % |
Тип 1 по |
Тип 2 по |
Тип 3 по |
Тип 1 по |
Тип 4 по |
Тип 5 по |
таблице 8 |
таблице 8 |
таблице 8 |
таблице 8 |
таблице 8 |
таблице 8 |
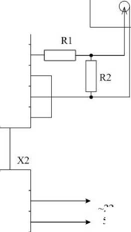
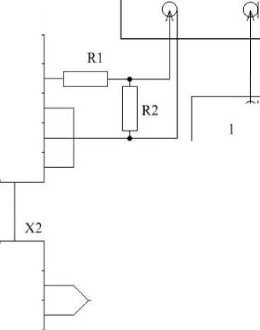
Б.4 Схема подключений при определении погрешности измерений интервала времени (хода часов) для прибора модификаций «Ресурс-ПКЭ-Х.Х-Хи-Х», приведена на рисунке Б.4.
Частотомер 43-54
ВХОД В
ВХОД Г
Цепь |
Конт. |
Выход 1+ |
7 |
Выход 1- |
8 |
+ 12 V |
1 |
-12 V |
2 |
Цепь |
Конт. |
Поверка |
] |
2 |
Ресурс-ПКЭ-Х.Х-Хи-Х Х6

Радиочасы
РЧ-01I
Источник питания И11-690/250 Выход Вход | |||
-220 В,
50 Гц
R1 - резистор С2-33-0.5-10 кОм ± 5 %;
R2 - резистор С2-33-0.5-1 кОм ± 5 %
Рисунок Б.4
Б.З Схема подключений при определении погрешностей измерений показателей качества электрической энергии для прибора модификаций «Ресурс-ПКЭ-Х.Х-Хэ-Х» приведена на рисунке Б.З.
Рссурс-ПКЭ-Х.Х-Хэ-Х

Рссурс-К2
Цепь |
Конг. |
А |
1 |
В |
2 |
С |
3 |
N |
4 |





о
К И я и с.
В
я
I
Цепь |
Конт. |
11итание |
1 |
2 |
-220 В,
50 Гц
Рисунок Б.З
Продолжение таблицы 5
Характери-стика |
Испытательный сигнал | |||||
1 |
2 |
3 |
4 |
5 |
6 | |
киА, % |
0 |
30,000 |
24,980 |
0 |
0,500 |
17,265 |
кив, % |
0 |
30,000 |
24,980 |
0 |
0,500 |
17,265 |
Кис, % |
0 |
30,000 |
24,980 |
0 |
0,500 |
17,265 |
Килв, % |
0 |
15,246 |
20,396 |
0 |
0,400 |
15,336 |
Киве, % |
0 |
21,795 |
20,396 |
0 |
0,400 |
18,231 |
К-исл, % |
0 |
22,380 |
20,396 |
0 |
0,400 |
10,687 |
Примечание - Значения коэффициентов я-ых гармонических составляющих между-фазных напряжений приведены в таблице 9. 4 При 17ном = 220 В. 2) При Гном=100/7з В. |
Таблица 6
п |
Тип 1 |
Тип 2 |
Тип 3 |
Тип 4 |
Тип 5 | |||||
Ки(п), % |
9^(Л), градус |
Ku{n), % |
градус |
-Ки(п), % |
9^(Л), градус |
-Ku(n), % |
^(Л), градус |
Ки(п), % |
&U(n), градус | |
2 |
0 |
0 |
0 |
0 |
4 |
0 |
2,00 |
0 |
3,00 |
0 |
3 |
0 |
0 |
15 |
0 |
4 |
0 |
5,00 |
0 |
7,50 |
30 |
4 |
0 |
0 |
0 |
0 |
4 |
0 |
1,00 |
0 |
1,50 |
0 |
5 |
0 |
0 |
15 |
0 |
4 |
0 |
6,00 |
0 |
9,00 |
60 |
6 |
0 |
0 |
0 |
0 |
4 |
0 |
0,50 |
0 |
0,75 |
0 |
7 |
0 |
0 |
15 |
0 |
4 |
0 |
5,00 |
0 |
7,50 |
90 |
8 |
0 |
0 |
0 |
0 |
4 |
0 |
0,50 |
0 |
0,75 |
0 |
9 |
0 |
0 |
5 |
0 |
4 |
0 |
1,50 |
0 |
2,25 |
120 |
10 |
0 |
0 |
10 |
0 |
4 |
0 |
0,50 |
0 |
0,75 |
0 |
11 |
0 |
0 |
0 |
0 |
4 |
0 |
3,50 |
0 |
5,25 |
150 |
12 |
0 |
0 |
0 |
0 |
4 |
0 |
0,20 |
0 |
0,30 |
0 |
13 |
0 |
0 |
5 |
0 |
4 |
0 |
3,00 |
0 |
4,50 |
180 |
14 |
0 |
0 |
0 |
0 |
4 |
0 |
0,20 |
0 |
0,30 |
0 |
15 |
0 |
0 |
0 |
0 |
4 |
0 |
0,30 |
0 |
0,45 |
-150 |
16 |
0 |
0 |
0 |
0 |
4 |
0 |
0,20 |
0 |
0,30 |
0 |
17 |
0 |
0 |
0 |
0 |
4 |
0 |
2,00 |
0 |
3,00 |
-120 |
18 |
0 |
0 |
0 |
0 |
4 |
0 |
0,20 |
0 |
0,30 |
0 |
19 |
0 |
0 |
0 |
0 |
4 |
0 |
1,50 |
0 |
2,25 |
-90 |
20 |
0 |
0 |
5 |
0 |
4 |
0 |
0,20 |
0 |
0,30 |
0 |
21 |
0 |
0 |
0 |
0 |
4 |
0 |
0,20 |
0 |
0,30 |
-60 |
22 |
0 |
0 |
0 |
0 |
4 |
0 |
0,20 |
0 |
0,30 |
0 |
23 |
0 |
0 |
0 |
0 |
4 |
0 |
1,50 |
0 |
2,25 |
-30 |
24 |
0 |
0 |
0 |
0 |
4 |
0 |
0,20 |
0 |
0,30 |
0 |
25 |
0 |
0 |
5 |
0 |
4 |
0 |
1,50 |
0 |
2,25 |
0 |
26 |
0 |
0 |
0 |
0 |
4 |
0 |
0,20 |
0 |
0,30 |
0 |
27 |
0 |
0 |
0 |
0 |
4 |
0 |
0,20 |
0 |
0,30 |
30 |
28 |
0 |
0 |
0 |
0 |
4 |
0 |
0,20 |
0 |
0,30 |
0 |
29 |
0 |
0 |
5 |
0 |
4 |
0 |
1,32 |
0 |
1,92 |
60 |
Продолжение таблицы 6
п |
Тип 1 |
Тип 2 |
Тип 3 |
Тип 4 |
Тип 5 | |||||
K-Utn'i, % |
фИн,- градус |
К-ОЦЦ, % |
градус |
-Ки(п), % |
Фи(п), градус |
Коцц, % |
Фи(п), градус |
K-Utn'i, % |
фи(п), градус | |
30 |
0 |
0 |
о,1 |
0 |
4 |
0 |
0,20 |
0 |
0,30 |
0 |
31 |
0 |
0 |
0 |
0 |
4 |
0 |
1,25 |
0 |
1,86 |
90 |
32 |
0 |
0 |
0 |
0 |
4 |
0 |
0,20 |
0 |
0,30 |
0 |
33 |
0 |
0 |
0 |
0 |
4 |
0 |
0,20 |
0 |
0,30 |
120 |
34 |
0 |
0 |
0 |
0 |
4 |
0 |
0,20 |
0 |
0,30 |
0 |
35 |
0 |
0 |
0 |
0 |
4 |
0 |
1,13 |
0 |
1,70 |
150° |
36 |
0 |
0 |
0 |
0 |
4 |
0 |
0,20 |
0 |
0,30 |
0 |
37 |
0 |
0 |
0 |
0 |
4 |
0 |
1,08 |
0 |
1,62 |
180 |
38 |
0 |
0 |
0 |
0 |
4 |
0 |
0,20 |
0 |
0,30 |
0 |
39 |
0 |
0 |
0 |
0 |
4 |
0 |
0,20 |
0 |
0,30 |
-150 |
40 |
0 |
0 |
0,1 |
0 |
4 |
0 |
0,20 |
0 |
0,30 |
0 |
Таблица 7
п |
Испытательный |
сигнал | |||||||
1 |
2 |
3 |
4 |
5 | |||||
Ки(п)АВ, &U(n)BC, Кщп) СА- % |
&и(п)АВ, % |
K-U(n) ВС, % |
K-U(n) СА, % |
K-U(n)AB, K-U(n) ВС, Кщп) CA, % |
K-U(n)AB, K-U(n) BC, K-U(n) CA, % |
&U(n)AB, % |
&U(n)BC, % |
K-U(n) CA, % | |
2 |
0 |
0 |
0 |
0 |
4 |
2,00 |
3 |
3,738 |
2,195 |
3 |
0 |
4,739 |
0 |
4,284 |
0 |
0 |
0 |
4,146 |
3,485 |
4 |
0 |
0 |
0 |
0 |
4 |
1,00 |
1,5 |
0,836 |
1,607 |
5 |
0 |
18,242 |
15 |
9,493 |
4 |
6,00 |
9 |
11,225 |
2,876 |
6 |
0 |
0 |
0 |
0 |
0 |
0 |
0 |
0,748 |
0,628 |
7 |
0 |
7,739 |
15 |
16,488 |
4 |
5,00 |
7,5 |
0,037 |
6,994 |
8 |
0 |
0 |
0 |
0 |
4 |
0,50 |
0,75 |
0,752 |
0,117 |
9 |
0 |
4,316 |
0 |
3,901 |
0 |
0 |
0 |
2,801 |
2,354 |
10 |
0 |
2,12 |
10 |
10,368 |
4 |
0,50 |
0,75 |
0,411 |
0,458 |
11 |
0 |
0 |
0 |
0 |
4 |
3,50 |
5,25 |
2,949 |
3,15 |
12 |
0 |
0 |
0 |
0 |
0 |
0 |
0 |
0,374 |
0,315 |
13 |
0 |
0,532 |
5 |
4,519 |
4 |
3,00 |
4,5 |
4,472 |
0,755 |
14 |
0 |
0 |
0 |
0 |
4 |
0,20 |
0,3 |
0,003 |
0,278 |
15 |
0 |
0 |
0 |
0 |
0 |
0 |
0 |
0,453 |
0,38 |
16 |
0 |
0 |
0 |
0 |
4 |
0,20 |
0,3 |
0,373 |
0,092 |
17 |
0 |
0 |
0 |
0 |
4 |
2,00 |
3 |
1,632 |
3,212 |
18 |
0 |
0 |
0 |
0 |
0 |
0 |
0 |
0,17 |
0,143 |
19 |
0 |
0 |
0 |
0 |
4 |
1,50 |
2,25 |
2,811 |
1,626 |
20 |
0 |
2,088 |
5 |
3,546 |
4 |
0,20 |
0,3 |
0,297 |
0,301 |
21 |
0 |
0 |
0 |
0 |
0 |
0 |
0 |
0,004 |
0,004 |
22 |
0 |
0 |
0 |
0 |
4 |
0,20 |
0,3 |
0,303 |
0,299 |
23 |
0 |
0 |
0 |
0 |
4 |
1,50 |
2,25 |
2,796 |
1,667 |
24 |
0 |
0 |
0 |
0 |
0 |
0 |
0 |
0,162 |
0,136 |
25 |
0 |
5,532 |
5 |
0,481 |
4 |
1,50 |
2,25 |
1,284 |
2,413 |
26 |
0 |
0 |
0 |
0 |
4 |
0,20 |
0,30 |
0,375 |
0,099 |
Б.2 Схема подключений при определении погрешностей измерений показателей качества электрической энергии для прибора модификаций «Ресурс-ПКЭ-2.Х-Хи-Х» приведена на рисунке Б.2.
Ресурс-ПКЭ-2.Х-Хи-Х

Цепь |
Конт. | |
Канал 1 |
А |
1 |
В |
2 | |
С |
3 | |
Канал 2 |
А |
4 |
В |
5 | |
С |
6 | |
N |
7 |

Цепь |
Конт. |
Поверка |
1 |
2 |
Источник питания ИП-690/250 Выход Вход | |||
-220 В,
50 Гц
Рисунок Б.2
Приложение Б
(обязательное) Схемы подключений
Б.1 Схема подключений при определении погрешностей измерений показателей качества электрической энергии для прибора модификаций «Ресурс-ПКЭ-1.Х-Хи-Х» приведена на рисунке Б.1.
Ресурс-11КЭ-1 Х-Хи-Х

Цепь |
Конт. |
А |
1 |
В |
2 |
С |
3 |
N |
4 |
Цепь |
Конг. |
Поверка |
1 |
2 |
Ресурс-К2

Источник питания ИП-690/250 | |
Выход | |
Вход | |
-220 В,
50 Гц
Рисунок Б.1
Продолжение таблицы 7
п |
Испытательный |
сигнал | |||||||
1 |
2 |
3 |
4 |
5 | |||||
&U(n)AB, Кщп) ВС, K-U(n) СА, % |
Ки(п)АВ, % |
&U(n)BC, % |
Кщп) СА, % |
K-U(n)AB, K-U(n)BC, K-U(n) СА, % |
K-U(n)AB, Кщп) ВС, K-U(n) СА, % |
Ки(п)АВ, % |
К-и(п)ВС, % |
K-U(n) СА, % | |
27 |
0 |
0 |
0 |
0 |
0 |
0 |
0 |
0,296 |
0,249 |
28 |
0 |
0 |
0 |
0 |
4 |
0,20 |
0,30 |
0,006 |
0,282 |
29 |
0 |
2,580 |
5 |
5,496 |
4 |
1,32 |
1,92 |
1,943 |
0,275 |
30 |
0 |
0,061 |
0 |
0,055 |
0 |
0 |
0 |
0,372 |
0,313 |
31 |
0 |
0 |
0 |
0 |
4 |
1,25 |
1,86 |
0,995 |
1,154 |
32 |
0 |
0 |
0 |
0 |
4 |
0,20 |
0,30 |
0,172 |
0,177 |
33 |
0 |
0 |
0 |
0 |
0 |
0 |
0 |
0,375 |
0,316 |
34 |
0 |
0 |
0 |
0 |
4 |
0,20 |
0,30 |
0,295 |
0,054 |
35 |
0 |
0 |
0 |
0 |
4 |
1,13 |
1,70 |
0,042 |
1,564 |
36 |
0 |
0 |
0 |
0 |
0 |
0 |
0 |
0,305 |
0,256 |
37 |
0 |
0 |
0 |
0 |
4 |
1,08 |
1,62 |
2,009 |
0,479 |
38 |
0 |
0 |
0 |
0 |
4 |
0,20 |
0,30 |
0,159 |
0,321 |
39 |
0 |
0 |
0 |
0 |
0 |
0 |
0 |
0,174 |
0,146 |
40 |
0 |
0,078 |
0,1 |
0,109 |
4 |
0,2 |
0,30 |
0,376 |
0,214 |
Таблица 8
п |
Тип 1 |
Тип 2 |
Тип 3 |
Тип 4 |
Тип 5 | |||||
Ки(п> % |
Фи(п), градус |
K-U(n), % |
9>и(п), градус |
K-U(n), % |
Я>и(п), градус |
К-тп), % |
pU(n), градус |
Ки(п), % |
^Г(н)- градус | |
2 |
0 |
0 |
0 |
0 |
4 |
0 |
о,1 |
0 |
3,00 |
0 |
3 |
0 |
0 |
20 |
0 |
4 |
0 |
0,1 |
0 |
7,50 |
30 |
4 |
0 |
0 |
0 |
0 |
4 |
0 |
0,1 |
0 |
1,50 |
0 |
5 |
0 |
0 |
5 |
0 |
4 |
0 |
0,1 |
0 |
9,00 |
60 |
6 |
0 |
0 |
0 |
0 |
4 |
0 |
0,1 |
0 |
0,75 |
0 |
7 |
0 |
0 |
15 |
0 |
4 |
0 |
0,1 |
0 |
7,50 |
90 |
8 |
0 |
0 |
0 |
0 |
4 |
0 |
0,1 |
0 |
0,75 |
0 |
9 |
0 |
0 |
5 |
0 |
4 |
0 |
0,1 |
0 |
2,25 |
120 |
10 |
0 |
0 |
10 |
0 |
4 |
0 |
0,1 |
0 |
0,75 |
0 |
11 |
0 |
0 |
5 |
0 |
4 |
0 |
0,1 |
0 |
5,25 |
150 |
12 |
0 |
0 |
0 |
0 |
4 |
0 |
0,1 |
0 |
0,30 |
0 |
13 |
0 |
0 |
5 |
0 |
4 |
0 |
0,1 |
0 |
4,50 |
180 |
14 |
0 |
0 |
0 |
0 |
4 |
0 |
0 |
0 |
0,30 |
0 |
15 |
0 |
0 |
0 |
0 |
4 |
0 |
0,1 |
0 |
0,45 |
-150 |
16 |
0 |
0 |
0 |
0 |
4 |
0 |
0 |
0 |
0,30 |
0 |
17 |
0 |
0 |
0 |
0 |
4 |
0 |
0,1 |
0 |
3,00 |
-120 |
18 |
0 |
0 |
0 |
0 |
4 |
0 |
0 |
0 |
0,30 |
0 |
19 |
0 |
0 |
0 |
0 |
4 |
0 |
0,1 |
0 |
2,25 |
-90 |
20 |
0 |
0 |
5 |
0 |
4 |
0 |
0 |
0 |
0,30 |
0 |
21 |
0 |
0 |
0 |
0 |
4 |
0 |
0,1 |
0 |
0,30 |
-60 |
22 |
0 |
0 |
0 |
0 |
4 |
0 |
0 |
0 |
0,30 |
0 |
23 |
0 |
0 |
0 |
0 |
4 |
0 |
0,1 |
0 |
2,25 |
-30 |
Продолжение таблицы 8
п |
Тип 1 |
Тип 2 |
Тип 3 |
Тип 4 |
Тип 5 | |||||
K-Utn'i, % |
фИн,- градус |
К-ОЦЦ, % |
градус |
-Ки(п), % |
Фи(п), градус |
К-ицц, % |
Фи(п), градус |
K-Utn'i, % |
фи(п), градус | |
24 |
0 |
0 |
0 |
0 |
4 |
0 |
0 |
0 |
0,30 |
0 |
25 |
0 |
0 |
5 |
0 |
4 |
0 |
0,1 |
0 |
2,25 |
0 |
26 |
0 |
0 |
0 |
0 |
4 |
0 |
0 |
0 |
0,30 |
0 |
27 |
0 |
0 |
0 |
0 |
4 |
0 |
0,1 |
0 |
0,30 |
30 |
28 |
0 |
0 |
0 |
0 |
4 |
0 |
0 |
0 |
0,30 |
0 |
29 |
0 |
0 |
5 |
0 |
4 |
0 |
0,1 |
0 |
1,92 |
60 |
30 |
0 |
0 |
о,1 |
0 |
4 |
0 |
0 |
0 |
0,30 |
0 |
31 |
0 |
0 |
0 |
0 |
4 |
0 |
0,1 |
0 |
1,86 |
90 |
32 |
0 |
0 |
0 |
0 |
4 |
0 |
0 |
0 |
0,30 |
0 |
33 |
0 |
0 |
0 |
0 |
4 |
0 |
0,1 |
0 |
0,30 |
120 |
34 |
0 |
0 |
0 |
0 |
4 |
0 |
0 |
0 |
0,30 |
0 |
35 |
0 |
0 |
0 |
0 |
4 |
0 |
0,1 |
0 |
1,70 |
150° |
36 |
0 |
0 |
0 |
0 |
4 |
0 |
0 |
0 |
0,30 |
0 |
37 |
0 |
0 |
0 |
0 |
4 |
0 |
0,1 |
0 |
1,62 |
180 |
38 |
0 |
0 |
0 |
0 |
4 |
0 |
0 |
0 |
0,30 |
0 |
39 |
0 |
0 |
0 |
0 |
4 |
0 |
0,1 |
0 |
0,30 |
-150 |
40 |
0 |
0 |
0,1 |
0 |
4 |
0 |
0 |
0 |
0,30 |
0 |
41 |
0 |
0 |
0 |
0 |
4 |
0 |
0,1 |
0 |
1,49 |
-120 |
42 |
0 |
0 |
0 |
0 |
4 |
0 |
0 |
0 |
0,30 |
0 |
43 |
0 |
0 |
0 |
0 |
4 |
0 |
0,1 |
0 |
1,43 |
-90 |
44 |
0 |
0 |
0 |
0 |
4 |
0 |
0 |
0 |
0,30 |
0 |
45 |
0 |
0 |
0 |
0 |
4 |
0 |
0,1 |
0 |
0,30 |
-60 |
46 |
0 |
0 |
0 |
0 |
4 |
0 |
0 |
0 |
0,30 |
0 |
47 |
0 |
0 |
0 |
0 |
4 |
0 |
0,1 |
0 |
1,34 |
-30 |
48 |
0 |
0 |
0 |
0 |
4 |
0 |
0 |
0 |
0,30 |
0 |
49 |
0 |
0 |
0 |
0 |
4 |
0 |
0,1 |
0 |
1,30 |
0 |
50 |
0 |
0 |
0,1 |
0 |
4 |
0 |
0 |
0 |
0,30 |
0 |
Таблица 9
п |
Испытательный |
сигнал | |||||||
1 |
2 |
3 |
4 |
5 | |||||
&U(n)AB, &U(n)BC, Кщп) СА- % |
&и(п)АВ, % |
K-U(n) ВС, % |
K-U(n) СА, % |
&U(n)AB, K-U(n) ВС, Кщп) CA, % |
&U(n)AB, K-U(n) BC, K-U(n) CA, % |
&U(n)AB, % |
&U(n)BC, % |
K-U(n) CA, % | |
2 |
0 |
0 |
0 |
0 |
4 |
0,1 |
3 |
4,372 |
1,372 |
3 |
0 |
6,319 |
0 |
5,712 |
0 |
0 |
0 |
8,43 |
5,93 |
4 |
0 |
0 |
0 |
0 |
4 |
0,1 |
1,5 |
0,271 |
1,229 |
5 |
0 |
6,081 |
5 |
3,164 |
4 |
0,1 |
9 |
7,745 |
3,744 |
6 |
0 |
0 |
0 |
0 |
0 |
0 |
0 |
1,076 |
0,757 |
7 |
0 |
7,739 |
15 |
16,488 |
4 |
0,1 |
7,5 |
9,231 |
0,344 |
8 |
0 |
0 |
0 |
0 |
4 |
0,1 |
0,75 |
0,269 |
0,741 |
9 |
0 |
4,316 |
0 |
3,901 |
0 |
0 |
0 |
1,593 |
1,121 |
10 |
0 |
2,12 |
10 |
10,368 |
4 |
0,1 |
0,75 |
1,043 |
0,571 |
Приложение А (справочное) Условные обозначения
UROU - номинальное значение напряжения
8Ua, 8Ub, <~>Uc -отклонения фазных напряжений основной частоты от номинального значения (здесь и далее А, В, С, - обозначение фазы)
6(’ib- 8{7вс, 8UCa -отклонения междуфазных напряжений основной частоты от номинального значения (здесь и далее АВ, ВС, СА - обозначение междуфазного напряжения) 817(.)с- отрицательные отклонения фазных напряжений от номинального значения
817(-)лв, St7(.)BC, 817(.)с4 - отрицательные отклонения междуфазных напряжений от номинального значения
8{7(+)Л, 8{7(+)в, 8{7(+)С - положительные отклонения фазных напряжений от номинального значения
8{7(+)Лв, 8{7(+)ВС, 6{7(+)с4 - положительные отклонения междуфазных напряжений от номинального значения
UA, Uв, Uc- средне квадратические значения фазных напряжений
Uab, Ubc, Uca - среднеквадратические значения междуфазных напряжений
{71 - напряжение прямой последовательности трёхфазной системы междуфазных напряжений
Кги - коэффициент несимметрии напряжений по обратной последовательности
Кйи - коэффициент несимметрии напряжений по нулевой последовательности bf- отклонение частоты
/- значение частоты
<Puab, фивс, фисА - углы сдвига фаз между фазными напряжениями
фи(п) - угол сдвига фаз между я-ой и первой гармоническими составляющими фазного напряжения
Kv - коэффициент искажения синусоидальности напряжений
Kua, Кив, Кис - коэффициенты искажения синусоидальности фазных напряжений
КиАв, KUBc, KUCa - коэффициенты искажения синусоидальности междуфазных напряжений
Кц(П)А, Ки{П)в, Ки{П)с - коэффициенты я-ых гармонических составляющих фазных напряжений
Ки(П)Ав, Ки(п)вс, Kutn^cA - коэффициенты я-ых гармонических составляющих междуфазных напряжений
Kuig(m)A, Kuig^B, Kutg(m)c ~ коэффициенты /я-ых интергармонических составляющих фазных напряжений
Kuig(m)AB, К Ilgam вс, KuigfmjCA - коэффициенты /я-ых интергармонических составляющих междуфазных напряжений
- длительность провала напряжения
А/перг - длительность временного перенапряжения
6{7„ - глубина провала напряжения
ЛГпер и - коэффициент временного перенапряжения
N - количество подаваемых сигналов
Р.и - кратковременная доза фликера
Р„ - длительная доза фликера
ЬТ = ЬТ2-Ы\:
(4)
13) результаты определения погрешности заносят в протокол поверки.
Результаты проверки погрешности измерений считают положительными, если полученные погрешности находятся в пределах, приведённых в приложении В.
7.5.6 Проверку погрешности измерений времени проводят следующим образом:
-
1) включают радиочасы и дожидаются вхождения радиочасов в стационарный режим работы (через 20 минут с момента подключения питания и антенны при условии удовлетворительного приёма радиосигнала):
-
- светодиод «АВАРИЯ» должен быть погашен;
-
- светодиоды «СЕКУНДА» и «МИНУТА» должны иметь прерывистое свечение;
-
- на цифровом табло должен высвечиваться символ «V»;
-
2) настраивают частотомер для работы в режиме измерения временных интервалов между импульсами, идущими от прибора и радиочасов:
-
- переключатель «РОД РАБОТЫ» - положение «ИНТЕР. В-Г»;
-
- период частоты заполнения (метки времени) - 0,1 мс;
-
- тумблеры выбора крутизны запуска в каналах В и Г - положение «-Г» (измерение интервала времени между положительными фронтами импульсов).
-
3) собирают схему испытаний, приведённую на рисунке Б.6 приложения Б;
-
4) переводят прибор в режим работы «Стоп»;
-
5) устанавливают в приборе текущие значения времени и даты;
-
6) устанавливают режим работы интерфейса RS-232 «GPS»;
-
7) дожидаются выполнения синхронизации времени прибора с сигналами от приёмника GPS: при наличии сигнала синхронизации от приёмника GPS на индикаторе прибора будет отображаться символ «X»;
-
8) переводят прибор в режим работы «Поверка»;
-
9) убеждаются, что показания внутренних часов прибора и радиочасов совпадают, если данное условие не выполняется, результаты проверки считают отрицательными;
-
10) считывают значение интервала времени между импульсами, идущими от прибора и радиочасов, АГ, с, измеренное частотомером;
-
11) результат измерения интервала времени между импульсами АГ заносят в протокол поверки.
Результаты проверки погрешности измерений считают положительными, если значение интервала времени между импульсами АГ, измеренное частотомером, не более 0,01 с.
8 Оформление результатов поверки-
8.1 Результаты поверки заносят в протокол поверки, рекомендуемая форма которого приведена в приложении Г.
-
8.2 При положительных результатах выписывают свидетельство о поверке в соответствии с ПР 50.2.006-94, на прибор или на свидетельство о поверке наносят поверительное клеймо.
-
8.3 При отрицательных результатах поверки прибор не допускают к применению, оформляют извещение о непригодности в соответствии с ПР 50.2.006-94. Поверительное клеймо предыдущей поверки гасят, свидетельство о поверке аннулируют.
Продолжение таблицы 9
п |
Испытательный |
сигнал | |||||||
1 |
2 |
3 |
4 |
5 | |||||
&U(n)AB, Кщп) ВС, K-U(n) СА, % |
Ки(п)АВ, % |
&U(n)BC, % |
Кщп) СА, % |
K-U(n)AB, K-U(n)BC, K-U(n) СА, % |
K-U(n)AB, Кщп) ВС, K-U(n) СА, % |
Ки(п)АВ, % |
К-и(п)ВС, % |
K-U(n) СА, % | |
11 |
0 |
5,532 |
5 |
0,481 |
4 |
о,1 |
5,25 |
6,922 |
4,442 |
12 |
0 |
0 |
0 |
0 |
0 |
0 |
0 |
0,159 |
0,112 |
13 |
0 |
0,532 |
5 |
4,519 |
4 |
0,1 |
4,5 |
2,45 |
4,576 |
14 |
0 |
0 |
0 |
0 |
4 |
0 |
0,3 |
0,397 |
0,027 |
15 |
0 |
0 |
0 |
0 |
0 |
0 |
0 |
0,624 |
0,439 |
16 |
0 |
0 |
0 |
0 |
4 |
0 |
0,3 |
0,209 |
0,161 |
17 |
0 |
0 |
0 |
0 |
4 |
0,1 |
3 |
1,118 |
2,187 |
18 |
0 |
0 |
0 |
0 |
0 |
0 |
0 |
0,372 |
0,261 |
19 |
0 |
0 |
0 |
0 |
4 |
0,1 |
2,25 |
3,223 |
0,744 |
20 |
0 |
2,088 |
5 |
3,546 |
4 |
0 |
0,3 |
0,255 |
0,307 |
21 |
0 |
0 |
0 |
0 |
0 |
0 |
0 |
0,058 |
0,041 |
22 |
0 |
0 |
0 |
0 |
4 |
0 |
0,3 |
0,34 |
0,288 |
23 |
0 |
0 |
0 |
0 |
4 |
0,1 |
2,25 |
3,277 |
1,296 |
24 |
0 |
0 |
0 |
0 |
0 |
0 |
0 |
0,297 |
0,209 |
25 |
0 |
5,532 |
5 |
0,481 |
4 |
0,1 |
2,25 |
0,032 |
2,013 |
26 |
0 |
0 |
0 |
0 |
4 |
0 |
0,30 |
0,303 |
0,086 |
27 |
0 |
0 |
0 |
0 |
0 |
0 |
0 |
0,437 |
0,308 |
28 |
0 |
0 |
0 |
0 |
4 |
0 |
0,30 |
0,334 |
0,055 |
29 |
0 |
2,580 |
5 |
5,496 |
4 |
0,1 |
1,92 |
0,32 |
1,809 |
30 |
0 |
0,061 |
0 |
0,055 |
0 |
0 |
0 |
0,262 |
0,184 |
31 |
0 |
0 |
0 |
0 |
4 |
0,1 |
1,86 |
2,674 |
1,231 |
32 |
0 |
0 |
0 |
0 |
4 |
0 |
0,30 |
0,367 |
0,275 |
33 |
0 |
0 |
0 |
0 |
0 |
0 |
0 |
0,103 |
0,073 |
34 |
0 |
0 |
0 |
0 |
4 |
0 |
0,30 |
0,216 |
0,308 |
35 |
0 |
0 |
0 |
0 |
4 |
0,1 |
1,70 |
2,371 |
0,387 |
36 |
0 |
0 |
0 |
0 |
0 |
0 |
0 |
0,394 |
0,277 |
37 |
0 |
0 |
0 |
0 |
4 |
0,1 |
1,62 |
0,839 |
1,053 |
38 |
0 |
0 |
0 |
0 |
4 |
0 |
0,30 |
0,167 |
0,188 |
39 |
0 |
0 |
0 |
0 |
0 |
0 |
0 |
0,399 |
0,281 |
40 |
0 |
0,078 |
0,1 |
0,109 |
4 |
0 |
0,30 |
0,414 |
0,059 |
41 |
0 |
0 |
0 |
0 |
4 |
0,1 |
1,49 |
1,017 |
1,53 |
42 |
0 |
0 |
0 |
0 |
0 |
0 |
0 |
0,116 |
0,082 |
43 |
0 |
0 |
0 |
0 |
4 |
0,1 |
1,43 |
1,782 |
1,29 |
44 |
0 |
0 |
0 |
0 |
4 |
0 |
0,3 |
0,429 |
0,205 |
45 |
0 |
0 |
0 |
0 |
0 |
0 |
0 |
0,251 |
0,177 |
46 |
0 |
0 |
0 |
0 |
4 |
0 |
0,3 |
0,063 |
0,286 |
47 |
0 |
0 |
0 |
0 |
4 |
0,1 |
1,34 |
1,53 |
0,204 |
48 |
0 |
0 |
0 |
0 |
0 |
0 |
0 |
0,437 |
0,307 |
49 |
0 |
0 |
0 |
0 |
4 |
0,1 |
1,3 |
1,273 |
0,411 |
50 |
0 |
0,094 |
0,1 |
0,019 |
4 |
0 |
0,3 |
0,009 |
0,264 |
-
7.5.2 Проверку основных погрешностей измерений длительности провала напряжения, глубины провала напряжения, длительности временного перенапряжения и коэффициента временного перенапряжения проводят следующим образом:
-
1) подключают прибор к компьютеру по одному из интерфейсов RS-232 или RS-485;
-
2) собирают схему испытаний, приведённую на рисунке Б.1 приложения Б для прибора модификаций «Ресурс-ПКЭ-1.Х-Хи-Х»; схему испытаний, приведённую на рисунке Б.2 приложения Б для прибора модификаций «Ресурс-ПКЭ-2.Х-Хи-Х» или схему испытаний, приведённую на рисунке Б.З приложения Б для прибора модификаций «Ресурс-ПКЭ-Х.Х-Хэ-Х»;
-
3) запускают на компьютере программу «Конфигуратор ПКЭ» для прибора модификаций «Ресурс-ПКЭ-Х.Х-ХХ» или программу «Конфигуратор ПКЭ-4-30» для прибора модификаций «Ресурс-ПКЭ-Х.7-ХХ-Х» (далее - программа);
-
4) устанавливают связь прибора с компьютером согласно 7.3.1;
-
5) переходят на вкладку «Уставки» программы и задают пороговое значение провала напряжения равное - 10 % и пороговое значение перенапряжения равное + 10 % в окне программы «Отклонения напряжения»;
-
6) задают в приборе номинальное значение измеряемого напряжения 220 В, переводят прибор в режим работы «Пуск»;
-
7) подают на измерительные входы прибора с выходов калибратора испытательный сигнал 1 с характеристиками, приведёнными в таблице 3 для прибора модификаций «Ресурс-ПКЭ-Х.Х-ХХ», таблице 4 для прибора модификаций «Ресурс-ПКЭ-Х.7-ХХ-А», таблице 5 для прибора модификаций «Ресурс-ПКЭ-Х.7-ХХ-Б», номинальное значение выходного напряжения калибратора устанавливают равным 220 В;
-
8) поочерёдно устанавливают с помощью калибратора испытательные сигналы 1 - 7 в соответствии с таблицей 10 (значения характеристик провалов междуфазных напряжений и междуфазных перенапряжений приведены в качестве нормированных значений для расчёта погрешностей) и считывают с прибора результаты измерений характеристик провалов и перенапряжений по каждому фидеру;
-
9) рассчитывают погрешности измерений характеристик провалов напряжения и перенапряжений, в зависимости от способа нормирования погрешности, по формулам (1), (2);
-
10) результаты определения погрешностей заносят в протокол поверки;
-
11) задают в приборе номинальное значение измеряемого напряжения 57,74 В, переводят прибор в режим работы «Пуск»;
-
12) выполняют действия, приведённые в перечислениях 7) - 10), при испытательных сигналах с номинальным значением напряжения равным 100 д/З В.
Результаты проверки погрешностей измерений считают положительными, если полученные погрешности находятся в пределах, приведённых в приложении В.
-
7.5.3 Проверку погрешности измерений кратковременной дозы фликера проводят следующим образом:
-
1) собирают схему испытаний, приведённую на рисунке Б.1 приложения Б для прибора модификаций «Ресурс-ПКЭ-1.Х-Хи-Х»; схему испытаний, приведённую на рисунке Б.2 приложения Б для прибора модификаций «Ресурс-ПКЭ-2.Х-Хи-Х» или схему испытаний, приведённую на рисунке Б.З приложения Б для прибора модификаций «Ресурс-ПКЭ-Х.Х-Хэ-Х»;
-
2) задают в приборе номинальное значение измеряемого напряжения 220 В, переводят прибор в режим работы «Пуск»;
-
3) подают на измерительные входы прибора с выходов калибратора испытательный сигнал 1 с характеристиками, приведёнными в таблице 3 для прибора модификаций «Ресурс-ПКЭ-Х.5-ХХ», таблице 4 для прибора модификаций «Ресурс-ПКЭ-Х.7-ХХ-А», таблице 5 для прибора модификаций «Ресурс-ПКЭ-Х.7-ХХ-8», номинальное значение выходного напряжения калибратора устанавливают равным 220 В;
-
4) устанавливают с помощью калибратора испытательный сигналы с следующими характеристикам:
- размах изменения напряжения (глубина провала) 1,46 %;
Продолжение таблицы 12
т |
Испытательный сигнал | |||||
1 |
2 | |||||
Kuig(m)AB> 0//° |
Kuig(ni)BC, % |
Kuig(m) СА, % |
K-Uig(m)AB? 0//° |
&Uig(m)BC, % |
K-Uig(m) СА, % | |
46 |
0,115 |
0 |
0,115 |
1,155 |
0 |
1.155 |
47 |
0,058 |
0.1 |
0,058 |
0,577 |
1 |
0,577 |
48 |
0,058 |
0.1 |
0,058 |
0,577 |
1 |
0,577 |
49 |
0,115 |
0 |
0,115 |
1,155 |
0 |
1.155 |
-
7.5.5 Проверку основной погрешности измерений интервала времени (хода часов) проводят следующим образом:
-
1) включают радиочасы РЧ-011 (далее - радиочасы) и дожидаются вхождения радио-часов в стационарный режим работы (через 20 минут с момента подключения питания и антенны при условии удовлетворительного приёма радиосигнала):
-
- светодиод «АВАРИЯ» должен быть погашен;
-
- светодиоды «СЕКУНДА» и «МИНУТА» должны иметь прерывистое свечение;
-
- на цифровом табло должен высвечиваться символ « V»;
-
2) настраивают частотомер электронно-счётный 43-54 (далее - частотомер) для работы в режиме измерения временных интервалов между импульсами, идущими от прибора и радиочасов:
-
- переключатель «РОД РАБОТЫ» - положение «ИНТЕР. В-Г»;
-
- период частоты заполнения (метки времени) - 1 мс;
-
- тумблеры выбора крутизны запуска в каналах В и Г - положение «-Г» (измерение интервала времени между положительными фронтами импульсов).
-
3) подключают прибор к компьютеру по одному из интерфейсов RS-232 или RS-485;
-
4) запускают на компьютере программу «Конфигуратор ПКЭ» для прибора модификаций «Ресурс-ПКЭ-Х.Х-ХХ» или программу «Конфигуратор ПКЭ-4-30» для прибора модификаций «Ресурс-ПКЭ-Х.7-ХХ-Х». В окне программы «Импульсные входы/выходы» настраивают выход управления прибора в соответствии с условием:
«Если (секунды % 60) = 0, то выход1 = 1, иначе выход1 = 0.»;
-
5) устанавливают в приборе текущее значение даты и значение времени, отличающееся от показаний радиочасов на (30 ± 5) с;
-
6) собирают схему испытаний, приведённую на рисунке Б.4 приложения Б для прибора модификаций с электропитанием от измерительных цепей «Ресурс-ПКЭ-Х.Х-Хи-Х» или схему испытаний, приведённую на рисунке Б.5 приложения Б для прибора модификаций с отдельным входом электропитания «Ресурс-ПКЭ-Х.Х-Хэ-Х»;
-
7) на основании показаний (текущие время) внутренних часов прибора и радиочасов определяют разность показаний часов;
-
8) считывают значение интервала времени между импульсами, идущими от прибора и радиочасов, ДГ1, с, измеренное частотомером;
-
9) через 24 ч (время определяют по показаниям радиочасов) фиксируют показания (текущие время и дата) внутренних часов прибора и радиочасов и определяют разность их показаний;
-
10) убеждаются, что разность показаний внутренних часов прибора и радиочасов отличается от разности показаний, зафиксированной в предшествующие сутки не более чем на 10 с, если данное условие не выполняется, результаты проверки считают отрицательными;
-
11) измеряют с помощью частотомера значение интервала времени между импульсами, идущими от прибора и радиочасов, АГ2, с;
-
12) рассчитывают погрешность измерений интервала времени (хода часов) АГ, с, по формуле
Таблица 12
т |
Испытательный сигнал | |||||
1 |
2 | |||||
K-Uig(m) АВ? 0//° |
K-Uig(m)BC? % |
Kuigtm) СА- % |
K-Uig(m) АВ? 0//° |
K-Uig(m)BC? % |
K-Uig(m)CA? % | |
1 |
0,115 |
0 |
0,115 |
2,887 |
0 |
2,887 |
2 |
8,660 |
15 |
8,660 |
1,443 |
2,5 |
1,443 |
3 |
0,058 |
0,1 |
0,058 |
1,443 |
2,5 |
1,443 |
4 |
0,115 |
0 |
0,115 |
2,887 |
0 |
2,887 |
5 |
8,660 |
15 |
8,660 |
1,443 |
2,5 |
1,443 |
6 |
8,660 |
15 |
8,660 |
1,443 |
2,5 |
1,443 |
7 |
0,115 |
0 |
0,115 |
2,887 |
0 |
2,887 |
8 |
0,058 |
0,1 |
0,058 |
1,443 |
2,5 |
1,443 |
9 |
0,058 |
0,1 |
0,058 |
1,443 |
2,5 |
1,443 |
10 |
0,115 |
0 |
0,115 |
2,887 |
0 |
2,887 |
11 |
0,058 |
0,1 |
0,058 |
1,299 |
2,5 |
1,299 |
12 |
0,058 |
0,1 |
0,058 |
1,299 |
2,5 |
1,299 |
13 |
0,115 |
0 |
0,115 |
2,598 |
0 |
2,598 |
14 |
0,058 |
0,1 |
0,058 |
1,155 |
2 |
1,155 |
15 |
0,058 |
0,1 |
0,058 |
1,155 |
2 |
1,155 |
16 |
0,115 |
0 |
0,115 |
2,309 |
0 |
2,309 |
17 |
0,058 |
0,1 |
0,058 |
1,155 |
2 |
1,155 |
18 |
0,058 |
0,1 |
0,058 |
1,155 |
2 |
1,155 |
19 |
0,115 |
0 |
0,115 |
2,309 |
0 |
2,309 |
20 |
0,058 |
0,1 |
0,058 |
1,010 |
1,75 |
1,010 |
21 |
0,058 |
0,1 |
0,058 |
1,010 |
1,75 |
1,010 |
22 |
0,115 |
0 |
0,115 |
2,021 |
0 |
2,021 |
23 |
0,058 |
0,1 |
0,058 |
1,010 |
1,75 |
1,010 |
24 |
0,058 |
0,1 |
0,058 |
0,866 |
1,50 |
0,866 |
25 |
0,115 |
0 |
0,115 |
1,732 |
0 |
1,732 |
26 |
0,058 |
о,1 |
0,058 |
0,577 |
1 |
0,577 |
27 |
0,058 |
0,1 |
0,058 |
0,577 |
1 |
0,577 |
28 |
0,115 |
0 |
0,115 |
1,155 |
0 |
1,155 |
29 |
0,058 |
0,1 |
0,058 |
0,577 |
1 |
0,577 |
30 |
0,058 |
0,1 |
0,058 |
0,577 |
1 |
0,577 |
31 |
0,115 |
0 |
0,115 |
1,155 |
0 |
1,155 |
32 |
0,058 |
0,1 |
0,058 |
0,577 |
1 |
0,577 |
33 |
0,058 |
0,1 |
0,058 |
0,577 |
1 |
0,577 |
34 |
0,115 |
0 |
0,115 |
1,155 |
0 |
1,155 |
35 |
0,058 |
0,1 |
0,058 |
0,577 |
1 |
0,577 |
36 |
0,058 |
0,1 |
0,058 |
0,577 |
1 |
0,577 |
37 |
0,115 |
0 |
0,115 |
1,155 |
0 |
1,155 |
38 |
0,058 |
0,1 |
0,058 |
0,577 |
1 |
0,577 |
39 |
0,058 |
0,1 |
0,058 |
0,577 |
1 |
0,577 |
40 |
0,115 |
0 |
0,115 |
1,155 |
0 |
1,155 |
41 |
0,058 |
0,1 |
0,058 |
0,577 |
1 |
0,577 |
42 |
0,058 |
0,1 |
0,058 |
0,577 |
1 |
0,577 |
43 |
0,115 |
0 |
0,115 |
1,155 |
0 |
1,155 |
44 |
0,058 |
0,1 |
0,058 |
0,577 |
1 |
0,577 |
45 |
0,058 |
0,1 |
0,058 |
0,577 |
1 |
0,577 |
-
- число изменений в минуту 7 (период повторения провалов 17,14 с);
-
- длительность провалов 8,57 с;
-
- количество провалов 1000 шт;
-
- эквивалентное значение дозы фликера равно 1 (значения приведено в качестве нормированного значения для расчёта погрешностей);
-
5) через 30 мин считывают с прибора результаты измерений кратковременной дозы фликера за второй интервал времени 10 мин по каждому фидеру;
-
6) рассчитывают погрешность измерений кратковременной дозы фликера по формуле (2), принимая показание калибратора (заданное значение кратковременной дозы фликера) равным 1;
-
7) результаты определения погрешностей заносят в протокол поверки;
-
8) задают в приборе номинальное значение измеряемого напряжения 57,74 В, переводят прибор в режим работы «Пуск»;
-
9) выполняют действия, приведённые в перечислениях 3) - 7), при испытательным сигнале с номинальным значением напряжения равным 100/V3 В.
Результаты проверки погрешности измерений считают положительными, если полученные погрешности находятся в пределах, приведённых в приложении В.
Таблица 10
Испытательный сигнал |
Характеристика провала, перенапряжения |
Обозначение фазы или междуфазного напряжения | |||||
А |
В |
С |
АВ |
ВС |
СА | ||
1 |
874, % |
11 |
11 |
11 |
11 |
11 |
11 |
Д/„ Ч с |
10 |
10 |
10 |
10 |
10 |
10 | |
Количество |
2 |
2 |
2 |
2 |
2 |
2 | |
2 |
87,,. % |
30 |
30 |
30 |
30 |
30 |
30 |
А/„ п, с |
1 |
1 |
1 |
1 |
1 |
1 | |
Количество |
5 |
5 |
5 |
5 |
5 |
5 | |
3 |
87 . % |
50 |
50 |
50 |
50 |
50 |
50 |
Д/п1’, с |
0,04 |
0,04 |
0,04 |
0,04 |
0,04 |
0,04 | |
Количество |
10 |
10 |
10 |
10 |
10 |
10 | |
4 |
874, % |
100 |
100 |
100 |
100 |
100 |
100 |
Д/п1’, с |
59 |
59 |
59 |
59 |
59 |
59 | |
Количество |
1 |
1 |
1 |
1 |
1 |
1 | |
5 |
■А^пер и |
1,11 |
1,11 |
1,11 |
1,11 |
1,11 |
1,11 |
\ С |
1 |
1 |
1 |
1 |
1 |
1 | |
Количество |
5 |
5 |
5 |
5 |
5 |
5 | |
62) |
■А^пер и |
1,3 |
1,3 |
1,3 |
1,3 |
1,3 |
1,3 |
\ С |
59 |
59 |
59 |
59 |
59 |
59 | |
Количество |
1 |
1 |
1 |
1 |
1 |
1 | |
72) |
■А^пер и |
1,4 |
1,4 |
1,4 |
1,4 |
1,4 |
1,4 |
\ С |
0,04 |
0,04 |
0,04 |
0,04 |
0,04 |
0,04 | |
Количество |
10 |
10 |
10 |
10 |
10 |
10 | |
4 Период повторения провалов напряжения и временных перенапряжений задаётся в два раза больше их длительности. Длительность и период повторения провалов напряжения и временных перенапряжений должны быть кратны периоду сигнала основной частоты (параметр «Привязка» калибратора «Ресурс-К2» должен иметь значение «к периоду»), 2) Испытательные сигналы 6 и 7 при номинальном значении выходного напряжения калибратора 220 В задают поочерёдно для каждого фазного напряжения, погрешности измерений характеристик междуфазных перенапряжений не определяют. |
-
7.5.4 Проверку погрешности измерений коэффициента /и-ой интергармонической составляющей проводят следующим образом:
-
1) собирают схему испытаний, приведённую на рисунке Б.1 приложения Б для прибора модификаций «Ресурс-ПКЭ-1.7-Хи-Х»; схему испытаний, приведённую на рисунке Б.2 приложения Б для прибора модификаций «Ресурс-ПКЭ-2.7-Хи-Х» или схему испытаний, приведённую на рисунке Б.З приложения Б для прибора модификаций «Ресурс-ПКЭ-Х.7-Хэ-Х»;
-
2) задают в приборе номинальное значение измеряемого напряжения 220 В, переводят прибор в режим работы «Пуск»;
-
3) поочерёдно подают на измерительные входы прибора с выходов калибратора испытательные сигналы 1 и 2 с характеристиками, приведёнными в таблице 11, номинальное значение выходного напряжения калибратора устанавливают равным 220 В;
-
4) при каждом испытательном сигнале производят не менее пяти измерений всех характеристик. За погрешность прибора принимают максимальное по модулю значение погрешности;
-
5) считывают с прибора результаты измерений коэффициентов /и-ых интергармонических составляющих по каждому фидеру для каждого испытательного сигнала;
-
6) рассчитывают погрешности измерений коэффициентов /и-ых интергармонических составляющих, в зависимости от способа нормирования погрешности, по формулам (1) и (2).
-
7) результаты определения погрешностей заносят в протокол поверки;
-
8) задают в приборе номинальное значение измеряемого напряжения 57,74 В, переводят прибор в режим работы «Пуск»;
-
9) выполняют действия, приведённые в перечислениях 3) - 7), при испытательным сигнале с номинальным значением напряжения равным 100/>/з В.
Результаты проверки погрешности измерений считают положительными, если полученные погрешности находятся в пределах, приведённых в приложении В.
Таблица 11
Характеристика |
Испытательный сигнал | |
1 |
2 | |
St/i, % |
0 |
0 |
8UB, % |
0 |
0 |
8UC, % |
0 |
0 |
А/, Гц |
0 |
0 |
Филв |
120° |
120° |
фи ВС |
120° |
120° |
фисл |
120° |
120° |
Kuigd>A, Kuigd>B, Kuigd>C, °° |
0,1 |
2,5 |
Kuls(2}B, KUt(21C, °/° |
15 |
2,5 |
KuigiDA, Kuig(3)B, Kuig(3)C> °° |
0,1 |
2,5 |
Kuig(4~)A, ^UisOB- Kui8(4)c, % |
0,1 |
2,5 |
Kuis<.S)A, K-Uig^B, Kuis(5'lC, % |
15 |
2,5 |
Kuig(6}A, K.Uig(C]B, Kuig(6}C, % |
15 |
2,5 |
Киьтл, K-UigCDB, Kuizmc, % |
0,1 |
2,5 |
Kuig(8)A, Kuig(8}B, Kuig(8}C, % |
0,1 |
2,5 |
Kuig(9}A, Kuig(9)B, Kuig(9}C, % |
0,1 |
2,5 |
Kuigd^A, Kuigd^B, Kuigd^C, % |
0,1 |
2,5 |
KuigddA, KuigdDB, KuigddC, % |
0,1 |
2,25 |
KuigdDA, Kuigd2)B> Kuigd2)C, % |
0,1 |
2,25 |
Kuigd3>A, Kuigd3)B, Kuigd3>C, % |
0,1 |
2,25 |
Продолжение таблицы 11
Характеристика |
Испытательный сигнал | |
1 |
2 | |
Kuig(i4)A, Kuig(14}B, Kuig(14)C, % |
ОД |
2 |
Kuie(15}A, K.Uig(\5)B, Kuis(\5}C, % |
0,1 |
2 |
Kuig(16)A, Kuie(16}B, Kuie(16}c, % |
0,1 |
2 |
K.Uig(YT]A, K-Uig(\T]B, K.Uig(YT]C, % |
0,1 |
2 |
K-Uig(\$]A, Kuie(18}B, Kuig(lS)C, % |
0,1 |
2 |
Kuie(19}A, K-Uig(\9} B, K.Uig(\9}C, % |
0,1 |
2 |
Kuig(20)A, Kuie(20}B, Kuig(20}C, % |
0,1 |
1,75 |
Kuig(21)A, Kuig(21)B, ^Uig(2i')C, % |
0,1 |
1,75 |
Kuig^A, J^Uig(22}B, Kuig(22~)C, % |
0,1 |
1,75 |
Kuig(2DA, Kuig(23)B, Kuig(21)C, % |
0,1 |
1,75 |
Kuig(24}A, Kuig(24}B, Kuig(24}C, % |
0,1 |
1,5 |
Kuig(25}A, Kui8(25}B, K.Uig(25}C, % |
0,1 |
1,5 |
Kuig(26}A, Kutg(26}B, Ku(g(26}C, % |
0,1 |
1 |
Kuig(27)A, Kutg(27}B, K-Uig(27}C, % |
0,1 |
1 |
Kuig(28}A, Kutg(28}B, Kuig(28}C, % |
0,1 |
1 |
Kuig(29}A, Kutg(29}B, K-Uig(29}C, % |
0,1 |
1 |
Kuig(30)A, K.Uig(3VbB, Kuig(30}C, % |
0,1 |
1 |
Kuig(31)A, Kuig(31)B, Kuig(31)C, % |
0,1 |
1 |
Kuig(32)A, Kuig(32)B, Kuig(32)C, % |
0,1 |
1 |
Kuig(33~)A, Kuig(33)B, Kuig(33~)C, % |
0,1 |
1 |
Kuig(34}A, Kuig(34)B, Kuig(34}C, % |
0,1 |
1 |
Kuig(35}A, Kuig(35}B, K.Uig(35}C, % |
0,1 |
1 |
Kuig(36}A, Kuig(36}B, Kuig(36}C, % |
0,1 |
1 |
Kuig(37)A, Kuig(37)B, Kuig(37}C, % |
0,1 |
1 |
Kuig(38}A, K-Uig(3V]B, Kuig(38}C, % |
0,1 |
1 |
Kuig(39}A, K-Uig(39}B, K.Uig(39}C, % |
о,1 |
1 |
K-Uig(40}A, K-Uig(4ViB, K-Uig(4(^C, % |
0,1 |
1 |
K-Uig(4V)A, ^Uig[4\ \B- % |
0,1 |
1 |
K-Uig(42}A, Kuig(42~) B- Kuig(42~)C, % |
0,1 |
1 |
Kuig(43)A, Kuig(43~)B, Kuig(43~)C, % |
0,1 |
1 |
Kuig(44)A, Kuig(44}B, Kuig(44}C, % |
0,1 |
1 |
Kuig(45}A, Kuig(45)B, ^Uig[45]C- % |
0,1 |
1 |
K-Uig(46]A, Kuig(46}B, K-Uig(4f>]C, % |
0,1 |
1 |
K-Uig(4T>A, Kuig(47}B, K.Uig(47}C, % |
0,1 |
1 |
K-Uig(4$]A, Kuig(48}B, Kuig(4S} C, % |
0,1 |
1 |
Kuig(49}A, Kuig(49)B, K.Uig(49}C, % |
0,1 |
1 |
<PUig(m) |
0° |
0° |
Примечание - Значения коэффициентов лг-ых интергармонических составляющих | ||
междуфазных напряжений приведены в таблице 12. |
21