Руководство по эксплуатации «Приборы для измерений ёмкости и тангенса угла потерь конденсаторов МЦЕ-26А» (КБДА.411213.00 РЭ)
УТВЕРЖДАЮ
Раздел 7 «Методика поверки» Заместитель генерального директора ФБУ «T^pFC. Петербург»
Козлякова
УТВЕРЖД

Главный ^н^е^ер
АО «Н
«

О
# Э 7 з: S
ПРИБОРЫ
ДЛЯ ИЗМЕРЕНИЙ ЭЛЕКТРИЧЕСКОЙ ЁМКОСТИ И
ТАНГЕНСА УГЛА ПОТЕРЬ КОНДЕНСАТОРОВ
МЦЕ-26А
Инв.№ подл. Подпись и дата I Взам. Инв.№ I Ин1з.№ дубл. I Подл, и дата
Руководство по эксплуатации
КБ ДА.411213.001 РЭ
г. Санкт-Петербург
2017 г.
- | |
а: |
213.001 |
гН | |
§ | |
со й | |
Л) | |
Ьз | |
| Справ. № |
-
1. Назначение прибора...............................................................
-
2. Основные технические данные и характеристики.............................
-
3. Состав изделия.................................................................................
-
4. Устройство и принцип работы.....................................................
-
5. Указание мер безопасности....................................................
-
6. Указания по эксплуатации. Порядок работы..................................
-
7. Мето дика поверки......................................................................
-
8. Маркировка...........................................................................
-
9. У паковка...............................................................................
-
10. Свидетельство о приемке..........................................................
-
11. Сведения о поверке.............................................................
-
12. Гарантийные обязательства.....................................................
-
13. Сведения о рекламациях..........................................................
-
3
-
4
7
7
-
9
-
10
12
24
24
-
24
-
25
25
25
-



<3
'О
5S


КБДА.411213.001РЭ | ||||||||
Изм |
Лист |
№> докум. |
Подп. |
Цата | ||||
Разраб. |
Гордейчук |
Приборы для измерения электриче- |
Лит. |
Лист |
Листов | |||
Пров. |
Чечуха |
ской емкости и тангенса угла потерь |
А |
2 |
26 | |||
конденсаторов МЦЕ-26А Руководство по эксплуатации | ||||||||
Н. контр. | ||||||||
Утв. |
1енисенко |
Инв.№ подл. I Подп. и дата Взам. Инв.№ Инв.№ дубл. I Подл, и дата
Настоящее руководство по эксплуатации (РЭ), объединенное с паспортом и методикой поверки, является документом, удостоверяющим гарантированные предприятием - изготовителем основные параметры и технические характеристики прибора МЦЕ-26А (далее - прибор).
Документ содержит сведения об устройстве и принципе работы прибора и устанавливает правила его эксплуатации, соблюдение которых обеспечивает поддержание его в постоянной готовности к применению.
1 Назначение прибора-
1.1 Прибор предназначен для измерения на частоте 1 кГц электрической ёмкости и тангенса угла потерь конденсаторов и их разбраковки по электрической ёмкости и тангенсу угла потерь. При измерении используется эквивалентная параллельная двухэлементная схема замещения конденсатора.
-
1.2 Прибор может быть использован для научных исследований и для контроля электрических параметров при производстве конденсаторов.
-
1.3 По условиям применения прибор относится к группе 2 ГОСТ 22261.
Нормальные условия применения:
-
- температура окружающего воздуха плюс (20 ± 2) °C.
-
- частота питающей сети (50 ± 0,5) Гц;
-
- напряжение питающей сети (220 ± 4,4) В;
Рабочие условия применения:
-
- напряжение питающей сети (220 ± 22) В,
-
- частота питающей сети (50 ± 1) Гц.
-
- температура окружающего воздуха от 10 до 35 °C;
-
- относительная влажность воздуха от 30 до 80 % при плюс 25 °C;
-
- атмосферное давление от 84 до 106,7 кПа (от 630 до 800 мм рт.ст.).
Предельные условия транспортирования:
-
- температура окружающего воздуха предельная: пониженная минус 50 °C; повышенная плюс 50 °C;
Лист
КБДА.411213.001РЭ
Изм
Лист
№ докум.
Подп.
Дата
3
Инв.№ подл. Подп. и дата Взам. Инв.№ I Инв.№ дубл. I Подп. и дата
- относительная влажность воздуха повышенная 95 %, при температуре плюс 25 °C;
-транспортная тряска 80 - 120 ударов в минуту с максимальным ускорением 30 м/с2, длительностью 1 ч.
2 Основные технические данные и характеристики-
2.1 Прибор измеряет следующие параметры:
-электрическую ёмкость конденсаторов;
-тангенс угла потерь конденсаторов.
Осуществляется разбраковка конденсаторов по ёмкости и тангенсу угла потерь.
Диапазон измерения емкости от 0,1 пФ до 1500 мкФ, состоит из 7 поддиапазонов:
-
1 поддиапазон InF: (0,1-1500) пФ;
-
2 поддиапазон 10 nF: (1,000 -15,000) нФ;
-
3 поддиапазон 100 nF: (10,00-150,00) нФ;
-
4 поддиапазон 1 pF: (100,0-1500,0) нФ;
-
5 поддиапазон 10 pF: (1,000-15,000) мкФ;
-
6 поддиапазон 100 pF: (10,00-150,00) мкФ;
-
7 поддиапазон 1 mF:(100,0-1500,0) мкФ;
Выбор поддиапазона производится вручную (режим «Фикс») или автоматически (режим «Фикс» отключен).
Диапазон измерения тангенса угла потерь составляет от 1 • 10’4 до 1,2.
Если при измерении в режиме фиксированного поддиапазона, показания прибора по ёмкости составляют менее 0,09 от максимального значения поддиапазона, то погрешность измерения тангенса угла потерь не нормируются.
-
2.2 Действующее значение напряжения переменного тока на измеряемом объекте:
Лист
КБДА.411213.001РЭ
Изм
Лист
№ докум.
Подп.
Дата
4
-
- от 400 до 500 мВ во всем диапазоне измерения при отключенном режиме «Грубо»;
-
- от 150 до 250мВ во всем диапазоне измерения в режиме «Грубо».
Частота напряжения переменного тока на измеряемом объекте (1000±3) Гц.
-
2.3 Пределы допускаемой основной абсолютной погрешности измерения емкости и тангенса угла потерь не должны превышать значений, указанных в таблицах 1.1 и 1.2 при подключении измеряемого объекта с помощью кабеля КБДА.685622.002.
Инв.№ подл. I Подп. и дата I Взам. Инв.№ I Инв.№ дубл. I Подл, и дата
Таблица 1.1
Погрешность измерения при отключенном режиме « Грубо »
Номер под-диа-па-зона
Обозначение поддиапазона
Диапазон измерения электрической емкости
Пределы допускаемой основной абсолютной погрешности измерения электрической емкости, ДС в ед. поддиапазона измерения
Пределы допускаемой основной абсолютной погрешности измерения тангенса
угла потерь, Atg§
1
1 nF
(0,1 -1500,0) пФ
±(0,002+0,003tg8)C+0,2 пФ+А
±(0,02tg8+3-10'4)
2
10 nF
(1,000-15,000) нФ
±(0,002+0,003tg8)C+A
±(0,02tg8+3-10'4)
3
100 nF
(10,00-150,00) нФ
±(0,002+0,003tg8)C+A
±(0,02tg8+3-10‘4)
4
1 pF
(100,0-1500,0) нФ
±(0,002+0,003tg8)C+A
±(0,02tg8+3-10’4)
5
lOpF
(1,000-15,000) мкФ
±(0,002+0,003tg8)C+A
±(0,02tg8+3-10‘4)
6
100 pF
(10,00-150,00) мкФ
±(0,005+0,003tg8)C+A
±(0,02tg8+3-10’4)
7
1 mF
(100,0-1500,0) мкФ
±(0,005+0,005(C/Cmax)+0,003tg8)C+A
±(0,05tg8+l-10’3)
где С - измеренное значение электрической емкости конденсатора,
Стах - максимальный предел измерения в поддиапазоне , tg8 -измеренное значение тангенса угла потерь конденсатора,
А - значение единицы младшего разряда индикатора
Изм |
Лист |
№ докум. |
Подп. |
Дата |
КБДА.411213.001РЭ
Инв.№ подл. Подп. и дата Взам. Инв.№ Инв.№ дубл. I Подп. и дата
Таблица 1.2
Погрешность измерения при включенном режиме « Грубо » | ||||
Номер под-диап па-зона |
Обозначение поддиапазона |
Диапазон измерения электрической емкости |
Пределы допускаемой основной абсолютной погрешности измерения электрической емкости, АС в ед. поддиапазона измерения |
Пределы допускаемой основной абсолютной погрешности измерения тангенса угла потерь, Atg8 |
1 |
1 nF |
(0,1 -1500,0) пФ |
±(0,005+0,003tg8)C+0,5 пФ+А |
+ (0 . Г)51-сгЯ+ (S + |
2 |
10 nF |
(1,000-15,000) нФ |
±(0,005+0,003tg8)C+A |
±(0,02tg8+5-10'4) |
3 |
100 nF |
(10,00-150,00) нФ |
±(0,005+0,003tg8)C+A |
±(0,02tg8+5-10’4) |
4 |
1 pF |
(100,0-1500,0) нФ |
±(0,005+0,003tg8)C+A |
±(0,02tg8+5-10’4) |
5 |
lOpF |
(1,000-15,000) мкФ |
±(0,005+0,003tg8)C+A |
±(0,02tg8+5-10'4) |
6 |
100 pF |
(10,00-150,00) мкФ |
±(0,005+0,003tg8)C+A |
±(0,02tg8+5-10'4) |
7 |
1 mF |
(100,0-1500,0) мкФ |
±(0,005+0,005(C/Cmax)+0,003tg8)C+A |
±(0,05tg8+l-10’3) |
где С - измеренное значение электрической емкости конденсатора,
Стах - максимальный предел измерения в поддиапазоне, tgS - измеренное значение тангенса угла потерь конденсатора, А - значение единицы младшего разряда индикатора.
-
2.4 Прибор сохраняет погрешность измерений при отклонениях напряжения питающей сети на ± 10% от номинального значения.
-
2.5 Время установления рабочего режима после включения прибора не более 5 минут.
-
2.6 Прибор обеспечивает разбраковку конденсаторов относительно нижней и верхней границ по емкости и верхней границы по tg5 для значений
tg§< 999Т0Л
Изм |
Лист |
№ докум. |
Подп. |
Дата |
КБДА.411213.001РЭ
Лист
-
2.7 Прибор обеспечивает передачу и прием информации в ПЭВМ, с предварительно установленным ПО, по стандартному интерфейсу USB.
-
2.8 Пределы допускаемых абсолютных погрешностей измерения С и tg8 в рабочих условиях применения не должны превышать 2-АС и 2-Atg8.
АС и Atg8 - значения абсолютных погрешностей измерения С и tg8 соответственно, вычисленные по формулам таблиц 1.1, 1.2.
-
2.9 Масса прибора без упаковки не более 5 кг.
Масса прибора в упаковке не более 11 кг.
-
2.10 Габаритные размеры (ширина, глубина, высота) прибора должны быть не более (420x400x160) мм, без упаковки.
Габаритные размеры (ширина, глубина, высота) тарного ящика должны быть не более (530x470x215) мм
3 Состав изделия-
3.1 Комплект поставки прибора указан в таблице 1.3
Инв.№ подл. I Подп. и дата I Взам. Инв.№ I Инв.№ дубл. I Подп. и дата
Таблица 1.3
№
Шифр
Наименование
Обозначение
Кол-во
1
МЦЕ-26А
Прибор для измерения емкости и тангенса угла потерь
КБДА.411213.001
1 шт.
2
Измерительный кабель
КБДА.685622.002
1 шт.
3
Кабель заземляющий
КБДА.685622.003
1 шт.
4
Кабель питания
1 пгт.
5
* Кабель USB A-USBB для соединения с компьютером
1 пгт.
6
* Программное обеспечение на компакт-диске
КБДА.467371.004
1 шт.
7
Руководство по эксплуатации
КБДА.411213.001РЭ
1бр.
* - поставляется по дополнительному заказу
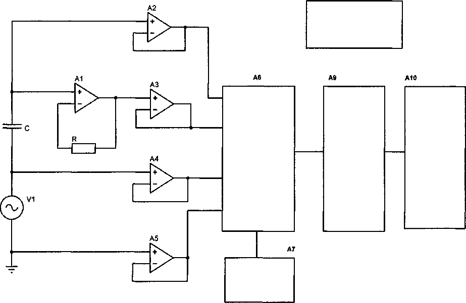
Прибор представляет собой измеритель емкости и тангенса угла потерь
конденсаторов. Функциональная схема прибора показана на рисунке 1.
Изм |
Лист |
№ докум. |
Подп. |
Дата |
КБДА.411213.001 РЭ
А8

Рисунок 1
Подключение измеряемого конденсатора С к прибору осуществляется с помощью четырехпроводной схемы Кельвина, позволяющей минимизировать влияние измерительного кабеля на результат измерений. Измерение осуществляется с помощью мостовой автобалансной схемы, построенной на преобразователе «ток-напряжение» А1, к которому подключен опорный измерительный резистор R, соответствующий одному из поддиапазонов (для обеспечения удовлетворительной читаемости схемы цепи коммутации поддиапазонов исключе-ны).Согласно закону Ома в комплексной форме, из соотношения амплитуд напряжений поступающих на буферные усилители А2-А4 и АЗ-А5 можно получить комплексный импеданс конденсатора, подключенного к измерительной цепи. Усиленные напряжения поступают на аналого-цифровой преобразователь А6. К аналого-цифровому преобразователю подключен прецизионный источник опорного напряжения А7. Значения отсчетов напряжений подаются на вход микроконтроллера А9 и накапливаются в его оперативной памяти. После накопления тре-
Инв.№ подл. I Подп. и дата I Взам. Инв.№ I Инв.№ дубл. I Подп. и дата
Изм |
Лист |
№ докум. |
Подп. |
Дата |
КБДА.411213.001РЭ
Лист
Инв.№ подл. Подл, и дата Взам. Инв.№ I Инв.№ дубл. I Подп. и дата
буемого массива данных в микроконтроллере осуществляется математическая обработка поступающих сигналов с целью фильтрации измеренных напряжений от помех и определения активной и реактивной составляющих импеданса эквивалентной схемы замещения конденсатора. Измеренные значения импеданса масштабируются, корректируются в соответствии с таблицей калибровки и поступают на устройство индикации А10. Генератор синусоидального измерительного сигнала V1 выполнен по технологии прямого цифрового синтеза и обеспечивает низкий коэффициент гармоник и высокую точность частоты измерительного напряжения. Источник питания А8 обеспечивает напряжения и токи, необходимые для питания всех блоков прибора.
Прибор обеспечивает максимальную точность измерений при значении измерительного напряжения 500 мВ (режим «Грубо» отключен, см. табл. 1.1) и более грубую точность измерений при пониженном измерительном напряжении 250 мВ (режим «Грубо» включен, см. табл. 1.2).
5 Указание мер безопасности-
5.1 К управлению прибором допускаются лица изучившие настоящее техническое описание, прошедшие инструктаж по технике безопасности труда на рабочем месте и имеющие 1 квалификационную группу по технике безопасности.
-
5.2 Прибор питается от сети переменного тока 220 В, 50 Гц. Предохранитель рассчитан на ток не более 0,25 А.
-
5.3 Перед включением прибора в сеть необходимо убедиться в том, что сетевой кабель подключен к разъёму на корпусе прибора.
-
5.4 Перед заменой предохранителя необходимо отключить сетевую вилку прибора от сети.
-
5.5 В схеме прибора имеются узлы, находящиеся под высоким напряжением. Поэтому запрещается работа прибора при снятых крышках и панелях прибора.
Лист
КБДА.411213.001РЭ
Изм
Лист
№ докум.
Подп.
Дата
9
-
5.6 Техническое обслуживание, ремонт и наладка прибора должны проводиться с соблюдением мер безопасности, указанных в «Межотраслевых правилах по охране труда при эксплуатации электроустановок».
1
i
Небаланс
Рисунок 2
Инв.№ подл. I Подп. и дата Взам. Инв.№ I Инв.№ дубл. I Подп. и дата
-
6.1 Подключить измерительный кабель к разъемам «1в», «Ub», «Uh», «1н» 4 (см. Рисунок 2), в соответствии с надписями на передней панели прибора и гравировкой на разъемах измерительного кабеля. Подключить заземляющий кабель к разъему «Э».
-
6.2 Подключить прибор к сети, установить клавишу включения питания 2 в положение «I», и дать прогреться прибору в течение 5 минут.
-
6.3 Установить фиксированный или автоматический режим выбора поддиапазона измерений, нажимая на кнопку « Фикс ». Включение фиксированного режима подтверждается включением индикатора. Для работы в режиме автоматического выбора поддиапазона кнопка « Фикс » должна быть отжата. При необходимости провести измерение пониженным измерительным напряжением
Лист
КБДА.411213.001РЭ
Изм
Лист
№ докум.
Подп.
Дата
10
Инв.№ подл. I Подп. и дата I Взам. Инв.№ I Инв.№ дубл. I Подп. и дата
(до 250 мВ действующего значения), нажать на кнопку «Грубо». Включение режима «Грубо» подтверждается включением индикатора.
-
6.4 При выборе фиксированного режима - установить требуемый поддиапазон емкости, нажимая на соответствующую кнопку. Включение поддиапазона подтверждается включением соответствующего индикатора.
-
6.5 Для работы с ручным или дистанционным запуском измерения установить ручку регулятора частоты повторения измерений 3 (см. рисунок 2) в левое крайнее положение до щелчка. При необходимости использования автоматического запуска измерений - установить ручкой регулятора необходимую частоту повторений измерений, контролируя частоту повторения измерений по индикатору «Небаланс».
-
6.6 Перед подключением к зажимам измерительного кабеля прибора конденсатор должен быть разряжен.
-
6.7 Для ручного запуска измерения - нажмите на кнопку «Пуск». Дистанционный запуск измерения описан в п.6.11
-
6.8 Снять показания прибора по С и tgS (индикаторы 1, рис. 2).
-
6.9 Для установки пределов разбраковки по С нажмите кнопку «Ст;п», а затем наберите пятизначное значение мантиссы минимальной допустимой емкости. При вводе пятой цифры, минимальный предел по емкости устанавливается автоматически (не требует подтверждения ввода). Аналогично произведите установку максимального предела по емкости «Стах» и максимального предела по тангенсу угла потерь «tg8max».npH вводе ошибочных значений - прибор сигнализирует звуковым сигналом низкого тона. Вводимые значения пределов отображаются на индикаторе 5 (см. рисунок 2). При вводе значения предела, под вводимой цифрой мигает курсор, после ввода значения предела - индикация курсора отключается.
Если при вводе значений произошла ошибка - необходимо повторно нажать кнопку выбора соответствующего значения пределов и заново ввести значения.
Лист | ||||||
КБДА.411213.001РЭ | ||||||
Изм |
Лист |
№ докум. |
Подп. |
Дата |
11 |
Инв.№ подл. I Подп. и дата I Взам. Инв.№ I Инв.№ дубл. I Подп. и дата
-
6.10 Включение режима разбраковки производится нажатием на кнопку «Разбр». В этом режиме включение индикатора 6 (см. рисунок 2) «Брак» соответствует выходу измеряемых параметров за установленные пределы.
-
6.11 Для работы с прибором в режиме дистанционного управления от ПК подключите прибор к ПК с помощью кабеля «USBA -USBB» из комплекта поставки прибора. Прибор должен быть подготовлен к измерению в соответствии с п. 6.1-6.5 настоящего руководства по эксплуатации. Затем установите на компьютер программу «MCE26A_Test.exe», скопировав её с компакт диска в удобное место на жестком диске компьютера. Запустите программу.
Запуск измерения осуществляется при нажатии на кнопку «Измерение» в окне программы. После произведения измерения программа отображает измеренные значения С и tg5, а также время затраченное на измерение.
Вывод номера версии встроенного программного обеспечения прибора осуществляется при нажатии на кнопку "Информация" в окне программы.
7 Методика поверкиНастоящая методика поверки распространяется на приборы для измерения электрической ёмкости и тангенса угла потерь конденсаторов МЦЕ -26А и устанавливает объем, условия поверки, методы и средства экспериментального исследования метрологических характеристик и порядок оформления результатов поверки.
Допускается проведение поверки отдельных диапазонов в соответствии с заявлением владельца прибора, с обязательным указанием в свидетельстве о поверке информации об объеме проведенной поверки.
Интервал между поверками - 1 год.
-
7.1 Операции и средства поверки
При проведении поверки должны быть выполнены операции указанные в таблице 1.3.
Лист | ||||||
КБДА.411213.001РЭ | ||||||
Изм |
Лист |
№ докум. |
Подп. |
Дата |
12 |
Инв.№ подл. Подп. и дата Взам. Инв.№ Инв.№ дубл. I Подп. и дата
Таблица 1.3
№ п/п |
Наименование операции |
№ пункта методики |
Средства поверки и их нормативнотехнические характеристики |
Выполнение операции при поверке | ||
Первичной и после ремонта |
Периодической | |||||
при выпуске из производства |
при ремонте |
при эксплуатации и хранении | ||||
1 |
2 |
3 |
4 |
5 |
6 | |
1 |
Внешний осмотр и проверка комплектности. |
7.5.1 |
ДА |
ДА |
ДА | |
2 |
Проверка соответствия требованиям безопасности:
прочности изоляции.
изоляции.
|
7.5.2
|
Универсальная пробойная установка УПУ-ЮМ(О-Ю) кВ, (50 ±10) Гц. Мегаомметр Ml 102/1, до 500 МОм, КТ1. МультиметрЗ4401А ф. Agilent IL 100 мкВ-750В, ПГ ±(0,09-4,5)% Г:ЗГц-ЗООкГц ПГ±(0,01 - 0,10)% R: 0,1 Ом -100 МОм; КТ 0,01 |
ДА |
ДА |
НЕТ |
3 |
Опробование |
7.5.3 |
Магазин сопротив-ленийР4830/2, (0,1-10)5 Ом, КТ 0,05 Магазин емкости Р5025 (0,0001- 100) мкФ, ПГ ±(0,02 - 0,05) %, tg5nr±0,5T0'4 |
ДА |
ДА |
ДА |
4 |
Проверка частоты и напряжения переменного тока на измеряемом конденсаторе. |
7.5.4 |
Мультиметр34401А ф. Agilent LL 100 мкВ-750В, ПГ ±(0,09-4,5)% F: 3 Гц- ЗООкГц ПГ ±(0,01 -0,10)% |
ДА |
ДА |
ДА |
Изм |
Лист |
№ докум. |
Подп. |
Дата |
КБДА.411213.001РЭ
Лист
Инв.№ подл. I Подп. и дата Взам. Инв.№ Инв.№ дубл. Подп. и дата
1 |
2 |
3 |
4 |
5 |
6 | |
5 |
Определение метрологических характеристик:
мер емкости.
|
7.5.5
|
Мера малой емкости КМЕ-11, 0,1 пФ, ПГ ±0,02 %, Меры емкости образцовые Р597,1 пФ -100 пФ ПГ ±0,05 %, tg5nr: ±0,5-10’4 Меры параметров емкости и тангенса угла потерь МПЕТ-1 А, 100 пФ -1 мкФ ПГ±0,02%, tg8 ПГ ±5-10‘5, магазины емкости: Р5025 (0,0001 -100)мкФ, ПГ ±(0,02 - 0,05) %, tgS ПГ±0,5-10'4 М1000(100-1000)мкФ, ПГ ±0,2 %, tgS ПГ ±5-1 О'4 Магазин электрического сопротивления P4830/2,(0,l—105) Ом, КТ 0,05 Мера электрического сопротивление однозначная Р4017,10 МОм, 3 разряд, ПГ±0,05 % |
ДА |
ДА |
ДА |
6 |
Проверка разбраковки конденсаторов по емкости и тангенсу угла потерь |
7.5.5.3 |
Магазин емкости Р5025(0,001 - 100)мкФ, ПГ ±(0,02 -0,05) %, tgS ПГ ±0,5-10^ магазин электрического сопротивления Р4830/2,(0,1-105) Ом, КТ 0,05 |
ДА |
ДА |
ДА |
7 |
Проверка соответствия программного обеспечения |
7.5.5А |
ДА |
ДА |
ДА |
Примечание — допускается применение других основных и вспомогатель
ных средств поверки с метрологическими характеристиками, обеспечивающими требуемые точности измерений.
7.2 Требования к квалификации специалистов, проводящих поверку
Специалисты, проводящие поверку, должны быть аттестованы в качестве поверителей средств измерений электрических величин, имеющих квалификационную группу по технике безопасности не ниже III.
Изм |
Лист |
№ докум. |
Подп. |
Дата |
КБДА.411213.001РЭ
Лист
Инв.№ подл. I Подп. и дата I Взам. Инв.№ I Инв.№ дубл. I Подп. и дата
-
7.3 Требования безопасности
При проведении поверки необходимо соблюдать требования безопасности, приведенные в руководствах по эксплуатации на средства поверки и поверяемый прибор.
-
7.4 Условия поверки и подготовка к ней.
-
7.4.1 Поверку проводят в нормальных условиях:
-
- температура окружающего воздуха (20 ± 2) °C.
-
- частота питающей сети (50 ± 0,5) Гц;
-
- напряжение питающей сети (220 ± 4,4) В.
-
- относительная влажность воздуха от 30 до 80 %;
-
- атмосферное давление от 84 до 106,7 кПа (от 630 до 800 мм рт.ст.).
-
7.4.2 Проверить соответствие пределов измерения и классов точности средств поверки, указанным в таблице 1.3.
-
7.5 Проведение поверки.
-
7.5.1 Внешний осмотр и проверка комплектности.
При проведении внешнего осмотра должно быть установлено соответствие проверяемого прибора требованиям:
-
- прибор должен быть укомплектован кабелем измерительным (КБ ДА-685622.002);
-
- прибор не должен иметь механических повреждений, нарушения работы органов управления, повреждений измерительного кабеля, сетевого провода;
-
- прибор должен иметь маркировку, предусматривающую наименование прибора, заводской номер, год выпуска, знак испытательного напряжения изоляции по ГОСТ 23217, товарный знак предприятия-изготовителя, знак утверждения типа.
-
7.5.2 Проверка соответствия требованиям безопасности.
-
7.5.2.1 Проверка электрической прочности изоляции.
Лист
КБДА.411213.001РЭ
Изм
Лист
№ докум.
Подп.
Дата
15
Инв.№ подл. I Подп. и дата Взам. Инв.№ I Инв.№ дубл. I Подп. и дата
Проверку электрической прочности изоляции проводят с помощью универсальной пробойной установки УПУ-10М согласно инструкции по применению этой установки следующим образом.
Испытательное напряжение с установки подают на один из двух закороченных контактов сетевой вилки и на контакт защитного заземления сетевой вилки прибора, плавно увеличивая напряжение от 0 до 1500 В в течение (10 - 15) с. Время выдержки кабеля сетевого питания под испытательным напряжением 1500 В - 1 минута. Снижают напряжение до «0» плавно в течение не менее 10 с.
Прибор считают выдержавшим испытание, если не произошло пробоя или перекрытия изоляции.
-
7.5.2.2 Проверку электрического сопротивления изоляции проводят мегаомметром Ml 102/1 между закороченными контактами сетевой вилки и контактом защитного заземления сетевой вилки прибора
Прибор считают выдержавшим испытания, если измеренные значения сопротивления не менее 20 МОм.
-
7.5.2.3 Проверку электрического сопротивления заземления проводят с помощью мультиметра Agilent 34401 А. Мультиметр подключают между зажимом защитного заземления и корпусом прибора через винт крепления сетевой розетки прибора, расположенный на задней панели.
Прибор считают выдержавшим испытания, если измеренное значение сопротивления не более 0,5 Ом.
-
7.5.3 Опробование.
Присоединить измерительный кабель (КБДА.685622.002) к разъёмам«1в», «Ub», «Uh», «1н», прибора в соответствии с маркировкой на разъемах. Установить клавишу включения питания 2 в положение «I», и дать прогреться прибору в течение 5 минут.
Убедиться в работоспособности прибора. Для этого подключить к зажимам измерительного кабеля соединенные параллельно магазин сопротивлений
Лист | ||||||
КБДА.411213.001РЭ | ||||||
Изм |
Лист |
№ докум. |
Подп. |
Дата |
16 |
Инв.№ подл. I Подп. и дата Взам. Инв.№ Инв.№ дубл. I Подп. и дата
Р4830/2 и магазин ёмкости Р5025. Включить режим измерений «Фикс». Установить поддиапазон измерений прибора «1 pF». Изменяя значения электрической ёмкости и сопротивления убедиться в исправности всех разрядов цифровых индикаторов прибора.
-
7.5.4 Проверка частоты и напряжения переменного тока на измеряемом конденсаторе.
-
7.5.4.1 Подключить между зажимом измерительного кабеля, соединенного с разъемами «1в», «Ив» и разъемом «Э» прибора, щупы цифрового мультиметра Agilent34401A
-
7.5.4.2 Включить режим «Фикс» и, нажимая последовательно кнопки «lmF», «100 pF», «10 pF», «lpF»,«100nF», «10nF» и «1 nF», измерить напряжение, согласно руководству по эксплуатации мультиметра. Измеренное значение напряжения переменного тока должно находиться в пределах 400-500 мВ.
-
7.5.4.1.3 Включить режим «Грубо».
-
7.5.4.1.4 Повторить измерения аналогично п.7.5.4.1.2. Измеренное значение напряжения переменного тока во всех диапазонах измерения должно находиться в пределах 150-250 мВ.
-
7.5.4.1.5 Переключить мультиметр Agilent34401A в режим измерения частоты в соответствии с руководством по эксплуатации мультиметра. Измерить частоту измерительного напряжения. Измеренное значение частоты измерительного напряжения должно составлять (1000 ± 3) Гц.
-
7.5.4.1.6 Отключить режим «Грубо».
7.5.5 Определение метрологических характеристик.
-
7.5.5.1 Определение основной абсолютной погрешности измерений электрической емкости и тангенса угла потерь с помощью мер электрической емкости.
-
7.5.5.1.1 Установить клавишу питания прибора в положение «I» (включено). Включить режим «Фикс».
Лист
КБДА.411213.001РЭ
Йзм
Лист
№ докум.
Подп.
Дата
17
7.5.5.1.2 Устанавливая кнопками на лицевой панели требуемый поддиапазон и подключая к зажимам измерительного кабеля прибора поочередно меры электрической емкости, измерить электрическую емкость и тангенс угла потерь в соответствии с таблицей 1.4.
Инв.№ подл. I Подп. и дата I Взам. Инв.№ Инв.№ дубл. I Подп. и дата
Таблица 1.4
Поддиапазон |
Тип средства поверки |
Номинальное значение С |
1 nF |
КМЕ-11 |
0,1 пФ* |
Р597 |
1пФ | |
4пФ | ||
10 пФ | ||
40 пФ | ||
80 пФ | ||
100 пФ | ||
Р597, МПЕТ-1А |
400 пФ | |
1000 пФ | ||
10 nF |
1000 пФ | |
4000 пФ | ||
0,01 мкФ | ||
100 nF |
0,01 мкФ | |
0,04 мкФ | ||
0,1 мкФ | ||
1 pF |
0,1 мкФ | |
0,4 мкФ | ||
Р5025 |
1,0 мкФ | |
1,5 мкФ | ||
10 pF |
1,0 мкФ | |
4,0 мкФ | ||
10,0 мкФ | ||
100 pF |
10.0 мкФ | |
20,0 мкФ | ||
30,0 мкФ | ||
40,0 мкФ | ||
М1000 |
100,0 мкФ | |
1 mF |
100,0 мкФ | |
200,0 мкФ | ||
300,0 мкФ | ||
400,0 мкФ | ||
1000,0 мкФ | ||
М1000+М1000 |
1500,0 мкФ* | |
* проведение поверки на данном номинальном значении проводится по требованию |
Повторить измерения в режиме «Грубо» аналогично п. 7.5.5.1.1 и
п. 7.5.5.1.2.
Изм |
Лист |
№ докум. |
Подп. |
Дата |
КБДА.411213.001РЭ
Лист
Показания прибора по емкости С и тангенсу угла потерь tg8 не должны отличаться от действительных значений С и tg6 мер более, чем на АС и Atg8, где АС и Atg8 - пределы допускаемой абсолютной погрешности по емкости и по тангенсу угла потерь, указанные в таблицах 1.1 и 1.2.
-
7.5.5.2 Определение основной абсолютной погрешности измерения тангенса угла потерьс помощью составных мер тангенса угла потерь.
-
7.5.5.2.1 Подключить к зажимам измерительного кабеля КБДА.685622.002 параллельно включенные меры электрической емкости и меры сопротивления, установить режим измерения «Фикс». Значение электрической емкости (С) и значения сопротивлений (R) установить в соответствии с таблицами 1.5, 1.6. Измерить тангенс угла потерь.
Таблица 1.5
Инв.№ подл. I Подп. и дата I Взам. Инв.№ I Инв.№ дубл. I Подп. и дата
Обозначение поддиапазона |
Номинальное значение электрической емкости С, нФ |
1 nF |
1 |
10 nF |
10 |
Номинальное значение сопротивления R, Ом |
Расчетное значение tgs-io-4 |
ю7 |
159 |
3,2-10’ |
497 |
1,64 о6 |
995 |
15,92-106 |
10 |
3,2-106 |
50 |
1,6-106 |
100 |
1,0-106 |
159 |
750-103 |
212 |
320-103 |
497 |
160-103 |
995 |
13-Ю3 |
12243 |
Изм |
Лист |
№ докум. |
Подп. |
Дата |
КБДА.411213.001РЭ
Лист
Таблица 1.6
Обозначение поддиапазона |
Номинальное значение электрической емкости С, мкФ |
Номинальное значение сопротивления R, Ом |
Расчетное значение tg§-10'4 |
100 nF |
0,1 |
100-103 |
159 |
16-Ю3 |
995 | ||
1,6-103 |
9947 | ||
1 pF |
1 |
16-Ю3 |
100 |
1,6-103 |
995 | ||
160 |
9947 | ||
10 pF |
10 |
10103 |
16 |
7,5-103 |
21 | ||
3,2-103 |
50 | ||
100 pF |
100 |
796 |
20 |
436 |
37 | ||
46,9 |
339 | ||
1,29 |
1234 | ||
1 mF |
1000 |
100 |
16 |
10 |
159 | ||
1 |
1591 |
Инв.№ подл. I Подп. и дата Взам. Инв.№ Инв.№ дубл. Подп. и дата
Действительное значение tg8fleticTB-onpeflenaioT по формуле:
^ё^действ^ёбрасц + tg8M tg6pac4 = 103- (6,2832-R-C)'1 где: С - измеренное значение эл. емкости в мкФ;
R - значение сопротивления, в Ом;
tg§M - значение тангенса угла потерь меры эл. емкости.
Измеренные значения тангенса угла потерь не должны отличаться от действительных значений более чем на Atg8 , где Atg8 - пределы допускаемой абсолютной погрешности, указанные в таблице 1.1.
Изм |
Лист |
№ докум. |
Подп. |
Дата |
КБДА.411213.001РЭ
Лист
Инв.№ подл. I Подп. и дата I Взам. Инв.№ I Инв.№ дубл. I Подп. и дата
Примечание— допускается подключать к прибору параллельно соединенные меры электрической ёмкости и меры электрического сопротивления с параметрами, отличными от указанных в таблицах 1.5, 1.6, с пересчетом значений tg^pacH И tg8fleHcTB.
Установить режим измерения «Грубо» и повторить измерения tg5, устанавливая значения электрической ёмкости и сопротивления в соответствии с таблицами 1.5 и 1.6.
Измеренные значения тангенса угла потерь не должны отличаться от действительных значений tg8flei,cTB более чем на Atg8, где Atg8 -пределы допускаемой абсолютной погрешности, указанные в таблице 1.2.
-
7.5.5.3 Проверка разбраковки конденсаторов по емкости и тангенсу угла потерь.
-
7.5.5.3.1 Включить режим «Фикс». Установить поддиапазон измерений «100 pF».
-
7.5.5.3.2 Включить режим разбраковки нажатием кнопки «Разбр.».
-
7.5.5.3.3 Подключить к зажимам измерительного кабеля параллельно соединенные магазин электр. емкости Р5025 и магазин сопротивлений Р4830/2.
-
7.5.5.3.4 Изменяя значения магазинов Р5025 и Р4830/2, добиться показаний прибора в соответствии с таблицей 1.7.
Лист
КБДА.411213.001РЭ
Изм
Лист
№ докум.
Подп.
Дата
21
Таблица 1.7
Показания прибора по емкости |
Стах |
Cmin |
Индикация «БРАК» |
7777 |
07778 |
07776 |
- |
7777 |
07776 |
07776 |
+ |
7777 |
07778 |
07778 |
+ |
8888 |
08889 |
08887 |
- |
8888 |
08887 |
08887 |
+ |
8888 |
08889 |
08889 |
+ |
10000 |
10001 |
09999 |
- |
10000 |
09999 |
09999 |
+ |
10000 |
10001 |
10001 |
+ |
Инв.№ подл. I Подл, и дата I Взам. Инв.№ I Инв.№ дубл. I Подп. и дата
-
7.5.5.3.5 Установить верхнюю границу разбраковки в соответствии с таблицей 1.7. Нажать кнопку Стах, а затем ввести необходимые значения с помощью кнопок «0..9», контролируя ввод значений на вспомогательном дисплее прибора. Вводимая цифра выделяется с помощью мигающего курсора. При возникновении ошибки при вводе, необходимо повторно нажать кнопку Стах и повторно ввести значения.
-
7.5.5.3.6 Аналогично п.7.5.5.3.5, нажать кнопку Cmin., установить нижнюю границу разбраковки по емкости в соответствии с таблицей 1.7. Нажать кнопку tgSmax- и установить верхнюю границу по тангенсу угла потерь.
-
7.5.5.3.7 Для каждого показания прибора проверить правильность разбраковки, устанавливая границы Стах, Ст;п,в соответствии с таблицей 1.7.
-
7.5.5.3.8 Аналогично проверить разбраковку по тангенсу угла потерь в соответствии с таблицей 1.8.
Изм
Лист
№ докум.
Подп.
Дата
КБДА.411213.001РЭ
Лист
Таблица 1.8
Показания прибора по емкости |
Показания прибора по tgS |
Граница tg5 |
Индикация «БРАК» |
7777 |
777 |
778 |
- |
7777 |
777 |
776 |
+ |
7777 |
888 |
889 |
- |
8888 |
888 |
887 |
+ |
Инв.№ подл. I Подп. и дата I Взам. Инв.№ I Инв.№ дубл. I Подп. и дата
7.5.5.4. Проверка соответствия программного обеспечения.
Загрузить и запустить на ПК программу «Test _MCE-26.exe». Вывод номера версии встроенного программного обеспечения прибора осуществляется при нажатии на кнопку «Информация» в окне программы. Версия встроенного ПО не должна отличаться от версии указанной в описании типа средства измерений.
7.6 Оформление результатов поверки.
-
7.6.1 Положительные результаты первичной поверки при выпуске из производства оформляются отметкой в паспорте (дата и знак поверки в виде оттиска поверительного клейма, заверенные подписью поверителя) с выдачей свидетельства о поверке по форме согласно Приказу Минпромторга России от 02.07.2015 г. №1815 и нанесением на прибор знака поверки в виде наклейки или оттиска поверительного клейма.
-
7.6.2 Положительные результаты периодической поверки оформляют свидетельством о поверке по форме согласно Приказу Минпромторга России от 02.07.2015 г. №1815 и нанесением на прибор знака поверки в виде наклейки или оттиска поверительного клейма.
-
7.6.3 Отрицательные результаты поверки оформляют извещением о непригодности к применению, по форме согласно Приказу Минпромторга России от
Изм
Лист
№ докум.
Подп.
Дата
КБДА.411213.001РЭ
Лист
Инв.№ пода. I Подо, и дата I Взам. Инв.№ I Инв.№ дубл. I Подп. и дата
02.07.2015 г. №1815, «Свидетельство о поверке» аннулируется, отметка в паспорте не ставится.
8 МаркировкаПрибор имеет следующую маркировку:
на передней панели:
-
- сокращенное обозначение;
на задней панели:
-
- товарный знак предприятия-изготовителя;
-
- заводской номер;
-
- год выпуска;
-знак испытательного напряжения изоляции по ГОСТ 23217;
-
- знак утверждения типа.
Прибор и эксплуатационные документы упакованы в тарный ящик КБДА.321161.001.
Под крышку ящика вложен упаковочный лист, подписанный представителем ОТК и руководство по эксплуатации КБДА.411213.001РЭ.
10 Сведения о приёмкеПрибор МЦЕ-26А заводской №______________ соответствует техничес
ким условиям КБДА.411213.001 ТУ и признан годным к эксплуатации.
Дата выпуска______________________________
Подпись ОТК__________________________
Лист | ||||||
КБДА.411213.001РЭ | ||||||
Изм |
Лист |
№ докум. |
Подп. |
Дата |
24 |
Инв.№ подл. I Подп. и дата I Взам. Инв.№ I Инв.№ дубл. I Подп. и дата
Дата проведения первичной поверки «____»_______________20__г.
Поверитель (подпись, фамилия)_____________ «_________________»
Знак поверки
12 Гарантийные обязательстваПредприятие-изготовитель гарантирует работу и соответствие прибора руководству по эксплуатации на него в течение 24 месяца со дня отгрузки прибора. В течение гарантийного срока предприятие-изготовитель устраняет дефекты, выявленные в процессе эксплуатации, а в случае обнаружения неустранимых дефектов безвозмездно заменяет прибор при условии соблюдения потребителем правил эксплуатации и хранения, установленных в руководстве по эксплуатации КБДА.411213.001 РЭ.
13 Сведения о рекламацияхПри обнаружении неисправности прибора в период гарантийного срока должен быть составлен акт о необходимости ремонта и отправки прибора предприятию-изготовителю. В акте обязательно указать тип, заводской номер прибора и год выпуска.
Эти документы направить начальнику ОТК предприятия-изготовителя по адресу:
194223, г. Санкт-Петербург, ул. Курчатова, д. 10, АО «НИИ «Гириконд».
Лист | ||||||
КБДА.411213.001РЭ | ||||||
Изм |
Лист |
№ докум. |
Подп. |
Дата |
25 |
Инв.№ подл. I Подп. и дата I Взам. Инв.№ I Инв.№ дубл. I Подп. и дата
Лист регистрации изменений | |||||||||
Изм. |
Номера листов (страниц) |
Всего листов (страниц) в докум. |
№ докум. |
Входящий № сопроводительного докум. и дата |
Подп. |
Дата | |||
изме нен-ных |
замене иных |
новых |
аннулированных | ||||||
Изм |
Лист |
№ докум. |
Подп. |
Дата |
КБДА.411213.001РЭ
Лист
26