Методика поверки «Стенды тормозные PFB022, PFB030, PFB035, PFB040, PFB060, PFB100, PFB150, PFB200, PFB715» (МП АПМ 55-13)
УТВЕРЖДАЮ
Генеральный директор
ООО «Автопрогресс-М»
Стенды тормозные PFB022, PFB030, PFB035, PFB040, PFB060, PFB100, PFB150, PFB200, PFB715
МЕТОДИКА ПОВЕРКИ
МПАПМ 55-13 г. Москва
2013 г.
Настоящая методика распространяется на стенды тормозные PFB022, PFB030, PFB035, PFB040, PFB060, PFB100, PFB150, PFB200, PFB715 в качестве рабочего средства измерений.
Интервал между периодическими поверками - 1 год.
1. Операции поверкиПри проведении поверки должны выполняться операции, указанные в таблице 1.
Таблица 1
|
Наименование этапа поверки |
№ пункта документа по поверке | |
|
1 |
Внешний осмотр, проверка маркировки и комплектности |
7.1 |
|
2 |
Опробование, проверка работоспособности функциональных режимов |
7.2 |
|
2.1 |
Проверка диапазона измерений тормозной силы |
7.2.1 |
|
2.2 |
Проверка диапазона измерений усилия на органе управления |
7.2.2 |
|
2.3 |
Проверка диапазона измерений массы транспортного средства, приходящейся на ось |
7.2.3 |
|
2.4 |
Определение средних диаметров опорных роликов |
7.2.4 |
|
3 |
Идентификация программного обеспечения |
7.3 |
|
4 |
Определение метрологических характеристик стенда |
7.4 |
|
4.1 |
Определение относительной погрешности измерений тормозной силы |
7.4.1 |
|
4.2 |
Определение относительной погрешности измерений усилия на органах управления тормозными системами |
7.4.2 |
|
4.3 |
Определение относительной погрешности измерений массы транспортного средства, приходящейся на ось |
7.4.3 |
|
4.4 |
Определение относительной погрешности измерений давления сжатого воздуха в тормозном приводе |
7.4.4 |
При проведении поверки должны применяться эталоны и вспомогательные средства, приведенные в таблице 2.
Таблица 2
|
№ пункта документа по поверке |
Наименование эталонов, вспомогательных средств поверки и их основные метрологические и технические характеристики |
|
7.2.5 |
Рулетка измерительная металлическая, 0-5000 мм, кл 3, ГОСТ 7502-98 |
|
7.4.1 |
Эталонные гири класса М] по ГОСТ OIML R-111-1-2009 массой: 10 кг - 1 шт.; 20 кг - 2 шт.; 0,25 кг - 1 шт.; 0,5 кг - 1 шт.; 1 кг - 3 шт.; 5 кг - 1 шт.; 10 кг - 1 шт.; 20 кг - 3 шт.; Уровень брусковый 200-0,08, ГОСТ 9392-89 Калибровочные приспособления из комплекта поставки или аналогичные по конструкции, аттестованные в установленном порядке Рулетка измерительная металлическая, 0-5000 мм, кл 3, ГОСТ 7502-98 |
|
7.4.2 |
Рабочий эталон 2-го разряда, динамометр по ГОСТ Р 8.663-09, (10+1000) Н, пг. ±0,46 % |
|
7.4.3 |
Эталонные гири класса Mi по ГОСТ OIML R-111-1-2009 массой: 500 кг - 8 шт. |
|
7.4.4 |
Манометр с верхним пределом измерения 2 МПа, КТ 1,5 по ГОСТ 2405-88. |
Примечание. Вместо указанных в таблице средств измерений разрешается применять другие с аналогичными характеристиками.
3. Требования к квалификации поверителейК проведению поверки допускаются лица, изучившие эксплуатационные документы на стенды тормозные, имеющие достаточные знания и опыт работы с ними.
4. Требования безопасности-
4.1. Перед проведением поверки следует изучить техническое описание и инструкцию по эксплуатации на поверяемый стенд тормозной и приборы, применяемые при поверке.
-
4.2. К поверке допускаются лица, прошедшие инструктаж по технике безопасности при работе на электроустановках.
-
4.3. Перед проведением поверки должны быть выполнены следующие работы:
-
- все детали стенда тормозного и средств поверки должны быть очищены от пыли и грязи;
-
- поверяемый стенд тормозной и приборы, участвующие в поверке должны быть заземлены.
При проведении поверки должны соблюдаться следующие нормальные условия измерении:
-
- температура окружающей среды,°C
20±5;
не более (60±20);
84,0..106,7 (630..800);
-
- относительная влажность воздуха,%
-
- атмосферное давление, кПа (мм рт.ст.)
Перед проведением поверки должны быть выполнены следующие подготовительные
работы:
-
- проверить наличие действующих свидетельств о поверке на средства поверки;
-
- стенд тормозной должен быть установлен в соответствии с инструкцией по установке фирмы-изготовителя;
-
- стенд тормозной и средства поверки привести в рабочее состояние в соответствии с их эксплуатационной документацией;
-
- стенд тормозной и средства поверки должны быть выдержаны в испытательном помещении не менее 1 ч;
-
- для поверяемого образца стенда тормозного должна быть выполнена процедура калибровки измерительных датчиков согласно технической документации фирмы -изготовителя.
-
7. Проведение поверки
При внешнем осмотре должно быть установлено соответствие стенда тормозного следующим требованиям:
-
- наличие маркировки (наименование или товарный знак фирмы-изготовителя, тип и заводской номер стенда тормозного);
-
- комплектность стенда тормозного должна соответствовать руководству по эксплуатации;
-
- отсутствие механических повреждений и коррозии корпуса, рабочих поверхностей опорных роликов и других конструктивных элементов стенда тормозного;
-
- отсутствие механических повреждений и загрязнений сигнальных индикаторов, экрана дисплея, а также других повреждений, затрудняющих отсчет показаний и влияющих на их точность;
-
- наличие четких надписей и отметок на органах управления.
-
7.2. Опробование, проверка работоспособности функциональных режимов
Проверка диапазона измерений тормозной силы проводится при установленной оси автомобиля на ходовых роликах стенда. В соответствии с руководством по эксплуатации стенда тормозного производится торможение колес оси автомобиля, установленных на ходовых роликах, вплоть до их блокировки. При этом фиксируются значения тормозной силы, соответствующей конкретному типу тестируемого автомобиля. Верхний диапазон измерений тормозной силы может быть проверен путем установки на стенд тяжелого груженого (нагрузка на ось не менее 3,5 тонн) автомобиля с исправно функционирующей тормозной системой, которую задействуют при его нахождении на стенде.
7.2.2. Проверка диапазона измерений усилия на органе управления тормозной системойПроверка диапазона измерений усилий на органах управления тормозной системой автомобиля проводится при установленной оси автомобиля на опорных роликах стенда. В соответствии с руководством по эксплуатации стенда тормозного тензометрический датчик канала измерений усилий на органах управления тормозными системами автомобиля, устанавливается на педали тормоза автомобиля. Путем нажатия на тормозную педаль с установленным датчиком, тестирование доводится до блокировки колес или до достижения усилия на органе управления, регламентированной действующими нормами для данной категории ТС, после чего измерения также будут остановлены. Верхний диапазон измерений проверяется следующим образом: необходимо нагрузить датчик измерений усилий на органах управления тормозной системой автомобиля грузом, соответствующим по массе максимально заявленной нагрузке, и считать значение зарегистрированного при этом усилия.
7.2.3. Проверка диапазона измерений массы транспортного средства, приходящейся на осьПроверка диапазона измерений массы транспортного средства, приходящейся на ось, проводится путем установки на опорные ролики стенда тормозного оси автомобиля с массой оси, соответствующей максимальному значению верхнего предела измерений статической нагрузки на ось. Показания значения статической нагрузки на ось автомобиля считываются с дисплея приборной стойки стенда тормозного. Проверка может выполняться также с помощью специального калибровочного устройства, создающего соответствующую статическую нагрузку на роликовый блок.
7.2.4. Определение средних диаметров опорных роликовОпределение средних диаметров роликов осуществляется в следующей последовательности:
-
- отметить точки измерений на поверхности роликов фломастером.
-
- измерить с помощью ленты измерительной диаметры dl, d2 и d3. Измерения проводятся лентой измерительной на двух опорных роликах по одному из каждой пары. Точки, в которых по длине ролика следует измерять длины окружностей и рассчитывать диаметры dl, d2 и d3, выбираются в соответствии с рис. 1. Результаты измерений диаметров dl, d2 и d3 для каждого ходового ролика заносятся в протокол поверки.
1
Уз
----------------------------------------------------------------------------------------------------------------------------------------------------1
1
m101b.cdr
/2 = с
1, =0,251
,51
1, = 0,751
Рис. 1. Точки измерений для dj, 62 и 63
-
- рассчитать для каждого исследуемого ролика эффективный диаметр ролика deff и средний диаметр ролика dm согласно следующим уравнениям:
t/eff — 0,1 d\ + 0,8 б?2 +0,1 dy
dm = deff - rrau (мм)
где: rrau - высота неровностей профиля (за величину высоты неровностей профиля принимается удвоенная усредненная высота неровностей профиля). Высота неровностей профиля указывается в технической документации на стенд.
Величины диаметров роликов и предельные отклонения этих величин не должны превышать значений, указанных в Приложении 1.
7.3. Идентификация программного обеспеченияПри проведении идентификации программного обеспечения необходимо выполнить следующие процедуры:
-
- включить приборную стойку;
-
- после загрузки ОС запустить программу открытием файла Lin_revW.exe;
-
- открыть раздел «О программе»
-
- на экран будет выведена информация об установленном ПО.
-
7.4. Определение метрологических характеристик стенда
Определение относительной погрешности при измерении тормозной силы производится при помощи калибровочных приспособлений в зависимости от выбранной модели тормозного стенда (см. Приложение 2 для легковых моделей стендов и Приложение 3 для грузовых). Стандартные операции поверки поверяемого стенда тормозного должны выполняться в следующей последовательности:
-
- включить стенд;
-
- снять защитный кожух над датчиками тормозной силы;
-
- установить на посадочное место левого мотор - редуктора калибровочный рычаг с чашкой для размещения грузов контрольных и закрепить его болтами;
-
- вращением регулировочного винта добиться горизонтального положения рычага, контролируя горизонтальность по уровню брусковому, установленному на рычаге;
-
- зафиксировать положение рычага затяжкой крепящих его болтов;
-
- зайти в раздел калибровки;
-
- устанавливать на чашке калибровочного рычага наборы из грузов контрольных, при этом значение величин тормозных сил, отображаемое на мониторе компьютера для выбранных значений величин масс наборов грузов контрольных, должно соответствовать величинам, рассчитанным по соотношениям, указанным на схемах калибровочных рычагов (см. Приложения 2-3):
-
- выполнить измерения в каждой выбранной точке диапазона не менее пяти раз, устанавливая соответствующий набор гирь и снимая его с чашки калибровочного приспособления. После проведения цикла измерений контролировать показания при нулевой нагрузке с показывающих приборов силоизмерительного устройства стенда.
-
- аналогичные измерения провести для правого мотор-редуктора;
-
- относительная погрешность измерений в каждой точке градуировочной характеристики вычисляется по формуле:
F - F
£ гизмср “ гдейст 1АЛП/
Ох =------------X 100% , где
F и
деист
Ризм - среднее арифметическое значение тормозной силы в выбранной точке диапазона измерений, Н.
За окончательный результат принять наибольшую из величин Sj, полученную из этих вычислений. Относительная погрешность при измерениях величины тормозной силы не должна превышать значений, указанных в Приложении 1.
7.4.2. Определение относительной погрешности измерений усилия на органе управленияПри определении относительной погрешности измерений усилий на органах управления тормозными системами, выносной тензометрический датчик стенда тормозного, с помощью которого измеряются усилия на органах управления тормозными системами, необходимо установить в силонажимное приспособление. Поверку производить в следующей последовательности:
-
- выбрать режим калибровки педального датчика;
-
- установить динамометр эталонный и выносной тензометрический датчик стенда в направляющие силонажимного приспособления так, чтобы ось приложения силы проходила через центры тензометрических элементов динамометра эталонного и датчика стенда тормозного, как показано на рисунке 2;

Рис. 2. Внешний вид силонажимного приспособления
-
- войти в тестовый режим согласно руководству по эксплуатации на стенд.
-
- приложить максимально допустимую нагрузку на последовательно установленные динамометр эталонный и датчик стенда тормозного.
-
- выдержать датчик под установленной нагрузкой не менее 30 секунд;
-
- снять нагрузку;
-
- повторить процедуры нагрузки и разгрузки датчика не менее трех раз.
Юстировку нуля динамометра эталонного проводить согласно руководству по эксплуатации на него.
Определение допускаемой относительной погрешности измерений усилий на органах управления тормозными системами проводить одновременно с проверкой линейности силоизмерительного датчика измерений усилий, прикладываемых к органам управления тормозными системами, по шагам через каждые 10 кг (98,07Н). Для этого необходимо выполнить следующие процедуры:
-
- установить динамометр (рабочий эталон 2-го разряда) и выносной тензометрический датчик стенда в направляющие силонажимного приспособления так, чтобы ось приложения силы проходила через центры тензометрических элементов динамометра эталонного и датчика стенда тормозного;
-
- при полностью выведенном из контакта рычаге силонажимного приспособления показание на экране приборной стойки на холостом ходу должно быть равно 0,000 кг;
-
- вращая рукоятку силонажимного калибровочного приспособления, последовательно задавать на динамометре силу в диапазоне от 98,07 Н (10 кг) до 784,56 (80 кг) одновременно считывая показания с экрана дисплея на приборной стойке стенда тормозного в каждой поверяемой точке;
-
- в каждой выбранной поверяемой точке диапазона измерения повторить не менее пяти раз;
-
- вычислить относительную погрешность измерений по формуле:
F -F г
х100%
изм ср деист
F .
деист
FH3M - значение усилия в выбранной точке диапазона измерений, Н;
Гдейст - действительное значение усилия в выбранной точке, задаваемое на динамометре, Н.
Допускается использование других устройств обеспечивающих подачу усилия на датчик с заданной точностью.
Пределы допускаемой относительной погрешности измерений усилий на органах управления тормозной системой не должны превышать значений, указанных в Приложении 1.
7.4.3. Определение погрешности измерений массы транспортного средства, приходящейся на осьОпределение погрешности измерений массы транспортного средства, приходящейся на ось, проводится в следующей последовательности:
-
- выбрать режим проверки массы транспортного средства, приходящейся на ось;
-
- устанавливать на блоки роликов стенда тормозного наборы из грузов калибровочных - в пяти точках диапазона измерений взвешивающей системы, приблизительно равномерно распределенных по диапазону измерений, включая крайние значения
-
- считывать показания стенда в каждой точке
-
- вычислить относительную погрешность измерений по формуле:
изм ср
дейст
х100%
дейст
Мизм -значение массы в выбранной точке диапазона измерений, Н; Мдейст - значение массы гирь в выбранной точке, Н.
Допускается использование других устройств обеспечивающих подачу нагрузки в заданном диапазоне.
Пределы относительной погрешности измерений массы транспортного средства, приходящейся на ось не должны превышать значений, указанных в Приложении 1.
7.4.4. Определение относительной погрешности измерений давления сжатого воздуха в тормозном приводеПроверку диапазона измерений давления сжатого воздуха в пневматическом приводе и пределы относительной погрешности измерений давления сжатого воздуха проводить в соответствии с МИ 2124-90 «ГСП. Манометры, вакуумметры, мановакуумметры, напоромеры, тягомеры. Методика поверки».
Пределы относительной погрешности измерений давления сжатого воздуха в тормозном приводе не должны превышать значений, указанных в Приложении 1.
8. Оформление результатов поверки-
8.1. Результаты поверки оформляются протоколом, составленным в виде сводной таблицы результатов поверки по каждому пункту раздела 7 настоящей методики поверки с указанием предельных числовых значений результатов измерений и их оценки по сравнению с предъявленными требованиями.
-
8.2. При положительных результатах поверки стенд тормозной PFB022, PFB030, PFB035, PFB040, PFB060, PFB100, PFB150, PFB200, PFB715 признается годным к применению и на него выдается свидетельство о поверке установленной формы с указанием фактических результатов определения метрологических характеристик.
-
8.3. При отрицательных результатах поверки, стенд тормозной PFB022, PFB030, PFB035, PFB040, PFB060, PFB100, PFB150, PFB200, PFB715 признается непригодным к применению и на него выдается извещение о непригодности установленной формы с указанием основных причин.
И.Г. Вайсман
Инженер ГЦИ СИ
ООО «Автопрогресс-М»
Приложение 1.
Метрологические и технические характеристики
|
Модель / Характеристика |
PFB0222000, PFB0223000 |
PFB0300000, PFB0301000, PFB0302000, PFB0303000 |
PFB0350000, PFB0352000 |
PFB0400000, PFB0401000, PFB0402000, PFB0403000 |
PFB0600000, PFB0601000, PFB0602000, PFB0603000 |
|
Диапазон измерений тормозной силы колеса, кН |
0,1-6 |
0,05 - 3 |
0,1—5 |
0,1-6 |
0,1 - 12,5 |
|
Пределы допускаемой относительной погрешности измерений тормозной силы колеса, % |
±3 |
±3 |
±3 |
±3 |
±3 |
|
Диапазон массы транспортного средства, приходящийся на ось, кг |
100-2500 |
50 - 500 |
100-2500 |
100-2500 |
100-2500 |
|
Пределы допускаемой относительной погрешности измерений массы транспортного средства, приходящийся на ось, % |
±3 |
±3 |
±3 |
±3 |
±3 |
|
Максимальная масса транспортного средства, приходящаяся на ось, кг |
4000 |
1000 |
4000 |
4000 |
4000 |
|
Диапазон измерений усилий на органах управлений, Н |
0-1000 |
0-300 0-500 |
0-1000 |
0-1000 |
0-1000 |
|
Пределы допускаемой относительной погрешности измерений усилий на органах управлений, % |
±5 |
±5 |
±5 |
±5 |
±5 |
|
Диапазон измерений давления сжатого воздуха, МПа |
0-1 |
- |
0-1 |
0-1 |
0-1 |
|
Пределы допускаемой относительной погрешности измерений давления сжатого воздуха, % |
±5 |
- |
±5 |
±5 |
±5 |
|
Скорость движения автомобиля, имитируемая, на стенде, км/ч |
5,2 |
5,2 |
5,2 |
5,2 |
5,2 |
|
Диаметр роликов, мм |
202 |
202 |
202 |
202 |
204 |
|
Предельные отклонения диаметра роликов, мм |
±5 |
±5 |
±5 |
±5 |
±5 |
|
Допустимая ширина колесной базы проверяемого автомобиля, мм |
204 - 2204 |
0 — 350 |
800 - 2200 |
800 - 2200 |
800 - 2200 |
|
Модель / Характеристика |
PFB0222000, PFB0223000 |
PFB0300000, PFB0301000, PFB0302000, PFB0303000 |
PFB0350000, PFB0352000 |
PFB0400000, PFB0401000, PFB0402000, PFB0403000 |
PFB0600000, PFB0601000, PFB0602000, PFB0603000 |
|
Габаритные размеры, не более, мм -блока роликов; -приборной стойки |
2782x651x278 1900x660x560 |
2782x651x278 1900x660x560 |
2782x651х 278 1900х660х 560 |
2782x651x278 1900x660x560 |
2472x651 х378 1900x660 х560 |
|
Масса, не более, кг -блока роликов -приборной стойки |
390 155 |
390 155 |
390 155 |
390 155 |
390 155 |
|
Рабочий диапазон температур, °C |
0-50 |
0-50 |
0-50 |
0-50 |
0-50 |
|
Питание от сети переменного тока |
3x220/380 (+10%/-15%)В, частотой (50±1) Гц | ||||
|
Модель / Характеристика |
PFB1000000, PFB1002000 |
PFB1501000, PFB1503000, PFB1500000, PFB1502000, PFB2001000, PFB2003000, PFB2000000, PFB2002000 |
PFB7151000, PFB7153000 |
|
Диапазон измерений тормозной силы колеса, кН |
0,5-30 |
0,5 - 40 |
0,1-50 |
|
Пределы допускаемой относительной погрешности измерений тормозной силы колеса, % |
±3 |
±3 |
±3 |
|
Диапазон массы транспортного средства, приходящийся на ось, кг |
100-13000 |
100-15000 |
100-15000 |
|
Пределы допускаемой относительной погрешности измерений массы транспортного средства, приходящийся на ось, % |
±3 |
±3 |
±3 |
|
Максимальная масса транспортного средства, приходящаяся на ось, кг |
15000 |
18000 |
18000 |
|
Диапазон измерений усилий на органах управлений, Н |
0-1000 |
0-1000 |
0-1000 |
|
Пределы допускаемой относительной погрешности измерений усилий на органах управлений, % |
±5 |
±5 |
±5 |
|
Диапазон измерений давления сжатого воздуха, МПа |
0-1 |
0-1 |
0-1 |
|
Модель / Характеристика |
PFB1000000, PFB1002000 |
PFB1501000, PFB1503000, PFB1500000, PFB1502000, PFB2001000, PFB2003000, PFB2000000, PFB2002000 |
PFB7151000, PFB7153000 |
|
Пределы допускаемой относительной погрешности измерений давления сжатого воздуха, % |
±5 |
±5 |
±5 |
|
Скорость движения автомобиля, имитируемая, на стенде, км/ч |
2,2 |
2,2 |
2,6 / 5,2 |
|
Диаметр роликов, мм |
242 |
242 |
242 |
|
Предельные отклонения диаметра роликов, мм |
±5 |
±5 |
±5 |
|
Допустимая ширина колесной базы проверяемого автомобиля, мм |
1000-3000 |
1000-3000 |
1000-3000 |
|
Габаритные размеры, не более, мм -блока роликов -приборной стойки |
2х925х 651x432 1900х 660x560 |
2x925x651х 432 1900х660х 560 |
2x925x651х 432 1900х660х 560 |
|
Масса, не более, кг -блока роликов -приборной стойки |
2x700 155 |
2x740 155 |
2x750 155 |
|
Рабочий диапазон температур, °C |
0-50 |
0-50 |
0-50 |
|
Питание от сети переменного тока |
3x220/380 (+10%/-15%)В, частотой (50±1) Гц | ||

F — сила
D = 204 mm
L = 1039.5 mm
М = моторредуктор
Р = масса
R = ролик zl = 14 зубцов z2 = 14 зубцов
PxLxzl 4.905x 1039.5x 14
F =------------- =........... = 50 daN
(D/2)xz2 (204 / 2) x 14
Forza tangenziale sul rullo con 10 Kg di contrappesi
(Px3)xLxzl 9.81 x 1039.5x 14
F =-------------------- =-------------------------------- = JOO daN
(D/2)xz2 (204 / 2) x 14
Forza tangenziale sul rullo con 20 Kg di contrappesi
(Px5)xLxzl 19,62x1039.5x14
F =------------------- =--------------------------- = 200 daN
(D/2)xz2 (204/2) x 14
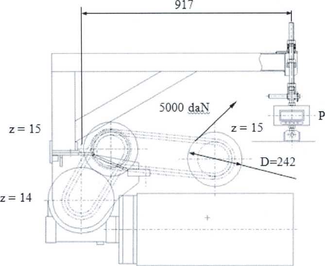
Калибровочный рычаг для стендов тормозных грузовых.

5000х 121 х 14
р =--------------------= 615,77 daN = 627,91 kg (il dinamometro visualizzala forzainkg)
15x917
4000 x 121 x 14
p =--------------------= 492,62 .daN = 5 02,3 3 kg
15x917
3000x 121 x 14
P =---------------------------------= 369,46 daN = 376,74 kg
15x917
2000 x 121 x 14
p =------------------= 246,31 daN = 251,16kg
15x917
lOOOx 121 x 14
P =-------------------- =123,15 daN =125,57 kg
15x917
13
